JP2010141973A - 超音波モータ - Google Patents

超音波モータ Download PDF

Info

Publication number
JP2010141973A
JP2010141973A JP2008313569A JP2008313569A JP2010141973A JP 2010141973 A JP2010141973 A JP 2010141973A JP 2008313569 A JP2008313569 A JP 2008313569A JP 2008313569 A JP2008313569 A JP 2008313569A JP 2010141973 A JP2010141973 A JP 2010141973A
Authority
JP
Japan
Prior art keywords
ultrasonic motor
piezoelectric element
pressing
holding member
housing
Prior art date
Legal status (The legal status is an assumption and is not a legal conclusion. Google has not performed a legal analysis and makes no representation as to the accuracy of the status listed.)
Pending
Application number
JP2008313569A
Other languages
English (en)
Inventor
Tetsuyuki Sakamoto
哲幸 坂本
Current Assignee (The listed assignees may be inaccurate. Google has not performed a legal analysis and makes no representation or warranty as to the accuracy of the list.)
Olympus Corp
Original Assignee
Olympus Corp
Priority date (The priority date is an assumption and is not a legal conclusion. Google has not performed a legal analysis and makes no representation as to the accuracy of the date listed.)
Filing date
Publication date
Application filed by Olympus Corp filed Critical Olympus Corp
Priority to JP2008313569A priority Critical patent/JP2010141973A/ja
Priority to US12/634,130 priority patent/US20100141091A1/en
Publication of JP2010141973A publication Critical patent/JP2010141973A/ja
Pending legal-status Critical Current

Links

Images

Classifications

    • HELECTRICITY
    • H02GENERATION; CONVERSION OR DISTRIBUTION OF ELECTRIC POWER
    • H02NELECTRIC MACHINES NOT OTHERWISE PROVIDED FOR
    • H02N2/00Electric machines in general using piezoelectric effect, electrostriction or magnetostriction
    • H02N2/02Electric machines in general using piezoelectric effect, electrostriction or magnetostriction producing linear motion, e.g. actuators; Linear positioners ; Linear motors
    • H02N2/026Electric machines in general using piezoelectric effect, electrostriction or magnetostriction producing linear motion, e.g. actuators; Linear positioners ; Linear motors by pressing one or more vibrators against the driven body
    • HELECTRICITY
    • H02GENERATION; CONVERSION OR DISTRIBUTION OF ELECTRIC POWER
    • H02NELECTRIC MACHINES NOT OTHERWISE PROVIDED FOR
    • H02N2/00Electric machines in general using piezoelectric effect, electrostriction or magnetostriction
    • H02N2/0005Electric machines in general using piezoelectric effect, electrostriction or magnetostriction producing non-specific motion; Details common to machines covered by H02N2/02 - H02N2/16
    • H02N2/001Driving devices, e.g. vibrators
    • H02N2/003Driving devices, e.g. vibrators using longitudinal or radial modes combined with bending modes
    • H02N2/004Rectangular vibrators
    • HELECTRICITY
    • H02GENERATION; CONVERSION OR DISTRIBUTION OF ELECTRIC POWER
    • H02NELECTRIC MACHINES NOT OTHERWISE PROVIDED FOR
    • H02N2/00Electric machines in general using piezoelectric effect, electrostriction or magnetostriction
    • H02N2/0005Electric machines in general using piezoelectric effect, electrostriction or magnetostriction producing non-specific motion; Details common to machines covered by H02N2/02 - H02N2/16
    • H02N2/005Mechanical details, e.g. housings
    • H02N2/0055Supports for driving or driven bodies; Means for pressing driving body against driven body
    • H02N2/006Elastic elements, e.g. springs
    • HELECTRICITY
    • H10SEMICONDUCTOR DEVICES; ELECTRIC SOLID-STATE DEVICES NOT OTHERWISE PROVIDED FOR
    • H10NELECTRIC SOLID-STATE DEVICES NOT OTHERWISE PROVIDED FOR
    • H10N30/00Piezoelectric or electrostrictive devices
    • H10N30/20Piezoelectric or electrostrictive devices with electrical input and mechanical output, e.g. functioning as actuators or vibrators
    • H10N30/202Piezoelectric or electrostrictive devices with electrical input and mechanical output, e.g. functioning as actuators or vibrators using longitudinal or thickness displacement combined with bending, shear or torsion displacement
    • H10N30/2023Piezoelectric or electrostrictive devices with electrical input and mechanical output, e.g. functioning as actuators or vibrators using longitudinal or thickness displacement combined with bending, shear or torsion displacement having polygonal or rectangular shape

Landscapes

  • General Electrical Machinery Utilizing Piezoelectricity, Electrostriction Or Magnetostriction (AREA)

Abstract

【課題】この発明は、簡易な構成で、且つ、簡便にして容易な組立作業を実現し得るようにした超音波モータを提供することにある。
【解決手段】保持部材15にばね部材16を一体成形して、この保持部材15を圧電素子10の縦振動の節に固着配置し、このばね部材16の両端部に、圧電素子10の摩擦駆動子11に付与する押圧力を設定する螺子部材17を、調整自在に配置して構成したものである。
【選択図】 図1

Description

この発明は、例えばデジタルカメラの手振れ補正ユニットやAFレンズ等のアクチュエータとして用いられている超音波モータに関する。
一般に、この種の超音波モータは、振動子である圧電素子に電圧を印加して縦振動と屈曲振動を励起させて楕円振動を発生させ、この楕円振動を、摩擦接触子を介して被駆動体に伝達し、該被駆動体を摩擦駆動するように構成されている。
このような圧電素子を用いる超音波モータとしては、振動子の突起を、レール上に移動可能に載置して、その上面に押圧手段を構成するばね部材を、ゴムシート及び固定板を用いて挟装配置し、このばね部材のばね力で振動子の突起をレール上に摩擦駆動可能に押圧配置した構成のものが提案されている(例えば、特許文献1参照。)。これにより、振動子で楕円振動が発生すると、ばね部材のばね力により、その駆動力がレールに伝達され、該レールが回転部材を介して駆動される。
特許第3825643号公報
しかしながら、上記特許文献1に開示される構成では、振動子に対して押圧手段を構成するばね部材、ゴムシート、固定板を、順に組付け配置する構成のために、その組立作業時、ばね部材の初期ばね力を調整しながら各部品を順に組付けていかなければならないことにより、その作業が非常に面倒であるという問題を有する。
この発明は上記の事情に鑑みてなされたもので、簡易な構成で、且つ、簡便にして容易な組立作業を実現し得るようにした超音波モータを提供することを目的とする。
この発明の超音波モータは、圧電素子と、前記圧電素子に設けられ、前記駆動力を前記被駆動体に伝達する摩擦接触子と、前記圧電素子に設けられ、筐体に位置決め保持される保持部材と、前記保持部材に一体成形され、前記圧電素子の摩擦接触子を前記被駆導体に摩擦駆動可能に押圧する押圧部材と、前記押圧部材に付与する前記被駆動体に対する押圧力を調整する押圧調整機構とを備えて構成した。
上記構成によれば、圧電素子は、保持部材が取付けられると、該保持部材に一体成形された押圧部材が所望のばね性を持たせて筐体内に組付け配置される。これにより、押圧部材の保持部材への初期ばね力設定を伴う組付け作業を行うことが無くなり、モータ組立作業の簡略化を図ることが可能となる。
以上述べたように、この発明によれば、簡易な構成で、且つ、簡便にして容易な組立作業を実現し得るようにした超音波モータを提供することができる。
以下、この発明の実施の形態について、図面を参照して詳細に説明する。
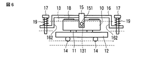
図1は、この発明の一実施の形態に係る超音波モータを示すもので、圧電素子10は、例えば複数の電極板が積層されて矩形状に形成され、各電極に電圧が印加されると、縦振動及び屈曲振動を同時に励起して楕円振動を発生させる。
この圧電素子10には、その下面の、例えば屈曲振動の腹に対応して摩擦接触子11が接着剤を用いて所定の間隔に固着され、この摩擦接触子11は、被駆動体12に接触されている(図2参照)。この被駆動体12は、筐体13にボール等の転動部材14を介して矢印X方向に移動自在に設けられている。
また、圧電素子10には、その縦振動の節に対応する、例えば上面を含む3面を囲んで略コ字形状の保持部材15が、例えば接着剤を用いて固着されている。この保持部材15は、例えば樹脂材料で形成され、上面側に例えば金属材料製の押圧部材である板状のばね部材16の中間部が、インサート成形により一体成形されて上記圧電素子10の長手方向に沿って組付け配置されている。
このばね部材16は、その両端部に押圧調整機構を構成する螺子部材17が配置される。この螺子部材17は、上記筐体13に螺合調整自在に設けられ、その螺合調整により上記ばね部材16の撓み量を調整して保持部材15を介して圧電素子10に付与する押圧力を設定する。これにより、ばね部材16は、保持部材115を所望の押圧力で付勢して、圧電素子10を筐体13に対して位置決め保持し、摩擦接触子11を上記被駆動体12に摩擦駆動可能に圧接する。
ここで、上記ばね部材16を構成する金属材料としては、ばね用ステンレス鋼、ベリリウム銅などが用いられ、保持部材15を構成する樹脂材料としては、PPS、PEEK材などの強化プラスチックなどが用いられてインサート成形により一体成形される。この強化プラスチックとしては、熱可塑性樹脂や熱硬化性樹脂を用いることが可能である。
また、ばね部材16は、例えば図3に示すように保持部材15との当接部位に切欠き部16aや開口16bを設けることにより、保持部材とのインサート成形時における堅牢化の促進を図ることができる。
上記保持部材15には、圧電素子10の縦振動の節に対応する両側部に、例えば円柱状の突起部151がそれぞれ突設され、この突起部151は、上記筐体13に設けられた案内溝部131に収容される。これにより、圧電素子10は、保持部材15の突起部151を介して矢印X方向及びZ軸回りの回転方向の位置が規制されて配置される。同時に、圧電素子10は、保持部材15の突起部151と、案内溝部131を設けた筐体13との間が近接されていることで、X軸及びY軸回りの位置が規制される。
また、上記圧電素子10には、その上面側にフレキシブルケーブル18が例えば導電性接着材を用いて固着され、このフレキシブルケーブル18を介して図示しない駆動回路と配線接続されている。そして、圧電素子10は、上記駆動回路(図示せず)を介して電圧が印加され、これに応動して縦振動及び屈曲振動を励起し、楕円振動を発生させ、駆動力を得て摩擦接触子11を介して駆動力を被駆動体12に伝達する。
上記構成により、モータ組立てを行う場合、例えば摩擦駆動子11の固着された圧電素子10の縦振動の節に対応する位置に、ばね部材16を一体成形した保持部材15が、接着剤を用いて固着される。そして、この圧電素子10は、その摩擦駆動子11が筐体13上に転動部材14を介在して移動自在に配置した被駆動体12上に載置される。この状態で、保持部材15は、その突起部151が、筐体13の案内溝部131に収容されると共に、一体成形したばね部材16の両端部に螺子部材17が配置されて圧電素子10に付与する押圧力の調整が行われる。
そして、圧電素子10は、その上面に配置したフレキシブルケーブル18が上記駆動回路(図示せず)に配線接続され、この駆動回路(図示せず)を介して電圧が印加されると、楕円振動が発生され、これを駆動力として摩擦駆動子11を介して被駆動体12を筐体13に対して矢印X方向に駆動する。
このように、上記超音波モータは、保持部材15にばね部材16を一体成形して、この保持部材15を圧電素子10の縦振動の節に固着配置し、このばね部材16の両端部に、圧電素子10の摩擦駆動子11に付与する押圧力を設定する螺子部材17を、調整自在に配置して構成した。
これによれば、圧電素子10は、保持部材15が取付けられると、該保持部材15に一体成形されたばね部材16が所望のばね性を持たせて筐体13内に組付け配置されることにより、組立時におけるばね部材16の保持部材15に対する初期ばね力設定を伴う組付け作業が無くなるために、モータ組立作業の簡略化を図ることが可能となる。
また、この発明は、上記実施の形態に限ることなく、その他、例えば図4乃至図17に示すように構成してもよく、同様の効果が期待される。但し、この図4乃至図17に示す各実施の形態においては、上記図1乃至図3に示す実施の形態と同一部分について同一符号を付して、その詳細な説明を省略する。
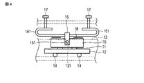
図4及び図5に示す実施の形態では、上記ばね部材16の両端部に、例えば湾曲した屈曲部161を設けて、この屈曲部161の開放端側に対して筐体13に螺合調整自在に設けた螺子部材17を当接させて配置し、この螺子部材17の螺合調整により、先端部で湾曲部161を押圧するように構成した。
これによれば、ばね部材16の変形部の長さを長く採ることが可能となり、ばね定数を小さく設定することができるため、上記ばね部材16による押圧力の高精度な調整を実現することが可能となる。
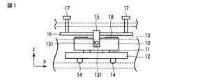
また、図6に示す実施の形態では、上記ばね部材16の両端部に段状に屈曲させた屈曲部162を設けて、この屈曲部162に対して螺子部材17を、押圧力調整用コイルばね19を挟んで遊挿配置させ、この螺子部材17の先端部を上記筐体13に螺合調整自在に螺合させて配置するように構成した。これによれば、ばね定数を小さくすることが可能となり、コイルばね19の作用により、さらに高精度な押圧力調整を実現することが可能となる。
そして、これによれば、例えば筐体蓋を設けたりすることなく螺子部材17の配置が可能となるうえ、該螺子部材17の配置を含めた高さ寸法を小さく設定することが可能となり、小形化の促進を図ることができる。
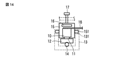
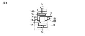
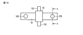
また、図7乃至図9に示す実施の形態では、ばね部材16の両端部に鉢巻に外周部を覆うように例えば樹脂材料製の弾性部163を、上記螺子部材17の先端部に対応して一体成形して、この弾性部163に螺子部材17の先端を係合させてばね部材16の押圧力を調整するように構成した。これによれば、ばね部材16は、その弾性部163の弾性力により、螺子部材17との当接による発生する衝突振動を吸収することができるため、より高精度な駆動特性を得ることが可能となる。
そして、この実施の形態においても、例えば図9に示すようにばね部材16の保持部材15との当接部位に切欠き部16aや開口16bを設けると共に、弾性部163との当接部位に、例えば開口16bを設けて保持部材15とインサート成形することで、堅牢に一体成形することが可能となる。
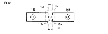
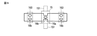
なお、上記弾性部163としては、その他、図10乃至図12に示すようにばね部材16の両端部における中間位置に上記螺子部材17の先端部に対向させて、例えば島の如き円形状に形成するようにしてもよい。
また、図13及び図14に示す実施の形態では、保持部材15にばね部材16をインサート成形により一体成形すると共に、該保持部材15を、圧電素子10の縦振動の節に対応する位置にインサート成形により一体成形するように構成した。これによれば、保持部材15の圧電素子10への組付け作業が削減されることにより、さらに組立作業性の向上を図ることが可能となる。
なお、この実施の形態においても、上述した図4乃至図12に示す構成を適用することが可能である。
さらに、図15に示す実施の形態では、例えば圧電素子10を筐体13内に位置決め配置する手段として、保持部材15に一対の位置決め用凹部152を、圧電素子10を挟んで両側部に設け、筐体13に位置決め用突起部132を設けて相互を係合させて圧電素子10を位置決め配置するように構成した。
また、図16は、例えば位置決め手段として、ばね部材16に一対の突起部164を、圧電素子10の長手方向であって、保持部材15を挟んだ両端部に2組設けて、この2組の位置決め用突起部164をそれぞれ筐体13に設けた位置決め用凹部133に係合させて圧電素子10を位置決め配置するように構成した。
そして、この図15及び図16に示す各実施の形態において、ばね部材16の両端部に弾性部163を一体形成することにより、さらに良好な効果が期待される。また、この各実施の形態においても、ばね部材16に上記図4及び図5の実施の形態と同様の屈曲部161を設けて構成したり、あるいは図6に示す実施の形態と同様の屈曲部162を設けて構成することも可能である。
よって、この発明は、上記実施の形態に限ることなく、その他、実施段階ではその要旨を逸脱しない範囲で種々の変形を実施し得ることが可能である。さらに、上記実施の形態には、種々の段階の発明が含まれており、開示される複数の構成要件における適宜な組合せにより種々の発明が抽出され得る。
例えば実施の形態に示される全構成要件から幾つかの構成要件が削除されても、発明が解決しようとする課題の欄で述べた課題が解決でき、発明の効果で述べられている効果が得られる場合には、この構成要件が削除された構成が発明として抽出され得る。
この発明の一実施の形態に係る超音波モータの概略構成を説明するために示した平面図である。 図1を側面から見た状態を示した平面図である。 図1のばね部材の製作例を説明するために示した平面図である。 この発明の他の実施の形態に係る超音波モータの概略構成を説明するために示した平面図である。 図4を側面から見た状態を示した平面図である。 この発明の他の実施の形態に係る超音波モータの概略構成を説明するために示した平面図である。 この発明の他の実施の形態に係る超音波モータの概略構成を説明するために示した平面図である。 図7を側面から見た状態を示した平面図である。 図7のばね部材の製作例を説明するために示した平面図である。 図7のばね部材の弾性部の他の例を示した平面図である。 図10のX−Xを断面して示した断面図である。 図10のばね部材の製作例を説明するために示した平面図である。 この発明の他の実施の形態に係る超音波モータの概略構成を説明するために示した平面図である。 図13を側面から見た状態を示した平面図である。 この発明の他の実施の形態に係る超音波モータの概略構成を説明するために示した平面図である。 この発明の他の実施の形態に係る超音波モータの概略構成を説明するために示した平面図である。
符号の説明
10…圧電素子、11…摩擦接触子、12…被駆動体、13…筐体、131…案内溝部、132…位置決め用突起部、133…位置決め用凹部、14…転動部材、15…保持部材、151…突起部、152…位置決め用凹部、16…ばね部材、16a…切欠き部、16b…開口、161,162…屈曲部、163…弾性部、164…位置決め用突起部、17…螺子部材、18…フレキシブルケーブル、19…コイルばね。

Claims (8)

  1. 縦振動及び屈曲振動を同時に励起して楕円振動を発生させ、前記楕円振動により駆動力を得て被駆動体を相対的に駆動する超音波モータであって、
    圧電素子と、
    前記圧電素子に設けられ、前記駆動力を前記被駆動体に伝達する摩擦接触子と、
    前記圧電素子に設けられ、筐体に位置決め保持される保持部材と、
    前記保持部材に一体成形され、前記圧電素子の摩擦接触子を前記被駆導体に摩擦駆動可能に押圧する押圧部材と、
    前記押圧部材に付与する前記被駆動体に対する押圧力を調整する押圧調整機構と、
    を具備することを特徴とする超音波モータ。
  2. 前記押圧部材は、前記筐体に位置決め保持され、前記保持部材は、前記筐体に対して分離されて配置されることを特徴とする請求項1記載の超音波モータ。
  3. 前記保持部材は、前記押圧部材及び前記圧電素子と一体成形されることを特徴とする請求項1又は2記載の超音波モータ。
  4. 前記押圧部材は、前記保持部材を挟んだ両端部に屈曲部が設けられることを特徴とする請求項1乃至3のいずれか記載の超音波モータ。
  5. 前記押圧調整機構は、押圧力発生部を有することを特徴とする請求項1乃至4のいずれか記載の超音波モータ。
  6. 前記押圧部材は、前記保持部を挟んだ両端部に前記調整機構が組付けられる弾性部材が一体成形されて設けられることを特徴とする請求項1乃至5のいずれか記載の超音波モータ。
  7. 前記押圧部材は、金属材料で形成されることを特徴とする請求項1乃至6のいずれか記載の超音波モータ。
  8. 前記押圧部材は、前記筐体との嵌合部位に切欠き部又は開口が形成されることを特徴とする請求項1乃至7のいずれか記載の超音波モータ。
JP2008313569A 2008-12-09 2008-12-09 超音波モータ Pending JP2010141973A (ja)

Priority Applications (2)

Application Number Priority Date Filing Date Title
JP2008313569A JP2010141973A (ja) 2008-12-09 2008-12-09 超音波モータ
US12/634,130 US20100141091A1 (en) 2008-12-09 2009-12-09 Ultrasonic motor

Applications Claiming Priority (1)

Application Number Priority Date Filing Date Title
JP2008313569A JP2010141973A (ja) 2008-12-09 2008-12-09 超音波モータ

Publications (1)

Publication Number Publication Date
JP2010141973A true JP2010141973A (ja) 2010-06-24

Family

ID=42230288

Family Applications (1)

Application Number Title Priority Date Filing Date
JP2008313569A Pending JP2010141973A (ja) 2008-12-09 2008-12-09 超音波モータ

Country Status (2)

Country Link
US (1) US20100141091A1 (ja)
JP (1) JP2010141973A (ja)

Cited By (3)

* Cited by examiner, † Cited by third party
Publication number Priority date Publication date Assignee Title
CN104362891A (zh) * 2014-12-09 2015-02-18 苏州科技学院 一种双向驱动直线超声电机
JP2016533159A (ja) * 2013-09-13 2016-10-20 フィジック インストゥルメント(ピーアイ)ゲーエムベーハー アンド ツェーオー.カーゲー 小型汎用スティックスリップ圧電モータ
JP2017051040A (ja) * 2015-09-04 2017-03-09 キヤノン株式会社 振動波モータ

Families Citing this family (10)

* Cited by examiner, † Cited by third party
Publication number Priority date Publication date Assignee Title
JP5709413B2 (ja) * 2010-06-21 2015-04-30 キヤノン株式会社 振動型駆動装置
JP2012165496A (ja) * 2011-02-03 2012-08-30 Tamron Co Ltd 振動モータ及びレンズ駆動機構
JP5942403B2 (ja) * 2011-12-06 2016-06-29 セイコーエプソン株式会社 圧電モーター、駆動装置、電子部品検査装置、電子部品搬送装置、印刷装置、ロボットハンド、およびロボット
JP5773900B2 (ja) * 2012-01-30 2015-09-02 キヤノン株式会社 モータ
CN103427705B (zh) * 2013-08-14 2015-06-24 金陵科技学院 双模态并减摩驱动的单驱动足板形压电电机及其工作模式
CN104362897A (zh) * 2014-12-09 2015-02-18 苏州科技学院 一种单电信号驱动旋转超声电机
JP6570335B2 (ja) * 2015-06-17 2019-09-04 キヤノン株式会社 振動型アクチュエータ、レンズ駆動装置および超音波モータ
CN105720858B (zh) * 2016-04-18 2017-08-04 南京理工大学 一种摩擦力精确可调的冲击式压电驱动装置
JP6818428B2 (ja) * 2016-04-28 2021-01-20 キヤノン株式会社 振動波モータ及びこれを用いた装置
CN106953539B (zh) * 2017-04-14 2019-04-12 哈尔滨工业大学 纵-弯复合蠕动式精密压电驱动器及其激励方法

Citations (3)

* Cited by examiner, † Cited by third party
Publication number Priority date Publication date Assignee Title
JPH08182359A (ja) * 1994-12-21 1996-07-12 Olympus Optical Co Ltd 超音波アクチュエータ
JPH11164573A (ja) * 1997-11-26 1999-06-18 Nikon Corp 振動アクチュエータ
JP3825643B2 (ja) * 2001-02-15 2006-09-27 セイコーインスツル株式会社 超音波モータ及び超音波モータ付き電子機器

Family Cites Families (1)

* Cited by examiner, † Cited by third party
Publication number Priority date Publication date Assignee Title
JP2008178250A (ja) * 2007-01-19 2008-07-31 Olympus Corp 超音波振動子の押圧機構および超音波モータ

Patent Citations (3)

* Cited by examiner, † Cited by third party
Publication number Priority date Publication date Assignee Title
JPH08182359A (ja) * 1994-12-21 1996-07-12 Olympus Optical Co Ltd 超音波アクチュエータ
JPH11164573A (ja) * 1997-11-26 1999-06-18 Nikon Corp 振動アクチュエータ
JP3825643B2 (ja) * 2001-02-15 2006-09-27 セイコーインスツル株式会社 超音波モータ及び超音波モータ付き電子機器

Cited By (3)

* Cited by examiner, † Cited by third party
Publication number Priority date Publication date Assignee Title
JP2016533159A (ja) * 2013-09-13 2016-10-20 フィジック インストゥルメント(ピーアイ)ゲーエムベーハー アンド ツェーオー.カーゲー 小型汎用スティックスリップ圧電モータ
CN104362891A (zh) * 2014-12-09 2015-02-18 苏州科技学院 一种双向驱动直线超声电机
JP2017051040A (ja) * 2015-09-04 2017-03-09 キヤノン株式会社 振動波モータ

Also Published As

Publication number Publication date
US20100141091A1 (en) 2010-06-10

Similar Documents

Publication Publication Date Title
JP2010141973A (ja) 超音波モータ
JP4802313B2 (ja) 圧電振動子の保持装置
US9397586B2 (en) Ultrasonic wave motor and ultrasonic wave motor-equipped device
JP5683643B2 (ja) リニア超音波モータ及びそれを有する光学装置
JP2009142014A (ja) 超音波モータ
JP2014183724A (ja) リニア超音波モータ及びこれを用いた光学装置
US11038439B2 (en) Vibration-wave motor
CN101350572B (zh) 驱动装置及其制造方法
JP5540188B2 (ja) リニア駆動装置
US9641104B2 (en) Actuator
JP6122452B2 (ja) アクチュエータ
CN112019085B (zh) 振动波电机及电子装置
US20110096423A1 (en) Piezoelectric actuator, lens barrel and optical device
US11101749B2 (en) Vibration wave motor and imaging device having vibration wave motor
JP2015047036A (ja) 超音波モータ及びそれを有するレンズ装置
JP7676188B2 (ja) 振動型アクチュエータ並びにそれを有する光学機器及び電子機器
JP2011061895A (ja) 超音波モータ機構
JP6708472B2 (ja) 振動波モータ及び振動波モータが搭載された光学機器
JPWO2010032826A1 (ja) 振動型アクチュエータの支持装置
JP6393383B2 (ja) 振動波モータ
JP2007151239A (ja) 駆動装置
JP7751637B2 (ja) 圧電駆動装置、圧電駆動システム
JP2009268235A (ja) リニア駆動型超音波モータ
JP2008253107A (ja) 駆動装置
JP2009268209A (ja) 超音波モータ

Legal Events

Date Code Title Description
A621 Written request for application examination

Free format text: JAPANESE INTERMEDIATE CODE: A621

Effective date: 20111014

A521 Request for written amendment filed

Free format text: JAPANESE INTERMEDIATE CODE: A523

Effective date: 20121109

A131 Notification of reasons for refusal

Free format text: JAPANESE INTERMEDIATE CODE: A131

Effective date: 20130312

A02 Decision of refusal

Free format text: JAPANESE INTERMEDIATE CODE: A02

Effective date: 20130702