JP2010141908A - 水晶振動子、水晶ユニット、水晶発振器と電子機器 - Google Patents

水晶振動子、水晶ユニット、水晶発振器と電子機器 Download PDF

Info

Publication number
JP2010141908A
JP2010141908A JP2010013550A JP2010013550A JP2010141908A JP 2010141908 A JP2010141908 A JP 2010141908A JP 2010013550 A JP2010013550 A JP 2010013550A JP 2010013550 A JP2010013550 A JP 2010013550A JP 2010141908 A JP2010141908 A JP 2010141908A
Authority
JP
Japan
Prior art keywords
tuning fork
crystal
tuning
groove
fork arm
Prior art date
Legal status (The legal status is an assumption and is not a legal conclusion. Google has not performed a legal analysis and makes no representation as to the accuracy of the status listed.)
Granted
Application number
JP2010013550A
Other languages
English (en)
Other versions
JP5266437B2 (ja
Inventor
Hirofumi Kawashima
宏文 川島
Current Assignee (The listed assignees may be inaccurate. Google has not performed a legal analysis and makes no representation or warranty as to the accuracy of the list.)
Piedek Technical Laboratory
Original Assignee
Piedek Technical Laboratory
Priority date (The priority date is an assumption and is not a legal conclusion. Google has not performed a legal analysis and makes no representation as to the accuracy of the date listed.)
Filing date
Publication date
Application filed by Piedek Technical Laboratory filed Critical Piedek Technical Laboratory
Priority to JP2010013550A priority Critical patent/JP5266437B2/ja
Publication of JP2010141908A publication Critical patent/JP2010141908A/ja
Application granted granted Critical
Publication of JP5266437B2 publication Critical patent/JP5266437B2/ja
Anticipated expiration legal-status Critical
Expired - Lifetime legal-status Critical Current

Links

Images

Landscapes

  • Piezo-Electric Or Mechanical Vibrators, Or Delay Or Filter Circuits (AREA)
  • Oscillators With Electromechanical Resonators (AREA)

Abstract

【課題】衝撃や振動を受けても、それらの影響を受けない高調波モード振動を抑えた基本波モードで振動する音叉形状の屈曲水晶振動子と、それを備えた水晶ユニットと水晶発振器及び電子機器を提供する。
【解決手段】音叉基部と、その音叉基部に接続された少なくとも第1音叉腕と第2音叉腕とを備えた音叉形状の音叉型屈曲水晶振動子で、第1音叉腕と第2音叉腕の各音叉腕の一端部は音叉基部に接続され、他端部は自由であって、各音叉腕の上面と下面の各々に溝が形成され、逆相の屈曲モードで振動するように溝の面の上と各音叉腕の側面の上に電極が配置されている音叉型屈曲水晶振動子で、その音叉型屈曲水晶振動子の基本波モード振動のフイガーオブメリットMが、2次高調波モード振動のフイガーオブメリットMより大きくなるように、音叉形状と溝と電極との寸法が決められる。
【選択図】図9

Description

本発明は少なくとも表示部と水晶発振器を具えて構成される電子機器とその製造方法に関する。特に、クロック源あるいは基準信号源として最適な水晶発振器を具え、更に、少なくとも二個の水晶発振器を具えて構成され、それらの内の二個は異なる振動モードの水晶振動子から成る水晶発振器を具えた電子機器とその製造方法に関する。
電子機器に用いられる従来の水晶発振器の一つは増幅器とコンデンサーと抵抗素子と音叉腕の上下面と側面に電極が配置された音叉型屈曲水晶振動子から成る水晶発振器がよく知られている。図11には、この従来の水晶発振器に用いられている音叉形状の屈曲水晶振動子200の概観図を示す。図11において水晶振動子200は2本の音叉腕201,202と音叉基部230とを具えている。図12には図11の音叉腕の断面図を示す。図12に示すように、励振電極は音叉腕の上下面と側面に配置されている。一方の音叉腕の断面の上面には電極203が下面には電極204が配置されている。側面には電極205と206が設けられている。他方の音叉腕の上面には電極207が下面には電極208が、更に側面には電極209,210が配置され2電極端子H−H′構造を成している。今、H−H′間に直流電圧を印加すると電界は矢印方向に働く。その結果、一方の音叉腕が内側に曲がると他方の音叉腕も内側に曲がる。この理由は、x軸方向の電界成分Exが各音叉腕の内部で方向が反対になるためである。交番電圧を印加することにより振動を持続することができる。又、特許文献1から特許文献3では、音叉腕に溝を設け、且つ、電極構成について開示されている。
特開昭56−65517 特開昭特開2000−223992(P2000−223992A) 国際公開第00/44092
音叉型屈曲水晶振動子では、電界成分Exが大きいほど損失等価直列抵抗Rが小さくなり、品質係数Q値が大きくなる。しかしながら、従来から使用されている音叉型屈曲水晶振動子は、図12で示したように、各音叉腕の上下面と側面の4面に電極を配置している。そのために電界が直線的に働かず、かかる音叉型屈曲水晶振動子を小型化させると、電界成分Exが小さくなってしまい、損失等価直列抵抗Rが大きくなり、品質係数Q値が小さくなるなどの課題が残されていた。同時に、時間基準として高精度な、即ち、高い周波数安定性を有し、高調波モード振動を抑えた屈曲水晶振動子を得ることが課題として残されていた。又、前記課題を解決する方法として、例えば、特許文献1では音叉腕に溝を設け、且つ、溝の構成と電極構成について開示している。しかしながら、溝の構成、寸法と振動モード及び基本波モード振動の等価直列抵抗Rと高調波モード振動の等価直列抵抗Rとの関係及び周波数安定性に関係するフィガーオブメリットMについては全く開示されていない。又、従来の水晶振動子や溝を設けた振動子を従来の回路に接続し水晶発振回路を構成すると、基本波振動モードの出力信号が衝撃や振動などの影響で出力信号が高調波モード振動の周波数に変化、検出される等の問題が生じ、電子機器が正常に動作しない等の問題が発生していた。このようなことから、衝撃や振動を受けても、それらの影響を受けない高調波モード振動を抑えた基本波モードで振動する音叉形状の屈曲水晶振動子を具えた水晶発振器が所望されていた。更に、水晶発振器の消費電流を低減するために、負荷容量Cを小さくすると高調波モードの振動がし易くなり、基本波モード振動の出力周波数が得られない等の課題が残されていた。それ故、基本波モードで振動する超小型で、等価直列抵抗Rの小さい、品質係数Q値が高くなる音叉形状の屈曲水晶振動子を具え、出力信号が基本波モード振動の周波数で、高い周波数安定性(高い時間精度)を有し、消費電流の少ない水晶発振器が所望されていた。又、特に、等価直列抵抗Rの小さい、Q値の高い幅縦モード水晶振動子を具えた水晶発振器に関する報告はなされていないのが実状である。
本発明は、以下の方法で従来の課題を有利に解決した屈曲モードで振動する音叉形状の水晶振動子又は幅縦モード水晶振動子又は厚みすべりモード水晶振動子から成る水晶発振器を具えた電子機器を提供することを目的とするものである。
即ち、本発明の水晶振動子の第1の態様は、音叉基部と、前記音叉基部に接続された少なくとも第1音叉腕と第2音叉腕とを備えた音叉形状の音叉型屈曲水晶振動子で、前記第1音叉腕と前記第2音叉腕の各々の一端部は前記音叉基部に接続され、他端部は自由であって、前記第1音叉腕と前記第2音叉腕の各々の上面と下面の各々に溝が形成され、前記第1音叉腕と前記第2音叉腕が逆相の屈曲モードで振動するように、前記第1音叉腕と前記第2音叉腕の各々の上面と下面の各々に形成された溝の面と前記第1音叉腕と前記第2音叉腕の各々の側面に電極が配置されている音叉型屈曲水晶振動子であって、前記音叉型屈曲水晶振動子は基本波モード振動と2次高調波モード振動を備え、前記基本波モード振動のフイガーオブメリットMが前記2次高調波モード振動のフイガーオブメリットMより大きくなるように、前記音叉形状と前記溝と前記電極との寸法が決められている水晶振動子である。
本発明の水晶振動子の第2の態様は、第1の態様において、前記音叉型屈曲水晶振動子の前記2次高調波モード振動のフイガーオブメリットMが30より小さくなるように、前記音叉形状と前記溝と前記電極との寸法が決められている水晶振動子である。
本発明の水晶ユニットの第1の態様は、第1の態様または第2の態様に記載の水晶振動子と、その水晶振動子を収納するケースと、蓋とを備えて構成される水晶ユニットで、前記音叉型屈曲水晶振動子の前記基本波モード振動の等価直列抵抗Rが、前記2次高調波モード振動の等価直列抵抗Rより小さくなるように、前記溝の長さ寸法と前記音叉型屈曲水晶振動子の全長の寸法とが決定されている水晶ユニットである。
本発明の水晶発振器の第1の態様は、第1の態様に記載の水晶ユニットと、増幅器と抵抗素子とコンデンサーとを備えて構成される水晶発振器である。
本発明の電子機器の第1の態様は、第1の態様に記載の水晶発振器と、表示部とを備えて構成される電子機器である。
このように、本発明は音叉形状の屈曲水晶振動子又は幅縦モード水晶振動子又は厚みすべりモード水晶振動子から成る水晶発振器を具えた電子機器で、特に、増幅回路と帰還回路との関係と水晶振動子の形状とカット角を示すことにより、高い周波数安定性を有する水晶発振器を具えた電子機器を得る事ができる。
以下、本発明の実施例を図面に基づき具体的に述べる。
図1は本発明の電子機器の一実施例で、ファクシミリのブロック図の一例である。即ち、モデム、音声回路、時計回路、印刷部、取り込み部、操作部と表示部から構成されている。又、この原理は、まず取り込み部で原稿に投影した光の反射光を電荷結合素子(CCD)で感知し走査される。感知された反射光の濃淡はデジタル信号に変換され、モデムで変調されて電話回線へ送られる。又、受信側では、受けた信号をモデムで復調し、印刷部で送信側と同期させて記録紙に印刷される。図1に示すように、水晶振動子は制御部や印刷部のCPUクロック、音声回路の音声合成ICのクロック、モデムの同期クロックそして時計回路の時間基準等に使用される。即ち、これらは水晶発振器を構成しその出力信号が用いられる。例えば、表示部に時間を表示するための信号として使用される。本実施例の電子機器の一つであるファクシミリが正常に動作するには、この機器に使われる水晶発振器の正確な出力信号が要求される。本実施例では、電子機器の一例としてファクシミリを示したが、本発明の電子機器には水晶発振器を具えて構成される機器はすべて包含される。例えば、携帯電話、電話、テレビ、カメラ、ビデオ、ビデオカメラ、ページャ、パーソナルコンピュータ、プリンタ、CDプレーヤ、MDプレーヤ、電子楽器、カーナビゲィション、カーエレクトロニクス、時計、ICカード等である。以下、本発明の電子機器に使用される水晶発振器について詳述する。
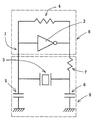
図2は本発明の電子機器に使用される水晶発振器を構成する水晶発振回路図の一実施例である。本実施例では、水晶発振回路1は増幅器(CMOSインバータ)2、帰還抵抗4、ドレイン抵抗7、コンデンサー5,6と音叉形状の屈曲水晶振動子3から構成されている。即ち、水晶発振回路1は、増幅器2と帰還抵抗4から成る増幅回路8とドレイン抵抗7、コンデンサー5,6と屈曲水晶振動子3から成る帰還回路9から構成されている。更に、基本波モードで振動する音叉形状の屈曲水晶振動子3を具えて構成される水晶発振回路1の出力信号はバッファ回路(図示されていない)を通してドレイン側から出力される。即ち、基本波モード振動の周波数がバッファ回路を通して出力信号として出力される。本発明では、基本波モード振動の周波数は10KHz〜200KHzが用いられる。又、本発明では、前記出力信号の周波数を分周回路又は逓倍回路によって分周又は逓倍された周波数も基本波モード振動の周波数に含まれる。さらに詳細には、本実施例の水晶発振器は水晶発振回路とバッファ回路を具えて構成されている。換言するならば、水晶発振回路は増幅回路と帰還回路から構成され、増幅回路は少なくとも増幅器から構成され、帰還回路は少なくとも音叉形状の屈曲水晶振動子とコンデンサーから構成されている。又、本実施例の水晶発振器に用いられる音叉形状の屈曲水晶振動子は図4から図8で詳述される。
図3は図2の帰還回路図を示す。今、屈曲モードで振動する音叉形状の水晶振動子の角周波数をω、ドレイン抵抗7の抵抗をR、コンデンサー5、6の容量をC、C、水晶のクリスタルインピーダンスをRei,入力電圧をV,出力電圧をVとすると、帰還率βはβ=|V/|Vで定義される。但し、iは屈曲モード振動の振動次数を表し、例えば、i=1のとき、基本波モード振動、i=2のとき、2次高調波モード振動、i=3のとき、3次高調波モード振動である。即ち、i=nのとき、n次高調波モード振動であるが、以下単に、高調波モード振動と言う。更に、負荷容量CはC=C/(C+C)で与えられ、C=C=CgdとR>>Reiとすると、帰還率βはβ=1/(1+kC )で与えられる。但し、kはω、R、Reiの関数で表される。又、Reiは近似的に等価直列抵抗Rに等しくなる。
このように、帰還率βと負荷容量Cとの関係から、負荷容量Cが小さくなると、基本波振動モードと高調波振動モードの共振周波数の帰還率はそれぞれ大きくなることが良く分かる。それ故、負荷容量Cが小さくなると、基本波モード振動よりも高調波モード振動の方が発振し易くなる。その理由は高調波モード振動の最大振動振幅が基本波モード振動の最大振動振幅より小さいために、発振持続条件である振幅条件と位相条件を同時に満足するためである。
本発明の電子機器に使用される水晶発振器は、消費電流が少なく、しかも、出力周波数が高い周波数安定性(高い時間精度)を有する、基本波モード振動の周波数である水晶発振器を提供することを目的としている。それ故、消費電流を少なくするために、本実施例では、負荷容量Cは10pF以下を用いる。より消費電流を少なくするには、消費電流は負荷容量に比例するので、C=8pF以下が好ましい。ここで言う、容量C、Cは回路の浮遊容量を含まない数値であるが、実際には、回路構成により浮遊容量が存在する。それ故、本実施例では、この回路構成による浮遊容量を含んだ負荷容量Cは18pF以下を用いる。また、高調波モードの振動を抑え、発振器の出力信号が基本波モード振動の周波数を得るために、α/α>β/βとαβ>1を満足するように本実施例の水晶発振回路は構成される。但し、α、αは基本波モード振動と高調波モード振動の増幅回路の増幅率で、β、βは基本波モード振動と高調波モード振動の帰還回路の帰還率である。即ち、n=2、3のとき、それぞれ、2次、3次高調波モード振動である。
換言するならば、増幅回路の基本波モード振動の増幅率αと高調波モード振動の増幅率αの比が帰還回路の高調波モード振動の帰還率βと基本波モード振動の帰還率βの比より大きく、かつ、基本波モード振動の増幅率αと基本波モード振動の帰還率βの積が1より大きくなるように構成される。このような構成により、消費電流の少ない、出力信号が基本波モード振動の周波数である水晶発振器が実現できる。更に、高い周波数安定性については後述される。
又、本実施例の水晶発振回路を構成する増幅回路の増幅部は負性抵抗−RLでその特性を示すことができる。i=1のとき基本波モード振動の負性抵抗で、i=nのとき高調波モード振動の負性抵抗である。即ち、n=2,3のとき、2次、3次高調波モード振動の負性抵抗である。本実施例の水晶発振器は、増幅回路の基本波モード振動の負性抵抗の絶対値|−RL|と基本波モード振動の等価直列抵抗Rの比が増幅回路の高調波モード振動の負性抵抗の絶対値|−RL|と高調波モード振動の等価直列抵抗Rの比より大きくなるように水晶発振回路が構成されている。即ち、|−RL|/R>|−RL|/Rを満足するように構成されている。このように水晶発振回路を構成することにより、高調波モード振動の発振起動が抑えられ、その結果、基本波モード振動の発振起動が得られるので基本波モード振動の周波数が出力信号として得られる。
図4は本発明の電子機器を構成する第1実施例の水晶発振器に用いられる屈曲モードで振動する音叉形状の屈曲水晶振動子10の外観図とその座標系を示すものである。座標系O、電気軸x、機械軸y、光軸zからなるO−xyzを構成している。本実施例の音叉形状の屈曲水晶振動子10は音叉腕20、音叉腕26と音叉基部40とから成り、音叉腕20と音叉腕26は音叉基部40に接続されている。また、音叉腕20と音叉腕26はそれぞれ上面と下面と側面とを有する。更に、音叉腕20の上面には中立線を挟んで、即ち、中立線を含むように溝21が設けられ、又、音叉腕26の上面にも音叉腕20と同様に溝27が設けられるとともに、さらに、音叉基部40に溝32と溝36とが設けられている。なお、角度θは、x軸廻りの回転角であり、通常0〜10°の範囲で選ばれる。又、音叉腕20、26の下面にも上面と同様に溝が設けられている。
図5は、図4の音叉形状の屈曲水晶振動子10の音叉基部40のD−D´断面図を示す。図5では図4の水晶振動子の音叉基部40の断面形状並びに電極配置について詳述する。音叉腕20と連結する音叉基部40には溝21,22が設けられている。同様に、音叉腕26と連結する音叉基部40には溝27,28が設けられている。更に、溝21と溝27との間には更に溝32と溝36とが設けられている。又、溝22と溝28との間にも溝33と溝37とが設けられている。そして、溝21と溝22には電極23,24が、溝32,33,36,37には電極34,35,38,39が、溝27と溝28には電極29,30が配置され、音叉基部40の両側面には電極25,31が配置されている。詳細には、溝の側面に電極が配置され、前記電極に対抗して極性の異なる電極が配置されている。
また、音叉形状の屈曲水晶振動子10は厚みtを有し、溝は厚みtを有している。ここで言う厚みtは溝の一番深いところの厚みを言う。その理由は水晶は異方性の材料のために、化学的エッチング法では各結晶軸の方向によりエッチングスピードが異なる。それ故、化学的エッチング法では溝の深さにバラツキが生じ、図5に示した一様な形状に加工するのが極めて難しいためである。本実施例では、溝の厚みtと音叉腕又は音叉腕と音叉基部の厚みtとの比(t/t)が0.79より小さくなるように、好ましくは、0.01〜0.79となるように溝が音叉腕又は音叉腕と音叉基部に形成されている。特に、音叉基部の歪みを大きくするために、音叉基部の溝の厚みと音叉基部の厚みの比を0.01〜0.025にする事が好ましい。このように形成することにより、音叉腕又は音叉腕と音叉基部の溝側面電極とそれに対抗する側面の電極との間の電界Exが大きくなる。すなわち、電気機械変換効率の良い屈曲振動子が得られる。即ち、容量比の小さい音叉形状の屈曲水晶振動子が得られる。更に、本実施例では、音叉基部の溝と溝との間にさらに溝32,33,36,37が設けられているので、その電界強度はより一層大きくなり、より電気機械変換効率が良くなる。又、本実施例では、音叉基部40の上面に溝32,36が、下面に溝33,37が設けられているが、片面にのみ設けても良い。
更に、電極25,29,30,34,35は一方の同極に、電極23,24,31,37,38,39は他方の同極になるように配置されていて、2電極端子構造E−E′を構成する。即ち、z軸方向に対抗する溝電極は同極に、且つ、x軸方向に対抗する電極は異極になるように構成されている。今、2電極端子E−E′に直流電圧を印加(E端子に正極、E′端子に負極)すると電界Exは図4に示した矢印のように働く。電界Exは水晶振動子の側面と溝内の側面とに配置された電極により電極に垂直に、即ち、直線的に引き出されるので、電界Exが大きくなり、その結果、発生する歪の量も大きくなる。従って、音叉形状の屈曲水晶振動子を小型化させた場合でも、等価直列抵抗Rの小さい、品質係数Q値の高い屈曲モードで振動する音叉形状の水晶振動子が得られる。
図6は図4の音叉形状の屈曲水晶振動子10の上面図を示すものである。図6では溝21,27の配置及び寸法について特に詳述する。音叉腕20の中立線41を挟むようにして溝21が設けられている。他方の音叉腕26も中立線42を挟むようにして溝27が設けられている。更に、本実施例の音叉形状の屈曲水晶振動子10では、音叉基部40の、溝21と溝27との間に挟まれた部分にも溝32と溝36とが設けられている。それら溝21,27及び溝32,36を設けたことで、音叉形状の屈曲水晶振動子10には、先に述べたように、電界Exが図5に示した矢印のように働き、電界Exは水晶振動子の側面と溝内の側面とに配置された電極により電極に垂直に、即ち、直線的に引き出され、特に音叉基部の電界Exが大きくなり、その結果、発生する歪の量も大きくなる。このように、本実施例の音叉形状の屈曲水晶振動子10の形状と電極構成とは、音叉型屈曲水晶振動子を小型化した場合でも電気的諸特性に優れた、即ち、等価直列抵抗Rの小さい、品質係数Q値の高い水晶振動子が実現できる。
更に、部分幅W、Wと溝幅Wとすると、音叉腕20,26の腕幅WはW=W+W
Figure 2010141908
ように構成される。又、溝幅WはW≧W,Wを満足する条件で構成される。更に具体的に述べると、本実施例では、溝幅Wと音叉腕幅Wとの比(W/W)が0.35より大きく、1より小さくなるように、好ましくは、0.35〜0.95で、溝の厚みtと音叉腕の厚みt又は音叉腕と音叉基部の厚みtとの比(t/t)が0.79より小さくなるように、好ましくは、0.01〜0.79となるように溝が音叉腕に形成されている。このように形成することにより、音叉腕の中立線41と42を基点とする慣性モーメントが大きくなる。即ち、電気機械変換効率が良くなるので、等価直列抵抗Rの小さい、Q値の高い、しかも、容量比の小さい音叉形状の屈曲水晶振動子を得る事ができる。
これに対して、溝21および溝27の長さlについて本実施例では、溝21,27が音叉腕20,26から音叉基部40の長さlにまで延在し、基部の溝の長さlとなるような寸法とされている。それ故、音叉腕20,26に設けられた溝の長さは(l−l)で与えられ、Rの小さい振動子を得るために、(l−l)/(l−l)が0.4〜0.8の値を有する。更に、音叉形状の屈曲水晶振動子10の全長lは要求される周波数や収納容器の大きさなどから決定される。と共に、基本波モードで振動する良好な音叉形状の屈曲水晶振動子を得るためには、溝の長さlと全長lとの間には密接な関係が存在する。
すなわち、音叉腕20,26又は音叉腕20,26と音叉基部40に設けられた溝の長さlと音叉形状の屈曲水晶振動子の全長lとの比(l/l)が0.2〜0.78となるように溝の長さは設けられる。このように形成する理由は、不要振動である高調波モード振動、特に、2次、3次高調波モード振動を抑圧する事ができると共に基本波モード振動の周波数安定性を高めることができる。それ故、基本波モードで容易に振動する良好な音叉形状の屈曲水晶振動子が実現できる。さらに詳述するならば、基本波モードで振動する音叉形状の屈曲水晶振動子の等価直列抵抗Rが高調波モード振動の等価直列抵抗Rより小さくなる。即ち、R<R(n=2,3のとき、2次、3次高調波モード振動の等価直列抵抗)となり、増幅器(CMOSインバータ)、コンデンサー、抵抗素子、本実施例の音叉形状の屈曲水晶振動子等から成る水晶発振器において、振動子が基本波モードで容易に振動する良好な水晶発振器が実現できる。又、溝の長さlは音叉腕の長さ方向に分割されていても良く、その中の少なくとも1個が前記辺比(l/l)を満足すれば良いか、又は、分割された溝の長さ方向の加えられた溝の長さが前記辺比(l/l)を満足すれば良い。
また、この実施例では、音叉基部40は図6中、振動子10の長さlの下側部分全体とされ、又、音叉腕20及び音叉腕26は、図6中、振動子10の長さlの部分から上側の部分全体とされている。本実施例では音叉の叉部は矩形をしているが、本発明は前記形状に限定されるものではなく、音叉の叉部がU字型をしていても良い。この場合も矩形の形状と同じように、音叉腕と音叉基部との寸法の関係は前記関係と同じである。更に、本実施例では、溝は音叉腕と音叉基部に設けられているが、本発明はこれに限定されるものでなく、音叉腕にのみ溝を設けても良く、同様の効果が得られる。この場合、溝の長さl=0となる。また、本発明で言う溝の長さlとは、音叉腕にのみ溝が設けられている時には、溝幅Wと音叉腕幅Wとの比(W/W)が0.35より大きく、且つ、1より小さくなるように形成された溝の長さである。更に、前記音叉腕に設けられた溝が、音叉基部にまで延在し、音叉基部に延在した溝の間にさらに溝が設けられている時には、溝の長さlを含む長さがlである。しかし、音叉腕の溝が音叉基部に延在しているが、その溝の間にさらに溝が設けられていない時には、長さlは音叉腕の溝の長さである。
換言するならば、音叉形状の音叉腕の中立線を挟んだ、即ち、中立線を含む音叉腕の上下面に各々少なくとも1個の溝が長さ方向に設けられ、前記溝の両側面に電極が配置され、前記溝側面の電極とその電極に対抗する音叉腕側面の電極とが互いに異極となるように構成されていて、音叉腕に生ずる慣性モーメントが大きくなるように前記各々少なくとも1個の溝の内少なくとも1個の溝幅Wと音叉腕幅Wとの比(W/W)が0.35より大きく、1より小さく、且つ、前記溝の厚みtと音叉腕の厚みtとの比(t/t)が0.79より小さくなるように溝が形成されている。
Figure 2010141908
するように構成され、間隔Wは0.05mm〜0.35mmで、溝幅Wは0.03mm〜0.12mmの値を有する。このように構成する理由は超小型の屈曲水晶振動子で、かつ、音叉形状と音叉腕の溝とをフオトリソグラフィ技術を用いて別々(別々の工程)に形成でき、更に、基本波モード振動の周波数安定性が高調波モード振動の周波数安定性より高くすることができる。この場合、厚みtは通常0.05mm〜0.12mmの水晶ウエハが用いられる。しかし、本発明は本実施例に限定されるものでなく、0.12mmより厚い水晶ウエハを使用してもよい。
更に詳述するならば、屈曲水晶振動子の誘導性と電気機械変換効率と品質係数を表すフイガーオブメリットMは品質係数Q値と容量比rの比(Q/r)によって定義され(i=1のとき基本波振動、i=2のとき2次高調波振動、i=3のとき3次高調波振動)、屈曲水晶振動子の並列容量に依存しない機械的直列共振周波数fと並列容量に依存する直列共振周波数fの周波数差ΔfはフイガーオブメリットMに反比例し、その値Mが大きい程Δfは小さくなる。従って、Mが大きい程、屈曲水晶振動子の共振周波数は並列容量の影響を受けないので、屈曲水晶振動子の周波数安定性は良くなる。即ち、時間精度の高い音叉形状の屈曲水晶振動子が得られる。
詳細には、前記音叉形状と溝と電極とその寸法の構成により、基本波モード振動のフイガーオブメリットMが高調波モード振動のフイガーオブメリットMより大きくなる。即ち、M>Mとなる。但し、nは高調波モード振動の振動次数を表し、n=2、3のとき、2次、3次高調波モード振動のフイガーオブメリットである。一例として、基本波モード振動の周波数が32.768kHzで、W/W=0.5、t/t=0.34、l/l=0.48のとき、製造によるバラツキが生ずるが、音叉形状の屈曲水晶振動子のM、MはそれぞれM>65、M<30となる。即ち、高い誘導性と電気機械変換効率の良い(等価直列抵抗Rの小さい)、品質係数の大きい基本波モードで振動する屈曲水晶振動子を得ることができる。その結果、基本波モード振動の周波数安定性が2次高調波モード振動の周波数安定性より良くなると共に、2次高調波モード振動を抑圧することができる。従って、本実施例の屈曲水晶振動子から構成される水晶発振器は基本波モード振動の周波数が出力信号として得られ、かつ、高い周波数安定性(優れた時間精度)を有する。また、本発明の基本波モード振動の基準周波数は10kHz〜200kHzが用いられる。特に、32.768kHzは広く使用されている。
図7は本発明の電子機器を構成する第2実施例の水晶発振器に用いられる屈曲モードで振動する音叉形状の水晶振動子45の上面図である。音叉形状の屈曲水晶振動子45は、音叉腕46,47と音叉基部48とを具えて構成されている。即ち、音叉腕46,47の一端部が音叉基部48に接続されている。本実施例では、音叉基部48に切り欠き部53、54が設けられている。又、音叉腕46、47には中立線51、52を挟んで(含む)溝49、50が設けられている。更に、本実施例では溝49、50は音叉腕46、47の一部に設けられていて、溝49、50はそれぞれ幅Wと長さlを有する。更に詳述するならば、溝の面積S=W×lで示し、Sは0.025〜0.12mmの値を有するように構成される。このように溝の面積を構成する理由は化学的エッチング法による溝の形成が容易で、しかも、電気機械変換効率が良くなる溝の形成ができる。と同時に、基本波モード振動の品質係数Q値の高い屈曲モードで振動する音叉形状の水晶振動子が得られる。その結果、出力信号が基本波モード振動の周波数である水晶発振器が実現できる。
上記溝の面積Sでは、溝と音叉腕を別々の工程で加工できる。しかし、音叉腕とそれに設けられた溝を同時に加工するには、音叉腕の厚みtと溝幅Wと音叉腕の間隔Wと面積Sを最適寸法にする必要が有る。即ち、音叉腕の厚みtが0.06mm〜0.15mmのとき、溝幅Wが0.02mm〜0.068mmの範囲内に、更に、面積Sは0.023mm〜0.088mmの範囲内にあり、間隔Wは0.05mm〜0.35mmとなるように構成される。このように構成する理由は水晶の結晶性を利用し、その結晶性から貫通穴でない溝(音叉腕の長さ方向に分割された溝を含む)と音叉形状を同時に形成することができる。また、図7には示されていないが、音叉腕46,47の下面にも溝49,50と対抗する位置に溝が設けられている。
更に、音叉基部48に設けられた切り欠き部53、54の音叉部側の幅寸法はWで与えられ、切り欠き部53、54の端部側の寸法はWで与えられる。そして、音叉基部48の端部側で表面実装型のケースや円筒型のケースに半田や接着剤によって固定されると
Figure 2010141908
た、切り欠き部53、54も振動子の固定による振動部のエネルギー損失を小さくすることができる。図7で示されている音叉腕の腕幅W、部分幅W、W、溝幅Wと間隔W及び溝の長さlと音叉振動子の全長lとの関係は図6で述べられているので、ここでは省略する。
図8は本発明の電子機器を構成する第3実施例の水晶発振器に用いられる幅縦モード水晶振動子の上面図(a)と側面図(b)である。幅縦モード水晶振動子62は振動部63、接続部66、69とマウント部68、81をそれぞれ含む支持部67、80を具えて構成されている。更に、支持部67と支持部80にはそれぞれ穴67aと穴80aが設けられている。更に詳述するならば、第一接続部66と第二接続部69は振動部63の長さ方向の反対に位置する端部に設けられている。即ち、一方の第一支持部67は第一接続部66を介して振動部63に接続されていて、他方の第二支持部80は第二接続部69を介して振動部63に接続されている。また、振動部63の上面と下面には電極64と電極65が対抗して配置され、それらの電極は異極となるように構成されている。即ち、一対の電極が配置されている。更に、電極64は一方の第二接続部69を介して第二マウント部81にまで延在して配置されている。また、電極65は他方の第一接続部66を介して第一マウント部68にまで延在して配置されている。本実施例では、振動部63に配置された電極64と電極65は互いに異なる方向に延在してマウント部まで配置されているが、同方向に延在するように配置しても振動子として同じ特性が得られる。本実施例の振動子はマウント部68、81がユニットのケース又は蓋の固定部に接着剤や半田によって固定される。
次に、前記幅縦モード水晶振動子のカット角とその座標系との関係について説明する。座標系は原点O、電気軸x、機械軸y、光軸zとする時、O−xyzを構成する。まず、x軸に垂直な水晶板、いわゆる、X板水晶を考える。このとき、X板水晶の各寸法である幅W、長さL、と厚みTはそれぞれy軸、z軸、及びx軸方向に一致している。更に、このX板水晶をx軸の廻りに角度θ=−25°〜+25°回転し、更に、y軸の新軸y′軸の廻りに角度θ=−30°〜+30°回転される。このとき、x軸の新軸はx′軸に、z軸は2軸の廻りに回転されるので、新軸はz″と成る。本実施例の幅縦モード水晶振動子は前記した回転水晶板から形成される。尚、本実施例の電気軸+x軸の定義はJIS規格に従い、反時計方向の回転角を正(プラス)とする。又、前記振動子の頂点温度を室温付近に設定するには、角度θはθ=−12°〜−13.5°、−18.5°〜−19.8°又は、角度θ、θはそれぞれθ=−13°〜−18°、θ=+/−(0.5°〜30°)により得られる。本実施例では、X板水晶を最初に、x軸の廻りに角度θ=−25°〜+25°回転し、次に、y′軸の廻りに角度θ=−30°〜+30°回転されているが、最初に、x軸の廻りに角度θ=−25°〜+25°回転し、次に、z軸の新軸z′軸の廻りに角度θ=−15°〜+15°回転してもよい。本実施例では、幅縦モード水晶振動子の形成に用いる水晶板のカット角について述べたが、本発明の振動子のカット角はこれに限定されるものでなく、形成された幅縦モード水晶振動子が前記した角度を有する振動子であれば良く、本発明はそれらの振動子をも包含するものである。例えば、水晶板の面内回転をしないで、振動子形成に用いるマスク等で面内回転を行うものである。
更に詳述するならば、幅縦モード水晶振動子の厚み方向を電気軸x軸方向に、幅方向を機械軸y軸方向に、長さ方向を光軸z軸方向にそれぞれ一致させ、前記幅縦モード水晶振動子を最初に厚み方向の軸(x軸)を回転軸として角度θ回転させ、次に、幅方向の軸(y軸の回転後の新軸y′軸)を回転軸として角度θ回転させるか、又は、前記幅縦モード水晶振動子を最初に厚み方向の軸(x軸)を回転軸として角度θ回転させ、次に、長さ方向の軸(光軸z軸の回転後の新軸z′軸)を回転軸として角度θ回転させ、前記角度θ、θ,とθがそれぞれθ=−25°〜+25°、θ=−30°〜+30°、θ=−15°〜+15°を有するように幅縦モード水晶振動子は形成される。これらのカット角の組み合わせにより、広い温度範囲に亙って頂点温度を設定することができる。
更に、振動部63は幅W、長さL、及び厚みTの寸法を有し、幅W、長さL、及び厚みTはそれぞれy′軸、z″軸、及びx′軸方向一致している。すなわち、x′軸に垂直な面となる振動部63の上面と下面に電極64と電極65が配置されている。又、電極64に対抗する電極65は異極となるように構成されている。更に、振動部63の長さLは幅Wより大きく、厚みTは幅Wより小さくなるように設計される。即ち、幅縦モード振動と長さ縦モード振動との結合を無視できるほどに小さく、且つ、振動部の電極面積を大きくして、等価直列抵抗Rの小さい幅縦モード水晶振動子を得るためには、幅Wと長さLの比W/Lは0.8より小さく、且つ、電界Eを大きくして、等価直列抵抗Rの小さい幅縦水晶振動子を得るためには、厚みTと幅Wとの比T/Wは0.85より小さくすることが必要である。実際のこれらの寸法の決定は幅縦モード水晶振動子に要求される特性によって決まる。通常、厚みTは250μm以下に設定される。
更に詳述するならば、幅縦モード水晶振動子の共振周波数は幅寸法Wに反比例し、他の寸法(長さ、厚み、接続部と支持部)には殆ど依存しない。それ故、幅Wを小さくすることにより、小型で、高周波数化が図れる。また、前記した寸法の関係から不要振動のない単一振動モードで振動する幅縦モード水晶振動子が得られる。と同時に、厚み方向に電界がかかるように振動部に電極を配置することにより、幅縦モード水晶振動子の基本波モード振動とオーバートンモード振動の振動次数が圧電定数に依存しなくなる。即ち、基本波モード振動とオーバートンモード振動の振動次数が圧電定数に依存しないように振動部とその上に配置される電極との構成がなされる。それ故、本発明の幅縦モード水晶振動子の共振周波数は圧電定数に依存しないので、振動子の設計が非常に容易になると言う著しい効果を有する。
次に、本実施例の幅縦モード水晶振動子を駆動するのに必要な圧電定数e12の値について説明する。この圧電定数e12の値が大きいほど、電気機械変換効率は高くなる。本実施例の幅縦モード水晶振動子の圧電定数e12の絶対値は0.095〜0.18C/mを有する。即ち、本実施例の幅縦モード水晶振動子は高い電気機械変換効率を有するので、等価直列抵抗Rの小さい、品質係数Q値の高い、しかも、超小型の幅縦モード水晶振動子を得ることができる。
今、図8の電極64と電極65の間に交番電圧を印加すると、電界Eは図8の側面図(b)の実線と点線の矢印で示したように厚み方向に交互に働く。その結果、振動部63は幅方向に伸縮する振動をする。即ち、電界方向に対して垂直方向に振動する、いわゆる横効果型の幅縦モード水晶振動子を得ることができる。この主(幅縦)振動の共振周波数は圧電定数に依存しない振動子である。また、本実施例の幅縦モード水晶振動子は、電界方向に対して平行に振動するKTカット幅縦モード水晶振動子とは異なる振動子である。と同時に、KTカット水晶振動子はその振動次数が圧電定数に依存する、いわゆる縦効果型の振動子である。即ち、共振周波数が圧電定数に依存する振動子である。本実施例では、幅縦モード水晶振動子について述べたが、この振動子の代わりに振動子の厚みに周波数が依存する厚みすべりモード水晶振動子を本発明の電子機器に用いても良い。
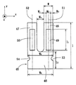
図9は本発明の電子機器を構成する第4実施例の水晶発振器に用いられる水晶ユニットの断面図である。水晶ユニット170は音叉形状の屈曲水晶振動子70、ケース71と蓋72を具えて構成されている。更に詳述するならば、振動子70はケース71に設けられた固定部74に導電性接着剤76や半田によって固定される。又、ケース71と蓋72は接合部材73を介して接合される。本実施例では、振動子70は図4と図7で詳細に述べられた屈曲モードで振動する音叉形状の水晶振動子10、45の内の一個と同じ振動子である。又、本実施例の水晶発振器では回路素子は水晶ユニットの外側に接続される。即ち、音叉形状の屈曲水晶振動子のみがユニット内に収納されている。この時、屈曲水晶振動子は真空中のユニット内に収納される。又、図8で述べた幅縦モード水晶振動子と厚みすべりモード水晶振動子も同様に本実施例の表面実装型水晶ユニットに収納される。通常、幅縦モード水晶振動子はその両端部で、厚みすべりモード水晶振動子は片方の端部で固定部に固定される。
更に、ケースの部材はセラミックスかガラス、蓋の部材は金属かガラス、接合部材は金属か低融点ガラスでできている。又、本実施例で述べられた振動子とケースと蓋との関係は以下に述べられる図10の水晶発振器にも適用される。
図10は本発明の電子機器を構成する第5実施例の水晶発振器の断面図を示す。水晶発振器190は水晶発振回路とケース91と蓋92を具えて構成されている。本実施例では、水晶発振回路はケース91と蓋92から成る水晶ユニット内に収納されている。又、水晶発振回路は音叉形状の屈曲水晶振動子90と帰還抵抗を含む増幅器98とコンデンサー(図示されていない)とドレイン抵抗(図示されていない)を具えて構成され、増幅器98はCMOSインバータが用いられる。
更に、本実施例では、振動子90はケース91に設けられた固定部94に接着剤96や半田によって固定される。これに対して、増幅器98はケース91に固定されている。また、ケース91と蓋92は接合部材93を介して接合されている。本実施例の振動子90は図4と図7で詳細に述べられた音叉形状の屈曲水晶振動子10、45か、又は、図8で述べられた幅縦モード水晶振動子62又は厚みすべり水晶振動子の中の振動子が用いられる。
次に、本発明の電子機器に用いられる水晶発振器の製造方法について述べる。上記音叉形状の屈曲水晶振動子は半導体の技術を用いたフオトリソグラフィ法と化学的エッチング法によって形成される。まず、研磨加工あるいはポリッシュ加工された水晶ウエハの上下面に金属膜(例えば、クロムそしてその上に金)をスパッタリング法又は蒸着法により形成する。次に、その金属膜の上にレジストが塗布される。そして、フオトリソ工程により、それらレジストと金属膜が音叉形状を残して除去された後、化学的エッチング法により、音叉腕と音叉基部を具えた音叉形状が形成される。この音叉形状を形成するときに、音叉基部に切り欠き部を形成しても良い。更に、音叉形状の面上に前記工程で示した金属膜とレジストが塗布され、フオトリソ工程と化学的エッチング法により、音叉腕又は音叉腕と音叉基部に溝が形成される。
次に、溝を有する音叉形状に金属膜とレジストが再び塗布されて、フオトリソ工程により、電極が形成される。即ち、音叉腕の側面の電極と溝の側面の電極は極性が異なるように対抗して配置される。さらに詳述するならば、第1の音叉腕の側面電極と第2の音叉腕の溝の電極は同極に、第1の音叉腕の溝の電極と第2の音叉腕の側面電極は同極に構成され、第1の音叉腕の溝の電極と側面電極は極性が異なるように構成される。即ち。2電極端子が振動子に形成される。その結果、2電極端子に交番電圧を印加する事により、音叉腕は逆相で屈曲振動する。本実施例では、音叉形状の形成の後に溝を音叉腕又は音叉腕と音叉基部に形成しているが、本発明は前記実施例に限定されるものではなくて、まず、溝を形成してから音叉形状を形成してもよい。又は、音叉形状と溝を同時に形成しても良い。
この実施例の工程により、水晶ウエハには多数個の音叉形状の屈曲水晶振動子が形成されている。それ故、次の工程では、このウエハの状態で、最初の周波数調整がレーザ又はプラズマエッチング又は蒸着にて行われる。と共に、不良振動子はマーキングされるかウエハから取り除かれる。また、本工程では10kHz〜200kHzの基準周波数に対して、周波数偏差は−9000PPM〜+5000PPMの範囲内にあるように周波数調整がなされる。更に、次の工程では、形成された振動子は表面実装型のケース、あるいは蓋又は円筒型のケースのリード線に接着材あるいは半田等で固定される。その固定後に、第2回目の周波数調整がレーザ又はプラズマエッチング又は蒸着にて行われる。本工程では、周波数偏差は−100PPM〜+100PPMの範囲内にあるように周波数調整がなされる。又、本発明での固定後に周波数調整が行われるということは、固定後すぐに周波数調整しても良いし、あるいは固定後にケースと蓋を接続した後に周波数調整をしても良い。即ち、固定後にいかなる工程を入れても、その後に周波数調整をすれば良く、本発明はこれらを全て包含するものである。又、ケースと蓋を接続した後の周波数調整はガラスを介してレーザで行われる。
尚、第3回目の周波数調整がなされるときには、前記2回目の周波数調整による周波数偏差は−950PPM〜+950PPMの範囲内にあるように周波数調整がなされる。又、上記実施例では、前記ウエハの状態で、最初の周波数調整を行い、それと共に、不良振動子はマーキングされるかウエハから取り除かれているが、本発明はこれに限定されるものでなく、本発明は水晶ウエハにできた多数個の音叉形状の屈曲水晶振動子をウエハの状態で検査し、良振動子か不良振動子かを検査する工程を含めば良い。即ち、不良振動子はマーキングされるか、ウエハから取り除かれるか、コンピュタに記憶される。このような工程を含むことにより、不良振動子を早く見つけることができ、次工程に流れないので、歩留まりを上げることができる。その結果、安価な屈曲水晶振動子を得る事ができる。
更に、周波数調整後に、前記振動子はケースと蓋となるユニットに真空中で収納され、水晶ユニットが得られる。蓋がガラスで構成されているときには、収納後、第3回目の周波数調整がレーザにて行われる。本工程では、周波数偏差は−50PPM〜+50PPMの範囲内にあるように周波数調整がなされる。本実施例では、周波数調整は3回の別々の工程で行われるが、少なくとも2回の別々の工程で行えば良い。例えば、第3回目の工程の周波数調整はしなくても良い。更に次の工程では、前記した振動子の2電極端子が増幅器とコンデンサーと抵抗素子に電気的に接続される。換言するならば、増幅回路はCMOSインバータと帰還抵抗素子からなり、帰還回路は音叉形状の屈曲水晶振動子とドレイン抵抗素子とゲート側のコンデンサーとドレイン側のコンデンサーからなるように接続される。又、前記第3回目の周波数調整は水晶発振回路を構成後に行っても良い。
以上、図示例に基づき説明したが、この発明は上述の例に限定されるものではなく、上記実施例では、音叉腕は2本で構成されているが、本発明は3本以上の音叉腕を包含するものである。この場合、少なくとも2本の音叉腕が逆相で振動するように電極が構成されていれば良い。
更に、本実施例では、溝が中立線を挟む(含む)ように音叉腕に設けられているが、本発明はこれに限定されるものでなく、中立線を残して、その両側に溝を形成しても良い。この場合、音叉腕の中立線を含めた部分幅Wは0.05mmより小さくなるように構成される。又、各々の溝の幅は0.04mmより小さくなるように構成され、溝の厚みtと音叉腕の厚みtの比は0.79以下に成るように構成される。このような構成により、MをMより大きくする事ができる。
更に、本実施例の屈曲水晶振動子の音叉形状と溝及び幅縦モード水晶振動子の形状は化学的、物理的と機械的方法の内の少なくとも一つの方法を用いて加工される。物理的方法では、例えば、イオン化した原子、分子を飛散させて加工するものである。また、機械的方法では、例えば、ブラスト加工用の粒子を飛散させて加工するものである。それ故、本発明では、物理的方法と機械的方法による加工方法を粒子法による加工と言う。
以上述べたように、本発明の電子機器を提供する事により多くの効果が得られることを既に述べたが、その中でも特に、次の如き著しい効果が得られる。
(1)少なくとも一つの水晶発振器に音叉形状の屈曲水晶振動子を用い、その基本波モード振動のフイガーオブメリットMが高調波モード振動のフイガーオブメリットMより大きい振動子を具えて水晶発振器は構成され、更に、増幅回路の基本波モード振動の負性抵抗の絶対値|−RL|と基本波モード振動の等価直列抵抗Rの比が増幅回路の高調波モード振動の負性抵抗の絶対値|−RL|と高調波モード振動の等価直列抵抗Rの比より大きくなるように水晶発振器は構成されているので、水晶発振器の出力信号が基本波モード振動の周波数で、かつ、高い周波数安定性を有する。その結果、その出力信号を用いた高精度の電子機器が実現できる。
(2)少なくとも一つの水晶発振器に幅縦モード水晶振動子又は厚みすべりモード水晶振動子を用いるので、小型で、かつ、高精度の出力信号が得られ、更に、この出力信号により電子機器は動作するので、高い信頼性を有する電子機器が実現できる。
本発明の水晶発振器は超小型で、高い周波数安定性を有するので、特に高い信頼性を必要とする電子機器に適用できる。
本発明の電子機器の一実施例で、ファクシミリのブロック図の一例である。 本発明の電子機器に使用される水晶発振器を構成する水晶発振回路図の一実施例である。 図2の帰還回路図を示す。 本発明の電子機器を構成する第1実施例の水晶発振器に用いられる音叉形状の屈曲水晶振動子の外観図とその座標系を示す。 図4の音叉形状の屈曲水晶振動子の音叉基部のD−D′断面図を示す。 図4の音叉形状の屈曲水晶振動子の上面図を示す。 本発明の電子機器を構成する第2実施例の水晶発振器に用いられる屈曲モードで振動する音叉形状の水晶振動子の上面図である。 本発明の電子機器を構成する第3実施例の水晶発振器に用いられる幅縦モード水晶振動子の上面図(a)と側面図(b)である。 本発明の電子機器を構成する第4実施例の水晶発振器に用いられる水晶ユニットの断面図である。 本発明の電子機器を構成する第5実施例の水晶発振器の断面図である。 従来の電子機器を構成する水晶発振器に用いられる音叉形状の屈曲水晶振動子の斜視図とその座標系を示す。 図11の音叉形状水晶振動子の音叉腕の断面図である。
1,9 増幅回路,帰還回路
,V 入力電圧,出力電圧
,t 溝幅、溝の厚み
W,W 音叉腕の腕幅、音叉腕の間隔
,W 音叉腕の部分幅
,l,l 溝の長さ、音叉基部の長さ、音叉形状の屈曲水晶振動子の全長
t 音叉腕又は音叉腕と音叉基部の厚み

Claims (5)

  1. 音叉基部と、前記音叉基部に接続された少なくとも第1音叉腕と第2音叉腕とを備えた音叉形状の音叉型屈曲水晶振動子で、前記第1音叉腕と前記第2音叉腕の各々の一端部は前記音叉基部に接続され、他端部は自由であって、前記第1音叉腕と前記第2音叉腕の各々の上面と下面の各々に溝が形成され、前記第1音叉腕と前記第2音叉腕が逆相の屈曲モードで振動するように、前記第1音叉腕と前記第2音叉腕の各々の上面と下面の各々に形成された溝の面と前記第1音叉腕と前記第2音叉腕の各々の側面に電極が配置されている音叉型屈曲水晶振動子であって、前記音叉型屈曲水晶振動子は基本波モード振動と2次高調波モード振動を備え、前記基本波モード振動のフイガーオブメリットMが前記2次高調波モード振動のフイガーオブメリットMより大きくなるように、前記音叉形状と前記溝と前記電極との寸法が決められていることを特徴とする水晶振動子。
  2. 請求項1において、前記音叉型屈曲水晶振動子の前記2次高調波モード振動のフィガーオブメリットMが30より小さくなるように、前記音叉形状と前記溝と前記電極との寸法が決められていることを特徴とする水晶振動子。
  3. 請求項1または請求項2に記載の水晶振動子と、その水晶振動子を収納するケースと、蓋とを備えて構成される水晶ユニットで、前記音叉型屈曲水晶振動子の前記基本波モード振動の等価直列抵抗Rが、前記2次高調波モード振動の等価直列抵抗Rより小さくなるように、前記溝の長さ寸法と前記音叉型屈曲水晶振動子の全長の寸法とが決定されていることを特徴とする水晶ユニット。
  4. 請求項3に記載の水晶ユニットと、増幅器と抵抗素子とコンデンサーとを備えて構成されることを特徴とする水晶発振器。
  5. 請求項4に記載の水晶発振器と、表示部とを備えて構成されることを特徴とする電子機器。
JP2010013550A 2002-01-11 2010-01-05 水晶振動子と水晶ユニットと水晶発振器の各製造方法 Expired - Lifetime JP5266437B2 (ja)

Priority Applications (1)

Application Number Priority Date Filing Date Title
JP2010013550A JP5266437B2 (ja) 2002-01-11 2010-01-05 水晶振動子と水晶ユニットと水晶発振器の各製造方法

Applications Claiming Priority (3)

Application Number Priority Date Filing Date Title
JP2002040795 2002-01-11
JP2002040795 2002-01-11
JP2010013550A JP5266437B2 (ja) 2002-01-11 2010-01-05 水晶振動子と水晶ユニットと水晶発振器の各製造方法

Related Parent Applications (1)

Application Number Title Priority Date Filing Date
JP2005049697A Division JP4453017B6 (ja) 2005-01-27 水晶ユニットの製造方法

Publications (2)

Publication Number Publication Date
JP2010141908A true JP2010141908A (ja) 2010-06-24
JP5266437B2 JP5266437B2 (ja) 2013-08-21

Family

ID=39846312

Family Applications (11)

Application Number Title Priority Date Filing Date
JP2008105123A Expired - Fee Related JP4650754B2 (ja) 2002-01-11 2008-03-17 水晶ユニットの製造方法と水晶発振器の製造方法
JP2008105122A Expired - Fee Related JP4650753B2 (ja) 2002-01-11 2008-03-17 水晶振動子と水晶ユニットと水晶発振器の各製造方法
JP2010013550A Expired - Lifetime JP5266437B2 (ja) 2002-01-11 2010-01-05 水晶振動子と水晶ユニットと水晶発振器の各製造方法
JP2010173989A Expired - Fee Related JP4756426B2 (ja) 2002-01-11 2010-07-14 水晶振動子と水晶ユニットと水晶発振器の各製造方法
JP2010179028A Expired - Lifetime JP5272121B2 (ja) 2002-01-11 2010-07-22 水晶振動子と水晶ユニットと水晶発振器と情報通信機器及びそれらの製造方法
JP2010183451A Expired - Fee Related JP5401653B2 (ja) 2002-01-11 2010-08-02 水晶振動子の製造方法と水晶ユニットの製造方法
JP2013152060A Expired - Lifetime JP5515054B2 (ja) 2002-01-11 2013-07-03 水晶振動子と水晶ユニットと水晶発振器の各製造方法
JP2013153042A Expired - Lifetime JP5515055B2 (ja) 2002-01-11 2013-07-04 水晶振動子と水晶ユニットと水晶発振器及びそれらの製造方法
JP2013158250A Expired - Fee Related JP5428068B2 (ja) 2002-01-11 2013-07-11 水晶振動子と水晶ユニットと水晶発振器の各製造方法
JP2013270240A Expired - Fee Related JP5531319B2 (ja) 2002-01-11 2013-12-09 水晶振動子と水晶ユニットと水晶発振器の各製造方法
JP2013273755A Expired - Fee Related JP5651822B2 (ja) 2002-01-11 2013-12-11 水晶振動子と水晶ユニットと水晶発振器の各製造方法

Family Applications Before (2)

Application Number Title Priority Date Filing Date
JP2008105123A Expired - Fee Related JP4650754B2 (ja) 2002-01-11 2008-03-17 水晶ユニットの製造方法と水晶発振器の製造方法
JP2008105122A Expired - Fee Related JP4650753B2 (ja) 2002-01-11 2008-03-17 水晶振動子と水晶ユニットと水晶発振器の各製造方法

Family Applications After (8)

Application Number Title Priority Date Filing Date
JP2010173989A Expired - Fee Related JP4756426B2 (ja) 2002-01-11 2010-07-14 水晶振動子と水晶ユニットと水晶発振器の各製造方法
JP2010179028A Expired - Lifetime JP5272121B2 (ja) 2002-01-11 2010-07-22 水晶振動子と水晶ユニットと水晶発振器と情報通信機器及びそれらの製造方法
JP2010183451A Expired - Fee Related JP5401653B2 (ja) 2002-01-11 2010-08-02 水晶振動子の製造方法と水晶ユニットの製造方法
JP2013152060A Expired - Lifetime JP5515054B2 (ja) 2002-01-11 2013-07-03 水晶振動子と水晶ユニットと水晶発振器の各製造方法
JP2013153042A Expired - Lifetime JP5515055B2 (ja) 2002-01-11 2013-07-04 水晶振動子と水晶ユニットと水晶発振器及びそれらの製造方法
JP2013158250A Expired - Fee Related JP5428068B2 (ja) 2002-01-11 2013-07-11 水晶振動子と水晶ユニットと水晶発振器の各製造方法
JP2013270240A Expired - Fee Related JP5531319B2 (ja) 2002-01-11 2013-12-09 水晶振動子と水晶ユニットと水晶発振器の各製造方法
JP2013273755A Expired - Fee Related JP5651822B2 (ja) 2002-01-11 2013-12-11 水晶振動子と水晶ユニットと水晶発振器の各製造方法

Country Status (1)

Country Link
JP (11) JP4650754B2 (ja)

Families Citing this family (7)

* Cited by examiner, † Cited by third party
Publication number Priority date Publication date Assignee Title
JP2013042425A (ja) * 2011-08-18 2013-02-28 Seiko Epson Corp 圧電振動片、圧電モジュール
JP6038001B2 (ja) * 2013-10-30 2016-12-07 ユニ・チャーム株式会社 使用済み衛生用品からリサイクルパルプを製造する方法
JPWO2016043084A1 (ja) 2014-09-18 2017-07-27 旭硝子株式会社 発光素子および発電素子
WO2016043205A1 (ja) * 2014-09-19 2016-03-24 株式会社村田製作所 共振子及び共振装置
US10960577B2 (en) * 2015-08-07 2021-03-30 Unicharm Corporation Method for recovering pulp fiber from used sanitary product and recycled pulp obtained thereby
JP6390353B2 (ja) * 2014-11-05 2018-09-19 富士通株式会社 水晶振動子の特性測定方法
JP2019102848A (ja) * 2017-11-28 2019-06-24 セイコーエプソン株式会社 振動デバイス、振動デバイスの製造方法、電子機器および移動体

Citations (8)

* Cited by examiner, † Cited by third party
Publication number Priority date Publication date Assignee Title
JPS5017592A (ja) * 1973-06-14 1975-02-24
JPS5252597A (en) * 1975-10-27 1977-04-27 Citizen Watch Co Ltd Bend type piezoelectric vibrator
JPS5665517A (en) * 1979-10-15 1981-06-03 Ebauches Sa Piezoelectric vibrator
JPS5824884A (ja) * 1982-07-28 1983-02-14 Seiko Instr & Electronics Ltd 水晶時計
JPH08293755A (ja) * 1995-04-19 1996-11-05 Toyo Commun Equip Co Ltd 圧電振動子及び発振器
JPH10256868A (ja) * 1997-03-07 1998-09-25 Seiko Epson Corp 音叉型水晶振動片および振動子
WO2000044092A1 (en) * 1999-01-20 2000-07-27 Seiko Epson Corporation Vibrator and electronic device with vibrator
JP2001085755A (ja) * 1999-09-09 2001-03-30 Matsushita Electric Ind Co Ltd 圧電複合基板、及び、圧電素子

Family Cites Families (15)

* Cited by examiner, † Cited by third party
Publication number Priority date Publication date Assignee Title
JPS535588A (en) * 1976-07-05 1978-01-19 Seiko Instr & Electronics Ltd Manufacture of piezoelectric oscillator
JPS5368593A (en) * 1976-11-30 1978-06-19 Sharp Corp Production of crystal vibrator piece
JPS55138916A (en) * 1979-04-18 1980-10-30 Seiko Instr & Electronics Ltd Composite crystal resonator
JP2756559B2 (ja) * 1987-11-11 1998-05-25 セイコーインスツルメンツ株式会社 圧電振動子の製造方法
JPH0382210A (ja) * 1989-08-25 1991-04-08 Seiko Electronic Components Ltd 水晶振動子の重量物付加方法
JPH03252207A (ja) * 1990-02-28 1991-11-11 Nec Corp オーバトーン水晶発振回路
JP2954199B1 (ja) * 1998-09-25 1999-09-27 日本電気アイシーマイコンシステム株式会社 発振制御回路
JP2000223992A (ja) * 1999-01-29 2000-08-11 Seiko Instruments Inc 圧電振動子及びその製造方法
JP3729249B2 (ja) * 2000-09-01 2005-12-21 セイコーエプソン株式会社 振動片の製造方法、振動片、振動片を有する振動子、発振器及び携帯電話装置
JP3551907B2 (ja) * 2000-09-11 2004-08-11 セイコーエプソン株式会社 クロック信号供給装置およびその制御方法
JP2002261575A (ja) * 2000-12-25 2002-09-13 Seiko Epson Corp 振動片、振動子、発振器及び電子機器
JP3931662B2 (ja) * 2001-01-15 2007-06-20 セイコーエプソン株式会社 振動片、振動子、発振器及び電子機器
JP3975681B2 (ja) * 2001-03-02 2007-09-12 セイコーエプソン株式会社 振動片の製造方法、振動片、振動子、発振器及び携帯用電話装置
JP3969131B2 (ja) * 2001-03-27 2007-09-05 セイコーエプソン株式会社 圧電振動子とその製造方法
JP2003273649A (ja) * 2002-01-11 2003-09-26 Piedekku Gijutsu Kenkyusho:Kk 電子機器

Patent Citations (8)

* Cited by examiner, † Cited by third party
Publication number Priority date Publication date Assignee Title
JPS5017592A (ja) * 1973-06-14 1975-02-24
JPS5252597A (en) * 1975-10-27 1977-04-27 Citizen Watch Co Ltd Bend type piezoelectric vibrator
JPS5665517A (en) * 1979-10-15 1981-06-03 Ebauches Sa Piezoelectric vibrator
JPS5824884A (ja) * 1982-07-28 1983-02-14 Seiko Instr & Electronics Ltd 水晶時計
JPH08293755A (ja) * 1995-04-19 1996-11-05 Toyo Commun Equip Co Ltd 圧電振動子及び発振器
JPH10256868A (ja) * 1997-03-07 1998-09-25 Seiko Epson Corp 音叉型水晶振動片および振動子
WO2000044092A1 (en) * 1999-01-20 2000-07-27 Seiko Epson Corporation Vibrator and electronic device with vibrator
JP2001085755A (ja) * 1999-09-09 2001-03-30 Matsushita Electric Ind Co Ltd 圧電複合基板、及び、圧電素子

Non-Patent Citations (1)

* Cited by examiner, † Cited by third party
Title
JPN6012044419; 滝貞男: 人工水晶とその電気的応用 初版, 19740530, p.36-38, 日刊工業新聞社 *

Also Published As

Publication number Publication date
JP5428068B2 (ja) 2014-02-26
JP2013258740A (ja) 2013-12-26
JP5266437B2 (ja) 2013-08-21
JP2010283875A (ja) 2010-12-16
JP5515054B2 (ja) 2014-06-11
JP2011024225A (ja) 2011-02-03
JP2014090488A (ja) 2014-05-15
JP5651822B2 (ja) 2015-01-14
JP5401653B2 (ja) 2014-01-29
JP2010288306A (ja) 2010-12-24
JP5515055B2 (ja) 2014-06-11
JP5272121B2 (ja) 2013-08-28
JP5531319B2 (ja) 2014-06-25
JP4650753B2 (ja) 2011-03-16
JP2013225937A (ja) 2013-10-31
JP2008259216A (ja) 2008-10-23
JP2014099888A (ja) 2014-05-29
JP2013243753A (ja) 2013-12-05
JP2008228334A (ja) 2008-09-25
JP4756426B2 (ja) 2011-08-24
JP4650754B2 (ja) 2011-03-16

Similar Documents

Publication Publication Date Title
JP2005039767A (ja) 水晶振動子と水晶ユニットと水晶発振器
JP5266437B2 (ja) 水晶振動子と水晶ユニットと水晶発振器の各製造方法
JP2005039768A (ja) 水晶振動子と水晶ユニットと水晶発振器
JP4453017B6 (ja) 水晶ユニットの製造方法
JP4453017B2 (ja) 水晶ユニットの製造方法
JP2003273703A (ja) 水晶振動子と水晶振動子の製造方法
JP2007202210A (ja) 屈曲水晶振動子を備えた水晶ユニット
JP3749917B2 (ja) 水晶発振器の製造方法
JP4074934B2 (ja) 水晶発振器とその製造方法
JP4697196B2 (ja) 水晶ユニットと水晶発振器の製造方法
JP4697190B2 (ja) 水晶振動子と水晶ユニットの各製造方法
JP4697190B6 (ja) 水晶振動子と水晶ユニットの各製造方法
JP2003273649A (ja) 電子機器
JP4697196B6 (ja) 水晶ユニットと水晶発振器の製造方法
JP2003273696A (ja) 水晶ユニットの製造方法と水晶発振器の製造方法
JP2003273698A (ja) 電子機器
JP4074935B2 (ja) 水晶発振器と水晶発振器の製造方法
JP4411496B2 (ja) 水晶発振器を搭載した携帯機器とその製造方法
JP2003273647A (ja) 水晶発振器とその製造方法
JP2003273702A (ja) 水晶ユニット、その製造方法と水晶発振器
JP2003273699A (ja) 水晶ユニットと水晶発振器
JP2003273701A (ja) 水晶発振器
JP2006325240A (ja) 水晶振動子、水晶ユニット、水晶発振器と情報通信機器

Legal Events

Date Code Title Description
A131 Notification of reasons for refusal

Free format text: JAPANESE INTERMEDIATE CODE: A131

Effective date: 20120828

A521 Request for written amendment filed

Free format text: JAPANESE INTERMEDIATE CODE: A523

Effective date: 20121016

A521 Request for written amendment filed

Free format text: JAPANESE INTERMEDIATE CODE: A523

Effective date: 20121016

A131 Notification of reasons for refusal

Free format text: JAPANESE INTERMEDIATE CODE: A131

Effective date: 20121204

A521 Request for written amendment filed

Free format text: JAPANESE INTERMEDIATE CODE: A523

Effective date: 20121214

TRDD Decision of grant or rejection written
A01 Written decision to grant a patent or to grant a registration (utility model)

Free format text: JAPANESE INTERMEDIATE CODE: A01

Effective date: 20130212

A61 First payment of annual fees (during grant procedure)

Free format text: JAPANESE INTERMEDIATE CODE: A61

Effective date: 20130312

R150 Certificate of patent or registration of utility model

Ref document number: 5266437

Country of ref document: JP

Free format text: JAPANESE INTERMEDIATE CODE: R150

Free format text: JAPANESE INTERMEDIATE CODE: R150

R250 Receipt of annual fees

Free format text: JAPANESE INTERMEDIATE CODE: R250

R250 Receipt of annual fees

Free format text: JAPANESE INTERMEDIATE CODE: R250

R250 Receipt of annual fees

Free format text: JAPANESE INTERMEDIATE CODE: R250

R250 Receipt of annual fees

Free format text: JAPANESE INTERMEDIATE CODE: R250

EXPY Cancellation because of completion of term