JP2010093940A - 電力供給回路及び信号検出装置 - Google Patents

電力供給回路及び信号検出装置 Download PDF

Info

Publication number
JP2010093940A
JP2010093940A JP2008261010A JP2008261010A JP2010093940A JP 2010093940 A JP2010093940 A JP 2010093940A JP 2008261010 A JP2008261010 A JP 2008261010A JP 2008261010 A JP2008261010 A JP 2008261010A JP 2010093940 A JP2010093940 A JP 2010093940A
Authority
JP
Japan
Prior art keywords
signal
power supply
line
power
signal detector
Prior art date
Legal status (The legal status is an assumption and is not a legal conclusion. Google has not performed a legal analysis and makes no representation as to the accuracy of the status listed.)
Granted
Application number
JP2008261010A
Other languages
English (en)
Other versions
JP4666045B2 (ja
Inventor
Daisuke Kobayashi
大輔 小林
Teruki Ogasawara
照基 小笠原
Current Assignee (The listed assignees may be inaccurate. Google has not performed a legal analysis and makes no representation or warranty as to the accuracy of the list.)
Denso Corp
Original Assignee
Denso Corp
Priority date (The priority date is an assumption and is not a legal conclusion. Google has not performed a legal analysis and makes no representation as to the accuracy of the date listed.)
Filing date
Publication date
Application filed by Denso Corp filed Critical Denso Corp
Priority to JP2008261010A priority Critical patent/JP4666045B2/ja
Priority to DE200910044178 priority patent/DE102009044178A1/de
Priority to US12/574,243 priority patent/US8053936B2/en
Publication of JP2010093940A publication Critical patent/JP2010093940A/ja
Application granted granted Critical
Publication of JP4666045B2 publication Critical patent/JP4666045B2/ja
Expired - Fee Related legal-status Critical Current
Anticipated expiration legal-status Critical

Links

Images

Classifications

    • BPERFORMING OPERATIONS; TRANSPORTING
    • B62LAND VEHICLES FOR TRAVELLING OTHERWISE THAN ON RAILS
    • B62DMOTOR VEHICLES; TRAILERS
    • B62D6/00Arrangements for automatically controlling steering depending on driving conditions sensed and responded to, e.g. control circuits
    • B62D6/08Arrangements for automatically controlling steering depending on driving conditions sensed and responded to, e.g. control circuits responsive only to driver input torque
    • B62D6/10Arrangements for automatically controlling steering depending on driving conditions sensed and responded to, e.g. control circuits responsive only to driver input torque characterised by means for sensing or determining torque
    • BPERFORMING OPERATIONS; TRANSPORTING
    • B62LAND VEHICLES FOR TRAVELLING OTHERWISE THAN ON RAILS
    • B62DMOTOR VEHICLES; TRAILERS
    • B62D5/00Power-assisted or power-driven steering
    • B62D5/04Power-assisted or power-driven steering electrical, e.g. using an electric servo-motor connected to, or forming part of, the steering gear
    • B62D5/0457Power-assisted or power-driven steering electrical, e.g. using an electric servo-motor connected to, or forming part of, the steering gear characterised by control features of the drive means as such
    • B62D5/0481Power-assisted or power-driven steering electrical, e.g. using an electric servo-motor connected to, or forming part of, the steering gear characterised by control features of the drive means as such monitoring the steering system, e.g. failures
    • B62D5/0484Power-assisted or power-driven steering electrical, e.g. using an electric servo-motor connected to, or forming part of, the steering gear characterised by control features of the drive means as such monitoring the steering system, e.g. failures for reaction to failures, e.g. limp home
    • BPERFORMING OPERATIONS; TRANSPORTING
    • B62LAND VEHICLES FOR TRAVELLING OTHERWISE THAN ON RAILS
    • B62DMOTOR VEHICLES; TRAILERS
    • B62D5/00Power-assisted or power-driven steering
    • B62D5/04Power-assisted or power-driven steering electrical, e.g. using an electric servo-motor connected to, or forming part of, the steering gear
    • B62D5/0457Power-assisted or power-driven steering electrical, e.g. using an electric servo-motor connected to, or forming part of, the steering gear characterised by control features of the drive means as such
    • B62D5/0481Power-assisted or power-driven steering electrical, e.g. using an electric servo-motor connected to, or forming part of, the steering gear characterised by control features of the drive means as such monitoring the steering system, e.g. failures
    • B62D5/049Power-assisted or power-driven steering electrical, e.g. using an electric servo-motor connected to, or forming part of, the steering gear characterised by control features of the drive means as such monitoring the steering system, e.g. failures detecting sensor failures

Landscapes

  • Engineering & Computer Science (AREA)
  • Chemical & Material Sciences (AREA)
  • Combustion & Propulsion (AREA)
  • Transportation (AREA)
  • Mechanical Engineering (AREA)
  • Testing Of Short-Circuits, Discontinuities, Leakage, Or Incorrect Line Connections (AREA)
  • Power Steering Mechanism (AREA)
  • Direct Current Feeding And Distribution (AREA)
  • Control Of Voltage And Current In General (AREA)

Abstract

【課題】
電源ラインを複数系統にした電力供給回路や信号検出装置において、1系統に生じた地絡が他の系統に及ぶことを防ぐことができる電力供給回路及び信号検出装置を提供する。
【解決手段】
第1電源ラインPL1は、電源回路13とホールIC1とを接続し、第2電源ラインPL2は、電源回路13とホールIC2を接続する。電源ライン接続部42は、第1電源ラインPL1と第2電源ラインPL2とを接続する。電源ライン接続部42を介することで、第1電源ラインPL1と第2電源ラインPL2のうちいずれか一方の電源ラインが断線した場合でもホールIC1及びホールIC2が他方の電源ラインから電力供給を受ける。整流素子41は、第1電源ラインPL1と第2電源ラインPL2それぞれに設けられ、電源ライン接続部42と電源回路13との間に電源回路13からホールICに流れる電流のみ通電して逆方向に流れる電流を遮断する。
【選択図】図1

Description

本発明は、電源から負荷に電力を供給する電力供給回路及び電力供給回路を用いた信号検出装置に関するものである。
電力供給回路や信号検出装置においては、断線等の事態に備えて、配線を2系統・3系統といったように複数系統の配線に同じ機能を持たせ、複数系統のうち一部が断線した後にも、電力供給回路や信号検出装置を稼動させることが一般に行われている(例えば、特許文献1参照)。
特開2003−137111号公報
ところで、電源ラインの故障としては断線故障の他に、接地部分以外において電源ラインと大地が電気的に接続され、電源ラインと大地の間に電流が流れる地絡故障があげられる。
例えば、図6に示すように、ホールIC1が電源ラインPL11と電源ラインPL12との2系統の電源ラインから電力の供給を受けている場合、電源ラインPL12のEF’点が大地と電気的に接続(地絡)されると、電源ラインPL12に流れる電流は地絡地点であるEF’点を介して大地に向かって電流が流れてしまう。その上、ホールIC1に電力を供給する関係から電源ラインPL11と電源ラインPL12とは電気的に繋がっているため、電源ラインPL11を流れる電流は矢印の方向に流れる。この結果、電源ラインPL12を流れる電流も地絡地点EPを介して大地に向かって流れてしまう。
このように、電源ラインを複数系統にした電力供給回路や信号検出装置においては、複数系統が電気的に導通しているため、1系統に地絡がおきると、地絡の影響が他の系統に及んでしまう問題があった。
本発明は上記問題点に鑑みたものであり、その目的は、電源ラインを複数系統にした電力供給回路や信号検出装置において、1系統に生じた地絡が他の系統に及ぶことを防ぐことができる電力供給回路及び信号検出装置を提供することにある。
請求項1記載の発明では、電源と、電源に並列接続された第1負荷及び第2負荷と、電源と第1負荷を接続する第1電源ラインと、電源と第2負荷を接続する第2電源ラインと、第1電源ラインと第2電源ラインのうちいずれか一方の電源ラインが断線した場合でも第1負荷及び第2負荷が他方の電源ラインから電力供給を受けることができるように第1電源ラインと第2電源ラインを接続した電源ライン接続部と、を有し、第1電源ライン及び第2電源ラインは、それぞれ電源ライン接続部と電源との間に電源から負荷に流れる電流のみ通電して逆方向に流れる電流を遮断する整流素子を設けたことを特徴とする。
上記構成では、整流素子が、第1電源ライン又は第2電源ラインの一方の電源ラインから電源ライン接続部を介して第1電源ライン又は第2電源ラインの他方の電源ラインに流れる短絡電流を遮断するため、第1電源ライン又は第2電源ラインの一方の電源ラインが地絡したとしても、他方の電源ラインを介して電源から第1負荷及び第2負荷に電力を供給し続けることができる。
請求項2記載の発明では、第1電源ライン及び第2電源ラインは、それぞれ整流素子と電源との間に入力電力を所定の出力電力に変換するレギュレータを有することを特徴とする。
第1電源ラインと第2電源ラインとがレギュレータを共用すると、一方の電源ラインが地絡して短絡電流が流れてレギュレータが破壊されると、他方の電源ラインもレギュレータを用いることができなくなる。一方、上記構成では、レギュレータを第1電源ライン及び第2電源ラインそれぞれに設けているため、第1電源ライン又は第2電源ラインの一方の電源ラインが地絡して短絡電流が流れて、地絡した電源ラインのレギュレータが破壊されたとしても、他方の電源ラインのレギュレータは無事であり、そのまま電力変換を行うことができる。
請求項3記載の発明では、所定の対象を検出して第1信号を出力する第1信号検出器と、所定の対象を検出して第2信号を出力する第2信号検出器と、第1信号検出器と第2信号検出器とに並列接続される電源と、電源と第1信号検出器を接続する第1電源ラインと、電源と第2信号検出器を接続する第2電源ラインと、第1信号を伝達する第1信号ラインと、第2信号を伝達する第2信号ラインと、第1信号ライン及び第2信号ラインを介して第1信号と第2信号とを検出する信号検出回路と、第1電源ラインと第2電源ラインのうちいずれか一方の電源ラインが断線した場合でも第1信号検出器及び第2信号検出器が他方の電源ラインから電力供給を受けることができるように第1電源ラインと第2電源ラインを接続した電源ライン接続部と、を有し、第1電源ライン及び第2電源ラインは、それぞれ電源ライン接続部と電源との間に電源から信号検出器に流れる電流のみ通電して逆方向に流れる電流を遮断する整流素子を設けることを特徴とする。
上記構成では、電源ライン接続部が、第1電源ライン又は第2電源ラインの一方の電源ラインから第1電源ライン又は第2電源ラインの他方の電源ラインに流れる短絡電流を遮断するため、第1電源ライン又は第2電源ラインの一方の電源ラインが地絡したとしても、他方の電源ラインを介して電源から第1信号検出器及び第2信号検出器に電力を供給し続けることができる。この結果、第1電源ライン又は第2電源ラインのいずれか一方が地絡しても、他方の電源ラインを用いて第1信号検出器及び第2信号検出器に電力を供給でき、第1信号検出器及び第2信号検出器は信号検出回路に信号を伝達することができる。
請求項4記載の発明では、第1電源ライン及び第2電源ラインは、それぞれ整流素子と電源との間に入力電力を所定の出力電力に変換するレギュレータを有することを特徴とする。
第1電源ラインと第2電源ラインとがレギュレータを共用すると、一方の電源ラインが地絡して短絡電流が流れてレギュレータが破壊されると、他方の電源ラインもレギュレータを用いることができなくなる。一方、上記構成では、レギュレータを第1電源ライン及び第2電源ラインそれぞれに設けているため、第1電源ライン又は第2電源ラインの一方の電源ラインが地絡して短絡電流が流れて、地絡した電源ラインのレギュレータが破壊されたとしても、他方の電源ラインのレギュレータは無事であり、そのまま電力変換を行うことができる。
請求項5記載の発明では、第1信号と第2信号とは、互いに位相反転の関係にあることを特徴とする。
第1信号ラインと第2信号ラインとで同じ信号を送信すると、単に信号を送信していない状況と断線している状況とを区別できない場合が現れる。一方、上記構成では、第1信号と第2信号とを位相反転させた場合には、信号検出回路が両信号が位相反転の関係にあるか否かを判定することで、信号ラインの断線等の異常が発生しているか否かを判定することができる。
請求項6記載の発明では、所定の対象を検出して第1信号を出力する第1信号検出器と、所定の対象を検出して第2信号を出力する第2信号検出器と、所定の対象を検出して第3信号を出力する第3信号検出器と、第1信号検出器と第2信号検出器と第3信号検出器とに並列接続される電源と、電源と第1信号検出器を接続する第1電源ラインと、電源と第2信号検出器を接続する第2電源ラインと、第1電源ライン又は第2電源ラインと第3信号検出器を接続する第3電源ラインと、第1信号を伝達する第1信号ラインと、第2信号を伝達する第2信号ラインと、第3信号を伝達する第3信号ラインと、第1信号ライン、第2信号ライン及び第3信号ラインを介して第1信号、第2信号及び第3信号を検出する信号検出回路と、第1電源ラインと第2電源ラインのうちいずれか一方の電源ラインが断線した場合でも第1信号検出器及び第2信号検出器が他方の電源ラインから電力供給を受けることができるように第1電源ラインと第2電源ラインを接続した電源ライン接続部と、を有し、第1電源ライン及び第2電源ラインは、それぞれ電源ライン接続部と電源との間に電源から信号検出器に流れる電流のみ通電して逆方向に流れる電流を遮断する整流素子を設け、第3電源ラインは、整流素子と第1信号検出器の間又は整流素子と第2信号検出器との間において、第1電源ライン又は第2電源ラインと接続されることを特徴とする。
上記構成によれば、第3信号検出器は第1電源ライン及び第2電源ラインを介して電力の供給を受けることができるため、第1電源ライン及び第2電源ラインを利用している分、第3電源ラインの長さを必要最小限にでき、かつ、並列接続する負荷の数だけ整流素子を設けずに済む。
請求項7記載の発明では、第1信号検出器、第2信号検出器及び第3信号検出器をそれぞれ並列に接続する第1グランドラインと、第1信号検出器、第2信号検出器及び第3信号検出器をそれぞれ並列に接続する第2グランドラインと、を有し、第1信号検出器、第2信号検出器及び第3信号検出器は、第1グランドライン又は第2グランドラインの一方のグランドラインが断線しても他方のグランドラインにより接地されることを特徴とする。
第1信号検出器、第2信号検出器及び第3信号検出器は、2系統のグランドラインをそれぞれ共用しているため、配線を減らすことができる。つまり、並列接続する負荷の数だけグランドラインを設けずに済む。
請求項8記載の発明では、第1信号検出器と第2信号検出器と第3信号検出器と電源ライン接続部と整流素子とを収容する第1筐体と、電源と信号検出回路を収容する第2筐体と、を有することを特徴とする。
上記構成では、第1筐体と第2筐体との間に位置する配線は、筐体に覆われていないため、筐体内と比べて相対的に地絡故障等の影響を受けやすいが、整流素子は第1信号検出器、第2信号検出器及び第3信号検出器が収容される第1筐体に収容されているため、第1筐体と第2筐体との間において、電源ラインに地絡が生じたとしても、その地絡の影響は他の電源ラインには影響を及ぼすことはない。
特に、地絡や断線といった不具合に耐性がある上記信号検出装置は、請求項9記載の発明のように、操舵トルクに基づいて車両のステアリングの操舵力を補助する電動パワーステアリング装置に用い、第1信号検出器、第2信号検出器及び第3信号検出器はそれぞれステアリングに作用する操舵トルクを検出するホールICである場合に好適である。
請求項10記載の発明では、電源は車両のボディに接地されるものであって、第1信号検出器、第2信号検出器及び第3信号検出器は、第1グランドライン又は第2グランドラインに代えて、車両のボディに接地されることを特徴とする。
上記構成では、第1グランドライン又は第2グランドラインの代わりに、車両のボディに接地しているため、グランドラインの数を減らすことができる。
以下、本発明をモータ(図示せず)の駆動力をステアリングのアシストに用いる電動式パワーステアリング装置(EPS)の信号検出装置1に用いた場合の実施形態について説明する。
(実施例1)
(全体構成)
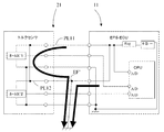
図1に実施例1に係る信号検出装置1のシステム構成図を示す。信号検出装置1は、主にトルクセンサ21と、EPS−ECU11とからなる。トルクセンサ21はステアリング(図示せず)の操舵トルクを検出し、EPS−ECU11は、操舵トルクに基づいて、ステアリングの操舵力をアシストするべくモータを制御する。
トルクセンサ21とEPS−ECU11とは、電源ラインPL1〜PL3、信号ラインSL1〜SL3及びグランドラインGL1〜GL2によって接続されている。
なお、電源である電源回路13と、第1負荷(第1信号検出器)22であるホールIC1及び第2負荷(第2信号検出器)23であるホールIC2と、第1電源ラインPL1と、第2電源ラインPL2と、電源ライン接続部42と、整流素子41は、電力供給回路を構成する。
(トルクセンサ)
トルクセンサ21は、車両のステアリングに作用する操舵トルクを検出し、その検出した操舵トルクに対応するトルク信号を第1信号ラインSL1及び第2信号ラインSL2を介してEPS−ECU11側に送信する。トルクセンサ21は、第1筐体31内部に第1負荷(第1信号検出器22)であるホールIC1と第2負荷(第2信号検出器23)であるホールIC2とを有する。
(EPS−ECU)
EPS−ECU11は、第2筐体32内部に電源である電源回路13と、レギュレータ14と、信号検出回路であるCPU12とを有する。電源回路13は、車両のボディに接地(ボディアース)されるものであり、電源ラインを介して、トルクセンサ21に電力を供給する。レギュレータ14は、電源回路13から出力する電圧・電流を一定に保つために用いられる。CPU12は、トルクセンサ21側から送信されたトルク信号を受け取り、モータの制御に必要な演算を行う。
(電源ライン)
第1電源ラインPL1は、電源回路13とホールIC1とを接続し、第2電源ラインPL2は、電源回路13とホールIC2を接続する。電源ライン接続部42は、第1電源ラインPL1と第2電源ラインPL2とを接続する。電源ライン接続部42を介することで、第1電源ラインPL1と第2電源ラインPL2のうちいずれか一方の電源ラインが断線した場合でもホールIC1及びホールIC2が他方の電源ラインから電力供給を受けることができる。
(整流素子)
整流素子41は、第1電源ラインPL1と第2電源ラインPL2それぞれに設けられ、電源ライン接続部42と電源回路13との間に電源回路13からホールICに流れる電流のみ通電して逆方向に流れる電流を遮断する。
つまり、電源ライン接続部42が、第1電源ラインPL1又は第2電源ラインPL2の一方の電源ラインから第1電源ラインPL1又は第2電源ラインPL2の他方の電源ラインに流れる短絡電流を遮断するため、第1電源ラインPL1又は第2電源ラインPL2の一方の電源ラインが地絡したとしても、他方の電源ラインを介して電源回路13からホールIC1、ホールIC2及びホールIC3に電力を供給し続けることができる。この結果、第1電源ラインPL1又は第2電源ラインPL2のいずれか一方が地絡しても、他方の電源ラインを用いてホールIC1、ホールIC2及びホールIC3に電力を供給でき、ホールIC1、ホールIC2及びホールIC3は信号検出回路に信号を伝達することができる。
図1の例では、整流素子41としてダイオードを用いたが、一方向に流れる電流を通電して、逆方向に流れる電流を遮断する整流素子41であれば何でも良い。
(レギュレータ)
レギュレータ14は、第1電源ラインPL1と第2電源ラインPL2それぞれにおいて、整流素子41と電源回路13との間に設けられ、入力電力を所定の出力電力に変換する。レギュレータ14を第1電源ラインPL1及び第2電源ラインPL2それぞれに設けているため、第1電源ラインPL1又は第2電源ラインPL2の一方の電源ラインが地絡して短絡電流が流れて、地絡した電源ラインのレギュレータ14が破壊されたとしても、他方の電源ラインはそのままレギュレータ14を用いることができる。
(ホールIC)
ホールIC1は、所定の対象を検出して第1信号を出力する第1信号検出器22(第1負荷)であり、ホールIC2は、所定の対象を検出して第2信号を出力する第2信号検出器23(第2負荷)である。ホールIC1とホールIC2は電源回路13と並列接続される。ここで、所定の対象とはモータのことであり、第1信号と第2信号は、モータのトルク信号に該当する。
なお、ホールICは、磁界を検出して、対象(モータ)のトルクを測定し、検出トルクに応じた第1信号及び第2信号を出力する装置である。ホールIC1が出力する第1信号とホールIC2が出力する第2信号は、それぞれEPS−ECU11側のCPU12に入力される。
(信号ライン)
第1信号ラインSL1は、信号検出回路とホールIC1を接続して第1信号を伝達し、第2信号ラインSL2は、信号検出回路とホールIC2を接続して第2信号を伝達する。
(信号検出回路)
信号検出回路は、第1信号ラインSL1及び第2信号ラインSL2を介して第1信号と第2信号を検出する。
信号検出回路が検出する第1信号と第2信号とは、互いに位相反転の関係にある。第1信号ラインSL1と第2信号ラインSL2とで同じ信号を送信すると、単に信号が送信していない状況と断線している状況とを区別できない場合が現れる。一方、第1信号と第2信号とを位相反転させた場合には、信号検出回路が両信号が位相反転の関係にあるか否かを判定することで、信号ラインの断線等の異常が発生しているか否かを判定することができる。異常があると判定した場合には、信号検出回路は、安全のために、電動パワーステアリング装置のモータによる操舵の補助を停止する。
(グランドライン)
第1グランドラインGL1は、ホールIC1及びホールIC2をそれぞれ並列に接続し、第2グランドラインGL2もホールIC1及びホールIC2をそれぞれ並列に接続する。
このように接続することによって、第1グランドラインGL1又は第2グランドラインGL2の一方のグランドラインが断線しても、他方のグランドラインを介することで、ホールIC1及びホールIC2を接地することができる。
2本のグランドラインのうち、一方のグランドラインが断線しても、他方のグランドラインを用いて接地できるため、信号検出装置1の信頼性を確保できる。
なお、ホールIC1〜ホールIC3をトルクセンサ21側ではなく、EPS−ECU11側で接地するのは、ホールICがEPS−ECU11内の電源回路13から電力を供給受けているため、ホールIC1〜ホールIC3の接地電位を電源回路13の接地電位、つまり、EPS−ECU11の接地電位に揃える必要があることによる。
(筐体)
ホールIC1及びホールIC2と電源ライン接続部42と整流素子41とは第1筐体31に収容され、電源回路13と信号検出回路とは第2筐体32に収容される。
(地絡時)
図2を用いて、実施例1に係る信号検出装置1の電源ラインPL2において地絡が生じた際の動作を説明する。EF1点において地絡が生じることで、EF1点の電位が降下し、電源ラインPL2の電流はEF1点を介して大地に電流が流れ込み、電源ラインPL2を介してホールIC1及びホールIC2に電力を供給することができなくなる。一方、電流ラインPL1を流れる電流は、電流ラインPL2上に整流素子41があるため、電源ラインPL1から電源ライン接続部42を介してEF1点へは短絡電流は流れ込まない。したがって、電源ラインPL1を介して、ホールIC1及びホールIC2に電力供給を行うことができる。
なお、第1筐体31と第2筐体32との間に位置する配線は、筐体に覆われていないため、筐体内と比べて相対的に地絡故障等の影響を受けやすいが、整流素子41はホールIC1及びホールIC2と電源ライン接続部42が収容される第1筐体31に収容されているため、第1筐体31と第2筐体32との間において、電源ラインに地絡が生じたとしても、その地絡の影響は他の電源ラインには影響を及ぼすことはない。
(実施例2)
(全体構成)
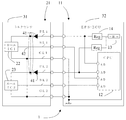
図3に実施例2に係る信号検出装置1のシステム構成図を示す。信号検出装置1は、主にトルクセンサ21と、EPS−ECU11とからなる。トルクセンサ21はステアリングの操舵トルクを検出し、EPS−ECU11は、操舵トルクに基づいて、ステアリングの操舵力をアシストするべくモータを制御する。
トルクセンサ21とEPS−ECU11とは、電源ラインPL1〜PL3、信号ラインSL1〜SL3及びグランドラインGL1〜GL2によって接続されている。
(トルクセンサ)
トルクセンサ21は、車両のステアリングに作用する操舵トルクを検出し、その検出した操舵トルクに対応するトルク信号を第1信号ラインSL1、第2信号ラインSL2及び第3信号ラインSL3を介してEPS−ECU11側に送信する。トルクセンサ21は、第1筐体31内部に第1信号検出器22であるホールIC1、第2信号検出器23であるホールIC2及び第3信号検出器24であるホールIC3とを有する。
(EPS−ECU)
EPS−ECU11は、第2筐体32内部に電源である電源回路13と、レギュレータ14と、信号検出回路であるCPU12とを有する。電源回路13は、車両のボディに接地(ボディアース)されるものであり、電源ラインを介して、トルクセンサ21に電力を供給する。レギュレータ14は、電源回路13から出力する電圧・電流を一定に保つために用いられる。CPU12は、トルクセンサ21側から送信されたトルク信号を受け取り、モータの制御に必要な演算を行う。
(電源ライン)
第1電源ラインPL1は、電源回路13とホールIC1とを接続し、第2電源ラインPL2は、電源回路13とホールIC2を接続し、第3電源ラインPL3は、第1電源ラインPL1とホールIC3又は第2電源ラインPL2とホールIC3を接続する。電源ライン接続部42は、第1電源ラインPL1と第2電源ラインPL2とを接続する。電源ライン接続部42を介することで、第1電源ラインPL1と第2電源ラインPL2のうちいずれか一方の電源ラインが断線した場合でもホールIC1及びホールIC2が他方の電源ラインから電力供給を受けることができる。さらに、第3電源ラインPL3は、整流素子41と第1信号検出器の間又は整流素子41と第2信号検出器との間において、第1電源ラインPL1又は第2電源ラインPL2と接続される。
第3負荷は第1電源ラインPL1及び第2電源ラインPL2を介して電力の供給を受けることができるため、第1電源ラインPL1及び第2電源ラインPL2を利用している分、第3電源ラインPL3の長さを必要最小限にでき、かつ、並列接続する負荷の数だけ整流素子41を設けずに済む。
(整流素子)
整流素子41は、第1電源ラインPL1と第2電源ラインPL2それぞれに設けられ、電源ライン接続部42と電源回路13との間に電源回路13から信号検出器に流れる電流のみ通電して逆方向に流れる電流を遮断する。
つまり、電源ライン接続部42が、第1電源ラインPL1又は第2電源ラインPL2の一方の電源ラインから第1電源ラインPL1又は第2電源ラインPL2の他方の電源ラインに流れる短絡電流を遮断するため、第1電源ラインPL1又は第2電源ラインPL2の一方の電源ラインが地絡したとしても、他方の電源ラインを介して電源回路13からホールIC1、ホールIC2及びホールIC3に電力を供給し続けることができる。この結果、第1電源ラインPL1又は第2電源ラインPL2のいずれか一方が地絡しても、他方の電源ラインを用いてホールIC1、ホールIC2及びホールIC3に電力を供給でき、ホールIC1、ホールIC2及びホールIC3は信号検出回路に信号を伝達することができる。
(レギュレータ)
レギュレータ14は、第1電源ラインPL1と第2電源ラインPL2それぞれにおいて、整流素子41と電源回路13との間に設けられ、入力電力を所定の出力電力に変換する。レギュレータ14を第1電源ラインPL1及び第2電源ラインPL2それぞれに設けているため、第1電源ラインPL1又は第2電源ラインPL2の一方の電源ラインが地絡して短絡電流が流れて、地絡した電源ラインのレギュレータ14が破壊されたとしても、他方の電源ラインはそのままレギュレータ14を用いることができる。
(ホールIC)
ホールIC1は、所定の対象を検出して第1信号を出力する第1信号検出器22であり、ホールIC2は、所定の対象を検出して第2信号を出力する第2信号検出器23であり、ホールIC3は、所定の対象を検出して第3信号を出力する第3信号検出器24である。ここで、所定の対象とはモータのことであり、第1信号と第2信号は、モータのトルク信号に該当する。
さらに、ホールIC1、ホールIC2及びホールIC3は、電源回路13と並列に接続される。
(信号ライン)
第1信号ラインSL1は、信号検出回路とホールIC1を接続して第1信号を伝達し、第2信号ラインSL2は、信号検出回路とホールIC2を接続して第2信号を伝達し、第3信号ラインSL3は信号検出回路とホールIC3を接続して第3信号を伝達する。
(信号検出回路)
信号検出回路は、第1信号ラインSL1、第2信号ラインSL2及び第3信号ラインSL3を介して第1信号と第2信号を検出する。
信号検出回路は、実施例1の場合と同様に、第1信号、第2信号、第3信号に基づいて、検出された信号に異常があるか否かを判定する。第1信号、第2信号、第3信号のうち、2つの信号を対比し、両信号が正常か異常か判定する。実施例1の場合、第1信号と第2信号のどちらかに異常があると、どちらの信号が正常かを判定することは困難となる。
一方で、実施例2の場合では、第1信号、第2信号及び第3信号のうち、異常な信号が一つだけの場合には、他の二つの正常な信号は互いに比較することで検出できるため、異常を検出し、かつ、正常に操舵の補助を続行することができる。この結果、信号検出装置1の稼働率をあげることができる。
また、第1信号、第2信号及び第3信号のうち、異常な信号が二つある場合には、どれが正常な信号か判断できないため、電動パワーステアリング装置のモータによる操舵の補助を停止する。
(グランドライン)
第1グランドラインGL1は、ホールIC1、ホールIC2及びホールIC3をそれぞれ並列に接続し、第2グランドラインGL2は、ホールIC1、ホールIC2及びホールIC3をそれぞれ並列に接続する。
このように接続することによって、第1グランドラインGL1又は第2グランドラインGL2の一方のグランドラインが断線しても、他方のグランドラインを介することで、ホールIC1、ホールIC2及びホールIC3を接地することができる。
2本のグランドラインのうち、一方のグランドラインが断線しても、他方のグランドラインを用いて接地できるため、信号検出装置1の信頼性を確保できる。
なお、ホールIC1〜ホールIC3をトルクセンサ21側ではなく、EPS−ECU11側で接地するのは、ホールICがEPS−ECU11内の電源回路13から電力を供給受けているため、ホールIC1〜ホールIC3の接地電位を電源回路13の接地電位、つまり、EPS−ECU11の接地電位に揃える必要があることによる。
各信号検出器がそれぞれ独立にグランドラインを設けると、信号検出器の数だけグランドラインが必要となるが、本実施例では、ホールIC1、ホールIC2及びホールIC3は、それぞれ第1グランドラインGL1と第2グランドラインGL2を共用しているため、接地するグランドラインの配線は2本で済む。さらに、2本のグランドラインのうち、一方のグランドラインが断線しても、他方のグランドラインを用いて接地できるため、信号検出装置1の信頼性も確保できる。
(筐体)
ホールIC1、ホールIC2及びホールIC3と電源ライン接続部42と整流素子41とは第1筐体31に収容され、電源回路13と信号検出回路とは第2筐体32に収容される。
(地絡時)
図4を用いて、実施例2に係る信号検出装置1の電源ラインPL2において地絡が生じた際の動作を説明する。EF2点において地絡が生じることで、EF2点の電位が降下し、電源ラインPL2の電流はEF2点を介して大地に電流が流れ込み、電源ラインPL2を介してホールIC1、ホールIC2及びホールIC3に電力を供給することができなくなる。一方、電流ラインPL1を流れる電流は、電流ラインPL2上に整流素子41があるため、電源ラインPL1から電源ライン接続部42を介してEF2点へは短絡電流は流れ込まない。したがって、電源ラインPL1を介して、ホールIC1、ホールIC2及びホールIC3に電力供給を行うことができる。
(断線時)
図4を用いて、実施例2に係る信号検出装置1の信号ラインSL3において断線が生じた場合の信号検出回路の処理について説明する。図4は、信号ラインSL3に断線が生じた場合を示している。この場合、ホールIC3が信号ラインSL3を介して送信した第3信号はCPU12に届かず、CPU12において受信される第3信号は、第1信号及び第2信号と異なるトルクを示す信号となる。CPU12は、第1信号と第2信号、第2信号と第3信号、第3信号と第1信号というそれぞれ3つの組み合わせについて、各信号の異同を判定する。この場合、CPU12は、第1信号と第2信号の組み合わせでは互いの信号は同一、第2信号と第3信号、第3信号と第1信号の組み合わせでは互いの信号は異なるという結果を得る。これらの結果から、CPU12は、第1信号と第2信号は互いに同一のトルクを示す信号であるという判定結果から第1信号と第2信号は正常な信号と判定し、さらに、第2信号と第3信号、第3信号と第1信号は互いに異なるトルクを示す信号という判定結果から第3信号は異常信号と判定する。
この場合、信号検出回路は、第1信号と第2信号に基づき、モータの制御に必要な演算を行う。実施例1の場合では、第1信号と第2信号が異なるトルクを示した場合、どちらが正しい信号か判定することが困難であるが、実施例2の場合では、第1信号、第2信号及び第3信号を用いるため、正常な信号が2つあれば、2つの信号が同じトルクを示すため、正常な信号に基づいて、操舵補助を続行することが可能となる。
なお、第1信号、第2信号、第3信号のうち、2つ以上の異常信号が検出された場合には、正常な信号を判定することが困難であるため、操舵の補助を停止する。
(実施例3)
図5に実施例3に係る信号検出装置1のシステム構成図を示す。ここでは、実施例2における信号検出装置1との相違点についてのみ説明し、共通点の説明については省略する。
実施例3では、第2グランドラインGL2に代えて、ホールIC1(第1信号検出器22)、ホールIC2(第2信号検出器23)及びホールIC3(第3信号検出器24)は、第2グランドラインGL2に代えて、車両のボディ51に接地される。電源回路13は、車両のボディ51にも接地されているため、ホールIC1〜ホールIC3を車両のボディ51に接地することで、ホールIC1〜ホールCI3と電源回路13との接地電位を揃えることができる。そのため、実施例2に含まれていたグランドラインGL2が不要となる。
また、第2グランドラインGL2ではなく、第1グランドラインGL1に代えて、ホールIC1(第1信号検出器22)、ホールIC2(第2信号検出器23)及びホールIC3(第3信号検出器24)を、車両のボディ51に接地しても良い。
なお、電源回路13は、車両のボディ51に接地され、グランドラインGL1とボディアースとの間の電位差は出荷前に、電位差補正を行うことでゼロにされる。
本発明の実施例1に係る信号検出装置の全体構成図である。 本発明の実施例1に係る信号検出装置において地絡が生じた際の全体構成図である。 本発明の実施例2に係る信号検出装置の全体構成図である。 本発明の実施例2に係る信号検出装置において断線が生じた際の全体構成図である。 本発明の実施例3に係る信号検出装置の全体構成図である。 従来の信号検出装置の全体構成図である。
符号の説明
1 信号検出装置
11 EPS−ECU
12 CPU(信号検出回路)
13 電源回路(電源)
14 レギュレータ
21 トルクセンサ
22 第1信号検出器(ホールIC1、第1負荷)
23 第2信号検出器(ホールIC2、第2負荷)
24 第3信号検出器(ホールIC3)
31 第1筐体
32 第2筐体
41 整流素子
42 電源ライン接続部
51 ボディ
PL1 第1電源ライン
PL2 第2電源ライン
PL3 第3電源ライン
SL1 第1信号ライン
SL2 第2信号ライン
SL3 第3信号ライン
GL1 第1グランドライン
GL2 第2グランドライン

Claims (10)

  1. 電源と、前記電源に並列接続された第1負荷及び第2負荷と、前記電源と前記第1負荷を接続する第1電源ラインと、前記電源と前記第2負荷を接続する第2電源ラインと、前記第1電源ラインと前記第2電源ラインのうちいずれか一方の電源ラインが断線した場合でも前記第1負荷及び前記第2負荷が他方の電源ラインから電力供給を受けることができるように前記第1電源ラインと前記第2電源ラインを接続した電源ライン接続部と、を有し、前記第1電源ライン及び前記第2電源ラインは、それぞれ前記電源ライン接続部と前記電源との間に前記電源から前記負荷に流れる電流のみ通電して逆方向に流れる電流を遮断する整流素子を設けたことを特徴とする電力供給回路。
  2. 前記第1電源ライン及び前記第2電源ラインは、
    それぞれ前記整流素子と前記電源との間に
    入力電力を所定の出力電力に変換するレギュレータを有する
    ことを特徴とする請求項1記載の電力供給回路。
  3. 所定の対象を検出して第1信号を出力する第1信号検出器と、
    前記所定の対象を検出して第2信号を出力する第2信号検出器と、
    前記第1信号検出器と前記第2信号検出器とに並列接続される電源と、
    前記電源と前記第1信号検出器を接続する第1電源ラインと、
    前記電源と前記第2信号検出器を接続する第2電源ラインと、
    前記第1信号を伝達する第1信号ラインと、
    前記第2信号を伝達する第2信号ラインと、
    前記第1信号ライン及び前記第2信号ラインを介して前記第1信号と前記第2信号とを検出する信号検出回路と、
    前記第1電源ラインと前記第2電源ラインのうちいずれか一方の電源ラインが断線した場合でも前記第1信号検出器及び前記第2信号検出器が他方の電源ラインから電力供給を受けることができるように前記第1電源ラインと前記第2電源ラインを接続した電源ライン接続部と、
    を有し、
    前記第1電源ライン及び前記第2電源ラインは、それぞれ前記電源ライン接続部と前記電源との間に前記電源から前記信号検出器に流れる電流のみ通電して逆方向に流れる電流を遮断する整流素子を設けることを特徴とする信号検出装置。
  4. 前記第1電源ライン及び前記第2電源ラインは、
    それぞれ前記整流素子と前記電源との間に
    入力電力を所定の出力電力に変換するレギュレータを有する
    ことを特徴とする請求項3記載の信号検出装置。
  5. 前記第1信号と前記第2信号とは、互いに位相反転の関係にあることを特徴とする請求項3又は4に記載の信号検出装置。
  6. 所定の対象を検出して第1信号を出力する第1信号検出器と、
    前記所定の対象を検出して第2信号を出力する第2信号検出器と、
    前記所定の対象を検出して第3信号を出力する第3信号検出器と、
    前記第1信号検出器と前記第2信号検出器と前記第3信号検出器とに並列接続される電源と、
    前記電源と前記第1信号検出器を接続する第1電源ラインと、
    前記電源と前記第2信号検出器を接続する第2電源ラインと、
    前記第1電源ライン及び前記第2電源ラインと前記第3信号検出器を接続する第3電源ラインと、
    前記第1信号を伝達する第1信号ラインと、
    前記第2信号を伝達する第2信号ラインと、
    前記第3信号を伝達する第3信号ラインと、
    前記第1信号ライン、前記第2信号ライン及び前記第3信号ラインを介して
    前記第1信号、前記第2信号及び前記第3信号を検出する信号検出回路と、
    前記第1電源ラインと前記第2電源ラインのうちいずれか一方の電源ラインが断線した場合でも
    前記第1信号検出器及び前記第2信号検出器が他方の電源ラインから電力供給を受けることができるように
    前記第1電源ラインと前記第2電源ラインを接続した電源ライン接続部と、
    を有し、
    前記第1電源ライン及び前記第2電源ラインは、それぞれ前記電源ライン接続部と前記電源との間に前記電源から前記信号検出器に流れる電流のみ通電して逆方向に流れる電流を遮断する整流素子を設け、
    前記第3電源ラインは、前記整流素子と前記第1負荷の間又は前記整流素子と前記第2負荷との間において、前記第1電源ライン及び前記第2電源ラインと接続されることを特徴とする信号検出装置。
  7. 前記第1信号検出器、前記第2信号検出器及び前記第3信号検出器をそれぞれ並列に接続する第1グランドラインと、
    前記第1信号検出器、前記第2信号検出器及び前記第3信号検出器をそれぞれ並列に接続する第2グランドラインと、
    を有し、
    前記第1信号検出器、前記第2信号検出器及び前記第3信号検出器は、
    前記第1グランドライン又は前記第2グランドラインの一方のグランドラインが断線しても他方のグランドラインにより接地されることを特徴とする請求項6記載の信号検出装置。
  8. 前記第1信号検出器と前記第2信号検出器と前記第3信号検出器と前記電源ライン接続部と前記整流素子とを収容する第1筐体と、前記電源と前記信号検出回路を収容する第2筐体と、を有することを特徴とする請求項6又は7記載の信号検出装置。
  9. 請求項6ないし8のいずれか1項記載の信号検出装置は、操舵トルクに基づいて車両のステアリングの操舵力を補助する電動パワーステアリング装置に用いられる信号検出装置であって、
    前記第1信号検出器、前記第2信号検出器及び前記第3信号検出器はそれぞれ前記ステアリングに作用する操舵トルクを検出するホールICであることを特徴とする請求項6ないし8のいずれか1項記載の信号検出装置。
  10. 前記電源は前記車両のボディに接地されるものであって、前記第1信号検出器、前記第2信号検出器及び前記第3信号検出器は、前記第1グランドライン又は前記第2グランドラインに代えて、前記車両のボディに接地されることを特徴とする請求項9の信号検出装置。
JP2008261010A 2008-10-07 2008-10-07 信号検出装置 Expired - Fee Related JP4666045B2 (ja)

Priority Applications (3)

Application Number Priority Date Filing Date Title
JP2008261010A JP4666045B2 (ja) 2008-10-07 2008-10-07 信号検出装置
DE200910044178 DE102009044178A1 (de) 2008-10-07 2009-10-05 Leistungsversorgungsschaltkreis und Signaldetektionsgerät
US12/574,243 US8053936B2 (en) 2008-10-07 2009-10-06 Power supply circuit and signal detection apparatus

Applications Claiming Priority (1)

Application Number Priority Date Filing Date Title
JP2008261010A JP4666045B2 (ja) 2008-10-07 2008-10-07 信号検出装置

Publications (2)

Publication Number Publication Date
JP2010093940A true JP2010093940A (ja) 2010-04-22
JP4666045B2 JP4666045B2 (ja) 2011-04-06

Family

ID=42063205

Family Applications (1)

Application Number Title Priority Date Filing Date
JP2008261010A Expired - Fee Related JP4666045B2 (ja) 2008-10-07 2008-10-07 信号検出装置

Country Status (3)

Country Link
US (1) US8053936B2 (ja)
JP (1) JP4666045B2 (ja)
DE (1) DE102009044178A1 (ja)

Cited By (8)

* Cited by examiner, † Cited by third party
Publication number Priority date Publication date Assignee Title
JP2013257230A (ja) * 2012-06-13 2013-12-26 Jtekt Corp 回転角センサ及び回転角センサの異常検出装置
KR20150027911A (ko) * 2013-09-04 2015-03-13 현대모비스 주식회사 전동식 조향장치의 센서전원인터페이스 및 그 제어방법
JP2016128308A (ja) * 2015-01-09 2016-07-14 トヨタ自動車株式会社 電源装置
JP2017165314A (ja) * 2016-03-17 2017-09-21 株式会社デンソー センサ装置、および、これを用いた電動パワーステアリング装置
JP2018043578A (ja) * 2016-09-13 2018-03-22 日立オートモティブシステムズ株式会社 センサ装置
WO2021070824A1 (ja) * 2019-10-10 2021-04-15 株式会社デンソー 回転電機システム
JP2022183822A (ja) * 2021-05-31 2022-12-13 日立Astemo株式会社 駆動制御装置
WO2025198333A1 (ko) * 2024-03-22 2025-09-25 엘지이노텍 주식회사 모터 제어기

Families Citing this family (4)

* Cited by examiner, † Cited by third party
Publication number Priority date Publication date Assignee Title
DE102015114630B4 (de) * 2015-09-02 2024-09-05 Robert Bosch Gmbh Sensorvorrichtung, lenksystem
JP2017081387A (ja) * 2015-10-27 2017-05-18 Kyb株式会社 センサ装置及び電動パワーステアリング装置
DE102019134505A1 (de) * 2019-12-16 2021-06-17 Knorr-Bremse Systeme für Nutzfahrzeuge GmbH Messsystem zur Erfassung eines physikalischen Parameters und Verfahren zum Betreiben eines Messsystems
DE102021114097A1 (de) * 2021-06-01 2022-12-01 Knorr-Bremse Systeme für Nutzfahrzeuge GmbH Messsystem zur Erfassung eines physikalischen Parameters und Verfahren zum Betreiben eines Messystems

Citations (9)

* Cited by examiner, † Cited by third party
Publication number Priority date Publication date Assignee Title
JPS5473931U (ja) * 1977-11-05 1979-05-25
JPS54105743A (en) * 1978-01-30 1979-08-20 Nec Corp Power supply system
JPH03249529A (ja) * 1990-02-28 1991-11-07 Atsugi Unisia Corp トルクセンサ
JPH05112189A (ja) * 1991-10-21 1993-05-07 Sumitomo Wiring Syst Ltd 電装品のアース装置
JPH10108363A (ja) * 1996-09-25 1998-04-24 Sony Corp 並列運用電源システム
JP2003137111A (ja) * 2001-11-06 2003-05-14 Koyo Seiko Co Ltd 電動パワーステアリング装置
JP2004163303A (ja) * 2002-11-14 2004-06-10 Denso Corp トルクセンサ
JP2007295658A (ja) * 2006-04-21 2007-11-08 Nsk Ltd モータ制御装置及びこれを用いた電動パワーステアリング制御装置
JP2008302825A (ja) * 2007-06-08 2008-12-18 Honda Motor Co Ltd 車両用電源装置

Family Cites Families (4)

* Cited by examiner, † Cited by third party
Publication number Priority date Publication date Assignee Title
DE2750456B1 (de) 1977-11-11 1979-05-03 Dornier System Gmbh Spinnrotor fuer OE-Rotorspinnmaschine
DE19527876A1 (de) 1995-07-29 1997-01-30 Poly Clip System Gmbh & Co Kg Verschlußklammer
DE10362129B8 (de) 2002-11-14 2013-08-08 Denso Corporation Hochzuverlässiger Drehmomentsensor
US7265458B2 (en) * 2005-04-08 2007-09-04 Eaton Power Quality Corporation Apparatus and methods for coordinated static switch operations for load transfers in uninterruptible power supply systems

Patent Citations (9)

* Cited by examiner, † Cited by third party
Publication number Priority date Publication date Assignee Title
JPS5473931U (ja) * 1977-11-05 1979-05-25
JPS54105743A (en) * 1978-01-30 1979-08-20 Nec Corp Power supply system
JPH03249529A (ja) * 1990-02-28 1991-11-07 Atsugi Unisia Corp トルクセンサ
JPH05112189A (ja) * 1991-10-21 1993-05-07 Sumitomo Wiring Syst Ltd 電装品のアース装置
JPH10108363A (ja) * 1996-09-25 1998-04-24 Sony Corp 並列運用電源システム
JP2003137111A (ja) * 2001-11-06 2003-05-14 Koyo Seiko Co Ltd 電動パワーステアリング装置
JP2004163303A (ja) * 2002-11-14 2004-06-10 Denso Corp トルクセンサ
JP2007295658A (ja) * 2006-04-21 2007-11-08 Nsk Ltd モータ制御装置及びこれを用いた電動パワーステアリング制御装置
JP2008302825A (ja) * 2007-06-08 2008-12-18 Honda Motor Co Ltd 車両用電源装置

Cited By (12)

* Cited by examiner, † Cited by third party
Publication number Priority date Publication date Assignee Title
JP2013257230A (ja) * 2012-06-13 2013-12-26 Jtekt Corp 回転角センサ及び回転角センサの異常検出装置
KR20150027911A (ko) * 2013-09-04 2015-03-13 현대모비스 주식회사 전동식 조향장치의 센서전원인터페이스 및 그 제어방법
KR102071405B1 (ko) * 2013-09-04 2020-03-03 현대모비스 주식회사 전동식 조향장치의 센서전원인터페이스 및 그 제어방법
JP2016128308A (ja) * 2015-01-09 2016-07-14 トヨタ自動車株式会社 電源装置
JP2017165314A (ja) * 2016-03-17 2017-09-21 株式会社デンソー センサ装置、および、これを用いた電動パワーステアリング装置
JP2018043578A (ja) * 2016-09-13 2018-03-22 日立オートモティブシステムズ株式会社 センサ装置
WO2021070824A1 (ja) * 2019-10-10 2021-04-15 株式会社デンソー 回転電機システム
JP2021064996A (ja) * 2019-10-10 2021-04-22 株式会社デンソー 回転電機システム
JP7298433B2 (ja) 2019-10-10 2023-06-27 株式会社デンソー 回転電機システム
JP2022183822A (ja) * 2021-05-31 2022-12-13 日立Astemo株式会社 駆動制御装置
JP7675481B2 (ja) 2021-05-31 2025-05-14 Astemo株式会社 駆動制御装置
WO2025198333A1 (ko) * 2024-03-22 2025-09-25 엘지이노텍 주식회사 모터 제어기

Also Published As

Publication number Publication date
DE102009044178A1 (de) 2010-05-06
US8053936B2 (en) 2011-11-08
US20100084216A1 (en) 2010-04-08
JP4666045B2 (ja) 2011-04-06

Similar Documents

Publication Publication Date Title
JP4666045B2 (ja) 信号検出装置
CN103660999B (zh) 两轮倒立摆车辆及其控制方法
US9182452B2 (en) Power supply voltage monitoring circuit, sensor circuit for vehicle, and power steering apparatus
US20120152647A1 (en) Torque sensor, torque detector, and electric power steering device
JP2013079027A (ja) 電動パワーステアリング装置
JP5924510B2 (ja) 冗長化演算処理システム
US10392049B2 (en) Power steering device and control device for on-board device
KR20130029195A (ko) 차량용 구동모터의 레졸버 고장감지시스템
US11084524B2 (en) Motor control device
US9932067B2 (en) Electric power steering apparatus
JP5961566B2 (ja) トルクセンサの異常診断装置及び異常診断方法
CN108349525A (zh) 传感器装置和电动动力转向装置
KR101148289B1 (ko) 차속 및 엔진속 신호의 단락 감지 기능을 제공하는전자제어장치
US10060983B2 (en) Method and apparatus for determining a physical quantity of a multiphase synchronous machine
JP2018043578A (ja) センサ装置
EP3460993B1 (en) Electronic control device having multiple system circuits
KR20150065986A (ko) 모터 위치 센서의 고장 여부를 검출하는 전자 제어 유닛
JP4746461B2 (ja) 回転角度検出装置
WO2021117636A1 (ja) 電動モータの駆動制御装置
JP4779380B2 (ja) ブラシレスモータ及びこれを使用した電動パワーステアリング装置
JP2014076722A (ja) モータ制御装置
KR20140110424A (ko) 토크 센서의 고장을 검출하는 장치 및 방법
KR102494675B1 (ko) 전동식 동력 조향 시스템의 페일 세이프 장치 및 방법
JP2009120076A (ja) 電子制御装置、及び車両制御システム
KR101195725B1 (ko) 모터 제어용 전자제어장치

Legal Events

Date Code Title Description
A621 Written request for application examination

Free format text: JAPANESE INTERMEDIATE CODE: A621

Effective date: 20100215

A977 Report on retrieval

Free format text: JAPANESE INTERMEDIATE CODE: A971007

Effective date: 20100716

A131 Notification of reasons for refusal

Free format text: JAPANESE INTERMEDIATE CODE: A131

Effective date: 20100727

RD01 Notification of change of attorney

Free format text: JAPANESE INTERMEDIATE CODE: A7421

Effective date: 20100802

A521 Written amendment

Free format text: JAPANESE INTERMEDIATE CODE: A523

Effective date: 20100921

TRDD Decision of grant or rejection written
A01 Written decision to grant a patent or to grant a registration (utility model)

Free format text: JAPANESE INTERMEDIATE CODE: A01

Effective date: 20101214

A01 Written decision to grant a patent or to grant a registration (utility model)

Free format text: JAPANESE INTERMEDIATE CODE: A01

A61 First payment of annual fees (during grant procedure)

Free format text: JAPANESE INTERMEDIATE CODE: A61

Effective date: 20101227

FPAY Renewal fee payment (event date is renewal date of database)

Free format text: PAYMENT UNTIL: 20140121

Year of fee payment: 3

R151 Written notification of patent or utility model registration

Ref document number: 4666045

Country of ref document: JP

Free format text: JAPANESE INTERMEDIATE CODE: R151

FPAY Renewal fee payment (event date is renewal date of database)

Free format text: PAYMENT UNTIL: 20140121

Year of fee payment: 3

R250 Receipt of annual fees

Free format text: JAPANESE INTERMEDIATE CODE: R250

R250 Receipt of annual fees

Free format text: JAPANESE INTERMEDIATE CODE: R250

R250 Receipt of annual fees

Free format text: JAPANESE INTERMEDIATE CODE: R250

R250 Receipt of annual fees

Free format text: JAPANESE INTERMEDIATE CODE: R250

R250 Receipt of annual fees

Free format text: JAPANESE INTERMEDIATE CODE: R250

R250 Receipt of annual fees

Free format text: JAPANESE INTERMEDIATE CODE: R250

LAPS Cancellation because of no payment of annual fees