JP2010091196A - 給湯装置 - Google Patents

給湯装置 Download PDF

Info

Publication number
JP2010091196A
JP2010091196A JP2008262153A JP2008262153A JP2010091196A JP 2010091196 A JP2010091196 A JP 2010091196A JP 2008262153 A JP2008262153 A JP 2008262153A JP 2008262153 A JP2008262153 A JP 2008262153A JP 2010091196 A JP2010091196 A JP 2010091196A
Authority
JP
Japan
Prior art keywords
hot water
temperature
bathtub
heat
tank
Prior art date
Legal status (The legal status is an assumption and is not a legal conclusion. Google has not performed a legal analysis and makes no representation as to the accuracy of the status listed.)
Granted
Application number
JP2008262153A
Other languages
English (en)
Other versions
JP5200842B2 (ja
Inventor
Akira Suzuki
彰 鈴木
Current Assignee (The listed assignees may be inaccurate. Google has not performed a legal analysis and makes no representation or warranty as to the accuracy of the list.)
Denso Corp
Original Assignee
Denso Corp
Priority date (The priority date is an assumption and is not a legal conclusion. Google has not performed a legal analysis and makes no representation as to the accuracy of the date listed.)
Filing date
Publication date
Application filed by Denso Corp filed Critical Denso Corp
Priority to JP2008262153A priority Critical patent/JP5200842B2/ja
Publication of JP2010091196A publication Critical patent/JP2010091196A/ja
Application granted granted Critical
Publication of JP5200842B2 publication Critical patent/JP5200842B2/ja
Expired - Fee Related legal-status Critical Current
Anticipated expiration legal-status Critical

Links

Images

Landscapes

  • Control For Baths (AREA)
  • Heat-Pump Type And Storage Water Heaters (AREA)

Abstract

【課題】タンク内の中温の湯水もしくは熱媒体を有効に利用することが可能な給湯装置を提供すること。
【解決手段】サーミスタTH1の検出温度が湯張り設定温度+10℃以上である場合には、補助熱源器4および追い焚き熱源器41の運転をせずに貯湯タンク2の上部から導出した熱媒体で湯水を加熱して浴槽90内に設定温度の湯張りをする。また、サーミスタTH1の検出温度が湯張り設定温度+10℃未満であり、かつ、給湯用熱交換器3への平均給水温度+10℃以上である場合には、補助熱源器4の運転を禁止しつつ貯湯タンク2の上部から導出した熱媒体で湯水を加熱して浴槽90内に低温湯張りし、湯張り後に追い焚き熱源器41を運転して浴槽90内の湯水を湯張り設定温度とする。
【選択図】図1

Description

本発明は、浴槽内に湯張りするための熱量をタンク内に貯え、浴槽内への湯張りに熱量が不足する場合には燃焼式の加熱手段で熱量を補充することが可能な給湯装置に関する。
従来技術として、下記特許文献1に開示された給湯装置がある。この給湯装置は、タンクからの出湯管に燃焼式の加熱手段である燃焼バーナを備えており、タンクから出湯する湯水を燃焼バーナで加熱して湯水を昇温できるようになっている。
特開2000−329401号公報
しかしながら、上記従来技術の給湯装置では、タンクから出湯する湯水が高温よりも温度が低く浴槽への湯張り設定温度をわずかに下回る中温である場合には、この中温の湯水を加熱手段で加熱すると湯張り設定温度を超えてしまい、大量の水を混合しなければ設定温度の湯水を浴槽内に湯張りすることができず、タンク内の中温の湯水を有効に利用できないという問題がある。
これは、出湯管に設けられた加熱手段が燃焼式であり、燃焼量を絞ったとしても、安定燃焼状態を継続するためには燃焼量の下限があるため、最低加熱能力という一定加熱能力を下回る出力を得ることができないという制約があるためである。
この問題は、タンクから湯水を直接出湯するタイプの給湯装置に限らず、浴槽内に湯張りするための湯水をタンク内から導出した熱媒体との熱交換で加熱する間接出湯タイプの給湯装置であっても有するものである。
本発明は、上記点に鑑みてなされたものであり、タンク内の中温の湯水もしくは熱媒体を有効に利用することが可能な給湯装置を提供することを目的とする。
上記目的を達成するため、請求項1に記載の発明では、
熱媒体を内部に貯えるタンク(2)と、
タンク(2)内の上部の熱媒体の温度を検出する温度検出手段(TH1)と、
浴槽(90)内に湯張りするための湯水をタンク(2)内からの熱媒体との熱交換で加熱する給湯用熱交換器(3)と、
タンク(2)内に貯える熱媒体もしくは給湯用熱交換器(3)から流出する湯水のいずれかを加熱する燃焼式の加熱手段(4)と、
浴槽(90)内に湯張りした後の湯水を追い焚き加熱する追い焚き手段(41)と、
浴槽(90)内に湯張りを行う際に、温度検出手段(TH1)の検出温度に基づいて、燃焼式加熱手段(4)および追い焚き手段(41)の運転を制御する制御手段(100)と、を備え、
制御手段(100)は、
温度検出手段(TH1)の検出温度が、浴槽(90)内への湯張り設定温度に基づいて定まる第1所定温度以上である場合には、加熱手段(4)および追い焚き手段(41)の運転を禁止しつつタンク(2)から導出した熱媒体で湯水を加熱して浴槽(90)内に湯張りし、
温度検出手段(TH1)の検出温度が、第1所定温度未満である場合には、加熱手段(4)の運転を禁止しつつタンク(2)の上部から導出した熱媒体で湯水を加熱して浴槽(90)内に湯張りし、湯張り後に追い焚き手段(41)を運転して浴槽(90)内の湯水を湯張り設定温度とすることを特徴としている。
これによると、浴槽(90)内へ湯張り設定温度で湯張りできる第1所定温度以上の高温の熱媒体がタンク(2)内にある場合には、燃焼式の加熱手段(4)および追い焚き手段(41)を運転することなくタンク(2)から導出した熱媒体で湯水を加熱して浴槽(90)内に湯張りし、第1所定温度未満の中温の熱媒体しかタンク(2)内にない場合には、燃焼式の加熱手段(4)を運転することなくタンク(2)の上部から導出した熱媒体で湯水を加熱して浴槽(90)内に湯張りし、湯張り後に追い焚き手段(41)で浴槽(90)内の湯水を湯張り設定温度まで追い焚き加熱することができる。
燃焼式の加熱手段(4)を最低加熱能力で運転して湯張り設定温度を超える高温の湯水を生成してしまうと、この高温の湯水の温度を湯張り設定温度にまで低下させるために多量の水を混合する必要があり、中温の熱媒体の使用熱量が減少することになる。しかしながら、本発明によれば、燃焼式の加熱手段(4)を最低加熱能力で運転して湯張り設定温度を超える高温の湯水を生成してしまうことがないので、タンク(2)内の中温の熱媒体を有効に利用することができる。
また、請求項2に記載の発明では、制御手段(100)は、温度検出手段(TH1)の検出温度が、第1所定温度未満であり、かつ、燃焼式の加熱手段(4)の最低加熱能力と湯張り設定温度とに基づいて定まる第2所定温度以上である場合に、加熱手段(4)の運転を禁止しつつタンク(2)の上部から導出した熱媒体で湯水を加熱して浴槽(90)内に湯張りし、湯張り後に追い焚き手段(41)を運転して浴槽(90)内の湯水を湯張り設定温度とすることを特徴としている。
これによると、タンク(2)内の上部の熱媒体の温度が第1所定温度未満かつ第2所定温度以下である場合、すなわち、燃焼式の加熱手段(4)を運転しなければ湯張り設定温度未満の湯水しか得られず、燃焼式の加熱手段(4)を最低加熱能力で運転すると湯張り設定温度を超える高温の湯水を生成してしまう場合に、燃焼式の加熱手段(4)を運転することなくタンク(2)の上部から導出した熱媒体で湯水を加熱して浴槽(90)内に湯張りし、湯張り後に追い焚き手段(41)で浴槽(90)内の湯水を湯張り設定温度まで追い焚き加熱することができる。したがって、確実にタンク(2)内の中温の熱媒体を有効に利用することができる。
また、請求項3に記載の発明では、制御手段(100)は、温度検出手段(TH1)の検出温度が、第1所定温度未満であり、かつ、給湯用熱交換器(3)への給水温度に基づいて定まる第2所定温度以上である場合に、加熱手段(4)の運転を禁止しつつタンク(2)の上部から導出した熱媒体で湯水を加熱して浴槽(90)内に湯張りし、湯張り後に追い焚き手段(41)を運転して浴槽(90)内の湯水を湯張り設定温度とすることを特徴としている。
一般的に、給水温度の方が、燃焼式の加熱手段(4)を最低加熱能力で運転し加熱すると湯張り設定温度を超えてしまう湯水の温度よりも低い。したがって、本発明によっても、タンク(2)内の上部の熱媒体の温度が第1所定温度未満かつ第2所定温度以下である場合、すなわち、燃焼式の加熱手段(4)を運転しなければ湯張り設定温度未満の湯水しか得られず、燃焼式の加熱手段(4)を最低加熱能力で運転すると湯張り設定温度を超える高温の湯水を生成してしまう場合に、燃焼式の加熱手段(4)を運転することなくタンク(2)の上部から導出した熱媒体で湯水を加熱して浴槽(90)内に湯張りし、湯張り後に追い焚き手段(41)で浴槽(90)内の湯水を湯張り設定温度まで追い焚き加熱することが可能である。したがって、確実にタンク(2)内の中温の熱媒体を有効に利用することができる。
また、請求項4に記載の発明では、
制御手段(100)は、
タンク(2)内に蓄えられた熱媒体の熱量が、燃焼式の加熱手段(4)および追い焚き手段(41)の運転を禁止しても浴槽(90)内に湯張り設定温度の湯水を湯張り可能な熱量以上であるか否か判断し、
温度検出手段(TH1)の検出温度が第1所定温度以上であり、かつ、タンク(2)内に蓄えられた熱媒体の熱量が湯張り可能な熱量以上である場合には、加熱手段(4)および追い焚き手段(41)の運転を禁止しつつタンク(2)から導出した熱媒体で湯水を加熱して浴槽(90)内に湯張りし、
温度検出手段(TH1)の検出温度が第1所定温度未満、もしくは、タンク(2)内に蓄えられた熱媒体の熱量が湯張り可能な熱量未満である場合には、加熱手段(4)の運転を禁止しつつタンク(2)の上部から導出した熱媒体で湯水を加熱して浴槽(90)内に湯張りし、湯張り後に追い焚き手段(41)を運転して浴槽(90)内の湯水を湯張り設定温度とすることを特徴としている。
これによると、タンク(2)内の上部の熱媒体の温度が燃焼式の加熱手段(4)を運転しなくても湯張り設定温度の湯水が得られる場合であっても、タンク(2)内の熱媒体の熱量が設定温度の湯張りを完了するために必要な熱量に不足する場合には、燃焼式の加熱手段(4)を運転することなくタンク(2)の上部から導出した熱媒体で湯水を加熱して浴槽(90)内に湯張りし、湯張り後に追い焚き手段(41)で浴槽(90)内の湯水を湯張り設定温度まで追い焚き加熱することができる。したがって、より確実にタンク(2)内の中温の熱媒体を有効に利用することができる。
また、請求項5に記載の発明では、
タンク(2)内の上部の熱媒体を給湯用熱交換器(3)の1次側通路(3a)を介してタンク(2)内の下部に導く循環回路(8)と、
この循環回路(8)に熱媒体を循環する循環手段(9)と、を備え、
制御手段(100)は、給湯用熱交換器(3)の1次側通路(3a)から流出する熱媒体の温度が、給湯用熱交換器(3)の2次側通路(3b)に流入する給水温度および給湯用熱交換器の熱交換性能に基づいて定まる所定温度に近づくように、循環手段(9)の作動状態を制御して熱媒体の循環量を調節することを特徴としている。
これによると、給湯用熱交換器(3)で給湯用水と熱交換しタンク(2)に戻る熱媒体の温度を比較的低温にすることができ、中温の熱媒体を一層有効に利用することができる。
また、請求項6に記載の発明では、タンク(2)内の下部の熱媒体を沸き上げてタンク(2)内の上部に貯えるためのヒートポンプ装置(1)を備えることを特徴としている。
熱媒体の沸き上げ手段がヒートポンプ装置(1)である場合には、沸き上げ前の熱媒体の温度が低いほうが、運転効率(COP)が良好となる。したがって、中温の熱媒体を有効に利用できる給湯装置において、熱媒体をヒートポンプ装置(1)で沸き上げるので、効率が極めて良好となる。
また、請求項7に記載の発明では、
浴槽(90)内に湯張りするための湯水を内部に貯えるタンク(2)と、
タンク(2)内の上部の湯水の温度を検出する温度検出手段(TH1)と、
浴槽(90)内に湯張りする前の湯水を加熱する燃焼式の加熱手段(4)と、
浴槽(90)内に湯張りした後の湯水を追い焚き加熱する追い焚き手段(41)と、
浴槽(90)内に湯張りを行う際に、温度検出手段(TH1)の検出温度に基づいて、燃焼式加熱手段(4)および追い焚き手段(41)の運転を制御する制御手段(100)と、を備え、
制御手段(100)は、
温度検出手段(TH1)の検出温度が、浴槽(90)内への湯張り設定温度に基づいて定まる第1所定温度以上である場合には、燃焼式の加熱手段(4)および追い焚き手段(41)の運転を禁止しつつタンク(2)から出湯する湯水を浴槽(90)内に湯張りし、
温度検出手段(TH1)の検出温度が、第1所定温度未満である場合には、加熱手段(4)の運転を禁止しつつタンク(90)の上部から出湯した湯水を浴槽(90)内に湯張りし、湯張り後に追い焚き手段(41)を運転して浴槽(90)内の湯水を湯張り設定温度とすることを特徴としている。
これによると、浴槽(90)内へ湯張り設定温度で湯張りできる第1所定温度以上の高温の湯水がタンク(2)内にある場合には、燃焼式の加熱手段(4)および追い焚き手段(41)を運転することなくタンク(2)から出湯した湯水を浴槽(90)内に湯張りし、第1所定温度未満の中温の湯水しかタンク(2)内にない場合には、燃焼式の加熱手段(4)を運転することなくタンク(2)の上部から出湯した湯水を浴槽(90)内に湯張りし、湯張り後に追い焚き手段(41)で浴槽(90)内の湯水を湯張り設定温度まで追い焚き加熱することができる。
燃焼式の加熱手段(4)を最低加熱能力で運転して湯張り設定温度を超える高温の湯水を生成してしまうと、この高温の湯水の温度を湯張り設定温度にまで低下させるために多量の水を混合する必要があり、中温の湯水の使用量が減少することになる。しかしながら、本発明によれば、燃焼式の加熱手段(4)を最低加熱能力で運転して湯張り設定温度を超える高温の湯水を生成してしまうことがないので、タンク(2)内の中温の湯水を有効に利用することができる。
また、請求項8に記載の発明では、制御手段(100)は、温度検出手段(TH1)の検出温度が、第1所定温度未満であり、かつ、燃焼式の加熱手段(4)の最低加熱能力と湯張り設定温度とに基づいて定まる第2所定温度以上である場合に、加熱手段(4)の運転を禁止しつつタンク(2)の上部から出湯した湯水を浴槽(90)内に湯張りし、湯張り後に追い焚き手段(41)を運転して浴槽(90)内の湯水を湯張り設定温度とすることを特徴としている。
これによると、タンク(2)内の上部の湯水の温度が第1所定温度未満かつ第2所定温度以下である場合、すなわち、燃焼式の加熱手段(4)を運転しなければ湯張り設定温度未満の湯水しか得られず、燃焼式の加熱手段(4)を最低加熱能力で運転すると湯張り設定温度を超える高温の湯水を生成してしまう場合に、燃焼式の加熱手段(4)を運転することなくタンク(2)の上部から出湯した湯水を浴槽(90)内に湯張りし、湯張り後に追い焚き手段(41)で浴槽(90)内の湯水を湯張り設定温度まで追い焚き加熱することができる。したがって、確実にタンク(2)内の中温の湯水を有効に利用することができる。
また、請求項9に記載の発明では、制御手段(100)は、温度検出手段(TH1)の検出温度が、第1所定温度未満であり、かつ、タンク(2)への給水温度に基づいて定まる第2所定温度以上である場合に、加熱手段(4)の運転を禁止しつつタンク(2)の上部から出湯した湯水を浴槽(90)内に湯張りし、湯張り後に追い焚き手段(41)を運転して浴槽(90)内の湯水を湯張り設定温度とすることを特徴としている。
一般的に、給水温度の方が、燃焼式の加熱手段(4)を最低加熱能力で運転し加熱すると湯張り設定温度を超えてしまう湯水の温度よりも低い。したがって、本発明によっても、タンク(2)内の上部の湯水の温度が第1所定温度未満かつ第2所定温度以下である場合、すなわち、燃焼式の加熱手段(4)を運転しなければ湯張り設定温度未満の湯水しか得られず、燃焼式の加熱手段(4)を最低加熱能力で運転すると湯張り設定温度を超える高温の湯水を生成してしまう場合に、燃焼式の加熱手段(4)を運転することなくタンク(2)の上部から出湯した湯水を浴槽(90)内に湯張りし、湯張り後に追い焚き手段(41)で浴槽(90)内の湯水を湯張り設定温度まで追い焚き加熱することが可能である。したがって、確実にタンク(2)内の中温の湯水を有効に利用することができる。
また、請求項10に記載の発明では、
制御手段(100)は、
タンク(2)内に蓄えられた湯水の熱量が、燃焼式の加熱手段(4)および追い焚き手段(41)の運転を禁止しても浴槽(90)内に湯張り設定温度の湯水を湯張り可能な熱量以上であるか否か判断し、
温度検出手段(TH1)の検出温度が第1所定温度以上であり、かつ、タンク(2)内に蓄えられた湯水の熱量が湯張り可能な熱量以上である場合には、加熱手段(4)および追い焚き手段(41)の運転を禁止しつつタンク(2)から出湯する湯水を浴槽(90)内に湯張りし、
温度検出手段(TH1)の検出温度が第1所定温度未満、もしくは、タンク(2)内に蓄えられた湯水の熱量が湯張り可能な熱量未満である場合には、加熱手段(4)の運転を禁止しつつタンク(2)の上部から出湯した湯水を浴槽(90)内に湯張りし、湯張り後に追い焚き手段(41)を運転して浴槽(90)内の湯水を湯張り設定温度とすることを特徴としている。
これによると、タンク(2)内の上部の湯水の温度が燃焼式の加熱手段(4)を運転しなくても湯張り設定温度の湯水が得られる場合であっても、タンク(2)内の湯水の熱量が設定温度の湯張りを完了するために必要な熱量に不足する場合には、燃焼式の加熱手段(4)を運転することなくタンク(2)の上部から出湯した湯水を浴槽(90)内に湯張りし、湯張り後に追い焚き手段(41)で浴槽(90)内の湯水を湯張り設定温度まで追い焚き加熱することができる。したがって、より確実にタンク(2)内の中温の湯水を有効に利用することができる。
また、請求項11に記載の発明では、タンク(2)内の下部の湯水を沸き上げてタンク(2)内の上部に貯えるためのヒートポンプ装置(1)を備えることを特徴としている。
湯水の沸き上げ手段がヒートポンプ装置(1)である場合には、沸き上げ前の湯水の温度が低いほうが、運転効率(COP)が良好となる。したがって、中温の湯水を有効に利用できる給湯装置において、湯水をヒートポンプ装置(1)で沸き上げるので、効率が極めて良好となる。
なお、上記各手段に付した括弧内の符号は、後述する実施形態記載の具体的手段との対応関係を示す一例である。
以下に、図面を参照しながら本発明を実施するための複数の形態を説明する。各形態において先行する形態で説明した事項に対応する部分には同一の参照符号を付して重複する説明を省略する場合がある。各形態において構成の一部のみを説明している場合は、構成の他の部分については先行して説明した形態と同様とする。実施の各形態で具体的に説明している部分の組合せばかりではなく、特に組合せに支障が生じなければ、実施の形態同士を部分的に組み合せることも可能である。
(第1の実施形態)
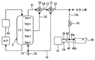
本発明を適用した第1の実施形態について図1〜図7にしたがって説明する。図1は、第1の実施形態の給湯装置の概略構成を示した模式図である。図2は、給湯装置に係る制御構成を示したブロック図である。
本実施形態の給湯装置は、貯湯式のヒートポンプ式給湯装置であり、主に一般家庭用として使用されるものであり、貯湯タンク2内に蓄えられた蓄熱用の温水(蓄熱用の熱媒体)と給湯用水とを給湯用熱交換器3によって熱交換し、加熱された給湯用水(湯水)を台所、洗面所、浴室などへの給湯端末(手洗い栓、カラン、シャワー、風呂等)に供給するとともに、所定の条件を満たすときには補助熱源器4により給湯用水をさらに加熱して温度調節する機能を有している。
図1に示すように、給湯装置は、高温高圧の冷媒と熱交換させて温水を沸き上げる加熱手段であるヒートポンプユニット1(ヒートポンプ装置)と、このヒートポンプユニット1によって加熱された温水を貯える貯湯タンク2(タンクに相当)と、この貯湯タンク2内下部の低温水が流出してヒートポンプユニット1で加熱されて貯湯タンク2内の上部に戻るように設けられた蓄熱用循環回路6と、蓄熱用の温水と給湯用水とを熱交換する給湯用熱交換器3と、給湯用熱交換器3で加熱された給湯用水をさらに加熱することができる補助熱源器4(加熱手段に相当)と、本給湯装置の作動を制御する制御装置100(図2参照)と、を備えている。
ヒートポンプユニット1は、少なくとも圧縮機、蓄熱用熱交換器、膨張弁、蒸発器およびアキュムレータ等の冷凍サイクル機能部品が環状に接続されて構成されている。ヒートポンプユニット1は、例えば、冷媒として臨界温度の低い二酸化炭素を使用することにより、高圧側の冷媒圧力が冷媒の臨界圧以上になる超臨界ヒートポンプサイクルを構成する。
ヒートポンプサイクルを超臨界ヒートポンプで構成した場合、一般的なヒートポンプサイクルよりも高温、例えば、85℃〜90℃程度の湯を貯湯タンク2内に蓄えることができる。ヒートポンプサイクルは、主に、料金設定の安価な深夜時間帯の深夜電力を利用して貯湯タンク2内の湯を沸き上げる沸き上げ運転を行う。
ヒートポンプサイクル1の圧縮機は、本例では、電気エネルギーで駆動されるものであるが、これに限定されるものではなく、例えば、ガスや灯油等で駆動されるものであってもよい。
蓄熱用循環回路6には、ヒートポンプユニット1内の蓄熱用熱交換器である水−冷媒熱交換器に供給される水の温度を検出する入水温度サーミスタと、水−冷媒熱交換器出口での沸き上げ温度を検出する沸上げ温度サーミスタと、電動ポンプと、が設けられている。また、ヒートポンプユニット1には、蒸発器の外部を通過する前の外気の温度を検出するための外気温度サーミスタ23が設けられている。そして、各サーミスタの検出温度信号は制御装置100に出力される。
貯湯タンク2は、給湯用水を加熱する蓄熱用流体(熱媒体に相当)である温水を蓄える縦長形状の容器であり、耐食性に優れた金属製、例えば、ステンレス製からなり、その外周部に断熱材が設けられ、高温水を長時間に渡って保温することができる。また、蓄熱用流体は、主成分が水であり、防腐剤、凍結防止剤、LLC等を含んでいてもよい。また、蓄熱用流体は、交比熱を有する蓄熱材料をマイクロカプセル等の方法により封入し、これを水に分散させて混合してもよいし、スリラー状にして混合させてもよい。
蓄熱用循環回路6の電動ポンプが作動することにより、貯湯タンク2内の温水が循環する。これにより、蓄熱用熱交換器で加熱された貯湯タンク2内の温水は、蓄熱用循環回路6を通って貯湯タンク2内の上部に送り込まれるので、貯湯タンク2内の上部側から下部側へ向かって複数の温度層を形成するように順次蓄熱されていく。
給湯用熱交換器3は、互いの内部を流れる流体同士が熱交換するように設けられた1次側通路3aおよび2次側通路3bを備えている。1次側通路3aは貯湯タンク2内部に連通し、貯湯タンク2内の温水が流れる流路である。2次側通路3bは上流側端部が給水用配管10に接続され、下流側端部が給湯用配管13に接続される流路であり、給湯端末に供給される給湯用水が流れる流路である。1次側通路3aおよび2次側通路3bは、各通路を流れる流体間で熱交換が行われる形態であればよい。例えば、一方の通路が内側管内に形成され、他方の通路が内側管の外側を覆う外側管内に形成される二重管構造で構成してもよい。また、給湯用熱交換器3は、は、1次側通路3aおよび2次側通路3bのそれぞれを流れる流体の流れ方向が対向する対向式熱交換器であることが好ましい。
貯湯タンク2は、給湯用熱交換器3の1次側通路3aとの間で循環流路である1次側循環回路8(循環回路に相当)を形成するように1次側通路3aに接続されている。この1次側循環回路8は、貯湯タンク2の最上部(上部)に設けられた導出口に接続されており、この導出口と1次側通路3aとをつなぐ流路に熱交換器入口温度を検出する1次側熱交換器入口温度サーミスタ18を備えている。
さらに1次側循環回路8は、貯湯タンク2の最下部に設けられた導入口に接続されており、この導入口と1次側通路3aとをつなぐ流路に、1次側通路3aから貯湯タンク2内の下部に向けて流出する蓄熱用流体の1次側熱交換器出口温度を検出する1次側循環戻り温度サーミスタ19と、蓄熱用流体を1次側循環回路8に強制的に循環させる蓄熱用流体駆動手段である循環ポンプ9(循環手段に相当)と、を備えている。1次側熱交換器入口温度サーミスタ18および1次側循環戻り温度サーミスタ19により検出される温度信号は、制御装置100の入力回路に入力されるようになっている。
給水用配管10の上流は、水道配管に接続されており、市水(水道水)が給湯用熱交換器3の2次側通路3bに導入されるようになっている。給水用配管10には、流量検出器16と給水温度サーミスタ20とが設けられている。流量検出器16は2次側通路3b方向に向かう流量(2次側流量)を検出する検出手段であり、また給水温度サーミスタ20は市水の温度を検出し、検出された流量信号および温度信号は、制御装置100の入力回路に入力されるようになっている。
給湯用配管13は、給湯用熱交換器3の2次側通路3b出口と台所、洗面所、浴室などへの給湯端末(手洗い栓、カラン、シャワー、風呂等)とを接続する配管である。そして、給湯用配管13の下流側には、給湯温度を検出する給湯サーミスタ22と、流量カウンタ(図示せず)とが設けられている。給湯サーミスタ22および流量カウンタによって検出された給湯温度信号および流量信号は、制御装置100の入力回路に入力されるようになっている。
給湯用配管13には、給湯用熱交換器3の2次側通路3b出口における給湯水の温度(熱交換器2次出口温度)を検出する2次側出口温度サーミスタ21(2次出口温度検出器)が設けられている。検出された熱交換器2次出口温度は制御装置100の入力回路に入力されるようになっている。また、給湯用配管13は、2次側出口温度サーミスタ21よりも下流側で給湯用配管13が補助熱源用通路15に分岐する分岐部を備えており、この分岐部には熱源切替弁11が設けられている。この熱源切替弁11は、2次側通路3bを流出した給湯用水を給湯用配管13側か、補助熱源用通路15側かのいずれかを流れるように切り替えることができる。
補助熱源用通路15の途中には、補助熱源用通路15を流れてきた給湯用水を再加熱する補助熱源器4が設けられ、補助熱源用通路15の下流端部は給湯用配管13に合流している。補助熱源器4は、本例では都市ガスにより給湯用水を加熱するものであるが、燃料を燃焼することで通過する給湯用水を加熱可能な機器(燃焼式の加熱手段)であれば特に限定するものではなく、例えば、ガス等の燃料による燃焼炎を用いて内部を通過する給湯用水を加熱する小型ガス湯沸かし器、灯油等の液体燃料による燃焼炎を用いて内部を通過する給湯用水を加熱する小型石油湯沸かし器等を採用することができる。
給水配管10は、給湯用熱交換器3の2次側通路3bの手前で分岐し、この分岐した配管は給湯用配管13に合流している。この給水配管10の分岐部から給湯用配管13の合流部に至るまでの配管は給湯用熱交換器3をバイパスする2次側バイパス通路14である。2次側バイパス通路14と給湯用配管13との合流部には給湯用混合弁12が設けられている。
この給湯用混合弁12は、給湯端末側に出湯する湯温を調節する温度調節弁であり、給湯用配管13側と2次側バイパス通路14側との開口面積比を調節することにより、給湯用熱交換器3で加熱された給湯用水と市水との混合比を調節して設定温度に調節するように制御される。制御装置100は、リモートコントローラ110等により設定される温度と、給水温度サーミスタ20、2次側出口温度サーミスタ21および給湯温度サーミスタ22によって検出される温度情報とに基づいて給湯用混合弁12を制御する。
給湯配管13は、給湯用混合弁12よりも下流側で分岐し、分岐した風呂給湯配管13aの下流端は、浴槽90内の浴水を追焚熱源器41に循環する浴水循環回路40の往き管40aに接続している。この風呂給湯配管13aには、この給湯経路を開閉する風呂電磁弁43が設けられている。
追い焚き手段である追焚熱源器41は、本例では都市ガスにより浴水を追い焚き加熱するものであるが、浴水循環回路40の戻り管40bを介して供給される浴水を加熱可能な機器であれば特に限定するものではなく、例えば、ガス等の燃料による燃焼炎を用いて内部を通過する給湯用水を加熱する小型ガス湯沸かし器、灯油等の液体燃料による燃焼炎を用いて内部を通過する給湯用水を加熱する小型石油湯沸かし器、電気式ヒータ等を採用することができる。
追焚熱源器41は、貯湯タンク2の外部にあり、貯湯タンク2内とは熱的に隔絶された熱源器である。すなわち、追焚熱源器41は、浴水の追い焚き加熱時に、貯湯タンク2内の熱量を用いるなど貯湯タンク2内の熱量変化を伴わない熱源器である。
図1では、追焚熱源器41を補助熱源器4と別体で図示しているが、追焚熱源器41は補助熱源器4と一体であってもよく、補助熱源器4の燃焼加熱部と追焚熱源器41の燃焼加熱部とを共用するものであってもよい。
浴水循環回路40のうち、浴槽90内の浴水を追焚熱源器41に導く戻り管40bには、追焚熱源器41に供給される浴水の温度(すなわち、浴槽90内の浴水の温度)を検出する浴水温度サーミスタ24が配設されている。一方、浴水循環回路40のうち、追焚熱源器41で追い焚きされた浴水を浴槽90内の導く往き管40aには、追焚熱源器41で加熱された浴水の温度を検出する追焚温度サーミスタ25が配設されている。浴水温度サーミスタ24および追焚温度サーミスタ25が検出した温度信号は、制御装置100に入力されるようになっている。
また、浴水循環回路40には、浴水を浴水循環回路40に強制的に循環させる浴水用流体駆動手段である浴水循環ポンプ42が設けられており、制御装置100により駆動制御されるようになっている。
貯湯タンク2の外壁面には、蓄熱用温水の貯湯量、貯湯温度を検出するための水温センサである複数個の貯湯サーミスタ17が設けられており、本実施形態では縦方向にほぼ等間隔で貯湯タンク2の最上部(上部)から順にTH1、TH2、TH3、TH4、TH5という5個のサーミスタが配設されている。これら5個のサーミスタの検出温度信号は、それぞれ制御装置100の入力回路に入力されるようになっており、各水位レベルでの蓄熱用流体の温度や湯量を検出可能である。また、複数個の貯湯サーミスタ17のうち、最上部に位置するTH1は、高温の蓄熱用流体を出湯する出湯温度を検出することができる。
貯湯サーミスタ17のうち最上部に設けられたTH1は、タンク内の最上部の熱媒体の温度を検出する温度検出手段に相当し、TH1〜TH5からなる複数の貯湯サーミスタ17は、貯湯タンク2内に蓄えられた熱媒体の熱量を検出する熱量検出手段であると言える。ここで、タンク内の最上部の熱媒体の温度を検出すると説明したが、タンク内の最上部とは実質的な最上部であればよい。すなわち、タンク内から導出できる上部位置の熱媒体の温度を検出するものであればよい。
貯湯タンク2の天面には、貯湯タンク5内に市水を給水するための間接タンク5が載置されている。間接タンク5の上部には市水が流れてくる給水用配管と、逃し用配管とが接続されており、その下部には貯湯タンク2内下部とつながっている循環用配管7が接続されている。また間接タンク5内には水位センサが設けられており、制御装置100に送信される水位センサの検出信号によって間接タンク5内に自動的に給水が行われる。給水用配管を通って流れてきた水が間接タンク5内に貯まると、間接タンク5内の水が循環用配管7を通って貯湯タンク2内下部に流入し、余分な水は逃がし用配管を通って外部に排出される。
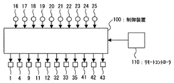
図2に示すように、制御手段である制御装置100は、リモートコントローラ110上の各種スイッチからの信号、流量検出器16、各種サーミスタ17〜25からの通信信号が入力される入力回路と、入力回路からの信号を用いて各種演算を実行するマイクロコンピュータと、マイクロコンピュータによる演算に基づいてヒートポンプユニット1、補助熱源器4、循環ポンプ9、熱源切替弁11、給湯用混合弁12、追焚熱源器41、浴水循環ポンプ42、風呂電磁弁43等を制御する通信信号を出力する出力回路と、を備えている。マイクロコンピュータは、記憶手段としてROMまたはRAMを内蔵し、あらかじめ設定された制御プログラムや更新可能な制御プログラムを有している。
次に、上記構成における給湯装置の作動について説明する。まず、給湯装置の沸き上げ制御を説明する。ユーザーによってリモートコントローラ110の給湯スイッチがONされている場合には、制御装置100は主に電力料金の安価な深夜時間帯(例えば、当日の23時から翌日の7時までの時間帯)にヒートポンプユニット1を運転し、貯湯タンク2内の蓄熱用流体を加熱し、必要な熱量を蓄える。
つまり、制御装置100は、深夜電力時間帯になって貯湯サーミスタが貯湯タンク2内に翌日に必要な熱量が残っていないことを検出すると、ヒートポンプユニット1に対して沸き上げ開始を指令する。指令を受けたヒートポンプユニット1は圧縮機を起動した後に蓄熱用循環回路6の循環ポンプを駆動開始し、貯湯タンク2下部から取り出した低温水を水−冷媒熱交換器で70〜90℃程度の高温に加熱し、蓄熱用循環回路6を介して貯湯タンク2の上部から貯湯タンク2内に戻し、貯湯タンク2の上部から順次積層して高温水を貯湯していく。貯湯サーミスタ17が必要な熱量が貯湯されたことを検出すると、制御装置100はヒートポンプユニット1に対して沸き上げ停止を指令し、ヒートポンプユニット1は圧縮機を停止するとともに、循環ポンプも停止して沸き上げ動作を終了する。
次に、浴槽90内に湯水を湯張りする場合の制御について、図3にしたがって説明する。図3は、制御装置100が行う湯張り運転制御の概略制御動作を示すフローチャートである。
図3に示すように、制御装置100は、まず、貯湯サーミスタ17のうち最上部のサーミスタTH1が検出した温度が湯張り設定温度+10℃以上であるか否か判断する(ステップS120)。ここで、湯張り設定温度+10℃が、湯張り設定温度に基づいて定まる第1所定温度に相当する。TH1の検出温度が湯張り設定温度+10℃以上である場合には、貯湯タンク2内の貯湯熱量のみで設定温度の湯張りを行う第1湯張りモードを実行する(ステップS130)。
第1湯張りモードでは、風呂電磁弁43を開き、補助熱源器4を運転せずに熱源切替弁11の湯水流路を給湯用配管13側とし、2次側出口温度サーミスタ21の検出温度が湯張り設定温度+5℃となるように循環ポンプ9をフィードバック制御して駆動する。また、給湯温度サーミスタ22の検出温度が湯張り設定温度となるように給湯用混合弁12の開口面積比を調節し、給湯用熱交換器3で加熱された湯(給湯用水)と市水とを混合する。
これにより、図4に示すように、貯湯タンク2の最上部から導出された蓄熱用流体は、給湯用熱交換器3の1次側通路3aを通過する際に2次側通路3bを通過する市水を加熱する。例えば、TH1の検出温度が60℃であり湯張り設定温度が43℃である場合には、2次側通路3bから流出する湯水の温度が48℃となるように蓄熱用流体が循環される。給湯用混合弁12では、給湯用配管13を流れる48℃の湯水に例えば9℃の市水が混合されて43℃の湯水となり、風呂給湯配管13a、往き管40aを介して浴槽90内に設定量まで湯張りが行われる。なお、浴槽90内への湯張りは、往き管40aからだけでなく、往き管40aに加え停止中の浴水循環ポンプ42を介して戻り管40bからも行うものであってもよい。
図4では、流体が流通する経路を実線で、流通しない経路を破線で示している。以下、図5〜図7においても同様である。
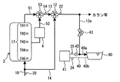
ステップS120において、TH1の検出温度が湯張り設定温度+10℃未満であると判断した場合には、TH1の検出温度が平均給水温度+10℃以上であるか否か判断する(ステップS140)。ここで、平均給水温度+10℃が、給湯用熱交換器への給水温度に基づいて定まる第2所定温度に相当する。なお、平均給水温度とは、過去の所定期間に給水温度サーミスタ20が検出した温度の平均値である。
TH1の検出温度が平均給水温度+10℃以上である場合には、まず、貯湯タンク2内の貯湯熱量のみで設定温度よりも低い低温の湯張りを行う第2湯張りモードを実行し(ステップS150)、次に、追焚熱源器41による追い焚き運転を行う(ステップS160)。
第2湯張りモードでは、風呂電磁弁43を開き、補助熱源器4を運転せずに熱源切替弁11の湯水流路を給湯用配管13側とし、2次側出口温度サーミスタ21の検出温度がTH1検出温度−10℃となるように循環ポンプ9をフィードバック制御して駆動する。また、給湯用混合弁12は、給湯用配管13側を100%開度として、給湯用熱交換器3で加熱された湯(給湯用水)に市水を混合しない。
これにより、図5に示すように、貯湯タンク2の最上部から導出された蓄熱用流体は、給湯用熱交換器3の1次側通路3aを通過する際に2次側通路3bを通過する市水を加熱する。例えば、TH1の検出温度が40℃であり湯張り設定温度が43℃である場合には、2次側通路3bから流出する湯水の温度が30℃となるように蓄熱用流体が循環される。給湯用混合弁12では給湯用配管13を流れる湯水に市水が混合されることなく、30℃の湯水が風呂給湯配管13a、往き管40aを介して浴槽90内に設定量まで湯張りが行われる。なお、ここでも、浴槽90内への湯張りは、往き管40aからだけでなく、往き管40aおよび戻り管40bを介して行うものであってもよい。
給湯用熱交換器3の2次側通路3bの出口温度をTH1検出温度−10℃となるように循環ポンプ9を制御するということは、給湯用熱交換器3で効率が良好な熱交換を行って湯水を加熱し、熱交換により熱量を極力低減された蓄熱用流体を極力多く貯湯タンクの下部に戻すということである。これは、給湯用熱交換器3の1次側通路3aから流出する蓄熱用流体(熱媒体)の温度が、給湯用熱交換器3の2次側通路3bに流入する給水温度および給湯用熱交換器3の熱交換性能に基づいて定まる所定温度に近づくように、循環ポンプ9の作動状態を制御して蓄熱用流体の循環量を調節するということであると言える。
このように、熱量を極力低減された蓄熱用流体を極力多く貯湯タンクの下部に戻して、貯湯タンク2の上部の湯張りに直接使用できない程度の熱量を有する中温熱媒体であっても有効利用し、貯湯タンクの下部に熱量が多く残った中温熱媒体を戻さないことで、貯湯タンク2内の熱媒体を再沸き上げの際のヒートポンプユニット1の効率(COP)を向上することができる。
ステップS140では、熱交換後の湯水の加熱目標温度であるTH1検出温度−10℃が給水温度より大きいか否かを判断している。これは、すなわち、循環ポンプ9を動作させて給湯用熱交換器3で熱交換が可能であるか否かを判断していることになる。
第2湯張りモードで浴槽90内への低温湯張りを完了して循環ポンプ9を停止し風呂電磁弁43を閉じたら、追い焚き運転が行われる。追い焚き運転では、浴水循環ポンプ42を駆動し、追焚熱源器41の燃焼運転を行う。
これにより、図6に示すように、浴水循環回路40に浴水が循環され、浴槽90内から戻り管40bを介して追焚熱源器41に供給された浴水が追い焚き加熱されて、往き管40aを介して浴槽90内に還流する。例えば、30℃の浴水が追焚熱源器41で追い焚き加熱されて55℃となり浴槽90内に戻り、浴槽90内に残留していた浴水と混合され、浴槽90内の浴水温度は徐々に上昇していく。そして、浴水温度サーミスタ24の検出温度が湯張り設定温度である43℃に到達すると、追い焚き運転を終了する。
ステップS140において、TH1の検出温度が平均給水温度+10℃未満であると判断した場合には、補助熱源器4を運転して設定温度の湯張りを行う第3湯張りモードを実行する(ステップS170)。
第3湯張りモードでは、風呂電磁弁43を開き、熱源切替弁11の湯水流路を補助熱源用通路15側として補助熱源器4の燃焼運転をし、循環ポンプ9は駆動しない。また、給湯温度サーミスタ22の検出温度が湯張り設定温度となるように給湯用混合弁12の開口面積比を調節し、補助熱源器4で加熱された湯(給湯用水)に市水を混合する。
これにより、図7に示すように、給水用配管10から供給された市水は、給湯用熱交換器3で熱交換されることなく通過し、補助熱源器4の燃焼運転により加熱される。例えば、TH1の検出温度が15℃であり湯張り設定温度が43℃である場合には、給水用配管10から供給された9℃の市水が48℃となるように補助熱源器4が運転される。給湯用混合弁12では、補助熱源側通路15から給湯用配管13に流れ込んだ48℃の湯水に例えば9℃の市水が混合されて43℃の湯水となり、風呂給湯配管13a、往き管40aを介して浴槽90内に設定量まで湯張りが行われる。なお、ここでも、浴槽90内への湯張りは、往き管40aからだけでなく、往き管40aおよび戻り管40bを介して行うものであってもよい。
上述の構成および作動によれば、制御装置100は、サーミスタTH1の検出温度が、浴槽90内への湯張り設定温度に基づいて定まる第1所定温度(本例では湯張り設定温度+10℃)以上である場合には、補助熱源器4および追い焚き熱源器41の運転を禁止しつつ貯湯タンク2の最上部から導出した熱媒体で湯水を加熱して浴槽90内に設定温度の湯張りをする。
また、サーミスタTH1の検出温度が、第1所定温度(本例では湯張り設定温度+10℃)未満であり、かつ、給湯用熱交換器3への給水温度に基づいて定まる第2所定温度(本例では平均給水温度+10℃)以上である場合には、補助熱源器4の運転を禁止しつつ貯湯タンク2の最上部から導出した熱媒体で湯水を加熱して浴槽90内に湯張りし、湯張り後に追い焚き熱源器41を運転して浴槽90内の湯水を湯張り設定温度とする。
また、サーミスタTH1の検出温度が、給湯用熱交換器3への給水温度に基づいて定まる第2所定温度(本例では平均給水温度+10℃)未満である場合には、給湯用熱交換器3での熱交換を行わずに補助熱源器4を運転して給湯用水を加熱し、浴槽90内に設定温度の湯張りする。
すなわち、サーミスタTH1の検出温度から、熱交換のみで浴槽90内へ湯張り設定温度で湯張りできる第1所定温度以上の高温の熱媒体が貯湯タンク2内の最上部にある場合には、燃焼式の補助熱源器4を運転することなく貯湯タンク2から導出した熱媒体で湯水を加熱して浴槽90内に湯張りし、第1所定温度未満の中温の熱媒体しか貯湯タンク2内にない場合には、燃焼式の補助熱源器4を運転することなく貯湯タンク2の最上部から導出した熱媒体で湯水を加熱して浴槽90内に湯張り設定温度以下であっても低温湯張りし、この低温湯張り後に追い焚き熱源器41を運転して浴槽90内の湯水を湯張り設定温度まで追い焚き加熱することができる。
燃焼式の補助熱源器4を最低加熱能力で運転して湯張り設定温度を超える高温の湯水を生成してしまうと、この高温の湯水の温度を湯張り設定温度にまで低下させるために多量の水を混合する必要があり、貯湯タンク2内の中温の熱媒体の使用熱量が減少することになる。そして、一般的に給水温度は燃焼式の補助熱源器4を最低加熱能力で運転し加熱すると湯張り設定温度を超えてしまう湯水の温度よりも低い。
しかしながら、本実施形態によれば、燃焼式の補助熱源器4を最低加熱能力で運転しても湯張り設定温度を超えてしまうような場合には補助熱源器4の運転を行わず低温湯張りを行うので、湯張り設定温度を大きく超える高温の湯水を生成してしまうことがない。したがって、貯湯タンク2内に熱交換だけでは湯張り設定温度の湯水を得ることができない中温の熱媒体があっても、この中温の熱媒体を有効に利用することができる。
また、制御装置100は、給湯用熱交換器3の2次側通路3bの出口温度をTH1検出温度−10℃となるように循環ポンプ9をフィードバック制御している。このように循環ポンプ9を制御するということは、給湯用熱交換器3で効率が良好な熱交換を行って湯水を加熱し、熱交換により熱量を極力低減された蓄熱用流体を極力多く貯湯タンクの下部に戻すということであり、給湯用熱交換器3の1次側通路3aから流出する蓄熱用流体(熱媒体)の温度が、給湯用熱交換器3の2次側通路3bに流入する給水温度および給湯用熱交換器3の熱交換性能に基づいて定まる所定温度に近づくように、循環ポンプ9の作動状態を制御して蓄熱用流体の循環量を調節するということである。
したがって、給湯用熱交換器3で給湯用水と熱交換し貯湯タンク2の下部に戻る熱媒体の温度を極力低温にすることができ、中温の熱媒体を一層有効に利用することができる。本実施形態では、貯湯タンク2内の下部の熱媒体を沸き上げて貯湯タンク2内の上部に貯えるための沸き上げ手段はヒートポンプユニット1であるので、沸き上げ前の熱媒体の温度が低いほうが、運転効率(COP)が良好となる。したがって、中温の熱媒体を有効に利用して貯湯タンク2の下部に極力低温の熱媒体を戻すことにより、ヒートポンプユニット1の沸き上げ運転効率を極めて良好とすることができる。
また、上述の構成を説明する際に説明を省略していたが、図1に示すように、本実施形態の給湯装置は、上流端部が貯湯タンク2内の上部に接続され、下流端部が貯湯タンク2内の下部または中央部に接続されている床暖房回路30を備えている。この床暖房回路30の途中には放熱端末器の一例である床暖房パネル31と、回路内に貯湯タンク2内の温水を循環させるための暖房用循環ポンプ32と、回路内の温水を補助的に加熱できる補助熱源器33と、暖房用循環ポンプ32の上流側通路および下流側通路に接続され、途中に補助熱源器33が配されている補助熱源用回路34と、が設けられている。
さらに床暖房回路30は、床暖房パネル31内の温水が貯湯タンク2内に流れないで床暖房パネル31内を循環可能なように床暖房パネル31に並列に配されたバイパス通路36と、このバイパス通路36と床暖房回路30との合流部に設けられる混合弁35と、を備えている。
床暖房パネル31は、本実施形態における貯湯タンク2内の熱量を熱交換により給湯以外に用いる熱交換手段である。なお、放熱端末器である床暖房パネル31は、温水式温風暖房器や温水式パネルコンベクタ、温水式パネルラジエータ等に置き換えることもできる。また、混合弁35は、下流側の二つの通路の開度をそれぞれ0〜100%の範囲で制御可能に構成されている。
上記構成において床暖房を実施する場合には、制御装置100は、まず、暖房用循環ポンプ32を作動させ、下流の床暖房回路30側の開度が100%になるように混合弁35を制御する。そして、貯湯タンク2内上部の高温の蓄熱用流体が床暖房回路30に取り出され、床暖房パネル31内を通過して放熱することにより床面を暖房し、さらに床暖房回路30を貯湯タンク2に向かって流れ、中温流体として貯湯タンク2内下部に流入する。
また、貯湯タンク2内の貯湯熱量が十分でない場合には、制御装置100は補助熱源器33を作動させて、温水加熱量を補充することができる。また、貯湯タンク2内の貯湯熱量を使用せずに床暖房を行いたい場合には、制御装置100は、補助熱源器33を作動させるとともに、混合弁35を下流の床暖房回路30側の開度が0%で、バイパス通路36側の開度が100%になるように制御する。
上記床暖房運転を行った場合には、貯湯タンク2内の中温の熱媒体(熱交換前よりも若干温度が低い例えば35〜50℃程度の熱媒体)の増加が起こり易い。したがって、貯湯タンク2内の熱量を熱交換により給湯以外に用いる床暖房機能を備える給湯装置において、上述の湯張り運転制御を行えば、中温の熱媒体を有効利用できる効果は極めて大きい。
また、本実施形態の構成によれば、通常床暖房回路に必要とされる膨張タンクや水−水熱交換器を設けなくとも床暖房回路を構成することができるので、製品コストの低減や放熱ロスの低減を実現できる。
(第2の実施形態)
次に、第2の実施形態について図8に基づいて説明する。
本第2の実施形態は、前述の第1の実施形態と比較して、補助熱源器を運転せずに低温湯張りを行うか補助熱源器を運転して設定温度湯張りを行うかを判断する基準となる第2所定温度を、平均給水温度ではなく、湯張り設定温度および補助熱源器の最低加熱能力に基づいて設定している点が異なる。なお、第1の実施形態と同様の部分については、同一の符号をつけ、その説明を省略する。
図8に示すように、本実施形態では、制御装置100は、ステップS120において、TH1の検出温度が湯張り設定温度+10℃未満であると判断した場合には、TH1の検出温度が補助熱源器4の最低加熱能力yから決まる所定温度+10℃以上であるか否か判断する(ステップS240)。
補助熱源器4の加熱能力(単位は例えばkcal/分)は、湯張り設定温度と給湯用熱交換器3の2次側通路3b出口目標温度との温度差に2次側の流量を乗じたものとなる。したがって、燃焼式の補助熱源器4の最低加熱能力をy(単位は例えばkcal/分)とすると、補助熱源器4の加熱能力が最低となるときには、(湯張り設定温度−熱交換器2次出口目標温度)×2次流量=yとなる。すなわち、熱交換器2次出口目標温度=湯張り設定温度−y/2次流量となる。
給湯用熱交換器3の熱交換効率を一定以上とし、かつ、貯湯タンク2からの熱量持ち出しを極力多くすることで、中温熱媒体を極力残さないようにすることを目的に、本実施形態では、熱交換器2次出口目標温度=TH1−10℃とする。したがって、ステップS240では、TH1−10℃≧湯張り設定温度−y/2次流量であるか否か(TH1≧湯張り設定温度−y/2次流量+10℃であるか否か)を判断する。すなわち、ステップS240のyから決まる温度(所定温度)とは、湯張り設定温度−y/2次流量、ということになる。
ここで、ステップS240で用いた最低加熱能力yから決まる所定温度+10℃が、燃焼式の加熱手段である補助熱源器4の最低加熱能力と湯張り設定温度とに基づいて定まる第2所定温度と言うことになる。
ステップS240では、中温熱媒体の回収量を極力多くすることを目的とし、補助熱源器4を最低加熱能力で運転しても湯張り設定温度を超えないように熱交換器2次出口目標温度を下げることは行わない。そこで、2次出口目標温度を常にTH1−10℃とするため、ステップS240では、TH1−10℃の湯水が補助熱源器4に流入し最低加熱能力で加熱された際に、湯張り設定温度を超えるか否かを確認していることになる。
ステップS240において、TH1の検出温度が補助熱源器4の最低加熱能力yから決まる所定温度+10℃以上であると判断した場合には、ステップS150を実行し、その後ステップS160を実行する。
一方、ステップS240において、TH1の検出温度が補助熱源器4の最低加熱能力yから決まる所定温度+10℃未満であると判断した場合には、TH1の検出温度が平均給水温度+10℃以上であるか否か判断する(ステップS140)。TH1の検出温度が平均給水温度+10℃未満であると判断した場合には、第1の実施形態と同様に、補助熱源器4を運転して設定温度の湯張りを行う第3湯張りモードを実行する(ステップS170)。
TH1の検出温度が平均給水温度+10℃以上である場合には、まず、貯湯タンク2内の貯湯熱量を利用しつつ補助熱源器4を運転して設定温度の湯張りを行う第4湯張りモードを実行する(ステップS280)。
第4湯張りモードでは、風呂電磁弁43を開き、熱源切替弁11の湯水流路を補助熱源用通路15側として補助熱源器4の燃焼運転をし、2次側出口温度サーミスタ21の検出温度がTH1検出温度−10℃となるように循環ポンプ9をフィードバック制御して駆動する。また、給湯温度サーミスタ22の検出温度が湯張り設定温度となるように給湯用混合弁12の開口面積比を調節し、補助熱源器4で加熱された湯(給湯用水)に市水を混合する。
これにより、貯湯タンク2の最上部から導出された蓄熱用流体は、給湯用熱交換器3の1次側通路3aを通過する際に2次側通路3bを通過する市水を加熱する。給水用配管10から供給された市水は、給湯用熱交換器3で熱交換されて、補助熱源器4の燃焼運転により加熱される。例えば、TH1の検出温度が25℃であり湯張り設定温度が43℃である場合には、給水用配管10から供給された9℃の市水が15℃となるように給湯用熱交換器3で加熱され、この湯水が48℃となるように補助熱源器4が運転される。給湯用混合弁12では、補助熱源側通路15から給湯用配管13に流れ込んだ48℃の湯水に例えば9℃の市水が混合されて43℃の湯水となり、風呂給湯配管13a、往き管40aを介して浴槽90内に設定量まで湯張りが行われる。なお、ここでも、浴槽90内への湯張りは、往き管40aからだけでなく、往き管40aおよび戻り管40bを介して行うものであってもよい。
上述の構成および作動によれば、制御装置100は、サーミスタTH1の検出温度が、浴槽90内への湯張り設定温度に基づいて定まる第1所定温度(本例では湯張り設定温度+10℃)以上である場合には、補助熱源器4および追い焚き熱源器41の運転を禁止しつつ貯湯タンク2の最上部から導出した熱媒体で湯水を加熱して浴槽90内に設定温度の湯張りをする。
また、サーミスタTH1の検出温度が、第1所定温度(本例では湯張り設定温度+10℃)未満であり、かつ、補助熱源器4の最低加熱能力yおよび湯張り設定温度に基づいて定まる第2所定温度(本例では前述のyから決まる所定温度+10℃)以上である場合に、補助熱源器4の運転を禁止しつつ貯湯タンク2の最上部から導出した熱媒体で湯水を加熱して浴槽90内に湯張りし、湯張り後に追い焚き熱源器41を運転して浴槽90内の湯水を湯張り設定温度とする。
また、サーミスタTH1の検出温度が、補助熱源器4の最低加熱能力yおよび湯張り設定温度に基づいて定まる第2所定温度未満であり、かつ、給湯用熱交換器3への給水温度に基づいて定まる所定温度(本例では平均給水温度+10℃)以上である場合に、補助熱源器4を運転しつつ貯湯タンク2の最上部から導出した熱媒体で湯水を加熱して浴槽90内に設定温度の湯張りを行う。
また、サーミスタTH1の検出温度が、給湯用熱交換器3への給水温度に基づいて定まる所定温度(本例では平均給水温度+10℃)未満である場合には、給湯用熱交換器3での熱交換を行わずに補助熱源器4を運転して給湯用水を加熱し、浴槽90内に設定温度の湯張りをする。
すなわち、サーミスタTH1の検出温度から、熱交換のみで浴槽90内へ湯張り設定温度で湯張りできる第1所定温度以上の高温の熱媒体が貯湯タンク2内の最上部にある場合には、燃焼式の補助熱源器4を運転することなく貯湯タンク2から導出した熱媒体で湯水を加熱して浴槽90内に湯張りし、第1所定温度未満の中温の熱媒体しか貯湯タンク2内にない場合には、燃焼式の補助熱源器4を運転することなく貯湯タンク2の最上部から導出した熱媒体で湯水を加熱して浴槽90内に湯張り設定温度以下であっても低温湯張りし、この低温湯張り後に追い焚き熱源器41を運転して浴槽90内の湯水を湯張り設定温度まで追い焚き加熱することができる。
燃焼式の補助熱源器4を最低加熱能力で運転して湯張り設定温度を超える高温の湯水を生成してしまうと、この高温の湯水の温度を湯張り設定温度にまで低下させるために多量の水を混合する必要があり、貯湯タンク2内の中温の熱媒体の使用熱量が減少することになる。
しかしながら、本実施形態によれば、TH1の検出温度が、第1所定温度未満であり、かつ、燃焼式の補助熱源器4の最低加熱能力と湯張り設定温度とに基づいて定まる第2所定温度以上である場合、すなわち、燃焼式の補助熱源器4を最低加熱能力で運転しても湯張り設定温度を超えてしまうような場合には、補助熱源器4の運転を行わず低温湯張りを行うので、湯張り設定温度を大きく超える高温の湯水を生成してしまうことがない。したがって、貯湯タンク2内に熱交換だけでは湯張り設定温度の湯水を得ることができない中温の熱媒体があっても、この中温の熱媒体を有効に利用することができる。
また、TH1の検出温度が第2所定温度未満であっても、貯湯タンク2内に熱量を利用できる中温の熱媒体がある場合には第4湯張りモードを実行し、給湯用熱交換器3で中温の熱媒体の熱量を有効利用しつつ補助熱源器4を運転して、浴槽90内に湯張り設定温度の湯張りを行うことができる。
本実施形態では、貯湯タンク2内の下部の熱媒体を沸き上げて貯湯タンク2内の上部に貯えるための沸き上げ手段はヒートポンプユニット1であるので、沸き上げ前の熱媒体の温度が低いほうが、運転効率(COP)が良好となる。したがって、中温の熱媒体を有効に利用して貯湯タンク2の下部に極力低温の熱媒体を戻すことにより、ヒートポンプユニット1の沸き上げ運転効率を極めて良好とすることができる。
(第3の実施形態)
次に、第3の実施形態について図9に基づいて説明する。
本第3の実施形態は、前述の第2の実施形態と比較して、設定温度湯張りのモードと低温湯張りのモードとの切り替えを、貯湯タンク内の最上部の熱媒体の温度に加えて、貯湯タンク内の熱量も考慮して判断する点が異なる。なお、第1および第2の実施形態と同様の部分については、同一の符号をつけ、その説明を省略する。
図8に示すように、本実施形態では、制御装置100は、湯張り運転制御を行う際には、まず、貯湯サーミスタ17のうち最上部のサーミスタTH1が検出した温度が湯張り設定温度+10℃以上であり、かつ、貯湯サーミスタ17(TH1〜TH5)の検出値から算出した貯湯タンク2内の熱媒体の熱量が浴槽90内への湯張りに必要な熱量以上であるか否か判断する(ステップS320)。
そして、サーミスタTH1が検出した温度が湯張り設定温度+10℃以上であり、かつ、貯湯サーミスタ17(TH1〜TH5)の検出値から算出した貯湯タンク2内の熱媒体の熱量が湯張りに必要な熱量以上である(ステップS320でYES)と判断した場合には、ステップS130を実行し、サーミスタTH1が検出した温度が湯張り設定温度+10℃未満、もしくは、貯湯サーミスタ17(TH1〜TH5)の検出値から算出した貯湯タンク2内の熱媒体の熱量が湯張りに必要な熱量未満である(ステップS320でNO)と判断した場合には、ステップS240へ進む。
ここで、貯湯サーミスタ17のうち最上部に設けられたTH1は、タンク内の最上部の熱媒体の温度を検出する温度検出手段に相当し、TH1〜TH5からなる複数の貯湯サーミスタ17は、貯湯タンク2内に蓄えられた熱媒体の熱量を検出する熱量検出手段であると言える。
なお、本実施形態では、ステップS150において、2次側出口温度サーミスタ21の検出温度がTH1検出温度−10℃となるように循環ポンプ9をフィードバック制御して駆動する際に、2次側出口温度サーミスタ21の検出温度が湯張り設定温度+5℃を超えないように制御する。すなわち、制御目標温度の最大値を湯張り設定温度+5℃とする。これは、TH1の検出温度が高温であっても湯張り熱量不足時に目標温度が高温になりすぎることを防止するためである。
上述の制御によれば、制御装置100は、貯湯タンク2内に蓄えられた熱媒体の熱量が、燃焼式の補助熱源器4および追い焚き熱源器41を運転しなくても浴槽90内に湯張り設定温度の湯水を設定湯量湯張り可能な熱量以上であるか否か判断して、TH1の検出温度が第1所定温度以上であり、かつ、貯湯タンク2内の熱媒体の熱量が湯張り可能な熱量以上である場合には、補助熱源器4および追い焚き熱源器41の運転を禁止しつつ貯湯タンク2から導出した熱媒体で湯水を加熱して浴槽90内に設定温度の湯張りをする。
そして、TH1の検出温度が第1所定温度未満、もしくは、貯湯タンク2内の熱媒体の熱量が湯張り可能な熱量未満である場合には、補助熱源器4の運転を禁止しつつ貯湯タンク2の最上部から導出した熱媒体で湯水を加熱して浴槽90内に低温で湯張りをし、湯張り後に追い焚き熱源器41を運転して浴槽90内の湯水を湯張り設定温度に昇温することができる。
これによると、貯湯タンク2内の最上部の熱媒体の温度が燃焼式の補助熱源器4を運転しなくても湯張り設定温度の湯水が得られる場合であっても、貯湯タンク2内の熱媒体の熱量が設定温度の湯張りを完了するために必要な熱量に不足する場合(設定温度で設定湯量の湯張りができない場合)には、補助熱源器4を運転することなく給湯用熱交換器3において貯湯タンク2の最上部から導出した熱媒体で湯水を加熱して浴槽90内に湯張りし、湯張り後に追い焚き熱源器41で浴槽90内の湯水を湯張り設定温度まで追い焚き加熱することができる。したがって、確実に貯湯タンク2内の中温の熱媒体を有効に利用することができる。
本実施形態では、貯湯タンク2内の下部の熱媒体を沸き上げて貯湯タンク2内の上部に貯えるための沸き上げ手段はヒートポンプユニット1であるので、沸き上げ前の熱媒体の温度が低いほうが、運転効率(COP)が良好となる。したがって、中温の熱媒体を有効に利用して貯湯タンク2の下部に極力低温の熱媒体を戻すことにより、ヒートポンプユニット1の沸き上げ運転効率を極めて良好とすることができる。
(第4の実施形態)
次に、第4の実施形態について図10〜図16に基づいて説明する。
本第4の実施形態は、本発明を、貯湯タンク内に給湯用の湯水を貯湯する給湯装置、すなわち、直接出湯タイプの給湯装置に適用した例である。なお、第1の実施形態と同様の部分については、同一の符号をつけ、その説明を省略する。
図10に示すように、本実施形態では、給湯装置は、高温高圧の冷媒と熱交換させて温水を沸き上げる加熱手段であるヒートポンプユニット1(ヒートポンプ装置)と、このヒートポンプユニット1によって加熱された温水を給湯用水として貯える貯湯タンク2(タンクに相当)と、この貯湯タンク2内下部の低温水が流出してヒートポンプユニット1で加熱されて貯湯タンク2内の上部に戻るように設けられた蓄熱用循環回路6と、貯湯タンク2から出湯される給湯用水をさらに加熱することができる補助熱源器4(加熱手段に相当)と、本給湯装置の作動を制御する制御装置100と、を備えている。
給水用配管10は、貯湯タンク2の最下部に設けられた導入口に接続されており、貯湯タンク2内の下部に市水(水道水)を供給できるようになっている。
また、給湯用配管13は、上流側部が上部導出配管51と中間部導出配管52との2経路で構成されて、給湯用混合弁12よりも上流側で合流している。上部導出配管51は、上流端が貯湯タンク2の最上部(上部)に接続しており、貯湯タンク2内の上部に蓄えられた高温の湯水を出湯できるようになっている。一方、中間部導出管52は、上流端が貯湯タンク2の中間部に接続しており、貯湯タンク2内の中間部に蓄えられた中温の湯水を出湯できるようになっている。なお、中間部導出管52は、貯湯タンク2のサーミスタTH3配設位置と同一高さに接続している。
上部導出管51と中間部導出管52との合流点には、上部導出管51を介して出湯された高温の湯水に、中間部導出管52を介して出湯された中温の湯水を混合するための中温水混合弁53が設けられ、上部導出管51側と中間部導出管52側の開口面積比を調節することにより、給湯用混合弁12に流入する湯温を調節するようになっている。そして、給湯用配管13の中温水混合弁53の下流側には、給湯用混合弁12に流入する湯温を検出する中温水混合温度サーミスタ54が配設されている。
本実施形態では、中間部導出管52に燃焼式の加熱手段である補助熱源器4が設けられている。
制御手段である制御装置100は、図示しないリモートコントローラや各サーミスタ17、20、22、24、25、54等からの入力情報に基づいて、ヒートポンプユニット1、補助熱源器4、給湯用混合弁12、追焚熱源器41、浴水循環ポンプ42、風呂電磁弁43、中温水混合弁53等を制御する信号を出力するようになっている。
次に、上記構成における給湯装置の作動について説明する。まず、給湯装置の沸き上げ制御を説明する。ユーザーによってリモートコントローラの給湯スイッチがONされている場合には、制御装置100は主に電力料金の安価な深夜時間帯(例えば、当日の23時から翌日の7時までの時間帯)にヒートポンプユニット1を運転し、貯湯タンク2内の給湯用水を加熱し、必要な熱量(給湯用水)を蓄える。
次に、浴槽90内に湯水を湯張りする場合の制御について、図11にしたがって説明する。図11は、制御装置100が行う湯張り運転制御の概略制御動作を示すフローチャートである。
図11に示すように、制御装置100は、まず、貯湯サーミスタ17のうち最上部(上部)のサーミスタTH1が検出した温度が湯張り設定温度+5℃以上であるか否か判断する(ステップS420)。ここで、湯張り設定温度+5℃が、湯張り設定温度に基づいて定まる第1所定温度に相当する。TH1の検出温度が湯張り設定温度+5℃以上である場合には、貯湯タンク2内の貯湯熱量のみで設定温度の湯張りを行う第1湯張りモードを実行する(ステップS430)。
第1湯張りモードでは、風呂電磁弁43を開き、補助熱源器4を運転せずに、中温水混合サーミスタ54の検出温度が湯張り設定温度+5℃となるように中温水混合弁53をフィードバック制御し開口面積比を調節する。また、給湯温度サーミスタ22の検出温度が湯張り設定温度となるように給湯用混合弁12の開口面積比を調節し、貯湯タンク2から出湯された湯(給湯用水)と市水とを混合する。
これにより、図12に示すように、貯湯タンク2の最上部から出湯された湯水と中間部から出湯された湯水とが中温水混合弁53で混合される。例えば、TH1の検出温度が80℃、TH3の検出温度が35℃であり、湯張り設定温度が43℃である場合には、混合後の湯水の温度が48℃となるように中温水混合弁53が調節される。
給湯用混合弁12では、給湯用配管13を流れる48℃の湯水に例えば9℃の市水が混合されて43℃の湯水となり、風呂給湯配管13a、往き管40aを介して浴槽90内に設定量まで湯張りが行われる。なお、浴槽90内への湯張りは、往き管40aからだけでなく、往き管40aに加え停止中の浴水循環ポンプ42を介して戻り管40bからも行うものであってもよい。
図12では、流体が流通する経路を実線で、流通しない経路を破線で示している。以下、図13〜図16においても同様である。
第1湯張りモードでは、貯湯タンク2内に貯湯された湯水を加熱することなく設定温度の湯張りが行われるが、貯湯タンク2内の中間部に出湯できる湯水がある場合には、中間部からの出湯が優先される。これは、中温水混合弁53を中温水混合サーミスタ54の検出温度でフィードバック制御することで実現される。例えば、TH1の検出温度が80℃、TH3の検出温度が50℃であり、湯張り設定温度が43℃である場合には、混合後の湯水の温度が48℃となるように中温水混合弁53が調節されると、図13に示すように、中温水混合弁53は中間部導出管52側の開度が100%となり、貯湯タンク2内の中間部のみから出湯が行われる。
ステップS420において、TH1の検出温度が湯張り設定温度+5℃未満であると判断した場合には、TH1の検出温度が平均給水温度+5℃以上であるか否かを判断する(ステップS440)。ここで、平均給水温度+5℃が、給湯用熱交換器への給水温度に基づいて定まる第2所定温度に相当する。なお、平均給水温度とは、過去の所定期間に給水温度サーミスタ20が検出した温度の平均値である。
TH1の検出温度が平均給水温度+5℃以上である場合には、まず、貯湯タンク2内の貯湯水のみで設定温度よりも低い低温の湯張りを行う第2湯張りモードを実行し(ステップS450)、次に、追焚熱源器41による追い焚き運転を行う(ステップS160)。
第2湯張りモードでは、風呂電磁弁43を開き、補助熱源器4を運転せずに、中温水混合サーミスタ54の検出温度が湯張り設定温度+5℃となるように中温水混合弁53をフィードバック制御し開口面積比を調節する。このとき、TH1の検出温度は湯張り設定温度+5℃未満であるので、フィードバック制御により中温水混合弁53は上部導出管51側を100%開度とする。
また、また、給湯温度サーミスタ22の検出温度が湯張り設定温度となるように給湯用混合弁12の開口面積比を調節する。貯湯タンク2から出湯される湯温が湯張り設定温度以下である場合には、このフィードバック制御により、給湯用混合弁12は給湯用配管13側を100%開度として、出湯された湯水(給湯用水)に市水を混合しない。
これにより、図14に示すように、貯湯タンク2の最上部から出湯された湯水が浴槽90内に湯張りされる。例えば、TH1の検出温度が35℃、TH3の検出温度が9℃であり、湯張り設定温度が43℃である場合には、混合後の湯水の温度が48℃となるように中温水混合弁53が調節されて上部導出管51側を100%開度とし、35℃の湯水が出湯される。
給湯用混合弁12では給湯用配管13を流れる湯水に市水が混合されることなく、35℃の湯水が風呂給湯配管13a、往き管40aを介して浴槽90内に設定量まで湯張りが行われる。なお、ここでも、浴槽90内への湯張りは、往き管40aからだけでなく、往き管40aおよび戻り管40bを介して行うものであってもよい。
第2湯張りモードで浴槽90内への低温湯張りを完了して風呂電磁弁43を閉じたら、追い焚き運転が行われる。追い焚き運転では、浴水循環ポンプ42を駆動し、追焚熱源器41の燃焼運転を行う。
これにより、図15に示すように、浴水循環回路40に浴水が循環され、浴槽90内から戻り管40bを介して追焚熱源器41に供給された浴水が追い焚き加熱されて、往き管40aを介して浴槽90内に還流する。例えば、35℃の浴水が追焚熱源器41で追い焚き加熱されて60℃となり浴槽90内に戻り、浴槽90内に残留していた浴水と混合され、浴槽90内の浴水温度は徐々に上昇していく。そして、浴水温度サーミスタ24の検出温度が湯張り設定温度である43℃に到達すると、追い焚き運転を終了する。
ステップS440において、TH1の検出温度が平均給水温度+5℃未満であると判断した場合には、補助熱源器4を運転して設定温度の湯張りを行う第3湯張りモードを実行する(ステップS470)。
第3湯張りモードでは、風呂電磁弁43を開き、中温水混合弁53を中間部導出管52側100%開度として補助熱源器4の燃焼運転をする。また、給湯温度サーミスタ22の検出温度が湯張り設定温度となるように給湯用混合弁12の開口面積比を調節し、補助熱源器4で加熱された湯(給湯用水)に市水を混合する。
これにより、図16に示すように、中間部導出管52から出湯された湯水は、補助熱源器4の燃焼運転により加熱される。例えば、TH1の検出温度およびTH3の検出温度がいずれも9℃(貯湯タンク2内の水が全て9℃)であり湯張り設定温度が43℃である場合には、貯湯タンク2内の中間部から供給された9℃の水が48℃となるように補助熱源器4が運転される。給湯用混合弁12では、補助熱源器4で加熱された48℃の湯水に例えば9℃の市水が混合されて43℃の湯水となり、風呂給湯配管13a、往き管40aを介して浴槽90内に設定量まで湯張りが行われる。なお、ここでも、浴槽90内への湯張りは、往き管40aからだけでなく、往き管40aおよび戻り管40bを介して行うものであってもよい。
上述の構成および作動によれば、制御装置100は、サーミスタTH1の検出温度が、浴槽90内への湯張り設定温度に基づいて定まる第1所定温度(本例では湯張り設定温度+5℃)以上である場合には、補助熱源器4および追い焚き熱源器41の運転を禁止しつつ貯湯タンク2から出湯した湯水を設定温度として浴槽90内に湯張りをする。
また、サーミスタTH1の検出温度が、第1所定温度(本例では湯張り設定温度+5℃)未満であり、かつ、貯湯タンク2への給水温度に基づいて定まる第2所定温度(本例では平均給水温度+5℃)以上である場合には、補助熱源器4の運転を禁止しつつ貯湯タンク2の最上部から出湯した湯水を浴槽90内に湯張りし、湯張り後に追い焚き熱源器41を運転して浴槽90内の湯水を湯張り設定温度とする。
また、サーミスタTH1の検出温度が、貯湯タンク2への給水温度に基づいて定まる第2所定温度(本例では平均給水温度+5℃)未満である場合には、補助熱源器4を運転して貯湯タンク2中間部から出湯した湯水を加熱し、浴槽90内に設定温度の湯張りする。
すなわち、サーミスタTH1の検出温度から、補助熱源器4で加熱しなくても浴槽90内へ湯張り設定温度で湯張りできる第1所定温度以上の高温の湯水が貯湯タンク2内の最上部にある場合には、補助熱源器4を運転することなく貯湯タンク2から出湯した湯水を浴槽90内に湯張りし、第1所定温度未満の中温の湯水しか貯湯タンク2内にない場合には、燃焼式の補助熱源器4を運転することなく貯湯タンク2の最上部から導出した湯水を浴槽90内に湯張り設定温度以下であっても低温湯張りし、この低温湯張り後に追い焚き熱源器41を運転して浴槽90内の湯水を湯張り設定温度まで追い焚き加熱することができる。
燃焼式の補助熱源器4を最低加熱能力で運転して湯張り設定温度を超える高温の湯水を生成してしまうと、この高温の湯水の温度を湯張り設定温度にまで低下させるために多量の水を混合する必要があり、貯湯タンク2内の中温の湯水の使用量が減少することになる。そして、一般的に給水温度は燃焼式の補助熱源器4を最低加熱能力で運転し加熱すると湯張り設定温度を超えてしまう湯水の温度よりも低い。
しかしながら、本実施形態によれば、燃焼式の補助熱源器4を最低加熱能力で運転しても湯張り設定温度を超えてしまうような場合には補助熱源器4の運転を行わず低温湯張りを行うので、湯張り設定温度を大きく超える高温の湯水を生成してしまうことがない。したがって、貯湯タンク2内に補助加熱なしでは湯張り設定温度の湯水を得ることができない中温の湯水があっても、この中温の湯水を有効に利用することができる。
本実施形態では、貯湯タンク2内の下部の湯水を沸き上げて貯湯タンク2内の上部に貯えるための沸き上げ手段はヒートポンプユニット1であるので、沸き上げ前の湯水の温度が低いほうが、運転効率(COP)が良好となる。したがって、貯湯タンク2内の中温の湯水を有効に利用することにより、ヒートポンプユニット1の沸き上げ運転効率を極めて良好とすることができる。
(第5の実施形態)
次に、第5の実施形態について図17に基づいて説明する。
本第5の実施形態は、前述の第4の実施形態と比較して、補助熱源器を運転せずに低温湯張りを行うか補助熱源器を運転して設定温度湯張りを行うかを判断する基準となる第2所定温度を、平均給水温度ではなく、湯張り設定温度および補助熱源器の最低加熱能力に基づいて設定している点が異なる。なお、第1および第4の実施形態と同様の部分については、同一の符号をつけ、その説明を省略する。
図17に示すように、本実施形態では、制御装置100は、ステップS420において、TH1の検出温度が湯張り設定温度+5℃未満であると判断した場合には、TH3の検出温度が補助熱源器4の最低加熱能力yから決まる所定温度以上であるか否か判断する(ステップS540)。
補助熱源器4の加熱能力(単位は例えばkcal/分)は、湯張り設定温度と補助熱源器4入口温度との温度差に補助熱源器4通過流量を乗じたものとなる。したがって、燃焼式の補助熱源器4の最低加熱能力をy(単位は例えばkcal/分)とすると、補助熱源器4の加熱能力が最低となるときには、(湯張り設定温度−補助熱源入口温度)×補助熱源流量=yとなる。すなわち、補助熱源入口温度=湯張り設定温度−y/補助熱源流量となる。
なお、ここで、補助熱源流量の値は、定数値を設定することができる。これは、浴槽への給湯時の流量は、他のカラン等の端末からの出湯とは異なり流量は通常ほとんど変動しない。したがって、浴槽への給湯開始直後の最大流量等から定数値として設定することができる。なお、補助熱源流量は、補助熱源器を通過する流量を検出する専用の流量計を設けて流量を検出したり、給湯用混合弁12下流側に設けた図示していない給湯流量を検出する流量計の検出値から求めるものであってもよい。
補助熱源入口温度は、貯湯タンク2のTH3検出温度で代用できるので、本実施形態では、ステップS540において、TH3≧湯張り設定温度−y/補助熱源流量であるか否かを判断する。すなわち、ステップS540のyから決まる温度(所定温度)とは、湯張り設定温度−y/補助熱源流量、ということになる。
ここで、ステップS540で用いた最低加熱能力yから決まる所定温度が、燃焼式の加熱手段である補助熱源器4の最低加熱能力と湯張り設定温度とに基づいて定まる第2所定温度と言うことになる。
ステップS540では、TH3検出温度の湯水が補助熱源器4に流入し最低加熱能力で加熱された際に、湯張り設定温度を超えるか否かを確認していることになる。
ステップS540において、TH3の検出温度が補助熱源器4の最低加熱能力yから決まる所定温度以上であると判断した場合には、ステップS450を実行し、その後ステップS160を実行する。
一方、ステップS540において、TH3の検出温度が補助熱源器4の最低加熱能力yから決まる所定温度未満であると判断した場合には、第4の実施形態と同様に、補助熱源器4を運転して設定温度の湯張りを行う第3湯張りモードを実行する(ステップS470)。
上述の構成および作動によれば、制御装置100は、サーミスタTH1の検出温度が、浴槽90内への湯張り設定温度に基づいて定まる第1所定温度(本例では湯張り設定温度+5℃)以上である場合には、補助熱源器4および追い焚き熱源器41の運転を禁止しつつ貯湯タンク2から出湯した湯水を設定温度として浴槽90内に湯張りをする。
また、サーミスタTH1の検出温度が第1所定温度(本例では湯張り設定温度+5℃)未満であり、かつ、サーミスタTH3の検出温度が補助熱源器4の最低加熱能力yおよび湯張り設定温度に基づいて定まる第2所定温度(本例では前述のyから決まる所定温度)以上である場合には、補助熱源器4の運転を禁止しつつ貯湯タンク2の最上部から出湯した湯水を浴槽90内に湯張りし、湯張り後に追い焚き熱源器41を運転して浴槽90内の湯水を湯張り設定温度とする。
また、サーミスタTH3の検出温度が、補助熱源器4の最低加熱能力yおよび湯張り設定温度に基づいて定まる第2所定温度(本例では前述のyから決まる所定温度)未満である場合には、補助熱源器4を運転して貯湯タンク2中間部から出湯した湯水を加熱し、浴槽90内に設定温度の湯張りする。
すなわち、サーミスタTH1の検出温度から、補助熱源器4で加熱しなくても浴槽90内へ湯張り設定温度で湯張りできる第1所定温度以上の高温の湯水が貯湯タンク2内の最上部にある場合には、補助熱源器4を運転することなく貯湯タンク2から出湯した湯水を浴槽90内に湯張りし、第1所定温度未満の中温の湯水しか貯湯タンク2内にない場合には、燃焼式の補助熱源器4を運転することなく貯湯タンク2の最上部から導出した湯水を浴槽90内に湯張り設定温度以下であっても低温湯張りし、この低温湯張り後に追い焚き熱源器41を運転して浴槽90内の湯水を湯張り設定温度まで追い焚き加熱することができる。
燃焼式の補助熱源器4を最低加熱能力で運転して湯張り設定温度を超える高温の湯水を生成してしまうと、この高温の湯水の温度を湯張り設定温度にまで低下させるために多量の水を混合する必要があり、貯湯タンク2内の中温の湯水の使用量が減少することになる。
しかしながら、本実施形態によれば、燃焼式の補助熱源器4を最低加熱能力で運転しても湯張り設定温度を超えてしまうような場合には補助熱源器4の運転を行わず低温湯張りを行うので、湯張り設定温度を大きく超える高温の湯水を生成してしまうことがない。したがって、貯湯タンク2内に補助加熱なしでは湯張り設定温度の湯水を得ることができない中温の湯水があっても、この中温の湯水を有効に利用することができる。
本実施形態では、貯湯タンク2内の下部の湯水を沸き上げて貯湯タンク2内の上部に貯えるための沸き上げ手段はヒートポンプユニット1であるので、沸き上げ前の湯水の温度が低いほうが、運転効率(COP)が良好となる。したがって、貯湯タンク2内の中温の湯水を有効に利用することにより、ヒートポンプユニット1の沸き上げ運転効率を極めて良好とすることができる。
(第6の実施形態)
次に、第6の実施形態について図18に基づいて説明する。
本第6の実施形態は、前述の第5の実施形態と比較して、設定温度湯張りのモードと低温湯張りのモードとの切り替えを、貯湯タンク内の最上部の湯水の温度に加えて、貯湯タンク内の熱量も考慮して判断する点が異なる。なお、第1、第4および第5の実施形態と同様の部分については、同一の符号をつけ、その説明を省略する。
図18に示すように、本実施形態では、制御装置100は、ステップS420において、貯湯サーミスタ17のうち最上部のサーミスタTH1が検出した温度が湯張り設定温度+5℃以上であると判断した場合には、貯湯サーミスタ17(TH1〜TH5)の検出値から算出した貯湯タンク2内の給湯用水の熱量が浴槽90内への湯張りに必要な熱量以上であるか否か判断する(ステップS425)。
そして、貯湯サーミスタ17(TH1〜TH5)の検出値から算出した貯湯タンク2内の湯水の熱量が湯張りに必要な熱量以上であると判断した場合には、ステップS430を実行し、貯湯サーミスタ17(TH1〜TH5)の検出値から算出した貯湯タンク2内の湯水の熱量が湯張りに必要な熱量未満であると判断した場合には、ステップS450へ進む。
ここで、貯湯サーミスタ17のうち最上部に設けられたTH1は、タンク内の最上部の湯水の温度を検出する温度検出手段に相当し、TH1〜TH5からなる複数の貯湯サーミスタ17は、貯湯タンク2内に蓄えられた湯水の熱量を検出する熱量検出手段であると言える。
上述の制御によれば、制御装置100は、貯湯タンク2内に蓄えられた給湯用水の熱量が、燃焼式の補助熱源器4および追い焚き熱源器41を運転しなくても浴槽90内に湯張り設定温度の湯水を設定湯量湯張り可能な熱量以上であるか否か判断して、TH1の検出温度が第1所定温度以上であり、かつ、貯湯タンク2内の給湯用水の熱量が湯張り可能な熱量以上である場合には、補助熱源器4および追い焚き熱源器41の運転を禁止しつつ貯湯タンク2から出湯した湯水を設定温度として浴槽90内に湯張りする。
そして、TH1の検出温度が第1所定温度未満、もしくは、貯湯タンク2内の給湯用水の熱量が湯張り可能な熱量未満である場合には、補助熱源器4の運転を禁止しつつ貯湯タンク2の最上部から出湯した給湯用水を加熱して浴槽90内に低温で湯張りをし、湯張り後に追い焚き熱源器41を運転して浴槽90内の湯水を湯張り設定温度に昇温することができる。
これによると、貯湯タンク2内の最上部の湯水の温度が燃焼式の補助熱源器4を運転しなくても湯張り設定温度の湯張りができる場合であっても、貯湯タンク2内の湯水の熱量が設定温度の湯張りを完了するために必要な熱量に不足する場合(設定温度で設定湯量の湯張りができない場合)には、補助熱源器4を運転することなく給湯用熱交換器3において貯湯タンク2の最上部から出湯した湯水を浴槽90内に湯張りし、湯張り後に追い焚き熱源器41で浴槽90内の湯水を湯張り設定温度まで追い焚き加熱することができる。したがって、確実に貯湯タンク2内の中温の湯水を有効に利用することができる。
本実施形態では、貯湯タンク2内の下部の湯水を沸き上げて貯湯タンク2内の上部に貯えるための沸き上げ手段はヒートポンプユニット1であるので、沸き上げ前の湯水の温度が低いほうが、運転効率(COP)が良好となる。したがって、貯湯タンク2内の中温の湯水を有効に利用することにより、ヒートポンプユニット1の沸き上げ運転効率を極めて良好とすることができる。
(他の実施形態)
上記第6の実施形態では、ステップS540において、TH3の検出温度が補助熱源器4の最低加熱能力yと湯張り設定温度とに基づいて定まる第2所定温度以上であるか否かを判定していたが、ここで用いる判定条件は、第4の実施形態のステップS440と同様に、TH1の検出温度が給水温度に基づいて定まる第2所定温度以上(例えば、TH1の検出温度が平均給水温度+5℃以上)であるか否かを判定するものであってもよい。
また、上記第5および第6の実施形態のステップS540を、上記2つの条件のいずれかを満たすか否か、すなわち、TH1の検出温度が給水温度に基づいて定まる所定温度以上であるか、もしくは、TH3の検出温度が補助熱源器4の最低加熱能力yと湯張り設定温度とに基づいて定まる第2所定温度以上であるか、を判定するものであってもよい。
また、上記各実施形態では、補助熱源器4を給湯経路に設けていたが、燃焼式の加熱手段の配設位置はこれに限定されるものではない。例えば、図19〜図22に示すように、加熱手段である補助熱源器4Aを、貯湯タンク2内の熱媒体や湯水を沸き上げる際に循環する蓄熱用循環回路6に設けるものであってもよい。また、図から明らかなように、この補助熱源器4は、ヒートポンプユニット1に対して直列に配設されるものであってもよいし、並列に配設されるものであってもよい。
また、上記第4〜第6の実施形態では、貯湯タンク2の上部および中間部から出湯可能な直接出湯タイプの給湯装置において、中間部からの出湯経路に補助熱源器4を設けていたが、上部からの出湯経路と中間部からの出湯経路との合流点より下流側に設けるものであってもよい。また、貯湯タンクの上部のみから出湯可能な直接出湯タイプの給湯装置であってもかまわない。
また、上記各実施形態では、判定に用いる温度や制御目標温度に、+10℃、+5℃等のマージンを設定していたが、この値に限定されるものではなく、給湯装置の各種特性に応じて他の値を設定するものであってもよい。
また、上記各実施形態では、ステップS150もしくはS450で低温湯張りを行った後にステップS160で追い焚き運転を行い、ステップS130、S170、S280、S430、S470を実行した後には追い焚き運転を行わないものであったが、ステップS130、S170、S280、S430、S470を実行して所定量の湯張りを行った後に、浴槽90からの放熱等により浴水温度が設定温度より若干低下した場合等には、浴水温微調整のために追い焚き運転を行うものであってもよい。
また、上記各実施形態では、貯湯タンク2内の熱媒体もしくは給湯用水を沸き上げ加熱する手段はヒートポンプユニットであったが、沸き上げ手段はこれに限定されるものではない。また、貯湯タンク2に設ける貯湯サーミスタ17の数も5つに限定されるものではない。
本発明を適用した第1の実施形態における給湯装置の概略構成を示した模式図である。 第1の実施形態の給湯装置に係る制御構成を示したブロック図である。 第1の実施形態の制御装置100が行う湯張り運転制御の概略制御動作を示すフローチャートである。 第1の実施形態の給湯装置の作動状態の一例を示す模式図である。 第1の実施形態の給湯装置の作動状態の一例を示す模式図である。 第1の実施形態の給湯装置の作動状態の一例を示す模式図である。 第1の実施形態の給湯装置の作動状態の一例を示す模式図である。 第2の実施形態の湯張り運転制御の概略制御動作を示すフローチャートである。 第3の実施形態の湯張り運転制御の概略制御動作を示すフローチャートである。 第4の実施形態における給湯装置の概略構成を示した模式図である。 第4の実施形態の湯張り運転制御の概略制御動作を示すフローチャートである。 第4の実施形態の給湯装置の作動状態の一例を示す模式図である。 第4の実施形態の給湯装置の作動状態の一例を示す模式図である。 第4の実施形態の給湯装置の作動状態の一例を示す模式図である。 第4の実施形態の給湯装置の作動状態の一例を示す模式図である。 第4の実施形態の給湯装置の作動状態の一例を示す模式図である。 第5の実施形態の湯張り運転制御の概略制御動作を示すフローチャートである。 第6の実施形態の湯張り運転制御の概略制御動作を示すフローチャートである。 他の実施形態における給湯装置の概略構成を示した模式図である。 他の実施形態における給湯装置の概略構成を示した模式図である。 他の実施形態における給湯装置の概略構成を示した模式図である。 他の実施形態における給湯装置の概略構成を示した模式図である。
符号の説明
1 ヒートポンプユニット(ヒートポンプ装置、沸き上げ手段)
2 貯湯タンク(タンク)
3 給湯用熱交換器
3a 1次側通路
3b 2次側通路
4、4A 補助熱源器(加熱手段)
8 1次側循環通路(循環回路)
9 循環ポンプ(循環手段)
17 貯湯サーミスタ(熱量検出手段)
41 追い焚き熱源器(追い焚き手段)
90 浴槽
100 制御装置(制御手段)
TH1 貯湯サーミスタ(温度検出手段)

Claims (11)

  1. 熱媒体を内部に貯えるタンク(2)と、
    前記タンク(2)内の上部の熱媒体の温度を検出する温度検出手段(TH1)と、
    浴槽(90)内に湯張りするための湯水を前記タンク(2)内からの熱媒体との熱交換で加熱する給湯用熱交換器(3)と、
    前記タンク(2)内に貯える熱媒体もしくは前記給湯用熱交換器(3)から流出する湯水のいずれかを加熱する燃焼式の加熱手段(4)と、
    前記浴槽(90)内に湯張りした後の湯水を追い焚き加熱する追い焚き手段(41)と、
    前記浴槽(90)内に湯張りを行う際に、前記温度検出手段(TH1)の検出温度に基づいて、前記加熱手段(4)および前記追い焚き手段(41)の運転を制御する制御手段(100)と、を備え、
    前記制御手段(100)は、
    前記温度検出手段(TH1)の検出温度が、前記浴槽(90)内への湯張り設定温度に基づいて定まる第1所定温度以上である場合には、前記加熱手段(4)および前記追い焚き手段(41)の運転を禁止しつつ前記タンク(2)から導出した熱媒体で湯水を加熱して前記浴槽(90)内に湯張りし、
    前記温度検出手段(TH1)の検出温度が、前記第1所定温度未満である場合には、前記加熱手段(4)の運転を禁止しつつ前記タンク(2)の上部から導出した熱媒体で湯水を加熱して前記浴槽(90)内に湯張りし、湯張り後に前記追い焚き手段(41)を運転して前記浴槽(90)内の湯水を前記湯張り設定温度とすることを特徴とする給湯装置。
  2. 前記制御手段(100)は、前記温度検出手段(TH1)の検出温度が、前記第1所定温度未満であり、かつ、前記加熱手段(4)の最低加熱能力と前記湯張り設定温度とに基づいて定まる第2所定温度以上である場合に、前記加熱手段(4)の運転を禁止しつつ前記タンク(2)の上部から導出した熱媒体で湯水を加熱して前記浴槽(90)内に湯張りし、湯張り後に前記追い焚き手段(41)を運転して前記浴槽(90)内の湯水を前記湯張り設定温度とすることを特徴とする請求項1に記載の給湯装置。
  3. 前記制御手段(100)は、前記温度検出手段(TH1)の検出温度が、前記第1所定温度未満であり、かつ、前記給湯用熱交換器(3)への給水温度に基づいて定まる第2所定温度以上である場合に、前記加熱手段(4)の運転を禁止しつつ前記タンク(2)の上部から導出した熱媒体で湯水を加熱して前記浴槽(90)内に湯張りし、湯張り後に前記追い焚き手段(41)を運転して前記浴槽(90)内の湯水を前記湯張り設定温度とすることを特徴とする請求項1に記載の給湯装置。
  4. 前記制御手段(100)は、
    前記タンク(2)内に蓄えられた熱媒体の熱量が、前記加熱手段(4)および前記追い焚き手段(41)の運転を禁止しても前記浴槽(90)内に前記湯張り設定温度の湯水を湯張り可能な熱量以上であるか否か判断し、
    前記温度検出手段(TH1)の検出温度が前記第1所定温度以上であり、かつ、前記タンク(2)内に蓄えられた熱媒体の熱量が前記湯張り可能な熱量以上である場合には、前記加熱手段(4)および前記追い焚き手段(41)の運転を禁止しつつ前記タンク(2)から導出した熱媒体で湯水を加熱して前記浴槽(90)内に湯張りし、
    前記温度検出手段(TH1)の検出温度が前記第1所定温度未満、もしくは、前記タンク(2)内に蓄えられた熱媒体の熱量が前記湯張り可能な熱量未満である場合には、前記加熱手段(4)の運転を禁止しつつ前記タンク(2)の上部から導出した熱媒体で湯水を加熱して前記浴槽(90)内に湯張りし、湯張り後に前記追い焚き手段(41)を運転して前記浴槽(90)内の湯水を前記湯張り設定温度とすることを特徴とする請求項1ないし請求項3のいずれかに記載の給湯装置。
  5. 前記タンク(2)内の上部の熱媒体を前記給湯用熱交換器(3)の1次側通路(3a)を介して前記タンク(2)内の下部に導く循環回路(8)と、
    前記循環回路(8)に熱媒体を循環する循環手段(9)と、を備え、
    前記制御手段(100)は、前記給湯用熱交換器(3)の1次側通路(3a)から流出する熱媒体の温度が、前記給湯用熱交換器(3)の2次側通路(3b)に流入する給水温度および前記給湯用熱交換器の熱交換性能に基づいて定まる所定温度に近づくように、前記循環手段(9)の作動状態を制御して熱媒体の循環量を調節することを特徴とする請求項1ないし請求項4に記載の給湯装置。
  6. 前記タンク(2)内の下部の熱媒体を沸き上げて前記タンク(2)内の上部に貯えるためのヒートポンプ装置(1)を備えることを特徴とする請求項1ないし請求項5のいずれかに記載の給湯装置。
  7. 浴槽(90)内に湯張りするための湯水を内部に貯えるタンク(2)と、
    前記タンク(2)内の上部の湯水の温度を検出する温度検出手段(TH1)と、
    前記浴槽(90)内に湯張りする前の湯水を加熱する燃焼式の加熱手段(4)と、
    前記浴槽(90)内に湯張りした後の湯水を追い焚き加熱する追い焚き手段(41)と、
    前記浴槽(90)内に湯張りを行う際に、前記温度検出手段(TH1)の検出温度に基づいて、前記加熱手段(4)および前記追い焚き手段(41)の運転を制御する制御手段(100)と、を備え、
    前記制御手段(100)は、
    前記温度検出手段(TH1)の検出温度が、前記浴槽(90)内への湯張り設定温度に基づいて定まる第1所定温度以上である場合には、前記加熱手段(4)および前記追い焚き手段(41)の運転を禁止しつつ前記タンク(2)から出湯する湯水を前記浴槽(90)内に湯張りし、
    前記温度検出手段(TH1)の検出温度が、前記第1所定温度未満である場合には、前記加熱手段(4)の運転を禁止しつつ前記タンク(90)の上部から出湯した湯水を前記浴槽(90)内に湯張りし、湯張り後に前記追い焚き手段(41)を運転して前記浴槽(90)内の湯水を前記湯張り設定温度とすることを特徴とする給湯装置。
  8. 前記制御手段(100)は、前記温度検出手段(TH1)の検出温度が、前記第1所定温度未満であり、かつ、前記加熱手段(4)の最低加熱能力と前記湯張り設定温度とに基づいて定まる第2所定温度以上である場合に、前記加熱手段(4)の運転を禁止しつつ前記タンク(2)の上部から出湯した湯水を前記浴槽(90)内に湯張りし、湯張り後に前記追い焚き手段(41)を運転して前記浴槽(90)内の湯水を前記湯張り設定温度とすることを特徴とする請求項7に記載の給湯装置。
  9. 前記制御手段(100)は、前記温度検出手段(TH1)の検出温度が、前記第1所定温度未満であり、かつ、前記タンク(2)への給水温度に基づいて定まる第2所定温度以上である場合に、前記加熱手段(4)の運転を禁止しつつ前記タンク(2)の上部から出湯した湯水を前記浴槽(90)内に湯張りし、湯張り後に前記追い焚き手段(41)を運転して前記浴槽(90)内の湯水を前記湯張り設定温度とすることを特徴とする請求項7に記載の給湯装置。
  10. 前記制御手段(100)は、
    前記タンク(2)内に蓄えられた湯水の熱量が、前記加熱手段(4)および前記追い焚き手段(41)の運転を禁止しても前記浴槽(90)内に前記湯張り設定温度の湯水を湯張り可能な熱量以上であるか否か判断し、
    前記温度検出手段(TH1)の検出温度が前記第1所定温度以上であり、かつ、前記タンク(2)内に蓄えられた湯水の熱量が前記湯張り可能な熱量以上である場合には、前記加熱手段(4)および前記追い焚き手段(41)の運転を禁止しつつ前記タンク(2)から出湯する湯水を前記浴槽(90)内に湯張りし、
    前記温度検出手段(TH1)の検出温度が前記第1所定温度未満、もしくは、前記タンク(2)内に蓄えられた湯水の熱量が前記湯張り可能な熱量未満である場合には、前記加熱手段(4)の運転を禁止しつつ前記タンク(2)の上部から出湯した湯水を前記浴槽(90)内に湯張りし、湯張り後に前記追い焚き手段(41)を運転して前記浴槽(90)内の湯水を前記湯張り設定温度とすることを特徴とする請求項7ないし請求項9のいずれかに記載の給湯装置。
  11. 前記タンク(2)内の下部の湯水を沸き上げて前記タンク(2)内の上部に貯えるためのヒートポンプ装置(1)を備えることを特徴とする請求項7ないし請求項10のいずれかに記載の給湯装置。
JP2008262153A 2008-10-08 2008-10-08 給湯装置 Expired - Fee Related JP5200842B2 (ja)

Priority Applications (1)

Application Number Priority Date Filing Date Title
JP2008262153A JP5200842B2 (ja) 2008-10-08 2008-10-08 給湯装置

Applications Claiming Priority (1)

Application Number Priority Date Filing Date Title
JP2008262153A JP5200842B2 (ja) 2008-10-08 2008-10-08 給湯装置

Publications (2)

Publication Number Publication Date
JP2010091196A true JP2010091196A (ja) 2010-04-22
JP5200842B2 JP5200842B2 (ja) 2013-06-05

Family

ID=42254090

Family Applications (1)

Application Number Title Priority Date Filing Date
JP2008262153A Expired - Fee Related JP5200842B2 (ja) 2008-10-08 2008-10-08 給湯装置

Country Status (1)

Country Link
JP (1) JP5200842B2 (ja)

Cited By (13)

* Cited by examiner, † Cited by third party
Publication number Priority date Publication date Assignee Title
JP2012042091A (ja) * 2010-08-18 2012-03-01 Hitachi Appliances Inc 給湯機
JP2012092997A (ja) * 2010-10-25 2012-05-17 Toho Gas Co Ltd 給湯暖房システム
JP2012127628A (ja) * 2010-12-17 2012-07-05 Panasonic Corp 給湯システム
JP2013242115A (ja) * 2012-05-22 2013-12-05 Rinnai Corp 貯湯式給湯システム
JP2014009896A (ja) * 2012-06-29 2014-01-20 Noritz Corp 貯湯式給湯システム
JP2015068578A (ja) * 2013-09-30 2015-04-13 リンナイ株式会社 ヒートポンプ装置および給湯暖房装置
JP2015068577A (ja) * 2013-09-30 2015-04-13 リンナイ株式会社 ヒートポンプ装置および給湯暖房装置
JP2016008749A (ja) * 2014-06-24 2016-01-18 パナソニックIpマネジメント株式会社 ヒートポンプ給湯機
JP2017096563A (ja) * 2015-11-25 2017-06-01 三菱電機株式会社 暖房装置
WO2018066037A1 (ja) * 2016-10-03 2018-04-12 三菱電機株式会社 貯湯式給湯機、給湯方法及びプログラム
WO2018066036A1 (ja) * 2016-10-03 2018-04-12 三菱電機株式会社 貯湯式給湯機
JP2019011931A (ja) * 2017-06-30 2019-01-24 大和ハウス工業株式会社 給湯システム
JP2021096065A (ja) * 2017-09-19 2021-06-24 パーパス株式会社 給湯システム、給湯制御方法、給湯装置およびプログラム

Citations (5)

* Cited by examiner, † Cited by third party
Publication number Priority date Publication date Assignee Title
JP2000329401A (ja) * 1999-05-21 2000-11-30 Matsushita Electric Ind Co Ltd 給湯機
JP2003148799A (ja) * 2001-11-08 2003-05-21 Noritz Corp 給湯システム
JP2004037052A (ja) * 2002-07-08 2004-02-05 Noritz Corp 給湯システム
JP2006170526A (ja) * 2004-12-15 2006-06-29 Denso Corp 貯湯式給湯装置
JP2008215810A (ja) * 2008-04-25 2008-09-18 Denso Corp 貯湯式給湯装置

Patent Citations (5)

* Cited by examiner, † Cited by third party
Publication number Priority date Publication date Assignee Title
JP2000329401A (ja) * 1999-05-21 2000-11-30 Matsushita Electric Ind Co Ltd 給湯機
JP2003148799A (ja) * 2001-11-08 2003-05-21 Noritz Corp 給湯システム
JP2004037052A (ja) * 2002-07-08 2004-02-05 Noritz Corp 給湯システム
JP2006170526A (ja) * 2004-12-15 2006-06-29 Denso Corp 貯湯式給湯装置
JP2008215810A (ja) * 2008-04-25 2008-09-18 Denso Corp 貯湯式給湯装置

Cited By (16)

* Cited by examiner, † Cited by third party
Publication number Priority date Publication date Assignee Title
JP2012042091A (ja) * 2010-08-18 2012-03-01 Hitachi Appliances Inc 給湯機
JP2012092997A (ja) * 2010-10-25 2012-05-17 Toho Gas Co Ltd 給湯暖房システム
JP2012127628A (ja) * 2010-12-17 2012-07-05 Panasonic Corp 給湯システム
JP2013242115A (ja) * 2012-05-22 2013-12-05 Rinnai Corp 貯湯式給湯システム
JP2014009896A (ja) * 2012-06-29 2014-01-20 Noritz Corp 貯湯式給湯システム
JP2015068578A (ja) * 2013-09-30 2015-04-13 リンナイ株式会社 ヒートポンプ装置および給湯暖房装置
JP2015068577A (ja) * 2013-09-30 2015-04-13 リンナイ株式会社 ヒートポンプ装置および給湯暖房装置
JP2016008749A (ja) * 2014-06-24 2016-01-18 パナソニックIpマネジメント株式会社 ヒートポンプ給湯機
JP2017096563A (ja) * 2015-11-25 2017-06-01 三菱電機株式会社 暖房装置
WO2018066037A1 (ja) * 2016-10-03 2018-04-12 三菱電機株式会社 貯湯式給湯機、給湯方法及びプログラム
WO2018066036A1 (ja) * 2016-10-03 2018-04-12 三菱電機株式会社 貯湯式給湯機
JPWO2018066037A1 (ja) * 2016-10-03 2019-03-28 三菱電機株式会社 貯湯式給湯機、給湯方法及びプログラム
JPWO2018066036A1 (ja) * 2016-10-03 2019-04-04 三菱電機株式会社 貯湯式給湯機
JP2019011931A (ja) * 2017-06-30 2019-01-24 大和ハウス工業株式会社 給湯システム
JP2021096065A (ja) * 2017-09-19 2021-06-24 パーパス株式会社 給湯システム、給湯制御方法、給湯装置およびプログラム
JP7178125B2 (ja) 2017-09-19 2022-11-25 パーパス株式会社 給湯システム、給湯制御方法、給湯装置およびプログラム

Also Published As

Publication number Publication date
JP5200842B2 (ja) 2013-06-05

Similar Documents

Publication Publication Date Title
JP5200842B2 (ja) 給湯装置
JP5206106B2 (ja) 給湯装置
JP5277714B2 (ja) 給湯装置
WO2011074596A1 (ja) 給湯機
JP5228605B2 (ja) 給湯装置
CN101191665B (zh) 热泵供热水装置
JP5120057B2 (ja) 給湯装置
KR20100003544A (ko) 순간식 보일러의 온수 저탕장치
JP5589943B2 (ja) 貯湯式給湯機
JP4876762B2 (ja) ヒートポンプ式給湯装置
JP4839141B2 (ja) ヒートポンプ給湯装置
JP5655695B2 (ja) 貯湯式給湯機
JP4778299B2 (ja) 貯湯式給湯装置およびその給湯混合弁の待機開度変更方法
JP2009198119A (ja) 給湯装置
JP4752347B2 (ja) 貯湯式給湯装置
JP2005009747A (ja) 貯湯式給湯装置
KR101343445B1 (ko) 하이브리드식 급탕 장치
JP5226622B2 (ja) 風呂装置
JP6143092B2 (ja) 貯湯給湯装置
JP4424265B2 (ja) 貯湯式給湯装置
JP2008281335A (ja) 貯湯式給湯装置
JP2005090898A (ja) 貯湯式給湯装置
JP2024120889A (ja) 給湯システム、給湯システムにおけるタンク容量の決定方法
JP2008224208A (ja) 貯湯式給湯装置
JP6616927B2 (ja) ヒートポンプ式給湯装置

Legal Events

Date Code Title Description
A621 Written request for application examination

Free format text: JAPANESE INTERMEDIATE CODE: A621

Effective date: 20101228

A977 Report on retrieval

Free format text: JAPANESE INTERMEDIATE CODE: A971007

Effective date: 20121026

A131 Notification of reasons for refusal

Free format text: JAPANESE INTERMEDIATE CODE: A131

Effective date: 20121106

A521 Request for written amendment filed

Free format text: JAPANESE INTERMEDIATE CODE: A523

Effective date: 20121218

RD02 Notification of acceptance of power of attorney

Free format text: JAPANESE INTERMEDIATE CODE: A7422

Effective date: 20121218

TRDD Decision of grant or rejection written
A01 Written decision to grant a patent or to grant a registration (utility model)

Free format text: JAPANESE INTERMEDIATE CODE: A01

Effective date: 20130115

A61 First payment of annual fees (during grant procedure)

Free format text: JAPANESE INTERMEDIATE CODE: A61

Effective date: 20130128

R151 Written notification of patent or utility model registration

Ref document number: 5200842

Country of ref document: JP

Free format text: JAPANESE INTERMEDIATE CODE: R151

FPAY Renewal fee payment (event date is renewal date of database)

Free format text: PAYMENT UNTIL: 20160222

Year of fee payment: 3

R250 Receipt of annual fees

Free format text: JAPANESE INTERMEDIATE CODE: R250

R250 Receipt of annual fees

Free format text: JAPANESE INTERMEDIATE CODE: R250

R250 Receipt of annual fees

Free format text: JAPANESE INTERMEDIATE CODE: R250

LAPS Cancellation because of no payment of annual fees