JP2010090953A - ボールねじおよびこれを備えたvベルト式無段変速機のプーリ幅駆動機構 - Google Patents

ボールねじおよびこれを備えたvベルト式無段変速機のプーリ幅駆動機構 Download PDF

Info

Publication number
JP2010090953A
JP2010090953A JP2008260251A JP2008260251A JP2010090953A JP 2010090953 A JP2010090953 A JP 2010090953A JP 2008260251 A JP2008260251 A JP 2008260251A JP 2008260251 A JP2008260251 A JP 2008260251A JP 2010090953 A JP2010090953 A JP 2010090953A
Authority
JP
Japan
Prior art keywords
screw
ball
grooves
balls
groove
Prior art date
Legal status (The legal status is an assumption and is not a legal conclusion. Google has not performed a legal analysis and makes no representation as to the accuracy of the status listed.)
Granted
Application number
JP2008260251A
Other languages
English (en)
Other versions
JP5121656B2 (ja
Inventor
Yasushi Tateishi
康司 立石
Hirakazu Yoshida
平和 吉田
Current Assignee (The listed assignees may be inaccurate. Google has not performed a legal analysis and makes no representation or warranty as to the accuracy of the list.)
NTN Corp
Original Assignee
NTN Corp
NTN Toyo Bearing Co Ltd
Priority date (The priority date is an assumption and is not a legal conclusion. Google has not performed a legal analysis and makes no representation as to the accuracy of the date listed.)
Filing date
Publication date
Application filed by NTN Corp, NTN Toyo Bearing Co Ltd filed Critical NTN Corp
Priority to JP2008260251A priority Critical patent/JP5121656B2/ja
Publication of JP2010090953A publication Critical patent/JP2010090953A/ja
Application granted granted Critical
Publication of JP5121656B2 publication Critical patent/JP5121656B2/ja
Expired - Fee Related legal-status Critical Current
Anticipated expiration legal-status Critical

Links

Images

Landscapes

  • Transmissions By Endless Flexible Members (AREA)
  • Transmission Devices (AREA)

Abstract

【課題】大径でボール個数の多いボールねじにおいて、作動性を改善し、作動効率を向上させたボールねじおよびこれを備えたVベルト式無段変速機のプーリ幅駆動機構を提供する。
【解決手段】ねじ軸3の軸方向で隣り合うねじ溝3a、3bの間に存在するランド部6に、2本のねじ溝3a、3bを閉ループとするボール循環溝7、8が設けられ、これらがねじ溝3a、3bの下流のボー4ルを内径側へ沈み込ませ、ナット2のランド部9を乗り越えさせて上流側へ戻すように蛇行した略S字状に形成されている軸循環タイプのボールねじ1において、ねじ軸3のねじ溝3a、3bとボール循環7、8溝が切削加工によって所定の仕上げ形状に形成され、高周波焼入れによってその表面に所定の硬化層が形成されると共に、1回路内に配置できる計算上のボール個数に対し、10〜20%のボール4が抜き取られた状態で組み立てられている。
【選択図】図1

Description

本発明は、自動車等のベルト式無段変速機(CVT)の可動プーリ駆動用に用いられ、多数のボールが転動する螺旋状のねじ溝が形成されたボールねじ、詳しくは、ボールをねじ軸の内径側に沈み込ませて下流側から上流側へ戻すボール循環溝で接続された、所謂軸循環タイプのボールねじおよびこれを備えたVベルト式無段変速機のプーリ幅駆動機構に関するものである。
ボールねじは、外周に螺旋状のねじ溝が形成されたボールねじ軸と、円筒面内に螺旋状のねじ溝が形成されたボールねじナットと、対向する両ねじ溝で構成されたボール転動路内に転動自在に収容された多数のボールとからなり、ボールねじ軸あるいはボールねじナットの回転を軸方向の並進運動に変換する機械要素である。
従来、ボールねじでは、ねじ軸とナットとの伸縮動作に関係なく、それらの各ねじ溝内に収容される多数のボールの抜け出しを防止するために、ねじ軸のねじ溝とナットのねじ溝とで構成されるボール転動路の両端を連通連結させて閉ループとし、ボールをこの閉ループ内で無限循環させている。
このようなボールねじには、一般的に、ボールの循環機構が異なる、例えば、リターンチューブやエンドプレート等、種々の形式のものがあり、その一つに駒式と呼ばれるものがある。この駒式ボールねじは、ねじ溝の連結路を有し、転動路を周回経路とする循環用の駒部材がナットに装着されているもので、構成が比較的簡素で、かつコンパクトに構成できる利点がある。
従来のCVTの可動プーリ駆動用ボールねじは、図9(a)に示すように、外周に螺旋状のねじ溝50aが形成されたねじ軸50と、このねじ軸50に嵌合され、内周に螺旋状のねじ溝51aが形成されたナット51と、それぞれ対向するねじ溝50a、51a間に転動自在に収容された多数のボール52とからなる。ボール52は、例えば、(b)、(c)、(d)に示すように、負荷荷重を支持する負荷ボール52aと、これら負荷ボール52aより小径のスペーサボール52bとにより構成され、各ボール52a、52bを、1つのスペーサボール52bが2つの負荷ボール52a、52a間に介在するように配列されることにより、スペーサボール52bと、これに隣り合う負荷ボール52aとの間が順回転になるようにし、ボール間の相対滑りを解消して円滑な無段変速が行えるようにされている(例えば、特許文献1参照。)。
然しながら、この種のボールねじでは、循環用部材となる駒部材(図示せず)に形成された連結溝とナット51のねじ溝51aとの繋ぎ部を高精度に位置合わせするために、各部品の加工精度を高めなければならないと共に、極めて面倒で手間の掛かる位置決め作業が必要になり、コストが嵩む他に位置ズレによる品質低下を招く要因となっている。このような問題を解決したボールねじとして、ボールをねじ軸の内径側に沈み込ませて下流側から上流側へ戻すボール循環溝で接続された軸循環タイプのボールねじが知られている。
このボールねじ53は、図10に示すように、ナット54と、このナット54に内挿されたねじ軸55と、複数のボール56と、これらのボール56を周方向等配に配置させると共に、ねじ軸55に対して軸方向にほぼ不動に位置決めされた状態で、かつ相対回転可能な状態で取り付けられた保持器リング(図示せず)とを備え、ナット54とねじ軸55との対向面間でボール56を循環させるようにしている。
ナット54には、一端から他端まで連続する1本のねじ溝54aが形成されている。一方、ねじ軸55には、軸方向途中領域に連続していない略2巻きのねじ溝55a、55bが形成されている。これらナット54のねじ溝54aとねじ軸55のねじ溝55a、55bとは、互いに同じリード角に設定されている。
ここで、ねじ軸55の軸方向で隣り合う2巻きのねじ溝55a、55bの間に存在するねじ山(ランド部)57には、2巻きのねじ溝55a、55bを個別に閉ループとするボール循環溝58、59が設けられている。このボール循環溝58、59は、2巻きのねじ溝55a、55bの上流側と下流側とを個別に連通連結するものであり、ねじ溝55a、55bの下流のボール56を内径側へ沈み込ませてナット54のねじ山(ランド部)60を乗り越えさせて上流側へ戻すように蛇行した形状に形成されている。
ここでは、ナット54を軸方向に往復移動させることにより、ナット54とねじ軸55とが軸方向で重合する範囲が大小変化するが、ねじ軸55において、ボール循環溝58、59により個別に閉ループとされたねじ軸55の2巻きのねじ溝55a、55b内でそれぞれボール56が保持器リングでガイドされながら転動循環することにより、ナット54が所定の螺旋運動で円滑にガイドされると共に、ナット54が所定の移動ストローク範囲を往復移動する過程において、ボール56が抜け出す現象を確実に防止することができる。これにより、駒式のボールねじに伴う連結溝とねじ溝との位置合わせが不要となるため、低コスト化が可能となると共に、位置ズレ等による品質低下を回避できる(例えば、特許文献2参照。)。
特開2002−188705号公報 特開2003−074665号公報
ここで、ボール56を、前述した引用文献1のボールねじのように、負荷ボールとスペーサボールとにより構成し、1つのスペーサボールが2つの負荷ボール間に介在するように配列されることにより、スペーサボールと、これに隣り合う負荷ボールとの間が順回転になり、ボール56間の相対滑りを解消して円滑な無段変速が行えるようになる。然しながら、CVTの可動プーリ駆動用ボールねじでは、ねじ軸55にシャフト(図示せず)が貫通する必要があるため、比較的大径のねじ軸55となる。また、リードも小さいため、使用されるボール56の外径も小径となり、1回路内に収容されるボール個数は必然的に多くなり少なくとも60個となる。この場合、負荷ボールとスペーサボールとを正確にナット54内に配列する必要があるが、スペーサボール自体も、負荷ボールに対して、例えば、−40μm〜−50μm小径に寸法を設定しなければならない。一般的に、このようなボール径は標準品として在庫がなく、数種類のスペーサボールを特殊品としてオーダーしなければならない。これでは、ボールねじの組立が煩雑となるだけでなく、ボール56のコストが嵩み低コスト化を図ることは難しい。
本発明は、こうした従来の問題に鑑みてなされたもので、大径でボール個数の多いボールねじにおいて、作動性を改善し、作動効率を向上させたボールねじおよびこれを備えたVベルト式無段変速機のプーリ幅駆動機構を提供することを目的とする。
係る目的を達成すべく、本発明のうち請求項1に記載の発明は、内周に螺旋状のねじ溝が形成された円筒状のナットと、このナットに内挿され、外周に前記ねじ溝のリード角と同一のリード角からなる複数のねじ溝が形成されたねじ軸と、前記両ねじ溝間に転動自在に収容された多数のボールとを備え、前記ねじ軸の軸方向で隣り合うねじ溝の間に存在するランド部に、当該複数のねじ溝を個別に閉ループとするボール循環溝が設けられ、このボール循環溝が、前記ねじ溝の下流のボールを内径側へ沈み込ませ、前記ナットのランド部を乗り越えさせて上流側へ戻すように略S字状に形成された軸循環タイプのボールねじにおいて、前記ねじ軸のねじ溝の1回路内に配置できる計算上のボール個数に対し、10〜20%のボールが抜き取られた状態で組み立てられている。
このように、軸循環タイプのボールねじにおいて、ねじ軸のねじ溝の1回路内に配置できる計算上のボール個数に対し、10〜20%のボールが抜き取られた状態で組み立てられているので、ボール同士の競り合いが解消し、スペースボールを用いなくても良好な作動状態となり、スムーズな運転が得られると共に、ボール同士の接触による損傷を防止することができ、この種の大径でボール個数の多いボールねじにおいて、作動性を改善し、作動効率を向上させたボールねじを提供することができる。
また、請求項2に記載の発明のように、前記ねじ軸のねじ溝とボール循環溝が切削加工によって所定の仕上げ形状に形成され、熱処理によってその表面に所定の硬化層が形成されていれば、所望のねじ溝形状と表面粗さが確保できると共に、加工時間が短く低コストなボールねじを提供することができる。
また、請求項3に記載の発明のように、前記硬化層が、高周波誘導加熱による焼入れによって形成されていれば、表層に粒界酸化層が抑制でき、また、局部加熱ができて硬化層深さの設定が容易にできる。
また、請求項4に記載の発明のように、前記熱処理後に、少なくとも前記ねじ溝にショットピーニングによる仕上げ加工が施されていれば、ねじ溝に付着したスケールや表層の粒界酸化層を除去することができ、ボールねじの耐久性を向上させることができる。
また、本発明のうち請求項5に記載の発明は、前記ねじ軸にプーリの主軸が挿通される中空穴が形成され、当該ねじ軸が回転方向、軸方向に移動可能に支持されて前記プーリの可動側フランジに転がり軸受を介して連結されると共に、前記ナットが軸方向、回転方向に固定の状態で支持され、前記ねじ軸を回転駆動させることにより軸方向に移動させ、前記プーリの可動側フランジを軸方向に移動させて前記プーリの幅を変え、ベルトの巻き掛け径を変化させたVベルト式無段変速機のプーリ幅駆動機構を提供することができる。
好ましくは、請求項6に記載の発明のように、前記中空穴の内径部が母材硬さのままとされていれば、コスト上昇を抑えつつ耐久性の向上を図ることができる。
本発明に係るボールねじは、内周に螺旋状のねじ溝が形成された円筒状のナットと、このナットに内挿され、外周に前記ねじ溝のリード角と同一のリード角からなる複数のねじ溝が形成されたねじ軸と、前記両ねじ溝間に転動自在に収容された多数のボールとを備え、前記ねじ軸の軸方向で隣り合うねじ溝の間に存在するランド部に、当該複数のねじ溝を個別に閉ループとするボール循環溝が設けられ、このボール循環溝が、前記ねじ溝の下流のボールを内径側へ沈み込ませ、前記ナットのランド部を乗り越えさせて上流側へ戻すように略S字状に形成された軸循環タイプのボールねじにおいて、前記ねじ軸のねじ溝の1回路内に配置できる計算上のボール個数に対し、10〜20%のボールが抜き取られた状態で組み立てられているので、ボール同士の競り合いが解消し、スペースボールを用いなくても良好な作動状態となり、スムーズな運転が得られると共に、ボール同士の接触による損傷を防止することができ、この種の大径でボール個数の多いボールねじにおいて、作動性を改善し、作動効率を向上させたボールねじを提供することができる。
内周に螺旋状のねじ溝が形成された円筒状のナットと、このナットに内挿され、外周に前記ねじ溝のリード角と同一のリード角からなる複数のねじ溝が形成されたねじ軸と、前記両ねじ溝間に転動自在に収容された多数のボールとを備え、前記ねじ軸の軸方向で隣り合うねじ溝の間に存在するランド部に、当該複数のねじ溝を個別に閉ループとするボール循環溝が設けられ、これらのボール循環溝が、前記ねじ溝の下流のボールを内径側へ沈み込ませ、前記ナットのランド部を乗り越えさせて上流側へ戻すように蛇行した略S字状に形成されている軸循環タイプのボールねじにおいて、前記ねじ軸のねじ溝とボール循環溝が切削加工によって所定の仕上げ形状に形成され、高周波焼入れによってその表面に所定の硬化層が形成されると共に、前記ねじ軸のねじ溝の1回路内に配置できる計算上のボール個数に対し、10〜20%のボールが抜き取られた状態で組み立てられている。
以下、本発明の実施の形態を図面に基づいて詳細に説明する。
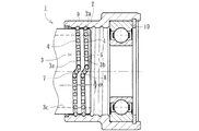
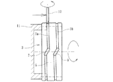
図1は、本発明に係るボールねじの一実施形態を示す概略縦断面図、図2は、図1のボールを誇張して大きく記載したボール循環路の模式的断面図、図3(a)は、ねじ軸を示す平面図、(b)は、同上斜視図、図4は、ねじ軸におけるねじ溝の加工状態を示す説明図、図5(a)は、ねじ軸におけるサーキュラアーク形状からなるねじ溝の拡大断面図、(b)は、同上ねじ溝の加工工程を示す拡大断面図、図6(a)は、ねじ軸におけるゴシックアーク形状からなるねじ溝の拡大断面図、(b)〜(d)は、同上ねじ溝の加工工程を示す拡大断面図、図7(a)は、ボールを略10%抜き取った場合の概略平面図、(b)は、概略正面図、図8(a)は、ボールを略20%抜き取った場合の概略平面図、(b)は、概略正面図である。
このボールねじ1は、Vベルト式無段変速機のプーリ幅駆動機構に用いられ、図1および図2に示すように、円筒状のナット2と、このナット2に内挿されたねじ軸3と、このねじ軸3とナット2間に収容された多数のボール4と、これらのボール4を周方向等配に保持する保持器リング5とを備えている。保持器リング5は、ねじ軸3に対して軸方向にほぼ不動に位置決めされた状態で、かつ相対回転可能な状態で取り付けられている。
ナット2はSCM415やSCM420等の肌焼き鋼からなり、その内周に、両端部間で連続した所定のリード角θを有する一条の螺旋状のねじ溝2aが形成され、一端部の内周には、深溝玉軸受からなる転がり軸受10が装着されている。一方、ねじ軸3は中空穴3cを備えた中空構造で、中空穴3cに図示しないプーリの主軸が挿通可能となっている。ねじ軸3はS55C等の中炭素鋼やSCM415等の肌焼き鋼からなり、ナット2に内挿されて外周に軸方向途中領域に連続していない複数(ここでは2巻き)のねじ溝3a、3bが形成されている。これらナット2のねじ溝2aとねじ軸3のねじ溝3a、3bとは、互いに同じリード角θに設定されている。そして、ねじ溝3a、3bが後述する焼入れにより硬化処理され、中空穴3cの内径部は母材硬さのままとされている。これにより、コスト上昇を抑えつつ耐久性の向上を図ることができる。
なお、ねじ溝2a、3a、3bは、断面がボール4の半径よりも僅かに大きい曲率半径からなる2つの円弧を組み合わせたゴシックアーク形状に形成されている。無論、ねじ溝2a、3a、3bは、このゴシックアーク形状以外にも、ボール4の半径よりも僅かに大きい曲率半径からなり、ボール4とアンギュラコンタクトするサーキュラアーク形状であっても良い。
本実施形態では、複数のねじ溝3a、3bが閉ループとされ、複数のねじ溝3a、3b内にそれぞれ収容されるボール4が独立して無限循環するように構成されている。すなわち、図3(a)、(b)に示すように、ねじ軸3の軸方向で隣り合うねじ溝3a、3bの間に存在するランド部6に、複数のねじ溝3a、3bを個別に閉ループとするボール循環溝7、8が設けられている。
このボール循環溝7、8は、ねじ溝3a、3bの上流側と下流側とを個別に連通連結するものであり、ねじ溝3a、3bの下流のボール4を内径側へ沈み込ませ、ナット2のランド部9を乗り越えて上流側へ戻すように蛇行した略S字状に形成されている。したがって、ボール循環溝7、8の深さは、ボール4がボール循環溝7、8内でナット2におけるねじ溝2aのランド部9を乗り越えることができる深さとされている(図2参照)。なお、ボール循環溝7、8についても、ねじ溝3a、3bと同様に硬化処理されている。
図4は、ねじ軸3におけるねじ溝3a、3bの加工状態を示している。生材の中空状ワークW(3)が旋盤の主軸チャック11で把持され、所定の方向に同期回転された状態でエンドミル12によって旋削加工される。このエンドミル12は、径方向に進退自在に、かつ軸方向に移動自在に支持され、NC制御により位置が決められている。ねじ溝3a、3bの旋削加工は、所謂ポイント切削で行われる。すなわち、ねじ溝3a(3b)が、図6(a)に示すようなゴシックアーク形状の場合、エンドミル12のノーズ半径R2が、ねじ溝3aの溝曲率半径R1よりも小さなエンドミル12を用い、(b)〜(d)に示すように、このエンドミル12をねじ溝3aの有効長さ分だけ複数回移動させ、エンドミル12の軌跡を複数重ねることにより所定形状のねじ溝3aの成形が行われる。
ここで、エンドミル12のノーズ半径R2をねじ溝3aの溝曲率半径R1に近付けて寸法設定することにより、エンドミル12を軸方向に移動させることなくねじ溝3aの概略形状が得られ、加工時間を短縮することができる。なお、ねじ溝3a(3b)が、図5(a)に示すようなサーキュラアーク形状の場合、エンドミル12のノーズ半径R4が、ねじ溝3aの溝曲率半径R3と同一のエンドミル12を用い、(b)に示すように、このエンドミル12を半径方向に送り込むことにより所定形状のねじ溝3aの成形を行うようにしても良い。
また、本実施形態では、ポイント切削によって複数のねじ溝3a、3bの成形加工を完了させた後、熱処理によってその表面に55〜62HRCの範囲の硬化層が形成されている。熱処理は、浸炭焼入れでも高周波誘導加熱による焼入れでも良いが、表層に粒界酸化層が抑制でき、また、局部加熱ができて硬化層深さの設定が比較的容易にできる高周波焼入れが好適である。
さらに、熱処理によりねじ溝3a、3b等に付着したスケールや表層の粒界酸化層を除去するためにショットピーニングによる仕上げ加工(図示せず)が行われている。このショットピーニングは、スチールビーズの粒径を20〜100μm、噴射時間は約90秒、噴射圧は1〜3kg/cm、噴射ノズルとワークの表面までの距離は略140mmとした。これにより、ボールねじ1の耐久性を向上させることができる。
Vベルト式無段変速機のプーリ幅駆動機構では、ねじ軸3を回転運動させ、ナット2を回り止めすることによってねじ軸3の直線運動を得る構造とされる。例えば、ねじ軸3を回転方向、軸方向に移動可能に支持し、図示しないプーリの可動側フランジに転がり軸受10を介して連結しておく(図1参照)。ナット2は軸方向、回転方向に固定の状態で支持され、ねじ軸3を駆動伝達機構(図示せず)を介して回転駆動させることにより、ねじ軸3が軸方向に移動しプーリの可動側フランジを軸方向に移動してプーリ幅を変え、ベルトの巻き掛け径を変化させることができる。
ここで、本実施形態では、ボールねじ1の1回路内に配置できる計算上のボール個数に対して、所定の比率でボール4が抜き取られた状態で収容されている。例えば、ねじ軸3の軸径がφ63mm、リードが3mm、ボール4の外径がφ2.778mmのボールねじにおいて、ねじ軸3におけるねじ溝3aの1回路内に配置できる計算上のボール個数が70個に対し、図7に示すように、略10%(7個)抜き取り、63個とした場合、隣り合う各ボール4間のすきまが増大して、全ボール4のうち略25%のボール4が非接触となる。さらに、1回路内に配置できる計算上のボール個数が70個に対し、図8に示すように、略21%(15個)抜き取り、55個とした場合では、全ボール4のうち略50%のボール4が非接触となる。これにより、ボール4同士の競り合いが解消し、スペースボールを用いなくても良好な作動状態となり、スムーズな運転が得られると共に、ボール4同士の接触による損傷を防止することができる。すなわち、この種の大径でボール個数の多いボールねじにおいて、作動性を改善し、作動効率を向上させたボールねじを提供することができる。
なお、ねじ軸3におけるねじ溝3aの1回路内に配置できる計算上のボール個数に対し、抜き取るボール4の比率が10%未満では、顕著な効果が得られず、また、20%を超えると、ボール4が存在しない領域が増し、負荷バランスが低下して部分的に面圧が上昇するため、抜き取り比率は10〜20%の範囲が好ましい。
以上、本発明の実施の形態について説明を行ったが、本発明はこうした実施の形態に何等限定されるものではなく、あくまで例示であって、本発明の要旨を逸脱しない範囲内において、さらに種々なる形態で実施し得ることは勿論のことであり、本発明の範囲は、特許請求の範囲の記載によって示され、さらに特許請求の範囲に記載の均等の意味、および範囲内のすべての変更を含む。
本発明に係るボールねじは、自動車等のVベルト式無段変速機のプーリ幅駆動機構に用いられるボールねじに適用できる。
本発明に係るボールねじの一実施形態を示す概略縦断面図である。 図1のボールを誇張して大きく記載したボール循環路の模式的断面図である。 (a)は、ねじ軸を示す平面図である。 (b)は、同上斜視図である。 ねじ軸におけるねじ溝の加工状態を示す説明図である。 (a)は、ねじ軸におけるサーキュラアーク形状からなるねじ溝の拡大断面図である。 (b)は、同上ねじ溝の加工工程を示す拡大断面図である。 (a)は、ねじ軸におけるゴシックアーク形状からなるねじ溝の拡大断面図である。 (b)〜(d)は、同上ねじ溝の加工工程を示す拡大断面図である。 (a)は、ボールを略10%抜き取った場合の概略平面図である。 (b)は、概略正面図である。 (a)は、ボールを略20%抜き取った場合の概略平面図である。 (b)は、概略正面図である。 (a)は、従来のボールねじを示す縦断面図である。 (b)〜(d)は、同上の模式的な部分拡大断面図である。 従来の他のボールねじを示す縦断面図である。
符号の説明
1・・・・・・・・・・・・・・・・・・・・ボールねじ
2・・・・・・・・・・・・・・・・・・・・ナット
2a、3a、3b・・・・・・・・・・・・・ねじ溝
3・・・・・・・・・・・・・・・・・・・・ねじ軸
3c・・・・・・・・・・・・・・・・・・・中空穴
4・・・・・・・・・・・・・・・・・・・・ボール
5・・・・・・・・・・・・・・・・・・・・保持器リング
6、9・・・・・・・・・・・・・・・・・・ランド部
7、8・・・・・・・・・・・・・・・・・・ボール循環溝
10・・・・・・・・・・・・・・・・・・・転がり軸受
11・・・・・・・・・・・・・・・・・・・主軸チャック
12・・・・・・・・・・・・・・・・・・・エンドミル
50、55・・・・・・・・・・・・・・・・ねじ軸
50a、51a、54a、55a、55b・・ねじ溝
51、54・・・・・・・・・・・・・・・・ナット
52、56・・・・・・・・・・・・・・・・ボール
53・・・・・・・・・・・・・・・・・・・ボールねじ
57、60・・・・・・・・・・・・・・・・ねじ山
58、59・・・・・・・・・・・・・・・・ボール循環溝
R1、R3・・・・・・・・・・・・・・・・ねじ溝の曲率半径
R2、R4・・・・・・・・・・・・・・・・エンドミルのノーズ半径
θ・・・・・・・・・・・・・・・・・・・・リード角

Claims (6)

  1. 内周に螺旋状のねじ溝が形成された円筒状のナットと、
    このナットに内挿され、外周に前記ねじ溝のリード角と同一のリード角からなる複数のねじ溝が形成されたねじ軸と、
    前記両ねじ溝間に転動自在に収容された多数のボールとを備え、
    前記ねじ軸の軸方向で隣り合うねじ溝の間に存在するランド部に、当該複数のねじ溝を個別に閉ループとするボール循環溝が設けられ、このボール循環溝が、前記ねじ溝の下流のボールを内径側へ沈み込ませ、前記ナットのランド部を乗り越えさせて上流側へ戻すように略S字状に形成された軸循環タイプのボールねじにおいて、
    前記ねじ軸のねじ溝の1回路内に配置できる計算上のボール個数に対し、10〜20%のボールが抜き取られた状態で組み立てられていることを特徴とするボールねじ。
  2. 前記ねじ軸のねじ溝とボール循環溝が切削加工によって所定の仕上げ形状に形成され、熱処理によってその表面に所定の硬化層が形成されている請求項1に記載のボールねじ。
  3. 前記硬化層が、高周波誘導加熱による焼入れによって形成されている請求項2に記載のボールねじ。
  4. 前記熱処理後に、少なくとも前記ねじ溝にショットピーニングによる仕上げ加工が施されている請求項2または3に記載のボールねじ。
  5. 前記ねじ軸にプーリの主軸が挿通される中空穴が形成され、当該ねじ軸が回転方向、軸方向に移動可能に支持されて前記プーリの可動側フランジに転がり軸受を介して連結されると共に、前記ナットが軸方向、回転方向に固定の状態で支持され、前記ねじ軸を回転駆動させることにより軸方向に移動させ、前記プーリの可動側フランジを軸方向に移動させて前記プーリの幅を変え、ベルトの巻き掛け径を変化させたことを特徴とするVベルト式無段変速機のプーリ幅駆動機構。
  6. 前記中空穴の内径部が母材硬さのままとされている請求項5に記載のVベルト式無段変速機のプーリ幅駆動機構。
JP2008260251A 2008-10-07 2008-10-07 ボールねじ Expired - Fee Related JP5121656B2 (ja)

Priority Applications (1)

Application Number Priority Date Filing Date Title
JP2008260251A JP5121656B2 (ja) 2008-10-07 2008-10-07 ボールねじ

Applications Claiming Priority (1)

Application Number Priority Date Filing Date Title
JP2008260251A JP5121656B2 (ja) 2008-10-07 2008-10-07 ボールねじ

Publications (2)

Publication Number Publication Date
JP2010090953A true JP2010090953A (ja) 2010-04-22
JP5121656B2 JP5121656B2 (ja) 2013-01-16

Family

ID=42253890

Family Applications (1)

Application Number Title Priority Date Filing Date
JP2008260251A Expired - Fee Related JP5121656B2 (ja) 2008-10-07 2008-10-07 ボールねじ

Country Status (1)

Country Link
JP (1) JP5121656B2 (ja)

Cited By (6)

* Cited by examiner, † Cited by third party
Publication number Priority date Publication date Assignee Title
DE102014113484B3 (de) * 2014-06-16 2015-09-24 Hiwin Technologies Corp. Kugelgewindetriebanordnung mit getunneltem Laufring
US9528582B2 (en) 2014-06-20 2016-12-27 Hiwin Technologies Corp. Internal-circulation-type ball screw
EP3217040A1 (en) 2016-01-14 2017-09-13 Hiwin Technologies Corp. Shaft circulation ball screw
US9764758B2 (en) 2012-08-03 2017-09-19 Denso Corporation Apparatus and method for controlling electric power steering system
JP2021116825A (ja) * 2020-01-22 2021-08-10 日本精工株式会社 ボールねじ
JP2022166302A (ja) * 2020-01-22 2022-11-01 日本精工株式会社 ボールねじの製造方法及び仮ナット

Citations (4)

* Cited by examiner, † Cited by third party
Publication number Priority date Publication date Assignee Title
JP2003074665A (ja) * 2001-09-05 2003-03-12 Koyo Seiko Co Ltd ボールねじ装置
JP2003156116A (ja) * 2001-11-19 2003-05-30 Ntn Corp ボールねじ、およびそれを備えたベルト式無段変速装置
JP2003314658A (ja) * 2002-04-24 2003-11-06 Toyoda Mach Works Ltd ボールねじ装置及び電気式動力舵取装置
JP2008215422A (ja) * 2007-03-01 2008-09-18 Ntn Corp アクチュエータ用ボールねじおよびそのねじ溝加工方法

Patent Citations (4)

* Cited by examiner, † Cited by third party
Publication number Priority date Publication date Assignee Title
JP2003074665A (ja) * 2001-09-05 2003-03-12 Koyo Seiko Co Ltd ボールねじ装置
JP2003156116A (ja) * 2001-11-19 2003-05-30 Ntn Corp ボールねじ、およびそれを備えたベルト式無段変速装置
JP2003314658A (ja) * 2002-04-24 2003-11-06 Toyoda Mach Works Ltd ボールねじ装置及び電気式動力舵取装置
JP2008215422A (ja) * 2007-03-01 2008-09-18 Ntn Corp アクチュエータ用ボールねじおよびそのねじ溝加工方法

Cited By (10)

* Cited by examiner, † Cited by third party
Publication number Priority date Publication date Assignee Title
US9764758B2 (en) 2012-08-03 2017-09-19 Denso Corporation Apparatus and method for controlling electric power steering system
DE102014113484B3 (de) * 2014-06-16 2015-09-24 Hiwin Technologies Corp. Kugelgewindetriebanordnung mit getunneltem Laufring
US9400041B2 (en) 2014-06-16 2016-07-26 Hiwin Technologies Corp. Ball screw assembly having a tunnel raceway
US9528582B2 (en) 2014-06-20 2016-12-27 Hiwin Technologies Corp. Internal-circulation-type ball screw
EP3217040A1 (en) 2016-01-14 2017-09-13 Hiwin Technologies Corp. Shaft circulation ball screw
US9765868B1 (en) 2016-01-14 2017-09-19 Hiwin Technologies Corp. Shaft circulation ball screw
JP2021116825A (ja) * 2020-01-22 2021-08-10 日本精工株式会社 ボールねじ
JP2022166302A (ja) * 2020-01-22 2022-11-01 日本精工株式会社 ボールねじの製造方法及び仮ナット
JP2022166306A (ja) * 2020-01-22 2022-11-01 日本精工株式会社 ボールねじ、ボールねじの製造方法、及び仮ナット
JP7302721B2 (ja) 2020-01-22 2023-07-04 日本精工株式会社 ボールねじの製造方法及び仮ナット

Also Published As

Publication number Publication date
JP5121656B2 (ja) 2013-01-16

Similar Documents

Publication Publication Date Title
JP5121656B2 (ja) ボールねじ
JP5569592B2 (ja) ボールねじ
US8950283B2 (en) Method for manufacturing nut for ball screw and ball screw
JP2008530460A (ja) 大寸法転動軸受の軸受リングの生産方法
JP2013099840A (ja) ねじ軸及びその製造方法並びにボールねじユニット
US10274062B2 (en) Ball screw
JP2010138951A (ja) ボールねじおよびその製造方法
JP7080146B2 (ja) 直動機構
JP2008238384A (ja) ボールねじおよびそのねじ溝加工方法
JP2017032064A (ja) ボールねじおよびその製造方法
JP5998511B2 (ja) ボールねじの製造方法
JP2009079656A (ja) 無段変速機のアクチュエータ
WO2018074186A1 (ja) 軌道溝の加工方法、軸受、ボールねじ装置、機械及び車両の製造方法
JP5573270B2 (ja) ボールねじ
JP4993705B2 (ja) ボールねじおよびそのねじ溝加工方法
JP2008215422A (ja) アクチュエータ用ボールねじおよびそのねじ溝加工方法
JP5776185B2 (ja) ボールねじの製造方法
JP2004249373A (ja) ボールねじ装置のねじ溝研磨方法
JP5994210B2 (ja) ボールねじのナットの製造方法
JP5891588B2 (ja) ボールねじ
JP5853560B2 (ja) ボールねじの製造方法
JP4969385B2 (ja) 無段変速機のアクチュエータ
JP2010286072A (ja) ボールねじおよびこれを備えた無段変速機のプーリ幅調整装置
US7530282B2 (en) Ball screw apparatus
JP2005337414A (ja) ボールねじ装置

Legal Events

Date Code Title Description
A621 Written request for application examination

Free format text: JAPANESE INTERMEDIATE CODE: A621

Effective date: 20110921

A977 Report on retrieval

Free format text: JAPANESE INTERMEDIATE CODE: A971007

Effective date: 20120625

A131 Notification of reasons for refusal

Free format text: JAPANESE INTERMEDIATE CODE: A131

Effective date: 20120702

A521 Request for written amendment filed

Free format text: JAPANESE INTERMEDIATE CODE: A523

Effective date: 20120831

TRDD Decision of grant or rejection written
A01 Written decision to grant a patent or to grant a registration (utility model)

Free format text: JAPANESE INTERMEDIATE CODE: A01

Effective date: 20120928

A01 Written decision to grant a patent or to grant a registration (utility model)

Free format text: JAPANESE INTERMEDIATE CODE: A01

A61 First payment of annual fees (during grant procedure)

Free format text: JAPANESE INTERMEDIATE CODE: A61

Effective date: 20121023

FPAY Renewal fee payment (event date is renewal date of database)

Free format text: PAYMENT UNTIL: 20151102

Year of fee payment: 3

R150 Certificate of patent or registration of utility model

Free format text: JAPANESE INTERMEDIATE CODE: R150

Ref document number: 5121656

Country of ref document: JP

Free format text: JAPANESE INTERMEDIATE CODE: R150

R250 Receipt of annual fees

Free format text: JAPANESE INTERMEDIATE CODE: R250

R250 Receipt of annual fees

Free format text: JAPANESE INTERMEDIATE CODE: R250

R250 Receipt of annual fees

Free format text: JAPANESE INTERMEDIATE CODE: R250

R250 Receipt of annual fees

Free format text: JAPANESE INTERMEDIATE CODE: R250

R250 Receipt of annual fees

Free format text: JAPANESE INTERMEDIATE CODE: R250

R250 Receipt of annual fees

Free format text: JAPANESE INTERMEDIATE CODE: R250

R250 Receipt of annual fees

Free format text: JAPANESE INTERMEDIATE CODE: R250

LAPS Cancellation because of no payment of annual fees