JP2010088248A - バッテリの制御装置、バッテリの制御方法、及び、バッテリ - Google Patents

バッテリの制御装置、バッテリの制御方法、及び、バッテリ Download PDF

Info

Publication number
JP2010088248A
JP2010088248A JP2008256676A JP2008256676A JP2010088248A JP 2010088248 A JP2010088248 A JP 2010088248A JP 2008256676 A JP2008256676 A JP 2008256676A JP 2008256676 A JP2008256676 A JP 2008256676A JP 2010088248 A JP2010088248 A JP 2010088248A
Authority
JP
Japan
Prior art keywords
temperature
battery cell
voltage
temperature detection
dividing circuit
Prior art date
Legal status (The legal status is an assumption and is not a legal conclusion. Google has not performed a legal analysis and makes no representation as to the accuracy of the status listed.)
Granted
Application number
JP2008256676A
Other languages
English (en)
Other versions
JP4816705B2 (ja
Inventor
Osamu Nagashima
修 長島
Current Assignee (The listed assignees may be inaccurate. Google has not performed a legal analysis and makes no representation or warranty as to the accuracy of the list.)
Sony Corp
Original Assignee
Sony Corp
Priority date (The priority date is an assumption and is not a legal conclusion. Google has not performed a legal analysis and makes no representation as to the accuracy of the date listed.)
Filing date
Publication date
Application filed by Sony Corp filed Critical Sony Corp
Priority to JP2008256676A priority Critical patent/JP4816705B2/ja
Priority to TW098132304A priority patent/TW201021363A/zh
Priority to US12/586,640 priority patent/US20100079112A1/en
Priority to CN200910204034A priority patent/CN101714674A/zh
Publication of JP2010088248A publication Critical patent/JP2010088248A/ja
Application granted granted Critical
Publication of JP4816705B2 publication Critical patent/JP4816705B2/ja
Expired - Fee Related legal-status Critical Current
Anticipated expiration legal-status Critical

Links

Images

Classifications

    • H02J7/663
    • H02J7/65
    • H02J7/977

Landscapes

  • Secondary Cells (AREA)
  • Charge And Discharge Circuits For Batteries Or The Like (AREA)
  • Protection Of Static Devices (AREA)

Abstract

【課題】コストの増大を抑えつつ、広範囲に亘って精度よくバッテリセルや充放電制御スイッチ等の温度検出を行い、この検出結果を用いてバッテリセルの動作を制御するバッテリを提供する。
【解決手段】バッテリセル2等の温度変化に伴って抵抗値が変化するTH1、TH2と、TH1と直列接続されるR1を含む第1の分圧回路32と、TH2と直列接続されるR2を含む第2の分圧回路33と、R1又はR2との分圧比に応じてTH1、TH2に印加される電圧値が、バッテリセル2等の温度変化に比例して変化するように第1の分圧回路32及び第2の分圧回路33を切り替えて一方の分圧回路に基準電圧を印加して、その分圧出力に基づいて検出されるバッテリセル2等の温度が、第1の温度以上かつ第2の温度以下であるとき、バッテリセル2に対して外部機器を電気的に接続するように充放電制御スイッチ3aを制御する制御基板3とを備える。
【選択図】 図1

Description

本発明は、リチウムイオン二次電池などのバッテリに対して外部機器を電気的に接続する制御を行うバッテリの制御装置、バッテリの制御方法、及び、上記制御装置が組み込まれたバッテリに関するものである。
リチウムイオン2次電池などをバッテリセルとして使用するバッテリパックを充放電する際に温度検出は非常に重要である。特に、バッテリパックを充電中においてバッテリセルやFET(電界効果型トランジスタ:Field effect transistor)等により構成される充放電制御スイッチの許容電流以上の充電電流で充電または放電電流で放電を継続すると、バッテリセルや充放電制御スイッチが過剰に発熱するため、従来のバッテリの充電動作や放電動作では、バッテリセル等の温度がある閾値を超えた場合、充電器からの充電電流または放電電流を停止したり、バッテリパックの充電経路または放電経路をオフにしている。
例えば、特許文献1には、バッテリの温度と、このバッテリの温度上昇の影響の少ない部位における温度との差分の時間変化に基づいて、バッテリの充電を停止制御することにより、温度を基準にした充電の制御において満充電を精度良く検出する充電回路が記載されている。
特開2004―242459号公報
上述したようにバッテリセルや充放電制御スイッチ(以下、バッテリセル等という。)の温度がある上限値を超えるのを防止する必要があるが、低温環境下での使用が継続されるとセルの内部でショートする可能性があり、また、充放電制御スイッチがFETの場合にはオン抵抗値が高くなるため、このような状態で充放電をすると過剰に発熱する可能性があるため、低温時においても温度検出を正確にする必要がある。
従来のバッテリや充放電制御スイッチの動作を制御する制御装置では、バッテリセルの温度がある上限値を超えるのを防止するため、高温側だけの検出精度が高精度となるように設計されていた。このような設計においては、高温側の検出精度を向上させるようにサーミスタの温度特性を考慮した温度検出を行っている。しかし、サーミスタの温度特性は、温度と抵抗値が低温から高温の広範囲に亘って比例をしないため、温度検出の精度を一方の領域で高めると、その精度が他方の領域で低くなってしまう。よって、従来の制御装置では、低温域から高温域に亘って精度よくバッテリセル等の温度を検出できなかった。
本発明は、このような実情に鑑みて提案されたものであり、コストの増大を抑えつつ、広範囲に亘って精度よくバッテリセル等の温度検出を行い、この検出結果を用いてバッテリセルと外部機器とを電気的に接続する動作を制御するバッテリの制御装置、バッテリの制御方法、及び、上記制御装置が組み込まれたバッテリを提供することを目的とする。
上述した課題を解決するための手段として、本発明に係るバッテリの制御装置は、バッテリセル及び/又はバッテリセルと外部機器とを電気的に接続する充放電スイッチ(以下、バッテリセル等という。)の温度変化に伴って抵抗値が変化する少なくとも1つの温度検出素子からなる温度検出部と、温度検出部の温度検出素子と直列接続される第1の抵抗素子を含む第1の分圧回路と、温度検出部の温度検出素子と直列接続される第2の抵抗素子を含む第2の分圧回路と、第1の抵抗素子又は第2の抵抗素子との分圧比に応じて温度検出素子に印加される電圧値が、バッテリセル等の温度変化に比例して変化するように第1及び第2の分圧回路を切り替えて一方の分圧回路に基準電圧を印加し、その分圧出力に基づいて検出されるバッテリセル等の温度が、第1の温度以上かつ第2の温度以下であるとき、バッテリセルに対して外部機器を電気的に接続するように充放電スイッチを制御する制御部とを備える。
また、本発明に係るバッテリの制御方法は、バッテリセル及び/又はバッテリセルと外部機器とを電気的に接続する充放電スイッチ(以下、バッテリセル等という。)の温度変化に伴って抵抗値が変化する少なくとも1つの温度検出素子と直列接続される第1の抵抗素子、又は、温度検出素子と直列接続される第2の抵抗素子との分圧比に応じて、温度検出素子に印加される電圧値がバッテリセル等の温度変化に比例して変化するように、第1の抵抗素子を含む第1の分圧回路及び第2の抵抗素子を含む第2の分圧回路を切り替えて一方の分圧回路に基準電圧を印加し、基準電圧が印加された分圧回路の分圧出力に基づいて検出されるバッテリセル等の温度が、第1の温度以上かつ第2の温度以下であるとき、バッテリセルに対して外部機器を電気的に接続するように充放電スイッチを制御する。
また、本発明に係るバッテリは、バッテリセルと、バッテリセルと外部機器とを電気的に接続する充放電スイッチと、バッテリセル及び/又は充放電スイッチ(以下、バッテリセル等という。)の温度変化に伴って抵抗値が変化する少なくとも1つの温度検出素子と、温度検出素子と直列接続される第1の抵抗素子を含む第1の分圧回路と、温度検出素子と直列接続される第2の抵抗素子を含む第2の分圧回路と、第1又は第2の抵抗素子との分圧比に応じて温度検出素子に印加される電圧値が、バッテリセル等の温度変化に比例して変化するように第1の分圧回路及び第2の分圧回路を切り替えて一方の分圧回路に基準電圧を印加して、その分圧出力に基づいて検出されるバッテリセル等の温度が、第1の温度以上かつ第2の温度以下であるとき、バッテリセルに対して外部機器を電気的に接続するように充放電スイッチを制御する制御部とを備える。
本発明によれば、第1の分圧回路と第2の分圧回路とを切り替えて一方の分圧回路に基準電圧を印加して、その分圧出力を検出することで、広範囲に亘って精度よくバッテリセルや充放電制御スイッチ等の温度検出を行うことができる。本発明によれば、例えば、予め温度検出素子の電圧と温度との非線形特性を示すテーブルを記憶するための記憶素子を設ける場合に比べて、コストの増大を抑えつつ、検出したバッテリや充放電制御スイッチの温度に基づいてバッテリパックの動作を制御することができる。
以下、本発明を実施するための最良の形態について、図面を参照しながら詳細に説明する。なお、本発明は、以下の実施形態のみに限定されるものではなく、本発明の要旨を逸脱しない範囲内において種々の変更が可能であることは勿論である。なお、説明は、以下の順序で行う。
1.第1の実施の形態
2.第2の実施の形態
<1.第1の実施の形態>
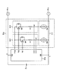
本発明が適用されたバッテリの制御装置は、リチウムイオン二次電池などのバッテリセルと外部機器との電気的な接続を制御する装置であって、例えば図1に示すようなバッテリパック1に組み込まれる。
バッテリパック1は、図1に示すように、リチウムイオン二次電池などのバッテリセル2と、バッテリセル2の動作を制御する制御基板3と、バッテリセル2と外部機器との間で電気的な接続を行う入出力部4とを備える。
バッテリセル2は、例えばリチウムイオン二次電池などの充放電可能な電池であって、接点a、bを介して制御基板3と接続され、外部機器との電気的な接続が制御される。
制御基板3には、接点a、bを介して接続されるバッテリセル2の動作を制御するため、バッテリセル2と入出力部4との電気的な接続と遮断とを行う充放電制御スイッチ3aが実装されている。また、制御基板3には、充放電制御スイッチ3aのスイッチング動作を制御する制御部3bと、バッテリセル2及び充放電制御スイッチ3aのうち少なくとも何れか一方(以下、バッテリセル2等という。)の温度を検出する温度検出回路3cとが実装されている。
充放電制御スイッチ3aは、FETなどのスイッチング素子から構成されており、制御部3bによる制御信号に従って、接点bと接点dとの電気的な接続と遮断とを制御することにより、バッテリセル2と外部機器との電気的な接続を制御する。
制御部3bは、温度検出回路3cを駆動し、温度検出回路3cによる検出結果に基づいて充放電制御スイッチ3aの動作を制御する。また、制御部3bは、当該制御部3bの内部メモリの記憶領域に、温度検出回路3cにより検出される検出温度とバッテリセル2等の温度との温度差を示す差分情報が記憶された差分情報記憶部30が設けられている。
温度検出回路3cは、バッテリセル2等の温度変化に伴って抵抗値が変化する温度検出素子を有している。ここで、この温度検出素子3cを含む分圧回路に印加される電圧は、後述するように制御部3bによって制御される。
入出力部4は、接点cを介して制御基板3と接続される正極端子4aと、接点dを介して制御基板3と接続される負極端子4bと、接点eを介して制御基板3と接続され、外部装置と通信する通信部4cとからなる。入出力部4は、バッテリセル2の充電を行う充電装置と接続され、又は、バッテリセル2からの電源供給を受ける負荷装置と接続される。通信部4cは、充電装置や負荷装置と通信可能に接続され、制御部3bから供給される情報をこれらの外部装置に通知する。
以上のような構成からなるバッテリパック1では、制御基板3において、バッテリセル2等の温度を精度よく検出して、この検出結果に基づいてバッテリセル2の充放電動作を制御するため、図2に示すような回路構成が実装されている。
図2は、制御基板3に実装される構成のうち、温度検出に係る処理系として、制御部3bと、温度検出回路3cとの具体的な回路構成を示す図である。
すなわち、制御部3bは、バッテリセル2の正極端子と接点aを介して電気的に接続されるVdd端子と、バッテリセル2の負極端子と接点bを介して電気的に接続されるGND端子とを備える。また、制御部3bは、後述する温度検出回路3cの第1の分圧回路32及び第2の分圧回路33とそれぞれ接続され、基準電圧を印加するVreg端子を備える。また、制御部3bは、後述する温度検出回路3cのスイッチング素子SW1を制御するためのVg1端子と、後述する温度検出回路3cのスイッチング素子SW2を制御するためのVg2端子とを備える。また、制御部3bは、後述する温度検出回路3cの温度検出素子TH1の正極端p1と接続されるVth1端子と、後述する温度検出回路3cの温度検出素子TH2の正極端p2と接続されるVth2端子とを備える。
また、温度検出回路3cは、2つの温度検出素子TH1、TH2からなる温度検出部31と、温度検出部31の動作を切り替えるための第1の分圧回路32、第2の分圧回路33とを備える。
温度検出部31は、2つの温度検出素子TH1、TH2からなり、これら2つの温度検出素子TH1、TH2の負極側がともにバッテリセル2の負極端子と並列して接続されている。温度検出素子TH1は、上述したようにバッテリセル2等の温度変化に伴ってその抵抗値が変化する抵抗素子であり、正極端p1を介して第1の分圧回路32と直列接続される。温度検出素子TH2は、上述したようにバッテリセル2等の温度変化に伴ってその抵抗値が変化する抵抗素子であり、正極端p2を介して第2の分圧回路33と直列接続される。
第1の分圧回路32は、温度検出素子TH1と直列接続される第1の抵抗素子R1と、第1の抵抗素子R1と制御部3bのVreg端子との電気的な接続と遮断を制御するスイッチング素子SW1とを備える。
具体的に、第1の抵抗素子R1は、温度検出素子TH1に対して、温度による抵抗値の変化が十分に無視できる抵抗素子である。また、スイッチング素子SW1は、例えばNchのMOSFETからなり、Vg1端子から印加されるゲート電圧値がHIGHになると、第1の抵抗素子R1と制御部3bのVreg端子とを電気的に接続して、Vg1端子から印加されるゲート電圧値がLOWになると、この電気的な接続を遮断する。これにより、Vg1端子から印加されるゲート電圧値がHIGHになると、第1の抵抗素子R1及び温度検出素子TH1は、Vreg端子から印加される基準電圧値にプルアップされることとなる。
第2の分圧回路33は、温度検出素子TH2と直列接続される第2の抵抗素子R2と、第2の抵抗素子R2と制御部3bのVreg端子との電気的な接続と遮断を制御するスイッチング素子SW2とを備える。
具体的に、第2の抵抗素子R2は、温度検出素子TH2に対して、温度による抵抗値の変化が十分に無視できる抵抗素子である。また、スイッチング素子SW2は、例えばNchのMOSFETからなり、Vg2端子から印加されるゲート電圧値がHIGHになると、第2の抵抗素子R2と制御部3bのVreg端子とを電気的に接続して、Vg2端子から印加されるゲート電圧値がLOWになると、この電気的な接続を遮断する。これにより、Vg2端子から印加されるゲート電圧値がHIGHになると、第2の抵抗素子R2及び温度検出素子TH2は、Vreg端子から印加される基準電圧値にプルアップされることとなる。
以上のような回路構成からなる制御基板3において、制御部3bは、Vg1端子、Vg2端子を介してスイッチング素子SW1、SW2を制御して、第1の分圧回路32と第2の分圧回路33とを切り替えて一方の分圧回路に基準電圧値を印加する。そして、第1の分圧回路32に基準電圧値を印加しているとき、制御部3bは、第1の抵抗素子R1との分圧比に応じて温度検出素子TH1に印加される電圧値をVth1端子により検出することによって、温度検出を行う。同様にして、第2の分圧回路33に基準電圧値を印加しているとき、制御部3bは、第2の抵抗素子R2との分圧比に応じて温度検出素子TH2に印加される電圧値をVth2端子により検出することによって、温度検出を行う。
以上のような接続関係からなる制御基板3では、広範囲に亘って精度よくバッテリセル等の温度検出を行うため、例えば、温度検出素子TH1を高温検出用として、温度検出素子TH2を低温検出用として用いる。具体的に、制御基板3では、検出対象となる温度領域を0℃〜60℃として、温度検出素子TH1で30℃〜60℃の温度変化を検出し、温度検出素子TH2で0℃〜30℃の温度変化を検出する。制御基板3は、図3に示すように、温度検出素子TH1に印加される電圧値が、30℃〜60℃までの高温域においてバッテリセル2等の温度変化に比例して変化するように、第1の分圧回路32を構成する素子の特性を決定する。また、制御基板3では、温度検出素子TH2に印加される電圧値が、0℃〜30℃までの低温域においてバッテリセル2等の温度変化に比例して変化するように、第2の分圧回路33を構成する素子の特性を決定する。
このようにして、各分圧回路の素子の特性を決定することにより、制御部3bは、温度検出素子TH1、TH2に印加される電圧値が、バッテリセル2等の温度変化に比例して変化するように第1の分圧回路32及び第2の分圧回路33を切り替えて一方の分圧回路に基準電圧値を印加する。そして、制御部3bは、Vth1端子及びVth2端子により、バッテリセル2等の温度変化に対して、それぞれの温度帯域で比例して変化する分圧回路の分圧出力を検出し、この分圧出力に係る電圧値に所定の変換係数を乗算して検出温度の値を得る。このようにして、制御部3bは、温度検出素子TH1、TH2に印加される電圧値に所定の変換係数を乗算して検出温度を得るので、広範囲に亘って精度よくバッテリセル2等の温度検出を行うことができる。
ここで、上述した温度検出手法以外に、広範囲に亘って精度よく温度検出するための手段としては、例えば予め温度検出素子の電圧と温度との非線形特性を示すテーブルを記憶素子に記憶して、温度検出の際にテーブルを参照することで実現することができる。このような手法に対して、制御基板3では、上述したテーブルを実現するための記憶素子又は記憶領域を設ける必要がない。更に、制御基板3では、上述したように各分圧回路を構成する素子の特性を調整すればよく、電圧値に所定の変換係数を乗算して検出温度を得るので、コストの増加を抑えつつ、広範囲に亘って精度よくバッテリセル2等の温度検出を行うことができる。
次に、制御部3bによる温度検出に係る処理フローについて図4を参照して説明する。本処理の前提として、制御部3bは、充放電制御スイッチ3aを制御してバッテリセル2に対する外部機器との電気的な接続を開始するのに応じて、バッテリセル2等の温度検出処理を開始する。
ステップS11において、制御部3bは、Vg2端子から印加するゲート電圧値を制御して、スイッチング素子SW2を電気的に接続する。このようにして、制御部3bは、第2の分圧回路33に基準電圧値を印加して、その分圧出力に係る電圧値を検出温度に変換して検出して、ステップS12に進む。
ステップS12において、制御部3bは、温度検出素子TH2により検出される検出温度が、0℃〜30℃までの低温度帯域内であるかどうかを判断する。そして、制御部3bは、検出温度が低温度帯域内であるとき温度検出素子TH2により温度検出処理を続けて行うようにして、本処理工程を終了する。また、制御部3bは、検出温度が低温度帯域内でないとき、ステップS13に進む。
ステップS13において、制御部3bは、Vg2端子から印加するゲート電圧値を制御してスイッチング素子SW2を電気的に遮断するとともに、Vg1端子から印加するゲート電圧値を制御して、スイッチング素子SW1を電気的に接続する。このようにして、制御部3bは、第1の分圧回路32に基準電圧を印加して、その分圧出力に係る電圧値を検出温度に変換して検出して、ステップS14に進む。
ステップS14において、制御部3bは、温度検出素子TH1により検出される検出温度が、30℃〜60℃までの高温度帯域内であるかどうかを判断する。そして、制御部3bは、検出温度が高温度帯域内でなくなるまで、本ステップを所定の周期毎に繰り返し行い、その後、検出温度が高温度帯域内でなくなると、ステップS15に進む。
ステップS15において、制御部3bは、Vg1端子から印加するゲート電圧値を制御してスイッチング素子SW1を電気的に遮断するとともに、Vg2端子から印加するゲート電圧値を制御して、スイッチング素子SW2を電気的に接続する。このようにして、制御部3bは、第2の分圧回路33に基準電圧値を印加して、その分圧出力に係る電圧値を検出温度に変換して検出して、本処理工程を終了する。
このようにして制御部3bは、第1の分圧回路32と第2の分圧回路33とを切り替えて一方の分圧回路に基準電圧値を印加して、分圧出力の電圧値、すなわち温度検出素子TH1、TH2に印加される電圧値を検出することで、コストの増大を抑えつつ、広範囲に亘って精度よくバッテリセル2等の温度検出を行うことができる。そして、制御部3bは、バッテリセル2等の温度が過剰に低温又は高温にならないようにするため、例えば検出温度が0℃〜60℃までの温度帯域に入っているときに、充放電制御スイッチ3aを動作させる。これにより、制御部3bは、検出したバッテリセル2等の温度に基づいて、バッテリセル2等が過剰に発熱しないように、外部機器との電気的な接続を制御することができる。
また、制御部3bは、検出温度が0℃〜60℃までの温度帯域に入ってないときでも、バッテリセル2等の温度が0℃未満になった時から所定の時間経過するまで、バッテリセル2等に対して外部機器とを電気的に接続するようにしてもよい。このようにすることで、制御部3bは、バッテリセル2と外部機器との電気的な接続をできるだけ長時間行わせることができる。これは、温度検出素子TH1、TH2による温度検出がバッテリセル2等の表面温度を検出するため、バッテリセル2内部が0℃以下に冷えるまでの時間を考慮して動作を行わせることができるからである。
また、制御基板3では、バッテリパック1のように高密度に各部材が配置された物理条件下では、バッテリセル2や充放電制御スイッチ3a等と温度検出素子TH1、TH2が離間した位置に配置され、バッテリセル2等の温度検出に係る精度が低下してしまう。すなわち、温度検出素子TH1、TH2は、バッテリセル2や充放電制御スイッチ3aに直接実装すれば高精度な温度検出が可能となるが、実際に商品化する場合は直接実装する事が困難となる。例えば、図5に示すように、バッテリパック1の周囲温度の変化に応じて、温度検出素子TH1、TH2により検出される検出温度の変化は、バッテリセル2や充放電制御スイッチ3a等に直接温度センサを接触させて計測した温度の変化と一致せず誤差が生じてしまう。
そこで、制御基板3では、制御部3bが、その内部に有する差分情報記憶部30に記憶されている差分情報を用いて、温度検出素子TH1、TH2により検出した検出温度を補正することにより検出温度の精度向上を実現する。
差分情報記憶部30は、上述したように制御部3bの有する内部メモリ上に実装され、温度検出素子TH1、TH2により検出される検出温度と、バッテリセル2等の温度との温度差を示す差分情報を記憶している。具体的に、差分情報は、温度検出素子TH1、TH2が検出した温度とバッテリセル2等の実際の温度との差分を、環境温度毎、充電電流または放電電流毎、バッテリセル2の積層状態毎に実測した値である。差分情報記憶部30は、このような実測によって得られた差分情報を記憶している。
以上のような差分情報を記憶する差分情報記憶部30を用いて、制御部3bは、図6に示すようなフローチャートに従って、温度検出素子TH1、TH2による検出温度を補正する。
まず、制御部3bは、充放電制御スイッチ3aを制御してバッテリセル2に対する充電動作又は放電動作を開始するのに応じて、バッテリセル2等の温度検出処理を開始する。
ステップS21において、制御部3bは、上述したステップS11からステップS15に従って温度検出素子TH1、TH2によりバッテリセル2等の温度を検出して、ステップS22に進む。
ステップS22において、制御部3bは、バッテリパック1の使用条件、すなわち、環境温度、充放電動作、バッテリセルの積層状態を確認する。そして、制御部3bは、確認した使用条件に対応する差分情報を差分情報記憶部30から読み出して、ステップS23に進む。
ステップS23において、制御部3bは、温度検出素子TH1、TH2に印加される分圧出力に係る電圧値に所定の変換係数を乗算して得られる検出温度から、差分情報記憶部30に記憶された差分情報で示される温度を除算することによりバッテリセル2等の温度を検出する。そして、制御部3bは、温度検出処理に係る工程を終了し、バッテリセル2等の温度が、0℃以上かつ60℃以下であるとき、バッテリセル2に対して外部機器を電気的に接続して充放電動作を行うように、充放電制御スイッチ3aを制御する。
このようにして、制御部3bは、バッテリパック1の使用条件と、バッテリセル2や充放電制御スイッチ3a等に対する温度検出素子TH1、TH2との配置を考慮して、精度よくバッテリセル2等の温度を検出することができる。
<2.第2の実施の形態>
また、本実施形態に係るバッテリパック1においては、図7に示すように、温度検出素子の素子数が1個からなる制御基板5を用いても、上述した制御基板3と同様に広範囲に亘って精度よくバッテリセル2等の温度を検出することができる。
図7は、温度検出素子の素子数が1個からなる制御基板5における回路構成のうち、温度検出処理系の構成として、制御部5bと、温度検出回路5cとの具体的な回路構成を示す図である。
制御部5bは、バッテリセル2の正極端子と接点aを介して電気的に接続されるVdd端子と、バッテリセル2の負極端子と接点bを介して電気的に接続されるGND端子とを備える。また、制御部5bは、後述する温度検出回路5cの第1の分圧回路52及び第2の分圧回路53とそれぞれ接続され、第1の分圧回路52及び第2の分圧回路53に基準電圧を印加するVreg端子を備える。また、制御部5bは、後述する温度検出回路5cのスイッチング素子SW3を制御するためのVg3端子と、後述する温度検出回路5cのスイッチング素子SW4を制御するためのVg4端子とを備える。また、制御部5bは、後述する温度検出回路5cの温度検出素子THの正極端p3と接続されるVth端子を備える。
また、温度検出回路5cは、単一の温度検出素子THからなる温度検出部51と、温度検出部51の動作を切り替えるための第1の分圧回路52、第2の分圧回路53とを備える。
温度検出部51は、単一の温度検出素子THからなり、この温度検出素子THの負極側がバッテリセル2の負極端子と並列して接続されている。温度検出素子THは、上述したようにバッテリセル2等の温度変化に伴ってその抵抗値が変化する抵抗素子であり、正極端p3を介して第1の分圧回路52と第2の分圧回路53と接続される。
第1の分圧回路52は、温度検出素子THと正極端p3を介して接続される第1の抵抗素子R3と、第1の抵抗素子R3と制御部5bのVreg端子との電気的な接続と遮断を制御するスイッチング素子SW3とを備える。
具体的に、第1の抵抗素子R3は、温度検出素子THに対して、温度による抵抗値の変化が十分に無視できる抵抗素子である。また、スイッチング素子SW3は、例えばNchのMOSFETからなり、Vg3端子から印加されるゲート電圧値がHIGHになると、第1の抵抗素子R3と制御部5bのVreg端子とを電気的に接続して、Vg3端子から印加されるゲート電圧値がLOWになると、この電気的な接続を遮断する。これにより、Vg3端子から印加されるゲート電圧値がHIGHになると、第1の抵抗素子R3及び温度検出素子THは、Vreg端子から印加される基準電圧値にプルアップされることとなる。
第2の分圧回路53は、温度検出素子THと正極端p3を介して接続される第2の抵抗素子R4と、第2の抵抗素子R4と制御部5bのVreg端子との電気的な接続と遮断を制御するスイッチング素子SW4とを備える。
具体的に、第2の抵抗素子R4は、温度検出素子THに対して、温度による抵抗値の変化が十分に無視できる抵抗素子である。また、スイッチング素子SW4は、例えばNchのMOSFETからなり、Vg4端子から印加されるゲート電圧値がHIGHになると、第2の抵抗素子R4と制御部5bのVreg端子とを電気的に接続して、Vg4端子から印加されるゲート電圧値がLOWになると、この電気的な接続を遮断する。これにより、Vg4端子から印加されるゲート電圧値がHIGHになると、第2の抵抗素子R4及び温度検出素子THは、Vreg端子から印加される基準電圧値にプルアップされることとなる。
以上のような回路構成からなる制御基板5において、制御部5bは、Vg3端子、Vg4端子を介してスイッチング素子SW3、SW4を制御して、第1の分圧回路52と第2の分圧回路53とを切り替えて、一方の分圧回路に基準電圧を印加する。そして、第1の分圧回路52に基準電圧値を印加しているとき、制御部5bは、第1の抵抗素子R3との分圧比に応じて温度検出素子THに印加される電圧値をVth端子により検出することによって、温度検出を行う。同様にして、第2の分圧回路53に基準電圧値を印加しているとき、制御部5bは、第2の抵抗素子R4との分圧比に応じて温度検出素子THに印加される電圧値をVth端子により検出することによって、温度検出を行う。
以上のような回路構成からなる制御基板5は、制御基板3と同様に検出温度の領域を0℃〜60℃とした場合、次のようにして、各分圧回路を構成する素子の特性を調整する。すなわち、制御基板5は、第1の分圧回路52を介して温度検出素子THに印加される電圧値が、30℃〜60℃までの高温域においてバッテリセル2等の温度変化に比例して変化するように第1の分圧回路52を構成する素子の特性を決定する。また、制御基板3では、第2の分圧回路53を介して温度検出素子THに印加される電圧値が、0℃〜30℃までの低温域においてバッテリセル2等の温度変化に比例して変化するように、第2の分圧回路53を構成する素子の特性を決定する。
このようにして、各素子の特性を決定することにより、制御部5bは、温度検出素子THに印加される電圧値が、バッテリセル2等の温度変化に比例して変化するように第1の分圧回路52及び第2の分圧回路53を切り替えて、一方の分圧回路に基準電圧を印加する。そして、制御部5bは、Vth端子により、バッテリセル2等の温度変化に対して、それぞれの温度帯域で比例して変化する電圧値を検出し、この電圧値に所定の変換係数を乗算して検出温度の値を得る。このようにして、制御部5bは、温度検出素子THに印加される電圧値に所定の変換係数を乗算して検出温度を得るので、広範囲に亘って精度よくバッテリセル2等の温度検出を行うことができる。特に、制御基板5は、温度検出素子の素子数を1個にすることができ、上述した制御基板3に比べてさらにコストを抑制しつつバッテリセル2等の温度検出を行うことができる。
なお、バッテリパック1では、制御基板上において、温度検出素子に印加される電圧値がバッテリセル2等の温度変化に比例して変化するように実装されていれば、温度検出素子の素子数が上述した1個又は2個に限定されない。特に、バッテリパック1では、より多数の温度検出素子を用いることで、設計の自由度が増し、より高精度にバッテリセル2等の温度の温度検出を行うことができる。
また、バッテリパック1では、広範囲に亘って精度よく検出されるバッテリセル2等の温度検出を通信部4cを介して外部に送信するようにしてもよい。このようなバッテリセル2等の温度情報は、例えば、バッテリパック1の充電容量を精度よく推定するための情報として用いることができる。
本発明が適用されたバッテリパックの全体構成を示す図である。 制御基板に実装される構成のうち、温度検出に係る処理系の具体的な回路構成を示す図である。 制御基板に実装される温度検出素子の温度特性について説明するための図である。 制御部3bによる温度検出に係る処理フローについての説明に供するフローチャートである。 バッテリパックの周囲温度の変化に応じた温度検出素子とバッテリセル等との温度変化について説明するための図である。 温度検出素子TH1、TH2による検出温度の補正処理についての説明に供するフローチャートである。 制御基板に実装される構成のうち、温度検出に係る処理系の具体的な回路構成を示す図である。
符号の説明
1 バッテリパック、2 バッテリセル、3、5 制御基板、3a 充放電制御スイッチ、3b、5b 制御部、3c、5c 温度検出回路、4 入出力部、4a 正極端子、4b 負極端子、30 差分情報記憶部、31、51 温度検出部、32、52 第1の分圧回路、33、53 第2の分圧回路、TH、TH1、TH2 温度検出素子、R1、R3 第1の抵抗素子、R2、R4 第2の抵抗素子、SW1−SW4 スイッチング素子

Claims (6)

  1. バッテリセル及び/又は上記バッテリセルと外部機器とを電気的に接続する充放電スイッチ(以下、バッテリセル等という。)の温度変化に伴って抵抗値が変化する少なくとも1つの温度検出素子からなる温度検出部と、
    上記温度検出部の温度検出素子と直列接続される第1の抵抗素子を含む第1の分圧回路と、
    上記温度検出部の温度検出素子と直列接続される第2の抵抗素子を含む第2の分圧回路と、
    上記第1の抵抗素子又は上記第2の抵抗素子との分圧比に応じて上記温度検出素子に印加される電圧値が、上記バッテリセル等の温度変化に比例して変化するように上記第1及び第2の分圧回路を切り替えて一方の分圧回路に基準電圧を印加し、その分圧出力に基づいて検出される上記バッテリセル等の温度が、第1の温度以上かつ第2の温度以下であるとき、上記バッテリセルに対して外部機器を電気的に接続するように上記充放電スイッチを制御する制御部とを備えるバッテリの制御装置。
  2. 上記温度検出部は、単一の上記温度検出素子からなり、
    上記第1の分圧回路及び上記第2の分圧回路は、それぞれ同一の上記温度検出素子と接続されている請求項1記載のバッテリの制御装置。
  3. 上記温度検出素子に印加される電圧値に所定の変換係数を乗算して得られる検出温度と、上記バッテリセル等の温度との温度差を示す差分情報が記憶された差分情報記憶部を更に備え、
    上記制御部は、上記温度検出素子に印加される電圧値に所定の変換係数を乗算して得られる検出温度と、上記差分情報記憶部に記憶された差分情報とから、上記バッテリセル等の温度を検出して、上記バッテリセル等の温度が、上記第1の温度以上かつ上記第2の温度以下であるとき、上記バッテリセルに対して外部機器を電気的に接続するように上記充放電スイッチを制御する請求項2記載のバッテリの制御装置。
  4. 上記制御部は、上記バッテリセル等の温度が上記第1の温度未満になった時から所定の時間経過するまで、上記バッテリセルに対して外部機器を電気的に接続するように上記充放電スイッチを制御する請求項3記載のバッテリの制御装置。
  5. バッテリセル及び/又は上記バッテリセルと外部機器とを電気的に接続する充放電スイッチ(以下、バッテリセル等という。)の温度変化に伴って抵抗値が変化する少なくとも1つの温度検出素子と直列接続される第1の抵抗素子、又は、上記温度検出素子と直列接続される第2の抵抗素子との分圧比に応じて、上記温度検出素子に印加される電圧値が上記バッテリセル等の温度変化に比例して変化するように、上記第1の抵抗素子を含む第1の分圧回路及び上記第2の抵抗素子を含む第2の分圧回路を切り替えて一方の分圧回路に基準電圧を印加し、
    上記基準電圧が印加された分圧回路の分圧出力に基づいて検出される上記バッテリセル等の温度が、第1の温度以上かつ第2の温度以下であるとき、上記バッテリセルに対して外部機器を電気的に接続するように上記充放電スイッチを制御するバッテリの制御方法。
  6. バッテリセルと、
    上記バッテリセルと外部機器とを電気的に接続する充放電スイッチと、
    上記バッテリセル及び/又は上記充放電スイッチ(以下、バッテリセル等という。)の温度変化に伴って抵抗値が変化する少なくとも1つの温度検出素子と、
    上記温度検出素子と直列接続される第1の抵抗素子を含む第1の分圧回路と、
    上記温度検出素子と直列接続される第2の抵抗素子を含む第2の分圧回路と、
    上記第1又は第2の抵抗素子との分圧比に応じて上記温度検出素子に印加される電圧値が、上記バッテリセル等の温度変化に比例して変化するように上記第1の分圧回路及び上記第2の分圧回路を切り替えて一方の分圧回路に基準電圧を印加して、その分圧出力に基づいて検出される上記バッテリセル等の温度が、第1の温度以上かつ第2の温度以下であるとき、上記バッテリセルに対して外部機器を電気的に接続するように上記充放電スイッチを制御する制御部とを備えるバッテリ。
JP2008256676A 2008-10-01 2008-10-01 バッテリの制御装置、バッテリの制御方法、及び、バッテリ Expired - Fee Related JP4816705B2 (ja)

Priority Applications (4)

Application Number Priority Date Filing Date Title
JP2008256676A JP4816705B2 (ja) 2008-10-01 2008-10-01 バッテリの制御装置、バッテリの制御方法、及び、バッテリ
TW098132304A TW201021363A (en) 2008-10-01 2009-09-24 Battery controller, battery control method, and battery
US12/586,640 US20100079112A1 (en) 2008-10-01 2009-09-25 Battery controller, battery control method, and battery
CN200910204034A CN101714674A (zh) 2008-10-01 2009-09-30 电池组控制器、电池组的控制方法和电池组

Applications Claiming Priority (1)

Application Number Priority Date Filing Date Title
JP2008256676A JP4816705B2 (ja) 2008-10-01 2008-10-01 バッテリの制御装置、バッテリの制御方法、及び、バッテリ

Publications (2)

Publication Number Publication Date
JP2010088248A true JP2010088248A (ja) 2010-04-15
JP4816705B2 JP4816705B2 (ja) 2011-11-16

Family

ID=42056706

Family Applications (1)

Application Number Title Priority Date Filing Date
JP2008256676A Expired - Fee Related JP4816705B2 (ja) 2008-10-01 2008-10-01 バッテリの制御装置、バッテリの制御方法、及び、バッテリ

Country Status (4)

Country Link
US (1) US20100079112A1 (ja)
JP (1) JP4816705B2 (ja)
CN (1) CN101714674A (ja)
TW (1) TW201021363A (ja)

Cited By (2)

* Cited by examiner, † Cited by third party
Publication number Priority date Publication date Assignee Title
CN102064585A (zh) * 2011-01-06 2011-05-18 田剑彪 多节锂电池保护电路阈值可调集成电路
WO2016060356A1 (ko) * 2014-10-13 2016-04-21 (주)샌버드 배터리 보호회로

Families Citing this family (8)

* Cited by examiner, † Cited by third party
Publication number Priority date Publication date Assignee Title
JP5554622B2 (ja) * 2010-04-21 2014-07-23 株式会社マキタ 電動工具用装置
CN101915897A (zh) * 2010-07-20 2010-12-15 安徽鑫龙电器股份有限公司 一种电池巡检仪及电池电压采集方法
CN103247828A (zh) * 2012-02-02 2013-08-14 凹凸电子(武汉)有限公司 电池异常处理装置和方法、电池系统以及用电设备
KR102319241B1 (ko) * 2017-01-03 2021-10-28 삼성에스디아이 주식회사 전압 검출 집적회로 및 이를 포함하는 배터리 관리 시스템
US10879715B2 (en) * 2017-03-08 2020-12-29 Mediatek Inc. Method for improving temperature management of battery pack
CN106992502B (zh) * 2017-04-28 2019-03-05 南京中感微电子有限公司 一种电池保护电路及晶片
JP6647436B1 (ja) * 2019-01-17 2020-02-14 日本たばこ産業株式会社 エアロゾル吸引器用の電源ユニット、エアロゾル吸引器用の電源ユニットの制御方法及びプログラム
US20230170724A1 (en) * 2021-11-29 2023-06-01 Transportation Ip Holdings, Llc Power control system and method

Citations (4)

* Cited by examiner, † Cited by third party
Publication number Priority date Publication date Assignee Title
JP2004242459A (ja) * 2003-02-07 2004-08-26 Sony Corp 充電回路、バッテリの充電方法及び携帯型オーディオ機器
JP2006032015A (ja) * 2004-07-13 2006-02-02 Murata Mfg Co Ltd 電池パックの保護回路
JP2007113921A (ja) * 2005-10-18 2007-05-10 Yokogawa Electric Corp 変換演算装置
JP2007183113A (ja) * 2006-01-04 2007-07-19 Matsushita Electric Ind Co Ltd 温度検出装置

Family Cites Families (8)

* Cited by examiner, † Cited by third party
Publication number Priority date Publication date Assignee Title
US5818204A (en) * 1996-12-20 1998-10-06 Ericsson Inc. Battery charging methods and apparatuses
US6326767B1 (en) * 1999-03-30 2001-12-04 Shoot The Moon Products Ii, Llc Rechargeable battery pack charging system with redundant safety systems
JP4085906B2 (ja) * 2003-07-18 2008-05-14 日立工機株式会社 電池の充電装置
JP4079871B2 (ja) * 2003-12-17 2008-04-23 三洋電機株式会社 パック電池
JP4046106B2 (ja) * 2004-06-16 2008-02-13 株式会社村田製作所 電池パックの保護回路および電池パック
US20060119322A1 (en) * 2004-12-04 2006-06-08 Hossein Maleki Battery pack with temperature activated boost
SG126909A1 (en) * 2005-05-02 2006-11-29 Daytona Control Co Ltd Temperature control apparatus
US20080191667A1 (en) * 2007-02-12 2008-08-14 Fyrestorm, Inc. Method for charging a battery using a constant current adapted to provide a constant rate of change of open circuit battery voltage

Patent Citations (4)

* Cited by examiner, † Cited by third party
Publication number Priority date Publication date Assignee Title
JP2004242459A (ja) * 2003-02-07 2004-08-26 Sony Corp 充電回路、バッテリの充電方法及び携帯型オーディオ機器
JP2006032015A (ja) * 2004-07-13 2006-02-02 Murata Mfg Co Ltd 電池パックの保護回路
JP2007113921A (ja) * 2005-10-18 2007-05-10 Yokogawa Electric Corp 変換演算装置
JP2007183113A (ja) * 2006-01-04 2007-07-19 Matsushita Electric Ind Co Ltd 温度検出装置

Cited By (2)

* Cited by examiner, † Cited by third party
Publication number Priority date Publication date Assignee Title
CN102064585A (zh) * 2011-01-06 2011-05-18 田剑彪 多节锂电池保护电路阈值可调集成电路
WO2016060356A1 (ko) * 2014-10-13 2016-04-21 (주)샌버드 배터리 보호회로

Also Published As

Publication number Publication date
JP4816705B2 (ja) 2011-11-16
CN101714674A (zh) 2010-05-26
TW201021363A (en) 2010-06-01
US20100079112A1 (en) 2010-04-01

Similar Documents

Publication Publication Date Title
JP4816705B2 (ja) バッテリの制御装置、バッテリの制御方法、及び、バッテリ
JP4995643B2 (ja) 非水系電解質二次電池の内部短絡検知方法および装置
KR102028170B1 (ko) 셀 밸런싱 회로 및 이를 구비한 배터리 팩
CN101599552B (zh) 电池组及其充电方法
US8278876B2 (en) Battery pack current monitoring
US8633677B2 (en) Battery pack and method of charging battery pack
TWI415360B (zh) 電池組充電系統
US7633268B2 (en) Charging apparatus
US8994333B2 (en) Battery pack and method of controlling the same
CN102082310A (zh) 能够保护电池单体免受高温膨胀的电池包和方法
CN102201688A (zh) 电池状态监视电路及电池装置
JP2012018037A (ja) 電圧測定回路及び方法
JP2009052975A (ja) 電池残量算出回路、及びこれを用いる電池パック
JP2008269855A (ja) 電池パック及びそれを用いた電子機器
JP4407641B2 (ja) 2次電池装置
JP4934419B2 (ja) 電池パック
US12255639B2 (en) FET controlling apparatus and method
KR20180047178A (ko) Csr 지원 ic 소자 공용화를 위한 배터리 보호회로
CN116583751A (zh) 绝缘电阻测量装置
JP2006020382A (ja) 直流電圧供給装置
US8378637B2 (en) Self-discharge circuit for secondary battery, and secondary battery including the same
JP2010028920A (ja) 充電池の充電装置
KR102320110B1 (ko) 하나의 전류 센싱 저항을 갖는 배터리 보호 회로
JP2000217264A (ja) 電池種別検出回路
JP3771451B2 (ja) 2次電池ユニット及び残容量表示装置

Legal Events

Date Code Title Description
A621 Written request for application examination

Free format text: JAPANESE INTERMEDIATE CODE: A621

Effective date: 20100121

A977 Report on retrieval

Free format text: JAPANESE INTERMEDIATE CODE: A971007

Effective date: 20100729

A131 Notification of reasons for refusal

Free format text: JAPANESE INTERMEDIATE CODE: A131

Effective date: 20100831

A521 Request for written amendment filed

Free format text: JAPANESE INTERMEDIATE CODE: A523

Effective date: 20101014

TRDD Decision of grant or rejection written
A01 Written decision to grant a patent or to grant a registration (utility model)

Free format text: JAPANESE INTERMEDIATE CODE: A01

Effective date: 20110802

A01 Written decision to grant a patent or to grant a registration (utility model)

Free format text: JAPANESE INTERMEDIATE CODE: A01

A61 First payment of annual fees (during grant procedure)

Free format text: JAPANESE INTERMEDIATE CODE: A61

Effective date: 20110815

FPAY Renewal fee payment (event date is renewal date of database)

Free format text: PAYMENT UNTIL: 20140909

Year of fee payment: 3

FPAY Renewal fee payment (event date is renewal date of database)

Free format text: PAYMENT UNTIL: 20140909

Year of fee payment: 3

R250 Receipt of annual fees

Free format text: JAPANESE INTERMEDIATE CODE: R250

LAPS Cancellation because of no payment of annual fees