JP2010036121A - タイヤ切断装置 - Google Patents

タイヤ切断装置 Download PDF

Info

Publication number
JP2010036121A
JP2010036121A JP2008202455A JP2008202455A JP2010036121A JP 2010036121 A JP2010036121 A JP 2010036121A JP 2008202455 A JP2008202455 A JP 2008202455A JP 2008202455 A JP2008202455 A JP 2008202455A JP 2010036121 A JP2010036121 A JP 2010036121A
Authority
JP
Japan
Prior art keywords
tire
roller
cutting
movable blade
conveying
Prior art date
Legal status (The legal status is an assumption and is not a legal conclusion. Google has not performed a legal analysis and makes no representation as to the accuracy of the status listed.)
Granted
Application number
JP2008202455A
Other languages
English (en)
Other versions
JP5230295B2 (ja
Inventor
Yoshio Mimura
義雄 三村
Current Assignee (The listed assignees may be inaccurate. Google has not performed a legal analysis and makes no representation or warranty as to the accuracy of the list.)
Onodani Kiko KK
Original Assignee
Onodani Kiko KK
Priority date (The priority date is an assumption and is not a legal conclusion. Google has not performed a legal analysis and makes no representation as to the accuracy of the date listed.)
Filing date
Publication date
Application filed by Onodani Kiko KK filed Critical Onodani Kiko KK
Priority to JP2008202455A priority Critical patent/JP5230295B2/ja
Publication of JP2010036121A publication Critical patent/JP2010036121A/ja
Application granted granted Critical
Publication of JP5230295B2 publication Critical patent/JP5230295B2/ja
Active legal-status Critical Current
Anticipated expiration legal-status Critical

Links

Images

Classifications

    • YGENERAL TAGGING OF NEW TECHNOLOGICAL DEVELOPMENTS; GENERAL TAGGING OF CROSS-SECTIONAL TECHNOLOGIES SPANNING OVER SEVERAL SECTIONS OF THE IPC; TECHNICAL SUBJECTS COVERED BY FORMER USPC CROSS-REFERENCE ART COLLECTIONS [XRACs] AND DIGESTS
    • Y02TECHNOLOGIES OR APPLICATIONS FOR MITIGATION OR ADAPTATION AGAINST CLIMATE CHANGE
    • Y02WCLIMATE CHANGE MITIGATION TECHNOLOGIES RELATED TO WASTEWATER TREATMENT OR WASTE MANAGEMENT
    • Y02W30/00Technologies for solid waste management
    • Y02W30/50Reuse, recycling or recovery technologies
    • Y02W30/62Plastics recycling; Rubber recycling

Landscapes

  • Processing Of Solid Wastes (AREA)
  • Crushing And Pulverization Processes (AREA)
  • Separation, Recovery Or Treatment Of Waste Materials Containing Plastics (AREA)

Abstract


【課題】 大形のタイヤを細分化することができる小形のタイヤ切断装置を提供する。
【解決手段】 可動ローラ14を下降させることによってタイヤ部分3を可動ローラ14と固定ローラ13とによって挟着する。制御部6は、可動ローラ14および固定ローラ13を回転させることによってタイヤ部分3を搬送方向Xの下流側X2に搬送動作と、可動刃25を下降させることによって、タイヤ部分3の挟着位置から搬送方向Xの下流側X2に突出した部分を切断させる切断動作とを繰返して制御する。
【選択図】 図1

Description

本発明は、タイヤを切断するタイヤ切断装置に関する。
廃棄された廃タイヤの多くは再利用される。廃タイヤは、たとえば燃料として利用されたり、タイヤの材料として利用されたり、タイヤ以外のゴム製品の材料として利用されたりする。廃タイヤは、廃棄された状態のまま再利用されずに、チップ状に細分化されて再利用される。また廃タイヤの運搬および保管の便を考慮すると、占有体積が小さい方が好ましく、廃タイヤは、占有体積を小さくするためにチップ状に細分化される。
従来の技術として廃タイヤを細分化する2軸せん断カッター装置がある(たとえば特許文献1参照)。この2軸せん断カッター装置は、平行に延びる2本のカッター軸を備える。各カッター軸には、カッター軸の延びる方向に等間隔をあけて複数のカッターが配置される。各カッター軸に設けられるカッターは、互いに噛合った状態で各カッター軸の回転ともなって回転する。このカッターが噛合う領域に廃タイヤを押圧すると、カッターによって廃タイヤがせん断され、細分化される。
特開2005−296742号公報
大型の車両に用いられるタイヤは、普通自動車のタイヤに比べて大形であり、厚さが大きい。特に接地する部分の厚さは大きく、この分厚い部分を細分化するためには大きなせん断力を必要とし、従来の技術の2軸せん断カッター装置では、大きなトルクを発生させるモータが必要となり、装置のコストが高くなるとともに、大形化するという問題がある。
したがって本発明の目的は、大形のタイヤを細分化することができる小形のタイヤ切断装置を提供することである。
本発明は、タイヤを周方向に複数に分割したタイヤ部分を、挟着した状態で長手方向一端部から長手方向他端部に向かって搬送する搬送手段と、
前記搬送手段の搬送方向下流側に近接して設けられ、搬送手段による挟着位置から搬送方向下流側に突出した部分を切断する切断手段と、
前記搬送手段および切断手段を制御し、搬送手段を搬送動作させた状態では、切断手段の切断動作を停止させ、前記搬送手段の搬送動作を停止させた状態では、前記切断手段に切断動作させる制御手段とを含むことを特徴とするタイヤ切断装置である。
また本発明は、前記搬送手段は、
略水平な第1の回転軸線まわりに回転駆動される第1ローラと、
第1ローラを第1の回転軸線まわりに回転駆動する第1ローラ駆動手段と、
第1ローラの回転軸線にほぼ平行な第2の回転軸線まわりに回転駆動される第2ローラと、
第2ローラを第2の回転軸線まわりに回転駆動する第2ローラ駆動手段とを含み、
前記制御手段は、第1および第2駆動手段の回転駆動を制御することを特徴とする。
さらに本発明は、前記切断手段は、固定刃と、可動刃と、可動刃を固定刃に対して近接および離反する方向に変位駆動する可動刃駆動手段とを含むことを特徴とする。
さらに本発明は、前記搬送手段によるタイヤ部分の搬送経路に臨んで設けられ、タイヤ部分を検出するタイヤ部分検出手段をさらに含み、
前記制御手段は、前記タイヤ部分検出手段からの出力に応答して、タイヤ部分検出手段によってタイヤ部分が検出された状態では、前記搬送手段の搬送動作を許可し、タイヤ部分検出手段によってタイヤ部分が検出されない状態では、前記搬送手段の搬送動作を停止させることを特徴とする。
本発明によれば、制御手段によって搬送手段と切断手段とを交互に動作させて、タイヤ部分を長手方向一端部から長手方向他端部にわたって切断する切断動作を時系列的に連続して行うことができる。これによって、経年変化によって硬化し、かつ厚みの大きい硬質のタイヤ部分を、作業者への負担を可及的に少なくして長手方向に細分化するように切断することができ、切断作業の効率を向上することができる。
また本発明によれば、厚みが大きくかつ硬化したタイヤ部分を第1および第2ローラによって大きな強度で挟着することができ、切断手段によって切断するときにタイヤ部分が所期の挟着位置からずれることを防ぐことができる。これによってタイヤ部分を所望する大きさに切断することができ、大きさにばらつきの少ない切断片を得ることができる。
また本発明によれば、可動刃駆動手段が、可動刃を固定刃に対して近接させるように変位駆動することによって、より大きなせん断力を生じ、タイヤ部分が硬質でかつ厚さが大きい場合であっても、確実に切断することができる。
さらに本発明によれば、タイヤ部分検出手段は、タイヤ部分の搬送経路に臨んで設けられ、搬送手段によって搬送されるタイヤ部分を検出する。制御手段に制御される搬送手段は、タイヤ部分検出手段によってタイヤ部分が検出されなくなると、すなわちタイヤ部分の長手方向の他端を挟着位置まで搬送すると、搬送動作を停止する。これによって不必要な搬送動作を行うことなくタイヤ部分の細分化を行うことができる。
図1は、本発明の実施の一形態のタイヤ切断装置1の正面図である。図2は、タイヤ切断装置1の左側面図である。図3は、タイヤ切断装置1の平面図である。タイヤ切断装置1は、大型車および特定大型車などの普通自動車よりも大型の車両に用いられる大形のタイヤ2を切断する装置として用いられる。
図4は、タイヤ切断装置1によって切断される前のタイヤ2の正面図である。本実施の形態のタイヤ切断装置1は、大形のタイヤ2を周方向tに分割して前処理を行った後のタイヤ部分3をさらに切断して細分化する。図4には、タイヤ2を周方向tに8等分割した場合を示す。また理解の容易のために、図2にはタイヤ切断装置1に加えてタイヤ部分3が示されている。タイヤ部分3の長手方向Lとは、タイヤ2の回転軸線を含む仮想平面上でのタイヤ2の断面において、一端と他端とを結ぶ方向である。
タイヤ切断装置1は、タイヤ部分3を挟着した状態でタイヤ部分3の長手方向Lの一端部3aから長手方向Lの他端部3bに向かって搬送する搬送部4と、搬送部4の搬送方向Xの下流側X2に近接して設けられ、搬送部4による挟着位置から搬送方向Xの下流側X2に突出した部分を切断する切断部5と、搬送部4および切断部5を制御する制御部6とを含んで構成される。タイヤ切断装置1は、工場の床などに設置される。以下、タイヤ切断装置1が設置された状態を前提とした説明を行う。また本実施の形態では搬送方向Xは水平方向に一致またはほぼ一致する。
タイヤ切断装置1は、タイヤ部分3の切断作業を行うときにタイヤ部分3を載置する作業台7をさらに含む。この作業台7の鉛直方向Zの下端部が工場の床などに接して設置される。この作業台7は、略四角柱の箱型の形状であって、搬送方向Xの上流側X1の全面が開口している。この作業台7の鉛直方向Zの上方Z1の上面部8(以下、載置台8という)の上方Z1の表面にタイヤ部分3が載置されて、搬送方向Xの下流側X2に搬送される。図2では、タイヤ部分3を配置した切断前のタイヤ部分3の状態を示し、作業台7の内周面によって形成される収容空間9にタイヤ部分3の一部が入り込んでいる。載置台8は、作業台7の鉛直方向Zおよび搬送方向Xにそれぞれ垂直な方向Y(以下、切断方向Yという)の両側壁11に対して、切断方向Yにそれぞれ突出する突出部分12を有する。作業台7の高さH1は、作業者が作業し易い高さに選ばれ、たとえば900mmに選ばれる。また作業台7の切断方向Yの幅W1は、たとえば570mmに選ばれる。
搬送部4は、略水平な第1の回転軸線まわりに回転駆動される第1ローラに相当する固定ローラ13と、固定ローラ13の第1の回転軸線にほぼ平行な第2の回転軸線まわりに回転駆動される第2ローラに相当する可動ローラ14と、固定ローラ13を第1の回転軸線まわりに回転駆動する第1ローラ駆動手段に相当する固定ローラ用駆動部M1と、可動ローラ14を第2の回転軸線まわりに回転駆動する第2ローラ駆動手段に相当する可動ローラ用駆動部M2とを含む。
固定ローラ13は、載置台8に第1の回転軸線まわりに回転可能に軸支される。載置台8には、搬送方向Xの上流側X1の端部に、両突出部分12間にわたって固定ローラ13を収容する空間が形成される。この空間に固定ローラ13が切断方向Yに延びて配置され、両突出部分12に両端部が軸支される。固定ローラ13は、切断方向Yに延びる円柱形状の固定ローラ本体13aと、固定ローラ本体13aから半径方向に突出して形成される1または複数(本実施の形態では9)のフランジ部13bとを含んで構成される。フランジ部13bは、切断方向Yに等間隔をあけて配置され、半径方向の外方の周縁部が鋸刃状に形成される。
固定ローラ用駆動部M1は、作業台7の一方の両側壁11の一方11aにおいて、両側壁11の他方11bとは反対側に固定して設けられる。本実施の形態における固定ローラ用駆動部M1は、ACモータ、ステッピングモータおよびDCモータなどの電動機によって実現される。固定ローラ用駆動部M1の回転子とともに回転するシャフトと、固定ローラ13とには、それぞれスプロケットが設けられ、各スプロケットはローラチェーンによって接続される。これによって固定ローラ用駆動部M1の回転駆動によって、固定ローラ13が第1の回転軸線まわりに回転する。
タイヤ切断装置1は、可動ローラ14および可動ローラ用駆動部M2を支持するローラ支持部17と、このローラ支持部17を鉛直方向Zに変位駆動するローラ用昇降部18とをさらに備える。
ローラ支持部17は、切断方向Yに延びて板状に形成されるローラ支持部本体17aと、ローラ支持部本体17aの切断方向Yの両端部からそれぞれ下方Z2に延びて形成されるローラ軸受部17bとを含んで構成される。可動ローラ14は、固定ローラ13の上方Z1において切断方向Yに延びて配置され、切断方向Yの両端部がローラ軸受部17bに回転可能に軸支される。可動ローラ14は、切断方向Yに延びる円柱形状の可動ローラ本体14aと、可動ローラ本体14aから半径方向に突出して形成される1または複数(本実施の形態では12)のフランジ部14bとを含んで構成される。フランジ部14bは、切断方向Yに等間隔をあけて配置され、半径方向の外方の周縁部が鋸刃状に形成される。
可動ローラ用駆動部M2は、ローラ支持部17の切断方向Yの一方Y1の端部に設けられる。本実施の形態における可動ローラ用駆動部M2は、ACモータ、ステッピングモータおよびDCモータなどの電動機によって実現される。可動ローラ用駆動部M2の回転子とともに回転するシャフトと、可動ローラ14とには、それぞれスプロケットが設けられ、各スプロケットはローラチェーンによって接続される。これによって可動ローラ用駆動部M2の回転駆動によって、可動ローラ14が第2の回転軸線まわりに回転する。
ローラ用昇降部18は、ローラ支持部17の上方Z1に配置され、ローラ支持部17を支持するとともに、鉛直方向Zに変位駆動する。ローラ用昇降部18は、ローラ支持部本体17aの上方Z1で切断方向Yに延びるローラ用架台21と、このローラ用架台21の切断方向Yの両端部にそれぞれ形成されるガイド用貫通孔に貫通して鉛直方向Zにそれぞれ延び、下方Z2の端部がローラ支持部本体17aに接合される2本のローラ用ガイド支柱22と、ローラ用架台21の切断方向Yの両端部からそれぞれ上方Z1に延びる2本の取付板体20と、ローラ用シリンダ23と、油圧ユニット24とを含んで構成される。2本の取付板体20は、上方Z1の端部がそれぞれ後述する可動刃用架台27の搬送方向Xの上流側X1の側面部に固定されて支持される。これによって取付板体20およびローラ用架台21が固定される。なお図2では理解の容易のために油圧ユニット24を省略している。
ローラ用シリンダ23は、複動形シリンダから成り、ローラ用架台21の中央部に形成される貫通孔を鉛直方向Zに貫通して下方Z2の端部がローラ支持部本体17aに接合されるローラ用ピストンロッド23aと、ローラ用架台21に上方Z1から設けられるローラ用シリンダチューブ23bとを含んで構成される。ローラ用ピストンロッド23aの鉛直方向Zの変位にともなって、可動ローラ14および2本のローラ用ガイド支柱22が、ローラ用架台21に形成されるガイド用貫通孔に案内されて鉛直方向Zに変位する。
図2に示すように、固定ローラ13と可動ローラ14との間にタイヤ部分3を挿入した状態で、可動ローラ14を下方Z2に下降させると、固定ローラ13と可動ローラ14とでタイヤ部分3が挟着位置で挟着される。このとき固定ローラ13および可動ローラ14の鋸刃状のフランジ部13b,14bがそれぞれタイヤ部分3に食い込むので、固定ローラ13および可動ローラ14と、タイヤ部分3との間にすべりが生じることを防ぐことができる。この挟着状態で固定ローラ13および可動ローラ14が回転していないときには、タイヤ部分3が動かず、固定ローラ13および可動ローラ14を回転させると、タイヤ部分3が搬送方向Xの下流側X2に搬送される。
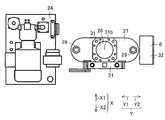
切断部5は、固定刃と、可動刃25と、可動刃25を固定刃に対して近接および離反する方向に変位駆動する可動刃駆動手段に相当する可動刃用昇降部26とを含んで構成される。タイヤ切断装置1は、可動刃用昇降部26の一部を支持する可動刃用架台27と、可動刃25を支持する可動刃支持部28と、可動刃用架台27を支持するとともに可動刃支持部28の鉛直方向Zの変位を案内する2本の可動刃用ガイド支柱29とをさらに備える。
可動刃用架台27は、切断方向Yに延びて形成される板状体であって、載置台8とほぼ同じ搬送方向Xの幅および切断方向Yの幅を有し、載置台8の上方Z1に設けられる。2本の可動刃用ガイド支柱29のうちの一方29aは、鉛直方向Zに延びて配置され、載置台8および可動刃用架台27の切断方向Yの一方Y1の端部において搬送方向Xの中央部をそれぞれ貫通して設けられる。可動刃用ガイド支柱29の他方29bは、鉛直方向Zに延びて配置され、載置台8および可動刃用架台27の切断方向Yの他方Y2の端部において搬送方向Xの中央部をそれぞれ貫通して設けられる。各可動刃用ガイド支柱29はそれぞれ載置台8および可動刃用架台27に固定される。
可動刃支持部28は、載置台8と可動刃用架台27との間を可動刃用ガイド支柱29に案内されて鉛直方向Zに変位する。可動刃支持部28は、2つの可動刃軸受部28aと、可動刃軸受部28aとの間にわたって切断方向Yに延びる可動刃支持部本体28bとを含んで構成される。2つの可動刃軸受部28aは、円筒状であって、各可動刃用ガイド支柱29がそれぞれ円筒の中を通る。可動刃25は、各可動刃用ガイド支柱29間において切断方向Yに延びて形成され、上端部が可動刃支持部本体28bに固定され、下端部にタイヤ部分3を切断する刃先が形成される。可動刃支持部28は、可動刃25を支持した状態で可動刃軸受部28aが可動刃用ガイド支柱29に案内されて鉛直方向Zに変位し、この可動刃支持部28の変位にともなって可動刃25が鉛直方向Zに変位する。可動刃25が最も上昇した位置での可動刃25と載置台8との間隔H2は、切断すべきタイヤ部分3の厚みよりも大きく選ばれ、たとえば200mmに選ばれる。また可動刃25の切断方向Yの幅W2は、切断すべきタイヤ部分3の周方向tの幅よりも幅広に選ばれ、たとえば480mmに選ばれる。
可動刃用昇降部26は、可動刃用シリンダ31と、前述した油圧ユニット24とを含んで構成される。可動刃用シリンダ31は、複動形シリンダから成り、可動刃用架台27の中央部に形成される貫通孔を鉛直方向Zに貫通して下方Z2の端部が可動刃支持部本体28bに接合される可動刃用ピストンロッド31aと、可動刃用架台27に上方Z1から設けられる可動刃用シリンダチューブ31bとを含んで構成される。可動刃用ピストンロッド31aの鉛直方向Zの変位にともなって、可動刃支持部28および可動刃支持部28に支持される可動刃25が鉛直方向Zに変位する。可動刃25は、挟着位置から搬送方向Xの下流側X2に近接する位置を通って鉛直方向Zに変位する。設置面から、可動刃用シリンダ31の上方Z1の端部までの高さH2は、本実施の形態では2450mmに選ばれる。
載置台8は、搬送方向Xの中央部において、切断方向Yに延びる溝部が形成され、固定刃として機能する。この溝部は、可動刃25の下方Z2に形成され、上方Z1から見て可動刃25の切断方向Yの両端部から突出し、かつ可動刃25の厚みよりも少し幅広に形成される。
可動刃25は、タイヤ部分3が可動刃25と溝部との間に配置された状態で刃先が載置台8の溝部に入り込むまで下降する。このとき、可動刃25の刃先と、載置台8の溝部に臨む部分によって構成される固定刃とのせん断力によってタイヤ部分3が切断される。
タイヤ切断装置1は、制御盤32と、この制御盤32が設けられる制御盤支持部33とをさらに備える。制御盤支持部33は、作業台7の両側壁11の他方11bに固定され、この側壁11bから収容空間9とは反対側に延びる。制御盤32は、この制御盤支持部33に設けられる。制御部6は、この制御盤32に備えられる。制御部6は、中央処理装置(Central Processing Unit:略称CPU)および制御プログラムを記憶する記憶装置などを含むマイクロコンピュータおよびプログラマブルコントローラなどによって実現される。制御部6は、CPUが記憶装置に記憶された制御プログラムを読込んで実行することによって、固定ローラ用駆動部M1、可動ローラ用駆動部M2、ローラ用昇降部18、および可動刃用昇降部26を制御する。
制御盤32は、複数の入力キー34を備える。入力キー34が利用者によって押圧されると、この利用者の操作に対応する指令が制御部6に入力され、制御部6は、入力された指令に基づいた制御を行う。たとえば利用者が入力キー34を操作することによって、タイヤ切断装置1に切断動作を開始したり、切断動作を緊急的に停止させたりすることができる。
タイヤ切断装置1は、可動刃25の鉛直方向Zの位置を検出する可動刃位置検出部SWと、搬送部4によるタイヤ部分3の搬送経路に臨んで設けられ、タイヤ部分3を検出するタイヤ部分検出部SW3とをさらに備える。
可動刃位置検出部SWは、可動刃25が最も上昇したときの上端位置を検出する上端位置検出部SW1と、可動刃25が最も下降したときの下端位置を検出する下端位置検出部SW2とを含んで構成される。上端位置検出部SW1および下端位置検出部SW2は、たとえばフォトインタラプタおよび近接センサなどによって実現され、本実施の形態では可動刃支持部28を検出体とする近接センサによって実現される。上端位置検出部SW1および下端位置検出部SW2は、載置台8と可動刃用架台28との間に渡って延びる取付ステーにそれぞれ取り付けられる。上端位置検出部SW1は、取付ステーの上方Z1に取付けられ、下端位置検出部SW2は、取付ステーの下方Z2に取り付けられる。上端位置検出部SW1は、たとえば可動刃25が最も上昇した上端位置に変位したことを検出することができる。また下端位置検出部SW2は、可動刃25が最も下降した下端位置に変位したことを検出することができる。
またタイヤ部分検出部SW3は、シリンダセンサによって実現され、ローラ用シリンダ23に設けられる。タイヤ部分検出部SW3は、タイヤ部分3の長手方向Lの他端部3bが挟着位置よりも搬送方向Xの下流側X2に搬送され、タイヤ部分3の挟着状態が終えたことを検出して、タイヤ部分3を検出する。なお上端位置検出部SW1、下端位置検出部SW2およびタイヤ部分検出部SW3は、それぞれ前述の構成に限られない。
図5は、本実施の形態のタイヤ切断装置1の油圧系統図である。
油圧ユニット24は、可動刃用方向制御弁V1と、ローラ用方向制御弁V2と、タンク37と、油圧ポンプ38と、油圧モータPMと、作動油通路39とを含んで構成される。作動油は、タンク37に収容される。油圧モータPMは、油圧ポンプ38を駆動して、タンク37に収容された作動油を吸い込ませて圧力油を作動油通路39に吐出させる。
作動油通路39は、油圧ポンプ38を介してタンク37に導入される供給通路41と、油圧ポンプ38を介さずにタンク37に導入される戻り通路42と、供給通路41から分岐して可動刃用方向制御弁V1に接続される可動刃用供給通路41aと、供給通路41から分岐してローラ用方向制御弁V2に接続されるローラ用供給通路41bと、戻り通路42から分岐して可動刃用方向制御弁V1に接続される可動刃用戻り通路42aと、戻り通路42から分岐してローラ用方向制御弁V2に接続されるローラ用戻り通路42bとを含んで構成される。
可動刃用方向制御弁V1には、2本の通路43,44がさらに接続される。2本の通路43,44のうちの一方の通路43(以下、可動刃下降用通路43という)は、可動刃用シリンダチューブ31bのピストンロッドに対してヘッド側45に接続される。2本の通路43,44のうちの他方の通路44(以下、可動刃上昇用通路44という)は、可動刃用シリンダチューブ31bのピストンロッドに対してロッド側46に接続される。
ローラ用方向制御弁V2には、2本の通路53,54がさらに接続される。2本の通路53,54のうちの一方の通路53(以下、ローラ上昇用通路53という)は、ローラ用シリンダチューブ23bのピストンロッドに対してヘッド側55に接続される。2本の通路53,54のうちの他方の通路54(以下、可動刃上昇用通路54という)は、ローラ用シリンダチューブ23bのピストンロッドに対してロッド側56に接続される。図1〜3では、理解の容易のために各通路43,44,53,54を省略している。
可動刃用方向制御弁V1およびローラ用方向制御弁V2は、各通路の接続関係を切換える。可動刃用方向制御弁V1およびローラ用方向制御弁V2は、人力式切換弁、機械式切換弁、パイロット式切換弁、電磁弁および電磁パイロット切換弁などによって実現される。本実施の形態における可動刃用方向制御弁V1は、制御部6に制御される電磁弁によって切換えられる4ポート3位置切換弁によって実現され、ローラ用方向制御弁V2は、押し圧を一定圧とする圧力制御弁を有する2位置切換弁によって実現される。
制御部6が、可動刃用方向制御弁V1を制御することによって下降位置P1に切換えると、可動刃供用給通路41aと可動刃下降用通路43とが接続され、可動刃戻り通路42aと可動刃上昇用通路44とが接続される。この状態で制御部6が油圧モータPMを制御して油圧ポンプ38を駆動させると、可動刃用シリンダチューブ31bのピストンロッドに対してヘッド側45に作動油が供給されるとともに、可動刃用シリンダチューブ31bのピストンロッドに対してロッド側46の作動油がタンク37に戻り、可動刃用ピストンロッド31aが下降して、可動刃25が下降する。制御部6が可動刃用方向制御弁V1を制御することによって中立位置P2に切換えると、可動刃用供給通路41aが、不通状態となり、可動刃上昇用通路44と可動刃下降用通路43と可動刃戻り通路42aとが接続されて、可動刃用ピストンロッド31aおよび可動刃25が現在の位置を維持する。制御部6が可動刃用方向制御弁V1を制御することによって上昇位置P3に切換えると、可動刃用供給通路41aと可動刃上昇用通路44とが接続され、可動刃戻り通路42aと可動刃下降用通路43とが接続される。この状態で制御部6が油圧モータPMを制御して油圧ポンプ38を駆動させると、可動刃用シリンダチューブ31bのピストンロッドに対してロッド側46に作動油が供給されるとともに、可動刃用シリンダチューブ31bのピストンロッドに対してヘッド側45の作動油がタンク37に戻り、可動刃用ピストンロッド31aが上昇して、可動刃25が上昇する。
ローラ用方向制御弁V2も、可動刃用方向制御弁V1と同様に制御部6の制御に基づいて各通路の接続関係を切換える。ローラ用方向制御弁V2は、中立位置P2がない点で可動刃用方向制御弁V1とは異なる。ローラ用方向制御弁V2の接続関係の切換は、前述の可動刃用方向制御弁V1の中立位置P2を除いてほぼ同様なので、重複する説明を省略する。油圧モータPMを駆動した状態でローラ用方向制御弁V2が下降位置P1にあるときに、可動ローラ14が下降し、上昇位置P3にあるときに、可動ローラ14が上昇する。
図6は、タイヤ切断装置1の構成を示すブロック図である。制御部6は、上端位置検出部SW1、下端位置検出部SW2およびタイヤ部分検出部SW3から検出結果が与えられ、これらの検出結果に基づいて、油圧モータPM、固定ローラ用駆動部M1、可動ローラ用駆動部M2、可動刃用方向制御弁V1およびローラ用方向制御弁V2を制御する。
制御部6は、切断部5を搬送動作させた状態では、切断部5の切断動作を停止させ、搬送部4の搬送動作を停止させた状態では、切断部5に切断動作させる。また制御部6は、タイヤ部分検出部SW3からの出力に応答して、タイヤ部分検出部SW3によってタイヤ部分3が検出された状態では、搬送部4の搬送動作を許可し、タイヤ部分検出部SW3によってタイヤ部分3が検出されない状態では、搬送部4の搬送動作を停止させる。
図7は、タイヤ部分3を切断するときの制御部6の処理を表すフローチャートである。作業者が図2に示すようにタイヤ部分3の長手方向Lの一端部3aを挟着位置に対して搬送方向Xの下流側X2に近接して配置した後に、利用者が制御盤32の入力キー34を操作してタイヤ部分3の切断を開始する指令を入力すると、タイヤ部分3を切断する処理が開始してステップs0からステップs1に移行する。
ステップs1では、ローラ用昇降部18を制御して、可動ローラ14を下降させ、予め定める鉛直方向Zの位置まで可動ローラ14が下降したら、可動ローラ14の下降を停止させる。具体的には前述したようにローラ用方向制御弁V2および油圧モータPMを制御することによって可動ローラ14の下降および停止を制御する。前記予め定める鉛直方向Zの位置とは、固定ローラ13と可動ローラ14とによってタイヤ部分3を挟着する程度の位置である。
次にステップs2に移行し、制御部6は搬送部4を制御してタイヤ部分3を搬送方向Xの下流側X2に予め定める距離だけ搬送する。具体的には固定ローラ用駆動部M1および可動ローラ用駆動部M2を制御して固定ローラ13および可動ローラ14を回転させる。本実施の形態では、制御部6はタイマを備え、固定ローラ用駆動部M1および可動ローラ用駆動部M2の駆動を開始してから予め定める時間が経過すると駆動を停止するように制御し、駆動時間を制御することによってタイヤ部分3を予め定める距離だけ搬送する。予め定める時間は、たとえば2秒である。この予め定める時間は、たとえば制御プログラムを変更することによって変更可能であり、この予め定める時間を変更することによって前記予め定める距離も変更可能である。
次にステップs3に移行し、制御部6は、可動刃用昇降部26を制御して可動刃25を下降させ、下端位置検出部SW2によって可動刃25が下端に達したことを検出すると、可動刃25の下降を停止させる。具体的には前述したように可動刃用方向制御弁V1および油圧モータPMを制御することによって可動刃25の下降および停止を制御する。このように可動刃25を載置台8に形成される固定刃に対して近接させることによって、可動刃25および固定刃のせん断力で、タイヤ部分3の搬送部4による挟着位置から搬送方向Xの下流側X2に突出した部分を切断する。
次にステップs4に移行し、制御部6は、可動刃用昇降部26を制御して可動刃25を上昇させ、上端位置検出部SW1によって可動刃25が上端に達したことを検出すると、可動刃25の上昇を停止させる。具体的には前述したように可動刃用方向制御弁V1および油圧モータPMを制御することによって可動刃25の上昇および停止を制御する。
次にステップs5に移行し、制御部6は、タイヤ部分検出部SW3がタイヤ部分3を検出したか否かを判断する。タイヤ部分3を検出すると、ステップs2に移行し、ステップs2〜ステップs5までの処理を繰返す。ステップs5においてタイヤ部分検出部SW3がタイヤ部分3を検出しなくなると、ステップs6に移行する。このようにステップs5でタイヤ部分3を検出する限りステップs2〜ステップs5までの処理を繰返すので、タイヤ部分3が長手方向Lに等間隔に順次切断される。
ステップs5においてタイヤ部分3を検出しなくなり、ステップs6に移行すると、制御部6は、ローラ用昇降部18を制御して、可動ローラ14を上昇させ、予め定める鉛直方向Zの上昇位置まで可動ローラ14を上昇させる。
以上説明した本実施の形態のタイヤ切断装置1によれば、制御部6によって搬送部4と切断部5とを交互に動作させて、タイヤ部分3を長手方向Lの一端部3aから長手方向Lの他端部3bにわたって切断する切断動作を時系列的に連続して行うことができる。これによって、経年変化によって硬化し、かつ厚みの大きい硬質のタイヤ部分3を、作業者への負担を可及的に少なくして長手方向に細分化するように切断することができ、切断作業の効率を向上することができる。
また本実施の形態のタイヤ切断装置1によれば、厚みが大きくかつ硬化したタイヤ部分3を固定ローラ13および可動ローラ14によって大きな強度で挟着することができる。さらに、固定ローラ13および可動ローラ14は、鋸刃状のフランジ部13b,14bを有してタイヤ部分3に食い込むので、タイヤ部分3と固定ローラ13および可動ローラ14とのすべりを確実に防ぐことができる。これによってタイヤ部分3を切断部5によって切断するときに、タイヤ部分が所期の位置からずれることを防ぐことができ、タイヤ部分3を所望する大きさに切断することができ、大きさにばらつきの少ない切断片を得ることができる。
また本実施の形態のタイヤ切断装置1によれば、可動刃用昇降部26が、可動刃25を固定刃に対して近接させるように変位駆動することによって、より大きなせん断力を生じ、タイヤ部分3が硬質でかつ厚さが大きい場合であっても、確実に切断することができる。
また本実施の形態のタイヤ切断装置1によれば、タイヤ部分検出部SW3は、搬送部4によって搬送されるタイヤ部分3を検出する。制御部6に制御される搬送部4は、タイヤ部分検出部SW3によってタイヤ部分3が検出されなくなると、すなわちタイヤ部分3の長手方向Lの他端を挟着位置まで搬送すると、搬送動作を停止する。これによって不必要な搬送動作を行うことなくタイヤ部分3の細分化を行うことができる。
本発明の実施の一形態のタイヤ切断装置1の正面図である。 タイヤ切断装置1の左側面図である。 タイヤ切断装置1の平面図である。 タイヤ切断装置1によって切断される前のタイヤ2の正面図である。 本実施の形態のタイヤ切断装置1の油圧系統図である。 タイヤ切断装置1の構成を示すブロック図である。 タイヤ部分3を切断するときの制御部6の処理を表すフローチャートである。
符号の説明
1 タイヤ切断装置
3 タイヤ部分
4 搬送部
5 切断部
6 制御部
7 作業台
8 載置台
13 固定ローラ
14 可動ローラ
18 ローラ用昇降部
23 ローラ用シリンダ
24 油圧ユニット
25 可動刃
26 可動刃用昇降部
31 可動刃用シリンダ
M1 固定ローラ用駆動部
M2 可動ローラ用駆動部
SW1 上端位置検出部
SW2 下端位置検出部
SW3 タイヤ部分検出部

Claims (4)

  1. タイヤを周方向に複数に分割したタイヤ部分を、挟着した状態で長手方向一端部から長手方向他端部に向かって搬送する搬送手段と、
    前記搬送手段の搬送方向下流側に近接して設けられ、搬送手段による挟着位置から搬送方向下流側に突出した部分を切断する切断手段と、
    前記搬送手段および切断手段を制御し、搬送手段を搬送動作させた状態では、切断手段の切断動作を停止させ、前記搬送手段の搬送動作を停止させた状態では、前記切断手段に切断動作させる制御手段とを含むことを特徴とするタイヤ切断装置。
  2. 前記搬送手段は、
    略水平な第1の回転軸線まわりに回転駆動される第1ローラと、
    第1ローラを第1の回転軸線まわりに回転駆動する第1ローラ駆動手段と、
    第1ローラの回転軸線にほぼ平行な第2の回転軸線まわりに回転駆動される第2ローラと、
    第2ローラを第2の回転軸線まわりに回転駆動する第2ローラ駆動手段とを含み、
    前記制御手段は、第1および第2駆動手段の回転駆動を制御することを特徴とする請求項1記載のタイヤ切断装置。
  3. 前記切断手段は、固定刃と、可動刃と、可動刃を固定刃に対して近接および離反する方向に変位駆動する可動刃駆動手段とを含むことを特徴とする請求項1または2記載のタイヤ切断装置。
  4. 前記搬送手段によるタイヤ部分の搬送経路に臨んで設けられ、タイヤ部分を検出するタイヤ部分検出手段をさらに含み、
    前記制御手段は、前記タイヤ部分検出手段からの出力に応答して、タイヤ部分検出手段によってタイヤ部分が検出された状態では、前記搬送手段の搬送動作を許可し、タイヤ部分検出手段によってタイヤ部分が検出されない状態では、前記搬送手段の搬送動作を停止させることを特徴とする請求項1〜3のいずれか1つに記載のタイヤ切断装置。
JP2008202455A 2008-08-05 2008-08-05 タイヤ切断装置 Active JP5230295B2 (ja)

Priority Applications (1)

Application Number Priority Date Filing Date Title
JP2008202455A JP5230295B2 (ja) 2008-08-05 2008-08-05 タイヤ切断装置

Applications Claiming Priority (1)

Application Number Priority Date Filing Date Title
JP2008202455A JP5230295B2 (ja) 2008-08-05 2008-08-05 タイヤ切断装置

Publications (2)

Publication Number Publication Date
JP2010036121A true JP2010036121A (ja) 2010-02-18
JP5230295B2 JP5230295B2 (ja) 2013-07-10

Family

ID=42009214

Family Applications (1)

Application Number Title Priority Date Filing Date
JP2008202455A Active JP5230295B2 (ja) 2008-08-05 2008-08-05 タイヤ切断装置

Country Status (1)

Country Link
JP (1) JP5230295B2 (ja)

Cited By (4)

* Cited by examiner, † Cited by third party
Publication number Priority date Publication date Assignee Title
KR102003280B1 (ko) * 2019-04-18 2019-10-17 대운프라스틱(주) 파이프 절단 파쇄기
CN111318346A (zh) * 2020-03-30 2020-06-23 青岛龙泰科服饰有限公司 一种废旧纺织物回收装置
CN116251652A (zh) * 2023-02-07 2023-06-13 江苏仁欣环保科技有限公司 一种白云石颗粒粉碎装置
CN119347999A (zh) * 2024-12-25 2025-01-24 泰兴市双羊机械工程有限公司 一种高精数控轮胎分切机

Families Citing this family (1)

* Cited by examiner, † Cited by third party
Publication number Priority date Publication date Assignee Title
CN105818301B (zh) * 2016-05-24 2017-11-21 黄淑枝 一种塑料废品破碎装置

Citations (6)

* Cited by examiner, † Cited by third party
Publication number Priority date Publication date Assignee Title
JPS53114587A (en) * 1977-03-17 1978-10-06 Nippon Pneumatic Mfg Method of cutting rubber tire etc
JPH0631685A (ja) * 1992-07-20 1994-02-08 Shoji Kikai:Kk 古タイヤの細片化方法
JP2000326285A (ja) * 1999-05-24 2000-11-28 Yuken Kogyo Co Ltd タイヤ切断装置
JP2003220348A (ja) * 2002-01-30 2003-08-05 Kotobuki Sangyo Kk タイヤ切断機
JP2003334789A (ja) * 2002-05-16 2003-11-25 Onodani Kiko Kk 古タイヤの輪切方法及び輪切装置
JP2005066477A (ja) * 2003-08-25 2005-03-17 Furukawa Co Ltd タイヤ切断機

Patent Citations (6)

* Cited by examiner, † Cited by third party
Publication number Priority date Publication date Assignee Title
JPS53114587A (en) * 1977-03-17 1978-10-06 Nippon Pneumatic Mfg Method of cutting rubber tire etc
JPH0631685A (ja) * 1992-07-20 1994-02-08 Shoji Kikai:Kk 古タイヤの細片化方法
JP2000326285A (ja) * 1999-05-24 2000-11-28 Yuken Kogyo Co Ltd タイヤ切断装置
JP2003220348A (ja) * 2002-01-30 2003-08-05 Kotobuki Sangyo Kk タイヤ切断機
JP2003334789A (ja) * 2002-05-16 2003-11-25 Onodani Kiko Kk 古タイヤの輪切方法及び輪切装置
JP2005066477A (ja) * 2003-08-25 2005-03-17 Furukawa Co Ltd タイヤ切断機

Cited By (5)

* Cited by examiner, † Cited by third party
Publication number Priority date Publication date Assignee Title
KR102003280B1 (ko) * 2019-04-18 2019-10-17 대운프라스틱(주) 파이프 절단 파쇄기
CN111318346A (zh) * 2020-03-30 2020-06-23 青岛龙泰科服饰有限公司 一种废旧纺织物回收装置
CN116251652A (zh) * 2023-02-07 2023-06-13 江苏仁欣环保科技有限公司 一种白云石颗粒粉碎装置
CN116251652B (zh) * 2023-02-07 2023-10-31 江苏仁欣环保科技有限公司 一种白云石颗粒粉碎装置
CN119347999A (zh) * 2024-12-25 2025-01-24 泰兴市双羊机械工程有限公司 一种高精数控轮胎分切机

Also Published As

Publication number Publication date
JP5230295B2 (ja) 2013-07-10

Similar Documents

Publication Publication Date Title
JP5230295B2 (ja) タイヤ切断装置
JP2001252890A (ja) 三方断裁機
EP1853410B1 (en) A cutting-and creasing-wheel assembly, and a method for cutting and creasing a compressible material
JP4449084B2 (ja) ガラス板の折割機械
JP5554657B2 (ja) 原木の切削方法及びベニヤレース
JP5996308B2 (ja) ワイヤソー
JP2014019164A (ja) フィルム自動貼合切断装置
CN104428090A (zh) 台式切割机
KR20200089772A (ko) 건축용 알루미늄 패널 재생용 가공 장치
KR101595913B1 (ko) 자동 각도 절단장치
KR20100101633A (ko) 드럼 전단 장치
EP2583951A1 (en) Machine for performing cutting operations on laminated glass plates
KR20150106525A (ko) 자동 각도 절단장치
JP4424703B2 (ja) タイヤ切断装置
KR100326142B1 (ko) 목재 가공용 전동톱의 안전 제어 시스템
KR20130110514A (ko) 전단설 제거장치와 전단설 제거방법
JPH10166296A (ja) プラスチック管の切断方法及び装置
JP4454022B2 (ja) U字溝切断装置
JPH0847987A (ja) スリッタスコアラ
JP4514255B2 (ja) 断裁装置
JP2008055793A (ja) スリッタ装置
CN115156385B (zh) 一种可同步完成带状钢板剪断冲孔的系统
JP5467639B2 (ja) 干渉防止機能付き三方断裁機
KR200346403Y1 (ko) 휴대폰 케이스용 연결구 가공기
JPH03292108A (ja) 石材の自動切断機

Legal Events

Date Code Title Description
A621 Written request for application examination

Free format text: JAPANESE INTERMEDIATE CODE: A621

Effective date: 20110517

A977 Report on retrieval

Free format text: JAPANESE INTERMEDIATE CODE: A971007

Effective date: 20130214

TRDD Decision of grant or rejection written
A01 Written decision to grant a patent or to grant a registration (utility model)

Free format text: JAPANESE INTERMEDIATE CODE: A01

Effective date: 20130312

A61 First payment of annual fees (during grant procedure)

Free format text: JAPANESE INTERMEDIATE CODE: A61

Effective date: 20130319

FPAY Renewal fee payment (event date is renewal date of database)

Free format text: PAYMENT UNTIL: 20160329

Year of fee payment: 3

R150 Certificate of patent or registration of utility model

Ref document number: 5230295

Country of ref document: JP

Free format text: JAPANESE INTERMEDIATE CODE: R150

Free format text: JAPANESE INTERMEDIATE CODE: R150

R250 Receipt of annual fees

Free format text: JAPANESE INTERMEDIATE CODE: R250

R250 Receipt of annual fees

Free format text: JAPANESE INTERMEDIATE CODE: R250

R250 Receipt of annual fees

Free format text: JAPANESE INTERMEDIATE CODE: R250

R250 Receipt of annual fees

Free format text: JAPANESE INTERMEDIATE CODE: R250

R250 Receipt of annual fees

Free format text: JAPANESE INTERMEDIATE CODE: R250

R250 Receipt of annual fees

Free format text: JAPANESE INTERMEDIATE CODE: R250