JP2010028947A - 電源装置 - Google Patents
電源装置 Download PDFInfo
- Publication number
- JP2010028947A JP2010028947A JP2008185863A JP2008185863A JP2010028947A JP 2010028947 A JP2010028947 A JP 2010028947A JP 2008185863 A JP2008185863 A JP 2008185863A JP 2008185863 A JP2008185863 A JP 2008185863A JP 2010028947 A JP2010028947 A JP 2010028947A
- Authority
- JP
- Japan
- Prior art keywords
- circuit
- power supply
- current
- supply device
- overvoltage
- Prior art date
- Legal status (The legal status is an assumption and is not a legal conclusion. Google has not performed a legal analysis and makes no representation as to the accuracy of the status listed.)
- Granted
Links
Images
Landscapes
- Emergency Protection Circuit Devices (AREA)
- Protection Of Static Devices (AREA)
- Direct Current Feeding And Distribution (AREA)
- Rectifiers (AREA)
Abstract
【解決手段】この発明に係る電源装置は、交流電源1を整流して脈流又は直流に変換する整流回路2と、この整流回路2の出力側の正負端子間を電流制御素子を介して接続するバイパス回路5と、この整流回路2と出力側回路とを切り離すスイッチと、過電圧検出回路4とを備えている。
過電圧検出回路4が過電圧を検出した時に、前記スイッチを遮断して整流回路2と出力側回路を切り離す動作をするが、このとき同時に前記電流制御素子を制御して、前記バイパス回路5に流れる電流を制御することにより、整流回路2の正負端子間に発生する電圧上昇を抑える。
【選択図】図1
Description
一方、過電圧発生時に、整流回路に供給されている交流電源を遮断して、素子に過電圧が印加されないようにするという方法も考えられるが、通常の遮断器では動作速度が遅いため上記のような急激な電圧上昇に追随できず、また、FET、IGBT等の半導体素子を用いて高速化を図った場合には、3相各相に2個ずつで計6個の素子とこの素子用のゲート制御回路が必要であり、回路が大掛かりになるという問題があった。
また、制御回路は過電圧検出回路が過電圧を検出した時にスイッチを遮断し、電流制御素子の導通電流を制御することを特徴としている。
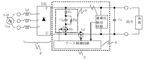
図1は本発明の実施の形態1による三相AC/DC電源装置の回路図である。三相交流電源1からの入力は、フィルタリアクトルLfと、三相ダイオードブリッジDBによって構成される整流回路2によって整流される。この整流回路2の出力側の正負端子と負荷の正負端子とを接続する一対の配線が設けられており、整流回路2からの出力電流はこの一対の配線上に設けられた過電圧保護回路3を介し、さらに負荷への出力端子間に設けられた平滑コンデンサCoによって平滑され、負荷に対して出力される。
過電圧保護回路3は、整流回路2の出力部の負極(三相ダイオードブリッジの端子N)と、出力端子の負極との間に設けられた、負荷への電流を導通および遮断するためのスイッチである第一のスイッチS1、電流制御素子である第二のスイッチS2を含み、前記一対の配線間を接続するバイパス回路5、出力端子付近に設けられた過電圧検出回路4、過電圧検出回路4からの過電圧検出信号に従い第一および第二のスイッチS1、S2のオン・オフを制御する制御装置であるゲート制御回路6により構成される。
過電圧検出回路4において過電圧を検出するには、整流回路2の出力電圧を抵抗分圧器によって降圧した後、コンパレータにより基準電圧と比較する方法、あるいはA/Dコンバータによってデジタル信号に変換して基準となるデジタル値と比較する方法、などを用いることができる。なお、図1では過電圧を電源装置の出力端にて検出しているが、三相ダイオードブリッジDBの出力側、すなわち第一のスイッチS1よりも入力側で検出してもよいし、またAC入力電圧を検出してもよい。
バイパス回路5は、整流回路2の出力側の正極(P)と負極(N)間に接続され、ダンピング抵抗Rsと、電荷吸収コンデンサCq、および第二のスイッチS2の直列回路と、電荷吸収コンデンサCqに並列に接続された放電抵抗Rpにより構成される。
電荷吸収コンデンサCqの値は下式に示される通り、少なくとも3つのフィルタリアクトルLfに蓄積されているエネルギーの総和を吸収可能な程度の容量を有するように選定する。
Lf:フィルタリアクトルのインダクタンス。
In(n=1〜3):第二のスイッチS2がオンする瞬間に3つのフィルタリアクトルのそれぞれに流れる電流の瞬時値。
Cq:電荷吸収コンデンサの静電容量。
Vc:電荷吸収コンデンサCqの最終到達電圧であるが、過電圧発生期間中に整流回路出力部の正極と負極間に定常的に現れる電圧でもあるため、整流回路2に使用している素子等の耐電圧仕様により規定されるものである。
電荷吸収コンデンサCqに流れ込む電流は、Lfに蓄えられたエネルギーによる電流だけでなく、三相電源から定常的に流れ込む電流も含まれる場合もあるので、この静電容量は上の式で求まる最小値よりも10倍程度大きくするのが望ましい。
従来の電源装置では、入力電圧の上昇により出力電圧が上昇し、過電圧が検出されることにより出力切り離しスイッチS1をオフにするが、このとき整流回路出力部の正極と負極間の正負端子間電圧Vpnには高いサージ電圧が発生する(図3)。
これに対して、本実施の形態における電源装置では、第一のスイッチS1をオフすると同時に第二のスイッチS2をオンする。このときの電流経路を図4に示す。フィルタリアクトルLfには従来と同様のエネルギーが蓄積されており、ダイオードブリッジDBの出力から電流が流出し続けるが、この電流の大部分はIqとして、バイパス回路5のダンピング抵抗Rsおよび第二のスイッチS2を介して電荷吸収コンデンサCqに流れ込む。その結果、ダイオードブリッジDBの出力の正負端子間電圧Vpnの上昇は図2に示すように小さく抑えることができる。
実施の形態1では、整流回路2として三相ダイオードブリッジを用いたものについて説明したが、これは他の整流方式によるものであってもよく、整流回路2として三相PWMコンバータを用いた電源装置の回路図を図5に示す。
基本的な構成は実施の形態1の図1に示した電源装置と同じであるが、整流回路2が、フィルタリアクトルLfA、LfBおよびフィルタコンデンサCfと、三相IGBTブリッジ7、PWM制御回路8により構成される点が異なる。ここで、フィルタLfAは省略される場合もあり得る。また、三相IGBTブリッジの代わりに三相FETブリッジ、あるいはサイリスタブリッジを用いても良い。
PWM制御回路8と過電圧保護回路3のゲート制御回路6は、同一の基板に実装し、さらに同一のマイクロプロセッサやDSP、FPGAなどで実現することにより、コスト低減を図ることが可能である。逆に、ゲート制御回路6は独立した別回路のままとしこの回路を単純化することにより、過電圧保護回路3の信頼性を向上させても良い。
PWM制御回路8は、各相の入力電圧およびフィルタリアクトルLfBに流れる電流、および出力電圧を検出し、三相IGBTブリッジ7のオン・オフを制御することにより、三相交流電源1から流れ込む電流波形が、入力電圧に比例した高調波の少ない電流となるように、すなわち、入力力率を向上させるように制御する。
ゲート制御回路6の機能は、実施の形態1にて説明したものと同じであり、過電圧検出回路4からの信号によって第一のスイッチS1をオフ、電流制御素子である第二のスイッチS2をオンとすることにより、出力および三相IGBTブリッジ7に印加される過電圧を防止する。
また、三相PWMコンバータは、図1に示したダイオードブリッジを用いたものよりも小さなインダクタンスのフィルタリアクトルLfAおよびLfBで、入力力率を向上させることができ、更に、LfA、LfBに蓄えられた交流電流エネルギーが小さくなるため、このエネルギーを吸収するのに必要な電荷吸収コンデンサCqの容量も小さくてすむという利点もある。
実施の形態1および2においては、バイパス回路5として、ダンピング抵抗Rsと電荷吸収コンデンサCqおよび電流制御素子である第二のスイッチS2の直列回路、および電荷吸収コンデンサCqに並列に接続された放電抵抗Rpによって構成され、第二のスイッチS2は過電圧発生時にオン動作のみを行うものを示した。
本実施の形態及び実施の形態4、5に示すものは、バイパス回路5を流れる電流Iq、又は整流回路2の出力側の正負端子間電圧Vpnを監視しながら、第二のスイッチS2の動作をフィードバック制御することにより、バイパス回路5に流れる電流Iqを制御し、正負端子間電圧Vpnを規定電圧以下に抑えようとするものである。
図6に、抵抗Rsと第二のスイッチS2を直列接続してバイパス回路5を構成した電源装置の回路図を示す。
ゲート制御回路6に設けたROMやフラッシュメモリなどの記憶素子において、電圧変動に対応する電流Iqの目標波形をあらかじめテーブルとして用意しておく。過電圧検出信号が入力されると、測定された電圧変動に近い電圧変動に対応する電流Iqの目標波形が記憶素子から選定され、アドレス制御回路の指示によって各時刻における電流Iqの目標値が順次読み出される。
一方、電流Iqは、シャント抵抗やカレントトランス、ホール素子などを用いた電流検出器により検出し、RC回路やアクティブフィルタなどのローパスフィルタによって平滑したものを、実測値として得る。
電流Iqの目標値と実測値との差分をPI制御器に通し、この出力信号を基にしてPWM発生回路にて矩形波を発生させて第二のスイッチS2をオン・オフ制御する。電流波形は第二のスイッチS2のオン・オフ制御のためパルス電流が流れることになるが、その平均値が図2に示した電流Iqと同等な波形となるように制御すればよい。図7に各部の波形を示す。
また、ダンピング抵抗Rsを備えているため、後に説明する実施の形態4、5のようにこれを備えていないものと比較すると、第二のスイッチS2に流れる電流及び第二のスイッチS2での発熱を低減させることができるため、第二のスイッチS2の冷却を簡略なものとすることができる利点がある。
また、上記では電流Iqを測定し、これと電流Iqの目標波形とを比較することにより第二のスイッチS2をフィードバック制御したが、整流回路出力側の正負端子間電圧Vpnをモニタし、これが所定値を越えないように第二のスイッチS2をオン・オフ制御することにより、Iqを制御することも可能である。
本実施の形態は、実施の形態3に対して、ダンピング抵抗Rsを省略し、電荷吸収コンデンサCqと放電抵抗Rpの並列回路を電流制御素子である第二のスイッチS2に直列に接続してバイパス回路5を構成したものであり、この部分の回路図を図8に示す。
この場合も第二のスイッチS2をオン・オフすることにより、バイパス回路5に流れる電流Iqを制御することができるが、ダンピング抵抗Rsが挿入されていないので、第二のスイッチS2をオンした時に大きなピーク電流が流れる。これに対しては、第二のスイッチS2のオン・オフを高周波で行い、オン時間を短くすれば電流パルス幅を短くすることができ、電流量を制御することが可能である。
また、第二のスイッチS2のオン・オフ制御は、図7に示したものと同様、電流Iq又は正負端子間電圧Vpnを検出して目標値と比較して制御しても良いが、第二のスイッチS2を実施の形態1におけるダンピング抵抗Rsとして機能させるように運転させる場合には、第二のスイッチS2のオン時間の比率を一定としておく簡易な制御とすることも可能である。この場合には、電流Iqは正負端子間電圧Vpnとコンデンサ電圧Vcとの差Vpn−Vcに比例して流れるため、図2に示した電流Iqの電流波形と類似した波形となる。
本実施の形態は、実施の形態3、4に対して、電荷吸収コンデンサCqと放電抵抗Rpとダンピング抵抗Rsの全てを省略し、バイパス回路5として電流制御素子である第二のスイッチS2のみを備える場合であり、この回路を図9に示す。
この場合は、FETやIGBT、バイポーラトランジスタなどの素子を、オン・オフ制御のみ可能なスイッチとして使用するのではなく、能動領域にて動作させることにより、これらの素子を流れる電流を制御する。この場合、第二のスイッチS2の制御線(FETの場合におけるゲート信号)には、能動領域で使用するためのアナログ信号を印加する。すなわち、PI制御器の出力をアナログ増幅器を介して第二のスイッチS2の制御線に印加する。
この場合には、例えば上限値と下限値の2つの電圧設定ができるヒステリシスコンパレータを用いて、電圧が上限値を超えたときには、第二のスイッチS2をオンにして電圧を下げ、下限値を下回ったときには第二のスイッチS2をオフになるように制御すると、電圧Vpnが上限値と下限値付近の間に収まるようにすることができ、正負端子間電圧Vpnに過大なサージ電圧が発生することはない。
このように、最低限、第二のスイッチS2があれば、本発明におけるバイパス回路5を構成することは可能である。
図10に示すように電圧フィードバック制御を行う場合には、図9に示す電流フィードバック制御の場合と比較して、記憶素子、アドレス制御回路等の部品を省略でき、更に構成部品を少なくできるという利点がある。
2 整流回路
4 過電圧検出回路
5 バイパス回路
6 ゲート制御回路
Claims (10)
- 交流電源を整流する整流回路と、
この整流回路の出力側の正負端子と負荷の正負端子とを接続する一対の配線と、
この配線のいずれかに設けられ電流を導通および遮断するスイッチと、
電流制御素子を介して前記整流回路の出力側の正負端子間または前記一対の配線間を接続するバイパス回路と、
前記交流電源、前記整流回路の出力側または前記一対の配線間における過電圧を検出する過電圧検出回路と、
この過電圧検出回路が過電圧を検出した時に前記スイッチを遮断し、前記電流制御素子の導通電流を制御する制御装置と
を備えた電源装置。 - バイパス回路は、電流制御素子に直列に接続されたコンデンサを備えることを特徴とする、
請求項1に記載の電源装置。 - コンデンサは、整流回路のインダクタンスに保持された交流電流エネルギーを規定電圧以下で保持可能な容量を有することを特徴とする、
請求項2に記載の電源装置。 - バイパス回路は、電流制御素子およびコンデンサの直列体に直列に接続された抵抗を備えることを特徴とする、
請求項2又は3に記載の電源装置。 - バイパス回路は、放電用抵抗を介してコンデンサの両端子が接続されていることを特徴とする、
請求項2乃至4のいずれか1項に記載の電源装置。 - バイパス回路に流れる電流を測定する電流測定回路又は整流回路の出力側の正負端子間の電圧を測定する電圧測定回路を備え、
制御装置は、過電圧検出回路が過電圧を検出した時に、スイッチを遮断し、前記電流測定回路又は前記電圧測定回路からの出力に基づき電流制御素子の導通電流を制御することを特徴とする、
請求項1に記載の電源装置。 - バイパス回路は、電流制御素子に直列に接続された抵抗を備えたことを特徴とする、
請求項7に記載の電源装置。 - バイパス回路は、電流制御素子に直列に接続されたコンデンサを備えたことを特徴とする、
請求項7又は8に記載の電源装置。 - 整流回路は、PWMコンバータ方式を用いたことを特徴とする、
請求項1乃至9のいずれか1項に記載の電源装置。
Priority Applications (1)
| Application Number | Priority Date | Filing Date | Title |
|---|---|---|---|
| JP2008185863A JP5239573B2 (ja) | 2008-07-17 | 2008-07-17 | 電源装置 |
Applications Claiming Priority (1)
| Application Number | Priority Date | Filing Date | Title |
|---|---|---|---|
| JP2008185863A JP5239573B2 (ja) | 2008-07-17 | 2008-07-17 | 電源装置 |
Publications (2)
| Publication Number | Publication Date |
|---|---|
| JP2010028947A true JP2010028947A (ja) | 2010-02-04 |
| JP5239573B2 JP5239573B2 (ja) | 2013-07-17 |
Family
ID=41734220
Family Applications (1)
| Application Number | Title | Priority Date | Filing Date |
|---|---|---|---|
| JP2008185863A Expired - Fee Related JP5239573B2 (ja) | 2008-07-17 | 2008-07-17 | 電源装置 |
Country Status (1)
| Country | Link |
|---|---|
| JP (1) | JP5239573B2 (ja) |
Cited By (10)
| Publication number | Priority date | Publication date | Assignee | Title |
|---|---|---|---|---|
| CN102005753A (zh) * | 2010-11-22 | 2011-04-06 | 中国石油大学(北京) | 尖峰过电压消除装置 |
| JP2013031273A (ja) * | 2011-07-28 | 2013-02-07 | Fujitsu General Ltd | 過電圧保護回路 |
| JP2014121137A (ja) * | 2012-12-14 | 2014-06-30 | Tdk Corp | ワイヤレス受電装置およびそれを用いたワイヤレス電力伝送装置 |
| CN109066642A (zh) * | 2018-09-20 | 2018-12-21 | 江苏为恒智能科技有限公司 | 一种高精度双向过压滞回保护电路 |
| JP2019080396A (ja) * | 2017-10-23 | 2019-05-23 | 三菱電機株式会社 | 電源平滑用のコンデンサ回路 |
| WO2019097806A1 (ja) * | 2017-11-15 | 2019-05-23 | 三菱電機株式会社 | 整流器、およびレクテナ装置 |
| CN112670988A (zh) * | 2021-01-11 | 2021-04-16 | 重庆中车长客轨道车辆有限公司 | 一种关于试车静调线中的双流制控制装置及其控制方式 |
| CN113014079A (zh) * | 2019-12-19 | 2021-06-22 | 东元电机股份有限公司 | 变频器装置以及依据输出电压值而选择性输出电流的方法 |
| CN114785159A (zh) * | 2022-04-29 | 2022-07-22 | 广东威灵电机制造有限公司 | 稳压电路、电机控制电路、电机和电器设备 |
| WO2025158606A1 (ja) * | 2024-01-25 | 2025-07-31 | 日立ジョンソンコントロールズ空調株式会社 | 電力変換装置及び空気調和機 |
Citations (4)
| Publication number | Priority date | Publication date | Assignee | Title |
|---|---|---|---|---|
| JPS63198380U (ja) * | 1987-06-04 | 1988-12-21 | ||
| JPH0522858A (ja) * | 1991-07-08 | 1993-01-29 | Japan Atom Energy Res Inst | 過電圧抑制装置 |
| JPH05111150A (ja) * | 1991-10-08 | 1993-04-30 | Mitsubishi Electric Corp | サージ吸収回路 |
| JPH07284219A (ja) * | 1994-04-07 | 1995-10-27 | Yutaka Denki Seisakusho:Kk | 異常入力電圧保護回路 |
-
2008
- 2008-07-17 JP JP2008185863A patent/JP5239573B2/ja not_active Expired - Fee Related
Patent Citations (4)
| Publication number | Priority date | Publication date | Assignee | Title |
|---|---|---|---|---|
| JPS63198380U (ja) * | 1987-06-04 | 1988-12-21 | ||
| JPH0522858A (ja) * | 1991-07-08 | 1993-01-29 | Japan Atom Energy Res Inst | 過電圧抑制装置 |
| JPH05111150A (ja) * | 1991-10-08 | 1993-04-30 | Mitsubishi Electric Corp | サージ吸収回路 |
| JPH07284219A (ja) * | 1994-04-07 | 1995-10-27 | Yutaka Denki Seisakusho:Kk | 異常入力電圧保護回路 |
Cited By (13)
| Publication number | Priority date | Publication date | Assignee | Title |
|---|---|---|---|---|
| CN102005753A (zh) * | 2010-11-22 | 2011-04-06 | 中国石油大学(北京) | 尖峰过电压消除装置 |
| JP2013031273A (ja) * | 2011-07-28 | 2013-02-07 | Fujitsu General Ltd | 過電圧保護回路 |
| JP2014121137A (ja) * | 2012-12-14 | 2014-06-30 | Tdk Corp | ワイヤレス受電装置およびそれを用いたワイヤレス電力伝送装置 |
| JP2019080396A (ja) * | 2017-10-23 | 2019-05-23 | 三菱電機株式会社 | 電源平滑用のコンデンサ回路 |
| US10903696B2 (en) | 2017-11-15 | 2021-01-26 | Mitsubishi Electric Corporation | Rectifier and rectenna device |
| WO2019097806A1 (ja) * | 2017-11-15 | 2019-05-23 | 三菱電機株式会社 | 整流器、およびレクテナ装置 |
| CN109066642A (zh) * | 2018-09-20 | 2018-12-21 | 江苏为恒智能科技有限公司 | 一种高精度双向过压滞回保护电路 |
| CN109066642B (zh) * | 2018-09-20 | 2024-04-05 | 江苏为恒智能科技有限公司 | 一种高精度双向过压滞回保护电路 |
| CN113014079A (zh) * | 2019-12-19 | 2021-06-22 | 东元电机股份有限公司 | 变频器装置以及依据输出电压值而选择性输出电流的方法 |
| CN113014079B (zh) * | 2019-12-19 | 2022-02-01 | 东元电机股份有限公司 | 变频器装置以及依据输出电压值而选择性输出电流的方法 |
| CN112670988A (zh) * | 2021-01-11 | 2021-04-16 | 重庆中车长客轨道车辆有限公司 | 一种关于试车静调线中的双流制控制装置及其控制方式 |
| CN114785159A (zh) * | 2022-04-29 | 2022-07-22 | 广东威灵电机制造有限公司 | 稳压电路、电机控制电路、电机和电器设备 |
| WO2025158606A1 (ja) * | 2024-01-25 | 2025-07-31 | 日立ジョンソンコントロールズ空調株式会社 | 電力変換装置及び空気調和機 |
Also Published As
| Publication number | Publication date |
|---|---|
| JP5239573B2 (ja) | 2013-07-17 |
Similar Documents
| Publication | Publication Date | Title |
|---|---|---|
| JP5239573B2 (ja) | 電源装置 | |
| US8520345B2 (en) | Protection circuit applied to wind power generation system employing double-fed induction generator | |
| KR102799905B1 (ko) | 서지 검출을 사용하여 부스트 회로에서 트랜지스터를 보호하는 기법 | |
| CN100590959C (zh) | 电源电路保护方法及其装置 | |
| JP5398914B2 (ja) | チョッパ装置 | |
| CN117767226A (zh) | 具有集成固态断路器的可调速驱动及其操作方法 | |
| US6381152B1 (en) | Method of driving semiconductor switching device in non-saturated state and power supply apparatus containing such a switching device | |
| US9564797B2 (en) | Indirect matrix converter | |
| US20180259583A1 (en) | Method and apparatus for detecting inter-phase short-circuit of three-phase motor and air conditioner including the same | |
| JP5757454B2 (ja) | スイッチング電源装置 | |
| JP5360019B2 (ja) | パワー半導体装置の温度測定装置 | |
| KR20210028363A (ko) | 열 소손 방지 기능을 포함하는 전력 변환 장치 | |
| US11201566B2 (en) | Switch protection | |
| KR102493200B1 (ko) | 전력변환장치 및 그의 동작 방법 | |
| KR101276582B1 (ko) | 전원 공급 회로를 가지는 인버터 장치 | |
| Figge et al. | Overcurrent protection for the LLC resonant converter with improved hold-up time | |
| KR101202949B1 (ko) | 레그 션트 전류 검출 장치 | |
| KR102076588B1 (ko) | 히터 온도를 제어하기 위한 다채널 인버터형 전력 변환 장치 | |
| CN104919692B (zh) | 电力转换装置 | |
| CN110071626B (zh) | 驱动控制电路和空调器 | |
| JP2018157702A (ja) | 電圧補償装置 | |
| KR101873764B1 (ko) | 전력 변환 장치 및 이를 포함하는 공기 조화기 | |
| US11949341B2 (en) | Power converter and electric motor braking method | |
| KR102197864B1 (ko) | 전력 변환 장치 및 이를 포함하는 공기 조화기 | |
| KR102122972B1 (ko) | 전력 변환 장치 및 이를 포함하는 공기 조화기 |
Legal Events
| Date | Code | Title | Description |
|---|---|---|---|
| A621 | Written request for application examination |
Free format text: JAPANESE INTERMEDIATE CODE: A621 Effective date: 20101004 |
|
| A977 | Report on retrieval |
Free format text: JAPANESE INTERMEDIATE CODE: A971007 Effective date: 20120528 |
|
| A131 | Notification of reasons for refusal |
Free format text: JAPANESE INTERMEDIATE CODE: A131 Effective date: 20120605 |
|
| A521 | Written amendment |
Free format text: JAPANESE INTERMEDIATE CODE: A523 Effective date: 20120711 |
|
| TRDD | Decision of grant or rejection written | ||
| A01 | Written decision to grant a patent or to grant a registration (utility model) |
Free format text: JAPANESE INTERMEDIATE CODE: A01 Effective date: 20130305 |
|
| A61 | First payment of annual fees (during grant procedure) |
Free format text: JAPANESE INTERMEDIATE CODE: A61 Effective date: 20130318 |
|
| FPAY | Renewal fee payment (event date is renewal date of database) |
Free format text: PAYMENT UNTIL: 20160412 Year of fee payment: 3 |
|
| R151 | Written notification of patent or utility model registration |
Ref document number: 5239573 Country of ref document: JP Free format text: JAPANESE INTERMEDIATE CODE: R151 |
|
| FPAY | Renewal fee payment (event date is renewal date of database) |
Free format text: PAYMENT UNTIL: 20160412 Year of fee payment: 3 |
|
| R250 | Receipt of annual fees |
Free format text: JAPANESE INTERMEDIATE CODE: R250 |
|
| R250 | Receipt of annual fees |
Free format text: JAPANESE INTERMEDIATE CODE: R250 |
|
| R250 | Receipt of annual fees |
Free format text: JAPANESE INTERMEDIATE CODE: R250 |
|
| LAPS | Cancellation because of no payment of annual fees |
