JP2010008043A - 循環流動層ボイラの高温腐食低減装置 - Google Patents
循環流動層ボイラの高温腐食低減装置 Download PDFInfo
- Publication number
- JP2010008043A JP2010008043A JP2009237137A JP2009237137A JP2010008043A JP 2010008043 A JP2010008043 A JP 2010008043A JP 2009237137 A JP2009237137 A JP 2009237137A JP 2009237137 A JP2009237137 A JP 2009237137A JP 2010008043 A JP2010008043 A JP 2010008043A
- Authority
- JP
- Japan
- Prior art keywords
- fluidized bed
- particles
- fluidized
- air
- particle
- Prior art date
- Legal status (The legal status is an assumption and is not a legal conclusion. Google has not performed a legal analysis and makes no representation as to the accuracy of the status listed.)
- Granted
Links
Images
Classifications
-
- Y—GENERAL TAGGING OF NEW TECHNOLOGICAL DEVELOPMENTS; GENERAL TAGGING OF CROSS-SECTIONAL TECHNOLOGIES SPANNING OVER SEVERAL SECTIONS OF THE IPC; TECHNICAL SUBJECTS COVERED BY FORMER USPC CROSS-REFERENCE ART COLLECTIONS [XRACs] AND DIGESTS
- Y02—TECHNOLOGIES OR APPLICATIONS FOR MITIGATION OR ADAPTATION AGAINST CLIMATE CHANGE
- Y02E—REDUCTION OF GREENHOUSE GAS [GHG] EMISSIONS, RELATED TO ENERGY GENERATION, TRANSMISSION OR DISTRIBUTION
- Y02E20/00—Combustion technologies with mitigation potential
- Y02E20/12—Heat utilisation in combustion or incineration of waste
Landscapes
- Fluidized-Bed Combustion And Resonant Combustion (AREA)
Abstract
【解決手段】流動層を有する火炉1と、該火炉1から燃焼ガスに同伴して排出された粒子を導入し、該粒子を捕集して下方から排出する粒子捕集装置2と、該粒子捕集装置2により捕集・排出された粒子を外部熱交換器501を経由して前記火炉1に循環させる循環系を備えた循環流動層ボイラにおいて、前記循環系に、互いに共通する仕切壁により仕切られた空間からなる第1流動層3、第2流動層4及び第3流動層5を備えた循環流動層ボイラの高温腐食低減装置。
【選択図】 図1
Description
流動層を有する火炉と、該火炉から燃焼ガスに同伴して排出された粒子を導入し、該粒子を捕集して下方から排出する粒子捕集装置と、該粒子捕集装置により捕集・排出された粒子を外部熱交換器を経由して前記火炉に循環させる循環系を備えた循環流動層ボイラにおいて、
前記循環系に、互いに共通する仕切壁により仕切られた空間からなる第1流動層、第2流動層及び第3流動層を備えており、
前記第1流動層は、該空間の上部に前記粒子捕集装置下部から送られる粒子を導入する粒子導入口を備え、下部に流動化空気を導入する空気導入口を備えてなり、
前記第2流動層は、該空間の下部に流動化空気を導入する空気導入口を備え、上部に粒子と流動化空気の両方を排出する開口部を備え、前記第1流動層と第2流動層の仕切壁の上部は閉塞され、下部に、第1流動層の粒子が該第2流動層に流入する開口部を備えており、
前記第3流動層は、空間内の下部に前記外部熱交換器を備え、該空間の下部に流動化空気を導入する空気導入口を備え、前記第2流動層と前記第3流動層の仕切壁の上部と下部に上部開口部と下部開口部を各々設けてあり、前記空気導入口から導入される流動化空気は上部開口部を通って前記第2流動層に流入し、第2流動層下部の粒子は下部開口部から第3流動層に流入する構造であり、
前記第2流動層と第3流動層の仕切壁に対向する位置に設けられた側壁の下部に、粒子排出口を備えてなり、
前記第1流動層は、前記空気導入口から供給された空気によって前記粒子捕集装置から導入された粒子中の微粒子をブローアップし、前記空間の上部に位置する前記粒子導入口を通って前記粒子捕集装置内部に流れる構造であることを特徴とする循環流動層ボイラの高温腐食低減装置。
前記第1流動層の流動化ガス流速は、0.3〜0.6m/sの範囲であることを特徴とする請求項1記載の循環流動層ボイラの高温腐食低減装置。
前記第2流動層の上部に設けられた開口部は、循環ラインを介して火炉に連結されていることを特徴とする請求項1又は2記載の循環流動層ボイラの高温腐食低減装置。
前記第3流動層の粒子排出口は、循環ラインを介して火炉に連結されていることを特徴とする請求項1、2又は3記載の循環流動層ボイラの高温腐食低減装置。
前記第3流動層の外部熱交換器は、ボイラの過熱器管や蒸発管を浸漬した構成であることを特徴とする請求項1〜4の何れかに記載の循環流動層ボイラの高温腐食低減装置。
燃料としてRPFを用いた燃焼試験によって腐食成分と粒子径の関係を調べたところ、表1に示す結果が得られた。尚、表1中、EHEは外部熱交換器の略称である。
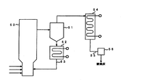
本発明装置を用いて廃棄物燃焼における過熱器の腐食速度を調べた。また比較のために図5に示す装置を用いて同様の腐食速度を調べた。
図1に示す装置において、燃料として、建築廃材チップ、下水汚泥、農林廃棄物、食品廃棄物、RDF等の再生可能エネルギー及びRPF、廃タイヤ等の産業廃棄物を混合した廃棄物(塩素濃度:1%含有)燃料を用いて、ボイラ管の腐食実験を行った。
SO2<100ppm(O2=6%)
CO <50ppm(O2=6%)
DXN類0.1ng/Nm3以下
100:デンスベッド部
101:火炉本体
102:燃焼ガスダクト
2:粒子捕集装置(サイクロン)
3:第1流動層
4:第2流動層
5:第3流動層
6:第4流動層
300、400、500:仕切壁
301:粒子導入口
302:空気導入口
401:空気導入口
402:開口部
403:開口部
404:循環ライン
501:外部熱交換器
502:空気導入口
503:上部開口部
504:下部開口部
600:開口部
601:空気導入口
602:側壁
603:粒子排出口
604:空気出口管
605:循環ライン
7:対流伝熱部
700:燃焼排ガスダクト
8:バグフィルター
Claims (5)
- 流動層を有する火炉と、該火炉から燃焼ガスに同伴して排出された粒子を導入し、該粒子を捕集して下方から排出する粒子捕集装置と、該粒子捕集装置により捕集・排出された粒子を外部熱交換器を経由して前記火炉に循環させる循環系を備えた循環流動層ボイラにおいて、
前記循環系に、互いに共通する仕切壁により仕切られた空間からなる第1流動層、第2流動層及び第3流動層を備えており、
前記第1流動層は、該空間の上部に前記粒子捕集装置下部から送られる粒子を導入する粒子導入口を備え、下部に流動化空気を導入する空気導入口を備えてなり、
前記第2流動層は、該空間の下部に流動化空気を導入する空気導入口を備え、上部に粒子と流動化空気の両方を排出する開口部を備え、前記第1流動層と第2流動層の仕切壁の上部は閉塞され、下部に、第1流動層の粒子が該第2流動層に流入する開口部を備えており、
前記第3流動層は、空間内の下部に前記外部熱交換器を備え、該空間の下部に流動化空気を導入する空気導入口を備え、前記第2流動層と前記第3流動層の仕切壁の上部と下部に上部開口部と下部開口部を各々設けてあり、前記空気導入口から導入される流動化空気は上部開口部を通って前記第2流動層に流入し、第2流動層下部の粒子は下部開口部から第3流動層に流入する構造であり、
前記第2流動層と第3流動層の仕切壁に対向する位置に設けられた側壁の下部に、粒子排出口を備えてなり、
前記第1流動層は、前記空気導入口から供給された空気によって前記粒子捕集装置から導入された粒子中の微粒子をブローアップし、前記空間の上部に位置する前記粒子導入口を通って前記粒子捕集装置内部に流れる構造であることを特徴とする循環流動層ボイラの高温腐食低減装置。 - 前記第1流動層の流動化ガス流速は、0.3〜0.6m/sの範囲であることを特徴とする請求項1記載の循環流動層ボイラの高温腐食低減装置。
- 前記第2流動層の上部に設けられた開口部は、循環ラインを介して火炉に連結されていることを特徴とする請求項1又は2記載の循環流動層ボイラの高温腐食低減装置。
- 前記第3流動層の粒子排出口は、循環ラインを介して火炉に連結されていることを特徴とする請求項1、2又は3記載の循環流動層ボイラの高温腐食低減装置。
- 前記第3流動層の外部熱交換器は、ボイラの過熱器管や蒸発管を浸漬した構成であることを特徴とする請求項1〜4の何れかに記載の循環流動層ボイラの高温腐食低減装置。
Priority Applications (1)
| Application Number | Priority Date | Filing Date | Title |
|---|---|---|---|
| JP2009237137A JP4918125B2 (ja) | 2009-10-14 | 2009-10-14 | 循環流動層ボイラの高温腐食低減装置 |
Applications Claiming Priority (1)
| Application Number | Priority Date | Filing Date | Title |
|---|---|---|---|
| JP2009237137A JP4918125B2 (ja) | 2009-10-14 | 2009-10-14 | 循環流動層ボイラの高温腐食低減装置 |
Related Parent Applications (1)
| Application Number | Title | Priority Date | Filing Date |
|---|---|---|---|
| JP2007011684A Division JP4722060B2 (ja) | 2007-01-22 | 2007-01-22 | 循環流動層ボイラの高温腐食低減装置 |
Publications (2)
| Publication Number | Publication Date |
|---|---|
| JP2010008043A true JP2010008043A (ja) | 2010-01-14 |
| JP4918125B2 JP4918125B2 (ja) | 2012-04-18 |
Family
ID=41588749
Family Applications (1)
| Application Number | Title | Priority Date | Filing Date |
|---|---|---|---|
| JP2009237137A Expired - Fee Related JP4918125B2 (ja) | 2009-10-14 | 2009-10-14 | 循環流動層ボイラの高温腐食低減装置 |
Country Status (1)
| Country | Link |
|---|---|
| JP (1) | JP4918125B2 (ja) |
Cited By (1)
| Publication number | Priority date | Publication date | Assignee | Title |
|---|---|---|---|---|
| CN119368020A (zh) * | 2024-12-30 | 2025-01-28 | 江西三鑫医疗科技股份有限公司 | 一种血液透析中空纤维膜及其制备方法 |
Citations (11)
| Publication number | Priority date | Publication date | Assignee | Title |
|---|---|---|---|---|
| JPS6374912A (ja) * | 1986-09-16 | 1988-04-05 | Nippon Telegr & Teleph Corp <Ntt> | アルカリ金属フツ化物の製造方法 |
| JPH01208610A (ja) * | 1988-02-12 | 1989-08-22 | Ishikawajima Harima Heavy Ind Co Ltd | 高含水可燃物の燃焼方法及び装置 |
| JPH03279701A (ja) * | 1990-03-27 | 1991-12-10 | Mitsubishi Heavy Ind Ltd | 循環流動床ボイラ |
| JPH0552307A (ja) * | 1991-08-20 | 1993-03-02 | Mitsui Eng & Shipbuild Co Ltd | 流動層ボイラの腐蝕防止方法 |
| JPH05133505A (ja) * | 1991-05-15 | 1993-05-28 | Foster Wheeler Energy Corp | 再循環率制御および逆流封止を持つ一体的再循環熱交換器を有する流動床燃焼装置および方法 |
| JPH06323518A (ja) * | 1993-05-12 | 1994-11-25 | Nippon Steel Corp | 流動層焼却炉の飛灰処理方法 |
| JPH07180805A (ja) * | 1993-12-21 | 1995-07-18 | Mitsui Eng & Shipbuild Co Ltd | 流動層ボイラ |
| JP2000018508A (ja) * | 1998-06-24 | 2000-01-18 | Mitsubishi Heavy Ind Ltd | 流動層燃焼装置 |
| JP2001241611A (ja) * | 2000-02-29 | 2001-09-07 | Mitsubishi Heavy Ind Ltd | 流動床焼却炉の運転方法とその装置 |
| JP2002539401A (ja) * | 1999-03-15 | 2002-11-19 | チャールズ クック,マイケル | 物品の保持具 |
| JP2004132621A (ja) * | 2002-10-11 | 2004-04-30 | Mitsui Eng & Shipbuild Co Ltd | 循環流動層ボイラにおける粒子循環量制御方法及びその装置 |
-
2009
- 2009-10-14 JP JP2009237137A patent/JP4918125B2/ja not_active Expired - Fee Related
Patent Citations (11)
| Publication number | Priority date | Publication date | Assignee | Title |
|---|---|---|---|---|
| JPS6374912A (ja) * | 1986-09-16 | 1988-04-05 | Nippon Telegr & Teleph Corp <Ntt> | アルカリ金属フツ化物の製造方法 |
| JPH01208610A (ja) * | 1988-02-12 | 1989-08-22 | Ishikawajima Harima Heavy Ind Co Ltd | 高含水可燃物の燃焼方法及び装置 |
| JPH03279701A (ja) * | 1990-03-27 | 1991-12-10 | Mitsubishi Heavy Ind Ltd | 循環流動床ボイラ |
| JPH05133505A (ja) * | 1991-05-15 | 1993-05-28 | Foster Wheeler Energy Corp | 再循環率制御および逆流封止を持つ一体的再循環熱交換器を有する流動床燃焼装置および方法 |
| JPH0552307A (ja) * | 1991-08-20 | 1993-03-02 | Mitsui Eng & Shipbuild Co Ltd | 流動層ボイラの腐蝕防止方法 |
| JPH06323518A (ja) * | 1993-05-12 | 1994-11-25 | Nippon Steel Corp | 流動層焼却炉の飛灰処理方法 |
| JPH07180805A (ja) * | 1993-12-21 | 1995-07-18 | Mitsui Eng & Shipbuild Co Ltd | 流動層ボイラ |
| JP2000018508A (ja) * | 1998-06-24 | 2000-01-18 | Mitsubishi Heavy Ind Ltd | 流動層燃焼装置 |
| JP2002539401A (ja) * | 1999-03-15 | 2002-11-19 | チャールズ クック,マイケル | 物品の保持具 |
| JP2001241611A (ja) * | 2000-02-29 | 2001-09-07 | Mitsubishi Heavy Ind Ltd | 流動床焼却炉の運転方法とその装置 |
| JP2004132621A (ja) * | 2002-10-11 | 2004-04-30 | Mitsui Eng & Shipbuild Co Ltd | 循環流動層ボイラにおける粒子循環量制御方法及びその装置 |
Cited By (1)
| Publication number | Priority date | Publication date | Assignee | Title |
|---|---|---|---|---|
| CN119368020A (zh) * | 2024-12-30 | 2025-01-28 | 江西三鑫医疗科技股份有限公司 | 一种血液透析中空纤维膜及其制备方法 |
Also Published As
| Publication number | Publication date |
|---|---|
| JP4918125B2 (ja) | 2012-04-18 |
Similar Documents
| Publication | Publication Date | Title |
|---|---|---|
| CN102721046B (zh) | 燃用造纸废渣和污泥的循环流化床锅炉 | |
| CN105314812A (zh) | 污泥处理系统及其处理方法 | |
| CN203571721U (zh) | 以生物质为燃料的燃烧供热系统 | |
| CN201437986U (zh) | 一种特种废物流化床焚烧炉 | |
| CN1563793A (zh) | 以水煤浆为燃料的循环流化床油田注汽锅炉 | |
| CN103574594B (zh) | 以生物质为燃料的燃烧供热系统 | |
| CN207880848U (zh) | 一种两级气固分离装置先后布置的垃圾焚烧cfb锅炉 | |
| JP2005274015A (ja) | 循環流動層ボイラ装置及びその運転制御方法 | |
| JP4157519B2 (ja) | 循環流動層ボイラ装置 | |
| JP4918125B2 (ja) | 循環流動層ボイラの高温腐食低減装置 | |
| JP4219312B2 (ja) | 循環流動層ボイラの高温腐食低減装置 | |
| JP3927916B2 (ja) | 循環流動層ボイラの高温腐食低減装置 | |
| JP2002349821A (ja) | 固体燃料の燃焼装置と燃焼方法及び微粉炭ボイラの改造方法 | |
| JP4722060B2 (ja) | 循環流動層ボイラの高温腐食低減装置 | |
| CN207880844U (zh) | 一种旋风分离器与膜式分离装置串联的垃圾焚烧cfb锅炉 | |
| CN203880691U (zh) | 无烟囱多功能燃油燃气锅炉 | |
| CN108006685B (zh) | 一种多级气固分离装置串联布置的垃圾焚烧cfb锅炉 | |
| CA2624054C (en) | A boiler producing steam from flue gases with high electrical efficiency and improved slag quality | |
| JPWO2017014299A1 (ja) | 竹材を主燃料にしたバイオマス発電システムおよび該バイオマス発電システムにおける竹材の燃焼方法 | |
| JP3906174B2 (ja) | 循環流動層ボイラにおける対流伝熱部の高温腐食対策及びクリーニングシステム | |
| JPH10128160A (ja) | 流動層燃焼装置のサイクロン装置 | |
| CN207815342U (zh) | 一种垃圾焚烧锅炉 | |
| CN216244311U (zh) | 一种高效利用能量的脱水污泥直接焚烧系统 | |
| CN207880861U (zh) | 一种多级气固分离装置串联布置的垃圾焚烧cfb锅炉 | |
| JP2021021503A (ja) | 排ガス処理装置及び排ガス処理方法 |
Legal Events
| Date | Code | Title | Description |
|---|---|---|---|
| A621 | Written request for application examination |
Free format text: JAPANESE INTERMEDIATE CODE: A621 Effective date: 20091014 |
|
| A977 | Report on retrieval |
Free format text: JAPANESE INTERMEDIATE CODE: A971007 Effective date: 20111221 |
|
| TRDD | Decision of grant or rejection written | ||
| A01 | Written decision to grant a patent or to grant a registration (utility model) |
Free format text: JAPANESE INTERMEDIATE CODE: A01 Effective date: 20120110 |
|
| A01 | Written decision to grant a patent or to grant a registration (utility model) |
Free format text: JAPANESE INTERMEDIATE CODE: A01 |
|
| A61 | First payment of annual fees (during grant procedure) |
Free format text: JAPANESE INTERMEDIATE CODE: A61 Effective date: 20120127 |
|
| FPAY | Renewal fee payment (event date is renewal date of database) |
Free format text: PAYMENT UNTIL: 20150203 Year of fee payment: 3 |
|
| R150 | Certificate of patent or registration of utility model |
Free format text: JAPANESE INTERMEDIATE CODE: R150 |
|
| LAPS | Cancellation because of no payment of annual fees |
