JP2005293630A - ホログラム記録装置、ホログラム再生装置、ホログラム記録方法、ホログラム再生方法、およびホログラム記録媒体 - Google Patents
ホログラム記録装置、ホログラム再生装置、ホログラム記録方法、ホログラム再生方法、およびホログラム記録媒体 Download PDFInfo
- Publication number
- JP2005293630A JP2005293630A JP2004102712A JP2004102712A JP2005293630A JP 2005293630 A JP2005293630 A JP 2005293630A JP 2004102712 A JP2004102712 A JP 2004102712A JP 2004102712 A JP2004102712 A JP 2004102712A JP 2005293630 A JP2005293630 A JP 2005293630A
- Authority
- JP
- Japan
- Prior art keywords
- light
- hologram recording
- recording medium
- phase modulation
- modulation element
- Prior art date
- Legal status (The legal status is an assumption and is not a legal conclusion. Google has not performed a legal analysis and makes no representation as to the accuracy of the status listed.)
- Pending
Links
Images
Classifications
-
- G—PHYSICS
- G11—INFORMATION STORAGE
- G11B—INFORMATION STORAGE BASED ON RELATIVE MOVEMENT BETWEEN RECORD CARRIER AND TRANSDUCER
- G11B7/00—Recording or reproducing by optical means, e.g. recording using a thermal beam of optical radiation by modifying optical properties or the physical structure, reproducing using an optical beam at lower power by sensing optical properties; Record carriers therefor
- G11B7/12—Heads, e.g. forming of the optical beam spot or modulation of the optical beam
- G11B7/135—Means for guiding the beam from the source to the record carrier or from the record carrier to the detector
- G11B7/1372—Lenses
- G11B7/1374—Objective lenses
-
- G—PHYSICS
- G11—INFORMATION STORAGE
- G11B—INFORMATION STORAGE BASED ON RELATIVE MOVEMENT BETWEEN RECORD CARRIER AND TRANSDUCER
- G11B7/00—Recording or reproducing by optical means, e.g. recording using a thermal beam of optical radiation by modifying optical properties or the physical structure, reproducing using an optical beam at lower power by sensing optical properties; Record carriers therefor
- G11B7/004—Recording, reproducing or erasing methods; Read, write or erase circuits therefor
- G11B7/0065—Recording, reproducing or erasing by using optical interference patterns, e.g. holograms
-
- G—PHYSICS
- G03—PHOTOGRAPHY; CINEMATOGRAPHY; ANALOGOUS TECHNIQUES USING WAVES OTHER THAN OPTICAL WAVES; ELECTROGRAPHY; HOLOGRAPHY
- G03H—HOLOGRAPHIC PROCESSES OR APPARATUS
- G03H1/00—Holographic processes or apparatus using light, infrared or ultraviolet waves for obtaining holograms or for obtaining an image from them; Details peculiar thereto
- G03H1/26—Processes or apparatus specially adapted to produce multiple sub- holograms or to obtain images from them, e.g. multicolour technique
-
- G—PHYSICS
- G03—PHOTOGRAPHY; CINEMATOGRAPHY; ANALOGOUS TECHNIQUES USING WAVES OTHER THAN OPTICAL WAVES; ELECTROGRAPHY; HOLOGRAPHY
- G03H—HOLOGRAPHIC PROCESSES OR APPARATUS
- G03H1/00—Holographic processes or apparatus using light, infrared or ultraviolet waves for obtaining holograms or for obtaining an image from them; Details peculiar thereto
- G03H1/26—Processes or apparatus specially adapted to produce multiple sub- holograms or to obtain images from them, e.g. multicolour technique
- G03H1/28—Processes or apparatus specially adapted to produce multiple sub- holograms or to obtain images from them, e.g. multicolour technique superimposed holograms only
-
- G—PHYSICS
- G11—INFORMATION STORAGE
- G11B—INFORMATION STORAGE BASED ON RELATIVE MOVEMENT BETWEEN RECORD CARRIER AND TRANSDUCER
- G11B7/00—Recording or reproducing by optical means, e.g. recording using a thermal beam of optical radiation by modifying optical properties or the physical structure, reproducing using an optical beam at lower power by sensing optical properties; Record carriers therefor
- G11B7/007—Arrangement of the information on the record carrier, e.g. form of tracks, actual track shape, e.g. wobbled, or cross-section, e.g. v-shaped; Sequential information structures, e.g. sectoring or header formats within a track
- G11B7/00772—Arrangement of the information on the record carrier, e.g. form of tracks, actual track shape, e.g. wobbled, or cross-section, e.g. v-shaped; Sequential information structures, e.g. sectoring or header formats within a track on record carriers storing information in the form of optical interference patterns, e.g. holograms
-
- G—PHYSICS
- G11—INFORMATION STORAGE
- G11B—INFORMATION STORAGE BASED ON RELATIVE MOVEMENT BETWEEN RECORD CARRIER AND TRANSDUCER
- G11B7/00—Recording or reproducing by optical means, e.g. recording using a thermal beam of optical radiation by modifying optical properties or the physical structure, reproducing using an optical beam at lower power by sensing optical properties; Record carriers therefor
- G11B7/08—Disposition or mounting of heads or light sources relatively to record carriers
- G11B7/09—Disposition or mounting of heads or light sources relatively to record carriers with provision for moving the light beam or focus plane for the purpose of maintaining alignment of the light beam relative to the record carrier during transducing operation, e.g. to compensate for surface irregularities of the latter or for track following
-
- G—PHYSICS
- G11—INFORMATION STORAGE
- G11B—INFORMATION STORAGE BASED ON RELATIVE MOVEMENT BETWEEN RECORD CARRIER AND TRANSDUCER
- G11B7/00—Recording or reproducing by optical means, e.g. recording using a thermal beam of optical radiation by modifying optical properties or the physical structure, reproducing using an optical beam at lower power by sensing optical properties; Record carriers therefor
- G11B7/12—Heads, e.g. forming of the optical beam spot or modulation of the optical beam
- G11B7/125—Optical beam sources therefor, e.g. laser control circuitry specially adapted for optical storage devices; Modulators, e.g. means for controlling the size or intensity of optical spots or optical traces
- G11B7/128—Modulators
Landscapes
- Physics & Mathematics (AREA)
- Optics & Photonics (AREA)
- General Physics & Mathematics (AREA)
- Optical Recording Or Reproduction (AREA)
- Holo Graphy (AREA)
- Optical Head (AREA)
Abstract
【課題】
簡便にホログラム記録媒体への多重記録、再生を行うこと。
【解決手段】
ホログラム記録装置が、光変調素子で変調された信号光および位相変調素子で位相変調された参照光をホログラム記録媒体の略同一箇所に集光する光学系と、位相変調素子とホログラム記録媒体との距離を制御する距離制御機構とを備える。位相変調素子とホログラム記録媒体との距離を制御することで、ホログラム記録媒体への多重記録を行える。通常の位相相関多重方式ではホログラム記録媒体の表面方向に集光箇所をシフトすることで多重記録を行っているのに対して、このような表面方向でのシフトを要することなく多重記録が可能となる。ホログラム記録媒体の表面方向へのシフトを行うことで、更に記憶容量の増大を図ることが可能であり、このときには、通常の位相相関多重の場合よりも、シフト量に余裕を持たせることができる。
【選択図】 図1
簡便にホログラム記録媒体への多重記録、再生を行うこと。
【解決手段】
ホログラム記録装置が、光変調素子で変調された信号光および位相変調素子で位相変調された参照光をホログラム記録媒体の略同一箇所に集光する光学系と、位相変調素子とホログラム記録媒体との距離を制御する距離制御機構とを備える。位相変調素子とホログラム記録媒体との距離を制御することで、ホログラム記録媒体への多重記録を行える。通常の位相相関多重方式ではホログラム記録媒体の表面方向に集光箇所をシフトすることで多重記録を行っているのに対して、このような表面方向でのシフトを要することなく多重記録が可能となる。ホログラム記録媒体の表面方向へのシフトを行うことで、更に記憶容量の増大を図ることが可能であり、このときには、通常の位相相関多重の場合よりも、シフト量に余裕を持たせることができる。
【選択図】 図1
Description
本発明は、ホログラムを用いて記録を行うホログラム記録装置、ホログラム再生装置、ホログラム記録方法、ホログラム再生方法、およびホログラム記録媒体に関する。
ホログラフィを使ってデータを記録するホログラム記録装置の開発が進められている。
ホログラム記録装置では、変調された(データが重畳された)信号光、変調されない参照光の2つをレーザ光から生成し、これらをホログラム記録媒体の同一場所に照射する。その結果、ホログラム記録媒体上で信号光と参照光が干渉して照射点に回折格子(ホログラム)が形成され、ホログラム記録媒体にデータが記録される。
記録済みのホログラム記録媒体に参照光を照射することで、記録時に形成された回折格子から回折光(再生光)が発生する。この再生光は記録時の信号光に重畳されたデータを含んでいるので、これを受光素子で受光して記録した信号を再生できる。
ホログラム記録装置では、変調された(データが重畳された)信号光、変調されない参照光の2つをレーザ光から生成し、これらをホログラム記録媒体の同一場所に照射する。その結果、ホログラム記録媒体上で信号光と参照光が干渉して照射点に回折格子(ホログラム)が形成され、ホログラム記録媒体にデータが記録される。
記録済みのホログラム記録媒体に参照光を照射することで、記録時に形成された回折格子から回折光(再生光)が発生する。この再生光は記録時の信号光に重畳されたデータを含んでいるので、これを受光素子で受光して記録した信号を再生できる。
ホログラム記録媒体に多くの情報を記録するために、ホログラム記録媒体に多数のホログラムを形成する場合がある。この場合、ホログラム記録媒体上の異なる箇所にホログラムを形成するとは限らず、ホログラム記録媒体の同一箇所に参照光の入射角度を変化させてホログラムを形成することも可能である。これは、いわゆる多重記録(角度多重)であり、再生時に記録時と同様の参照光を用いることで、同一箇所に形成された複数のホログラムそれぞれに対応する再生光、ひいてはデータを得ることが可能である。
なお、多重記録の一種である位相相関多重を用いて記憶容量の増大を図ったホログラム記録装置の開発が進められている(例えば、特許文献1参照。)。
特開平11−242424号公報
なお、多重記録の一種である位相相関多重を用いて記憶容量の増大を図ったホログラム記録装置の開発が進められている(例えば、特許文献1参照。)。
しかしながら、位相相関多重ではホログラム記録媒体の表面方向に集光箇所をシフトすることで多重記録を行っており、記録容量の増大を図るには、このシフト量を微少量として精密に制御する必要がある。
以上のような事情に鑑み、本発明の目的は、簡便にホログラム記録媒体への多重記録、再生を行えるホログラム記録装置、ホログラム再生装置、ホログラム記録方法、ホログラム再生方法、およびホログラム記録媒体を提供することにある。
以上のような事情に鑑み、本発明の目的は、簡便にホログラム記録媒体への多重記録、再生を行えるホログラム記録装置、ホログラム再生装置、ホログラム記録方法、ホログラム再生方法、およびホログラム記録媒体を提供することにある。
A.本発明に係るホログラム記録装置は、レーザ光を出射するレーザ光源と、前記レーザ光源から出射されたレーザ光を信号光と参照光に分岐する光分岐素子と、前記光分岐素子で分岐された信号光を変調する光変調素子と、前記光分岐素子で分岐された参照光を位相変調する位相変調素子と、前記光変調素子で変調された信号光および前記位相変調素子で位相変調された参照光をホログラム記録媒体の略同一箇所に集光する光学系と、前記位相変調素子と前記ホログラム記録媒体との距離を制御する距離制御機構と、を具備することを特徴とする。
位相変調素子とホログラム記録媒体との距離を制御することで、ホログラム記録媒体への多重記録を行える。通常の位相相関多重方式ではホログラム記録媒体の表面方向に集光箇所をシフトすることで多重記録を行っているのに対して、表面方向でのシフトを要することなく多重記録が可能となる。
なお、通常の位相相関多重方式と同様にホログラム記録媒体の表面方向へのシフトを行うことで、更に記憶容量の増大を図ることが可能である。このときには、通常の位相相関多重の場合よりも、シフト量に余裕を持たせることができる。
なお、通常の位相相関多重方式と同様にホログラム記録媒体の表面方向へのシフトを行うことで、更に記憶容量の増大を図ることが可能である。このときには、通常の位相相関多重の場合よりも、シフト量に余裕を持たせることができる。
(1)前記光学系が、前記信号光、前記参照光の双方を前記ホログラム記録媒体に集光する対物レンズを有してもよい。
単一の対物レンズで信号光および参照光の焦点調整が行えるため、フォーカス制御が容易である。
単一の対物レンズで信号光および参照光の焦点調整が行えるため、フォーカス制御が容易である。
ここで、前記光学系が、前記信号光、前記参照光の一方のみを通過させるレンズを有してもよい。
信号光と参照光の焦点の深さを異ならせることが容易に行える。
信号光と参照光の焦点の深さを異ならせることが容易に行える。
(2)前記光学系が、前記信号光を前記ホログラム記録媒体に集光する第1の対物レンズと、前記参照光を前記ホログラム記録媒体に集光する第2の対物レンズと、を有してもよい。
第1、第2の対物レンズそれぞれで信号光、参照光を集光することから、光学系の構成が容易になる。
第1、第2の対物レンズそれぞれで信号光、参照光を集光することから、光学系の構成が容易になる。
B.本発明に係るログラム再生装置は、レーザ光を出射するレーザ光源と、前記レーザ光源から出射されたレーザ光を参照光として位相変調する位相変調素子と、前記位相変調素子で位相変調された参照光をホログラム記録媒体に集光する光学系と、前記位相変調素子と前記ホログラム記録媒体との距離を制御する距離制御機構と、を具備することを特徴とする。
位相変調素子とホログラム記録媒体との距離を制御することで、ホログラム記録媒体への多重記録を再生できる。通常の位相相関多重方式ではホログラム記録媒体の表面方向に集光箇所をシフトすることで多重記録を再生するのに対して、表面方向でのシフトを要することなく多重記録の再生が可能となる。
C.本発明に係るホログラム記録方法は、レーザ光源から出射されたレーザ光を信号光と参照光に分岐する光分岐ステップと、前記光分岐ステップで分岐された信号光を光変調素子で変調する光変調ステップと、前記光分岐ステップで分岐された参照光を位相変調素子で位相変調する位相変調ステップと、前記光変調ステップで変調された信号光および前記位相変調ステップで位相変調された参照光をホログラム記録媒体の略同一箇所に集光する集光ステップと、前記位相変調素子と前記ホログラム記録媒体との距離を制御する距離制御ステップと、を具備することを特徴とする。
位相変調素子とホログラム記録媒体との距離を制御することで、ホログラム記録媒体への多重記録を行える。通常の位相相関多重方式ではホログラム記録媒体の表面方向に集光箇所をシフトすることで多重記録を行っているのに対して、表面方向でのシフトを要することなく多重記録が可能となる。
D.本発明に係るホログラム再生方法は、レーザ光源から出射されたレーザ光を参照光として位相変調素子で位相変調する位相変調ステップと、前記位相変調ステップで位相変調された参照光をホログラム記録媒体に集光する集光ステップと、前記位相変調素子と前記ホログラム記録媒体との距離を制御する距離制御ステップと、を具備することを特徴とする。
位相変調素子とホログラム記録媒体との距離を制御することで、ホログラム記録媒体への多重記録を再生できる。通常の位相相関多重方式ではホログラム記録媒体の表面方向に集光箇所をシフトすることで多重記録を再生するのに対して、表面方向でのシフトを要することなく多重記録の再生が可能となる。
E.本発明に係るホログラム記録媒体は、レーザ光源から出射されたレーザ光を信号光と参照光に分岐する光分岐ステップと、前記光分岐ステップで分岐された信号光を光変調素子で変調する光変調ステップと、前記光分岐ステップで分岐された参照光を位相変調素子で位相変調する位相変調ステップと、前記光変調ステップで変調された信号光および前記位相変調ステップで位相変調された参照光をホログラム記録媒体の略同一箇所に集光する集光ステップと、前記位相変調素子と前記ホログラム記録媒体との距離を制御する距離制御ステップと、を有するホログラム記録方法によってデータが記録されていることを特徴とする。
以上のように、本発明によれば、簡便にホログラム記録媒体への多重記録、再生を行えるホログラム記録装置、ホログラム再生装置、ホログラム記録方法、ホログラム再生方法、およびホログラム記録媒体を提供する。
以下、本発明の実施の形態を図面に基づき説明する。
図1は、本発明の一実施形態に係るホログラム記録装置の光学ユニット100を表す模式図である。また、図2は光学ユニット100の一部を拡大した状態を表す模式図である。なお、図2では、内容の判りやすさのための、光学素子の一部の図示を省略している。
図1は、本発明の一実施形態に係るホログラム記録装置の光学ユニット100を表す模式図である。また、図2は光学ユニット100の一部を拡大した状態を表す模式図である。なお、図2では、内容の判りやすさのための、光学素子の一部の図示を省略している。
図1、2に示すように、ホログラム記録装置は、ホログラム記録媒体101への情報の記録、再生を行うものであり、光学ユニット100を備える。
光学ユニット100は、記録再生用光源111,コリメートレンズ112,偏光ビームスプリッタ113,ミラー121,ピンホール122,空間光変調器123,ミラー124,ダイクロイックミラー125,凹レンズ126,対物レンズ127,ファラデー素子131、132,偏光ビームスプリッタ133,撮像素子134,ミラー141,遮蔽板142,位相変調素子143,サーボ用光源151,コリメートレンズ152,グレーティング153,ビームスプリッタ154,集光用レンズ155,シリンドリカルレンズ156,受光素子157,サーボ用駆動ユニット158を有する。
光学ユニット100は、記録再生用光源111,コリメートレンズ112,偏光ビームスプリッタ113,ミラー121,ピンホール122,空間光変調器123,ミラー124,ダイクロイックミラー125,凹レンズ126,対物レンズ127,ファラデー素子131、132,偏光ビームスプリッタ133,撮像素子134,ミラー141,遮蔽板142,位相変調素子143,サーボ用光源151,コリメートレンズ152,グレーティング153,ビームスプリッタ154,集光用レンズ155,シリンドリカルレンズ156,受光素子157,サーボ用駆動ユニット158を有する。
ホログラム記録媒体101は、保護層102,記録層103,グルーブ104,反射層105を有し、信号光と参照光による干渉縞を記録する記録媒体である。
保護層102は、記録層103を外界から保護するための層である。
記録層103は、この干渉縞を屈折率(あるいは、透過率)の変化として記録するものであり、光の強度に応じて屈折率(あるいは、透過率)の変化が行われる材料であれば、有機材料、無機材料の別を問うことなく利用可能である。
保護層102は、記録層103を外界から保護するための層である。
記録層103は、この干渉縞を屈折率(あるいは、透過率)の変化として記録するものであり、光の強度に応じて屈折率(あるいは、透過率)の変化が行われる材料であれば、有機材料、無機材料の別を問うことなく利用可能である。
無機材料として、例えば、ニオブ酸リチウム(LiNbO3)のような電気光学効果によって露光量に応じ屈折率が変化するフォトリフラクティブ材料を用いることができる。
有機材料として、例えば、光重合型フォトポリマを用いることができる。光重合型フォトポリマは、その初期状態では、モノマがマトリクスポリマに均一に分散している。これに光が照射されると、露光部でモノマが重合する。そして、ポリマ化するにつれて周囲からモノマが移動してモノマの濃度が場所によって変化する。
以上のように、記録層103の屈折率(あるいは透過率)が露光量に応じて変化することで、参照光と信号光との干渉によって生じる干渉縞を屈折率(あるいは透過率)の変化としてホログラム記録媒体101に記録できる。
有機材料として、例えば、光重合型フォトポリマを用いることができる。光重合型フォトポリマは、その初期状態では、モノマがマトリクスポリマに均一に分散している。これに光が照射されると、露光部でモノマが重合する。そして、ポリマ化するにつれて周囲からモノマが移動してモノマの濃度が場所によって変化する。
以上のように、記録層103の屈折率(あるいは透過率)が露光量に応じて変化することで、参照光と信号光との干渉によって生じる干渉縞を屈折率(あるいは透過率)の変化としてホログラム記録媒体101に記録できる。
ホログラム記録媒体101は、図示しない駆動手段で移動、または回転され、空間光変調器123の像を多数のホログラムとして記録することができる。
ホログラム記録媒体101が移動することから、ホログラム記録媒体101上への記録・再生は移動方向に形成されたトラックに沿って行われる。
グルーブ104は、ホログラム記録媒体101へのトラッキング、フォーカス等のサーボ制御を行うために設けられる。即ち、ホログラム記録媒体101のトラックに沿ってグルーブ104が形成され、信号光の集光位置、集光深さをグルーブ104と対応するように制御することで、トラッキングサーボ、およびフォーカスサーボが行われる。
ホログラム記録媒体101が移動することから、ホログラム記録媒体101上への記録・再生は移動方向に形成されたトラックに沿って行われる。
グルーブ104は、ホログラム記録媒体101へのトラッキング、フォーカス等のサーボ制御を行うために設けられる。即ち、ホログラム記録媒体101のトラックに沿ってグルーブ104が形成され、信号光の集光位置、集光深さをグルーブ104と対応するように制御することで、トラッキングサーボ、およびフォーカスサーボが行われる。
記録再生用光源111は、レーザ光源であり、例えば、波長405[nm]のレーザダイオード(LD)や波長532[nm]のNd-YAGレーザーを用いることができる。
コリメートレンズ112は、記録再生用光源111から照射されたレーザ光を平行光に変換する光学素子である。
偏光ビームスプリッタ113は、コリメートレンズ112から入射した平行光を信号光と参照光に分割する光学素子である。偏光ビームスプリッタ113からは、ミラー121に向かうs波の信号光とミラー141に向かうp波の参照光が出射される。
コリメートレンズ112は、記録再生用光源111から照射されたレーザ光を平行光に変換する光学素子である。
偏光ビームスプリッタ113は、コリメートレンズ112から入射した平行光を信号光と参照光に分割する光学素子である。偏光ビームスプリッタ113からは、ミラー121に向かうs波の信号光とミラー141に向かうp波の参照光が出射される。
ミラー121、124、141は、入射光を反射してその方向を変更する光学素子である。
ピンホール122は、信号光のビーム径を絞る光学素子である。
空間光変調器123は、信号光を空間的に(ここでは、2次元的に)変調して、データを重畳する光学素子である。空間光変調器123は、透過型の素子である透過型液晶素子を用いることができる。なお、空間光変調器に反射型の素子であるDMD (Digital micro mirror) や反射型液晶、GLV (Grating Light Value)素子を用いることが可能である。
ピンホール122は、信号光のビーム径を絞る光学素子である。
空間光変調器123は、信号光を空間的に(ここでは、2次元的に)変調して、データを重畳する光学素子である。空間光変調器123は、透過型の素子である透過型液晶素子を用いることができる。なお、空間光変調器に反射型の素子であるDMD (Digital micro mirror) や反射型液晶、GLV (Grating Light Value)素子を用いることが可能である。
ダイクロイックミラー125は、記録再生に用いる光(記録再生用光源111からのレーザ光)とサーボに用いる光(サーボ用光源151からのレーザ光)とを同一の光路にするための光学素子である。ダイクロイックミラー125は、記録再生用光源111とサーボ用光源151とでレーザ光の波長が異なることに対応して、記録再生用光源111からの記録再生光を透過し、サーボ用光源151からのサーボ光を反射する。ダイクロイックミラー125は記録再生用の光は全透過し、サーボ用に用いる光は全反射するような薄膜処理がその表面に施されている。
凹レンズ126は、信号光の収束性を参照光と異ならせるためのレンズである。信号光のみが凹レンズ126を通過することで、信号光と参照光のホログラム記録媒体101での集光深さが異なってくる。
対物レンズ127は、信号光および参照光の双方をホログラム記録媒体101に集光するための光学素子である。
凹レンズ126は、信号光の収束性を参照光と異ならせるためのレンズである。信号光のみが凹レンズ126を通過することで、信号光と参照光のホログラム記録媒体101での集光深さが異なってくる。
対物レンズ127は、信号光および参照光の双方をホログラム記録媒体101に集光するための光学素子である。
ファラデー素子131、132は、偏光面を回転するための光学素子である。ファラデー素子131に入射したs偏光は偏光面が45°回転され、ファラデー素子132で元のs偏光に戻される。
偏光ビームスプリッタ133は、ファラデー素子131から入射した偏光を透過し、ホログラム記録媒体101で反射されてファラデー素子132から戻ってきた戻り光(再生光)を反射するための光学素子である。これは、ファラデー素子131、132、と偏光ビームスプリッタ133との組み合わせにより実現される。
撮像素子134は、再生光の画像を入力するための素子である。例えば、CCD(電荷結合素子)やCMOS(相補型金属酸化物半導体)素子を用いることができる。
偏光ビームスプリッタ133は、ファラデー素子131から入射した偏光を透過し、ホログラム記録媒体101で反射されてファラデー素子132から戻ってきた戻り光(再生光)を反射するための光学素子である。これは、ファラデー素子131、132、と偏光ビームスプリッタ133との組み合わせにより実現される。
撮像素子134は、再生光の画像を入力するための素子である。例えば、CCD(電荷結合素子)やCMOS(相補型金属酸化物半導体)素子を用いることができる。
遮蔽板142は、参照光の一部を遮蔽して、記録光と重ならないようにするための光学素子である。
位相変調素子143は、参照光にランダム位相またはある一定の位相パターンを持たせるための光学素子であり、位相マスクといってもよい。位相変調素子143には、すりガラスやデフューザ、空間位相変調器を用いても良い。また、位相パターンを記録したホログラム素子を用いることも可能である。ホログラム素子からの再生によって位相パターンを有する光が発生する。
位相変調素子143は、参照光にランダム位相またはある一定の位相パターンを持たせるための光学素子であり、位相マスクといってもよい。位相変調素子143には、すりガラスやデフューザ、空間位相変調器を用いても良い。また、位相パターンを記録したホログラム素子を用いることも可能である。ホログラム素子からの再生によって位相パターンを有する光が発生する。
サーボ用光源151は、トラッキングサーボ、フォーカスサーボ等のサーボ制御を行うための光源であり、記録再生用光源111とは波長の異なるレーザ光を出射する。サーボ用光源151は、例えば、レーザーダイオードであり、発振波長としてホログラム記録媒体101に対して感度が小さい、例えば、650nmを使用する。
コリメートレンズ152は、サーボ用光源151から照射されたレーザ光を平行光に変換する光学素子である。
グレーティング153は、コリメートレンズ152から出射されたレーザ光を3つのビームに分割するための光学素子であり、2枚の素子から構成される。サーボ制御のためにレーザ光の分割が行われる。
コリメートレンズ152は、サーボ用光源151から照射されたレーザ光を平行光に変換する光学素子である。
グレーティング153は、コリメートレンズ152から出射されたレーザ光を3つのビームに分割するための光学素子であり、2枚の素子から構成される。サーボ制御のためにレーザ光の分割が行われる。
ビームスプリッタ154は、グレーティング153から出射されたレーザ光を透過し、ホログラム記録媒体101から反射されて戻ってきた戻り光を反射するための光学素子である。
集光用レンズ155は、ビームスプリッタ154からの戻り光を受光素子157に集光するための光学素子である。
シリンドリカルレンズ156は、集光用レンズ155から出射されたレーザ光のビーム形状を円形から楕円形に変換するための光学素子である。
受光素子157は、戻り光を受光し、トラッキングサーボ制御のためのトラッキングエラー信号とフォーカスサーボ制御のためのフォーカスエラー信号を出力するための素子である。
サーボ用駆動ユニット158は、受光素子157の出力から生成されたトラッキングエラー信号およびフォーカスエラー信号により対物レンズ127を駆動し、トラッキング制御およびフォーカス制御を行うための駆動機構であり、駆動用のコイル161,162を有する。
集光用レンズ155は、ビームスプリッタ154からの戻り光を受光素子157に集光するための光学素子である。
シリンドリカルレンズ156は、集光用レンズ155から出射されたレーザ光のビーム形状を円形から楕円形に変換するための光学素子である。
受光素子157は、戻り光を受光し、トラッキングサーボ制御のためのトラッキングエラー信号とフォーカスサーボ制御のためのフォーカスエラー信号を出力するための素子である。
サーボ用駆動ユニット158は、受光素子157の出力から生成されたトラッキングエラー信号およびフォーカスエラー信号により対物レンズ127を駆動し、トラッキング制御およびフォーカス制御を行うための駆動機構であり、駆動用のコイル161,162を有する。
(ホログラム記録装置の動作)
以下、ホログラム記録装置の動作の概要を説明する。
A.記録時
記録時におけるホログラム記録装置の動作の概要を説明する。
記録再生用光源111から出射されたレーザ光がコリメートレンズ112によって平行光になり偏光ビームスプリッタ113によってs波の信号光とp波の参照光とに分割される。
以下、ホログラム記録装置の動作の概要を説明する。
A.記録時
記録時におけるホログラム記録装置の動作の概要を説明する。
記録再生用光源111から出射されたレーザ光がコリメートレンズ112によって平行光になり偏光ビームスプリッタ113によってs波の信号光とp波の参照光とに分割される。
信号光はミラー121によって反射され,ピンホール122によって所望のビーム径にされ、空間光変調器123によって空間的に強度変調される。空間光変調器123で光変調されたレーザ光はファラデー素子131、偏光ビームスプリッタ133,ファラデー素子132を通過し、ミラー124によって反射され、ホログラム記録媒体101上での焦点を調節する凹レンズ126を通過する。
また偏光ビームスプリッタ113を透過した参照光はミラー141で反射され、遮蔽板142によってビームの中心部分のみが遮断され所望のビームの形にされる。このため、ミラー124では反射されず信号光と同一の光路となる。
対物レンズ127が記録光と参照光とをホログラム記録媒体101上の略同一の箇所に集光することで、ホログラム記録媒体101上に干渉縞が形成される。この結果、空間光変調器123によって空間変調された情報をホログラム記録媒体101上にホログラムとして記録される。
対物レンズ127が記録光と参照光とをホログラム記録媒体101上の略同一の箇所に集光することで、ホログラム記録媒体101上に干渉縞が形成される。この結果、空間光変調器123によって空間変調された情報をホログラム記録媒体101上にホログラムとして記録される。
ここでホログラム記録媒体101またはユニット100全体を平面的に移動(シフト)させ、信号光および参照光を略同一の箇所に入射させることで、空間変調によるデータをホログラムとしてホログラム記録媒体101に記録する。なお、このときに必要な移動量(シフト量)は位相変調素子143の位相パターンのピッチに依存する。
また、位相変調素子143またはユニット100全体をホログラム記録媒体101の表面に垂直な方向(奥行き方向)に移動(シフト)させ、信号光および参照光を入射させることで、空間変調によるデータを記録する。
なお、受光素子157からの出力信号から生成されたサーボ信号に基づきサーボ用駆動ユニット158が動作することで、トラッキングおよびフォーカスのずれが解消される。この詳細は後述する、
また、位相変調素子143またはユニット100全体をホログラム記録媒体101の表面に垂直な方向(奥行き方向)に移動(シフト)させ、信号光および参照光を入射させることで、空間変調によるデータを記録する。
なお、受光素子157からの出力信号から生成されたサーボ信号に基づきサーボ用駆動ユニット158が動作することで、トラッキングおよびフォーカスのずれが解消される。この詳細は後述する、
B.再生時
再生時におけるホログラム記録装置の動作の概要を説明する。
再生時には信号光を遮断し、参照光のみをホログラム記録媒体101に入射させる。
記録再生用光源111から出射し、偏光ビームスプリッタ113を透過した参照光がミラー141によって反射され、遮蔽板142によってビームの中心部分のみが遮断される。その後、参照光はダイクロイックミラー125を通過し、位相変調素子143によって記録時と同様の位相パターンを有する参照光となりホログラム記録媒体101に入射する。
再生時におけるホログラム記録装置の動作の概要を説明する。
再生時には信号光を遮断し、参照光のみをホログラム記録媒体101に入射させる。
記録再生用光源111から出射し、偏光ビームスプリッタ113を透過した参照光がミラー141によって反射され、遮蔽板142によってビームの中心部分のみが遮断される。その後、参照光はダイクロイックミラー125を通過し、位相変調素子143によって記録時と同様の位相パターンを有する参照光となりホログラム記録媒体101に入射する。
記録時と同じ位相パターンを持った参照光がホログラム記録媒体101に入射することにより、ホログラム記録媒体101に記録されたホログラムから回折光(再生光)が発生する。
発生した再生光は信号光と逆の光路をたどり、対物レンズ127、凹レンズ126,ダイクロイックミラー125を透過して、ミラー124で反射される。
ミラー124で反射された再生光は、ファラデー素子132によって偏光方向が回転される。その結果、ファラデー素子132を出射した再生光は、偏光ビームスプリッタ133で反射され、撮像素子134によって空間光変調器123での空間的な2次元データに対応する電気信号に変換される。撮像素子134からの出力は、図示しない信号処理部によって2値化され、時系列2値化データに変換される。
発生した再生光は信号光と逆の光路をたどり、対物レンズ127、凹レンズ126,ダイクロイックミラー125を透過して、ミラー124で反射される。
ミラー124で反射された再生光は、ファラデー素子132によって偏光方向が回転される。その結果、ファラデー素子132を出射した再生光は、偏光ビームスプリッタ133で反射され、撮像素子134によって空間光変調器123での空間的な2次元データに対応する電気信号に変換される。撮像素子134からの出力は、図示しない信号処理部によって2値化され、時系列2値化データに変換される。
ここでホログラム記録媒体101またはユニット100全体を平面的に移動(シフト)させ、ホログラム記録媒体101上で再生したい場所に参照光を入射させることによって所望のデータが再生される。
また、位相変調素子143またはユニット100全体をホログラム記録媒体101の表面に垂直な方向(奥行き方向)に移動(シフト)させることで奥行き方向に多重化されたデータを取り出すことができる。
また、位相変調素子143またはユニット100全体をホログラム記録媒体101の表面に垂直な方向(奥行き方向)に移動(シフト)させることで奥行き方向に多重化されたデータを取り出すことができる。
[位相変調素子143によるホログラムの記録]
図3は、ホログラム記録装置により記録・再生されるホログラムを表す模式図である。
図3に示すように、空間光変調器123により空間的に変調された信号光と、位相変調素子143によってランダムな位相パターン又はある一定の規則性を持った位相パターンが付与された参照光とが干渉することで、ホログラム記録媒体101上にホログラムが記録される。記録時と一致する位相パターンを有する参照光をホログラム記録媒体101上に照射することで記録したホログラムが再生される(位相相関多重方式)。
図3は、ホログラム記録装置により記録・再生されるホログラムを表す模式図である。
図3に示すように、空間光変調器123により空間的に変調された信号光と、位相変調素子143によってランダムな位相パターン又はある一定の規則性を持った位相パターンが付与された参照光とが干渉することで、ホログラム記録媒体101上にホログラムが記録される。記録時と一致する位相パターンを有する参照光をホログラム記録媒体101上に照射することで記録したホログラムが再生される(位相相関多重方式)。
ここで、ホログラム記録媒体101またはユニット100のいずれかまたは双方をホログラム記録媒体101の表面に沿ってシフトさせることで多重記録を行うことができる。このとき、参照光が位相パターンを有することから、このシフト量は微少で良い。
また、ホログラム記録媒体101と位相変調素子143の相対的な距離を変えることによって厚さ方向(表面に垂直な方向)の位相パターンを変えることができる。このため、ホログラム記録媒体101の厚さ方向への多重記録・再生が可能となる。
また、ホログラム記録媒体101と位相変調素子143の相対的な距離を変えることによって厚さ方向(表面に垂直な方向)の位相パターンを変えることができる。このため、ホログラム記録媒体101の厚さ方向への多重記録・再生が可能となる。
多重記録する方向の順序は適宜に選択することが可能である。ホログラム記録媒体101の表面方向での多重記録の後に厚さ方向への多重記録することができる。この逆に、ホログラム記録媒体101の厚さ方向での多重記録の後に表面方向への多重記録することもできる。
[焦点位置]
図1,2,では、凹レンズ126に信号光のみを通すことで、信号光の焦点をグルーブ104に、参照光の焦点をグルーブ104の手前に合わせている。
図4は、このときの干渉の状態を表す模式図である。
信号光、参照光の干渉によってホログラムが記録される。このとき生成されるホログラムは透過型格子である。再生時にも参照光によって回折光が再生され、その光が反射層105によって反射され、再生光として取り出される。
図1,2,では、凹レンズ126に信号光のみを通すことで、信号光の焦点をグルーブ104に、参照光の焦点をグルーブ104の手前に合わせている。
図4は、このときの干渉の状態を表す模式図である。
信号光、参照光の干渉によってホログラムが記録される。このとき生成されるホログラムは透過型格子である。再生時にも参照光によって回折光が再生され、その光が反射層105によって反射され、再生光として取り出される。
図5は、凹レンズ126に換えて凸レンズ126aを用いることで、信号光の焦点をグルーブ104の手前に、参照光の焦点をグルーブ104に合わせたときの干渉の状態を表す模式図である。
このときには参照光が反射層105で反射した成分と信号光との干渉によってホログラムが記録され、再生時と同様に参照光の反射成分から回折光が発生する。
この他にも、信号光と参照光の両方ともグルーブ104の手前に焦点を合わせたり、両方ともグルーブ104の後に焦点を合わせたりするなどの組み合わせが考えられる。
図1,2では参照光を信号光の手前に結ばせるために信号光に凹レンズ126を入れているが、これに換えて参照光側に凸レンズを入れてもよい。また、図5では信号光に凸レンズ126aを入れているが、これに換えて参照光に凹レンズを入れることもできる。
このときには参照光が反射層105で反射した成分と信号光との干渉によってホログラムが記録され、再生時と同様に参照光の反射成分から回折光が発生する。
この他にも、信号光と参照光の両方ともグルーブ104の手前に焦点を合わせたり、両方ともグルーブ104の後に焦点を合わせたりするなどの組み合わせが考えられる。
図1,2では参照光を信号光の手前に結ばせるために信号光に凹レンズ126を入れているが、これに換えて参照光側に凸レンズを入れてもよい。また、図5では信号光に凸レンズ126aを入れているが、これに換えて参照光に凹レンズを入れることもできる。
[参照光の形状について]
図6は、図1,2における参照光の形状を表す模式図である。信号光の回りを囲うように参照光が入射されている。
これに換えて、図7のように信号光に対して両脇から参照光を2本入射させることができる。また両脇からではなく片方のみから参照光を入射させることもできる。参照光が3本や4本であっても良い。
図6は、図1,2における参照光の形状を表す模式図である。信号光の回りを囲うように参照光が入射されている。
これに換えて、図7のように信号光に対して両脇から参照光を2本入射させることができる。また両脇からではなく片方のみから参照光を入射させることもできる。参照光が3本や4本であっても良い。
[サーボ機構について]
以下、ホログラム記録装置のサーボ動作について説明する。
サーボ用光源151から出射したレーザービーム(サーボ用ビーム)は、コリメートレンズ152で平行光とされ、グレーティング153で複数に分けられ、ビームスプリッタ154に入射する。サーボ用ビームはビームスプリッタ154を通過し、ダイクロイックミラー125で反射される。ダイクロイックミラー125で反射されたサーボ用ビームは対物レンズ127で絞られてホログラム記録媒体101に照射される。
以下、ホログラム記録装置のサーボ動作について説明する。
サーボ用光源151から出射したレーザービーム(サーボ用ビーム)は、コリメートレンズ152で平行光とされ、グレーティング153で複数に分けられ、ビームスプリッタ154に入射する。サーボ用ビームはビームスプリッタ154を通過し、ダイクロイックミラー125で反射される。ダイクロイックミラー125で反射されたサーボ用ビームは対物レンズ127で絞られてホログラム記録媒体101に照射される。
ホログラム記録媒体101の反射層105で反射されたサーボ用ビームは対物レンズ127を通り、ダイクロイックミラー125で反射されてビームスプリッタ154に入射する。このサーボ用ビームは、ビームスプリッタ154で反射され、集光用レンズ155で絞られた後にシリンドリカルレンズ156で非点収差を発生させて受光素子(フォトディテクタ)157に入射する。
図8は、ホログラム記録媒体101に照射されるサーボ用ビームとグルーブ104との関係を表す模式図である。
本図に示すように、サーボ用ビームは、グレーティング153で分割され、センタービームC、およびこれを挟む複数のビームS1〜S4としてグルーブ104に照射される。グレーティング153は、2枚で構成され、1枚でS1とS2を、もう1枚でS3とS4のビームを生成する。
これらのサーボ用ビームS1〜S4は、例えばグルーブ104に半分だけかかるように傾けて配置される。ビームS1、S2とビームS3、S4は互いに反対方向に傾けられる。
なお、サーボ用ビームの位置は記録再生用ビームの中央に配置する必要はなく、どこにあっても良い。
本図に示すように、サーボ用ビームは、グレーティング153で分割され、センタービームC、およびこれを挟む複数のビームS1〜S4としてグルーブ104に照射される。グレーティング153は、2枚で構成され、1枚でS1とS2を、もう1枚でS3とS4のビームを生成する。
これらのサーボ用ビームS1〜S4は、例えばグルーブ104に半分だけかかるように傾けて配置される。ビームS1、S2とビームS3、S4は互いに反対方向に傾けられる。
なお、サーボ用ビームの位置は記録再生用ビームの中央に配置する必要はなく、どこにあっても良い。
図9は、受光素子157の構成の詳細を表す模式図である。本図に示すように、受光素子157は、8つの素子A〜Hで構成される。素子G上にビームS3が、素子E上にビームS1が、素子A〜D上にビームCが、素子F上にビームS2が、素子H上にビームS4が入射する。
フォーカスサーボエラー信号とトラッキングサーボエラー信号は、8つの素子A〜Hの出力PA〜PHより以下の演算により生成される。
フォーカスエラー信号(Focus error):(PA+PC)-(PB+PD)
トラッキングエラー信号(Tracking error):PE-PF
これらのエラー信号に基づいて、サーボ用駆動ユニット158のコイル161,162が対物レンズ127を駆動することで、フォーカスサーボ、トラッキングサーボが行われる。
フォーカスサーボエラー信号とトラッキングサーボエラー信号は、8つの素子A〜Hの出力PA〜PHより以下の演算により生成される。
フォーカスエラー信号(Focus error):(PA+PC)-(PB+PD)
トラッキングエラー信号(Tracking error):PE-PF
これらのエラー信号に基づいて、サーボ用駆動ユニット158のコイル161,162が対物レンズ127を駆動することで、フォーカスサーボ、トラッキングサーボが行われる。
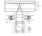
図10は、図1,2に示す光学ユニット100を駆動する駆動機構を表す模式図である。
本図に示すように、光学ユニット100は、送りステージ170の上に配置され、片方の端にギヤ171が取り付けられている。送りステージ170上の他方にはモーター172とその回転を減速するギヤ173が取り付けられており、モーター172とギヤ173とギヤ171が噛み合い光学ユニット100が対物レンズ127を通る光軸174を中心として回転される。
送りステージ170にはシャフト175が取り付けられており、ホログラム記録媒体101の内外周方向(矢印176の方向)への移動がモーター(図示せず)で可能なようにされている。これら光学ユニット100の上にホログラム記録媒体101が配置され、スピンドルモーター(図示せず)によって回転させられる。
その結果、ホログラム記録媒体101上の適宜の位置でホログラムを記録、再生できる。
本図に示すように、光学ユニット100は、送りステージ170の上に配置され、片方の端にギヤ171が取り付けられている。送りステージ170上の他方にはモーター172とその回転を減速するギヤ173が取り付けられており、モーター172とギヤ173とギヤ171が噛み合い光学ユニット100が対物レンズ127を通る光軸174を中心として回転される。
送りステージ170にはシャフト175が取り付けられており、ホログラム記録媒体101の内外周方向(矢印176の方向)への移動がモーター(図示せず)で可能なようにされている。これら光学ユニット100の上にホログラム記録媒体101が配置され、スピンドルモーター(図示せず)によって回転させられる。
その結果、ホログラム記録媒体101上の適宜の位置でホログラムを記録、再生できる。
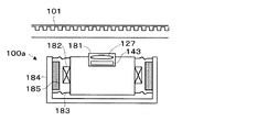
[位相変調素子(デフューザ)143の位置制御]
ホログラム記録媒体101に対する位相変調素子143の位置制御機構につき説明する。
図11は、位相変調素子143の位置制御機構を表す模式図である。
光学ユニット100aに対物レンズ127と位相変調素子143とを有する対物レンズユニット181が配置される。光学ユニット100aの両側にコイル182が取り付けられ、サスペンション183でキャリッジ184に取り付けられている。
コイル182の対抗側にはキャリッジ184に取り付けられたマグネット185が配置される。
コイル182に電流を流すと、マグネット185からの磁界により電磁力が生じ、光学ユニット100aが上下方向に移動する。
ホログラム記録媒体101は回転しているため面ぶれ等により対物レンズ127との距離が変化する。このため、フォーカスエラー信号に基づきコイル182に電流を流して、光学ユニット100a全体を上下方向に動かして、フォーカスサーボをかける。
ホログラム記録媒体101に対する位相変調素子143の位置制御機構につき説明する。
図11は、位相変調素子143の位置制御機構を表す模式図である。
光学ユニット100aに対物レンズ127と位相変調素子143とを有する対物レンズユニット181が配置される。光学ユニット100aの両側にコイル182が取り付けられ、サスペンション183でキャリッジ184に取り付けられている。
コイル182の対抗側にはキャリッジ184に取り付けられたマグネット185が配置される。
コイル182に電流を流すと、マグネット185からの磁界により電磁力が生じ、光学ユニット100aが上下方向に移動する。
ホログラム記録媒体101は回転しているため面ぶれ等により対物レンズ127との距離が変化する。このため、フォーカスエラー信号に基づきコイル182に電流を流して、光学ユニット100a全体を上下方向に動かして、フォーカスサーボをかける。
図12は、対物レンズユニット181の内部構成を表す模式図である。
対物レンズ127がホルダ191に取り付けられ、光学ユニット100aの筐体に固定されている。対物レンズ127の下にはホルダ193に位相変調素子143が取り付けられ、その両側にコイル194と、片方のコイル194の上に反射板195が取り付けられている。
ホルダ193はサスペンション196により対物レンズユニット181の筐体に取り付けられ、位相変調素子143が上下方向に移動できる。又、コイル194の対抗側にはマグネット197が光学ユニット100aの筐体に取り付けられている。反射板195の上部には位置検出器198が取り付けられており、対物レンズ127に対する位相変調素子143の上下方向の位置が検出できる。
対物レンズ127がホルダ191に取り付けられ、光学ユニット100aの筐体に固定されている。対物レンズ127の下にはホルダ193に位相変調素子143が取り付けられ、その両側にコイル194と、片方のコイル194の上に反射板195が取り付けられている。
ホルダ193はサスペンション196により対物レンズユニット181の筐体に取り付けられ、位相変調素子143が上下方向に移動できる。又、コイル194の対抗側にはマグネット197が光学ユニット100aの筐体に取り付けられている。反射板195の上部には位置検出器198が取り付けられており、対物レンズ127に対する位相変調素子143の上下方向の位置が検出できる。
図13は、位置検出器198の詳細な構成を表す模式図である。
位置検出器198は、LED201と位置検出素子202が同一のパッケージに入って構成される。LED201から出射された光が反射板195で反射されて位置検出素子202に入射する。
図14は、位置検出器198の特性を表すグラフである。
本図に示すように、位置検出器198から出力される出力電圧は、位置検出器198と反射板195との距離に対してリニアに変化する。
位置検出器198は、LED201と位置検出素子202が同一のパッケージに入って構成される。LED201から出射された光が反射板195で反射されて位置検出素子202に入射する。
図14は、位置検出器198の特性を表すグラフである。
本図に示すように、位置検出器198から出力される出力電圧は、位置検出器198と反射板195との距離に対してリニアに変化する。
図15は、位相変調素子143の位置を制御する制御系を表すブロック図である。
例えば、位相変調素子143と対物レンズ127の距離がP1の位置にあり、ここからP2に移動する場合、位置検出器198からの出力電圧V1が誤差増幅器211の入力端子に入力される。
誤差増幅器211のもう一方の入力端子には目標値の電圧V2が入力され、ここでV2とV1の誤差が増幅される。この出力は次のループフィルタ212でサーボ系として最適な特性とされコイル駆動回路213によりコイル194に電流を流す。
例えば、位相変調素子143と対物レンズ127の距離がP1の位置にあり、ここからP2に移動する場合、位置検出器198からの出力電圧V1が誤差増幅器211の入力端子に入力される。
誤差増幅器211のもう一方の入力端子には目標値の電圧V2が入力され、ここでV2とV1の誤差が増幅される。この出力は次のループフィルタ212でサーボ系として最適な特性とされコイル駆動回路213によりコイル194に電流を流す。
コイル194の電流とマグネット197の磁界によりコイル194側に電磁力が働き、例えば誤差増幅器211の出力電圧の極性が正ならばコイル194に正極性の電流が流れ、位相変調素子143は遠ざかる方向に動く。それに伴って位置検出器198の出力電圧は目標電圧V2に近づいて行くため、誤差増幅器211の出力電圧が減少して行き、P2の位置で停止する。
位相変調素子143と対物レンズ127の距離がP4の位置にあり、ここからP3に移動する場合は、誤差増幅器211の出力電圧の極性が負となるので、コイル194には負極性の電流が流れ、位相変調素子143は対物レンズ127に近づく方向に動く。それに伴って位置検出器198の出力はV3に近づいて行くため、誤差増幅器211の出力電圧が減少して行き、P3の位置で停止する。
位相変調素子143と対物レンズ127の距離がP4の位置にあり、ここからP3に移動する場合は、誤差増幅器211の出力電圧の極性が負となるので、コイル194には負極性の電流が流れ、位相変調素子143は対物レンズ127に近づく方向に動く。それに伴って位置検出器198の出力はV3に近づいて行くため、誤差増幅器211の出力電圧が減少して行き、P3の位置で停止する。
以上のように制御回路はネガティブフィードバックを構成しているので、目標値として入力した電圧V2と、位置検出器198の出力電圧が等しくなる位置にいつも制御される。以上のように目標値をV3、V4・・・と入力すればそれぞれに対応して位相変調素子143と対物レンズ127の距離関係をP3、P4・・・に位置決めすることができ、その距離をいつも一定に維持することができる。
図16は、位相変調素子143の位置制御機構の他の実施例を表す模式図である。対物レンズユニット181bを備える光学ユニット100bがキャリッジ184bに固定されている。
図17は光学ユニット100bに配置される対物レンズユニット181bを表す模式図である。
図17に示すように、ホルダ193bに位相変調素子143が取り付けられ、その両側にコイル194bと、一方のコイル194bの上に反射板195が取り付けられている。更にホルダ193bはサスペンション196bによりホルダ191bに取り付けられており、位相変調素子143を上下方向に移動できる。
又、コイル194bの対抗側には、ホルダ191bに取り付けられたマグネット197bが配置される。反射板195の上部には位置検出器198が取り付けられており、対物レンズ127に対する位相変調素子143の上下方向の位置が検出できる。既述のように、対物レンズ127と位相変調素子143との距離は制御系により一定に制御される。
対物レンズ127はホルダ191bに取り付けられ、光学ユニット100bの筐体にサスペンション221で固定されている。ホルダ191bにはコイル222が取り付けられ、その対抗側にマグネット223が対物レンズユニット181bの筐体に取り付けられている。
図17は光学ユニット100bに配置される対物レンズユニット181bを表す模式図である。
図17に示すように、ホルダ193bに位相変調素子143が取り付けられ、その両側にコイル194bと、一方のコイル194bの上に反射板195が取り付けられている。更にホルダ193bはサスペンション196bによりホルダ191bに取り付けられており、位相変調素子143を上下方向に移動できる。
又、コイル194bの対抗側には、ホルダ191bに取り付けられたマグネット197bが配置される。反射板195の上部には位置検出器198が取り付けられており、対物レンズ127に対する位相変調素子143の上下方向の位置が検出できる。既述のように、対物レンズ127と位相変調素子143との距離は制御系により一定に制御される。
対物レンズ127はホルダ191bに取り付けられ、光学ユニット100bの筐体にサスペンション221で固定されている。ホルダ191bにはコイル222が取り付けられ、その対抗側にマグネット223が対物レンズユニット181bの筐体に取り付けられている。
回転しているディスクの面ぶれ等によりホログラム記録媒体101と対物レンズ127との距離が変化する。このため、フォーカスエラー信号に基づきコイル222に電流を流し、同じホルダ191bに取り付けられた対物レンズ127と位相変調素子143とが一緒に上下・左右方向に動き、フォーカスサーボ・トラッキングサーボがかけられる。すなわち、この例では光学ユニット100bは固定され、光学ユニット100b上に配置してあるフォーカスサーボ用と位相変調素子143用のアクチュエータが動作する。
図18は、位相変調素子143の位置制御機構の他の実施例に係る対物レンズユニット181cを表す模式図である。
図18に示すように、ホルダ193bに位相変調素子143が取り付けられる。更にホルダ193bはサスペンション196bによりホルダ225に取り付けられる。又、コイル194bの対抗側にはマグネット197bがホルダ225に取り付けられ、このホルダ225は対物レンズユニット181cの筐体に固定されている。
図18に示すように、ホルダ193bに位相変調素子143が取り付けられる。更にホルダ193bはサスペンション196bによりホルダ225に取り付けられる。又、コイル194bの対抗側にはマグネット197bがホルダ225に取り付けられ、このホルダ225は対物レンズユニット181cの筐体に固定されている。
反射板195の下部には位置検出器198が取り付けられており、対物レンズユニット181cに対する位相変調素子143の上下方向の位置が検出できるようにされている。
この場合は位置検出器198がホルダ225に取り付けられているので、対物レンズユニット181cと位相変調素子143の距離が制御される。
対物レンズ127はホルダ191bに取り付けられ、対物レンズユニット181cの筐体にサスペンション221で固定されている。
ホルダ191bにはコイル222が取り付けられ、その対抗側にマグネット223が対物レンズユニット181cの筐体に取り付けられている。
この場合は位置検出器198がホルダ225に取り付けられているので、対物レンズユニット181cと位相変調素子143の距離が制御される。
対物レンズ127はホルダ191bに取り付けられ、対物レンズユニット181cの筐体にサスペンション221で固定されている。
ホルダ191bにはコイル222が取り付けられ、その対抗側にマグネット223が対物レンズユニット181cの筐体に取り付けられている。
回転しているディスクの面ぶれ等によりホログラム記録媒体101と対物レンズ127との距離が変化する。このため、フォーカスエラー信号に基づきコイル222に電流を流し、対物レンズ127が上下方向に動き、フォーカスサーボがかけられる。
すなわち、この例では対物レンズユニット181cは固定されており、位相変調素子143とフォーカスサーボ用のアクチュエータ(コイル222)がそれぞれ単独に動作する。
すなわち、この例では対物レンズユニット181cは固定されており、位相変調素子143とフォーカスサーボ用のアクチュエータ(コイル222)がそれぞれ単独に動作する。
この例はホログラム記録媒体101の厚み方向に対して位相変調素子143の位置トレランスが広い場合に有利である。本方式においてユニット100全体を動かしてサーボをかけると動作が遅くなるように思えるが、ホログラム記録の場合通常のCDやDVDと比べると線速度は数10〜数100分の1であるためサーボの帯域としては非常に小さいためさほど問題にならない。
以上のように、対物レンズユニット181cにおいて、対物レンズ127はフォーカスサーボ回路により、ホログラム記録媒体101との距離が一定になるように制御され、位相変調素子143は目標位置となるように制御されている。
これら両者は別々に制御されているが、例えば、フォーカスサーボにより対物レンズ127が移動した場合には位相変調素子143の位置も同じ量だけ移動するのがより良い。すなわち、両者が同期して動作するようにしたほうが良い。
これら両者は別々に制御されているが、例えば、フォーカスサーボにより対物レンズ127が移動した場合には位相変調素子143の位置も同じ量だけ移動するのがより良い。すなわち、両者が同期して動作するようにしたほうが良い。
図19は、対物レンズ127および位相変調素子143の位置を制御する制御系を表すブロック図である。
図19で、コイル222にはフォーカスエラー信号に基づきサーボ回路214により電流が流され、動作している。
コイル222に流れる電流、あるいは電圧の直流成分は、対物レンズ127の移動距離に比例するため、低域フィルター215により直流成分を取り出し、ゲイン調整回路216で対物レンズ127の移動量と同じ移動量となるようにゲイン調整され、加算回路217に入力される。この入力量は対物レンズ127の移動量に相当する。加算回路217のもう一方には、対物レンズ127と位相変調素子143間の距離の目標値が入力される。この両者が加算され、誤差増幅器211に入力される。
すでに説明したように、位相変調素子143は、誤差増幅器211、ループフィルタ212,コイル駆動回路213によりこの目標値で設定した位置となるよう位置が制御される。すなわち、位相変調素子143は対物レンズ127に対して目標値で設定した距離を保ちながら、対物レンズ127に同期して移動する。
図19で、コイル222にはフォーカスエラー信号に基づきサーボ回路214により電流が流され、動作している。
コイル222に流れる電流、あるいは電圧の直流成分は、対物レンズ127の移動距離に比例するため、低域フィルター215により直流成分を取り出し、ゲイン調整回路216で対物レンズ127の移動量と同じ移動量となるようにゲイン調整され、加算回路217に入力される。この入力量は対物レンズ127の移動量に相当する。加算回路217のもう一方には、対物レンズ127と位相変調素子143間の距離の目標値が入力される。この両者が加算され、誤差増幅器211に入力される。
すでに説明したように、位相変調素子143は、誤差増幅器211、ループフィルタ212,コイル駆動回路213によりこの目標値で設定した位置となるよう位置が制御される。すなわち、位相変調素子143は対物レンズ127に対して目標値で設定した距離を保ちながら、対物レンズ127に同期して移動する。
[対物レンズ、位相変調素子143の駆動手段]
以上では、対物レンズ127や位相変調素子143をコイル161,162等で電磁力により駆動させている。これに対して、他の手段、例えば、機械的な手段により対物レンズ127や位相変調素子143を駆動することも可能である。
図20は、対物レンズ127や位相変調素子143を機械的な手段で駆動するものであり、図2と対応する。
ここでは、ラック231とピニオン232の組み合わせで、対物レンズ127および位相変調素子143が上下に移動する。即ち、ピニオン232を図示しないモータで駆動することで、対物レンズ127および位相変調素子143を駆動できる。
以上では、対物レンズ127や位相変調素子143をコイル161,162等で電磁力により駆動させている。これに対して、他の手段、例えば、機械的な手段により対物レンズ127や位相変調素子143を駆動することも可能である。
図20は、対物レンズ127や位相変調素子143を機械的な手段で駆動するものであり、図2と対応する。
ここでは、ラック231とピニオン232の組み合わせで、対物レンズ127および位相変調素子143が上下に移動する。即ち、ピニオン232を図示しないモータで駆動することで、対物レンズ127および位相変調素子143を駆動できる。
[信号光と参照光の別入射]
今までは、信号光と参照光を同一の光路からホログラム記録媒体101に入射させていたが、信号光と参照光を別々の光路から入射させてもよい。
図21は、信号光と参照光が別々の光路で入射するホログラム記録装置の光学ユニット100sを表す模式図である。
信号光が空間光変調器123によって空間強度変調され、対物レンズ127aによってホログラム記録媒体101に入射される。また参照光が位相変調素子143によって位相変調され対物レンズ127bによってホログラム記録媒体101に入射する。
サーボ系メカニカルユニット241は参照光にサーボをかける。また奥行き方向の多重記録は奥行き方向多重用メカニカル機構2420によって位相変調素子143がシフトすることによって行われる。
今までは、信号光と参照光を同一の光路からホログラム記録媒体101に入射させていたが、信号光と参照光を別々の光路から入射させてもよい。
図21は、信号光と参照光が別々の光路で入射するホログラム記録装置の光学ユニット100sを表す模式図である。
信号光が空間光変調器123によって空間強度変調され、対物レンズ127aによってホログラム記録媒体101に入射される。また参照光が位相変調素子143によって位相変調され対物レンズ127bによってホログラム記録媒体101に入射する。
サーボ系メカニカルユニット241は参照光にサーボをかける。また奥行き方向の多重記録は奥行き方向多重用メカニカル機構2420によって位相変調素子143がシフトすることによって行われる。
100 光学ユニット
101 ホログラム記録媒体
102 保護層
103 記録層
104 グルーブ
105 反射層
111 記録再生用光源
112 コリメートレンズ
113 偏光ビームスプリッタ
121 ミラー
122 ピンホール
123 空間光変調器
124 ミラー
125 ダイクロイックミラー
126 凹レンズ
127 対物レンズ
131 ファラデー素子
132、133 偏光ビームスプリッタ
134 撮像素子
141 ミラー
142 遮蔽板
143 位相変調素子
151 サーボ用光源
152 コリメートレンズ
153 グレーティング
154 ビームスプリッタ
155 集光用レンズ
156 シリンドリカルレンズ
157 受光素子
158 サーボ用駆動ユニット
161,162 コイル
101 ホログラム記録媒体
102 保護層
103 記録層
104 グルーブ
105 反射層
111 記録再生用光源
112 コリメートレンズ
113 偏光ビームスプリッタ
121 ミラー
122 ピンホール
123 空間光変調器
124 ミラー
125 ダイクロイックミラー
126 凹レンズ
127 対物レンズ
131 ファラデー素子
132、133 偏光ビームスプリッタ
134 撮像素子
141 ミラー
142 遮蔽板
143 位相変調素子
151 サーボ用光源
152 コリメートレンズ
153 グレーティング
154 ビームスプリッタ
155 集光用レンズ
156 シリンドリカルレンズ
157 受光素子
158 サーボ用駆動ユニット
161,162 コイル
Claims (8)
- レーザ光を出射するレーザ光源と、
前記レーザ光源から出射されたレーザ光を信号光と参照光に分岐する光分岐素子と、
前記光分岐素子で分岐された信号光を変調する光変調素子と、
前記光分岐素子で分岐された参照光を位相変調する位相変調素子と、
前記光変調素子で変調された信号光および前記位相変調素子で位相変調された参照光をホログラム記録媒体の略同一箇所に集光する光学系と、
前記位相変調素子と前記ホログラム記録媒体との距離を制御する距離制御機構と、
を具備することを特徴とするホログラム記録装置。 - 前記光学系が、前記信号光、前記参照光の双方を前記ホログラム記録媒体に集光する対物レンズを有する
ことを特徴とする請求項1記載のホログラム記録装置。 - 前記光学系が、前記信号光、前記参照光の一方のみを通過させるレンズを有する
ことを特徴とする請求項2記載のホログラム記録装置。 - 前記光学系が、前記信号光を前記ホログラム記録媒体に集光する第1の対物レンズと、前記参照光を前記ホログラム記録媒体に集光する第2の対物レンズと、を有する
ことを特徴とする請求項1記載のホログラム記録装置。 - レーザ光を出射するレーザ光源と、
前記レーザ光源から出射されたレーザ光を参照光として位相変調する位相変調素子と、
前記位相変調素子で位相変調された参照光をホログラム記録媒体に集光する光学系と、
前記位相変調素子と前記ホログラム記録媒体との距離を制御する距離制御機構と、
を具備することを特徴とするホログラム再生装置。 - レーザ光源から出射されたレーザ光を信号光と参照光に分岐する光分岐ステップと、
前記光分岐ステップで分岐された信号光を光変調素子で変調する光変調ステップと、
前記光分岐ステップで分岐された参照光を位相変調素子で位相変調する位相変調ステップと、
前記光変調ステップで変調された信号光および前記位相変調ステップで位相変調された参照光をホログラム記録媒体の略同一箇所に集光する集光ステップと、
前記位相変調素子と前記ホログラム記録媒体との距離を制御する距離制御ステップと、
を具備することを特徴とするホログラム記録方法。 - レーザ光源から出射されたレーザ光を参照光として位相変調素子で位相変調する位相変調ステップと、
前記位相変調ステップで位相変調された参照光をホログラム記録媒体に集光する集光ステップと、
前記位相変調素子と前記ホログラム記録媒体との距離を制御する距離制御ステップと、
を具備することを特徴とするホログラム再生方法。 - レーザ光源から出射されたレーザ光を信号光と参照光に分岐する光分岐ステップと、
前記光分岐ステップで分岐された信号光を光変調素子で変調する光変調ステップと、
前記光分岐ステップで分岐された参照光を位相変調素子で位相変調する位相変調ステップと、
前記光変調ステップで変調された信号光および前記位相変調ステップで位相変調された参照光をホログラム記録媒体の略同一箇所に集光する集光ステップと、
前記位相変調素子と前記ホログラム記録媒体との距離を制御する距離制御ステップと、
を有するホログラム記録方法によってデータが記録されていることを特徴とするホログラム記録媒体。
Priority Applications (6)
| Application Number | Priority Date | Filing Date | Title |
|---|---|---|---|
| JP2004102712A JP2005293630A (ja) | 2004-03-31 | 2004-03-31 | ホログラム記録装置、ホログラム再生装置、ホログラム記録方法、ホログラム再生方法、およびホログラム記録媒体 |
| EP05727289A EP1732068A4 (en) | 2004-03-31 | 2005-03-25 | HOLOGRAM RECORDING DEVICE, HOLOGRAM REPRODUCTION, HOLOGRAM RECORDING METHOD, HOLOGRAM REPRODUCTION METHOD, AND HOLOGRAM RECORDING MEDIUM |
| PCT/JP2005/006433 WO2005096281A1 (ja) | 2004-03-31 | 2005-03-25 | ホログラム記録装置、ホログラム再生装置、ホログラム記録方法、ホログラム再生方法、およびホログラム記録媒体 |
| CNA2005800089673A CN1934626A (zh) | 2004-03-31 | 2005-03-25 | 全息记录装置及方法、全息再现装置及方法、及全息记录介质 |
| KR1020067017611A KR20070006758A (ko) | 2004-03-31 | 2005-03-25 | 홀로그램 기록 장치, 홀로그램 재생 장치, 홀로그램 기록방법, 홀로그램 재생 방법, 및 홀로그램 기록 매체 |
| US10/593,564 US20070146838A1 (en) | 2004-03-31 | 2005-03-25 | Hologram recording device, hologram reproductive device, hologram recording method, hologram reproduction method, and hologram recording medium |
Applications Claiming Priority (1)
| Application Number | Priority Date | Filing Date | Title |
|---|---|---|---|
| JP2004102712A JP2005293630A (ja) | 2004-03-31 | 2004-03-31 | ホログラム記録装置、ホログラム再生装置、ホログラム記録方法、ホログラム再生方法、およびホログラム記録媒体 |
Publications (1)
| Publication Number | Publication Date |
|---|---|
| JP2005293630A true JP2005293630A (ja) | 2005-10-20 |
Family
ID=35064025
Family Applications (1)
| Application Number | Title | Priority Date | Filing Date |
|---|---|---|---|
| JP2004102712A Pending JP2005293630A (ja) | 2004-03-31 | 2004-03-31 | ホログラム記録装置、ホログラム再生装置、ホログラム記録方法、ホログラム再生方法、およびホログラム記録媒体 |
Country Status (6)
| Country | Link |
|---|---|
| US (1) | US20070146838A1 (ja) |
| EP (1) | EP1732068A4 (ja) |
| JP (1) | JP2005293630A (ja) |
| KR (1) | KR20070006758A (ja) |
| CN (1) | CN1934626A (ja) |
| WO (1) | WO2005096281A1 (ja) |
Cited By (17)
| Publication number | Priority date | Publication date | Assignee | Title |
|---|---|---|---|---|
| WO2007043451A1 (ja) * | 2005-10-05 | 2007-04-19 | Pioneer Corporation | ホログラム記録再生システム |
| JP2007172806A (ja) * | 2005-12-21 | 2007-07-05 | Ind Technol Res Inst | サーボを用いるホログラフィック記憶再生システム及び方法 |
| JP2007184070A (ja) * | 2005-12-30 | 2007-07-19 | Ind Technol Res Inst | 光サーボを有するホログラフィックインターフェログラムを記録し且つ再生するシステム及び方法 |
| WO2007102570A1 (ja) * | 2006-03-09 | 2007-09-13 | Sharp Kabushiki Kaisha | 情報記録装置および情報再生装置 |
| JP2007280583A (ja) * | 2006-04-06 | 2007-10-25 | Daewoo Electronics Corp | 光情報処理装置、これを用いた光情報記録方法、及び光情報再生方法 |
| JP2008027518A (ja) * | 2006-07-21 | 2008-02-07 | Fujifilm Corp | 光記録方法及び光記録装置、並びに、光記録媒体、光再生方法及び光再生装置 |
| JP2008107829A (ja) * | 2006-10-13 | 2008-05-08 | Thomson Licensing | ホログラフィック記録媒体の再生及び/又は記録装置 |
| JP2008130225A (ja) * | 2006-11-24 | 2008-06-05 | Samsung Electronics Co Ltd | ホログラフィック情報の記録/再生装置、記録/再生方法及びホログラフィック情報記録媒体 |
| JP2008140472A (ja) * | 2006-12-01 | 2008-06-19 | Fuji Xerox Co Ltd | 光記録装置、光記録方法、記録媒体及び再生方法 |
| JP2008226433A (ja) * | 2007-03-09 | 2008-09-25 | Hitachi Ltd | 光ピックアップおよび、それを用いた光情報再生装置および光情報記録再生装置 |
| JP2008226434A (ja) * | 2007-03-09 | 2008-09-25 | Hitachi Ltd | 光ピックアップ、光情報記録再生装置および光学的情報記録再生方法 |
| JP2008269771A (ja) * | 2007-04-19 | 2008-11-06 | Thomson Licensing | ホログラフィック記憶媒体からの読出しおよび/またはホログラフィック記憶媒体への書込みを行うための装置 |
| JPWO2007026588A1 (ja) * | 2005-08-30 | 2009-03-26 | パイオニア株式会社 | 光ピックアップ装置及びホログラム記録再生システム |
| JP2010055708A (ja) * | 2008-08-29 | 2010-03-11 | Panasonic Corp | 記録再生装置 |
| JP2011129169A (ja) * | 2009-12-15 | 2011-06-30 | Hitachi Consumer Electronics Co Ltd | 光情報記録再生装置および光情報再生装置 |
| JP5450649B2 (ja) * | 2009-11-24 | 2014-03-26 | 株式会社東芝 | 情報格納装置 |
| WO2016020994A1 (ja) * | 2014-08-06 | 2016-02-11 | 株式会社日立製作所 | 光情報記録装置および光情報再生装置 |
Families Citing this family (11)
| Publication number | Priority date | Publication date | Assignee | Title |
|---|---|---|---|---|
| JP2008108359A (ja) * | 2006-10-25 | 2008-05-08 | Funai Electric Co Ltd | 光情報記録装置及び光情報再生装置 |
| JP4297944B2 (ja) * | 2007-02-08 | 2009-07-15 | シャープ株式会社 | 情報記録装置および情報再生装置 |
| FR2921501B1 (fr) * | 2007-09-24 | 2009-12-18 | Commissariat Energie Atomique | Dispositif d'enregistrement et de lecture de donnees sur un support de stockage holographique |
| EP2286408A2 (en) * | 2008-05-14 | 2011-02-23 | Dublin Institute of Technology | A holographic recording method, a holographic recording medium and use of such medium |
| JP2010231850A (ja) * | 2009-03-27 | 2010-10-14 | Sony Corp | 光照射装置、制御方法 |
| EP2290474A1 (en) * | 2009-08-14 | 2011-03-02 | Thomson Licensing | Tilt compensation for a holographic storage system |
| US9291997B2 (en) | 2012-05-17 | 2016-03-22 | Samsung Electronics Co., Ltd. | High speed hologram recording apparatus and method |
| JP2014049162A (ja) * | 2012-08-31 | 2014-03-17 | Hitachi-Lg Data Storage Inc | 光情報記録装置 |
| KR101979674B1 (ko) * | 2013-06-20 | 2019-05-17 | 한국전자통신연구원 | 홀로그램 프린터에서 기준파의 조향 방법 및 장치 |
| CN107767887A (zh) * | 2017-12-06 | 2018-03-06 | 苏州盤谷信息光学有限公司 | 一种基于分色反射层的全息存储装置 |
| KR102111639B1 (ko) * | 2018-06-29 | 2020-05-15 | 광운대학교 산학협력단 | 시프트 멀티플렉싱 기법을 이용한 홀로그래픽 투명 스크린 제작 방법 및 시스템 |
Family Cites Families (3)
| Publication number | Priority date | Publication date | Assignee | Title |
|---|---|---|---|---|
| US5719691A (en) * | 1995-05-05 | 1998-02-17 | Lucent Technologies Inc. | Phase correlation multiplex holography |
| JP3393064B2 (ja) * | 1998-02-27 | 2003-04-07 | 株式会社オプトウエア | 光情報記録媒体 |
| AU754252B2 (en) * | 1998-02-27 | 2002-11-07 | Optware Corporation | Method and apparatus for optical information, method and apparatus for reproducing optical information, apparatus for recording/reproducing optical information, and optical information recording medium |
-
2004
- 2004-03-31 JP JP2004102712A patent/JP2005293630A/ja active Pending
-
2005
- 2005-03-25 US US10/593,564 patent/US20070146838A1/en not_active Abandoned
- 2005-03-25 CN CNA2005800089673A patent/CN1934626A/zh active Pending
- 2005-03-25 KR KR1020067017611A patent/KR20070006758A/ko not_active Withdrawn
- 2005-03-25 EP EP05727289A patent/EP1732068A4/en not_active Withdrawn
- 2005-03-25 WO PCT/JP2005/006433 patent/WO2005096281A1/ja not_active Ceased
Cited By (23)
| Publication number | Priority date | Publication date | Assignee | Title |
|---|---|---|---|---|
| JPWO2007026588A1 (ja) * | 2005-08-30 | 2009-03-26 | パイオニア株式会社 | 光ピックアップ装置及びホログラム記録再生システム |
| WO2007043451A1 (ja) * | 2005-10-05 | 2007-04-19 | Pioneer Corporation | ホログラム記録再生システム |
| JP2007172806A (ja) * | 2005-12-21 | 2007-07-05 | Ind Technol Res Inst | サーボを用いるホログラフィック記憶再生システム及び方法 |
| US7859970B2 (en) | 2005-12-21 | 2010-12-28 | Industrial Technology Research Institute | Holographic storage and reproduction system and method with servo |
| JP2007184070A (ja) * | 2005-12-30 | 2007-07-19 | Ind Technol Res Inst | 光サーボを有するホログラフィックインターフェログラムを記録し且つ再生するシステム及び方法 |
| WO2007102570A1 (ja) * | 2006-03-09 | 2007-09-13 | Sharp Kabushiki Kaisha | 情報記録装置および情報再生装置 |
| JP2007280583A (ja) * | 2006-04-06 | 2007-10-25 | Daewoo Electronics Corp | 光情報処理装置、これを用いた光情報記録方法、及び光情報再生方法 |
| JP2008027518A (ja) * | 2006-07-21 | 2008-02-07 | Fujifilm Corp | 光記録方法及び光記録装置、並びに、光記録媒体、光再生方法及び光再生装置 |
| US7835249B2 (en) | 2006-07-21 | 2010-11-16 | Fujifilm Corporation | Optical recording method, optical recording apparatus, optical recording medium, optical reproducing method, and optical reproducing apparatus |
| US8289597B2 (en) | 2006-10-13 | 2012-10-16 | Thomson Licensing | Apparatus for reading from and/or writing to holographic storage media |
| JP2008107829A (ja) * | 2006-10-13 | 2008-05-08 | Thomson Licensing | ホログラフィック記録媒体の再生及び/又は記録装置 |
| JP2008130225A (ja) * | 2006-11-24 | 2008-06-05 | Samsung Electronics Co Ltd | ホログラフィック情報の記録/再生装置、記録/再生方法及びホログラフィック情報記録媒体 |
| US8270278B2 (en) | 2006-12-01 | 2012-09-18 | Fuji Xerox Co., Ltd. | Optical recording apparatus, optical recording method, recording medium, and reproducing method |
| JP2008140472A (ja) * | 2006-12-01 | 2008-06-19 | Fuji Xerox Co Ltd | 光記録装置、光記録方法、記録媒体及び再生方法 |
| JP2008226434A (ja) * | 2007-03-09 | 2008-09-25 | Hitachi Ltd | 光ピックアップ、光情報記録再生装置および光学的情報記録再生方法 |
| JP2008226433A (ja) * | 2007-03-09 | 2008-09-25 | Hitachi Ltd | 光ピックアップおよび、それを用いた光情報再生装置および光情報記録再生装置 |
| JP2008269771A (ja) * | 2007-04-19 | 2008-11-06 | Thomson Licensing | ホログラフィック記憶媒体からの読出しおよび/またはホログラフィック記憶媒体への書込みを行うための装置 |
| US8284469B2 (en) | 2007-04-19 | 2012-10-09 | Thomson Licensing | Apparatus for reading from and/or writing to holographic storage media |
| JP2010055708A (ja) * | 2008-08-29 | 2010-03-11 | Panasonic Corp | 記録再生装置 |
| JP5450649B2 (ja) * | 2009-11-24 | 2014-03-26 | 株式会社東芝 | 情報格納装置 |
| JP2011129169A (ja) * | 2009-12-15 | 2011-06-30 | Hitachi Consumer Electronics Co Ltd | 光情報記録再生装置および光情報再生装置 |
| WO2016020994A1 (ja) * | 2014-08-06 | 2016-02-11 | 株式会社日立製作所 | 光情報記録装置および光情報再生装置 |
| JPWO2016020994A1 (ja) * | 2014-08-06 | 2017-04-27 | 株式会社日立製作所 | 光情報記録装置および光情報再生装置 |
Also Published As
| Publication number | Publication date |
|---|---|
| CN1934626A (zh) | 2007-03-21 |
| US20070146838A1 (en) | 2007-06-28 |
| WO2005096281A1 (ja) | 2005-10-13 |
| KR20070006758A (ko) | 2007-01-11 |
| EP1732068A1 (en) | 2006-12-13 |
| EP1732068A4 (en) | 2007-08-29 |
Similar Documents
| Publication | Publication Date | Title |
|---|---|---|
| JP2005293630A (ja) | ホログラム記録装置、ホログラム再生装置、ホログラム記録方法、ホログラム再生方法、およびホログラム記録媒体 | |
| CN101425300B (zh) | 光学信息记录/再现设备、衍射光栅制造设备、光学信息记录介质以及定位控制方法 | |
| US7633660B2 (en) | Hologram recording apparatus and method | |
| KR20030019950A (ko) | 광정보 기록장치 및 방법, 광정보 재생장치 및 방법, 및광정보 기록재생장치 및 방법 | |
| JP4289921B2 (ja) | ホログラフィック記録装置および再生装置 | |
| JP2008242075A (ja) | 光情報記録媒体、光情報記録再生装置および位置決め制御方法 | |
| JP5415540B2 (ja) | 角度制御方法 | |
| JP2010079982A (ja) | 光情報記録装置および方法 | |
| US7283286B2 (en) | Hologram recording/reproducing device and optical unit | |
| JPWO2005098829A1 (ja) | ホログラム記録担体、ホログラム装置及び記録方法 | |
| JP4439512B2 (ja) | ホログラム記録担体 | |
| US20080123506A1 (en) | Optical information recording/reproducing apparatus | |
| JP2005322382A (ja) | ホログラム記録装置、およびホログラム記録方法 | |
| JP2004171611A (ja) | 光情報記録装置および光情報再生装置 | |
| JP4882802B2 (ja) | ホログラム記録装置及びホログラム再生装置 | |
| JP5068967B2 (ja) | 光多重化器及びその製造方法、光情報多重化記録装置及び方法、光情報多重化再生装置及び方法 | |
| JP4631473B2 (ja) | ホログラム記録再生装置およびホログラム記録再生方法 | |
| US8000207B2 (en) | Method for reproducing hologram | |
| EP1850336B1 (en) | Optical information reproducing apparatus and optical information recording apparatus using holography | |
| JP2006209081A (ja) | ホログラム記録再生装置及び光学ユニット | |
| JP4525308B2 (ja) | ホログラム記録装置、ホログラム再生装置、ホログラム記録方法、およびホログラム再生方法 | |
| JP2009266342A (ja) | 光情報記録再生装置および光情報記録再生方法 | |
| JP2006171416A (ja) | ホログラム記録媒体及びホログラム記録再生装置 | |
| JP2006039160A (ja) | 記録媒体及び記録媒体の製造方法 | |
| JP2007148112A (ja) | 光情報記録再生装置 |
Legal Events
| Date | Code | Title | Description |
|---|---|---|---|
| RD04 | Notification of resignation of power of attorney |
Free format text: JAPANESE INTERMEDIATE CODE: A7424 Effective date: 20060424 |