JP2005292831A - 液晶表示装置 - Google Patents
液晶表示装置 Download PDFInfo
- Publication number
- JP2005292831A JP2005292831A JP2005098932A JP2005098932A JP2005292831A JP 2005292831 A JP2005292831 A JP 2005292831A JP 2005098932 A JP2005098932 A JP 2005098932A JP 2005098932 A JP2005098932 A JP 2005098932A JP 2005292831 A JP2005292831 A JP 2005292831A
- Authority
- JP
- Japan
- Prior art keywords
- switching element
- liquid crystal
- crystal display
- data
- switching elements
- Prior art date
- Legal status (The legal status is an assumption and is not a legal conclusion. Google has not performed a legal analysis and makes no representation as to the accuracy of the status listed.)
- Pending
Links
Images
Classifications
-
- G—PHYSICS
- G09—EDUCATION; CRYPTOGRAPHY; DISPLAY; ADVERTISING; SEALS
- G09G—ARRANGEMENTS OR CIRCUITS FOR CONTROL OF INDICATING DEVICES USING STATIC MEANS TO PRESENT VARIABLE INFORMATION
- G09G3/00—Control arrangements or circuits, of interest only in connection with visual indicators other than cathode-ray tubes
- G09G3/20—Control arrangements or circuits, of interest only in connection with visual indicators other than cathode-ray tubes for presentation of an assembly of a number of characters, e.g. a page, by composing the assembly by combination of individual elements arranged in a matrix no fixed position being assigned to or needed to be assigned to the individual characters or partial characters
- G09G3/34—Control arrangements or circuits, of interest only in connection with visual indicators other than cathode-ray tubes for presentation of an assembly of a number of characters, e.g. a page, by composing the assembly by combination of individual elements arranged in a matrix no fixed position being assigned to or needed to be assigned to the individual characters or partial characters by control of light from an independent source
- G09G3/36—Control arrangements or circuits, of interest only in connection with visual indicators other than cathode-ray tubes for presentation of an assembly of a number of characters, e.g. a page, by composing the assembly by combination of individual elements arranged in a matrix no fixed position being assigned to or needed to be assigned to the individual characters or partial characters by control of light from an independent source using liquid crystals
- G09G3/3611—Control of matrices with row and column drivers
- G09G3/3614—Control of polarity reversal in general
-
- A—HUMAN NECESSITIES
- A45—HAND OR TRAVELLING ARTICLES
- A45D—HAIRDRESSING OR SHAVING EQUIPMENT; EQUIPMENT FOR COSMETICS OR COSMETIC TREATMENTS, e.g. FOR MANICURING OR PEDICURING
- A45D20/00—Hair drying devices; Accessories therefor
- A45D20/04—Hot-air producers
- A45D20/08—Hot-air producers heated electrically
- A45D20/10—Hand-held drying devices, e.g. air douches
-
- G—PHYSICS
- G09—EDUCATION; CRYPTOGRAPHY; DISPLAY; ADVERTISING; SEALS
- G09G—ARRANGEMENTS OR CIRCUITS FOR CONTROL OF INDICATING DEVICES USING STATIC MEANS TO PRESENT VARIABLE INFORMATION
- G09G3/00—Control arrangements or circuits, of interest only in connection with visual indicators other than cathode-ray tubes
- G09G3/20—Control arrangements or circuits, of interest only in connection with visual indicators other than cathode-ray tubes for presentation of an assembly of a number of characters, e.g. a page, by composing the assembly by combination of individual elements arranged in a matrix no fixed position being assigned to or needed to be assigned to the individual characters or partial characters
- G09G3/34—Control arrangements or circuits, of interest only in connection with visual indicators other than cathode-ray tubes for presentation of an assembly of a number of characters, e.g. a page, by composing the assembly by combination of individual elements arranged in a matrix no fixed position being assigned to or needed to be assigned to the individual characters or partial characters by control of light from an independent source
- G09G3/36—Control arrangements or circuits, of interest only in connection with visual indicators other than cathode-ray tubes for presentation of an assembly of a number of characters, e.g. a page, by composing the assembly by combination of individual elements arranged in a matrix no fixed position being assigned to or needed to be assigned to the individual characters or partial characters by control of light from an independent source using liquid crystals
- G09G3/3611—Control of matrices with row and column drivers
- G09G3/3648—Control of matrices with row and column drivers using an active matrix
- G09G3/3659—Control of matrices with row and column drivers using an active matrix the addressing of the pixel involving the control of two or more scan electrodes or two or more data electrodes, e.g. pixel voltage dependant on signal of two data electrodes
-
- H—ELECTRICITY
- H01—ELECTRIC ELEMENTS
- H01T—SPARK GAPS; OVERVOLTAGE ARRESTERS USING SPARK GAPS; SPARKING PLUGS; CORONA DEVICES; GENERATING IONS TO BE INTRODUCED INTO NON-ENCLOSED GASES
- H01T23/00—Apparatus for generating ions to be introduced into non-enclosed gases, e.g. into the atmosphere
-
- H—ELECTRICITY
- H05—ELECTRIC TECHNIQUES NOT OTHERWISE PROVIDED FOR
- H05B—ELECTRIC HEATING; ELECTRIC LIGHT SOURCES NOT OTHERWISE PROVIDED FOR; CIRCUIT ARRANGEMENTS FOR ELECTRIC LIGHT SOURCES, IN GENERAL
- H05B3/00—Ohmic-resistance heating
- H05B3/40—Heating elements having the shape of rods or tubes
- H05B3/54—Heating elements having the shape of rods or tubes flexible
- H05B3/56—Heating cables
-
- G—PHYSICS
- G09—EDUCATION; CRYPTOGRAPHY; DISPLAY; ADVERTISING; SEALS
- G09G—ARRANGEMENTS OR CIRCUITS FOR CONTROL OF INDICATING DEVICES USING STATIC MEANS TO PRESENT VARIABLE INFORMATION
- G09G2300/00—Aspects of the constitution of display devices
- G09G2300/08—Active matrix structure, i.e. with use of active elements, inclusive of non-linear two terminal elements, in the pixels together with light emitting or modulating elements
- G09G2300/0809—Several active elements per pixel in active matrix panels
-
- G—PHYSICS
- G09—EDUCATION; CRYPTOGRAPHY; DISPLAY; ADVERTISING; SEALS
- G09G—ARRANGEMENTS OR CIRCUITS FOR CONTROL OF INDICATING DEVICES USING STATIC MEANS TO PRESENT VARIABLE INFORMATION
- G09G2320/00—Control of display operating conditions
- G09G2320/02—Improving the quality of display appearance
- G09G2320/0209—Crosstalk reduction, i.e. to reduce direct or indirect influences of signals directed to a certain pixel of the displayed image on other pixels of said image, inclusive of influences affecting pixels in different frames or fields or sub-images which constitute a same image, e.g. left and right images of a stereoscopic display
Landscapes
- Engineering & Computer Science (AREA)
- Chemical & Material Sciences (AREA)
- Crystallography & Structural Chemistry (AREA)
- Physics & Mathematics (AREA)
- Computer Hardware Design (AREA)
- General Physics & Mathematics (AREA)
- Theoretical Computer Science (AREA)
- Liquid Crystal (AREA)
- Control Of Indicators Other Than Cathode Ray Tubes (AREA)
- Liquid Crystal Display Device Control (AREA)
- Devices For Indicating Variable Information By Combining Individual Elements (AREA)
Abstract
【解決手段】行列状に配列され、第1スイッチング素子と、第2スイッチング素子と、前記第1及び第2スイッチング素子に連結された画素電極とを各々備えた複数の画素と、前記第1及び第2スイッチング素子をオンさせるゲートオン電圧を伝達する複数のゲート線と、データ電圧を伝達する複数のデータ線と、を含む液晶表示装置を用意する。この液晶表示装置では、前記第1及び第2スイッチング素子は互いに異なる前記ゲート線及びデータ線に連結されており、前記画素電極と隣接する二つの前記データ線の間には、静電容量が実質的に同一である第1キャパシタ及び第2寄生キャパシタが形成されている。
【選択図】図3
Description
また、本発明は、列反転の長所及びドット反転の長所を全て有する液晶表示装置を提供することを目的とする。
発明4は、前記発明1において、隣接する前記データ線に流れる各々の前記データ電圧の極性は互いに反対であることを特徴とする液晶表示装置を提供する。
発明6は、前記発明1乃至5のいずれか一項において、同一の前記画素行群内での前記第1スイッチング素子及び第2スイッチング素子の位置は、同一であることを特徴とする液晶表示装置を提供する。
発明7は、前記発明1乃至5のいずれか一項において、隣接する前記画素行群の前記第1スイッチング素子及び第2スイッチング素子の位置は互いに異なっていることを特徴とする液晶表示装置を提供する。
また、前記課題を解決するために、発明8は、行列状に配列され、第1スイッチング素子と第2スイッチング素子とを各々備えた複数の画素のうち少なくとも一つの画素行を各々含む複数の画素行群と、前記第1及び第2スイッチング素子に連結されており、前記第1及び第2スイッチング素子をオンさせるゲートオン電圧を伝達する複数のゲート線と、前記第1及び第2スイッチング素子に連結されており、データ電圧を伝達する複数のデータ線と、を含み、前記第1及び第2スイッチング素子は互いに異なるゲート線及びデータ線に連結されており、前記第1スイッチング素子を通じて流れる第1リーク電流と前記第2スイッチング素子を通じて流れる第2リーク電流とが実質的に等しくなるように、前記第1及び第2スイッチング素子が配置されていることを特徴とする液晶表示装置を提供する。
発明10は、前記発明9において、前記第1及び前記第2スイッチング素子は、前記画素電極の中心に対して回転対称をなすように配置されていることを特徴とする液晶表示装置を提供する。
発明11は、前記発明8において、隣接する前記データ線に流れる各々の前記データ電圧の極性は互いに反対であることを特徴とする液晶表示装置を提供する。
発明13は、前記発明8乃至12のいずれか1項において、同一の前記画素行群内での前記第1スイッチング素子及び第2スイッチング素子の位置は同一であることを特徴とする液晶表示装置を提供する。
発明14は、前記発明8乃至12のいずれか1項において、隣接する前記画素行群の前記第1スイッチング素子及び第2スイッチング素子の位置は互いに異なっていることを特徴とする液晶表示装置を提供する。
また、前記課題を解決するために、発明15は、行列状に配列され、第1スイッチング素子と第2スイッチング素子とを各々備えた複数の画素のうち少なくとも一つの画素行を各々含む複数の画素行群と、前記第1及び第2スイッチング素子に連結されており、前記第1及び第2スイッチング素子をオンさせるゲートオン電圧を伝達する複数のゲート線と、前記第1及び第2スイッチング素子に連結されており、データ電圧を伝達する複数のデータ線と、を含み、前記第1及び第2スイッチング素子は互いに異なるゲート線及びデータ線に連結されており、1つの前記データ線に流れる前記データ電圧の極性は一定であって、隣接する前記データ線に流れる前記データ電圧の極性は互いに反対であることを特徴とする液晶表示装置を提供する。
発明17は、前記発明15または16において、隣接する前記画素行群の前記第1スイッチング素及び第2スイッチング素子の位置は、互いに異なっていることを特徴とする液晶表示装置を提供する。
図面では、各層及び領域を明確に表現するために、厚さを拡大して示した。明細書全体で類似した部分については、同一な図面符号を付けた。層、膜、領域、板及び基板などの部分が他の部分の“上に”あるとする時、これは他の部分の“すぐ上に”ある場合だけでなく、その中間に他の部分がある場合も意味する。反対に、ある部分が他の部分の“すぐ上に”あるとする時、これはその中間に他の部分がない場合を意味する。
<液晶表示装置>
本発明の実施例による液晶表示装置及びその駆動方法について、図面を参照して詳細に説明する。
図1に示したように、本発明の一実施例による液晶表示装置は、液晶表示板組立体300と、これに連結されたゲート駆動部400及びデータ駆動部500と、データ駆動部500に連結された階調電圧生成部800と、これらを制御する信号制御部600と、を含む。
表示信号線(G1−Gn、D1−Dm)は、ゲート信号(“走査信号”ともいう)を伝達する複数のゲート線(G1−Gn)と、データ信号を伝達するデータ線(D1−Dm)と、を含む。ゲート線(G1−Gn)は、ほぼ行方向に延長され互いにほぼ平行であり、データ線(D1−Dm)は、ほぼ列方向に延長され互いにほぼ平行である。
<液晶表示装置の画素のスイッチング素子>
次に、図3及び図5乃至図6Bを参照して、本発明の実施例に係る液晶表示装置の、画素の主スイッチング素子及び副スイッチング素子の配置について、より詳細に説明する。
階調電圧生成部800は、画素の透過率に関する二組の複数の階調電圧を生成する。二組うちの一組は共通電圧(Vcom)に対して正の値を有し、他の一組は負の値を有する。
<液晶表示装置の表示動作>
次に、このような液晶表示装置の表示動作について、詳細に説明する。
<反転形態>
次に、本発明の実施例による反転形態について、図3乃至図6Bを参照して詳細に説明する。
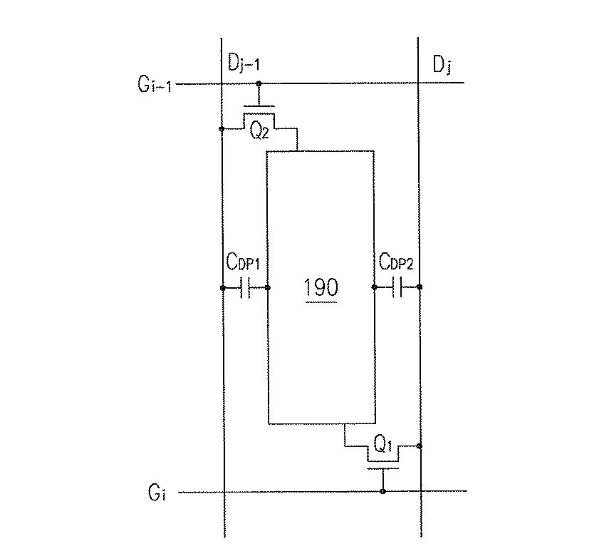
図3で、i番目のゲート線(Gi)にゲートオン電圧(Von)が印加されると、ゲート線(Gi)に連結されたi番目の画素行(図3の第1画素行)に配置されている主スイッチング素子(Q1)と(i+1)番目の画素行(図3の第2画素行)に配置されている副スイッチング素子(Q2)とが同時にオンする。そして、データ線(D1−Dm)と主スイッチング素子及び副スイッチング素子(Q1、Q2)とを通じて画素にデータ電圧が印加される。この時、駆動部反転は“列反転”であるので、互いに隣接するデータ線には反対の極性のデータ電圧が印加される。本発明の実施例で、j番目のデータ線(Dj)に“+”の極性のデータ電圧が印加されると仮定すると、図3の第1画素行(i番目の画素行)で主スイッチング素子(Q1)を通じて各当該画素に印加されるデータ電圧の極性は、図3に示した通りである。また、副スイッチング素子(Q2)を通じて第2画素行[(i+1)番目の画素行]にも第1画素行のデータ電圧が印加される。
このように、一つの画素に対角線で対向するように二つのスイッチング素子(Q1、Q2)を配置した構造の液晶表示装置は、垂直クロストークの影響を大幅に減少させることができる。以下よりこれについて詳述する。
(垂直クロストーク)
一般に、垂直クロストークは、画素電極と隣接するデータ線との間に発生する寄生容量や画素のスイッチング素子をオフした後に発生するリーク電流の影響により、画素電極の電圧が変化することに起因して発生するといわれている。
前述したように、画素電極190は、主スイッチング素子及び副スイッチング素子(Q1、Q2)を通じてゲート線(Gi-1、Gj)及びデータ線(Dj-1、Dj)に連結されている。画素電極190と隣接する二つのデータ線(Dj-1、Dj)との間には寄生キャパシタ(CDP1、CDP2)が各々形成される。ここで、キャパシタ及びそのキャパシタの静電容量は同一な図面符号で示す。
300 液晶表示板組立体
400 ゲート駆動部
500 データ駆動部
600 信号制御部
800 階調電圧生成部
Q1、Q2 主、副スイッチング素子
D1−Dm データ線
G1−Gn ゲート線
Claims (17)
- 行列状に配列され、第1スイッチング素子と、第2スイッチング素子と、前記第1及び第2スイッチング素子に連結された画素電極とを各々備えた複数の画素のうち、少なくとも一つの画素行を各々含む複数の画素行群と、
前記第1及び第2スイッチング素子に連結されており、前記第1及び第2スイッチング素子をオンさせるゲートオン電圧を伝達する複数のゲート線と、
前記第1及び第2スイッチング素子に連結されており、データ電圧を伝達する複数のデータ線と、を含み、
前記第1及び第2スイッチング素子は互いに異なる前記ゲート線及びデータ線に連結されており、
前記画素電極を介して隣接する二つの前記データ線との間には、静電容量が実質的に同一である第1キャパシタ及び第2寄生キャパシタが形成されていることを特徴とする、液晶表示装置。 - 前記第1スイッチング素子を通じて流れる第1リーク電流と前記第2スイッチング素子を通じて流れる第2リーク電流とが実質的に等しくなるように、前記第1及び第2スイッチング素子が配置されていることを特徴とする、請求項1に記載の液晶表示装置。
- 前記第1及び前記第2スイッチング素子は、前記画素電極の中心に対して回転対称をなすように配置されていることを特徴とする、請求項2に記載の液晶表示装置。
- 隣接する前記データ線に流れる各々の前記データ電圧の極性は互いに反対であることを特徴とする、請求項1に記載の液晶表示装置。
- 1つの前記データ線に流れる前記データ電圧の極性は一定であることを特徴とする、請求項4に記載の液晶表示装置。
- 同一の前記画素行群内での前記第1スイッチング素子及び第2スイッチング素子の位置は、同一であることを特徴とする、請求項1乃至5のいずれか一項に記載の液晶表示装置。
- 隣接する前記画素行群の前記第1スイッチング素子及び第2スイッチング素子の位置は互いに異なっていることを特徴とする、請求項1乃至5のいずれか一項に記載の液晶表示装置。
- 行列状に配列され、第1スイッチング素子と第2スイッチング素子とを各々備えた複数の画素のうち、少なくとも一つの画素行を各々含む複数の画素行群と、
前記第1及び第2スイッチング素子に連結されており、前記第1及び第2スイッチング素子をオンさせるゲートオン電圧を伝達する複数のゲート線と、
前記第1及び第2スイッチング素子に連結されており、データ電圧を伝達する複数のデータ線と、を含み、
前記第1及び第2スイッチング素子は互いに異なるゲート線及びデータ線に連結されており、
前記第1スイッチング素子を通じて流れる第1リーク電流と前記第2スイッチング素子を通じて流れる第2リーク電流とが実質的に等しくなるように、前記第1及び第2スイッチング素子が配置されていることを特徴とする、液晶表示装置。 - 前記複数の画素は、前記第1及び第2スイッチング素子に連結された画素電極をさらに含むことを特徴とする、請求項8に記載の液晶表示装置。
- 前記第1及び前記第2スイッチング素子は、前記画素電極の中心に対して回転対称をなすように配置されていることを特徴とする、請求項9に記載の液晶表示装置。
- 隣接する前記データ線に流れる各々の前記データ電圧の極性は互いに反対であることを特徴とする、請求項8に記載の液晶表示装置。
- 1つの前記データ線に流れる前記データ電圧の極性は一定であることを特徴とする、請求項11に記載の液晶表示装置。
- 同一の前記画素行群内での前記第1スイッチング素子及び第2スイッチング素子の位置は同一であることを特徴とする、請求項8乃至12のいずれか一項に記載の液晶表示装置。
- 隣接する前記画素行群の前記第1スイッチング素子及び第2スイッチング素子の位置は互いに異なっていることを特徴とする、請求項8乃至12のいずれか一項に記載の液晶表示装置。
- 行列状に配列され、第1スイッチング素子と第2スイッチング素子とを各々備えた複数の画素のうち、少なくとも一つの画素行を各々含む複数の画素行群と、
前記第1及び第2スイッチング素子に連結されており、前記第1及び第2スイッチング素子をオンさせるゲートオン電圧を伝達する複数のゲート線と、
前記第1及び第2スイッチング素子に連結されており、データ電圧を伝達する複数のデータ線と、を含み、
前記第1及び第2スイッチング素子は互いに異なるゲート線及びデータ線に連結されており、
1つの前記データ線に流れる前記データ電圧の極性は一定であって、隣接する前記データ線に流れる前記データ電圧の極性は互いに反対であることを特徴とする、液晶表示装置。 - 同一の前記画素行群内での前記第1スイッチング素子及び第2スイッチング素子の位置は、同一であることを特徴とする、請求項15に記載の液晶表示装置。
- 隣接する前記画素行群の前記第1スイッチング素及び第2スイッチング素子の位置は、互いに異なっていることを特徴とする、請求項15または16に記載の液晶表示装置。
Applications Claiming Priority (1)
| Application Number | Priority Date | Filing Date | Title |
|---|---|---|---|
| KR1020040022053A KR101018755B1 (ko) | 2004-03-31 | 2004-03-31 | 액정 표시 장치 |
Publications (1)
| Publication Number | Publication Date |
|---|---|
| JP2005292831A true JP2005292831A (ja) | 2005-10-20 |
Family
ID=35053722
Family Applications (1)
| Application Number | Title | Priority Date | Filing Date |
|---|---|---|---|
| JP2005098932A Pending JP2005292831A (ja) | 2004-03-31 | 2005-03-30 | 液晶表示装置 |
Country Status (5)
| Country | Link |
|---|---|
| US (1) | US20050219196A1 (ja) |
| JP (1) | JP2005292831A (ja) |
| KR (1) | KR101018755B1 (ja) |
| CN (1) | CN100451786C (ja) |
| TW (1) | TW200540760A (ja) |
Cited By (1)
| Publication number | Priority date | Publication date | Assignee | Title |
|---|---|---|---|---|
| JP2014074798A (ja) * | 2012-10-04 | 2014-04-24 | Japan Display Inc | 液晶表示装置 |
Families Citing this family (25)
| Publication number | Priority date | Publication date | Assignee | Title |
|---|---|---|---|---|
| JP2006189477A (ja) * | 2004-12-28 | 2006-07-20 | Koninkl Philips Electronics Nv | カラー液晶表示装置 |
| JP2007121767A (ja) * | 2005-10-28 | 2007-05-17 | Nec Lcd Technologies Ltd | 液晶表示装置 |
| EP2043082A4 (en) * | 2006-07-14 | 2011-01-26 | Sharp Kk | ACTIVE MATRIX SUBSTRATE AND DISPLAY ARRANGEMENT THEREWITH |
| EP2053458A4 (en) * | 2006-08-02 | 2010-12-08 | Sharp Kk | ACTIVE MATRIX SUBSTRATE AND DISPLAY ARRANGEMENT THEREWITH |
| US20100231814A1 (en) * | 2006-09-06 | 2010-09-16 | Naoshi Yamada | Liquid crystal display device and its driving method |
| US8289251B2 (en) * | 2006-09-28 | 2012-10-16 | Sharp Kabushiki Kaisha | Liquid crystal display apparatus, driver circuit, driving method and television receiver |
| WO2008053612A1 (en) | 2006-11-02 | 2008-05-08 | Sharp Kabushiki Kaisha | Active matrix substrate, and display device having the substrate |
| JP4450016B2 (ja) * | 2007-06-12 | 2010-04-14 | ソニー株式会社 | 液晶表示装置および液晶駆動回路 |
| TWI396156B (zh) * | 2008-10-31 | 2013-05-11 | Au Optronics Corp | 資料線驅動方法 |
| TWI408474B (zh) * | 2009-04-24 | 2013-09-11 | Innolux Corp | 子畫素結構及液晶顯示面板 |
| CN101963723B (zh) * | 2009-07-22 | 2012-05-30 | 北京京东方光电科技有限公司 | Tft-lcd阵列基板及其制造方法 |
| JP5728895B2 (ja) * | 2010-11-09 | 2015-06-03 | セイコーエプソン株式会社 | 電気光学装置および電子機器 |
| US9165518B2 (en) | 2011-08-08 | 2015-10-20 | Samsung Display Co., Ltd. | Display device and driving method thereof |
| US9299301B2 (en) | 2011-11-04 | 2016-03-29 | Samsung Display Co., Ltd. | Display device and method for driving the display device |
| US9208736B2 (en) | 2011-11-28 | 2015-12-08 | Samsung Display Co., Ltd. | Display device and driving method thereof |
| US9129572B2 (en) * | 2012-02-21 | 2015-09-08 | Samsung Display Co., Ltd. | Display device and related method |
| CN104267551B (zh) * | 2014-09-19 | 2017-06-09 | 京东方科技集团股份有限公司 | 一种阵列基板、显示面板及显示装置 |
| CN105182647B (zh) * | 2015-10-16 | 2019-01-11 | 深圳市华星光电技术有限公司 | 阵列基板、液晶显示面板及驱动方法 |
| CN105913791B (zh) * | 2016-06-24 | 2019-09-24 | 厦门天马微电子有限公司 | 显示装置、阵列基板及其驱动方法 |
| KR102521356B1 (ko) * | 2017-12-19 | 2023-04-13 | 삼성디스플레이 주식회사 | 표시 장치 |
| CN109164653A (zh) * | 2018-09-20 | 2019-01-08 | 深圳市华星光电技术有限公司 | 一种液晶显示面板及其驱动方法 |
| KR102754225B1 (ko) * | 2019-08-28 | 2025-01-13 | 삼성디스플레이 주식회사 | 표시 장치 및 그 구동 방법 |
| CN111427201A (zh) * | 2020-04-30 | 2020-07-17 | 京东方科技集团股份有限公司 | 阵列基板和显示面板 |
| CN113409718B (zh) * | 2021-05-27 | 2022-02-18 | 惠科股份有限公司 | 一种显示面板和显示装置 |
| CN115394262B (zh) * | 2022-08-26 | 2023-11-24 | 惠科股份有限公司 | 像素驱动电路及显示面板 |
Citations (3)
| Publication number | Priority date | Publication date | Assignee | Title |
|---|---|---|---|---|
| JPH04237092A (ja) * | 1991-01-21 | 1992-08-25 | Matsushita Electric Ind Co Ltd | 液晶表示装置およびそれを用いた投写型表示装置 |
| JPH06274130A (ja) * | 1993-03-22 | 1994-09-30 | Matsushita Electric Ind Co Ltd | 液晶表示装置およびそれを用いた液晶投写型テレビ |
| JP2002202736A (ja) * | 2000-10-04 | 2002-07-19 | Matsushita Electric Ind Co Ltd | 表示装置及びその駆動方法 |
Family Cites Families (14)
| Publication number | Priority date | Publication date | Assignee | Title |
|---|---|---|---|---|
| EP0182645B1 (en) * | 1984-11-16 | 1991-01-23 | Matsushita Electric Industrial Co., Ltd. | Active matrix circuit for liquid crystal displays |
| JPH05273522A (ja) * | 1992-01-08 | 1993-10-22 | Matsushita Electric Ind Co Ltd | 表示デバイスおよびそれを用いた表示装置 |
| JPH09127916A (ja) * | 1995-10-31 | 1997-05-16 | Victor Co Of Japan Ltd | 液晶表示装置 |
| US6014191A (en) * | 1996-07-16 | 2000-01-11 | Samsung Electronics Co., Ltd. | Liquid crystal display having repair lines that cross data lines twice and cross gate lines in the active area and related repairing methods |
| KR100251091B1 (ko) * | 1996-11-29 | 2000-04-15 | 구본준 | 액정표시장치의 제조방법 및 그 제조방법으로 제조되는 액정표시장치 |
| US5808706A (en) * | 1997-03-19 | 1998-09-15 | Samsung Electronics Co., Ltd. | Thin-film transistor liquid crystal display devices having cross-coupled storage capacitors |
| JP2001282201A (ja) * | 2000-03-31 | 2001-10-12 | Internatl Business Mach Corp <Ibm> | 表示装置、液晶表示パネル、液晶表示装置および液晶表示装置の駆動方法 |
| KR100759974B1 (ko) * | 2001-02-26 | 2007-09-18 | 삼성전자주식회사 | 액정 표시 장치 및 그의 구동 방법. |
| KR100848108B1 (ko) * | 2001-03-16 | 2008-07-24 | 삼성전자주식회사 | 액정 표시 장치, 그의 박막 트랜지스터 기판 및 그 제조방법 |
| KR100469342B1 (ko) * | 2001-07-11 | 2005-02-02 | 엘지.필립스 엘시디 주식회사 | 액정표시소자 |
| US6862052B2 (en) * | 2001-12-14 | 2005-03-01 | Samsung Electronics Co., Ltd. | Liquid crystal display, thin film transistor array panel for liquid crystal display and manufacturing method thereof |
| DE10259326B4 (de) * | 2001-12-19 | 2018-11-29 | Lg Display Co., Ltd. | Flüssigkristallanzeige |
| KR100869738B1 (ko) * | 2001-12-19 | 2008-11-21 | 엘지디스플레이 주식회사 | 액정표시장치 |
| KR20060025785A (ko) * | 2004-09-17 | 2006-03-22 | 삼성전자주식회사 | 액정 표시 장치 |
-
2004
- 2004-03-31 KR KR1020040022053A patent/KR101018755B1/ko not_active Expired - Fee Related
-
2005
- 2005-03-30 US US11/093,096 patent/US20050219196A1/en not_active Abandoned
- 2005-03-30 JP JP2005098932A patent/JP2005292831A/ja active Pending
- 2005-03-31 CN CNB200510078899XA patent/CN100451786C/zh not_active Expired - Fee Related
- 2005-03-31 TW TW094110390A patent/TW200540760A/zh unknown
Patent Citations (3)
| Publication number | Priority date | Publication date | Assignee | Title |
|---|---|---|---|---|
| JPH04237092A (ja) * | 1991-01-21 | 1992-08-25 | Matsushita Electric Ind Co Ltd | 液晶表示装置およびそれを用いた投写型表示装置 |
| JPH06274130A (ja) * | 1993-03-22 | 1994-09-30 | Matsushita Electric Ind Co Ltd | 液晶表示装置およびそれを用いた液晶投写型テレビ |
| JP2002202736A (ja) * | 2000-10-04 | 2002-07-19 | Matsushita Electric Ind Co Ltd | 表示装置及びその駆動方法 |
Cited By (2)
| Publication number | Priority date | Publication date | Assignee | Title |
|---|---|---|---|---|
| JP2014074798A (ja) * | 2012-10-04 | 2014-04-24 | Japan Display Inc | 液晶表示装置 |
| US9530369B2 (en) | 2012-10-04 | 2016-12-27 | Japan Display Inc. | Liquid crystal display device |
Also Published As
| Publication number | Publication date |
|---|---|
| KR101018755B1 (ko) | 2011-03-04 |
| US20050219196A1 (en) | 2005-10-06 |
| CN100451786C (zh) | 2009-01-14 |
| TW200540760A (en) | 2005-12-16 |
| CN1690824A (zh) | 2005-11-02 |
| KR20050096616A (ko) | 2005-10-06 |
Similar Documents
| Publication | Publication Date | Title |
|---|---|---|
| JP2005292831A (ja) | 液晶表示装置 | |
| JP4942405B2 (ja) | 表示装置用シフトレジスタ及びこれを含む表示装置 | |
| US8810490B2 (en) | Display apparatus | |
| US7504848B2 (en) | Panel and test method for display device | |
| JP5483517B2 (ja) | 液晶表示装置 | |
| KR101006450B1 (ko) | 액정 표시 장치 | |
| KR101026802B1 (ko) | 액정 표시 장치 및 그 구동 방법 | |
| CN101995719B (zh) | 液晶显示器 | |
| US20070132701A1 (en) | Display device | |
| KR20080106640A (ko) | 표시 장치의 구동 장치 및 이를 포함하는 표시 장치 | |
| CN100462824C (zh) | 液晶显示器 | |
| US20130135360A1 (en) | Display device and driving method thereof | |
| US20060170641A1 (en) | Driving apparatus for liquid crystal display and liquid crystal display including the same | |
| JP5302492B2 (ja) | インパルシブ駆動液晶表示装置及びその駆動方法 | |
| KR102290615B1 (ko) | 액정표시장치 | |
| TW200405242A (en) | Image display element and image display device | |
| JP2011164236A (ja) | 表示装置 | |
| KR20060042304A (ko) | 표시 장치용 표시판 | |
| KR20060018395A (ko) | 액정 표시 장치 | |
| KR20070063944A (ko) | 표시 장치 | |
| KR20060022499A (ko) | 액정 표시 장치 | |
| KR20060016924A (ko) | 액정 표시 장치 |
Legal Events
| Date | Code | Title | Description |
|---|---|---|---|
| A621 | Written request for application examination |
Free format text: JAPANESE INTERMEDIATE CODE: A621 Effective date: 20080212 |
|
| A977 | Report on retrieval |
Free format text: JAPANESE INTERMEDIATE CODE: A971007 Effective date: 20110124 |
|
| A131 | Notification of reasons for refusal |
Free format text: JAPANESE INTERMEDIATE CODE: A131 Effective date: 20110201 |
|
| A521 | Written amendment |
Free format text: JAPANESE INTERMEDIATE CODE: A523 Effective date: 20110420 |
|
| RD02 | Notification of acceptance of power of attorney |
Free format text: JAPANESE INTERMEDIATE CODE: A7422 Effective date: 20110420 |
|
| A02 | Decision of refusal |
Free format text: JAPANESE INTERMEDIATE CODE: A02 Effective date: 20110705 |
