JP2005291216A - 車輪支持用ハブユニットの製造方法 - Google Patents
車輪支持用ハブユニットの製造方法 Download PDFInfo
- Publication number
- JP2005291216A JP2005291216A JP2004078809A JP2004078809A JP2005291216A JP 2005291216 A JP2005291216 A JP 2005291216A JP 2004078809 A JP2004078809 A JP 2004078809A JP 2004078809 A JP2004078809 A JP 2004078809A JP 2005291216 A JP2005291216 A JP 2005291216A
- Authority
- JP
- Japan
- Prior art keywords
- inner ring
- peripheral surface
- outer peripheral
- caulking portion
- hub unit
- Prior art date
- Legal status (The legal status is an assumption and is not a legal conclusion. Google has not performed a legal analysis and makes no representation as to the accuracy of the status listed.)
- Granted
Links
Images
Classifications
-
- F—MECHANICAL ENGINEERING; LIGHTING; HEATING; WEAPONS; BLASTING
- F16—ENGINEERING ELEMENTS AND UNITS; GENERAL MEASURES FOR PRODUCING AND MAINTAINING EFFECTIVE FUNCTIONING OF MACHINES OR INSTALLATIONS; THERMAL INSULATION IN GENERAL
- F16C—SHAFTS; FLEXIBLE SHAFTS; ELEMENTS OR CRANKSHAFT MECHANISMS; ROTARY BODIES OTHER THAN GEARING ELEMENTS; BEARINGS
- F16C19/00—Bearings with rolling contact, for exclusively rotary movement
- F16C19/02—Bearings with rolling contact, for exclusively rotary movement with bearing balls essentially of the same size in one or more circular rows
- F16C19/14—Bearings with rolling contact, for exclusively rotary movement with bearing balls essentially of the same size in one or more circular rows for both radial and axial load
- F16C19/18—Bearings with rolling contact, for exclusively rotary movement with bearing balls essentially of the same size in one or more circular rows for both radial and axial load with two or more rows of balls
- F16C19/181—Bearings with rolling contact, for exclusively rotary movement with bearing balls essentially of the same size in one or more circular rows for both radial and axial load with two or more rows of balls with angular contact
- F16C19/183—Bearings with rolling contact, for exclusively rotary movement with bearing balls essentially of the same size in one or more circular rows for both radial and axial load with two or more rows of balls with angular contact with two rows at opposite angles
- F16C19/184—Bearings with rolling contact, for exclusively rotary movement with bearing balls essentially of the same size in one or more circular rows for both radial and axial load with two or more rows of balls with angular contact with two rows at opposite angles in O-arrangement
- F16C19/186—Bearings with rolling contact, for exclusively rotary movement with bearing balls essentially of the same size in one or more circular rows for both radial and axial load with two or more rows of balls with angular contact with two rows at opposite angles in O-arrangement with three raceways provided integrally on parts other than race rings, e.g. third generation hubs
-
- F—MECHANICAL ENGINEERING; LIGHTING; HEATING; WEAPONS; BLASTING
- F16—ENGINEERING ELEMENTS AND UNITS; GENERAL MEASURES FOR PRODUCING AND MAINTAINING EFFECTIVE FUNCTIONING OF MACHINES OR INSTALLATIONS; THERMAL INSULATION IN GENERAL
- F16C—SHAFTS; FLEXIBLE SHAFTS; ELEMENTS OR CRANKSHAFT MECHANISMS; ROTARY BODIES OTHER THAN GEARING ELEMENTS; BEARINGS
- F16C2326/00—Articles relating to transporting
- F16C2326/01—Parts of vehicles in general
- F16C2326/02—Wheel hubs or castors
-
- F—MECHANICAL ENGINEERING; LIGHTING; HEATING; WEAPONS; BLASTING
- F16—ENGINEERING ELEMENTS AND UNITS; GENERAL MEASURES FOR PRODUCING AND MAINTAINING EFFECTIVE FUNCTIONING OF MACHINES OR INSTALLATIONS; THERMAL INSULATION IN GENERAL
- F16C—SHAFTS; FLEXIBLE SHAFTS; ELEMENTS OR CRANKSHAFT MECHANISMS; ROTARY BODIES OTHER THAN GEARING ELEMENTS; BEARINGS
- F16C43/00—Assembling bearings
- F16C43/04—Assembling rolling-contact bearings
Landscapes
- Mounting Of Bearings Or Others (AREA)
- Rolling Contact Bearings (AREA)
Abstract
【解決手段】 内輪3をハブ2の小径段部8に圧入外嵌する前と、かしめ部14を形成する後とで、それぞれ上記内輪3の小径段部16の外径寸法D1 、D2 を測定する。そして、これら各外径寸法D1 、D2 と上記内輪3を構成する材料のヤング率Eとに基づいて応力の計算を行なう事により、上記かしめ部14の形成後に上記小径段部16の表面で発生しているフープ応力を求める。そして、このフープ応力が所定範囲に収まっている場合にのみ、上記かしめ部14が適切に形成されていると判定する。この様にしてかしめ部14の形成管理を行なう事により、上記課題を解決できる。
【選択図】 図1
Description
特に、本発明の車輪支持用ハブユニットの製造方法の場合には、上記かしめ部の形成後に上記内輪の一部外周面で発生しているフープ応力(円周方向の引っ張り応力)を測定する。そして、この引っ張り応力の値が所定範囲(上限は、転がり疲れ寿命が低下しない値。下限は、軸部材と内輪との嵌合部でクリープが生じない値。)に収まっている場合にのみ、上記かしめ部が適切に形成されていると判定する。
この様にして上記フープ応力を測定すれば、例えばこのフープ応力を、上記内輪の一部外周面に歪みゲージを添着して測定する場合に比べて、測定作業を容易にできる。
即ち、上記内輪に熱処理を施すと、これに伴って内輪が変形し、この内輪の一部外周面の真円度が悪化する可能性がある。
これに対し、上述した請求項3に記載した発明の場合には、上述の様に内輪の一部外周面の真円度を改善する為、この内輪の圧入嵌合及びかしめ部の形成により生じた、当該一部外周面のフープ応力(このフープ応力を計算する為に利用する、この一部外周面の外径寸法を含む。)の測定精度を十分に高める事ができる。従って、転がり疲れ寿命に関する信頼性を十分に向上させる事ができる。
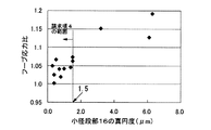
この様な規制を行なう場合には、上記真円度を0.1μm以上とする為、研削加工のコストを抑える事ができる。又、上記真円度を1.5μm以下とする為、上記フープ応力(このフープ応力を計算する為に利用する、上記内輪の一部外周面の外径寸法を含む。)の測定精度を十分に高める事ができる。従って、転がり疲れ寿命に関する信頼性を十分に向上させる事ができる。
この様な規制を行なう場合には、上記フープ応力を150MPa以上とする為、軸部材と内輪との密着性を十分に確保する事ができ、これら軸部材と内輪との嵌合部でクリープが発生する事を防止できる。この結果、転がり疲れ寿命が低下する事を防止できる。又、上記フープ応力を260MPa以下とする為、上記内輪の外周面に形成された内輪軌道に作用する、上記フープ応力の影響を十分に抑える事ができる。この結果、軸受部(特に、当該内輪軌道)の転がり疲れ寿命が低下する事を防止できる。
この様にすれば、上記内輪の熱膨張の影響が完全になくなるまでの間(長時間)待機する事なく、上記かしめ部が適切に形成されているか否かの判定を迅速に行なえる。
先ず、本実施例の場合には、内輪3に熱処理を施した後、この内輪3の外周面の内端部に設けた小径段部16の外周面(特許請求の範囲に記載した「円筒面部」)に研削加工を施す。これにより、この小径段部16の真円度を、0.1〜1.5μmの範囲に規制する。又、これと共に、上記内輪3の内周面にも研削加工を施して、この内周面の真円度を改善する。
σh =E×(D2 −D1 )/D1 −−−−−−(1)
そして、このフープ応力σh の値が、150〜260MPaの範囲に収まっている場合にのみ、上記かしめ部14が適切に形成されていると判定する。
回転速度 : 1,000min-1
ラジアル荷重 : 6,500N
アキシアル荷重 : 3,900N
そして、上記各試料1〜10の転がり疲れ寿命を測定した。この測定結果を、以下の表2、及び図6に示す。尚、これら表2及び図6では、上記各試料1〜10の転がり疲れ寿命を、試料1の転がり疲れ寿命の値を1.0とした場合の相対値(「転がり疲れ寿命比」)で示している。
2、2a ハブ
3、3a 内輪
4、4a 外輪
5 転動体
6 取付フランジ
7a、7b 内輪軌道
8 小径段部
9 段差面
10 スプライン孔
11 結合フランジ
12a、12b 外輪軌道
13 円筒部
14 かしめ部
15 肩部
16 小径段部
17 軸部材
18 センサ
Claims (6)
- 軸部材の一端部に設けた小径段部に内輪を外嵌すると共に、この内輪の一端面を、この軸部材の一端部に設けた円筒部のうちこの内輪の一端面から突出した部分を径方向外方に塑性変形させて形成したかしめ部により抑え付ける事で、上記内輪を上記軸部材に結合固定している車輪支持用ハブユニットの製造方法であって、上記かしめ部の形成後に上記内輪の一部外周面で発生している円周方向の引っ張り応力を測定し、この引っ張り応力の値が所定範囲に収まっている場合にのみ上記かしめ部が適切に形成されていると判定する車輪支持用ハブユニットの製造方法。
- かしめ部の形成後に内輪の一部外周面で発生している円周方向の引っ張り応力を測定する為、この内輪の一部外周面の外径寸法を上記かしめ部を形成する前後でそれぞれ測定すると共に、これら各外径寸法の測定値と上記内輪の弾性係数とに基づく応力の計算を行なう事により、上記円周方向の引っ張り応力を求める、請求項1に記載した車輪支持用ハブユニットの製造方法。
- 内輪に熱処理を施した後、この内輪の一部外周面で発生している円周方向の引っ張り応力を測定する作業を行なう前に、この内輪の一部外周面に研削加工を施してこの一部外周面の真円度を改善する、請求項1〜2の何れかに記載した車輪支持用ハブユニットの製造方法。
- 研削加工を施した後の内輪の一部外周面の真円度を0.1〜1.5μmの範囲に規制する、請求項3に記載した車輪支持用ハブユニットの製造方法。
- 円周方向の引っ張り応力を測定すべき内輪の一部外周面が、この内輪の外周面のうち、軸方向に関してかしめ部と隣接する側の端部に存在する円筒面部であり、このかしめ部が適切に形成されているか否かの判定基準となる上記引っ張り応力の所定範囲が150〜260MPaである、請求項1〜4の何れかに記載した車輪支持用ハブユニットの製造方法。
- かしめ部を形成する事に伴って生じた熱により内輪が熱膨張したままの状態でこの内輪の一部外周面の外径寸法を測定すると共に、当該測定時の熱膨張に基づく外径寸法の増大量を予め用意しておいた実験データに基づいて推定し、上記測定した外径寸法からこの推定した増大量を差し引いた値を、上記かしめ部を形成した後の上記内輪の一部外周面の外径寸法とする、請求項2〜5の何れかに記載した車輪支持用ハブユニットの製造方法。
Priority Applications (1)
| Application Number | Priority Date | Filing Date | Title |
|---|---|---|---|
| JP2004078809A JP4278542B2 (ja) | 2004-03-12 | 2004-03-18 | 車輪支持用ハブユニットの製造方法 |
Applications Claiming Priority (2)
| Application Number | Priority Date | Filing Date | Title |
|---|---|---|---|
| JP2004070376 | 2004-03-12 | ||
| JP2004078809A JP4278542B2 (ja) | 2004-03-12 | 2004-03-18 | 車輪支持用ハブユニットの製造方法 |
Publications (3)
| Publication Number | Publication Date |
|---|---|
| JP2005291216A true JP2005291216A (ja) | 2005-10-20 |
| JP2005291216A5 JP2005291216A5 (ja) | 2007-08-09 |
| JP4278542B2 JP4278542B2 (ja) | 2009-06-17 |
Family
ID=35324395
Family Applications (1)
| Application Number | Title | Priority Date | Filing Date |
|---|---|---|---|
| JP2004078809A Expired - Fee Related JP4278542B2 (ja) | 2004-03-12 | 2004-03-18 | 車輪支持用ハブユニットの製造方法 |
Country Status (1)
| Country | Link |
|---|---|
| JP (1) | JP4278542B2 (ja) |
Cited By (2)
| Publication number | Priority date | Publication date | Assignee | Title |
|---|---|---|---|---|
| JP2007147078A (ja) * | 2007-01-12 | 2007-06-14 | Ntn Corp | 車輪用軸受装置 |
| US7607838B2 (en) | 2004-08-03 | 2009-10-27 | Ntn Corporation | Bearing apparatus for a wheel of vehicle |
-
2004
- 2004-03-18 JP JP2004078809A patent/JP4278542B2/ja not_active Expired - Fee Related
Cited By (2)
| Publication number | Priority date | Publication date | Assignee | Title |
|---|---|---|---|---|
| US7607838B2 (en) | 2004-08-03 | 2009-10-27 | Ntn Corporation | Bearing apparatus for a wheel of vehicle |
| JP2007147078A (ja) * | 2007-01-12 | 2007-06-14 | Ntn Corp | 車輪用軸受装置 |
Also Published As
| Publication number | Publication date |
|---|---|
| JP4278542B2 (ja) | 2009-06-17 |
Similar Documents
| Publication | Publication Date | Title |
|---|---|---|
| JP6009149B2 (ja) | 車輪用軸受装置の製造方法 | |
| WO2007119595A1 (ja) | 駆動輪支持用ハブユニットとその製造方法 | |
| JP2001225606A (ja) | 車輪軸受装置およびその軸受すきま管理方法 | |
| US20070116397A1 (en) | Unitized bearing assembly and method of assembling the same | |
| CN113631298B (zh) | 铆接装配件的制造方法、及车辆的制造方法 | |
| CN111771069B (zh) | 用于安装车轮的轮毂 | |
| JP4278542B2 (ja) | 車輪支持用ハブユニットの製造方法 | |
| US12103065B2 (en) | Staking assembly manufacturing method, hub unit bearing manufacturing method, and vehicle manufacturing method | |
| CN100480528C (zh) | 控制内部件中圆周应力制造车辆车轮用轴承装置的方法 | |
| JP6551634B1 (ja) | ハブユニット軸受の製造方法および製造装置、車両の製造方法 | |
| JP2003172371A (ja) | 車輪支持用転がり軸受ユニットの内輪の軸力を測定する方法 | |
| JP2005325902A (ja) | 車輪軸受装置の製造方法 | |
| JP4710179B2 (ja) | 車輪駆動輪用軸受ユニットの製造方法 | |
| JP4573200B2 (ja) | 車輪用軸受装置 | |
| JP2006046434A5 (ja) | ||
| CN114364893A (zh) | 车轮用轴承装置的预压检查方法 | |
| JP2005349928A (ja) | 車輪用軸受装置 | |
| JP2008106904A (ja) | 車輪用軸受装置の製造方法 | |
| JP7172822B2 (ja) | 車輪用軸受装置の外輪フランジ部の加工方法 | |
| JP4632305B2 (ja) | 車輪用軸受装置 | |
| JP5245593B2 (ja) | 車輪用軸受装置の製造方法 | |
| JP2006214506A (ja) | 車輪用軸受装置の軸受予圧量測定方法 | |
| JP2007107573A (ja) | 車輪用軸受装置 | |
| JP2006144949A (ja) | 車輪用軸受装置の軸受すきま測定方法 | |
| JP4784008B2 (ja) | 車輪駆動用軸受ユニット及び該車輪駆動用軸受ユニットの製造方法 |
Legal Events
| Date | Code | Title | Description |
|---|---|---|---|
| A521 | Written amendment |
Free format text: JAPANESE INTERMEDIATE CODE: A523 Effective date: 20060929 |
|
| A621 | Written request for application examination |
Free format text: JAPANESE INTERMEDIATE CODE: A621 Effective date: 20060929 |
|
| RD04 | Notification of resignation of power of attorney |
Free format text: JAPANESE INTERMEDIATE CODE: A7424 Effective date: 20060929 |
|
| A521 | Written amendment |
Free format text: JAPANESE INTERMEDIATE CODE: A523 Effective date: 20070626 |
|
| A871 | Explanation of circumstances concerning accelerated examination |
Free format text: JAPANESE INTERMEDIATE CODE: A871 Effective date: 20070626 |
|
| A975 | Report on accelerated examination |
Free format text: JAPANESE INTERMEDIATE CODE: A971005 Effective date: 20070702 |
|
| A131 | Notification of reasons for refusal |
Free format text: JAPANESE INTERMEDIATE CODE: A131 Effective date: 20070807 |
|
| A521 | Written amendment |
Free format text: JAPANESE INTERMEDIATE CODE: A523 Effective date: 20071004 |
|
| A02 | Decision of refusal |
Free format text: JAPANESE INTERMEDIATE CODE: A02 Effective date: 20071106 |
|
| A521 | Written amendment |
Free format text: JAPANESE INTERMEDIATE CODE: A523 Effective date: 20071220 |
|
| A911 | Transfer to examiner for re-examination before appeal (zenchi) |
Free format text: JAPANESE INTERMEDIATE CODE: A911 Effective date: 20080115 |
|
| A912 | Re-examination (zenchi) completed and case transferred to appeal board |
Free format text: JAPANESE INTERMEDIATE CODE: A912 Effective date: 20080222 |
|
| A521 | Written amendment |
Free format text: JAPANESE INTERMEDIATE CODE: A523 Effective date: 20090212 |
|
| A01 | Written decision to grant a patent or to grant a registration (utility model) |
Free format text: JAPANESE INTERMEDIATE CODE: A01 |
|
| A61 | First payment of annual fees (during grant procedure) |
Free format text: JAPANESE INTERMEDIATE CODE: A61 Effective date: 20090310 |
|
| FPAY | Renewal fee payment (event date is renewal date of database) |
Free format text: PAYMENT UNTIL: 20120319 Year of fee payment: 3 |
|
| R150 | Certificate of patent or registration of utility model |
Ref document number: 4278542 Country of ref document: JP Free format text: JAPANESE INTERMEDIATE CODE: R150 Free format text: JAPANESE INTERMEDIATE CODE: R150 |
|
| FPAY | Renewal fee payment (event date is renewal date of database) |
Free format text: PAYMENT UNTIL: 20130319 Year of fee payment: 4 |
|
| FPAY | Renewal fee payment (event date is renewal date of database) |
Free format text: PAYMENT UNTIL: 20130319 Year of fee payment: 4 |
|
| FPAY | Renewal fee payment (event date is renewal date of database) |
Free format text: PAYMENT UNTIL: 20140319 Year of fee payment: 5 |
|
| R250 | Receipt of annual fees |
Free format text: JAPANESE INTERMEDIATE CODE: R250 |
|
| LAPS | Cancellation because of no payment of annual fees |
