JP2005155195A - 可変レバータンブラー錠 - Google Patents

可変レバータンブラー錠 Download PDF

Info

Publication number
JP2005155195A
JP2005155195A JP2003396000A JP2003396000A JP2005155195A JP 2005155195 A JP2005155195 A JP 2005155195A JP 2003396000 A JP2003396000 A JP 2003396000A JP 2003396000 A JP2003396000 A JP 2003396000A JP 2005155195 A JP2005155195 A JP 2005155195A
Authority
JP
Japan
Prior art keywords
tumbler
support shaft
key
engaging
diameter
Prior art date
Legal status (The legal status is an assumption and is not a legal conclusion. Google has not performed a legal analysis and makes no representation as to the accuracy of the status listed.)
Granted
Application number
JP2003396000A
Other languages
English (en)
Other versions
JP4516305B2 (ja
Inventor
Akira Miyake
晶 三宅
Current Assignee (The listed assignees may be inaccurate. Google has not performed a legal analysis and makes no representation or warranty as to the accuracy of the list.)
Miwa Lock KK
Miwa Lock Co Ltd
Original Assignee
Miwa Lock KK
Miwa Lock Co Ltd
Priority date (The priority date is an assumption and is not a legal conclusion. Google has not performed a legal analysis and makes no representation as to the accuracy of the date listed.)
Filing date
Publication date
Application filed by Miwa Lock KK, Miwa Lock Co Ltd filed Critical Miwa Lock KK
Priority to JP2003396000A priority Critical patent/JP4516305B2/ja
Publication of JP2005155195A publication Critical patent/JP2005155195A/ja
Application granted granted Critical
Publication of JP4516305B2 publication Critical patent/JP4516305B2/ja
Anticipated expiration legal-status Critical
Expired - Fee Related legal-status Critical Current

Links

Images

Landscapes

  • Lock And Its Accessories (AREA)

Abstract

【課題】 鍵違い変換機構を合理的に変更し、外筒に膨出部を形成しなくても済む可変レバータンブラー錠を提供する。
【解決手段】 レバータンブラー錠の各レバータンブラーを、略C字形で相互に重合するタンブラーA1AとタンブラーB1Bとを組合わせたものとする一方、支軸2をその両端に突設した偏芯軸の軸線回りを回動できるように支承し、タンブラーA1Aの自由端部内側縁部のタンブラーB1Bと対向する側に係合突起9を、また、タンブラーB1Bの内側縁部にはタンブラーA1Aの係合突起9と係合可能な係合凹部11の複数を夫々形成し、一方、鍵違い変換時支軸2を押し下げ、係合突起9と係合凹部11との係合を解くようにしたものにおいて、外筒19に雌ねじ孔を形成し、この雌ねじ孔に、先端に小径部23と雄ねじ部を形成した変換用ドライバーを捩じ込んで、スペーサリング15を介して支軸2を押し下げる。
【選択図】 図7

Description

この発明は、可変レバータンブラー錠に係り、特に、鍵違いの変換機構を合理的に変更して構造を簡単にすると共に、外形寸法を小さくすることができる可変レバータンブラー錠に関する。
本出願人は、先に、後記特許文献1〜5を以て、新規な可変レバータンブラー錠を提案した。
これらの可変レバータンブラー錠は、レバータンブラー錠の各レバータンブラーを、略C字形で相互に重合するタンブラーAとタンブラーBとを組合わせたものとする一方、支軸をその両端に突設した偏芯軸の軸線回りを回動できるように支承し、一端を支軸に遊嵌させたタンブラーAには合鍵の鍵溝との係合部を形成すると共に、これを合鍵と干渉する方向に付勢し、また、一端を支軸に回動自在に嵌合させたタンブラーBの自由端部外側端縁に解錠切欠を形成すると共に、タンブラーAの合鍵側端縁との係合部と重合する部分を合鍵と干渉しないように成形し、一方、タンブラーAの自由端部内側縁部のタンブラーBと対向する側に係合突起を、また、タンブラーBの内側縁部には支軸を中心とする円弧上にタンブラーAの係合突起と係合可能な係合凹部の複数を夫々形成すると共に、係合凹部の形成角度位置を、合鍵の側端縁に形成された複数種類の深さの鍵溝にタンブラーAの係合部が夫々係合したとき、その係合突起と整合するように設定し、他方、支軸を外方に付勢する一方、内筒の内端部に、内筒の半径方向に移動可能で、外部から操作可能なスイッチ部材を支軸の外側からこれに当接可能に設けたものである。
そして、この発明を理解するためには、上記可変レバータンブラー錠の構造を理解する必要があるが、その構造は上記各特許文献に記載されているので、ここでは簡単に説明する。
図1において符号1はレバータンブラーを示し、このレバータンブラー1を、略C字形で相互に重合するタンブラーA1AとタンブラーB1Bとを組合わせたものとする一方、図で上方に付勢された支軸2をその両端に突設した偏芯軸3(図2参照)の軸線回りを回動できるように支承する。
なお、図1においてタンブラーB1Bにハッチングを施したのはタンブラーA1Aと紛れないようにしただけであって、実際にハッチングが施されているわけではない。図1においてはタンブラーB1Bが手前側に、タンブラーA1Aはその裏側に配置されている。
また、図1に示すタンブラーA1AのC字形はその開口端が相互に接続されているが、これはタンブラーの剛性を高めるためであって、このようにC字形の開口端を接続したものもC字形の概念に含めるものとする。
一方、一端を縦長の逃げ孔4を介して支軸2に遊嵌させたタンブラーA1Aには、合鍵5の鍵溝6との係合部7を形成すると共に、これを合鍵5と干渉する方向、図1では反時計方向に付勢し、また、一端を支軸に回動自在に嵌合させたタンブラーB1Bの自由端部外側端縁に解錠切欠8を形成すると共に、タンブラーA1Aの合鍵側端縁との係合部7と重合する部分を合鍵と干渉しないように成形する。
他方、タンブラーA1Aの自由端部内側縁部のタンブラーB1Bと対向する側に係合突起9を、また、タンブラーB1Bの内側縁部には支軸2を中心とする円弧上にタンブラーAの係合突起9と係合可能な係合凹部11の複数を夫々形成すると共に、係合凹部11の形成角度位置を、合鍵5の側端縁に形成された複数種類の深さの鍵溝6にタンブラーAの係合部が夫々係合したとき、その係合突起と整合するように設定する。
図1は一の合鍵を鍵孔に差込んだ状態を示し、したがって解錠切欠8がロッキングバー12と角度的に整合している。
この状態で、図2及び図3に示すように、シリンダの内端側から変換ピン13を挿入して、スイッチ部材14及び支軸2の内端に嵌装されたスペーサリング15を介して支軸2に矢印方向、すなわち下向きの力を印加すると、支軸2は偏芯軸3の中心軸cの回りを反時計方向に回動する。
なお、図1はタンブラー1をシリンダの内端側から見ているので、図1においては、支軸2は上記中心軸cの回りを時計方向に回動する。
その結果、支軸2はタンブラーA1Aの一端に形成された前記縦長の逃げ孔4を遊嵌するので、タンブラーAを図1の位置に残した状態でタンブラーB11Bのみを下降させる(図示せず)。
図1から明らかなように、解錠切欠8とロッキングバー12とは角度的に整合しているから、上記タンブラーB1Bの下降は可能であり、タンブラーA1Aの係合突起9は係合凹部11から抜き外される。
この状態では一の合鍵を抜くことができるので、一の合鍵を鍵孔から抜くと、タンブラーA1Aはその付勢力により図1で反時計方向に回動するが(図示せず)、他の新たな合鍵を挿入することにより、タンブラーA1Aは図1とは異なる新たな角度位置に迄回動する。
この状態で前記変換ピン13(図3参照)を抜いて支軸2を元の位置に戻すと、タンブラーB1Bも連れ動いて図1に示す位置に戻り、このとき係合突起は新たな係合凹部と係合するに致り、タンブラーA1AとタンブラーB1Bとの係合の態様が前とは異なり、したがって鍵違いを変更することができるのである。
特願2001−379268 特願2002−014274 特願2002−113868 特願2002−119781 特願2002−131568
上記した構造の可変レバータンブラー錠は、図4に示すように、外筒16の基部に膨出部17を突出形成し、この膨出部17内にスイッチ部材14を例えば図4で上下方向に案内できる案内洞18を設けている。
なお、図4で外筒の下方に形成された膨出部は、デザイン上必要なので設けられた膨出部で、可変レバータンブラー錠の必須の構成要素ではない。
しかしながら、外筒に形成された膨出部は、その存在故に可変レバータンブラー錠の構造を複雑にするし、また、外筒の加工が面倒になり、加えて、デザイン上不利である、等種々の不都合の原因となっている。
そこで、この発明は、鍵違い変換機構を合理的に変更し、外筒に膨出部を形成しなくても済む可変レバータンブラー錠を提供し、以て上記した種々の不都合を解消することを目的としている。
上記の目的を達成するため、この発明は、レバータンブラー錠の各レバータンブラーを、略C字形で相互に重合するタンブラーAとタンブラーBとを組合わせたものとする一方、中心軸線が外方に向かうように付勢された支軸を、その両端に突設した偏芯軸の軸線回りを回動できるように支承し、一端に開口した逃げ孔を支軸に遊嵌可能に係合させたタンブラーAには合鍵の鍵溝との係合部を形成すると共に、これを合鍵と干渉する方向に付勢し、また、一端を支軸に回動自在に嵌合させたタンブラーBの自由端部外側端縁に解錠切欠を形成すると共に、タンブラーAの合鍵側端縁との係合部と重合する部分を合鍵と干渉しないように成形し、一方、タンブラーAの自由端部内側縁部のタンブラーBと対向する側に係合突起を、また、タンブラーBの内側縁部には支軸を中心とする円弧上にタンブラーAの係合突起と係合可能な係合凹部の複数を夫々形成すると共に、係合凹部の形成角度位置を、合鍵の側端縁に形成された複数種類の深さの鍵溝にタンブラーAの係合部が夫々係合したとき、その係合突起と整合するように設定したものにおいて、支軸の内端部に大径鍔部を形成し、軸線方向においてこの大径鍔部と整合する外筒外周面に、これを貫通する雌ねじ孔を形成し、鍵違い変換時、先端から順に小径部、雄ねじ部及び段部を連設した変換用ドライバーを上記雌ねじ孔に捩じ込み、その小径部により支軸の大径鍔部を内方に押動して、タンブラーAの係合突起とタンブラーBの係合凹部とを切り離すようにしたことを特徴とする。
上記のように構成されたこの発明による可変レバータンブラー錠は、支軸を駆動するため外筒に摺動可能に案内されたスイッチ部材が不要となるので、外筒に膨出部を形成することなく、単なる筒体とすることができる。
そのため、可変レバータンブラー錠の構造を簡単かつコンパクトにすることができ、また、鍵違い変換時の操作が確実になる、等種々の効果を奏する。
従来の外筒半径方向に摺動するスイッチ部材の代りに、外筒の基部に設けたねじ孔を挿通する変換用ドライバーにより支軸を直接駆動するので、可変レバータンブラー錠の外筒に膨出部を形成する必要を無くした。
以下、この発明の実施例を図5乃至図7を参照して説明する。
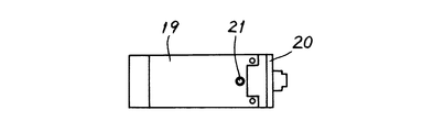
図5及び図7において符号19は可変レバータンブラー錠の外筒を示し、この外筒19の基端部で、図7において時計盤面に換算して12時の角度位置に、外筒19を貫通する雌ねじ孔21が形成されている。なお、図7においては、図面を明瞭にするために、この雌ねじ孔に付番しない。
この雌ねじ孔21の外筒軸線方向における位置は、支軸2の基端に嵌装されたスペーサリング15(図2及び図3参照)と整合する位置とする。なお、図5において符号20は取付板を示す。
一方、図6において符号22は変換用ドライバーを示し、この変換用ドライバー22は、全体の形状が短い棒状体で、その先端(図6で下端)から順に小径部23、上記雌ねじ孔21と螺合する雄ねじ部24及び段部25が連設されている。
上記のように構成されたこの発明の一実施例による可変レバータンブラー錠は、図1に示すように、鍵違い変換時それ迄の合鍵5を鍵孔6に挿入してタンブラーBIBの解錠切欠8とロッキングバー12の内側端縁を整合させる。
次いで、図7に示すように、変換用ドライバー22の先端を前記外筒に形成された雌ねじ孔21(図5参照)に捩じ込む。
すると、雌ねじ孔21を挿通した小径部23が支軸の大径鍔部であるスペーサリング15の外周縁を、支軸ばね26(図4参照)の弾力に抗して下方に押動する。
そのため、支軸2は図7において偏芯軸3(図2及び図3参照)の回りを時計方向に少し回動し、この支軸2の回動に伴ってタンブラーBIBが下方に移動して、係合突起9と係合凹部11との係合を解く。
この場合、変換用ドライバーの雄ねじ部24と雌ねじ孔21とは螺合しているので、変換用ドライバーから手を放しても図7に示す状態は変らない。
次いで新しい合鍵を挿入すると、タンブラーA1Aは新しい合鍵の鍵溝に対応した角度位置に迄回動するので、この状態で変換用ドライバー22をねじ戻し、小径部23を雌ねじ孔から抜くと、上記支軸ばね26の弾力によってタンブラーB1Bが上昇し、その何れかの係合凹部11が新しい角度位置における係合突起9と係合し、この用にしてタンブラーA1AとタンブラーB1Bとの新しい相対角度位置が定まる。
なお、図示の実施例では、支軸の大径鍔部を支軸とは別体のスペーサリングとし、これを支軸の内端部に嵌装するものとしたが、これは支軸を削り出すとき、或いは塑性加工するとき、支軸と一体に削り出し、或いは形成してもよいことは勿論である。
従来の可変レバータンブラー錠の支持機構の一例を示す拡大横断面図。 スイッチ部材による支軸の駆動機構を示す拡大外観斜視図で、常態を示す。 図2と同様のスイッチ部材による支軸の駆動機構を示す拡大外観斜視図で、変換ピンによりスイッチ部材を駆動した状態を示す。 従来の可変レバータンブラー錠の一部断面側面図。 この発明の一実施例による可変レバータンブラー錠の平面図。 変換用ドライバーの側面図。 この発明の要部を示す図1と同様の可変レバータンブラー錠の拡大横断面図で、それまでの合鍵を一度挿入して抜いた状態を示す。
符号の説明
1 レバータンブラー
1A タンブラーA
1B タンブラーB
2 支軸
3 偏芯軸
4 逃げ孔
5 合鍵
6 鍵溝
7 係合部
8 解錠切欠
9 係合突起
11 係合凹部
12 ロッキングバー
13 変換ピン
14 スイッチ部材
15 スペーサリング
16 スペーサリング
19 外筒
20 取付板
21 雌ねじ孔
22 変換用ドライバー
23 小径部
24 雄ねじ部
25 段部
26 支軸ばね

Claims (3)

  1. レバータンブラー錠の各レバータンブラーを、略C字形で相互に重合するタンブラーAとタンブラーBとを組合わせたものとする一方、中心軸線が外方に向かうように付勢された支軸を、その両端に突設した偏芯軸の軸線回りを回動できるように支承し、一端に開口した逃げ孔を支軸に遊嵌可能に係合させたタンブラーAには合鍵の鍵溝との係合部を形成すると共に、これを合鍵と干渉する方向に付勢し、また、一端を支軸に回動自在に嵌合させたタンブラーBの自由端部外側端縁に解錠切欠を形成すると共に、タンブラーAの合鍵側端縁との係合部と重合する部分を合鍵と干渉しないように成形し、一方、タンブラーAの自由端部内側縁部のタンブラーBと対向する側に係合突起を、また、タンブラーBの内側縁部には支軸を中心とする円弧上にタンブラーAの係合突起と係合可能な係合凹部の複数を夫々形成すると共に、係合凹部の形成角度位置を、合鍵の側端縁に形成された複数種類の深さの鍵溝にタンブラーAの係合部が夫々係合したとき、その係合突起と整合するように設定したものにおいて、支軸の内端部に大径鍔部を形成し、軸線方向においてこの大径鍔部と整合する外筒外周面に、これを貫通する雌ねじ孔を形成し、鍵違い変換時、先端から順に小径部、雄ねじ部及び段部を連設した変換用ドライバーを上記雌ねじ孔に捩じ込み、その小径部により支軸の大径鍔部を内方に押動して、タンブラーAの係合突起とタンブラーBの係合凹部とを切り離すようにしたことを特徴とする可変レバータンブラー錠。
  2. 上記支軸の大径鍔部が、支軸内端部に嵌合する蛇の目状のスペーサリングである請求項1に記載の可変レバータンブラー錠。
  3. 上記支軸の大径鍔部が、支軸に一体に形成されたものである請求項1に記載の可変レバータンブラー錠。
JP2003396000A 2003-11-26 2003-11-26 可変レバータンブラー錠 Expired - Fee Related JP4516305B2 (ja)

Priority Applications (1)

Application Number Priority Date Filing Date Title
JP2003396000A JP4516305B2 (ja) 2003-11-26 2003-11-26 可変レバータンブラー錠

Applications Claiming Priority (1)

Application Number Priority Date Filing Date Title
JP2003396000A JP4516305B2 (ja) 2003-11-26 2003-11-26 可変レバータンブラー錠

Publications (2)

Publication Number Publication Date
JP2005155195A true JP2005155195A (ja) 2005-06-16
JP4516305B2 JP4516305B2 (ja) 2010-08-04

Family

ID=34721617

Family Applications (1)

Application Number Title Priority Date Filing Date
JP2003396000A Expired - Fee Related JP4516305B2 (ja) 2003-11-26 2003-11-26 可変レバータンブラー錠

Country Status (1)

Country Link
JP (1) JP4516305B2 (ja)

Cited By (3)

* Cited by examiner, † Cited by third party
Publication number Priority date Publication date Assignee Title
JP2005256351A (ja) * 2004-03-10 2005-09-22 Miwa Lock Co Ltd 可変レバータンブラー錠
JP2006118173A (ja) * 2004-10-20 2006-05-11 Miwa Lock Co Ltd 可変レバータンブラー錠
JP2006124995A (ja) * 2004-10-27 2006-05-18 Miwa Lock Co Ltd 可変レバータンブラー錠

Cited By (3)

* Cited by examiner, † Cited by third party
Publication number Priority date Publication date Assignee Title
JP2005256351A (ja) * 2004-03-10 2005-09-22 Miwa Lock Co Ltd 可変レバータンブラー錠
JP2006118173A (ja) * 2004-10-20 2006-05-11 Miwa Lock Co Ltd 可変レバータンブラー錠
JP2006124995A (ja) * 2004-10-27 2006-05-18 Miwa Lock Co Ltd 可変レバータンブラー錠

Also Published As

Publication number Publication date
JP4516305B2 (ja) 2010-08-04

Similar Documents

Publication Publication Date Title
US6615630B2 (en) Door lock
CN102102465B (zh) 可寻回密码的密码锁
KR19980081780A (ko) 잠금장치
AU2010338137A1 (en) Disc tumbler cylinder lock and key combination
JP4516305B2 (ja) 可変レバータンブラー錠
US20080098775A1 (en) Door lock assembly that causes a handle to idle when placed in a locking position
JP2009102955A (ja) シリンダ錠及びこれを備えた解錠装置
JP4383420B2 (ja) 符号錠装置
JP4465208B2 (ja) 可変レバータンブラー錠
JP2005248519A (ja) 可変レバータンブラー錠
JP4632237B2 (ja) 可変レバータンブラー錠
JP2005264528A (ja) 可変レバータンブラー錠
JP4127702B2 (ja) 南京錠
JP4535315B2 (ja) 可変レバータンブラー錠
JP4316267B2 (ja) 可変レバータンブラー錠のタンブラー支持機構
JP4512922B2 (ja) シリンダ錠
JP4632238B2 (ja) 可変レバータンブラー錠
JP6534323B2 (ja) シリンダー付き非常解錠装置
JP4550637B2 (ja) サムターン装置
JP5064170B2 (ja) シリンダ錠及びこれを備えた解錠装置
JP2005307609A (ja) ピンタンブラー錠
JP2008291481A (ja) 複合ディスクタンブラー錠
JP2006266055A (ja) 錠装置
JPS589960Y2 (ja) 自転車用シリンダ−錠
JP4487129B2 (ja) シリンダ錠

Legal Events

Date Code Title Description
A621 Written request for application examination

Free format text: JAPANESE INTERMEDIATE CODE: A621

Effective date: 20061122

A977 Report on retrieval

Free format text: JAPANESE INTERMEDIATE CODE: A971007

Effective date: 20090401

A131 Notification of reasons for refusal

Free format text: JAPANESE INTERMEDIATE CODE: A131

Effective date: 20090626

A521 Written amendment

Free format text: JAPANESE INTERMEDIATE CODE: A523

Effective date: 20090825

A01 Written decision to grant a patent or to grant a registration (utility model)

Free format text: JAPANESE INTERMEDIATE CODE: A01

Effective date: 20100215

A01 Written decision to grant a patent or to grant a registration (utility model)

Free format text: JAPANESE INTERMEDIATE CODE: A01

R155 Notification before disposition of declining of application

Free format text: JAPANESE INTERMEDIATE CODE: R155

A61 First payment of annual fees (during grant procedure)

Free format text: JAPANESE INTERMEDIATE CODE: A61

Effective date: 20100514

R150 Certificate of patent or registration of utility model

Free format text: JAPANESE INTERMEDIATE CODE: R150

FPAY Renewal fee payment (event date is renewal date of database)

Free format text: PAYMENT UNTIL: 20130521

Year of fee payment: 3

LAPS Cancellation because of no payment of annual fees