EP3702533B1 - Verfahren zur befestigung eines brückenüberbaus und dabei zu verwendendes randabschlusselement - Google Patents

Verfahren zur befestigung eines brückenüberbaus und dabei zu verwendendes randabschlusselement Download PDF

Info

Publication number
EP3702533B1
EP3702533B1 EP20159515.4A EP20159515A EP3702533B1 EP 3702533 B1 EP3702533 B1 EP 3702533B1 EP 20159515 A EP20159515 A EP 20159515A EP 3702533 B1 EP3702533 B1 EP 3702533B1
Authority
EP
European Patent Office
Prior art keywords
bridge
edge termination
superstructure
bridge superstructure
edge
Prior art date
Legal status (The legal status is an assumption and is not a legal conclusion. Google has not performed a legal analysis and makes no representation as to the accuracy of the status listed.)
Active
Application number
EP20159515.4A
Other languages
English (en)
French (fr)
Other versions
EP3702533A1 (de
EP3702533C0 (de
Inventor
Theo Reddemann
Current Assignee (The listed assignees may be inaccurate. Google has not performed a legal analysis and makes no representation or warranty as to the accuracy of the list.)
Bauunternehmung Gebr Echterhoff & Co Kg GmbH
Original Assignee
Bauunternehmung Gebr Echterhoff & Co Kg GmbH
Priority date (The priority date is an assumption and is not a legal conclusion. Google has not performed a legal analysis and makes no representation as to the accuracy of the date listed.)
Filing date
Publication date
Family has litigation
First worldwide family litigation filed litigation Critical https://patents.darts-ip.com/?family=69810583&utm_source=google_patent&utm_medium=platform_link&utm_campaign=public_patent_search&patent=EP3702533(B1) "Global patent litigation dataset” by Darts-ip is licensed under a Creative Commons Attribution 4.0 International License.
Priority claimed from DE202019102588.3U external-priority patent/DE202019102588U1/de
Application filed by Bauunternehmung Gebr Echterhoff & Co Kg GmbH filed Critical Bauunternehmung Gebr Echterhoff & Co Kg GmbH
Publication of EP3702533A1 publication Critical patent/EP3702533A1/de
Application granted granted Critical
Publication of EP3702533B1 publication Critical patent/EP3702533B1/de
Publication of EP3702533C0 publication Critical patent/EP3702533C0/de
Active legal-status Critical Current
Anticipated expiration legal-status Critical

Links

Images

Classifications

    • EFIXED CONSTRUCTIONS
    • E01CONSTRUCTION OF ROADS, RAILWAYS, OR BRIDGES
    • E01DCONSTRUCTION OF BRIDGES, ELEVATED ROADWAYS OR VIADUCTS; ASSEMBLY OF BRIDGES
    • E01D19/00Structural or constructional details of bridges
    • E01D19/10Railings; Protectors against smoke or gases, e.g. of locomotives; Maintenance travellers; Fastening of pipes or cables to bridges
    • E01D19/103Parapets, railings ; Guard barriers or road-bridges
    • EFIXED CONSTRUCTIONS
    • E01CONSTRUCTION OF ROADS, RAILWAYS, OR BRIDGES
    • E01DCONSTRUCTION OF BRIDGES, ELEVATED ROADWAYS OR VIADUCTS; ASSEMBLY OF BRIDGES
    • E01D21/00Methods or apparatus specially adapted for erecting or assembling bridges

Definitions

  • the invention relates to a bridge edge closure element for the lateral fastening of a bridge superstructure according to the preamble of claim 1 and to a method for fastening a bridge superstructure using edge caps, in which the aforementioned bridge edge closure elements can be used.
  • edge caps are usually cast from in-situ concrete, as is the case, for example DE 101 09 001 A1 is assumed, so that it is necessary to create formwork and then remove the formwork.
  • a complete closure of the affected traffic routes is usually necessary for shuttering and demoulding. Necessary full closures cause the greatest traffic disruptions, particularly on bridges that cross busy streets. In addition to the general goal of generally shortening construction times, there is a particular focus on avoiding full closures.
  • bridge caps are already available as prefabricated parts, which are placed on the bridge superstructure and screwed to it. Since these prefabricated caps are on the road side must be able to absorb the entire impact loads, they are solid and heavy, even if they have hollow chambers in some areas of their interior. In addition, the fastening provided there is suboptimal.
  • the WO 03/102308 A1 describes prefabricated parts for, among other things, bridge structures, whereby a sealing joint is provided between the prefabricated part and the underside of the bridge superstructure.
  • the attachment is very flexible but also complex to adjust.
  • the DE 2 314 191 OS shows a formwork for a cornice cap of a bridge, which is attached to the edge of the bridge as a precast concrete part with an L-shaped cross-section and is held in place by means of anchors and other fastening elements fixed in the in-situ concrete on the top of the bridge, which form a force couple.
  • the prefabricated concrete formwork part is then supplemented with in-situ concrete to form a statically holistic cornice cap, for which the prefabricated concrete formwork part already has protruding reinforcements.
  • the concrete formwork parts used have a high weight, which means that both their handling and their fastening are complex.
  • the invention is therefore based on the object of providing a method for fastening a bridge superstructure using edge caps or those used in this process Specify bridge edge end elements that are characterized by high stability and flexibility with good load bearing and short construction or assembly time. This object is achieved by a closing element with the features of claim 1 and a method according to claim 8.
  • the bridge edge closure element according to the invention is characterized in that it is designed as a prefabricated formwork element and has fastening connections which rest on the top side on a substantially horizontal surface of the bridge superstructure and that it is located between a contact flank formed by an inner wall, a floor area and an outer wall opposite the contact flank forms a cavity which has a channel shape which is at least partially, preferably predominantly open at the top and which is designed to accommodate in-situ concrete, possibly with an in-situ concrete supplement. It forms the edge of a bridge superstructure in the form of a cap.
  • the bridge edge closure element according to the invention can be placed in a self-supporting manner from above and cast with in-situ concrete on site without major adjustment effort.
  • the bridge edge closure elements according to the invention it is also possible with the bridge edge closure elements according to the invention to concrete the bridge superstructure with the road substructure and edge cap in one operation - monolithically.
  • In-situ concrete in the sense of the invention should be any suitable casting or filling compound that changes from a viscous to a solid state, which can be processed according to requirements and is suitable for absorbing the resulting loads.
  • the design according to the invention makes it possible to easily produce the bridge edge closure element from different materials such as steel, textile concrete or glass fiber reinforced plastic and with options for variants, since the further connection to the bridge superstructure and the requirements for load bearings are determined by the design of the in-situ concrete filling and, if necessary, the in-situ concrete addition can be achieved.
  • the assembly time remains short, while at the same time adjustments to the requirements of the respective bridge structure can be made easily. Since bridges are always individual structures with a low degree of standardization, this proves to be a significant advantage.
  • the bridge edge closure element according to the invention is designed in such a way that it forms the edge closure of a bridge superstructure in the form of a cap, the outer wall is preferably higher than the inner wall, which forms the contact flank.
  • the bridge superstructure can be partially overmolded with in-situ concrete in the edge area, resulting in a cap shape that is essentially L-shaped in cross section.
  • Conventional formwork will often have to be provided on the top of the bridge superstructure However, their removal no longer causes any further disruption to the traffic passing underneath, as they are removed from the top of the bridge
  • the channel-shaped cavity is preferably designed in such a way that it can be filled simply and as completely as possible with in-situ concrete.
  • clawing projections within the channel-shaped cavity, which, after being formed with the in-situ concrete, form a type of reinforcement.
  • the claw projections can, for example, be head bolts that project inwards from the walls or, for example, reinforcements, such as reinforcement brackets, which extend from the lateral areas of the bridge superstructure into the trough-shaped cavity of the bridge edge closure element.
  • the bridge edge closure element according to the invention advantageously has one or more stiffening elements, preferably in the cavity, with an extension component transverse to its longitudinal direction of the channel.
  • This stiffening element can be an additional wall or intermediate wall, which preferably has at least the contact flank and the outer wall, but particularly preferably also the Connects the floor area. This makes it possible to produce the bridge edge end element with high torsional rigidity in larger lengths without having to provide high material thicknesses for its walls and flanks.
  • the bridge edge closing element can, for example, be made of steel, in particular stainless steel, with a small wall thickness.
  • the top fastening connections can be attached to the stiffening elements, for example in the form of plates or collars, which can have screw or dowel holes. If a plate shape is chosen, this should then preferably be aligned again in its main extension perpendicular to a plate-shaped stiffening element and supported from above by a projection of the stiffening element to absorb force.
  • fastening connections can be provided in the area of the contact flank, for example also in the form of holes through which the end element can be screwed or doweled to the side of the bridge superstructure or its most commonly used precast prestressed concrete parts.
  • connection elements can also be provided as a connection plate, preferably in the upper channel area and again preferably orthogonally thereto.
  • railing posts can be screwed to this or attached in advance, even without any in-situ concrete having to be added beforehand.
  • the outer wall of the bridge edge closure element can be designed higher than the top of the edge cap to be finished with in-situ concrete casting. This creates an edge protection that ensures that no dirt or waste is blown down onto the bridged roadway when the bridge is in use, since, for example, stones, beverage cans, etc. are stopped by the protruding outer wall edge. If there is a connection element for fall protection, the outer wall of the bridge edge closure element should therefore preferably protrude beyond the connection element, i.e. be higher than its top side.
  • the end elements can have one or more projections which, when installed, extend into the bridge superstructure. There they can in turn be cast with in-situ concrete if the prefabricated parts of the superstructure, which usually have a trough-like shape, receive an in-situ concrete casting or an in-situ concrete supplement as a roadway base.
  • the projections are preferably designed like a sword. In terms of manufacturing technology, it is advantageous to provide this as an extension of the stiffening element, preferably even in one piece with it, if stiffening elements are present.
  • the sword thus has a significantly greater height than width, it can in turn be advantageous to provide further clawing projections on the projection, for example an upright sword with head bolts projecting to the side.
  • Such a narrow, high projection has the advantage that in the bridge superstructure no recesses need to be provided beforehand. If the bridge superstructure has material there, slots can easily be milled in on site when attaching the bridge edge elements.
  • bridge edge end elements in such a way that they have a plug-in attachment at least at one of their end regions in the longitudinal direction of the channel for connection to an adjacent bridge end element. In this way, a uniform finish can be created over the entire length of the bridge, and the in-situ concrete casting can be carried out in one go.
  • FIG. 1 shows a schematic section of a bridge superstructure with three prefabricated prestressed concrete parts B, which are supported on bridge abutments, not shown.
  • the bridge superstructure has an edge 1 on both sides in the form of a cap or roadway cap. This is formed by means of bridge edge closure elements 2, which are in the Figures 2 to 4 are shown in detail.
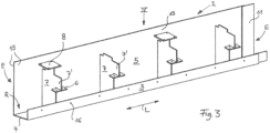
  • Each bridge edge closure element 2 has a contact flank 3, a bottom area 4 and an outer wall 5, which form a cavity in the shape of a channel that is open at the top, see Figure 3 .
  • Fastening connections 6 of the bridge edge closure element 2 are arranged so that they rest on the top of the bridge superstructure, here the side prefabricated concrete parts B, in order to be connected to them there.
  • the bridge edge closure element 2 has stiffening elements 7, which in the illustrated embodiment connect the contact flank 3, the bottom area 4 and the outer wall 5.
  • These stiffening elements 7 are plate-like with opposing large surfaces that are perpendicular to the longitudinal direction L of the channel. The stiffening elements 7 can be welded into the channel when using weldable materials.
  • the fastening connections 6 can preferably be arranged in the form of plates or collars under projecting noses 7 'of the stiffening elements 7, for which purpose these noses 7' extend upwards out of the channel R via an imaginary extension of the contact flank 3.
  • Stiffening elements thus essentially absorb the weight of the bridge edge closure element 2 via the fastening connections 6.
  • the contact flank 3 has further fastening connections 16 with which the bridge edge closure element 2 is fastened to the side of the bridge superstructure, here the side prefabricated concrete parts B.
  • connection elements 8 for fall protection 9 here in the form of railing posts.
  • a connection element 8 for fall protection 9 can preferably be attached to a stiffening element 7, here in the form of a top-side connection plate.
  • the railing posts 9 can later be attached to these.
  • the distance between the connecting elements 8 is provided such that only every second stiffening element 7 has such a connecting element 8.
  • the stiffening elements 7 have no connecting elements 8 (in Figure 3 the second and fourth from the left) have a lower height than the stiffening elements 7 with connecting elements 8, so that no part of the stiffening elements 7 will later be visible upwards where no fall protection is attached.
  • Fig. 1 and particularly Fig. 2 show that in the illustrated embodiment the outer wall 5 of the bridge edge closure element 2 is significantly higher than the contact flank 3, in particular even higher than a top side O' of the edge cap finished with in-situ concrete casting O.
  • the resulting overhang 15 or the protruding outer wall edge 15 forms an edge protection and prevents, for example, stones or cans from being kicked down by pedestrians.
  • the outer wall edge 15 preferably also projects beyond the connecting elements 8, since functionally these are usually located on the top side O 'of the in-situ concrete edge cap O.
  • the bridge edge termination elements 2 are preferably designed with a plug-in projection 11 which is located on at least one end region E (in Figure 3 right) of the bridge edge closure element 2 is arranged.
  • Figure 2 accordingly shows several bridge edge end elements 2 connected to one another by inserting them into one another to form a longer channel.
  • the lateral fastening of the bridge superstructure is carried out by creating an edge closure 1 with bridge edge closure elements 2 according to the invention in a method described below.
  • the necessary quantity of bridge edge end elements 2 to obtain the required length is determined via their fastening connections 6 and if necessary 16 on the bridge superstructure.
  • connecting bolts can protrude from pre-stressed concrete parts B of the bridge superstructure, penetrate the openings at the fastening connections 6, 16 and then secured become.
  • sealing elements must be provided in the transition to the bridge superstructure.
  • Connecting reinforcements 12 in. can optionally be used Fig.
  • the bridge superstructure can be filled with an in-situ concrete supplement 13. If the edge of the bridge is to extend in parts over the bridge superstructure, additional formwork is usually installed on the top side of the bridge Fig. 1 position marked with S.
  • the trough-shaped cavity of the bridge edge end elements 2 must then be poured or filled with in-situ concrete or another suitable material to the desired height and, if necessary, for additional formwork. Once hardened, the additional formwork can be removed, which in no way affects any traffic that may pass under the bridge.
  • Fall protection devices 9 can then also be installed, if available, on the connection elements 8 provided for this purpose.
  • the bridge edge end elements 2 can also be attached to the bridge superstructure with fall protection devices 9 already pre-assembled.
  • Fig. 5 shows an alternative embodiment to the bridge edge closure element 2 from the Fig. 1 to 4 .
  • the reference numbers are identical to the version from the Fig. 1 to 4 chosen, provided that their function corresponds to them.
  • the connection to the bridge superstructure is not reinforced by reinforcing stirrups (although these are of course can be present in addition), but in that the bridge edge end elements 2 have extended projections 17 which, when installed, extend into the bridge superstructure.
  • These can preferably be designed as an extension of the stiffening elements 7 (if present), in particular as an even clearer extension of the noses 7 'from the Fig. 2 and 3 .
  • the embodiment has the Fig.

Landscapes

  • Engineering & Computer Science (AREA)
  • Architecture (AREA)
  • Civil Engineering (AREA)
  • Structural Engineering (AREA)
  • Bridges Or Land Bridges (AREA)

Description

  • Die Erfindung betrifft ein Brückenrandabschlusselement zur seitlichen Befestigung eines Brückenüberbaus nach dem Oberbegriff des Anspruchs 1 sowie ein Verfahren zur Befestigung eines Brückenüberbaus durch Randkappen, bei dem vorgenannte Brückenrandabschlusselemente zum Einsatz kommen können.
  • Bei Brückenneubauten und Brückenersatz ist im Anschluss an Gründung, Errichtung der Brückenwiderlager und Erstellung des Brückenüberbaus noch dessen randseitige Befestigung bzw. Sicherung in der Regel durch sogenannte Randkappen erforderlich. Die Randkappen werden meist aus Ortbeton gegossen, wie es beispielsweise bei der DE 101 09 001 A1 vorausgesetzt wird, so dass es der Erstellung einer Schalung und anschließender Entfernung der Schalung bedarf. Für das Einschalen und Entschalen ist meist eine Vollsperrung der betroffenen Verkehrswege notwendig. Besonders bei Brücken, die viel befahrene Straße überqueren, verursachen notwendige Vollsperrungen die größten Verkehrsbehinderungen. Neben einem allgemeinen Ziel, Bauzeiten generell zu verkürzen, liegt daher ein besonderer Fokus auf der Vermeidung von Vollsperrungen.
  • Um den Bau- und Montageaufwand zu verringern, schlägt die DE 20 2008 001 661 U1 daher bereits Brückenkappen als Fertigteile vor, die auf den Brückenüberbau aufgelegt und mit diesem verschraubt werden. Da diese Fertigkappen fahrbahnseitig die gesamten Anpralllasten aufnehmen können müssen, sind sie massiv und schwer ausgebildet, auch wenn sie in ihrem Inneren bereichsweise Hohlkammern aufweisen. Zudem ist die dort vorgesehene Befestigung suboptimal.
  • Die WO 03/102308 A1 beschreibt Fertigteile für u.a. Brückenbauwerke, wobei zwischen Fertigteil und der Unterseite des Brückenüberbaus eine Dichtfuge vorgesehen ist. Die Befestigung ist sehr flexibel aber auch aufwändig in der Justierung.
  • Ferner sind für andere Anwendungszwecke L-förmige Fertigschalelemente aus der US 2018/0030745 A1 sowie komplett fertige Brückenränder für Bereiche mit geringer Notwendigkeit zur Lastaufnahme aus der KR 2009-0081996 A bekannt.
  • Die DE 2 314 191 OS zeigt eine Schalung für eine Gesimskappe einer Brücke, die als Betonfertigteil mit L-förmigem Querschnitt am Brückenrand angesetzt und mittels im Ortbeton der Brückenoberseite festgelegten Ankern und weiteren Befestigungselementen gehalten wird, die dazu ein Kräftepaar bilden. Das Betonfertigschalungsteil wird dann mit Ortbeton zu einer statisch gesamtheitlich auszulegenden Gesimskappe ergänzt, wozu das Betonschalungsfertigteil bereits vorstehende Bewehrungen aufweist. Die dabei verwendeten Schalungsteile aus Beton haben ein hohes Eigengewicht, sodass sowohl deren Handhabung als auch deren Befestigung aufwendig ist.
  • Der Erfindung liegt daher die Aufgabe zugrunde, ein Verfahren zur Befestigung eines Brückenüberbaus durch Randkappen bzw. dabei zur Anwendung kommende Brückenrandabschlusselemente anzugeben, die sich durch hohe Stabilität und Flexibilität bei guter Lastaufnahme und geringer Bau- bzw. Montagezeit auszeichnen. Diese Aufgabe wird durch ein Abschlusselement mit den Merkmalen des Anspruchs 1 sowie ein Verfahren nach Anspruch 8 gelöst.
  • Das erfindungsgemäße Brückenrandabschlusselement zeichnet sich dadurch aus, dass es als Fertigschalungselement ausgebildet ist und Befestigungsanschlüsse aufweist, die obenseitig auf einer im Wesentlichen horizontalen Fläche des Brückenüberbaus zur Auflage kommen und dass es zwischen einer durch eine Innenwandung gebildeten Anlageflanke, einem Bodenbereich und einer der Anlageflanke gegenüberliegenden Außenwandung einen Hohlraum ausbildet, der eine nach oben zumindest bereichsweise, vorzugsweise überwiegend offene Rinnenform aufweist, die zur Aufnahme von Ortbeton, ggf. mit einer Ortbetonergänzung, ausgebildet ist. Es bildet so den Randabschluss eines Brückenüberbaus in Form einer Kappe aus. Dadurch kann zur seitlichen Befestigung des Brückenüberbaus das erfindungsgemäße Brückenrandabschlusselement sein Gewicht selbsttragend von oben aufgesetzt und ohne größeren Justierungsaufwand vor Ort mit Ortbeton vergossen werden. Auch ist es mit den erfindungsgemäßen Brückenrandabschlusselementen im Gegensatz zum Stand der Technik möglich, den Brückenüberbau mit Fahrbahnunterbau und Randkappe in einem Arbeitsgang - monolithisch - zu betonieren.
  • Ortbeton im Sinne der Erfindung soll dabei jede geeignete, von einem viskosen in einem festen Zustand übergehende Verguss- oder Füllmasse sein, die sich anforderungsgerecht verarbeiten lässt und eine Eignung aufweist, die anfallenden Lasten aufzunehmen.
  • Die erfindungsgemäße Ausgestaltung ermöglicht es, das Brückenrandabschlusselement leicht, aus verschiedenen Werkstoffen wie beispielsweise Stahl, Textilbeton oder glasfaserverstärktem Kunststoff und mit Möglichkeiten für Varianten herzustellen, da die weitere Verbindung zum Brückenüberbau und die Anforderungen für Lastaufnahmen über die Ausgestaltung der Ortbetonverfüllung und ggf. der Ortbetonergänzung zu erzielen sind. Die Montagezeit bleibt kurz, wobei gleichzeitig auf einfache Weise Anpassungen an die Erfordernisse des jeweiligen Brückenbauwerks vorzunehmen sind. Da es sich bei Brücken stets um Individualbauwerke mit geringem Standardisierungsgrad handelt, erweist sich dies als erheblicher Vorteil.
  • Da das erfindungsgemäße Brückenrandabschlusselement so ausgebildet ist, dass es den Randabschluss eines Brückenüberbaus in Form einer Kappe ausbildet, istvorzugsweise die Aussenwandung höher als die Innenwandung, die die Anlageflanke bildet. So kann der Brückenüberbau mit Ortbeton im Randbereich teilweise überformt werden, so dass sich eine im Querschnitt im Wesentlichen L-förmige Kappenform ergibt. Oftmals wird dazu auf dem Brückenüberbau an der Oberseite noch eine herkömmliche Schalung vorzusehen sein, deren Entfernung aber keine weitere Beeinträchtigung des darunter herlaufenden Verkehrs mehr verursacht, da sie von der Oberseite der Brücke aus abgenommen werden
  • kann. Durch die Ausbildung des Brückenrandabschlusselements als Fertigschalungselement entfällt die Notwendigkeit einer außenseitigen und untenseitigen Schalung und Entschalung. Der rinnenförmige Hohlraum ist dabei bevorzugt so auszubilden, dass seine einfache und möglichst vollständige Füllung mit Ortbeton möglich ist.
  • Um die Verbindung mit dem Ortbeton und auch zum Brückenüberbau zu optimieren, ist es vorteilhaft, wenn sich innerhalb des rinnenförmigen Hohlraums Verkrallungsvorsprünge befinden, die nach Umformung mit dem Ortbeton eine Art Bewehrung bilden. Die Verkrallungsvorsprünge können beispielsweise von den Wandungen nach innen vorspringende Kopfbolzen sein oder z.B. Bewehrungen, wie Bewehrungsbügel, die sich aus den seitlichen Bereichen des Brückenüberbaus in den rinnenförmigen Hohlraum des Brückenrandabschlusselements hineinerstrecken.
  • Das erfindungsgemäße Brückenrandabschlusselement weist mit Vorteil mit einer Erstreckungskomponente quer zu seiner Rinnenlängsrichtung eines oder mehrere Versteifungselemente, bevorzugt im Hohlraum, auf. Dieses Versteifungselement kann eine zusätzliche Wandung oder Zwischenwandung sein, die vorzugsweise zumindest die Anlageflanke und die Außenwandung, besonders bevorzugt aber auch den Bodenbereich miteinander verbindet. Dadurch wird es ermöglicht, das Brückenrandabschlusselement mit einer hohen Torsionssteifigkeit dennoch in größeren Längen herzustellen, ohne dass hohe Materialstärken für dessen Wandungen und Flanken vorgesehen werden müssen. Das Brückenrandabschlusselement kann so beispielsweise aus Stahl, insbesondere Edelstahl mit geringer Wandstärke gefertigt werden. Wenn das Brückenrandabschlusselement Versteifungselemente hat, können die obenseitigen Befestigungsanschlüsse an den Versteifungselementen beispielsweise in Form von Platten oder Krägen angebracht sein, die Schraub- oder Dübellöcher aufweisen können. Bei Wahl einer Plattenform ist diese dann bevorzugt wieder in ihrer Haupterstreckung senkrecht zu einem plattenförmigen Versteifungselement auszurichten und zur Kraftaufnahme von oben durch einen Vorsprung des Versteifungselements zu stützen. Ergänzend können Befestigungsanschlüsse im Bereich der Anlageflanke vorgesehen sein, beispielsweise ebenfalls in Form von Löchern, durch die das Abschlusselement seitlich am Brückenüberbau bzw. dessen meist verwendeten Spannbetonfertigteilen verschraubt oder verdübelt werden kann.
  • Da Brückenbauwerke in der Regel mit einer Absturzsicherung, beispielsweise einem Geländer, zu versehen sind, ist es vorteilhaft, wenn bereits die Brückenabschlusselemente Anschlusselemente für eine solche Absturzsicherung aufweisen. Auch diese Anschlusselemente können, falls Versteifungselemente vorhanden sind, an diesen, bevorzugt im oberen Rinnenbereich und wiederum vorzugsweise orthogonal dazu als Anschlussplatte vorgesehen sein. An dieser können beispielsweise Geländerpfosten verschraubt werden oder bereits im Vorfeld befestigt sein, auch ohne dass zuvor eine Ortbetonergänzung erfolgt sein müsste.
  • Es kann vorteilhaft sein, die Außenwandung des Brückenrandabschlusselements höher als die Oberseite der mit Ortbetonverguss fertigzustellenden Randkappe auszubilden. Dadurch entsteht eine Randsicherung, die gewährleistet, dass im Brückengebrauch kein Schmutz oder Abfall auf die überbrückte Fahrbahn heruntergeweht wird, da beispielsweise Steinchen, Getränkedosen etc. von der überstehenden Außenwandungskante aufgehalten werden. Bei vorhandenem Anschlusselement für eine Absturzsicherung sollte die Außenwandung des Brückenrandabschlusselements daher bevorzugt über das Anschlusselement hinausragen, d.h. höher als dessen Oberseite sein.
  • Für eine noch weiter verbesserte Verbindung der Brückenrandabschlusselemente mit dem Brückenüberbau können die Abschlusselemente einen oder auch oder mehrere Vorsprünge aufweisen, die sich im Anbauzustand in den Brückenüberbau hineinstrecken. Dort können sie wiederum mit Ortbeton vergossen werden, wenn die Fertigteile des Überbaus, die meist eine wannenartige Form aufweisen, einen Ortbetonverguss bzw. eine Ortbetonergänzung als Fahrbahnunterlage erhalten. Die Vorsprünge sind vorzugsweise schwertartig ausgestaltet. Fertigungstechnisch ist es vorteilhaft, diese in Verlängerung des Versteifungselements, vorzugsweise sogar mit diesem einstückig vorzusehen, wenn Versteifungselemente vorhanden sind. Wenn das Schwert dadurch eine erheblich größere Höhe als Breite erhält, kann es wiederum vorteilhaft sein, an dem Vorsprung weitere Verkrallungsvorsprünge vorzusehen, beispielsweise ein aufrecht stehendes Schwert mit seitlich abstehenden Kopfbolzen. Ein derart schmaler, hoher Vorsprung hat den Vorteil, dass in dem Brückenüberbau vorher keine Aussparungen vorgesehen werden müssen. Falls der Brückenüberbau dort Material aufweist, können wenn nötig bei Ansatz der Brückenrandabschlusselemente z.B. Schlitze leicht vor Ort eingefräst werden.
  • Es ist von Vorteil, die Brückenrandabschlusselemente so auszugestalten, dass sie in Rinnenlängsrichtung zumindest an einem ihrer Endbereiche einen Steckansatz zur Verbindung mit einem benachbarten Brückenabschlusselement aufweisen. So lässt sich ein einheitlicher Abschluss über die gesamte Brückenlänge erzeugen, und der Ortbetonverguss kann in einem Zug durchgeführt werden.
  • Vorteile und Einzelheiten der Erfindung ergeben sich aus den Ansprüchen und in den Zeichnungen dargestellten Ausführungsformen, die im Folgenden beschrieben werden, es zeigen:
    • Fig. 1 einen Brückenüberbau mit beidseitiger Befestigung im Schnitt
    • Fig. 2 eine Vergrößerung des Details II aus Fig. 1,
    • Fig. 3 eine perspektivische Darstellung des Brückenrandabschlusselements aus den Fig. 1 und 2,
    • Fig. 4 eine Draufsicht aus Richtung IV auf den Gegenstand aus Fig. 3 und
    • Fig. 5 eine Detailansicht ähnlich Fig. 1 einer alternativen Ausführungsform.
  • Die Darstellung in Fig. 1 zeigt im Schnitt schematisch einen Brückenüberbau mit drei Spannbeton-Fertigteilen B, die sich auf nicht dargestellten Brückenwiderlagern abstützen. Der Brückenüberbau weist an beiden Seiten einen Randabschluss 1 in Form einer Kappe bzw. Fahrbahnkappe auf. Dieser wird mittels Brückenrandabschlusselementen 2 gebildet, die in den Figuren 2 bis 4 im Detail dargestellt sind. Jedes Brückenrandabschlusselement 2 hat eine Anlageflanke 3, einen Bodenbereich 4 und eine Außenwandung 5, die einen Hohlraum in nach oben offener Rinnenform ausbilden, siehe Figur 3.
  • Befestigungsanschlüsse 6 des Brückenrandabschlusselements 2 sind so angeordnet, dass sie obenseitig auf dem Brückenüberbau, hier den seitlichen Spannbetonfertigteilen B, zur Auflage kommen, um dort mit diesen verbunden zu werden. Insbesondere die Figuren 2 und 3 zeigen, dass das Brückenrandabschlusselement 2 Versteifungselemente 7 aufweist, die bei der dargestellten Ausführungsform die Anlageflanke 3, den Bodenbereich 4 und die Außenwandung 5 verbinden. Diese Versteifungselemente 7 sind plattenartig ausgebildet mit gegenüberliegenden großen Flächen, die senkrecht zur Rinnenlängsrichtung L stehen. Die Versteifungselemente 7 können bei Verwendung schweißbarer Materialien in die Rinne eingeschweißt sein. Die Befestigungsanschlüsse 6 können dabei bevorzugt in Form von Platten oder Krägen unter vorspringenden Nasen 7' der Versteifungselemente 7 angeordnet sein, wozu diese Nasen 7' sich über eine imaginäre Verlängerung der Anlageflanke 3 nach oben hinaus aus der Rinne R erstrecken. Die Vorsprünge bzw. Nasen 7' der
  • Versteifungselemente nehmen damit über die Befestigungsanschlüsse 6 im Wesentlichen das Gewicht des Brückenrandabschlusselements 2 auf.
  • Bei der dargestellten Ausführungsform weist die Anlageflanke 3 weitere Befestigungsanschlüsse 16 auf, mit denen das Brückenrandabschlusselement 2 seitlich am Brückenüberbau, hier den seitlichen Spannbetonfertigteilen B befestigt ist.
  • Außerdem hat das dargestellte Brückenrandabschlusselement 2 Anschlusselemente 8 für eine Absturzsicherung 9, hier in Form von Geländerpfosten. Wenn das Brückenrandabschlusselement 2 wie dargestellt Versteifungselemente 7 aufweist, kann ein solches Anschlusselement 8 für eine Absturzsicherung 9 bevorzugt an einem Versteifungselement 7 befestigt sein, hier in Form einer obenseitigen Anschlussplatte. An diesen können später die Geländerpfosten 9 befestigt werden. Bei der Ausführungsform in Figur 3 ist der Abstand der Anschlusselemente 8 so vorgesehen, dass nur jedes zweite Versteifungselement 7 ein solches Anschlusselement 8 aufweist. Wie dargestellt haben daher die Versteifungselemente 7 ohne Anschlusselemente 8 (in Figur 3 das zweite und vierte von links) eine geringere Höhe als die Versteifungselemente 7 mit Anschlusselementen 8, damit dort wo keine Absturzsicherung befestigt wird später kein Teil der Versteifungselemente 7 nach oben sichtbar hervortritt.
  • Fig. 1 und insbesondere Fig. 2 zeigen, dass bei der dargestellten Ausführungsform die Außenwandung 5 des Brückenrandabschlusselements 2 bedeutend höher als die Anlageflanke 3, insbesondere sogar höher als eine Oberseite O' der mit Ortbetonverguss O fertiggestellten Randkappe ist. Der so entstandene Überstand 15 bzw. die überstehende Außenwandungskante 15 bildet eine Randsicherung und verhindert beispielsweise das Herunterkicken von Steinen oder Dosen durch Fußgänger. Die Außenwandungskante 15 überragt dabei bevorzugt auch die Anschlusselemente 8, da diese sich funktionsgemäß meist an der Oberseite O' der Ortbeton-Randkappe O befinden.
  • Um in Anpassung an die erforderliche Brückenlänge beliebig lange Randabschlüsse herstellen zu können, sind die Brückenrandabschlusselemente 2 bevorzugt mit einem Steckansatz 11 ausgebildet, der an zumindest einem Endbereich E (in Figur 3 rechts) des Brückenrandabschlusselements 2 angeordnet ist. Figur 2 zeigt dementsprechend mehrere durch Ineinanderstecken miteinander zu einer längeren Rinne verbundene Brückenrandabschlusselemente 2.
  • Die seitliche Befestigung des Brückenüberbaus erfolgt, indem ein Randabschluss 1 mit erfindungsgemäßen Brückenrandabschlusselementen 2 in einem nachfolgend beschriebenen Verfahren erstellt wird. Zunächst wird die notwendige Menge von Brückenrandabschlusselementen 2 zum Erhalt der erforderlichen Länge (ggf. durch Aneinanderfügen mittels Steckansätzen 11) über ihre Befestigungsanschlüsse 6 und ggf. 16 am Brückenüberbau festgelegt. Hierzu können beispielsweise aus Spannbetonfertigteilen B des Brückenüberbaus Anschlussbolzen herausragen, die Öffnungen an den Befestigungsanschlüssen 6, 16 durchdringen und anschließend gesichert werden. Falls erforderlich sind im Übergang zum Brückenüberbau noch Dichtelemente vorzusehen. Optional können Anschlussbewehrungen 12, in Fig. 1 als Bewehrungsbügel ausgebildet, am Brückenüberbau vorhanden sein oder angebracht werden, die sich in den rinnenförmigen Hohlraum der Brückenrandabschlusselemente 2 hinein erstrecken. Wenn vorgesehen kann der Brückenüberbau mit einer Ortbetonergänzung 13 aufgefüllt werden. Sofern sich der Brückenrandabschluss in Teilen über den Brückenüberbau hinweg erstrecken soll, wird in der Regel auf dessen Oberseite eine ergänzende Schalung an der in Fig. 1 mit S gekennzeichneten Position anzubringen sein. Der rinnenförmige Hohlraum der Brückenrandabschlusselemente 2 ist sodann mit Ortbeton oder einem anderen geeigneten Werkstoff bis zur gewünschten Höhe und gegebenenfalls zur ergänzenden Schalung auszugießen bzw. zu verfüllen. Nach Aushärtung kann die ergänzende Schalung entfernt werden, was den eventuell sich unter der Brücke hindurch erstreckenden Verkehr in keiner Weise beeinträchtigt. Absturzsicherungen 9 können dann ebenfalls montiert werden, sofern vorhanden an den dafür vorgesehenen Anschlusselementen 8. Die Brückenrandabschlusselemente 2 können aber auch mit bereits vormontierter Absturzsicherung 9 am Brückenüberbau befestigt werden.
  • Fig. 5 zeigt eine alternative Ausführungsform zu dem Brückenrandabschlusselement 2 aus den Fig. 1 bis 4. Dabei sind die Bezugsziffern identisch zu der Version aus den Fig. 1 bis 4 gewählt, sofern sie diesen in ihrer Funktion entsprechen. Bei der Ausführungsform der Fig. 5 wird im hier dargestellten Fall die Verbindung mit dem Brückenüberbau nicht durch Bewehrungsbügel verstärkt (obschon diese selbstverständlich ergänzend vorhanden sein können), sondern, indem die Brückenrandabschlusselemente 2 verlängerte Vorsprünge 17 aufweisen, die sich in Anbauzustand in den Brückenüberbau hinein erstrecken. Diese können bevorzugt als Verlängerung der Versteifungselemente 7 (falls vorhanden) ausgebildet sein, insbesondere als eine noch deutlichere Verlängerung der Nasen 7' aus den Fig. 2 und 3. Zusätzlich hat die Ausführungsform der Fig. 5 Verkrallungsvorsprünge 18, die sich in das Innere des rinnenförmigen Hohlraums hinein erstrecken. Solche können natürlich auch bei der Ausführungsform gemäß Fig. 1 bis 4 vorgesehen werden. Ergänzend hat in Fig. 5 der schwertartige Vorsprung 17 zu beiden Seiten Verkrallungsvorsprünge 18, insbesondere in Form von Kopfbolzen.
  • Insgesamt lässt sich mit dem erfindungsgemäßen Verfahren und den erfindungsgemäßen Brückenrandabschlusselementen eine schnelle und stabile Sicherung eines Brückenüberbaus erreichen bei gleichzeitig hoher Flexibilität und geringem Gewicht der zu transportierenden Elemente.

Claims (10)

  1. Brückenrandabschlusselement (2) zur seitlichen Befestigung eines Brückenüberbaus, wobei das Element (2) als Fertigschalungselement ausgebildet ist und eine Anlageflanke (3) zur seitlichen Anlage und Festlegung an dem Brückenüberbau und Befestigungsanschlüsse (6) aufweist, die derart angeordnet sind, dass sie obenseitig auf einer horizontalen Fläche des Brückenüberbaus zur Auflage kommen, dadurch gekennzeichnet, dass das Element (2) zwischen der durch eine Innenwandung gebildeten Anlageflanke (3), einem Bodenbereich (4) und einer der Anlageflanke gegenüberliegenden Außenwandung (5) einen Hohlraum ausbildet, der eine nach oben zumindest bereichsweise offene Rinnenform aufweist, die zur Aufnahme von Ortbeton (O), gegebenenfalls mit Ortbetonergänzung, ausgebildet ist, wodurch das Brückenrandabschlusselement (2) den Randabschluss (1) eines Brückenüberbaus in Form einer Kappe ausbildet.
  2. Brückenrandabschlusselement (2) nach Anspruch 1, dadurch gekennzeichnet, dass innerhalb des rinnenförmigen Hohlraums Verkrallungsvorsprünge (18) angeordnet sind, die zur Ausbildung einer festen Verbindung mit Ortbeton (O) ausgebildet sind.
  3. Brückenrandabschlusselement (2) nach einem der vorhergehenden Ansprüche, dadurch gekennzeichnet, dass es quer zu seiner Rinnenlängsrichtung (L) im Hohlraum zumindest ein Versteifungselement (7) aufweist.
  4. Brückenrandabschlusselement (2) nach einem der vorhergehenden Ansprüche, gekennzeichnet durch weitere Befestigungsanschlüsse (16), in oder an der Anlageflanke (3) zur seitlichen Befestigung am Brückenüberbau.
  5. Brückenrandabschlusselement (2) nach einem der vorhergehenden Ansprüche, dadurch gekennzeichnet, dass es zumindest ein Anschlusselement (8) für eine Absturzsicherung (9) aufweist.
  6. Brückenrandabschlusselement (2) nach einem der vorhergehenden Ansprüche, dadurch gekennzeichnet, dass es zumindest einen Vorsprung (17) aufweist, der sich im Anbauzustand in den Brückenüberbau hinein erstreckt.
  7. Brückenrandabschlusselement (2) nach einem der vorhergehenden Ansprüche, dadurch gekennzeichnet, dass es in Rinnenlängsrichtung (L) zumindest an einem Endbereich (E) einen Steckansatz (11) zur Verbindung mit einem in Rinnenlängsrichtung (L) folgenden Brückenrandabschlusselement (2) aufweist.
  8. Verfahren zur Befestigung eines Brückenüberbaus durch Randkappen (1), gekennzeichnet durch die Verwendung von Brückenrandabschlusselementen (2) nach einem der Ansprüche 1 bis 7.
  9. Verfahren nach Anspruch 8 mit folgenden Verfahrensschritten:
    - Befestigung der notwendigen Menge von Brückenrandabschlusselementen (2) zum Erhalt der erforderlichen Länge obenseitig am Brückenüberbau,
    - gegebenenfalls Anbringung einer ergänzenden Schalung zur Erstellung eines inneren Randabschlusses zum Brückenfahr- und/oder -laufweg,
    - Ausgießen des rinnenförmigen Hohlraums des Brückenrandabschlusselements (2) und gegebenenfalls der ergänzenden Schalung mit Ortbeton (O),
    - gegebenenfalls Entfernung der ergänzenden Schalung.
  10. Verfahren nach Anspruch 9, gekennzeichnet durch Anbringung einer Bewehrung (B), die sich aus den seitlichen Bereichen des Brückenüberbaus in den rinnenförmigen Hohlraum des Brückenrandabschlusselements (2) hinein erstreckt und nach dem Vergießen mit Ortbeton (O) eine festigende Verbindung von Brückenüberbau und Randkappe (1) bildet.
EP20159515.4A 2019-03-01 2020-02-26 Verfahren zur befestigung eines brückenüberbaus und dabei zu verwendendes randabschlusselement Active EP3702533B1 (de)

Applications Claiming Priority (3)

Application Number Priority Date Filing Date Title
DE102019001431 2019-03-01
DE202019102588.3U DE202019102588U1 (de) 2019-03-01 2019-05-08 Befestigung eines Brückenüberbaus und dabei zu verwendendes Randabschlusselement
DE102019112014.4A DE102019112014A1 (de) 2019-03-01 2019-05-08 Verfahren zur Befestigung eines Brückenüberbaus und dabei zu verwendendes Randabschlusselement

Publications (3)

Publication Number Publication Date
EP3702533A1 EP3702533A1 (de) 2020-09-02
EP3702533B1 true EP3702533B1 (de) 2023-10-11
EP3702533C0 EP3702533C0 (de) 2023-10-11

Family

ID=69810583

Family Applications (1)

Application Number Title Priority Date Filing Date
EP20159515.4A Active EP3702533B1 (de) 2019-03-01 2020-02-26 Verfahren zur befestigung eines brückenüberbaus und dabei zu verwendendes randabschlusselement

Country Status (2)

Country Link
EP (1) EP3702533B1 (de)
ES (1) ES2969076T3 (de)

Cited By (2)

* Cited by examiner, † Cited by third party
Publication number Priority date Publication date Assignee Title
DE202024102323U1 (de) 2024-05-06 2024-06-05 Echterhoff Expressbrücken GmbH Randabschlusselement für einen Brückenüberbau sowie Brückenüberbau mit Randabschlusselement
EP4647552A1 (de) 2024-05-06 2025-11-12 Echterhoff Expressbrücken GmbH Randabschlusselement für einen brückenüberbau sowie verfahren zur erstellung eines brückenüberbaus mit randabschlusselement

Citations (6)

* Cited by examiner, † Cited by third party
Publication number Priority date Publication date Assignee Title
GB942255A (en) 1959-11-25 1963-11-20 Philip King Improvements in or relating to kerbing
DE2314191A1 (de) 1973-03-22 1974-10-03 Adolf Lupp Kg Schalung fuer eine gesimskappe einer bruecke, verfahren zur herstellung der gesimskappe und mit dieser gesimskappe versehene bruecke
DE3240331C2 (de) 1982-10-30 1986-10-23 ACO Severin Ahlmann GmbH & Co KG, 2370 Rendsburg Gesimskappe für Brücken oder dergleichen
DE10109001A1 (de) 2001-02-23 2002-09-05 Jannasch Gmbh & Co Kg Fugenkon Verschieblicher Telleranker zur Verankerung von Betonkappen am Überbau Von Brückenbauwerken
KR20090081996A (ko) 2008-01-25 2009-07-29 한국철도시설공단 교량상판 부속물의 연결구조 및 방법
US20180030745A1 (en) 2012-12-07 2018-02-01 Precasteel, LLC Stay-in-place forms and methods and equipment for installation thereof

Family Cites Families (2)

* Cited by examiner, † Cited by third party
Publication number Priority date Publication date Assignee Title
DE10224305B4 (de) 2002-05-31 2009-04-09 Immobilien Bau Döbeln GmbH Anordnung eines Fertigteils an einem Brücken- oder Stützmauerbauwerk
DE202008001661U1 (de) 2008-02-06 2008-04-24 Gebr. Dieterle GbR (vertretungsberechtige Gesellschafter: Frank Dieterle, 77761 Schiltach und Thomas Dieterle, 78739 Hardt) Brücke oder Brückenabschnitt

Patent Citations (6)

* Cited by examiner, † Cited by third party
Publication number Priority date Publication date Assignee Title
GB942255A (en) 1959-11-25 1963-11-20 Philip King Improvements in or relating to kerbing
DE2314191A1 (de) 1973-03-22 1974-10-03 Adolf Lupp Kg Schalung fuer eine gesimskappe einer bruecke, verfahren zur herstellung der gesimskappe und mit dieser gesimskappe versehene bruecke
DE3240331C2 (de) 1982-10-30 1986-10-23 ACO Severin Ahlmann GmbH & Co KG, 2370 Rendsburg Gesimskappe für Brücken oder dergleichen
DE10109001A1 (de) 2001-02-23 2002-09-05 Jannasch Gmbh & Co Kg Fugenkon Verschieblicher Telleranker zur Verankerung von Betonkappen am Überbau Von Brückenbauwerken
KR20090081996A (ko) 2008-01-25 2009-07-29 한국철도시설공단 교량상판 부속물의 연결구조 및 방법
US20180030745A1 (en) 2012-12-07 2018-02-01 Precasteel, LLC Stay-in-place forms and methods and equipment for installation thereof

Non-Patent Citations (1)

* Cited by examiner, † Cited by third party
Title
ŠAFÁŘ R: "BRIDGE CORNICE WITH GRC LOST FORMWORK", CONGRESS OF THE INTERNATIONAL GLASSFIBRE REINFORCED CONCRETE ASSOCIATION (GRCA), 1 November 2005 (2005-11-01), pages 97 - 100, XP093195075

Cited By (2)

* Cited by examiner, † Cited by third party
Publication number Priority date Publication date Assignee Title
DE202024102323U1 (de) 2024-05-06 2024-06-05 Echterhoff Expressbrücken GmbH Randabschlusselement für einen Brückenüberbau sowie Brückenüberbau mit Randabschlusselement
EP4647552A1 (de) 2024-05-06 2025-11-12 Echterhoff Expressbrücken GmbH Randabschlusselement für einen brückenüberbau sowie verfahren zur erstellung eines brückenüberbaus mit randabschlusselement

Also Published As

Publication number Publication date
EP3702533A1 (de) 2020-09-02
EP3702533C0 (de) 2023-10-11
ES2969076T3 (es) 2024-05-16

Similar Documents

Publication Publication Date Title
EP2088244B1 (de) Stahlbeton oder Verbundbrücke und Verfahren zu ihrer Herstellung
EP3702533B1 (de) Verfahren zur befestigung eines brückenüberbaus und dabei zu verwendendes randabschlusselement
DE102019112014A1 (de) Verfahren zur Befestigung eines Brückenüberbaus und dabei zu verwendendes Randabschlusselement
DE69703534T2 (de) Zusammengestellte gebäudetragkonstruktion
DE10004194C2 (de) Verfahren zur Fertigung einer festen Schienenfahrbahn auf einer Brücke
EP0519146B1 (de) Bauelement zur Begrenzung einer Stirnfläche einer Schalung
DE102008049966C5 (de) Anschluss für eine Verkehrsleitwand
EP2025816B1 (de) Verfahren zum Herstellen eines Wandelements und nach dem Verfahren hergestelltes Wandelement für eine Verkehrsleitwand
DE102010025042A1 (de) Stahlträger für Fertigteildecken
DE20220631U1 (de) Fahrweg für spurgeführte Fahrzeuge
EP3330448B1 (de) Vorrichtung und verfahren zur verbindung von zwei bauteilen in einer bestimmten relativen ausrichtung sowie damit erstelltes betonbauwerk
DE19831984C2 (de) Bauteil mit externen Spanngliedern
DE3738291C2 (de)
EP3696320B1 (de) Brückenwiderlager mit verbindung zwischen widerlagerwandbewehrung und flügelwandelement
DE19941603C2 (de) Stahlbetonteil zur Herstellung von Fundamenten für Bauwerke
DE60304547T2 (de) Vorgefertigte Stahlbetonsäule und Stahlbetonträger
DE102013207951A1 (de) Entwässerungssystem für eine Verkehrsfläche
EP3412848A2 (de) Doppelwandige montagegrube aus wandelementen
EP0698700B1 (de) Deckenkonstruktion und Verfahren zu ihrer Herstellung
DE102024134515A1 (de) Randabschlusselement für einen Brückenüberbau sowie Verfahren zur Erstellung eines Brückenüberbaus mit Randabschlusselement
DE102024131202A1 (de) Rückbaubares Verkehrsflächensystem aus Betonfertigteilplatten mit lösbarer Verbindung
DE102023129763A1 (de) Verfahren zum Errichten einer Brücke unter Verwendung zumindest eines teilweise vorgefertigten Brückenüberbauabschnitts
DE29812506U1 (de) Maschinenfundament aus Beton
DE19848560B4 (de) Vorrichtung und Verfahren zum Erstellen einer Dehnfuge
EP4194613A1 (de) Baueinheit zur herstellung eines betonfundaments, verwendung und verfahren

Legal Events

Date Code Title Description
PUAI Public reference made under article 153(3) epc to a published international application that has entered the european phase

Free format text: ORIGINAL CODE: 0009012

STAA Information on the status of an ep patent application or granted ep patent

Free format text: STATUS: THE APPLICATION HAS BEEN PUBLISHED

AK Designated contracting states

Kind code of ref document: A1

Designated state(s): AL AT BE BG CH CY CZ DE DK EE ES FI FR GB GR HR HU IE IS IT LI LT LU LV MC MK MT NL NO PL PT RO RS SE SI SK SM TR

AX Request for extension of the european patent

Extension state: BA ME

STAA Information on the status of an ep patent application or granted ep patent

Free format text: STATUS: REQUEST FOR EXAMINATION WAS MADE

17P Request for examination filed

Effective date: 20210218

RBV Designated contracting states (corrected)

Designated state(s): AL AT BE BG CH CY CZ DE DK EE ES FI FR GB GR HR HU IE IS IT LI LT LU LV MC MK MT NL NO PL PT RO RS SE SI SK SM TR

RAP3 Party data changed (applicant data changed or rights of an application transferred)

Owner name: BAUUNTERNEHMUNG GEBR. ECHTERHOFF GMBH & CO. KG

STAA Information on the status of an ep patent application or granted ep patent

Free format text: STATUS: EXAMINATION IS IN PROGRESS

17Q First examination report despatched

Effective date: 20220121

GRAP Despatch of communication of intention to grant a patent

Free format text: ORIGINAL CODE: EPIDOSNIGR1

STAA Information on the status of an ep patent application or granted ep patent

Free format text: STATUS: GRANT OF PATENT IS INTENDED

INTG Intention to grant announced

Effective date: 20230523

GRAS Grant fee paid

Free format text: ORIGINAL CODE: EPIDOSNIGR3

GRAA (expected) grant

Free format text: ORIGINAL CODE: 0009210

STAA Information on the status of an ep patent application or granted ep patent

Free format text: STATUS: THE PATENT HAS BEEN GRANTED

AK Designated contracting states

Kind code of ref document: B1

Designated state(s): AL AT BE BG CH CY CZ DE DK EE ES FI FR GB GR HR HU IE IS IT LI LT LU LV MC MK MT NL NO PL PT RO RS SE SI SK SM TR

REG Reference to a national code

Ref country code: GB

Ref legal event code: FG4D

Free format text: NOT ENGLISH

REG Reference to a national code

Ref country code: CH

Ref legal event code: EP

REG Reference to a national code

Ref country code: DE

Ref legal event code: R096

Ref document number: 502020005571

Country of ref document: DE

REG Reference to a national code

Ref country code: IE

Ref legal event code: FG4D

Free format text: LANGUAGE OF EP DOCUMENT: GERMAN

U01 Request for unitary effect filed

Effective date: 20231107

U07 Unitary effect registered

Designated state(s): AT BE BG DE DK EE FI FR IT LT LU LV MT NL PT SE SI

Effective date: 20231114

U20 Renewal fee for the european patent with unitary effect paid

Year of fee payment: 5

Effective date: 20240118

PG25 Lapsed in a contracting state [announced via postgrant information from national office to epo]

Ref country code: GR

Free format text: LAPSE BECAUSE OF FAILURE TO SUBMIT A TRANSLATION OF THE DESCRIPTION OR TO PAY THE FEE WITHIN THE PRESCRIBED TIME-LIMIT

Effective date: 20240112

PG25 Lapsed in a contracting state [announced via postgrant information from national office to epo]

Ref country code: IS

Free format text: LAPSE BECAUSE OF FAILURE TO SUBMIT A TRANSLATION OF THE DESCRIPTION OR TO PAY THE FEE WITHIN THE PRESCRIBED TIME-LIMIT

Effective date: 20240211

PG25 Lapsed in a contracting state [announced via postgrant information from national office to epo]

Ref country code: IS

Free format text: LAPSE BECAUSE OF FAILURE TO SUBMIT A TRANSLATION OF THE DESCRIPTION OR TO PAY THE FEE WITHIN THE PRESCRIBED TIME-LIMIT

Effective date: 20240211

Ref country code: GR

Free format text: LAPSE BECAUSE OF FAILURE TO SUBMIT A TRANSLATION OF THE DESCRIPTION OR TO PAY THE FEE WITHIN THE PRESCRIBED TIME-LIMIT

Effective date: 20240112

REG Reference to a national code

Ref country code: ES

Ref legal event code: FG2A

Ref document number: 2969076

Country of ref document: ES

Kind code of ref document: T3

Effective date: 20240516

PG25 Lapsed in a contracting state [announced via postgrant information from national office to epo]

Ref country code: RS

Free format text: LAPSE BECAUSE OF FAILURE TO SUBMIT A TRANSLATION OF THE DESCRIPTION OR TO PAY THE FEE WITHIN THE PRESCRIBED TIME-LIMIT

Effective date: 20231011

Ref country code: PL

Free format text: LAPSE BECAUSE OF FAILURE TO SUBMIT A TRANSLATION OF THE DESCRIPTION OR TO PAY THE FEE WITHIN THE PRESCRIBED TIME-LIMIT

Effective date: 20231011

Ref country code: NO

Free format text: LAPSE BECAUSE OF FAILURE TO SUBMIT A TRANSLATION OF THE DESCRIPTION OR TO PAY THE FEE WITHIN THE PRESCRIBED TIME-LIMIT

Effective date: 20240111

Ref country code: HR

Free format text: LAPSE BECAUSE OF FAILURE TO SUBMIT A TRANSLATION OF THE DESCRIPTION OR TO PAY THE FEE WITHIN THE PRESCRIBED TIME-LIMIT

Effective date: 20231011

REG Reference to a national code

Ref country code: DE

Ref legal event code: R026

Ref document number: 502020005571

Country of ref document: DE

PLBI Opposition filed

Free format text: ORIGINAL CODE: 0009260

PG25 Lapsed in a contracting state [announced via postgrant information from national office to epo]

Ref country code: CZ

Free format text: LAPSE BECAUSE OF FAILURE TO SUBMIT A TRANSLATION OF THE DESCRIPTION OR TO PAY THE FEE WITHIN THE PRESCRIBED TIME-LIMIT

Effective date: 20231011

PG25 Lapsed in a contracting state [announced via postgrant information from national office to epo]

Ref country code: SK

Free format text: LAPSE BECAUSE OF FAILURE TO SUBMIT A TRANSLATION OF THE DESCRIPTION OR TO PAY THE FEE WITHIN THE PRESCRIBED TIME-LIMIT

Effective date: 20231011

PLAX Notice of opposition and request to file observation + time limit sent

Free format text: ORIGINAL CODE: EPIDOSNOBS2

PG25 Lapsed in a contracting state [announced via postgrant information from national office to epo]

Ref country code: SM

Free format text: LAPSE BECAUSE OF FAILURE TO SUBMIT A TRANSLATION OF THE DESCRIPTION OR TO PAY THE FEE WITHIN THE PRESCRIBED TIME-LIMIT

Effective date: 20231011

Ref country code: SK

Free format text: LAPSE BECAUSE OF FAILURE TO SUBMIT A TRANSLATION OF THE DESCRIPTION OR TO PAY THE FEE WITHIN THE PRESCRIBED TIME-LIMIT

Effective date: 20231011

Ref country code: RO

Free format text: LAPSE BECAUSE OF FAILURE TO SUBMIT A TRANSLATION OF THE DESCRIPTION OR TO PAY THE FEE WITHIN THE PRESCRIBED TIME-LIMIT

Effective date: 20231011

Ref country code: CZ

Free format text: LAPSE BECAUSE OF FAILURE TO SUBMIT A TRANSLATION OF THE DESCRIPTION OR TO PAY THE FEE WITHIN THE PRESCRIBED TIME-LIMIT

Effective date: 20231011

26 Opposition filed

Opponent name: HENTSCHKE BAU GMBH

Effective date: 20240711

PG25 Lapsed in a contracting state [announced via postgrant information from national office to epo]

Ref country code: MC

Free format text: LAPSE BECAUSE OF FAILURE TO SUBMIT A TRANSLATION OF THE DESCRIPTION OR TO PAY THE FEE WITHIN THE PRESCRIBED TIME-LIMIT

Effective date: 20231011

REG Reference to a national code

Ref country code: CH

Ref legal event code: PL

PG25 Lapsed in a contracting state [announced via postgrant information from national office to epo]

Ref country code: CH

Free format text: LAPSE BECAUSE OF NON-PAYMENT OF DUE FEES

Effective date: 20240229

PG25 Lapsed in a contracting state [announced via postgrant information from national office to epo]

Ref country code: CH

Free format text: LAPSE BECAUSE OF NON-PAYMENT OF DUE FEES

Effective date: 20240229

PLBB Reply of patent proprietor to notice(s) of opposition received

Free format text: ORIGINAL CODE: EPIDOSNOBS3

U20 Renewal fee for the european patent with unitary effect paid

Year of fee payment: 6

Effective date: 20241213

PG25 Lapsed in a contracting state [announced via postgrant information from national office to epo]

Ref country code: IE

Free format text: LAPSE BECAUSE OF NON-PAYMENT OF DUE FEES

Effective date: 20240226

PG25 Lapsed in a contracting state [announced via postgrant information from national office to epo]

Ref country code: IE

Free format text: LAPSE BECAUSE OF NON-PAYMENT OF DUE FEES

Effective date: 20240226

PGFP Annual fee paid to national office [announced via postgrant information from national office to epo]

Ref country code: ES

Payment date: 20250318

Year of fee payment: 6

PGFP Annual fee paid to national office [announced via postgrant information from national office to epo]

Ref country code: GB

Payment date: 20250220

Year of fee payment: 6

PG25 Lapsed in a contracting state [announced via postgrant information from national office to epo]

Ref country code: CY

Free format text: LAPSE BECAUSE OF FAILURE TO SUBMIT A TRANSLATION OF THE DESCRIPTION OR TO PAY THE FEE WITHIN THE PRESCRIBED TIME-LIMIT; INVALID AB INITIO

Effective date: 20200226

PG25 Lapsed in a contracting state [announced via postgrant information from national office to epo]

Ref country code: HU

Free format text: LAPSE BECAUSE OF FAILURE TO SUBMIT A TRANSLATION OF THE DESCRIPTION OR TO PAY THE FEE WITHIN THE PRESCRIBED TIME-LIMIT; INVALID AB INITIO

Effective date: 20200226

PG25 Lapsed in a contracting state [announced via postgrant information from national office to epo]

Ref country code: TR

Free format text: LAPSE BECAUSE OF FAILURE TO SUBMIT A TRANSLATION OF THE DESCRIPTION OR TO PAY THE FEE WITHIN THE PRESCRIBED TIME-LIMIT

Effective date: 20231011

U20 Renewal fee for the european patent with unitary effect paid

Year of fee payment: 7

Effective date: 20260109