EP1570987A2 - Verfahren zum Einstellen des Anpressdrucks einer verstellbar gelagerten Walze - Google Patents

Verfahren zum Einstellen des Anpressdrucks einer verstellbar gelagerten Walze Download PDF

Info

Publication number
EP1570987A2
EP1570987A2 EP05103008A EP05103008A EP1570987A2 EP 1570987 A2 EP1570987 A2 EP 1570987A2 EP 05103008 A EP05103008 A EP 05103008A EP 05103008 A EP05103008 A EP 05103008A EP 1570987 A2 EP1570987 A2 EP 1570987A2
Authority
EP
European Patent Office
Prior art keywords
roller
pressure
rollers
adjusting
adjustable
Prior art date
Legal status (The legal status is an assumption and is not a legal conclusion. Google has not performed a legal analysis and makes no representation as to the accuracy of the status listed.)
Withdrawn
Application number
EP05103008A
Other languages
English (en)
French (fr)
Other versions
EP1570987A3 (de
Inventor
Georg Schneider
Bernd Faist
Peter Jentzsch
Current Assignee (The listed assignees may be inaccurate. Google has not performed a legal analysis and makes no representation or warranty as to the accuracy of the list.)
Koenig and Bauer AG
Original Assignee
Koenig and Bauer AG
Priority date (The priority date is an assumption and is not a legal conclusion. Google has not performed a legal analysis and makes no representation as to the accuracy of the date listed.)
Filing date
Publication date
Priority claimed from DE2002144046 external-priority patent/DE10244046B4/de
Application filed by Koenig and Bauer AG filed Critical Koenig and Bauer AG
Publication of EP1570987A2 publication Critical patent/EP1570987A2/de
Publication of EP1570987A3 publication Critical patent/EP1570987A3/de
Withdrawn legal-status Critical Current

Links

Images

Classifications

    • BPERFORMING OPERATIONS; TRANSPORTING
    • B41PRINTING; LINING MACHINES; TYPEWRITERS; STAMPS
    • B41FPRINTING MACHINES OR PRESSES
    • B41F31/00Inking arrangements or devices
    • B41F31/30Arrangements for tripping, lifting, adjusting, or removing inking rollers; Supports, bearings, or forks therefor
    • B41F31/32Lifting or adjusting devices
    • B41F31/36Lifting or adjusting devices fluid-pressure operated
    • BPERFORMING OPERATIONS; TRANSPORTING
    • B41PRINTING; LINING MACHINES; TYPEWRITERS; STAMPS
    • B41FPRINTING MACHINES OR PRESSES
    • B41F13/00Common details of rotary presses or machines
    • B41F13/08Cylinders
    • B41F13/24Cylinder-tripping devices; Cylinder-impression adjustments
    • B41F13/34Cylinder lifting or adjusting devices
    • BPERFORMING OPERATIONS; TRANSPORTING
    • B41PRINTING; LINING MACHINES; TYPEWRITERS; STAMPS
    • B41FPRINTING MACHINES OR PRESSES
    • B41F13/00Common details of rotary presses or machines
    • B41F13/08Cylinders
    • B41F13/24Cylinder-tripping devices; Cylinder-impression adjustments
    • B41F13/34Cylinder lifting or adjusting devices
    • B41F13/40Cylinder lifting or adjusting devices fluid-pressure operated
    • BPERFORMING OPERATIONS; TRANSPORTING
    • B41PRINTING; LINING MACHINES; TYPEWRITERS; STAMPS
    • B41FPRINTING MACHINES OR PRESSES
    • B41F31/00Inking arrangements or devices
    • B41F31/30Arrangements for tripping, lifting, adjusting, or removing inking rollers; Supports, bearings, or forks therefor
    • B41F31/301Devices for tripping and adjusting form rollers
    • BPERFORMING OPERATIONS; TRANSPORTING
    • B41PRINTING; LINING MACHINES; TYPEWRITERS; STAMPS
    • B41FPRINTING MACHINES OR PRESSES
    • B41F7/00Rotary lithographic machines
    • B41F7/20Details
    • B41F7/24Damping devices
    • B41F7/40Devices for tripping or lifting damping rollers; Supporting, adjusting, or removing arrangements therefor

Definitions

  • the invention relates to a method for adjusting the contact pressure of an adjustable mounted roller according to the preamble of claim 1.
  • rollers In conventional printing machines, such as web-fed rotary printing presses, there are a variety of rollers available.
  • ink rollers are provided, the serve the transfer of color from a color memory on the plate cylinder.
  • the inking rollers can be dosed the color transferred to the plate cylinders, so that the color is transmitted as a uniform film of a certain thickness. Faults, like for example, speed variations and torsional vibrations can thereby be compensated.
  • dampening rollers can be provided in the printing press, the a dampening solution, such as water, transferred to the printing unit.
  • pairs of rollers are formed by mutually engaging rollers at where at least one of the rollers has a cylindrical surface of elastic material, so that this cylindrical surface depends on the contact pressure of the opposite roller at least slightly deformed.
  • the result is given by the elastic Deformation of the roll surface extending straight between the rolls Contact area, referred to as a contact strip.
  • the width of the contact strip can be varied by creating the contact pressure between the rollers, the width of the contract strip has a significant influence on the print result Has. For example, if the contact strip is too narrow in an inking unit, it will not enough color transfer, whereas in cases where the contact strip too wide is, the elastic roller can be damaged by the occurring flexing work.
  • the strip width depending on the operating conditions, for example, the temperature of the printing machines or their Wear level, to always be able to adjust correctly, it is necessary to use the one roller to be stored in an adjustable position so that they are provided with an actuator with an adjustable force in the direction the opposite roller can be pressed. Is then the right contact pressure found between the two rollers, a fixing device for fixing the pressed first roller relative to the second roller to sustain the contact pressure permanently to obtain.
  • DE 38 08 142 A1 describes a device for supporting two cylinders. Here is the contact pressure between two on and off rolls by changing the Pressure of the print medium changeable. Also, a switching device is arranged with which the pressure medium can be guided optionally to different actuators.
  • DE-OS 16 11 303 discloses a device for turning on and off a Printing cylinder of a gravure printing machine, wherein a pressure reducing valve is provided.
  • ink rollers are known by means of pressure-actuable actuators are adjustable.
  • the invention has for its object to provide a method for adjusting the To create contact pressure of an adjustably mounted roller.
  • the actuator for adjusting the contact pressure in the manner of with a pressurized medium, a biased gas, in particular compressed air acted upon Pressure body formed.
  • valves are provided. Because of a wet or Inking a variety of adjustable rollers are provided, would be one of the number the actuators corresponding number of valves normally necessary, giving a meant high equipment expense. This high effort is thereby avoided that a switching device is provided with the control valves optionally connectable to different actuators. This means with others Words that the adjustable rollers are then not all set at the same time can, but only the actuators are actuated, via the switching device connected to the adjusting valves. Depending on the design of the color or However, dampening units are only enough to set the entire inking or dampening system Valves with which successively the contact pressure of the various adjustable Rolling is adjusted.
  • only two valves are provided with which then simultaneously the pressure of two actuators on an adjustable roller is adjustable.
  • an adjustable roller by actuation of the two valves is adjusted and after the adjustment by pressing the fixing the Setting is fixed. After fixation can then with the setting of the next adjustable roller to be continued.
  • the angular position of the second roller on which the first roller with adjustable contact pressure is pressed recorded.
  • this angular position is it is possible that the pressing or adjusting the adjustable roller then only in certain angular positions of the second roller is performed.
  • This type of control of the pressure is particularly important in the form of cylinders, at the periphery of fastening means for fixing the printing plates are provided. Namely, the setting or employment of adjustable rollers in a straight Angular position made at which the adjustable roller on the fastening device of the forme cylinder comes to rest, the set values by the changed diameter in the field of fastening device falsified. These Falsification can be excluded by controlling the angular position of the second roller become.
  • the setting of the Contact pressure and / or the employment of the first roller to the second roller at simultaneous rotation of the rolls is a preferred embodiment.
  • Fig. 1 is a device 20 for adjusting the contact pressure between a first Roller 21 and a second roller 22 are shown.
  • the roller 21 can with the ends of their Axis 23 or pin releasably provided on a device 20 on the Quick release fastened 24.
  • Such quick fasteners are out of the art known in the art and have a semicircular bearing shell, in which the ends the axis 23 can be inserted. By attaching a in Fig. 1 not shown upper bearing shell can then the axis 23 on the quick release 24th be determined.
  • the device 20 is essentially composed of a frame holder 26 and a Roll holder 27 constructed, the relative to each other in a plane that is perpendicular extends to the drawing plane, can be moved against each other.
  • the Frame holder 26 is made of a base plate 28, for example by means of a Swivel arm can be pivotally attached to the frame of a printing press, and a sleeve body 29 constructed.
  • On the side facing the roller 21 has the Sleeve body 29 a recess 31 into which a cylindrical portion 32 of the Roller holder 27 engages.
  • the inner diameter of the recess 31 and the outer diameter of the section 32 is chosen so that a in the Basic position circular cylindrical gap 33 with a gap width of about 1 mm to 10 mm, in particular of about 2 mm. Through the gap 33, the maximum adjustment range for Adjustment of the roller holder 27 relative to the frame holder 26 defined.
  • actuating movements can or the desired contact pressure between the roller 21 and to apply the roller 22 are distributed in the gap 33 over the circumference total four actuators 34 in the form of pressure hoses 34, of which in FIG. 1 only two are shown in section, arranged.
  • Feed lines 48 can be formed by the walls of the actuators 34
  • Pressure chambers 36 are pressurized.
  • the roller 21 is pressed against the roller 22 with the desired contact pressure can be. Because the air cushion pressurized in the actuators 34 is compressible is, mechanical disturbances can be caused by the resulting spring action be intercepted.
  • Lammellen implant 37 attached to the attached to the sleeve body 29 Lammellen implantn 38 arranged to form a Lammellenps combing are.
  • Lammellen implantn 37 and 38th formed Lammellenps 37 and 38 is a cross-sectionally T-shaped punch 39th provided, the circular punch head 40 with an annular flange 41 at the outermost Lammellenelement 37 and 38 of the Lammellenpers to the plant comes.
  • a pressure plate 42 is attached, on which the spring force of a trained in the manner of a plate spring package 43
  • Spring element 43 acts.
  • the spring element 43 is biased between the pressure plate 42 and the sleeve body 29 mounted so that of the Lammellenmaschinen 37 and 38 formed Lammellenb by the spring force from the punch 39 on the Lammellenmaschine 37 and 38 is transmitted, is clamped.
  • a Pressure port 44 is provided through which a pressure chamber 46 between the Pressure plate 42 and the base plate 28 with a pressure medium, such as compressed air can be applied.
  • the adjustment of the contact pressure between the rollers 21 and 22 takes place, for example in the following way.
  • the pressure chamber 46 with a sufficient pressure acted upon, so that the Lammellenimplantation 37 and 38 no longer frictionally be pinched.
  • the actuators 34 each with just as much pressure urges that the desired contact pressure between the rollers 21 and 22 or between the roller 21 and others, not shown in Fig. 1 Rolling forms and leads to a contact strip of the desired width.
  • the pressure chamber 46 is depressurized, whereby the punch 39 the Lammellenmaschine 37 and 38 clamped together, so that the roller holder 27 relative is fixed to the frame holder 26 in the desired position.
  • Last will be the actors 34 depressurises.
  • FIG. 2 shows the frame holder 26 with the Recess 31 and the engaging portion 32 of the roller holder 27.
  • a gap 33 is formed, in which the in Figs. 2 and 3 only schematically indicated by force arrows actuators 34 are arranged.
  • the possible Adjusting movements between the frame holder 26 and the roll holder 27 are by an actuating plane, which is in the representation of Fig. 2 and 3 in the plane of the drawing extends, defined, wherein the adjustment range of the adjusting movements by the width of Slits 33 is limited.
  • the roll holder 27 and, as a result, the attached thereto roller 21 are laterally offset relative to the frame holder 26, which by a corresponding control of the actuators 34 and the consequent Force effect on the section 32 is effected.
  • the desired position of Roller holder 27 is found relative to the frame holder 26, which can be from the Lammellenimplantationn 37 and 38 or the punch 39 and the pressure plate 42 formed fixing device are actuated, so that the position is permanently fixed and the actuators 34 need not be driven further.
  • FIG. 4 the device 20 with base plate 28 in a perspective view of shown in front.
  • the sleeve body 29 is by means of four fastening screws 47 on the Base plate 28 attached (see Fig. 1, shown schematically).
  • FIG. 5 shows a second exemplary embodiment of an actuator 50 for a device 20 in FIG Cross-section.
  • the basic structure of the device 20 with frame holder 26, Roller holder 27 and a fixing device for fixing the roller holder 27 relative to the roll holder 26 corresponds to the structure described with Fig. 1 and therefore must will not be explained further.
  • To form the actuator 50 is in the gap 33 a cylindrical membrane 51, whose upper and lower edges with the inner diameter the sleeve body 29 is connected (not shown in Fig. 5) arranged.
  • the Membrane 51 is also in four strip-shaped areas 52 with the Inner diameter of the sleeve body 29 connected, for example glued, so As a result, through the sleeve body 29 and the diaphragm 51 four pressure chambers 53rd are formed, which are distributed uniformly over the circumference of the gap 33.
  • the Pressure chambers 53 can each have pressure inlet openings 54 with compressed air be acted upon, so depending on the pressure in the four pressure chambers 53, a resultant force acts on the portion 32 of the roll holder 27.
  • FIG. 6 an inking unit 56 is shown, with which of a roller 57 printing ink on a can be transferred in the manner of a forme cylinder 22a formed roller 22a.
  • to Transfer of ink are in the inking unit 56 five adjustable rollers 21a; 21b; 21c; 21d; 21e provided.
  • the ends of the adjustable rollers 21a to 21e are respectively in FIG Devices 20 mounted, which indicated in Fig. 6 by the corresponding actuators 34 is.
  • rollers 21a; 21b; 21c; 21d; 21e For example, set up a dampening roller and three or four inking rollers become.
  • rollers 21a; 21c; 21e are employed on the roller 22a.
  • the rollers 21a; 21c; 21e can by pressurizing the various actuators 34 on the rollers 21a to 21e, the contact pressure between the various rollers 57; 21a to 21e; 22a be set.
  • roller 22a On the roller 22a is one or more fasteners 58 or Interruptions 58 are provided, which are designed in particular in the manner of a gap 58 is.
  • the front and rear edge of a Pressure plate are fixed to attach the pressure plate to the roller 22a.
  • the Rotation angle of the roller 22a is detected by a sensor, not shown, and to the Control forwarded.
  • adjusting the rollers 21a; 21c; 21e or at the Adjustment of the contact pressure of these rollers 21a; 21c; 21e will be the respective Angle of rotation of the roller 22a taken into account, thereby preventing the rollers 21a; 21c; 21e when hiring or when adjusting the contact pressure at the Interrupt 58 are present.
  • the setting of the rollers 21a to 21e or their Adjustment to the roller 22a can also be used with a rotating printing unit with a rotating roller 22a done.
  • the adjustment of the contact pressure and / or the employment of the first Rolls 21a to 21e to the second roller 22a takes place at low speeds, especially at 3,000 to 5,000 U / h ..
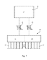
  • the switching device 59 shown in Fig. 7 is suitable for driving the a total of 20 actuators on the adjustable rollers 21a to 21e on one side.
  • the Switching device 59 is shown only schematically and is below briefly explained.
  • a pressure medium such as compressed air with be taken sufficiently high pressure level.
  • the pressure medium flows into two separate Pressure chambers 64; 66, in which, depending on the position of the pressure control valves 62 and 63 there is a corresponding pressure level.
  • Pressure lines 67 Associated with each actuator 34 Pressure lines 67, the set in the pressure chambers 64 and 66, the pressure to the Actuators 34 are transmitted.
  • the changeover of the changeover device 59 is clocked.
  • the duration of a time clock for Adjustment of an adjustable roller 21a to 21e of the inking unit 56 or dampening unit is 0.1 to 2 seconds, especially 0.5 seconds.
  • shut-off devices For example, provided shut-off valves, so that optionally different to the Pressure chambers 64 and 66 connected pressure lines 67 are shut off can. If now the contact pressure to be set on an adjustable roller 21, so All pressure lines 67 are shut off, which lead to actuators 34, for the Setting are not required. In the result it follows that the by the Pressure control valves 62; 63 regulated air pressure transmitted only to the actuators 34 be involved in the setting of each desired roller 21. After Setting this roller 21, the corresponding contact pressure by pressing the Fixed fixing, so that by switching the switching device 59th then the next adjustable roller 21 can be adjusted.
  • both pressure control valves 62; 63 set air pressures are applied simultaneously the actuators 34; 50 of several adjusters. Only with the Adjustments in which the fixing is opened is done a setting.
  • Adjusting the contact pressure means that the contact pressure in the salaried state (in contact) of the roller to another roller before hiring or hired Condition is changeable, d. H. the surface pressure of the roller is in addition to parked condition changeable.

Landscapes

  • Engineering & Computer Science (AREA)
  • Mechanical Engineering (AREA)
  • Inking, Control Or Cleaning Of Printing Machines (AREA)
  • Spinning Or Twisting Of Yarns (AREA)
  • Treatments Of Macromolecular Shaped Articles (AREA)
  • Delivering By Means Of Belts And Rollers (AREA)
  • Treatment Of Fiber Materials (AREA)
  • Rolls And Other Rotary Bodies (AREA)
  • Fixing For Electrophotography (AREA)

Abstract

Die Erfindung betrifft ein Verfahren zum Einstellen des Anpressdrucks zwischen einer verstellbar gelagerten ersten Walze und zumindest einer zweiten Walze und/oder zum An- oder Abstellen der erste Walze an die zweite Walze in einer Druckmaschine, mit zumindest einem Aktor, mit dem die erste Walze mit einer einstellbaren Kraft in Richtung der zweiten Walze gedrückt wird, wobei die zweite Walze an ihrer Mantelfläche eine Unterbrechung aufweist, dadurch gekennzeichnet, dass mindestens zwei an den Formzylinder anstellbare Walzen zeitversetzt angestellt werden.

Description

Die Erfindung betrifft ein Verfahren zum Einstellen des Anpressdrucks einer verstellbar gelagerten Walze gemäß dem Oberbegriff des Anspruches 1.
In herkömmlichen Druckmaschinen, wie beispielsweise Rollenrotationsdruckmaschinen, sind eine Vielzahl von Walzen vorhanden. Insbesondere sind Farbwalzen vorgesehen, die der Übertragung der Farbe aus einem Farbspeicher auf die Plattenzylinder dienen. Durch die Farbwalzen kann die auf die Plattenzylinder übertragene Farbe dosiert werden, sodass die Farbe als einheitlicher Film bestimmter Dicke übertragen wird. Störungen, wie zum Beispiel Geschwindigkeitsschwankungen und Drehschwingungen können dadurch ausgeglichen werden.
Außerdem können in der Druckmaschine auch Feuchtwerkwalzen vorgesehen sein, die ein Feuchtmittel, beispielsweise Wasser, auf das Druckwerk übertragen.
Häufig werden Walzenpaare von miteinander in Eingriff stehenden Walzen gebildet, bei denen zumindest eine der Walzen eine Zylinderfläche aus elastischem Material aufweist, sodass diese Zylinderfläche abhängig vom Anpressdruck der gegenüberliegenden Walze zumindest geringfügig verformt werden kann. Im Ergebnis ergibt sich durch die elastische Verformung der Walzenoberfläche ein sich gradlinig zwischen den Walzen erstreckender Kontaktbereich, der als Kontaktstreifen bezeichnet wird. Die Breite des Kontaktstreifens kann durch die Erstellung des Anpressdrucks zwischen den Walzen variiert werden, wobei die Breite des Kontraktstreifens einen erheblichen Einfluss auf das Druckergebnis hat. Ist beispielsweise in einem Farbwerk der Kontaktstreifen zu schmal, so wird nicht genug Farbe übertragen, wohingegen in den Fällen, in denen der Kontaktstreifen zu breit ist, die elastische Walze durch die dabei auftretende Walkarbeit beschädigt werden kann.
Um insbesondere die Streifenbreite jeweils abhängig von den Betriebsbedingungen, beispielsweise der Temperatur der Druckmaschinen beziehungsweise deren Verschleißgrad, immer richtig einstellen zu können, ist es erforderlich, die eine Walze verstellbar zu lagern, sodass sie mit einem Aktor mit einer einstellbaren Kraft in Richtung der gegenüberliegenden Walze gedrückt werden kann. Ist dann der richtige Anpressdruck zwischen den beiden Walzen gefunden, wird eine Fixiereinrichtung zum Fixieren der ersten Walze relativ zur zweiten Walze betätigt, um den Anpressdruck dauerhaft aufrecht zu erhalten.
Aus der DE 197 19 305 A1 ist eine Vorrichtung zum Einstellen des Anpressdruckes zwischen zwei Walzen bekannt. Bei der dort beschriebenen Lageranordnung wird die verstellbar gelagerte Walze mit einer Feder, die sich am Gestell der Druckmaschine abstützt, gegen die gegenüberliegende Walze gedrückt. Dadurch stellt sich abhängig von der jeweils gewählten Federkennlinie immer ein bestimmter Anpressdruck zwischen den beiden Walzen aus. Zur Fixierung der Walze in der angepressten Stellung ist ein Klemmmechanismus mit Klemmhebel und Klemmplatte beschrieben, durch den die Walzenachse durch Reibschluss am Gestell der Druckmaschine fixierbar ist.
Aus der DE 199 19 733 A1 ist eine Vorrichtung zum halbautomatischen Einstellen von Walzen bekannt, bei der die verstellbar gelagerte Walze in einem Walzenhalter gehalten wird, der seinerseits an einem gestellfest angeordneten Rahmenhalter gelagert ist. Walzenhalter und Rahmenhalter können dabei gegeneinander verschoben werden und sind durch federelastische Mittel miteinander verbunden. Die federelastischen Mittel weisen dabei eine bestimmte Vorspannung auf, sodass die am Walzenhalter verstellbar gelagerte Walze mit einem bestimmten Anpressdruck gegen die gegenüberliegende Walze gedrückt werden kann. Zur Arretierung des Walzenhalters am Rahmenhalter sind Arretierbolzen vorgesehen, durch deren Zustellung der Walzenhalter reibschlüssig am Rahmenhalter beklemmt werden kann.
Die DE 38 08 142 A1 beschreibt eine Vorrichtung zum Lagern zweier Zylinder. Hierbei ist der Anpressdruck zwischen zwei an- und abstellbarer Walzen mittels Veränderung des Druckes des Druckmediums veränderbar. Auch ist ein Umschalteinrichtung angeordnet, mit der das Druckmedium wahlweise an verschiedene Aktoren führbar ist.
Die DE-OS 16 11 303 offenbart eine Vorrichtung zum An- und Abstellen eines Druckzylinders einer Tiefdruckmaschine, wobei ein Druckminderventil vorgesehen ist.
Durch die US 2 774 301 A und die GB 12 13 935 A sind Farbwalzen bekannt, die mittels druckmittelbetätigbarer Aktoren anstellbar sind. Hierbei ist ein Ventil zum Einstellen der Höhe des Druckes und zumindest ein Absperrventil vorgesehen.
Der Erfindung liegt die Aufgabe zugrunde, ein Verfahren zum Einstellen des Anpressdrucks einer verstellbar gelagerten Walze zu schaffen.
Die Aufgabe wird erfindungsgemäß durch die Merkmale des Anspruches 1 gelöst.
Bei den Vorrichtungen ist der Aktor zur Einstellung des Anpressdrucks in der Art eines mit einem Druckmedium, ein vorgespanntes Gas, insbesondere Druckluft, beaufschlagbaren Druckkörper ausgebildet. Zur Einstellung des Drucks des Druckmediums, um den Anpressdruck verändern zu können, sind Ventile vorgesehen. Da an einem Feucht- oder Farbwerk eine Vielzahl von einstellbaren Walzen vorgesehen sind, wäre eine der Anzahl der Aktoren entsprechende Anzahl von Ventilen normalerweise notwendig, was einen hohen gerätetechnischen Aufwand bedeutete. Dieser hohe Aufwand wird dadurch vermieden, dass eine Umschalteinrichtung vorgesehen ist, mit der die Stellventile wahlweise an verschiedene Aktoren anschließbar sind. Dies bedeutet mit anderen Worten, dass die einstellbaren Walzen dann nicht mehr alle gleichzeitig eingestellt werden können, sondern jeweils nur die Aktoren betätigbar sind, die über die Umschalteinrichtung mit den Einstellventilen verbunden sind. Je nach Ausbildung des Farb- oder Feuchtwerkes reichen aber zur Einstellung des gesamten Farb- oder Feuchtwerks wenige Ventile, mit denen nacheinander der Anpressdruck der verschiedenen einstellbaren Walzen eingestellt wird.
Nach einer bevorzugten Ausführungsform sind lediglich zwei Ventile vorgesehen, mit denen dann gleichzeitig der Druck von zwei Aktoren an einer einstellbaren Walze einstellbar ist. Zur Einstellung der verschiedenen einstellbaren Walzen wird dann so vorgegangen, dass jeweils eine einstellbare Walze durch Betätigung der beiden Ventile justiert wird und nach der Justierung durch Betätigung der Fixiereinrichtung die Einstellung fixiert wird. Nach der Fixierung kann dann mit der Einstellung der nächsten einstellbaren Walze fortgefahren werden.
Nach dem Verfahren wird die Winkellage der zweiten Walze, an der die erste Walze mit einstellbaren Anpressdruck angedrückt wird, erfasst. Durch Kontrolle dieser Winkellage ist es möglich, dass das Anpressen bzw. Anstellen der einstellbaren Walze dann nur in bestimmten Winkellagen der zweiten Walze durchgeführt wird.
Diese Art der Kontrolle des Andrückens ist besonders bei Formzylindern von Bedeutung, an deren Umfang Befestigungsmittel zur Befestigung der Druckplatten vorgesehen sind. Wird nämlich die Einstellung bzw. Anstellung der einstellbaren Walzen gerade in einer Winkellage vorgenommen, bei der die einstellbare Walze auf der Befestigungseinrichtung des Formzylinders zur Anlage kommt, werden die eingestellten Werte durch den veränderten Durchmesser im Bereich der Befestigungseinrichtung verfälscht. Diese Verfälschung kann durch die Kontrolle der Winkellage der zweiten Walze ausgeschlossen werden.
Nach einer weiteren bevorzugten Ausführungsform folgt die Einstellung des Anpressdrucks und/oder die Anstellung der ersten Walze an die zweite Walze bei gleichzeitiger Rotation der Walzen.
Ausführungsbeispiele der Erfindung sind in den Zeichnungen dargestellt und werden im folgenden näher beschrieben.
Es zeigen:
Fig. 1
eine schematisch dargestellte Vorrichtung zum Einstellen des Anpressdrucks zwischen zwei Walzen im Längsschnitt;
Fig. 2
die schematisch im Querschnitt dargestellte Vorrichtung gemäß Fig. 1 in einer Grundstellung;
Fig. 3
die schematisch im Querschnitt dargestellte Vorrichtung gemäß Fig. 1 in einer ausgelenkten Stellung;
Fig. 4
die Vorrichtung gemäß Fig. 1 in einer perspektivischen Ansicht von vorne;
Fig. 5
ein zweites Ausführungsbeispiel eines Aktors für eine Vorrichtung im Querschnitt;
Fig. 6
ein Farbwerk mit mehreren einstellbaren Walzen zur Anstellung an einem Formzylinder;
Fig. 7
eine Umschalteinrichtung zur wahlweisen Umschaltung zweier Ventile zwischen verschiedenen Aktoren.
In Fig. 1 ist eine Vorrichtung 20 zum Einstellen des Anpressdruckes zwischen einer ersten Walze 21 und einer zweiten Walze 22 dargestellt. Die Walze 21 kann mit den Enden ihrer Achse 23 bzw. Zapfen lösbar an einem an der Vorrichtung 20 vorgesehenen Schnellverschluss 24 befestigt werden. Derartige Schnellverschlüsse sind aus dem Stand der Technik bekannt und weisen eine halbkreisförmige Lagerschale auf, in die die Enden der Achse 23 eingelegt werden können. Durch Befestigung einer in Fig. 1 nicht dargestellten oberen Lagerschale kann dann die Achse 23 am Schnellverschluss 24 festgelegt werden.
Die Vorrichtung 20 ist im wesentlichen aus einem Rahmenhalter 26 und einem Walzenhalter 27 aufgebaut, die relativ zueinander in einer Stellebene, die sich senkrecht zur Zeichenebene erstreckt, gegeneinander verschoben werden können. Der Rahmenhalter 26 ist aus einer Grundplatte 28, die beispielsweise mittels eines Schwenkarms schwenkbar an dem Gestell einer Druckmaschine befestigt werden kann, und einem Hülsenkörper 29 aufgebaut. Auf der zur Walze 21 weisenden Seite weist der Hülsenkörper 29 eine Ausnehmung 31 auf, in die ein zylinderförmiger Abschnitt 32 des Walzenhalters 27 eingreift. Der Innendurchmesser der Ausnehmung 31 beziehungsweise der Außendurchmesser des Abschnitts 32 ist dabei so gewählt, dass sich ein in der Grundstellung kreiszylindrischer Spalt 33 mit einer Spaltbreite von ca. 1 mm bis 10 mm, insbesondere von ca. 2 mm bildet. Durch den Spalt 33 wird der maximale Stellbereich zur Verstellung des Walzenhalters 27 relativ zum Rahmenhalter 26 definiert.
Um die bei der Einstellung der Walze 21 erforderlichen Stellbewegungen realisieren zu können beziehungsweise den gewünschten Anpressdruck zwischen der Walze 21 und der Walze 22 aufbringen zu können, sind im Spalt 33 über den Umfang verteilt insgesamt vier in der Art von Druckschläuchen 34 ausgebildete Aktoren 34, von denen in Fig. 1 lediglich zwei im Schnitt dargestellt sind, angeordnet. Über in Fig. 1 nicht dargestellte Zuleitungen 48 (siehe Fig. 4) können die von der Wandung der Aktoren 34 gebildete Druckkammern 36 mit Druck beaufschlagt werden. Abhängig von den jeweiligen Druckverhältnissen in den vier Aktoren 34 wirkt auf den Walzenhalter 27 eine resultierende Kraft, sodass durch entsprechende Ansteuerung des Drucks in den Aktoren 34 die Walze 21 mit dem gewünschten Anpressdruck gegen die Walze 22 gedrückt werden kann. Da das in den Aktoren 34 unter Druck stehende Luftpolster kompressibel ist, können mechanische Störungen durch die daraus resultierende Federwirkung abgefangen werden.
Zur Fixierung des Walzenhalters 27 relativ zum Rahmenhalter 26 sind am Walzenhalter 27 Lammellenelemente 37 befestigt die mit am Hülsenkörper 29 befestigten Lammellenelementen 38 unter Bildung eines Lammellenpakets kämmend angeordnet sind. Zur reibschlüssigen Beklemmung des aus den Lammellenelementen 37 und 38 gebildeten Lammellenpakets 37 bzw. 38 ist ein im Querschnitt T-förmiger Stempel 39 vorgesehen, dessen kreisförmiger Stempelkopf 40 mit einem kreisringförmigen Flansch 41 am äußersten Lammellenelement 37 bzw. 38 des Lammellenpakets zur Anlage kommt. Am gegenüberliegenden Ende des Stempels 39 ist eine Druckplatte 42 befestigt, auf die die Federkraft eines in der Art eines Tellerfederpakets 43 ausgebildeten Federelements 43 wirkt. Das Federelement 43 wird vorgespannt zwischen die Druckplatte 42 und den Hülsenkörper 29 montiert, sodass das von den Lammellenelementen 37 und 38 gebildete Lammellenpaket durch die Federkraft, die vom Stempel 39 auf die Lammellenelemente 37 und 38 übertragen wird, beklemmt wird.
Zur Verstellung des Walzenhalters 27 relativ zum Rahmenhalter 26, insbesondere beim Einstellen des Anpressdruckes zwischen den Walzen 21 und 22 muss die von den Lammellenelementen 37 und 38 beziehungsweise dem Stempel 39 und der Druckplatte 42 gebildete Fixiereinrichtung gelöst werden. Dazu ist in der Grundplatte 28 ein Druckanschluss 44 vorgesehen, durch den eine Druckkammer 46 zwischen der Druckplatte 42 und der Grundplatte 28 mit einem Druckmedium, beispielsweise Druckluft beaufschlagt werden kann. Sobald der auf die Druckplatte 42 wirkende Luftdruck die Federkraft des Federelements 43 übersteigt, wird der Stempel 39 soweit vom äußersten Lammellenelement 37 bzw. 38 abgehoben, dass diese nicht mehr reibschlüssig beklemmt sind und relativ gegeneinander verschoben werden können.
Die Einstellung des Anpressdrucks zwischen den Walzen 21 und 22 erfolgt beispielsweise in folgender Weise. Zunächst wird die Druckkammer 46 mit einem ausreichenden Druck beaufschlagt, sodass die Lammellenelemente 37 und 38 nicht mehr reibschlüssig beklemmt werden. Anschließend werden die Aktoren 34 jeweils mit gerade soviel Druck beaufschlagt, dass sich der gewünschte Anpressdruck zwischen den Walzen 21 und 22 beziehungsweise zwischen der Walze 21 und weiteren, in Fig. 1 nicht dargestellten Walzen ausbildet und zu einem Kontaktstreifen der gewünschten Breite führt. Sobald die richtige Einstellung mit dem gewünschten Anpressdruck zwischen den Walzen 21 und 22 gefunden ist, wird die Druckkammer 46 druckentleert, wodurch der Stempel 39 die Lammellenelemente 37 und 38 miteinander beklemmt, sodass der Walzenhalter 27 relativ zum Rahmenhalter 26 in der gewünschten Stellung fixiert ist. Zuletzt werden die Aktoren 34 druckentleert.
In Fig. 2 und 3 ist das Wirkprinzip der Vorrichtung 20 bei der erforderlichen Stellbewegung in schematischer Weise dargestellt. Fig. 2 zeigt den Rahmenhalter 26 mit der Ausnehmung 31 und den darin eingreifenden Abschnitt 32 des Walzenhalters 27. Durch die Wahl der Abmessungen wird zwischen dem Rahmenhalter 26 und dem Abschnitt 32 des Walzenhalters 27 ein Spalt 33 gebildet, in dem die in Fig. 2 und 3 lediglich schematisch durch Kraftpfeile angedeuteten Aktoren 34 angeordnet sind. Die möglichen Stellbewegungen zwischen dem Rahmenhalter 26 und dem Walzenhalter 27 werden durch eine Stellebene, die sich in der Darstellung von Fig. 2 und 3 in der Zeichenebene erstreckt, definiert, wobei der Stellbereich der Stellbewegungen durch die Breite des Spalts 33 begrenzt ist.
Wie in Fig. 3 beispielhaft dargestellt, kann der Walzenhalter 27 und damit im Ergebnis die daran befestigte Walze 21 relativ zum Rahmenhalter 26 seitlich versetzt werden, was durch eine entsprechende Ansteuerung der Aktoren 34 und der daraus folgenden Kraftwirkung auf den Abschnitt 32 bewirkt wird. Sobald die gewünschte Stellung des Walzenhalters 27 relativ zum Rahmenhalter 26 gefunden ist, kann die von den Lammellenelementen 37 und 38 beziehungsweise dem Stempel 39 und der Druckplatte 42 gebildete Fixiereinrichtung betätigt werden, sodass die Stellung dauerhaft fixiert ist und die Aktoren 34 nicht weiter angetrieben werden müssen.
In Fig. 4 ist die Vorrichtung 20 mit Grundplatte 28 in einer perspektivischen Ansicht von vorne dargestellt. Der Hülsenkörper 29 wird mittels vier Befestigungsschrauben 47 an der Grundplatte 28 befestigt (siehe Fig. 1, schematisch dargestellt). Zwischen dem Hülsenkörper 29 des Rahmenhalters 26 und dem Walzenhalter 27, auf dessen nach vorne gerichteten Seite der halbschalenförmige Schnellverschluss 24 teilweise erkennbar ist (siehe Fig. 1), sind die vier in der Art von Druckschläuchen 34 ausgebildeten Aktoren 34 angeordnet, die über Zuleitungen 48 mit Druckluft beaufschlag werden können. Mittels der Druckplatte 42 können die erkennbaren Lammellenelemente 37 und 38 entspannt werden.
Man erkennt die außerordentlich kompakte Bauweise der Vorrichtung 20, die aufgrund ihrer insgesamt rotationssymmetrischen Ausbildung (abgesehen von der Grundplatte 28) einen kleineren Durchmesser aufweist, als die Walze 21 selbst (siehe Fig.1).
Fig. 5 zeigt ein zweites Ausführungsbeispiel eines Aktors 50 für eine Vorrichtung 20 im Querschnitt. Der grundsätzliche Aufbau der Vorrichtung 20 mit Rahmenhalter 26, Walzenhalter 27 und einer Fixiereinrichtung zur Fixierung des Walzenhalters 27 relativ zum Walzenhalter 26 entspricht dem mit Fig. 1 beschriebenen Aufbau und muss deshalb nicht weiter erläutert werden. Zur Bildung des Aktors 50 wird im Spalt 33 eine zylinderförmige Membran 51, deren oberer und unterer Rand mit dem Innendurchmesser des Hülsenkörpers 29 verbunden ist (in Fig. 5 nicht dargestellt), angeordnet. Die Membran 51 wird in zudem in vier streifenförmigen Bereichen 52 mit dem Innendurchmesser des Hülsenkörpers 29 verbunden, beispielsweise festgeklebt, sodass im Ergebnis durch den Hülsenkörper 29 und die Membran 51 vier Druckkammern 53 gebildet werden, die gleichmäßig über den Umfang des Spalts 33 verteilt sind. Die Druckkammern 53 können jeweils über Druckeinlassöffnungen 54 mit Druckluft beaufschlagt werden, sodass abhängig vom jeweiligen Druck in den vier Druckkammern 53 eine resultierende Kraft auf den Abschnitt 32 des Walzenhalters 27 wirkt.
In Fig. 6 ist ein Farbwerk 56 dargestellt, mit dem von einer Walze 57 Druckfarbe auf eine in der Art eines Formzylinders 22a ausgebildete Walze 22a übertragen werden kann. Zur Übertragung der Druckfarbe sind im Farbwerk 56 fünf einstellbare Walzen 21a; 21b; 21c; 21d; 21e vorgesehen. Die Enden der einstellbaren Walzen 21a bis 21e sind jeweils in Vorrichtungen 20 gelagert, was in Fig. 6 durch die entsprechenden Aktoren 34 angedeutet ist.
Auch können an den Formzylinder 22a vier oder fünf Walzen 21a; 21b; 21c; 21d; 21e, beispielsweise eine Feuchtauftragswalze und drei oder vier Farbauftragwalzen aufgestellt werden.
Durch Druckbeaufschlagung der entsprechenden Aktoren 34 können die Walzen 21a; 21c; 21e an die Walze 22a angestellt werden. Nach Anstellung der Walzen 21a; 21c; 21e kann durch Druckbeaufschlagung der verschiedenen Aktoren 34 an den Walzen 21a bis 21e der Anpressdruck zwischen den verschiedenen Walzen 57; 21a bis 21e; 22a eingestellt werden.
An der Walze 22a ist eine bzw. mehrere Befestigungseinrichtungen 58 oder Unterbrechungen 58 vorgesehen, die insbesondere in der Art eines Spalts 58 ausgebildet ist. In der Befestigungseinrichtung 58 können die Vorder- bzw. Hinterkante einer Druckplatte festgelegt werden, um die Druckplatte an der Walze 22a zu befestigen. Der Drehwinkel der Walze 22a wird durch einen nicht dargestellten Sensor erfasst und an die Steuerung weitergeleitet. Beim Anstellen der Walzen 21a; 21c; 21e bzw. bei der Einstellung des Anpressdruckes dieser Walzen 21a; 21c; 21e wird der jeweilige Drehwinkel der Walze 22a berücksichtigt, um dadurch zu verhindern, dass die Walzen 21a; 21c; 21e bei der Anstellung bzw. bei der Einstellung des Anpressdruckes an der Unterbrechung 58 anliegen. Die Einstellung der Walzen 21a bis 21e bzw. deren Anstellung an die Walze 22a kann auch bei rotierendem Druckwerk mit rotierender Walze 22a erfolgen. Die Einstellung des Anpressdrucks und/oder die Anstellung der ersten Walzen 21a bis 21e an die zweite Walze 22a erfolgt bei geringen Drehzahlen, insbesondere bei 3.000 bis 5.000 U/Std..
Die in Fig. 7 dargestellte Umschalteinrichtung 59 ist geeignet zur Ansteuerung der insgesamt 20 Aktoren an den einstellbaren Walzen 21a bis 21e auf einer Seite. Die Umschalteinrichtung 59 ist dabei lediglich schematisch dargestellt und wird nachfolgend kurz erläutert.
Aus einem Druckspeicher 61 kann ein Druckmedium, beispielsweise Druckluft mit ausreichend hohem Druckniveau entnommen werden. Über zwei Ventile 62; 63, insbesondere Druckregelventile 62; 63 strömt das Druckmedium in zwei getrennte Druckkammern 64; 66, in denen abhängig von der Stellung der Druckregelventile 62 und 63 ein entsprechendes Druckniveau herrscht. Über jedem Aktor 34 zugeordnete Druckleitungen 67 kann der in den Druckkammern 64 bzw. 66 eingestellte Druck zu den Aktoren 34 übertragen werden.
Die Umstellung der Umstelleinrichtung 59 erfolgt getaktet. Die Dauer eines Zeittaktes zur Einstellung einer einstellbaren Walze 21a bis 21e des Farbwerks 56 oder Feuchtwerks beträgt 0,1 bis 2 Sekunden, insbesondere 0,5 Sekunden.
In der Umschalteinrichtung 59 sind nun in Fig. 7 nicht dargestellte Absperreinrichtungen, beispielsweise Absperrventile vorgesehen, so dass wahlweise verschiedene der an die Druckkammern 64 und 66 angeschlossenen Druckleitungen 67 abgesperrt werden können. Soll nun der Anpressdruck an einer einstellbaren Walze 21 eingestellt werden, so werden alle Druckleitungen 67 abgesperrt, die zu Aktoren 34 führen, die für die Einstellung nicht erforderlich sind. Im Ergebnis folgt daraus, dass der durch die Druckregelventile 62; 63 eingeregelte Luftdruck nur zu den Aktoren 34 übertragen werden, die an der Einstellung der jeweils gewünschten Walze 21 beteiligt sind. Nach der Einstellung dieser Walze 21 wird der entsprechende Anpressdruck durch Betätigung der Fixiereinrichtung fixiert, so dass durch Umschaltung der Umschalteinrichtung 59 anschließend die nächste einstellbare Walze 21 eingestellt werden kann.
Anstelle der Umschalteinrichtung 59 mit Absperreinrichtung ist folgende Alternative möglich.
Die von beiden Druckregelventile 62; 63 eingestellten Luftdrücke liegen gleichzeitig an den Aktoren 34; 50 von mehreren Einstellvorrichtungen an. Nur bei den Einstellvorrichtungen bei denen die Fixiereinrichtung geöffnet wird erfolgt eine Einstellung.
Die anzustellende Walze 21; 21a; 21b; 21c; 21d; 21e die Mantelfläche der zweiten Walze 22; 22a bezogen auf die Umfangsrichtung in einen Abstand von kleiner 20 mm von dem vorlaufenden Ende der Unterbrechung 58 erfolgt.
Einstellen des Anpressdrucks bedeutet, dass der Anpressdruck im angestellten Zustand (in Kontakt) der Walze an eine andere Walze vor dem Anstellen oder im angestellten Zustand veränderbar ist, d. h. die Flächenpressung der Walze ist zusätzlich zum abgestellten Zustand veränderbar.
Bezugszeichenliste
01 bis 19
-
20
Vorrichtung
21
Walze
22
Walze
23
Achse
24
Schnellverschluss
25
-
26
Rahmenhalter
27
Walzenhalter
28
Grundplatte (26)
29
Hülsenkörper (26)
30
-
31
Ausnehmung (26)
32
Abschnitt (27)
33
Spalt
34
Aktor, Druckschlauch
35
-
36
Druckkammer
37
Lammellenelement (27)
38
Lammellenelement (26)
39
Stempel
40
Stempelkopf
41
Flansch (40)
42
Druckplatte
43
Federelement, Tellerfederpaket
44
Druckanschluss
45
-
46
Druckkammer
47
Befestigungsschraube
48
Zuleitung
49
-
50
Aktor
51
Membran
52
Befestigungsabschnitt
53
Druckkammer
54
Druckeinlassöffnung
55
-
56
Farbwerk
57
Walze
58
Befestigungseinrichtung, Unterbrechung, Spalt
59
Umschalteinrichtung
60
-
61
Druckspeicher
62
Ventil, Druckregelventil
63
Ventil, Druckregelventil
64
Druckkammer
65
-
66
Druckkammer
67
Druckleitung
21a
Walze
21b
Walze
21c
Walze
21d
Walze
21e
Walze
22a
Walze, Formzylinder

Claims (5)

  1. Verfahren zum Einstellen des Anpressdrucks zwischen einer verstellbar gelagerten ersten Walze (21; 21a; 21b; 21c; 21d; 21e) und zumindest einer zweiten Walze (22; 22a) und/oder zum An- oder Abstellen der erste Walze (21; 21a; 21b; 21c; 21d; 21e) an die zweite Walze (22; 22a) in einer Druckmaschine, mit zumindest einem Aktor (34; 50), mit dem die erste Walze (21; 21a; 21b; 21c; 21 d; 21e) mit einer einstellbaren Kraft in Richtung der zweiten Walze (22; 22a) gedrückt wird, wobei die zweite Walze (22; 22a) an ihrer Mantelfläche eine Unterbrechung (58) aufweist, dadurch gekennzeichnet, dass mindestens zwei an den Formzylinder (22a) anstellbare Walzen (21a; 21c; 21e) zeitversetzt angestellt werden.
  2. Verfahren nach Anspruch 1, dadurch gekennzeichnet, dass mindestens zwei an den Formzylinder (22a) anstellbare Walzen (21a; 21c; 21e) zeitversetzt angestellt werden.
  3. Verfahren nach Anspruch 1, dadurch gekennzeichnet, dass mindestens drei an den Formzylinder (22a) anstellbare Walzen (21a; 21c; 21e) zeitversetzt angestellt werden.
  4. Verfahren nach Anspruch 1, dadurch gekennzeichnet, dass mindestens vier an den Formzylinder (22a) anstellbare Walzen (21a; 21c; 21e) zeitversetzt angestellt werden.
  5. Verfahren nach Anspruch 1, dadurch gekennzeichnet, dass mindestens fünf an den Formzylinder (22a) anstellbare Walzen (21a; 21c; 21e) zeitversetzt angestellt werden.
EP05103008A 2002-09-21 2003-09-05 Verfahren zum Einstellen des Anpressdrucks einer verstellbar gelagerten Walze Withdrawn EP1570987A3 (de)

Applications Claiming Priority (3)

Application Number Priority Date Filing Date Title
DE2002144046 DE10244046B4 (de) 2002-09-21 2002-09-21 Vorrichtung zum Einstellen des Anpressdrucks einer verstellbar gelagerten Walze
DE10244046 2002-09-21
EP03798064A EP1539495B1 (de) 2002-09-21 2003-09-05 Vorrichtungen und verfahren zum einstellen des anpressdrucks einer verstellbar gelagerten walze

Related Parent Applications (1)

Application Number Title Priority Date Filing Date
EP03798064A Division EP1539495B1 (de) 2002-09-21 2003-09-05 Vorrichtungen und verfahren zum einstellen des anpressdrucks einer verstellbar gelagerten walze

Publications (2)

Publication Number Publication Date
EP1570987A2 true EP1570987A2 (de) 2005-09-07
EP1570987A3 EP1570987A3 (de) 2006-07-12

Family

ID=31983981

Family Applications (5)

Application Number Title Priority Date Filing Date
EP05103000A Withdrawn EP1570985A3 (de) 2002-09-21 2003-09-05 Vorrichtung zum Einstellen des Anpressdrucks einer verstellbar gelagerten Walze
EP03798064A Expired - Lifetime EP1539495B1 (de) 2002-09-21 2003-09-05 Vorrichtungen und verfahren zum einstellen des anpressdrucks einer verstellbar gelagerten walze
EP05103011A Withdrawn EP1570988A3 (de) 2002-09-21 2003-09-05 Verfahren zum Einstellen des Anpressdrucks einer verstellbar gelagerten Walze
EP05103004A Expired - Lifetime EP1570986B1 (de) 2002-09-21 2003-09-05 Verfahren zum Einstellen des Anpressdrucks einer verstellbar gelagerten Walze
EP05103008A Withdrawn EP1570987A3 (de) 2002-09-21 2003-09-05 Verfahren zum Einstellen des Anpressdrucks einer verstellbar gelagerten Walze

Family Applications Before (4)

Application Number Title Priority Date Filing Date
EP05103000A Withdrawn EP1570985A3 (de) 2002-09-21 2003-09-05 Vorrichtung zum Einstellen des Anpressdrucks einer verstellbar gelagerten Walze
EP03798064A Expired - Lifetime EP1539495B1 (de) 2002-09-21 2003-09-05 Vorrichtungen und verfahren zum einstellen des anpressdrucks einer verstellbar gelagerten walze
EP05103011A Withdrawn EP1570988A3 (de) 2002-09-21 2003-09-05 Verfahren zum Einstellen des Anpressdrucks einer verstellbar gelagerten Walze
EP05103004A Expired - Lifetime EP1570986B1 (de) 2002-09-21 2003-09-05 Verfahren zum Einstellen des Anpressdrucks einer verstellbar gelagerten Walze

Country Status (8)

Country Link
US (3) US7387069B2 (de)
EP (5) EP1570985A3 (de)
JP (1) JP4307382B2 (de)
CN (2) CN1331669C (de)
AT (2) ATE461042T1 (de)
AU (1) AU2003266200A1 (de)
DE (5) DE10261985A1 (de)
WO (1) WO2004028810A1 (de)

Families Citing this family (18)

* Cited by examiner, † Cited by third party
Publication number Priority date Publication date Assignee Title
DE10261985A1 (de) * 2002-09-21 2004-04-08 Koenig & Bauer Ag Vorrichtung zum Einstellen des Anpressdrucks einer verstellbar gelagerten Walze
DE102004004665B4 (de) 2004-01-30 2005-12-29 Koenig & Bauer Ag Vorrichtung zum Einstellen einer von einer Walze in einem Walzenstreifen auf einen benachbarten Rotationskörper ausgeübten Anpresskraft und zum Anstellen der Walze an den Rotationskörper oder zum Abstellen der Walze von dem Rotationskörper
BRPI0609937A2 (pt) * 2005-04-21 2010-05-11 Koenig & Bauer Ag mecanismo de impressão com ao menos dois cilindros cooperantes
DE102006028434B4 (de) * 2005-06-23 2014-01-30 Koenig & Bauer Aktiengesellschaft Druckeinheit einer Druckmaschine mit mindestens zwei Druckwerken
JP2007229954A (ja) * 2006-02-27 2007-09-13 Mitsubishi Heavy Ind Ltd 印刷機械のニップ確認システム、およびプログラム
DE102006030290B3 (de) 2006-03-03 2007-10-18 Koenig & Bauer Aktiengesellschaft Druckwerk
WO2007099148A2 (de) 2006-03-03 2007-09-07 Koenig & Bauer Aktiengesellschaft Druckwerke einer druckmaschine
US8919250B2 (en) * 2010-08-02 2014-12-30 Goss International Americas, Inc. Printing press and method for positioning cylinders therein
US8854634B2 (en) * 2012-06-14 2014-10-07 Xerox Corporation Transfix roller with adjustable crown for use in an indirect printer
US8888480B2 (en) 2012-09-05 2014-11-18 Aprecia Pharmaceuticals Company Three-dimensional printing system and equipment assembly
CN104640686B (zh) 2012-09-05 2018-01-30 阿普雷奇亚制药公司 三维打印系统和设备组件
JP6170234B2 (ja) 2013-03-15 2017-07-26 アプレシア・ファーマスーティカルズ・カンパニー レベチラセタムを含む急速に分散する剤形
FR3004671B1 (fr) * 2013-04-22 2015-05-22 Pakea Machine pour la fabrication en continu de corps tubulaires de boites notamment a base de carton ou similaire
CN104908409A (zh) * 2015-06-01 2015-09-16 铜陵方正塑业科技有限公司 印刷装置
WO2017034951A1 (en) 2015-08-21 2017-03-02 Aprecia Pharmaceuticals Company Three-dimensional printing system and equipment assembly
US10765658B2 (en) 2016-06-22 2020-09-08 Mastix LLC Oral compositions delivering therapeutically effective amounts of cannabinoids
CN112297605A (zh) * 2020-10-10 2021-02-02 山东华冠智能卡有限公司 一种基于石墨烯导电浆料的rfid天线印刷设备
CN112895683A (zh) * 2020-12-28 2021-06-04 安徽庆丰余防伪科技有限公司 一种用于防伪标签的压合装置

Citations (6)

* Cited by examiner, † Cited by third party
Publication number Priority date Publication date Assignee Title
US2774301A (en) 1953-05-13 1956-12-18 Hoe & Co R Ink roller mounting for printing machines
GB1213935A (en) 1968-02-07 1970-11-25 Albert Schnellpressen Improvements in or relating to inking apparatus for rotary printing presses
DE1611303A1 (de) 1968-01-29 1970-12-10 Albert Schnellpressen Vorrichtung zum An- und Abstellen des Druckzylinders mit der Zwischenwalze gegenueber dem Formzylinder an Tiefdruckrotationsmaschinen
DE3808142A1 (de) 1988-03-11 1989-09-21 Goebel Gmbh Maschf Lagereinrichtung
DE19719305A1 (de) 1997-05-07 1998-11-12 Roland Man Druckmasch Lageranordnung für eine Walze eines Farb- oder Feuchtwerkes
DE19919733A1 (de) 1998-05-22 1999-11-25 Heidelberger Druckmasch Ag Vorrichtung und Verfahren zum halbautomatischen Einstellen von Walzen

Family Cites Families (20)

* Cited by examiner, † Cited by third party
Publication number Priority date Publication date Assignee Title
DE64064C (de) l. D. craig in San Francisco, Staat Californien, V. St. A Zweiseitig mit Klebstoff versehener Streifen zur Verbindung von Papierblättern u. dergl
US2306044A (en) * 1939-05-05 1942-12-22 Davidson William Ward Printing press
US3157118A (en) * 1962-07-02 1964-11-17 Miller Printing Machinery Co Printing press
US3389450A (en) * 1966-05-20 1968-06-25 Mount Hope Machine Company Inc Non-deflecting roll
DE1561014B1 (de) * 1967-03-02 1970-02-12 Maschf Augsburg Nuernberg Ag Verstellbare Walzenlagerung, insbesondere für Reib- und Auftragwalzen von Farbwerken an Druckmaschinen
DE3820026A1 (de) * 1988-06-13 1989-12-14 Heidelberger Druckmasch Ag Vorrichtung zur kraftschluessigen kupplung eines festzahnrades und eines verstellzahnrades an einem zylinder einer wendeeinrichtung in einer bogenrotationsdruckmaschine und elektrische absicherung einer solchen vorrichtung
DE4216781C2 (de) * 1992-05-21 1995-08-03 Heidelberger Druckmasch Ag Vorrichtung zur Aufnahme von Rotationskörperzapfen
DE4231673C2 (de) 1992-09-22 1994-11-10 Roland Man Druckmasch Vorrichtung zur Walzeneinstellung in Druckmaschinen
US5448949A (en) * 1993-08-24 1995-09-12 Heidelberger Druckmaschinen Ag Method and device for adjusting a contact pressure between ink-carrying cylinders of a printing machine
DE4436629C2 (de) 1994-10-13 1998-08-13 Koenig & Bauer Albert Ag Lagerbuchse
CN2210784Y (zh) * 1995-01-17 1995-10-25 邵一康 标签印刷机供、输、匀、刷墨机构
US5678485A (en) * 1995-12-22 1997-10-21 Heidelberger Druckmaschinen Ag Counterpoise and lift mechanism
DE19717305A1 (de) 1997-04-24 1998-11-05 Hans Hager Kurbeltrieb
DE19822662C2 (de) * 1998-05-20 2003-12-24 Roland Man Druckmasch Verfahren zur Farbreproduktion auf einer Bilddaten orientierten Druckmaschine
US6098542A (en) 1999-02-17 2000-08-08 Heidelberger Druckmaschinen Ag Method and device for force loading a rubber blanket roller in a printing press
DE10152021C2 (de) * 2001-03-20 2003-05-08 Koenig & Bauer Ag Vorrichtung zum Einstellen des Anpressdrucks einer verstellbar gelagerten Walze
DE10113314C2 (de) * 2001-03-20 2003-10-30 Koenig & Bauer Ag Fixiereinrichtung
CN2493402Y (zh) * 2001-06-07 2002-05-29 万谙机械企业股份有限公司 印刷机的印刷装置
EP1465771B1 (de) 2001-12-06 2009-02-18 Koenig & Bauer Aktiengesellschaft Verfahren und vorrichtungen zum einstellen mindestens einer walze in einer druckmaschine und/oder zum an-/abstellen derselben
DE10261985A1 (de) * 2002-09-21 2004-04-08 Koenig & Bauer Ag Vorrichtung zum Einstellen des Anpressdrucks einer verstellbar gelagerten Walze

Patent Citations (6)

* Cited by examiner, † Cited by third party
Publication number Priority date Publication date Assignee Title
US2774301A (en) 1953-05-13 1956-12-18 Hoe & Co R Ink roller mounting for printing machines
DE1611303A1 (de) 1968-01-29 1970-12-10 Albert Schnellpressen Vorrichtung zum An- und Abstellen des Druckzylinders mit der Zwischenwalze gegenueber dem Formzylinder an Tiefdruckrotationsmaschinen
GB1213935A (en) 1968-02-07 1970-11-25 Albert Schnellpressen Improvements in or relating to inking apparatus for rotary printing presses
DE3808142A1 (de) 1988-03-11 1989-09-21 Goebel Gmbh Maschf Lagereinrichtung
DE19719305A1 (de) 1997-05-07 1998-11-12 Roland Man Druckmasch Lageranordnung für eine Walze eines Farb- oder Feuchtwerkes
DE19919733A1 (de) 1998-05-22 1999-11-25 Heidelberger Druckmasch Ag Vorrichtung und Verfahren zum halbautomatischen Einstellen von Walzen

Also Published As

Publication number Publication date
CN1688443A (zh) 2005-10-26
DE10261985A1 (de) 2004-04-08
US20080229960A1 (en) 2008-09-25
WO2004028810A1 (de) 2004-04-08
CN101041286A (zh) 2007-09-26
DE10261983A1 (de) 2004-04-08
JP4307382B2 (ja) 2009-08-05
JP2005538876A (ja) 2005-12-22
EP1539495B1 (de) 2010-03-17
AU2003266200A1 (en) 2004-04-19
EP1570985A2 (de) 2005-09-07
EP1570988A3 (de) 2006-07-12
EP1570987A3 (de) 2006-07-12
CN1331669C (zh) 2007-08-15
EP1570986A2 (de) 2005-09-07
CN101041286B (zh) 2011-12-14
DE50313271D1 (de) 2010-12-30
EP1570985A3 (de) 2006-07-12
US20080229961A1 (en) 2008-09-25
ATE461042T1 (de) 2010-04-15
US7765930B2 (en) 2010-08-03
EP1570988A2 (de) 2005-09-07
US7387069B2 (en) 2008-06-17
EP1539495A1 (de) 2005-06-15
EP1570986B1 (de) 2010-11-17
DE50312535D1 (de) 2010-04-29
US20060042485A1 (en) 2006-03-02
EP1570986A3 (de) 2006-07-12
DE10261984A1 (de) 2004-04-08
ATE488365T1 (de) 2010-12-15

Similar Documents

Publication Publication Date Title
EP1570986B1 (de) Verfahren zum Einstellen des Anpressdrucks einer verstellbar gelagerten Walze
EP1461207B1 (de) Verfahren zum betrieb eines farbwerkes oder feuchtwerkes in einer druckmaschine
EP1379385B1 (de) Vorrichtungen zum einstellen eines anpressdrucks einer verstellbar gelagerten walze
DE10113314C2 (de) Fixiereinrichtung
DE10244046B4 (de) Vorrichtung zum Einstellen des Anpressdrucks einer verstellbar gelagerten Walze
DE10262042B4 (de) Farbwerk mit zumindest drei Walzen bzw. Zylinder

Legal Events

Date Code Title Description
PUAI Public reference made under article 153(3) epc to a published international application that has entered the european phase

Free format text: ORIGINAL CODE: 0009012

AC Divisional application: reference to earlier application

Ref document number: 1539495

Country of ref document: EP

Kind code of ref document: P

AK Designated contracting states

Kind code of ref document: A2

Designated state(s): AT BE BG CH CY CZ DE DK EE ES FI FR GB GR HU IE IT LI LU MC NL PT RO SE SI SK TR

AX Request for extension of the european patent

Extension state: AL LT LV MK

RIN1 Information on inventor provided before grant (corrected)

Inventor name: JENTZSCH, PETER

Inventor name: FAIST, BERND

Inventor name: SCHNEIDER, GEORG

PUAL Search report despatched

Free format text: ORIGINAL CODE: 0009013

AK Designated contracting states

Kind code of ref document: A3

Designated state(s): AT BE BG CH CY CZ DE DK EE ES FI FR GB GR HU IE IT LI LU MC NL PT RO SE SI SK TR

AX Request for extension of the european patent

Extension state: AL LT LV MK

17P Request for examination filed

Effective date: 20060621

AKX Designation fees paid

Designated state(s): AT BE BG CH CY CZ DE DK EE ES FI FR GB GR HU IE IT LI LU MC NL PT RO SE SI SK TR

STAA Information on the status of an ep patent application or granted ep patent

Free format text: STATUS: THE APPLICATION HAS BEEN WITHDRAWN

17Q First examination report despatched

Effective date: 20100519

18W Application withdrawn

Effective date: 20100602