EP0417752A2 - Mechanische oder hydraulische Presse mit Zieheinrichtung oder Ziehstufe einer Stufenpresse - Google Patents

Mechanische oder hydraulische Presse mit Zieheinrichtung oder Ziehstufe einer Stufenpresse Download PDF

Info

Publication number
EP0417752A2
EP0417752A2 EP90117535A EP90117535A EP0417752A2 EP 0417752 A2 EP0417752 A2 EP 0417752A2 EP 90117535 A EP90117535 A EP 90117535A EP 90117535 A EP90117535 A EP 90117535A EP 0417752 A2 EP0417752 A2 EP 0417752A2
Authority
EP
European Patent Office
Prior art keywords
piston
sheet metal
metal holder
cylinder unit
pressure
Prior art date
Legal status (The legal status is an assumption and is not a legal conclusion. Google has not performed a legal analysis and makes no representation as to the accuracy of the status listed.)
Granted
Application number
EP90117535A
Other languages
English (en)
French (fr)
Other versions
EP0417752B1 (de
EP0417752A3 (en
Inventor
Erich Harsch
Hans Engelhardt
Current Assignee (The listed assignees may be inaccurate. Google has not performed a legal analysis and makes no representation or warranty as to the accuracy of the list.)
Maschinenfabrik Mueller Weingarten AG
Mueller Weingarten AG
Original Assignee
Maschinenfabrik Mueller Weingarten AG
Mueller Weingarten AG
Priority date (The priority date is an assumption and is not a legal conclusion. Google has not performed a legal analysis and makes no representation as to the accuracy of the date listed.)
Filing date
Publication date
Application filed by Maschinenfabrik Mueller Weingarten AG, Mueller Weingarten AG filed Critical Maschinenfabrik Mueller Weingarten AG
Publication of EP0417752A2 publication Critical patent/EP0417752A2/de
Publication of EP0417752A3 publication Critical patent/EP0417752A3/de
Application granted granted Critical
Publication of EP0417752B1 publication Critical patent/EP0417752B1/de
Anticipated expiration legal-status Critical
Expired - Lifetime legal-status Critical Current

Links

Images

Classifications

    • BPERFORMING OPERATIONS; TRANSPORTING
    • B21MECHANICAL METAL-WORKING WITHOUT ESSENTIALLY REMOVING MATERIAL; PUNCHING METAL
    • B21DWORKING OR PROCESSING OF SHEET METAL OR METAL TUBES, RODS OR PROFILES WITHOUT ESSENTIALLY REMOVING MATERIAL; PUNCHING METAL
    • B21D24/00Special deep-drawing arrangements in, or in connection with, presses
    • B21D24/10Devices controlling or operating blank holders independently, or in conjunction with dies
    • BPERFORMING OPERATIONS; TRANSPORTING
    • B21MECHANICAL METAL-WORKING WITHOUT ESSENTIALLY REMOVING MATERIAL; PUNCHING METAL
    • B21DWORKING OR PROCESSING OF SHEET METAL OR METAL TUBES, RODS OR PROFILES WITHOUT ESSENTIALLY REMOVING MATERIAL; PUNCHING METAL
    • B21D24/00Special deep-drawing arrangements in, or in connection with, presses
    • B21D24/10Devices controlling or operating blank holders independently, or in conjunction with dies
    • B21D24/14Devices controlling or operating blank holders independently, or in conjunction with dies pneumatically or hydraulically

Definitions

  • the invention relates to a mechanical or hydraulic press with a pulling device or drawing step of a step press according to the preamble of claim 1.
  • sheet metal holder a special sheet metal counterholder - hereinafter referred to as "sheet metal holder” - and the descending upper tool.
  • the force exerted by the plunger during the decline must counteract a counterforce via a yielding cushion.
  • the counterforce is applied to the sheet metal holder by an underlying pressure cheek - also known as a pressure cushion or die cushion.
  • the required amount of work which is applied as a counterforce to the sheet holder by means of a die cushion loaded with air or hydraulic medium, is measured from the product counterforce times the way. Due to the tappet force acting on the sheet metal holder from above, part of the energy in one die Counter force for the sheet metal holder storing stored and can relieve the drive as a restoring force on the plunger after the pulling process, when the die cushion and the plunger rises again. If the die cushion is held back in its lower position and raised again under pressure control, the entire energy generated when the ram and the sheet metal holder are lowered is converted into heat. Large presses are very large amounts of energy. For example, with a sheet metal holder force of 4,000 kN, a stroke of 200 mm occurs at a stroke rate of 15 per min. a power loss of 196 kW.
  • the central piston-cylinder unit Due to the direct coupling of the press ram via the tie rods with the sheet metal holder frame, part of the press energy can be introduced into a store and recovered when the ram falls.
  • the central piston-cylinder unit on the one hand, has to perform large strokes with the press ram movement due to the rigid connection via the tie rods. On the other hand, it must exert high opposing forces during the actual sheet metal holding process. This requires complicated control systems that have to control large amounts of hydraulic medium at both low and high pressures.
  • the central piston-cylinder unit on the sheet metal holder frame must set the respective initial position of the sheet metal holder, which is not readily possible with the large lifting movements taking place. Therefore, a decoupling of the various movements has been proposed according to DE-OS 38 35 376.
  • tie rods are also provided between the upper press ram and a lower horizontal cross member, the cross member in turn being connected to a central pneumatic piston-cylinder unit for actuating a die cushion for the sheet metal holder.
  • a central pneumatic piston-cylinder unit for actuating a die cushion for the sheet metal holder.
  • additional hydraulic piston-cylinder units are introduced into the force flow of the tie rods.
  • a synchronous vertical lifting movement is thus generated by these working cylinders assigned to each tie rod.
  • the piston-cylinder units connected to the tie rods are used for the direct hydraulic bracing between the press ram and the sheet metal holder. This is through the direct direct mechanical coupling between the lower cross member and the sheet holder.
  • the central or middle piston-cylinder unit is designed as a pneumatic cylinder unit and serves only as an ejector mechanism after the pulling process.
  • the pulling device according to the invention with the characterizing features of claim 1 has the advantage that a pulling device is created whose energy losses are greatly reduced. This is achieved in particular by decoupling a pneumatic cylinder provided for lifting the die cushion with a sheet metal holder and several separate piston-cylinder units. In this respect, this corresponds initially to the solution according to DE 38 35 376. In this document, however, the die cushion is only supported via a central central rod, which also serves as a piston rod for the central piston-cylinder unit. Different pressurization of the piston-cylinder units arranged on the side must be compensated for by a swinging cross-beam.
  • piston-cylinder units are provided in the corner points of a die cushion or a pressure cheek, which can act separately controlled on the die cushion and thus on the sheet metal holder.
  • the pressurization of these piston-cylinder units to produce a specific bracing of the sheet metal holder takes place exclusively during the actual one Forming process.
  • the invention provides various options for controlling these piston-cylinder units.
  • the piston-cylinder units acting in the corner areas of the die cushion are then used for the specific bracing of the sheet metal holder during the actual forming process.
  • the hydraulic bracing takes place via the mechanical coupling of the press ram via the tie rods, the lower sheet metal holder frame and the housings of the piston-cylinder units connected to it. This considerably relieves the load on the stationary press frame or press table, since the force on the sheet metal holder is absorbed in a closed force circuit.
  • the piston of the piston-cylinder units engaging at the corners of the die cushion is designed as a piston which can be acted on from both sides, the piston rod being guided out of the cylinder housing with the same pressure gauge at the top and bottom.
  • the printing medium can be moved very easily when the Pistons inside the cylinder housing are guided from top to bottom via a proportional valve.
  • the piston is held in place locally in the cylinder housing by closing the proportional valve, which causes the overall tension of the blecti holder.
  • An additional targeted and, if necessary, program-controlled pressurization of the lower piston surface by additional control can compensate for leakage losses and / or lead to the targeted force application of the sheet metal holder.
  • the flow between the upper and lower cylinder space of the piston-cylinder units supporting the pressure cheek is initially shut off by means of a separate piston-cylinder unit and subsequently the upper pressure space of the piston-cylinder units supporting the die cushion is shifted by a further displacement of the additional piston-cylinder unit can be pressurized.
  • the piston of the additional piston-cylinder unit can have a predetermined curve shape for a desired acceleration characteristic in its upper region. The time at which the acceleration is activated can also be set.
  • An alternative embodiment is also advantageous in that further pressure is applied to the lower pressure chamber of the piston-cylinder units supporting the die cushion by a piston-cylinder unit connected to it, the displacement of the piston of this piston-cylinder unit taking place by means of an adjustable stop when the additional piston-cylinder unit arranged in the sheet metal holder frame and thus the associated piston are moved downward.
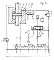
  • the drawing devices or presses 1 in FIGS. 1, 2 and 4 consist of a stationary press table 2 with a table support 3 for receiving the lower tool 4 for producing a workpiece, represented by the board 5 which has not yet been machined.
  • the board 5 is on a sheet metal holder 6 hung up, which is guided in the lower tool 4 with stamp 4 '.
  • the upper tool 7 is connected to the press ram 8.
  • the sheet metal holder 6 is supported by pressure bolts 9 on a pressure cheek 10 - also called pressure cushion or die cushion.
  • tension rods or connecting rods 12 are articulated on the press ram 8 via bolts 11, which in turn are connected in their lower region via bolts 11 to a lower sheet metal holder frame 13.
  • the sheet metal holder frame 13 is accordingly guided rigidly with the press ram 8 within the press table 2.
  • Four piston-cylinder units 14 to 16 are fixedly connected to the sheet metal holder frame 13, the cylinder being designated by reference numeral 14 and the piston rod by reference numeral 15.
  • the piston 16 running in the cylinder 14 divides the inner pressure chamber 17 into an upper pressure chamber 18 and into a lower pressure chamber 19.
  • the piston rods 15 are firmly connected in their upper region to the underside of the die cushion 10 via a holder 20.
  • the die cushion 10 is hereby supported by four piston-cylinder units 14 to 16 in its corner regions, so that a targeted influence on the sheet metal holder of the sheet metal holder 6 is possible.
  • the pressure cheek 10 is guided in the press table 2 and is moved upwards by a central piston-cylinder unit 21 to 23, the cylinder stationary in the press table with reference number 21 and that in the cylinder housing Movable piston rod acting on the die cushion 10 is designated by reference numeral 22.
  • the piston itself is identified by reference number 23.
  • the piston-cylinder unit 21 to 23 is designed as a prestressed compressed air cylinder and is closed in the lower region by a flange 24.
  • the piston rod 22 is extended downwards by the piston 23 through a further piston rod 25 with a smaller cross section, which projects downward through the flange 24 and is provided at its end with a further piston 26 in a cylinder housing 27.
  • the pressure chamber 28 arranged above the piston 26 is closed by a check valve 29 as a pressure chamber with a damping function and is used via a throttle circuit (not shown in detail) to dampen the upward movement of the upper piston 23 before its upper end stop.
  • the pressure chamber 30 of the piston-cylinder unit 21 to 23 lying below the piston 23 is prestressed with compressed air via the pressure line 31 and a proportional valve 32 with accumulator 33.
  • the further valve 34 serves to equalize the pressure.
  • the upper piston rod 15 is passed through the piston 16 in the piston-cylinder unit 14 to 16 and continued in the lower region in the pressure chamber 19 as a piston rod 15 '.
  • this piston rod region 15 ' is passed through the sheet metal holder frame 13 and attached to a cross member 35 at the lower end.
  • the 1 furthermore has a control piston 36, 37 integrated in the cylinder housing 14, the upper cylinder bore 36 in the cylinder housing 14 is arranged parallel to the cylinder space or pressure space 17 and extends downward through the sheet metal holder frame 13.
  • the continued in the sheet metal holder frame is designated 36 '.
  • the cylinder bore 36, 36 ' is penetrated from below by a piston rod 37 which is hinged to an actuator 38 for adjusting the starting position of the piston rod 37.
  • the height adjustment motor 38 is itself attached to the crossbar 35.
  • the press ram 8 moves with the upper tool 7 including the four tie rods 12 with the sheet metal holder frame 13 fastened thereon downward in the direction of the lower tool 4.
  • the four cylinder housings 14 connected to the sheet metal holder frame 13 likewise move downwards, the hydraulic oil contained in the upper pressure chamber 18 of the piston-cylinder units 14 to 16 having to escape.
  • the upper pressure chamber 18 and the lower pressure chamber 19 of each piston-cylinder unit 14 to 16 are connected to one another via a pressure line 39 and a proportional valve 40, so that the pressure medium from the pressure chamber 18 into the pressure chamber 19 during the downward movement of the Cylinder housing 14 can flow without pressure.
  • the die cushion 10 itself is held in its upper position by the piston-cylinder unit 21 to 23, which is designed as a pneumatic cylinder unit, the pressure being applied via the proportional valve 32.
  • the upper stop is formed by the stop of the lower piston 26 of the lower hydraulic piston-cylinder unit 26, 27 serves as a damping unit. To maintain this position, only a slight pressure of the reservoir 33 is required.
  • the proportional valve 40 is closed shortly before the upper tool 7 is placed on the board 5 and thus on the sheet metal holder 6.
  • a pressure accumulator 42, 42 ' is opened by means of the proportional valve 41, which suddenly applies pressure to the lower pressure chamber 19, as a result of which the piston 16 and thus the die cushion 10 are pressed upwards.
  • the proportional valve 41 then also takes over, if necessary, a program-controlled regulation of the pressure profile of each individual piston-cylinder unit 14 to 16.
  • the components, which are also shown in FIG. 3a, are required as measurement and control variables.
  • FIG. 3b In the representation of the invention according to FIG. 1, in contrast to that according to FIG. 2, an additional acceleration device for the sheet metal holder 6 is provided.
  • the circuit diagram for this is shown in Fig. 3b.
  • the control piston 37 already described in relation to FIG. 1 moves in one Cylinder bore 36 or 36 'upwards.
  • this upward movement of the control piston 37 represents a downward movement of the cylinder housing 14, connected to the downward movement of the press ram 8 and the sheet metal holder frame 13 in connection with the cylinder housings 14.
  • the control piston 37 is rigidly connected via the cross member 35 to the piston rods 15, 15 ' .
  • the cylinder bore 36 is connected to the upper pressure chamber 18 via a pressure line 43 and to the lower pressure chamber 19 of the pressure chamber or cylinder chamber 17 via a lower line 44.
  • the flow of the pressure line 43 to the upper pressure chamber 18 can be controlled via a proportional valve 45 and a corresponding control valve 46.
  • Fig. 1 in the left piston-cylinder unit 14 to 16.
  • the right piston-cylinder unit 14 to 16 contains only a bare through hole 43 '.
  • the acceleration device is used as follows:
  • this acceleration process is shown again as a curve.
  • the X-axis shows the angle of rotation of the rotating plunger drive, the Y-axis the plunger stroke.
  • Curve 48 shows the tappet path. The bottom dead center is marked with UT.
  • the path of the die cushion 10 is shown at 49.
  • the inlet bore 44 to the lower pressure chamber 19 is closed by the control curve 47 of the control piston 37 and the die cushion 10 is accelerated by the amount a ⁇ 30 mm before the upper tool 7 touches the sheet holder 6 at point 51 at the angle of rotation X2.
  • the path of the die cushion 10 according to curve 49 is the same as the path of the sheet metal holder 6. This pre-acceleration dampens the impact of the upper tool on the sheet metal holder. From point 51 to point 52 then the sheet metal holder and the press ram moves over the same curve path 48 '.
  • the design of the piston-cylinder unit 14 to 16 is configured somewhat differently.
  • the lower piston rod 15 ', d. H. the control schemes shown in FIGS. 3a and 3b do not apply here.
  • the pressure medium accordingly not only swings from the upper pressure chamber 18 into the lower pressure chamber 19, but is controlled from the outside.
  • the lower pressure chamber 19 ' is connected via a bore 55 to a further piston-cylinder unit 56 to 58, 56 representing the cylinder housing and 57 the piston rod.
  • the piston 58 runs in the cylinder housing 56.
  • the piston-cylinder unit 56 to 58 is firmly integrated in the sheet metal holding frame and moves with it.
  • the piston rod 57 hits a lower stop 59, the height position "h" of which can be adjusted via the servomotor 60.
  • the stop 59 with the servomotor 60 is arranged in a stationary manner in the press table 2.
  • the piston 58 is now pushed upward within the cylinder housing 56, which leads to an increase in pressure in the lower pressure chamber 19 'and thus to the actual sheet metal holder pressure.
  • the proportional valve 61 regulates the pressure in the lower pressure chamber 19 according to predetermined values. A path-dependent program-controlled pressurization of the sheet metal holder 6 is thus possible.
  • the clamped between the sheet metal holder 6 and the lower tool 7 5 initially moves during the distance s to the punch 4 'of the lower tool 4 before the actual drawing process begins.
  • the pressure in the piston-cylinder units 14 to 16 is Cylinder unit 56 to 58 constructed, which forms the holding pressure for the sheet metal holder. Thereafter, no further energy is required on the sheet metal holder, except that which is required by the piston-cylinder unit 56 to 58 to compensate for any pressure losses.
  • the system is tense.
  • the pressure cheek 10 is moved upwards by the pneumatic piston-cylinder unit 21 to 23, the damping device of the hydraulic piston-cylinder unit 26, 27 damping the upper impact.
  • the oil column under the pressure piston 16 can then flow back into the accumulator 52 via the valve 53. This takes place during the upward movement of the press ram 8 and thus of the sheet metal holder frame 13 with the cylinder housing 14.
  • the pressure medium flows from the lower pressure chamber 19 into the upper pressure chamber 18 in this case.
  • the invention is not restricted to the exemplary embodiment shown and described. Rather, it also includes all professional developments and modifications without their own inventive content.

Landscapes

  • Engineering & Computer Science (AREA)
  • Mechanical Engineering (AREA)
  • Presses And Accessory Devices Thereof (AREA)
  • Shaping Metal By Deep-Drawing, Or The Like (AREA)
  • Press Drives And Press Lines (AREA)

Abstract

Es wird eine mechanische oder hydraulische Presse mit Zieheinrichtung vorgeschlagen, bei welcher ein Pressenstößel (8) über mehrere Zugstangen (12) mit einem unterhalb einer Druckwange (10) angeordneten Blechhalterrahmen (13) kraftschlüssig verbunden sind. Auf dem Blechhalterrahmen (13) sind zur Abstützung der vier Eckpunkte der Druckwange (10) vier Kolben-Zylindereinheiten (14 bis 16) vorgesehen, die während des Ziehvorgangs ein hydraulisches Verspannen des Blechhalters (6) vornehmen.

Description

  • Die Erfindung betrifft eine mechanische oder hydraulische Presse mit Zieheinrichtung oder Ziehstufe einer Stufenpresse nach dem Oberbegriff des Anspruchs 1.
  • Zum Umformen von Ziehteilen ist es erforderlich, das auf ein Unterwerkzeug aufgelegte Werkstück zu halten, wozu das Werkstück zwischen einem speziellen Blechgegenhalter - im weiteren "Blechhalter" genannt - und dem herabfahrenden Oberwerkzeug eingeklemmt wird. Dabei muß der vom Stößel während des Niedergangs aufgebrachten Kraft eine Gegenkraft über ein nachgebendes Polster entgegenwirken. Hierfür wird die Gegenkraft auf den Blechhalter durch eine darunterliegende Druckwange - auch Druckkissen oder Ziehkissen genannt - aufgebracht.
  • Beim herkömmlichen Ziehen bemißt sich der erforderliche Arbeitsaufwand, der als Gegenkraft auf den Blechhalter über ein mit Luft- oder Hydraulikmedium beaufschlagtes Ziehkissen aufgebracht wird, aus dem Produkt Gegenkraft mal Weg. Durch die von oben wirkende Stößelkraft auf den Blechhalter wird ein Teil der Energie in einem die Gegenkraft für den Blechhalter liefernden Speicher gespeichert und kann nach erfolgtem Ziehvorgang, wenn sich das Ziehkissen und der Stößel wieder anhebt, als Rückstellkraft auf den Stößel den Antrieb entlasten. Wird das Ziehkissen in seiner unteren Lage zurückgehalten und druckgesteuert wieder hochgefahren, dann wird die beim Absenken des Stößels und des Blechhalters erzeugte gesamte Energie in Wärme umgesetzt. Bei großen Pressen handelt es sich hierbei um sehr hohe Energiebeträge. Beispielsweise tritt bei einer Blechhalterkraft von 4.000 kN über einen Ziehweg von 200 mm bei einer Hubzahl von 15 pro min. eine Verlustleistung von 196 kW auf.
  • Um diese Verluste zu vermeiden, wurden Ziehpressen vorgeschlagen, die mit mechanisch betätigtem Blechhalter arbeiten. Derartige mechanische Blechhalterungen arbeiten über Hebelantriebe, die mit großem mechanischen und daher auch finanziellem Aufwand verbunden sind. Insbesondere mußte bei derartigen Ziehpressen der Maschinenkörper grundsätzlich die volle Preßkraft sowohl von Stößel und Blechhalter aufnehmen.
  • Aus der DE-Z. "Werkstatt und Betrieb" (1952), Heft 8, S. 349 oder auch der DE-PS 883 763 sind hydraulische Ziehpressen bekannt geworden, deren Pressenstößel über Zugstangen mit einem unteren Blechhalterrahmen verbunden sind. Auf dem Blechhalterrahmen ist eine hydraulische Kolben-Zylindereinheit zentral angeordnet, deren Kolbenstange unmittelbar auf den Blechhalter einwirkt. Die aufzubringende Blechhalterkraft wird durch diese Kolben-Zylindereinheit mittels eines hieran angeschlossenen Druckspeichers geliefert (s. DE-Z. "Werkstatt und Betrieb" a.a.O.).
  • Durch die unmittelbare Kopplung des Pressenstößels über die Zugstangen mit dem Blechhalterrahmen kann ein Teil der Pressenenergie beim Niedergang des Stößels in einen Speicher eingebracht und zurückgewonnen werden. Die zentrale Kolben-Zylindereinheit muß jedoch einerseits durch die starre Verbindung über die Zugstangen große Hübe mit der Pressenstößelbewegung durchführen. Andererseits muß sie hohe Gegenkräfte beim eigentlichen Blechhalterungsvorgang aufbringen. Dies erfordert komplizierte Steuerungssysteme, die große Mengen von Hydraulikmedium sowohl bei niedrigen als auch hohen Drücken steuern müssen. Gleichzeitig muß die zentrale Kolben-Zylindereinheit auf dem Blechhalterrahmen die jeweilige Ausgangslage des Blechhalters einstellen, was bei den großen stattfindenden Hubbewegungen nicht ohne weiteres möglich ist. Deshalb wurde gemäß der DE-OS 38 35 376 eine Entkopplung der verschiedenen Bewegungen vorgeschlagen. Bei dieser Presse sind ebenfalls Zugstangen zwischen dem oberen Pressenstößel und einer unteren horizontalen Traverse vorgesehen, wobei die Traverse ihrerseits mit einer zentralen pneumatischen Kolben-­Zylindereinheit zur Betätigung eines Ziehkissens für den Blechhalter verbunden ist. Um eine getrennte Steuerung sowohl für die Aufwartsbewegung des Ziehkissens mittels der zentralen pneumatischen Kolben-Zylindereinheit und der Druckbeaufschlagung für die Halterungskraft des Blechhalters und damit ein Verspannen zu vollziehen, sind zusätzliche hydraulische Kolben-Zylindereinheiten in den Kraftfluß der Zugstangen eingebracht. Damit wird eine synchrone vertikale Hubbewegung von diesen, jeder Zugstange zugeordneten Arbeitszylindern erzeugt. Die mit den Zugstangen verbundenen Kolben-Zylindereinheiten dienen demnach der unmittelbaren hydraulischen Verspannung zwischen Pressenstößel und Blechhalter. Dies wird durch die unmittelbare direkte mechanische Kopplung zwischen der unteren Traverse, und dem Blechhalter bewirkt. Die zentrale oder mittlere Kolben-Zylindereinheit ist als Pneumatikzylindereinheit ausgebildet und dient dabei lediglich als Auswerfermechanik nach dem erfolgten Ziehvorgang.
  • Vorteile der Erfindung:
  • Die erfindungsgemäße Zieheinrichtung mit den kennzeichnenden Merkmalen des Anspruchs 1 hat demgegenüber den Vorteil, daß eine Zieheinrichtung geschaffen wird, deren Energieverluste stark reduziert sind. Dies wird insbesondere durch die Entkopplung eines zum Anheben des Ziehkissens mit Blechhalter vorgesehenen Pneumatikzylinders und mehreren separaten Kolben-­Zylindereinheiten bewirkt. Insofern entspricht dies zunächst der Lösung gemäß der DE 38 35 376. Bei dieser Druckschrift wird jedoch das Ziehkissen lediglich über eine zentrale Mittelstange abgestützt, die gleichzeitig als Kolbenstange für die mittlere Kolben-Zylindereinheit dient. Eine unterschiedliche Druckbeaufschlagung der seitlich angeordneten Kolben-Zylindereinheiten muß über eine schwingend gelagerte Quertraverse ausgeglichen werden.
  • Demgegenüber sind bei der vorliegenden Erfindung vier in den Eckpunkten eines Ziehkissens oder einer Druckwange angeordnete hydraulische Kolben-Zylindereinheiten vorgesehen, die getrennt gesteuert auf das Ziehkissen und damit auf den Blechhalter einwirken können. Dabei erfolgt die Druckbeaufschlagung dieser Kolben-Zylindereinheiten zur Herstellung einer gezielten Verspannung des Blechhalters ausschließlich während des eigentlichen Umformungsvorgangs. Die Erfindung sieht dabei verschiedene Möglichkeiten der Steuerung dieser Kolben-­Zylindereinheiten vor.
  • Durch die Kombination einer mittleren, mit dem Pressentisch der Zieheinrichtung fest verbundenen Kolben-­Zylindereinheit zur raschen Anhebung des Blechhalters in die obere Stellung bei gleichzeitiger Unterstützung des Ziehkissens und der hiermit verbundenen Kolben der zusätzlichen Kolben-Zylindereinheiten wird eine Entkopplung der verschiedenen Bewegungen erreicht. Die in den Eckbereichen des Ziehkissens angreifenden Kolben-­Zylindereinheiten dienen dann zur gezielten Verspannung des Blechhalters während des eigentlichen Umformungsvorgangs. Die hydraulische Verspannung erfolgt über die mechanische Kopplung des Pressenstößels über die Zugstangen, den unteren Blechhalterrahmen und den hiermit verbundenen Gehäusen der Kolbenzylindereinheiten. Hierdurch wird das stationäre Pressengestell bzw. der Pressentisch erheblich entlastet, da die Kraft auf den Blechhalter in einem geschlossenen Kraftkreis aufgefangen wird.
  • Durch die in den Unteransprüchen aufgeführten weiteren Maßnahmen sind vorteilhafte und zweckmäßige Weiterbildungen der Erfindung möglich.
  • Besonders vorteilhaft ist die Weiterbildung der Erfindung dahingehend, daß der Kolben der an den Ecken des Ziehkissens angreifenden Kolben-Zylindereinheiten als doppelseitig beaufschlagbarer Kolben ausgebildet ist, wobei die Kolbenstange mit gleichem Druckmesser oben und unten aus dem Zylindergehäuse herausgeführt ist. Hierdurch kann das Druckmedium sehr einfach bei der Verschiebung des Kolbens innerhalb des Zylindergehäuses von oben nach unten über ein Proportionalventil geführt werden. Ein örtliches Festhalten des Kolbens innerhalb des Zylindergehäuses geschieht durch Schließung des Proportionalventils, was die Verspannung des Blectihalters insgesamt bewirkt. Eine zusätzliche gezielte und ggf. prograumgesteuerte Druckbeaufschlagung der unteren Kolbenfläche durch eine zusätzliche Regelung kann Leckverluste ausgleichen und/oder zur gezielten Kraftbeaufschlagung des Blechhalters führen.
  • Vorteilhaft ist weiterhin, daß mittels einer gesonderten Kolben-Zylindereinheit der Durchfluß zwischen dem oberen und dem unteren Zylinderraum der die Druckwange abstützenden Kolben-Zylindereinheiten zunächst abgesperrt und nachfolgend durch eine weitere Wegverschiebung der zusätzlichen Kolben-Zylindereinheit der obere Druckraum der das Ziehkissen abstützenden Kolben-Zylindereinheiten mit Druck beaufschlagt werden kann. Hierdurch ergibt sich eine Abwärtsbeschleunigung des Blechhalters, um den Aufprallstoß durch das Oberwerkzeug zu vermindern. Dabei kann der Kolben der zusätzlichen Kolben-Zylindereinheit in seinem oberen Bereich eine vorgegebene Kurvenform für eine gewünschte Beschleunigungscharakteristik aufweisen. Der Zeitpunkt der Ansteuerung der Beschleunigung kann ebenfalls eingestellt werden.
  • Vorteilhaft ist weiterhin eine alternative Ausführungsform dahingehend, daß auf den unteren Druckraum der das Ziehkissen abstützenden Kolben-Zylindereinheiten eine weitere Druckbeaufschlagung durch eine hieran angeschlossene Kolben-Zylindereinheit erfolgt, wobei die Wegverschiebung des Kolbens dieser Kolben-Zylindereinheit durch einen verstellbaren Anschlag dann erfolgt, wenn sich die im Blechhalterrahmen angeordnete zusätzliche Kolben-­Zylindereinheit und damit der zugehörige Kolben nach unten bewegt.
  • Weitere erfindungsgemäße Merkmale und Vorteile sind in der Zeichnung dargestellt und in der nachfolgenden Zeichnung näher erläutert. Es zeigen
    • Fig. 1 ein erstes Ausführungsbeispiel der Zieheinrichtung mit doppelseitig wirkenden Kolben-Zylindereinheiten für die Druckwange und zusätzlichen Kolben-Zylindereinheiten für die Vorbeschleunigung,
    • Fig. 2 eine Ausführungsform gemäß Fig. 1, jedoch ohne Beschleunigungseinheit,
    • Figur 3a bis 3c ein Schaltschema für die Steuerung der Zieheinrichtung nach Figur 1 und 2, wobei sich die Figur 3a auf die allgemeine Steuerung der Kolben-Zylinderheit nach Fig. 1 und 2 und Figur 3b und 3c auf die Steuerung der Beschleunigungseinheit nach Fig. 1 beziehen und
    • Fig. 4 ein weiteres Ausführungsbeispiel mit alternativer Druckbeaufschlagung der die Druckwange abstützenden Kolben-Zylindereinheiten.
  • Die in den Figuren 1, 2 und 4 dargestellten Zieheinrichtungen werden zunächst in den übereinstimmenden Merkmalen wie folgt beschrieben.
  • Die Zieheinrichtungen oder Pressen 1 in den Figuren 1, 2 und 4 bestehen aus einem stationären Pressentisch 2 mit einer Tischauflage 3 zur Aufnahme des Unterwerkzeugs 4 zur Herstellung eines Werkstücks, dargestellt durch die noch nicht bearbeitete Platine 5. Die Platine 5 ist auf einen Blechhalter 6 aufgelegt, der im Unterwerkzeug 4 mit Stempel 4′ geführt ist. Das Oberwerkzeug 7 ist mit dem Pressenstößel 8 verbunden.
  • Generell stützt sich der Blechhalter 6 über Druckbolzen 9 auf einer Druckwange 10 - auch Druckkissen oder Ziehkissen genannt - ab.
  • Am Pressenstößel 8 sind über Bolzen 11 vier Zugstangen oder Verbindungsstangen 12 angelenkt, welche in ihrem unteren Bereich wiederum über Bolzen 11 mit einem unteren Blechhalterrahmen 13 verbunden sind. Der Blechhalterrahmen 13 ist demnach starr mit dem Pressenstößel 8 innerhalb des Pressentisches 2 geführt. Mit dem Blechhalterrahmen 13 sind vier Kolben-Zylindereinheiten 14 bis 16 fest verbunden, wobei mit Bezugszeichen 14 der Zylinder und mit Bezugszeichen 15 die Kolbenstange bezeichnet sind. Der im Zylinder 14 laufende Kolben 16 teilt den inneren Druckraum 17 in einen oberen Druckraum 18 und in einen unteren Druckraum 19. Die Kolbenstangen 15 sind in ihrem oberen Bereich über eine Halterung 20 fest mit der Unterseite des Ziehkissens 10 verbunden. Das Ziehkissen 10 wird hierdurch durch vier Kolben-Zylindereinheiten 14 bis 16 in ihren Eckbereichen abgestützt, so daß eine gezielte Beeinflussung der Blechhalterung des Blechhalters 6 möglich ist. Wie aus den Figuren 1, 2 und 4 übereinstimmend weiterhin ersichtlich, ist die Druckwange 10 im Pressentisch 2 geführt und wird von einer zentrischen Kolben-Zylindereinheit 21 bis 23 nach oben verfahren, wobei der im Pressentisch stationäre Zylinder mit Bezugszeichen 21 und die im Zylindergehäuse verfahrbare, auf das Ziehkissen 10 einwirkende Kolbenstange mit Bezugszeichen 22 bezeichnet ist. Der Kolben selbst ist mit Bezugszeichen 23 gekennzeichnet. Die Kolben-Zylindereinheit 21 bis 23 ist als vorgespannte Druckluftzylinder ausgebildet und wird im unteren Bereich von einem Flansch 24 verschlossen. Die Kolbenstange 22 ist durch den Kolben 23 nach unten hin durch eine weitere, im Querschnitt kleinere Kolbenstange 25 verlängert, die nach unten durch den Flansch 24 hindurchragt und an ihrem Ende mit einem weiteren Kolben 26 in einem Zylindergehäuse 27 versehen ist. Der oberhalb des Kolbens 26 angeordnete Druckraum 28 ist über ein Rückschlagventil 29 als Druckraum mit Dämpfungsfunktion verschlossen und dient über eine nicht näher dargestellte Drosselschaltung zur Dämpfung der Aufwärtsbewegung des oberen Kolbens 23 vor seinem oberen Endanschlag. Der unterhalb des Kolbens 23 liegende Druckraum 30 der Kolben-Zylindereinheit 21 bis 23 wird über die Druckleitung 31 und einem Proportionalventil 32 mit Speicher 33 mit Druckluft vorgespannt. Das weitere Ventil 34 dient zum Druckausgleich.
  • Beim Ausführungsbeispiel nach Figur 1 und 2 ist bei der Kolben-Zylindereinheit 14 bis 16 die obere Kolbenstange 15 durch den Kolben 16 hindurchgeführt und im unteren Bereich im Druckraum 19 als Kolbenstange 15′ fortgeführt. In Fig. 1 wird dieser Kolbenstangenbereich 15′ durch den Blechhalterrahmen 13 hindurchgeführt und am unteren Ende an einer Traverse 35 befestigt. Demgegenüber endet die untere Kolbenstange 15′ beim Ausführungsbeispiel nach Fig. 2 innerhalb der Bohrung durch den Blechhalterrahmen 13.
  • Die Zieheinrichtung nach Fig. 1 weist weiterhin einen im Zylindergehäuse 14 integrierten Steuerkolben 36, 37 auf, wobei die obere Zylinderbohrung 36 im Zylindergehäuse 14 parallel zum Zylinderraum bzw. Druckraum 17 angeordnet ist und sich nach unten durch den Blechhalterrahmen 13 erstreckt. Die im Blechhalterrahmen fortgeführte Bohrung ist mit 36′ bezeichnet. Die Zylinderbohrung 36, 36′ wird von unten her von einer Kolbenstange 37 durchsetzt, die an einem Stellmotor 38 zur Verstellung der Ausgangslage der Kolbenstange 37 angelenkt ist. Der Höhenverstellmotor 38 ist selbst an der Quertraverse 35 befestigt.
  • Die Wirkungsweise der Zieheinrichtung oder Presse nach Fig. 1 wird in Verbindung mit den Darstellungen in Fig. 3a bis Fig. 3c in einem Arbeitszyklus näher erläutert: Der Pressenstößel 8 bewegt sich mit dem Oberwerkzeug 7 einschließlich den vier Zugstangen 12 mit dem hieran befestigten Blechhalterrahmen 13 nach unten in Richtung zum Unterwerkzeug 4. Die mit dem Blechhalterrahmen 13 verbundenen vier Zylindergehäusen 14 bewegen sich gleichermaßen nach unten, wobei das im oberen Druckraum 18 der Kolben-Zylindereinheiten 14 bis 16 enthaltene Hydrauliköl entweichen muß. Gemäß der Darstellung in Fig. 3a sind der obere Druckraum 18 und der untere Druckraum 19 jeder Kolben-Zylindereinheit 14 bis 16 über eine Druckleitung 39 und einem Proportionalventil 40 miteinander verbunden, so daß das Druckmedium vom Druckraum 18 in den Druckraum 19 bei der Abwärtsbewegung des Zylindergehäuses 14 drucklos strömen kann. Das Ziehkissen 10 selbst wird dabei von der Kolben-­Zylindereinheit 21 bis 23, die als Pneumatikzylindereinheit ausgebildet ist, in ihrer oberen Stellung gehalten, wobei die Druckbeaufschlagung über das Proportionalventil 32 erfolgt. Der obere Anschlag wird durch den Anschlag des unteren Kolbens 26 der unteren hydraulischen Kolben-Zylindereinheit 26, 27 gebildet, die als Dämpfungseinheit dient. Zur Einhaltung dieser Lage ist nur ein geringer Druck des Speichers 33 erforderlich. Kurz vor dem Aufsetzen des Oberwerkzeugs 7 auf die Platine 5 und damit auf den Blechhalter 6 wird das Proportionalventil 40 geschlossen. Während des Durchfahrens des Wegabschnitts "s", d. h. bevor die Platine 5 auf den Stempel 4′ aufsetzt, erfolgt der Druckaufbau bzw. das Verspannen des Blechhalters. Hierzu wird mittels des Proportionalventils 41 ein Druckspeicher 42, 42′ geöffnet, der den unteren Druckraum 19 schlagartig mit Druck beaufschlagt, wodurch der Kolben 16 und damit das Ziehkissen 10 nach oben gedrückt wird. Das Proportionalventil 41 übernimmt dann auch ggf. eine programmgesteuerte Regelung des Druckverlaufs jeder einzelnen Kolben-Zylindereinheit 14 bis 16. Hierzu sind die weiterhin in Fig. 3a dargestellten Bauelemente als Meß- und Regelgrößen erforderlich.
  • Dieser zuvor beschriebene Arbeitszyklus trifft beim Ausführungsbeispiel nach Fig. 2 zu.
  • Beim Ausführungsbeispiel nach Fig. 1 ist die Möglichkeit einer zusätzlichen Vorbeschleunigung des Blechhalters 6 gegeben. Dies ist ergänzend in Fig. 3b sowie Fig. 3c dargestellt.
  • Bei der Darstellung der Erfindung nach Figur 1 ist zum Unterschied nach derjenigen nach Figur 2 eine zusätzliche Beschleunigungseinrichtung für den Blechhalter 6 vorgesehen. Das Schaltschema hierfür ist in Fig. 3b dargestellt. Anstelle des Proportionalventils 40 in Fig. 3a tritt hier eine zwangsläufige Kolbensteuerung des Kolbens 16 im Zylinderraum 14. Hierfür bewegt sich der bereits zu Fig. 1 beschriebene Steuerkolben 37 in einer Zylinderbohrung 36 bzw. 36′ nach oben. An sich stellt diese Aufwärtsbewegung des Steuerkolbens 37 eine Abwärtsbewegung des Zylindergehäuses 14 dar, verbunden mit der Abwärtsbewegung des Pressenstößels 8 und des Blechhalterrahmens 13 in Verbindung mit den Zylindergehäusen 14. Der Steuerkolben 37 ist starr über die Traverse 35 mit den Kolbenstangen 15, 15′ verbunden.
  • Die Zylinderbohrung 36 ist in ihrem oberen Bereich über eine Druckleitung 43 mit dem oberen Druckraum 18 und über eine untere Leitung 44 mit dem unteren Druckraum 19 des Druckraums bzw. Zylinderraums 17 verbunden. Wie aus Fig. 1 sowie dem zugehörigen Schaltplan in Fig. 3b ersichtlich, kann die Druckleitung 43 zum oberen Druckraum 18 über ein Proportionalventil 45 und ein entsprechendes Steuerventil 46 in ihrem Durchfluß gesteuert werden. Dies ist in Fig. 1 in der linken Kolben-Zylindereinheit 14 bis 16 dargestellt. Die rechte Kolben-Zylindereinheit 14 bis 16 enthält dagegen lediglich eine bloße Durchgangsbohrung 43′.
  • Der Einsatz der Beschleunigungseinrichtung geschieht wie folgt:
  • Wie zu Fig. 3a bereits beschrieben, strömt bei der Abwärtsbewegung des Pressenstößels 8 und damit des Zylindergehäuses 14 das Druckmedium über die Druckleitung 39 vom oberen 18 in den unteren Druckraum 19. Anstelle des Proportionalventils 40 in Fig. 3a tritt in Fig. 3b das Ventil 45, d. h. es findet eine zwangsläufige Kolbensteuerung in der Kolben-Zylindereinheit 14 bis 16 statt. Durch die am unteren Ende der Kolbenstange 15′ angeordnete Traverse bewegt sich der Steuerkolben 37 als Steuerstange synchron und gleichsinnig wie die Kolbenstange 15. Die Grundeinstellung, d. h. die Höhenausgangslage des Steuerkolbens 37 erfolgt durch den Stellmotor 38. Der Steuerkolben 37 weist an seinem oberen Ende eine bestimmte Kurvenform 47 auf, die als Steuerkurve 47 ausgebildet ist. In der Figur ist diese Steuerkurve lediglich als einfache Schräge dargestellt.
  • Bei der Abwärtsbewegung des Pressenstößels und damit des Zylindergehäuses 14 bewegt sich der Steuerkolben 37 relativ im Zylindergehäuse 14 nach oben. Beim Überfahren der Steuerkante 47 über die untere Zylinderbohrung 44 wird über einen Weg von z. B. 30 mm die Verbindung vom oberen Druckraum 18 zum unteren Druckraum 19 verschlossen. Hierdurch kann das Druckmedium nicht mehr vom oberen in den unteren Zylinderraum strömen. Hierdurch baut sich im oberen Druckraum 18 ein Überdruck auf, der durch die zusätzliche Druckerhöhung durch den Steuerkolben 37 bei dessen Aufwärtsbewegung im Zylinderraum 36 noch dadurch verstärkt wird, daß dieses hierdurch verdrängte Druckmedium ebenfalls in den oberen Druckraum 18 strömen kann. Dies bewirkt eine Beschleunigung des Kolbens 16 nach unten, was über die obere Kolbenstange 15 und das Ziehkissen 10 auf den Blechhalter 6 übertragen wird. Der Zeitpunkt des Einsetzens der Vorbeschleunigung wird über den Stellmotor 38, d. h. die Höhenlage des Steuerkolbens 37 vorbestimmt. Die Intensität der Beschleunigung kann durch die Steuerkurve 47 beeinflußt werden.
  • In Fig. 3c ist dieser Beschleunigungsvorgang nochmals kurvenmäßig dargestellt. Die X-Achse zeigt den Drehwinkel des rotierenden Stößelantriebs, die Y-Achse den Stößelhub. Die Kurve 48 zeigt den Stößelweg. Mit UT ist der untere Totpunkt gekennzeichnet. Der Weg des Ziehkissens 10 ist mit 49 dargestellt. Bereits im Punkt 50 beim Drehwinkel X₁ wird die Zulaufbohrung 44 zum unteren Druckraum 19 durch die Steuerkurve 47 des Steuerkolbens 37 verschlossen und das Ziehkissen 10 um den Betrag a ∼ 30 mm vorbeschleunigt, bevor das Oberwerkzeug 7 im Punkt 51 beim Drehwinkel X₂ auf den Blechhalter 6 aufsetzt. Der Weg des Ziehkissens 10 entsprechend Kurve 49 ist dabei gleich wie der Weg des Blechhalters 6. Durch diese Vorbeschleunigung wird der Aufprallschlag des Oberwerkzeugs auf den Blechhalter gedämpft. Vom Punkt 51 bis zum Punkt 52 bewegt sich dann der Blechhalter und der Pressenstößel über den gleichen Kurvenweg 48′.
  • Die übrige Steuerung der Kolben-Zylindereinheit 14 bis 16 in Fig. 3b entspricht weitgehend derjenigen in Fig. 3a. Auf die entsprechende Beschreibung wird verwiesen.
  • Beim Ausführungsbeispiel der Erfindung nach Fig. 4 ist die Ausbildung der Kolben-Zylindereinheit 14 bis 16 etwas unterschiedlich ausgestaltet. In diesem Fall entfällt die untere Kolbenstange 15′, d. h. die in den Figuren 3a und 3b dargestellten Steuerschemen finden hier keine Anwendung. Das Druckmedium pendelt demnach nicht lediglich vom oberen Druckraum 18 in den unteren Druckraum 19, sondern wird von außen gesteuert.
  • Bewegt sich in Fig. 4 der Pressenstößel 8 mit Blechhalterrahmen 13 und Zylindergehäuse 14 nach unten, so strömt in den unteren Druckraum 19 der Kolben-­Zylindereinheit 14 bis 16 Hydrauliköl mit geringem Druck und zwar vom Speicher 52 über das Proportionalventil 53 und die Druckleitung 54 zum unteren Druckraum 19, der als Druckraum 19′ in den Blechhalterrahmen 13 verlängert ist. Dies ist schematisch in Fig. 4 auf der linken Figurenhälfte dargestellt. Das Ziehkissen 10 wird dabei vom geringen Druck der pneumatischen Kolben-­Zylindereinheit 21 bis 23 (Druckspeicher 33) am oberen Anschlag des Kolbens der Dämpfungseinheit 26, 27 in seiner oberen Lage gehalten, d. h. die Aufwärtsbewegung übernimmt die pneumatische Kolben-Zylindereinheit 21 bis 23, wobei die Aufwärtsbewegung am Ende mittels der hydraulischen Dämpfungseinheit erfolgt.
  • Der untere Druckraum 19′ ist über eine Bohrung 55 mit einer weiteren Kolben-Zylindereinheit 56 bis 58 verbunden, wobei 56 das Zylindergehäuse und 57 die Kolbenstange darstellt. Der Kolben 58 läuft im Zylindergehäuse 56. Die Kolben-Zylindereinheit 56 bis 58 ist fest im Blechhalterungsrahmen integriert und bewegt sich mit diesem.
  • Bei der Abwärtsbewegung des Pressenstößels 8 und damit des Blechhalterrahmens 13 stößt die Kolbenstange 57 auf einen unteren Anschlag 59, dessen Höhenlage "h" über den Stellmotor 60 einstellbar ist. Der Anschlag 59 mit Stellmotor 60 ist ortsfest im Pressentisch 2 angeordnet. Bei der weiteren Abwärtsbewegung wird nun der Kolben 58 innerhalb des Zylindergehäuses 56 nach oben geschoben, was zur Druckerhöhung im unteren Druckraum 19′ und damit zum eigentlichen Blechhalterdruck führt. Das Proportionalventil 61 regelt den im unteren Druckraum 19 sich einstellenden Druck nach vorgegebenen Werten. Eine wegabhängige programmgesteuerte Druckbeaufschlagung des Blechhalters 6 ist damit möglich. Die zwischen Blechhalter 6 und Unterwerkzeug 7 eingespannte Platine 5 bewegt sich zunächst während der Wegstrecke s auf den Stempel 4′ des Unterwerkzeugs 4 zu, bevor der eigentliche Ziehvorgang beginnt. Während dieser Wegstrecke wird der Druck in den Kolben-Zylindereinheiten 14 bis 16 durch die Kolben-­ Zylindereinheit 56 bis 58 aufgebaut, der den Haltedruck für den Blechhalter bildet. Danach wird am Blechhalter keine weitere Energie mehr benötigt, außer derjenigen, die durch die Kolben-Zylindereinheit 56 bis 58 zum Ausgleich von eventuellen Druckverlusten benötigt wird. Das System ist in sich gespannt.
  • Ist der Ziehvorgang beendet, so wird die Druckwange 10 von der pneumatischen Kolben-Zylindereinheit 21 bis 23 nach oben verfahren, wobei die Dämpfungseinrichtung der hydraulischen Kolben-Zylindereinheit 26, 27 den oberen Aufschlag dämpft. Die Ölsäule unter dem Druckkolben 16 kann dann über das Ventil 53 wieder in den Speicher 52 zurückfließen. Dies geschieht bei der Aufwärtsbewegung des Pressenstößels 8 und damit des Blechhalterrahmens 13 mit Zylindergehäuse 14. Beim Ausführungsbeispiel nach Figur 1 und 2 strömt in diesem Fall das Druckmedium vom unteren Druckraum 19 in den oberen Druckraum 18.
  • Die Erfindung ist nicht auf das dargestellte und beschriebene Ausführungsbeispiel beschränkt. Sie umfaßt auch vielmehr alle fachmännischen Weiterbildungen und Abwandlungen ohne eigenen erfinderischen Gehalt.

Claims (9)

1. Mechanische oder hydraulische Presse mit Zieheinrichtung für Zieharbeiten oder Ziehstufe einer Stufenpresse, bei der die Blechhaltung eines Blechhalters (6) hydraulisch gespannt und gesteuert wird, wobei ein Pressenstößel (8) über wenigstens zwei, insbesondere vier Zugstangen (12) mit einem unterhalb einer Druckwange (10) angeordneten Blechhalterrahmen (13) kraftschlüssig verbunden ist, wobei eine mittig in einem Pressentisch (2) angeordnete, mit der Druckwange (10) verbundene Kolben-­Zylindereinheit (21 bis 23) vorgesehen ist, und wobei die Druckbeaufschlagung der Druckwange (10) und damit die Abstützung des Blechhalters (6) nach dem Aufsetzen des Pressenstößels (8) während des Ziehvorgangs regelbar ist, dadurch gekennzeichnet, daß die Druckwange (10) mittels einer pneumatischen Kolben-Zylindereinheit (21 bis 23) in die obere Ausgangsstellung vor dem eigentlichen Ziehvorgang verfahrbar ist, daß auf dem Blechhalterrahmen (13) vier weitere hydraulische Kolben-Zylindereinheiten (14 bis 16) angeordnet sind, deren obere Kolbenstangen (15) sich an vier Eckpunkten der Druckwange (10) abstützen, wobei sich während der gemeinsamen Abwärtsbewegung des Pressenstößels (8), der Zugstangen (12), des Blechhalterrahmens (13) und der Zylindergehäusen (14) der unterhalb des Kolbens (16) der Kolben-Zylindereinheit (14 bis 16) befindliche Druckraum (19) mit Druckmedium aus dem oberen Druckraum (18) oder aus einem separaten Druckspeicher (52) füllt, und daß ein wegabhängiges, programmgesteuertes Spannen des Blechhalters (6) nach dem Aufsetzen des Pressenstößels (8) auf dem Blechhalter (6) über eine separate Druckbeaufschlagung der Kolben-Zylindereinheit (14 bis 16) mittels Proportional-­Ventil-Steuerung (41, 61) erfolgt.
2. Presse nach Anspruch 1, dadurch gekennzeichnet, daß der Kolben (16) der Kolben-Zylindereinheit (14 bis 16) als doppelseitig beaufschlagbarer Kolben ausgebildet ist, daß das Hydraulikdruckmedium vor dem Verspannen des Blechhalters (6) von dem oberen Druckraum (18) in den unteren Druckraum (19) über ein Proportionalventil (40) geführt ist, welches beim Aufsetzen eines am Pressenstößel (8) befestigten Oberwerkzeugs (7) auf dem Blechhalter (6) geschlossen wird und daß das Spannen des Blechhalters (6) über eine regelbare Druckbeaufschlagung des unteren Druckraums (19) mittels eines Speichers (42, 42′) über ein weiteres Proportionalventil (41) erfolgt.
3. Presse nach Anspruch 2, dadurch gekennzeichnet, daß die Druckbeaufschlagung des unteren Druckraums (19) und damit die Blechhalterungskraft programmgesteuert erfolgt.
4. Presse nach einem oder mehreren der vorhergehenden Ansprüche, dadurch gekennzeichnet, daß die obere Kolbenstange (15) der Kolben-Zylindereinheit (14 bis 16) mit der Druckwange (10) kraftschlüssig oder formschlüssig verbunden ist.
5. Presse nach einem oder mehreren der Ansprüche 1 bis 4, dadurch gekennzeichnet, daß zur Erzeugung einer abwärtsgerichteten Vorbeschleunigung des Blechhalters (6) vor dem Auftreffen des Oberwerkzeugs (7) auf den Blechhalter (6) der Kolben-Zylindereinheit (14 bis 16) eine weitere, vorzugsweise in das Zylindergehäuse (14) integrierte Kolben-­Zylindereinheit (36, 37) zugeordnet ist, die einen Steuerkolben (37) aufweist, wobei der Druckraum (36) den oberen (18) und den unteren Druckraum (19) der Kolben-­Zylindereinheit (14 bis 16) über Bohrungen oder Druckleitungen (43, 44) verbindet und wobei der zugehörige Steuerkolben (37) fest mit der Kolbenstange (15, 15′) verbunden und in der Zylinderbohrung (36) bewegbar ist und daß kurz vor dem Auftreffen des Oberwerkzeugs (7) auf den Blechhalter (6) der untere Verbindungskanal (44) zum unteren Druckraum (19) mittels einer Steuerkante (47) verschließbar ist und bei weiterer Aufwärtsbewegung des Steuerkolbens (37) innerhalb der Bohrung (36) eine Druckerhöhung im oberen Druckraum (18) im Sinne einer Abwärtsbeschleunigung des Blechhalters (6) eintritt.
6. Presse nach Anspruch 5, dadurch gekennzeichnet, daß der Steuerkolben (37) an seinem oberen Ende eine der gewünschten Beschleunigungscharakteristik ausgebildete Kurvenform (44) aufweist.
7. Presse nach Anspruch 5 oder 6, dadurch gekennzeichnet, daß die Ausgangshöhenlage des Steuerkolbens (37) über einen programmgesteuerten Motor (38) einstellbar ist.
8. Presse nach einem oder mehreren der vorhergehenden Ansprüche, dadurch gekennzeichnet, daß dem unteren Druckraum (19) der Kolben-Zylindereinheit (14 bis 16) eine weitere Kolben-Zylindereinheit (56 bis 58) zugeordnet ist, die sich gleichsinnig mit dem Blechhalterrahmen (13) bewegt und dessen Kolben (57) beim Aufsetzen des Oberwerkzeugs (7) auf den Blechhalter (6) auf einen ortsfesten Anschlag (59) zur Druckerhöhung im unteren Druckraum (19) aufläuft und daß eine zusätzliche wegabhängige, programmgesteuerte Druckbeaufschlagung der Kolben-Zylindereinheit (14 bis 16) mittels der Kolben-Zylindereinheit (56 bis 58) über ein Proportionalventil (61) erfolgt.
9. Presse nach Anspruch 8, dadurch gekennzeichnet, daß die Kolben-Zylindereinheit (56 bis 58) innerhalb des verfahrbaren Blechhalterrahmens (13) angeordnet ist und daß die Kolbenstange (57) auf einen motorisch höhenverstellbaren Anschlag (59) zum Zeitpunkt der gewünschten Verspannung des Blechhalters (6) auftritt.
EP90117535A 1989-09-12 1990-09-12 Mechanische oder hydraulische Presse mit Zieheinrichtung oder Ziehstufe einer Stufenpresse Expired - Lifetime EP0417752B1 (de)

Applications Claiming Priority (2)

Application Number Priority Date Filing Date Title
DE3930348 1989-09-12
DE3930348 1989-09-12

Publications (3)

Publication Number Publication Date
EP0417752A2 true EP0417752A2 (de) 1991-03-20
EP0417752A3 EP0417752A3 (en) 1991-06-05
EP0417752B1 EP0417752B1 (de) 1994-03-02

Family

ID=6389201

Family Applications (1)

Application Number Title Priority Date Filing Date
EP90117535A Expired - Lifetime EP0417752B1 (de) 1989-09-12 1990-09-12 Mechanische oder hydraulische Presse mit Zieheinrichtung oder Ziehstufe einer Stufenpresse

Country Status (3)

Country Link
EP (1) EP0417752B1 (de)
DE (1) DE59004758D1 (de)
ES (1) ES2049378T3 (de)

Cited By (5)

* Cited by examiner, † Cited by third party
Publication number Priority date Publication date Assignee Title
EP0635320A1 (de) * 1993-07-24 1995-01-25 Umformtechnik ERFURT GmbH Blechhalter für einfachwirkende Pressen, insbesondere für mechanische Pressen und Transferpressen
EP0768127A3 (de) * 1995-10-14 1997-04-23 SCHULER PRESSEN GmbH & Co. Ziehvorrichtung für eine Presse
WO2006094485A1 (de) * 2005-03-07 2006-09-14 Müller Weingarten AG Ziehkissen-vorrichtung mit nc-antrieb und hydraulischem polster
CN103476517A (zh) * 2011-04-12 2013-12-25 舒乐绞扭机有限责任公司 用于运行带有下驱动装置的压力机的方法和根据该方法运行的压力机
EP2712688A1 (de) * 2012-09-28 2014-04-02 Siemens Aktiengesellschaft Ziehkissenantrieb und Betriebsverfahren eines Ziehkissenantriebes

Families Citing this family (2)

* Cited by examiner, † Cited by third party
Publication number Priority date Publication date Assignee Title
WO2002087801A1 (de) 2001-04-27 2002-11-07 Schuler Pressen Gmbh & Co.Kg Hydraulische zieheinrichtung
DE10125078B4 (de) * 2001-04-27 2007-04-05 Schuler Pressen Gmbh & Co. Kg Hydraulische Zieheinrichtung

Family Cites Families (4)

* Cited by examiner, † Cited by third party
Publication number Priority date Publication date Assignee Title
DE3406526C2 (de) * 1984-02-23 1987-01-15 Maschinenfabrik Müller-Weingarten AG, 7987 Weingarten Einfachwirkende Presse mit einem Ziehkissen im Pressentisch und einem Schiebetisch
DE3717768A1 (de) * 1987-05-26 1988-12-08 Schuler Gmbh L Zieheinrichtung im pressentisch einer presse
DD272963A3 (de) * 1987-08-26 1989-11-01 Warnke Umformtech Veb K Pneumo-hydraulisches kissen fuer pressen zum abstreifen der blechteile aus dem werkzeug nach dem umformprozess bzw. zum gegenhalten waehrend des ziehvorganges
DD267205A1 (de) * 1987-12-24 1989-04-26 Warnke Umformtech Veb K Hydraulischer blechhalter fuer einfachwirkende pressen

Cited By (8)

* Cited by examiner, † Cited by third party
Publication number Priority date Publication date Assignee Title
EP0635320A1 (de) * 1993-07-24 1995-01-25 Umformtechnik ERFURT GmbH Blechhalter für einfachwirkende Pressen, insbesondere für mechanische Pressen und Transferpressen
EP0768127A3 (de) * 1995-10-14 1997-04-23 SCHULER PRESSEN GmbH & Co. Ziehvorrichtung für eine Presse
US5746084A (en) * 1995-10-14 1998-05-05 Schuler Pressen Gmbh & Co. Drawing mechanism for a press
WO2006094485A1 (de) * 2005-03-07 2006-09-14 Müller Weingarten AG Ziehkissen-vorrichtung mit nc-antrieb und hydraulischem polster
CN103476517A (zh) * 2011-04-12 2013-12-25 舒乐绞扭机有限责任公司 用于运行带有下驱动装置的压力机的方法和根据该方法运行的压力机
CN103476517B (zh) * 2011-04-12 2016-11-09 舒乐绞扭机有限责任公司 用于运行带有下驱动装置的压力机的方法和根据该方法运行的压力机
EP2712688A1 (de) * 2012-09-28 2014-04-02 Siemens Aktiengesellschaft Ziehkissenantrieb und Betriebsverfahren eines Ziehkissenantriebes
US9346095B2 (en) 2012-09-28 2016-05-24 Siemens Aktiengesellschaft Die cushion drive and method for operating a die cushion drive

Also Published As

Publication number Publication date
EP0417752B1 (de) 1994-03-02
EP0417752A3 (en) 1991-06-05
ES2049378T3 (es) 1994-04-16
DE59004758D1 (de) 1994-04-07

Similar Documents

Publication Publication Date Title
DE19521050C2 (de) Kniehebel-Antriebsvorrichtung
DE2830779C2 (de) Hydraulische Doppeldruckpresse
EP3115190B1 (de) Vorrichtung und verfahren zum steuern des hauptantriebs einer feinschneidpresse
DE4112656A1 (de) Zieheinrichtung in einer presse zum ziehen von blechformteilen
DE2852303A1 (de) Schmiedepresse, insbesondere freiform- schmiedepresse, in unterflurbauart
EP0417752B1 (de) Mechanische oder hydraulische Presse mit Zieheinrichtung oder Ziehstufe einer Stufenpresse
DE10005023C2 (de) Feinschneidpresse
DE4028921A1 (de) Mechanische oder hydraulische presse mit zieheinrichtung oder ziehstufe einer stufenpresse
EP0417754B1 (de) Mechanische oder hydraulische Presse mit Zieheinrichtung oder Ziehstufe einer Stufenpresse
EP0605698B1 (de) Gelenkhebelpresse
DE19822436A1 (de) Verfahren zum Betrieb einer hydraulischen Presse
DE4122128A1 (de) Hydroelastische tiefzieheinrichtung
EP0417753B1 (de) Mechanische oder hydraulische Presse mit Zieheinrichtung oder Ziehstufe einer Stufenpresse
DE2303451C2 (de) Vorrichtung zum Schmieden von Kurbelwellen, Flanschwellen u.dgl. mittels einer Schmiedepresse
EP0635320B1 (de) Blechhalter für einfachwirkende Pressen, insbesondere für mechanische Pressen und Transferpressen
DE4016838A1 (de) Ziehapparat in einer presse
WO1999054123A1 (de) Verfahren zum betrieb einer hydraulischen presse
DE10117578A1 (de) Ziehpresse
WO2008064619A1 (de) Umformpresse mit im schiebetisch integrierter ziehkissenfunktionalität
DE19643396A1 (de) Hydraulische Steuereinrichtung
DE4028919A1 (de) Mechanische oder hydraulische presse mit zieheinrichtung oder ziehstufe einer stufenpresse
DE4419676A1 (de) Hydraulisch gekoppelter Blechhalter
DE4028920A1 (de) Mechanische oder hydraulische presse mit zieheinrichtung oder ziehstufe einer stufenpresse
DE19639220A1 (de) Einrichtung zur Vorbeschleunigung vom Blechhalter einfachwirkender Pressen
DE3835376A1 (de) Hydraulischer blechhalter fuer einfachwirkende pressen

Legal Events

Date Code Title Description
PUAI Public reference made under article 153(3) epc to a published international application that has entered the european phase

Free format text: ORIGINAL CODE: 0009012

AK Designated contracting states

Kind code of ref document: A2

Designated state(s): DE ES FR GB IT SE

PUAL Search report despatched

Free format text: ORIGINAL CODE: 0009013

AK Designated contracting states

Kind code of ref document: A3

Designated state(s): DE ES FR GB IT SE

17P Request for examination filed

Effective date: 19910808

17Q First examination report despatched

Effective date: 19930302

GRAA (expected) grant

Free format text: ORIGINAL CODE: 0009210

AK Designated contracting states

Kind code of ref document: B1

Designated state(s): DE ES FR GB IT SE

PG25 Lapsed in a contracting state [announced via postgrant information from national office to epo]

Ref country code: SE

Free format text: THE PATENT HAS BEEN ANNULLED BY A DECISION OF A NATIONAL AUTHORITY

Effective date: 19940302

Ref country code: GB

Effective date: 19940302

REF Corresponds to:

Ref document number: 59004758

Country of ref document: DE

Date of ref document: 19940407

ET Fr: translation filed
REG Reference to a national code

Ref country code: ES

Ref legal event code: FG2A

Ref document number: 2049378

Country of ref document: ES

Kind code of ref document: T3

ITF It: translation for a ep patent filed
GBV Gb: ep patent (uk) treated as always having been void in accordance with gb section 77(7)/1977 [no translation filed]

Effective date: 19940302

PLBE No opposition filed within time limit

Free format text: ORIGINAL CODE: 0009261

STAA Information on the status of an ep patent application or granted ep patent

Free format text: STATUS: NO OPPOSITION FILED WITHIN TIME LIMIT

26N No opposition filed
PGFP Annual fee paid to national office [announced via postgrant information from national office to epo]

Ref country code: DE

Payment date: 20020906

Year of fee payment: 13

PGFP Annual fee paid to national office [announced via postgrant information from national office to epo]

Ref country code: ES

Payment date: 20020911

Year of fee payment: 13

PGFP Annual fee paid to national office [announced via postgrant information from national office to epo]

Ref country code: FR

Payment date: 20020918

Year of fee payment: 13

PG25 Lapsed in a contracting state [announced via postgrant information from national office to epo]

Ref country code: ES

Free format text: LAPSE BECAUSE OF NON-PAYMENT OF DUE FEES

Effective date: 20030913

PG25 Lapsed in a contracting state [announced via postgrant information from national office to epo]

Ref country code: DE

Free format text: LAPSE BECAUSE OF NON-PAYMENT OF DUE FEES

Effective date: 20040401

PG25 Lapsed in a contracting state [announced via postgrant information from national office to epo]

Ref country code: FR

Free format text: LAPSE BECAUSE OF NON-PAYMENT OF DUE FEES

Effective date: 20040528

REG Reference to a national code

Ref country code: FR

Ref legal event code: ST

REG Reference to a national code

Ref country code: ES

Ref legal event code: FD2A

Effective date: 20030913

PG25 Lapsed in a contracting state [announced via postgrant information from national office to epo]

Ref country code: IT

Free format text: LAPSE BECAUSE OF NON-PAYMENT OF DUE FEES;WARNING: LAPSES OF ITALIAN PATENTS WITH EFFECTIVE DATE BEFORE 2007 MAY HAVE OCCURRED AT ANY TIME BEFORE 2007. THE CORRECT EFFECTIVE DATE MAY BE DIFFERENT FROM THE ONE RECORDED.

Effective date: 20050912