EP0377183B1 - Tragepaket - Google Patents
Tragepaket Download PDFInfo
- Publication number
- EP0377183B1 EP0377183B1 EP89123749A EP89123749A EP0377183B1 EP 0377183 B1 EP0377183 B1 EP 0377183B1 EP 89123749 A EP89123749 A EP 89123749A EP 89123749 A EP89123749 A EP 89123749A EP 0377183 B1 EP0377183 B1 EP 0377183B1
- Authority
- EP
- European Patent Office
- Prior art keywords
- rivet
- wall
- weakening line
- carrier
- strap
- Prior art date
- Legal status (The legal status is an assumption and is not a legal conclusion. Google has not performed a legal analysis and makes no representation as to the accuracy of the status listed.)
- Expired - Lifetime
Links
- 230000003313 weakening effect Effects 0.000 claims abstract description 15
- 239000000463 material Substances 0.000 claims abstract description 11
- 239000000123 paper Substances 0.000 claims 1
- 208000027418 Wounds and injury Diseases 0.000 abstract description 6
- 230000006378 damage Effects 0.000 abstract description 6
- 208000014674 injury Diseases 0.000 abstract description 6
- 238000004806 packaging method and process Methods 0.000 description 4
- 230000002349 favourable effect Effects 0.000 description 2
- 238000004804 winding Methods 0.000 description 2
- 230000006978 adaptation Effects 0.000 description 1
- 238000004873 anchoring Methods 0.000 description 1
- 238000004519 manufacturing process Methods 0.000 description 1
- 239000002184 metal Substances 0.000 description 1
- 230000002028 premature Effects 0.000 description 1
- 230000009993 protective function Effects 0.000 description 1
Images
Classifications
-
- B—PERFORMING OPERATIONS; TRANSPORTING
- B65—CONVEYING; PACKING; STORING; HANDLING THIN OR FILAMENTARY MATERIAL
- B65D—CONTAINERS FOR STORAGE OR TRANSPORT OF ARTICLES OR MATERIALS, e.g. BAGS, BARRELS, BOTTLES, BOXES, CANS, CARTONS, CRATES, DRUMS, JARS, TANKS, HOPPERS, FORWARDING CONTAINERS; ACCESSORIES, CLOSURES, OR FITTINGS THEREFOR; PACKAGING ELEMENTS; PACKAGES
- B65D5/00—Rigid or semi-rigid containers of polygonal cross-section, e.g. boxes, cartons or trays, formed by folding or erecting one or more blanks made of paper
- B65D5/42—Details of containers or of foldable or erectable container blanks
- B65D5/44—Integral, inserted or attached portions forming internal or external fittings
- B65D5/46—Handles
- B65D5/46008—Handles formed separately from the container body
- B65D5/46016—Straps used as handles fixed to the container by glueing, stapling, heat-sealing
Definitions
- the invention relates to a carrying package with riveted carrying strap, wherein a rivet serving to fasten the carrying strap ends passes through the material of the strap and the wall of the package.
- Handles designed as a carrying strap made of PE or PP material or the like are attached to, for example, cuboid or drum-shaped carrying packages with the aid of metal rivets.
- the rivets When attaching the carrying straps, the rivets are pushed through the band material and the wall of the package using a rivet punch and spread out on a lower punch at the inner exit. If the packaging or its handle is used improperly and the rivet is loaded excessively, it can come loose from the material of the package wall, for example from the material of a drum hull or a box wall.
- the rivet's open shaft rests like a hook and can cause serious injuries if the strap slides through your hand.
- the invention is based on the knowledge that improper handling of packaging of the type specified is not can be excluded, so that tearing out of the carrying strap rivets is ultimately unavoidable. Accordingly, the invention has for its object to improve the carrying package so that even if a lanyard tears, an injury can not normally occur.
- the solution according to the invention for the above-mentioned carrying package with a rivet rivet passing through the material of the band and the package wall is that the material of the package wall has a weakening line at a distance around the rivet.
- the weakening line is dimensioned such that it breaks when the rivet is loaded excessively before the rivet itself can tear itself out of its anchoring in the package wall. It is thus achieved by the invention that the rivet can no longer be released from it alone but only together with part of the package wall.
- the wall section which may be separated from the packet wall along the line of weakness, remains as protection against injury between the carrying strap and the expanding rag of the rivet, so that the rivet cannot come into direct contact with the hand.
- the weakening line especially in the case of a double-layer or multi-layer package wall, only extends through part of the wall thickness. In this way it is achieved that, even when loaded, obliquely with respect to the plane of the wall area surrounding the rivet premature breakout of the rivet (with the part of the package wall defined by the line of weakness) cannot occur.
- a particularly favorable design in the above sense is achieved if the weakening line is provided only in the carton in the case of a packet wall consisting of cardboard with corrugated cardboard liner.
- the rivet is subjected to exceptionally heavy loads at right angles to the packaging wall, it will first slide through the soft part of the inner corrugated cardboard frame without opening its rolled spreading flaps. Next he meets the stable outer box, but here the line of weakness is broken up before the rivet can tear itself out of the box wall, so that the rolled expanding tabs of the rivet press firmly against the separated piece of cardboard and this protects against injury between the lanyard and the expanding tab of the rivet works.
- the line of weakness itself can be created in various ways. Perforation or scoring is preferably provided as the line of weakness. In any case, perforations and scoring occur in the manufacture of carrying packages, drums or the like, so that the corresponding devices are present.
- the line of weakness can also already on the cutting of the carrier package but only on the already finished packaging body, for. B. attached to a spiral winding drum. In the case of a spiral winding drum, the splitting of the cardboard layers can be used for the protective function, so that it is easy to achieve that only a part of the layers tears and no reduction in the normal load-bearing capacity can be accepted.
- the line of weakness itself can be closed or only partially closed, e.g. B. U-shaped, form. Proven in practice it occurs when the weakening line is designed as an oval, which is arranged approximately horizontally when worn. On the one hand, such an oval offers particularly good protection for the hand when torn out and, on the other hand, causes only minimal weakening in the wall.
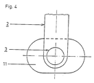
- the package wall 1 and 2 each show a part of a package wall denoted overall by 1 and a carrying strap denoted overall by 2.
- the lanyard 2 is fastened in the package wall 1 with the aid of a rivet, denoted overall by 3.
- the rivet head 4 lies on the carrying band 2, while the rolled spreading flaps 5 of the rivet 3 lie against the inner surface 6 of the packet wall 1.
- the package wall 1 consists of an outer carton 7 and an inner corrugated cardboard liner 8.
- the material of the packet wall 1 is provided with a weakening line 9 at a distance around the rivet 3, which can be, for example, a perforation or a scoring.
- the rivet 3 can first slide through the soft part of the corrugated cardboard liner 8 without its rolled spreading flaps 5 closing to open. These then hit on the stable cardboard 7.
- the cardboard stability and stability of the weakening line 9 it can be achieved that when the pulling is continued, the carton 7 does not pass through the carton 7 but the cardboard 7 breaks open at the weakening line 9.
- a ripping disk 11 then remains on the rivet 3, which lies as a protection against injury between the carrying strap 2 and the spreading flap 5 of the rivet 3.
- FIGS. 3 and 4 The positions of the carrying strap 2, tear-out surface 11 and expanding tab 5 of the rivet 3 are shown in principle in FIGS. 3 and 4 in section parallel to the longitudinal direction 10 of the rivet and in a top view of the rivet head 4.
Landscapes
- Engineering & Computer Science (AREA)
- Mechanical Engineering (AREA)
- Cartons (AREA)
- Package Frames And Binding Bands (AREA)
- Led Device Packages (AREA)
- Packages (AREA)
- Packaging Of Annular Or Rod-Shaped Articles, Wearing Apparel, Cassettes, Or The Like (AREA)
- Purses, Travelling Bags, Baskets, Or Suitcases (AREA)
- Control And Other Processes For Unpacking Of Materials (AREA)
- Non-Silver Salt Photosensitive Materials And Non-Silver Salt Photography (AREA)
Priority Applications (1)
| Application Number | Priority Date | Filing Date | Title |
|---|---|---|---|
| AT89123749T ATE85953T1 (de) | 1988-12-31 | 1989-12-22 | Tragepaket. |
Applications Claiming Priority (2)
| Application Number | Priority Date | Filing Date | Title |
|---|---|---|---|
| DE3844483 | 1988-12-31 | ||
| DE3844483A DE3844483C1 (OSRAM) | 1988-12-31 | 1988-12-31 |
Publications (2)
| Publication Number | Publication Date |
|---|---|
| EP0377183A1 EP0377183A1 (de) | 1990-07-11 |
| EP0377183B1 true EP0377183B1 (de) | 1993-02-24 |
Family
ID=6370630
Family Applications (2)
| Application Number | Title | Priority Date | Filing Date |
|---|---|---|---|
| EP89123749A Expired - Lifetime EP0377183B1 (de) | 1988-12-31 | 1989-12-22 | Tragepaket |
| EP90900796A Pending EP0451173A1 (de) | 1988-12-31 | 1989-12-22 | Tragepaket |
Family Applications After (1)
| Application Number | Title | Priority Date | Filing Date |
|---|---|---|---|
| EP90900796A Pending EP0451173A1 (de) | 1988-12-31 | 1989-12-22 | Tragepaket |
Country Status (7)
| Country | Link |
|---|---|
| EP (2) | EP0377183B1 (OSRAM) |
| AT (1) | ATE85953T1 (OSRAM) |
| DE (2) | DE3844483C1 (OSRAM) |
| DK (1) | DK106691A (OSRAM) |
| ES (2) | ES2041961T3 (OSRAM) |
| GR (1) | GR3007145T3 (OSRAM) |
| WO (1) | WO1990007456A1 (OSRAM) |
Families Citing this family (1)
| Publication number | Priority date | Publication date | Assignee | Title |
|---|---|---|---|---|
| ITBO20110535A1 (it) * | 2011-09-19 | 2013-03-20 | Siropack Italia S R L | Contenitore per prodotti alimentari e metodo per la sua realizzazione |
Family Cites Families (2)
| Publication number | Priority date | Publication date | Assignee | Title |
|---|---|---|---|---|
| DE7629025U1 (de) * | 1976-09-17 | 1979-02-15 | Henkel Kgaa | Behaelter mit aneinandergenieteten Teilen |
| FR2539393A1 (fr) * | 1983-01-19 | 1984-07-20 | Nicollet Hugues Sa | Flan pour la constitution d'un emballage sur lequel doit etre rapportee une poignee, et ebauche d'emballage et emballage correspondants |
-
1988
- 1988-12-31 DE DE3844483A patent/DE3844483C1/de not_active Expired
-
1989
- 1989-12-22 DE DE8989123749T patent/DE58903610D1/de not_active Expired - Lifetime
- 1989-12-22 EP EP89123749A patent/EP0377183B1/de not_active Expired - Lifetime
- 1989-12-22 EP EP90900796A patent/EP0451173A1/de active Pending
- 1989-12-22 ES ES198989123749T patent/ES2041961T3/es not_active Expired - Lifetime
- 1989-12-22 WO PCT/EP1989/001595 patent/WO1990007456A1/de not_active Ceased
- 1989-12-22 AT AT89123749T patent/ATE85953T1/de not_active IP Right Cessation
- 1989-12-29 ES ES19898903964U patent/ES1012702Y/es not_active Expired - Fee Related
-
1991
- 1991-06-04 DK DK106691A patent/DK106691A/da not_active Application Discontinuation
-
1993
- 1993-02-25 GR GR930400377T patent/GR3007145T3/el unknown
Also Published As
| Publication number | Publication date |
|---|---|
| WO1990007456A1 (de) | 1990-07-12 |
| DE3844483C1 (OSRAM) | 1989-08-17 |
| ATE85953T1 (de) | 1993-03-15 |
| ES1012702U (es) | 1990-09-01 |
| DK106691D0 (da) | 1991-06-04 |
| ES2041961T3 (es) | 1993-12-01 |
| ES1012702Y (es) | 1991-04-16 |
| GR3007145T3 (OSRAM) | 1993-07-30 |
| EP0451173A1 (de) | 1991-10-16 |
| EP0377183A1 (de) | 1990-07-11 |
| DK106691A (da) | 1991-06-04 |
| DE58903610D1 (de) | 1993-04-01 |
Similar Documents
| Publication | Publication Date | Title |
|---|---|---|
| DE69606050T2 (de) | Behälter,insbesondere getränkedose | |
| DE2621966A1 (de) | Kartondeckel | |
| DE3009513A1 (de) | Verschlussystem | |
| DE1266655B (de) | Deckel fuer Dosen oder aehnliche Behaelter mit einem Aufreissstreifen | |
| DE3510105A1 (de) | Behaelter mit zugaufreisslasche fuer ein leichtes oeffnen sowie verfahren zu seiner herstellung | |
| DE1657633A1 (de) | Leicht zu oeffnender Deckel fuer Behaelter | |
| EP0377183B1 (de) | Tragepaket | |
| DE1178006B (de) | Behaelter mit einem rohrfoermigen Rumpf aus Karton, Pappe od. dgl. | |
| DE3019231A1 (de) | Leicht zu oeffnender behaelter und grifflasche fuer einen solchen behaelter | |
| DE60225620T2 (de) | Wiederverschliessbare flexible Verpackung | |
| DE69004722T2 (de) | Karton mit teilbarem Tragegriff mit erleichtertem Zugriff zu seinem Inhalt. | |
| DE29608656U1 (de) | Transport- und/oder Schutzverpackung für Fahrräder | |
| DE20107780U1 (de) | Röhrenförmige Verpackung | |
| EP2284475B1 (de) | Kombinierter Scharnier-Verschluss, insbesondere bei Schutzhüllen oder Verpackungen | |
| DE1782111A1 (de) | Leicht zu oeffnender Dosendeckel mit einer einzigen vorgeschnittenen Linie und einer Aufreisslasche | |
| AT260099B (de) | Deckel für Dosen oder Behälter mit einem Aufreißstreifen | |
| DE572499C (de) | Sicherungsring fuer Spreizkapselverschluesse | |
| DE1060312B (de) | Verpackung in Faltschachtelform | |
| DE2655019C2 (de) | Aufreißdeckel aus Blech, insb. Vollaufreißdeckel, und Verfahren zu seiner Herstellung | |
| EP0634333A1 (de) | Verpackung aus Papierwerkstoff für Waschpulver und dergleichen | |
| DE1052308B (de) | Schieberpackung | |
| DE4317462A1 (de) | Verpackung für Zweikomponenten-Produkte | |
| DE3223270C2 (OSRAM) | ||
| AT234028B (de) | Durch Zuglaschen zu öffnende Verschlußwand mit zertrennbarer Folie für Behälter | |
| DE202006017221U1 (de) | Verpackung für Schokoladenprodukt |
Legal Events
| Date | Code | Title | Description |
|---|---|---|---|
| PUAI | Public reference made under article 153(3) epc to a published international application that has entered the european phase |
Free format text: ORIGINAL CODE: 0009012 |
|
| AK | Designated contracting states |
Kind code of ref document: A1 Designated state(s): GR |
|
| 17P | Request for examination filed |
Effective date: 19901123 |
|
| XX | Miscellaneous (additional remarks) |
Free format text: VERBUNDEN MIT 90900796.5/0451173 (EUROPAEISCHE ANMELDENUMMER/VEROEFFENTLICHUNGSNUMMER) DURCH ENTSCHEIDUNG VOM 06.02.92. |
|
| 17Q | First examination report despatched |
Effective date: 19920422 |
|
| GRAA | (expected) grant |
Free format text: ORIGINAL CODE: 0009210 |
|
| AK | Designated contracting states |
Kind code of ref document: B1 Designated state(s): AT BE CH DE ES FR GB GR IT LI NL SE |
|
| REF | Corresponds to: |
Ref document number: 85953 Country of ref document: AT Date of ref document: 19930315 Kind code of ref document: T |
|
| XX | Miscellaneous (additional remarks) |
Free format text: VERBUNDEN MIT 90900796.5/0451173 (EUROPAEISCHE ANMELDENUMMER/VEROEFFENTLICHUNGSNUMMER) DURCH ENTSCHEIDUNG VOM 06.02.92. |
|
| GBT | Gb: translation of ep patent filed (gb section 77(6)(a)/1977) |
Effective date: 19930302 |
|
| REF | Corresponds to: |
Ref document number: 58903610 Country of ref document: DE Date of ref document: 19930401 |
|
| ITF | It: translation for a ep patent filed | ||
| ET | Fr: translation filed | ||
| REG | Reference to a national code |
Ref country code: GR Ref legal event code: FG4A Free format text: 3007145 |
|
| REG | Reference to a national code |
Ref country code: ES Ref legal event code: FG2A Ref document number: 2041961 Country of ref document: ES Kind code of ref document: T3 |
|
| PLBE | No opposition filed within time limit |
Free format text: ORIGINAL CODE: 0009261 |
|
| STAA | Information on the status of an ep patent application or granted ep patent |
Free format text: STATUS: NO OPPOSITION FILED WITHIN TIME LIMIT |
|
| 26N | No opposition filed | ||
| EAL | Se: european patent in force in sweden |
Ref document number: 89123749.7 |
|
| REG | Reference to a national code |
Ref country code: GB Ref legal event code: IF02 |
|
| PGFP | Annual fee paid to national office [announced via postgrant information from national office to epo] |
Ref country code: SE Payment date: 20030611 Year of fee payment: 14 |
|
| PGFP | Annual fee paid to national office [announced via postgrant information from national office to epo] |
Ref country code: CH Payment date: 20030617 Year of fee payment: 14 |
|
| PGFP | Annual fee paid to national office [announced via postgrant information from national office to epo] |
Ref country code: GR Payment date: 20030626 Year of fee payment: 14 |
|
| PG25 | Lapsed in a contracting state [announced via postgrant information from national office to epo] |
Ref country code: SE Free format text: LAPSE BECAUSE OF NON-PAYMENT OF DUE FEES Effective date: 20031223 |
|
| PG25 | Lapsed in a contracting state [announced via postgrant information from national office to epo] |
Ref country code: CH Free format text: LAPSE BECAUSE OF NON-PAYMENT OF DUE FEES Effective date: 20031231 Ref country code: LI Free format text: LAPSE BECAUSE OF NON-PAYMENT OF DUE FEES Effective date: 20031231 |
|
| PG25 | Lapsed in a contracting state [announced via postgrant information from national office to epo] |
Ref country code: GR Free format text: LAPSE BECAUSE OF NON-PAYMENT OF DUE FEES Effective date: 20040705 |
|
| EUG | Se: european patent has lapsed | ||
| REG | Reference to a national code |
Ref country code: CH Ref legal event code: PL |
|
| PGFP | Annual fee paid to national office [announced via postgrant information from national office to epo] |
Ref country code: NL Payment date: 20081203 Year of fee payment: 20 |
|
| PGFP | Annual fee paid to national office [announced via postgrant information from national office to epo] |
Ref country code: AT Payment date: 20081211 Year of fee payment: 20 |
|
| PGFP | Annual fee paid to national office [announced via postgrant information from national office to epo] |
Ref country code: FR Payment date: 20081212 Year of fee payment: 20 Ref country code: ES Payment date: 20090120 Year of fee payment: 20 |
|
| PGFP | Annual fee paid to national office [announced via postgrant information from national office to epo] |
Ref country code: DE Payment date: 20081219 Year of fee payment: 20 |
|
| PGFP | Annual fee paid to national office [announced via postgrant information from national office to epo] |
Ref country code: GB Payment date: 20081217 Year of fee payment: 20 |
|
| PGFP | Annual fee paid to national office [announced via postgrant information from national office to epo] |
Ref country code: BE Payment date: 20090112 Year of fee payment: 20 |
|
| PGFP | Annual fee paid to national office [announced via postgrant information from national office to epo] |
Ref country code: IT Payment date: 20081229 Year of fee payment: 20 |
|
| BE20 | Be: patent expired |
Owner name: *HENKEL K.G.A.A. Effective date: 20091222 |
|
| REG | Reference to a national code |
Ref country code: GB Ref legal event code: PE20 Expiry date: 20091221 |
|
| PG25 | Lapsed in a contracting state [announced via postgrant information from national office to epo] |
Ref country code: NL Free format text: LAPSE BECAUSE OF EXPIRATION OF PROTECTION Effective date: 20091222 |
|
| NLV7 | Nl: ceased due to reaching the maximum lifetime of a patent |
Effective date: 20091222 |
|
| REG | Reference to a national code |
Ref country code: ES Ref legal event code: FD2A Effective date: 20091223 |
|
| PG25 | Lapsed in a contracting state [announced via postgrant information from national office to epo] |
Ref country code: GB Free format text: LAPSE BECAUSE OF EXPIRATION OF PROTECTION Effective date: 20091221 Ref country code: ES Free format text: LAPSE BECAUSE OF EXPIRATION OF PROTECTION Effective date: 20091223 |