EP0242418B1 - Verfahren zur Behandlung von Tabak und ähnlichen organischen Materialien - Google Patents

Verfahren zur Behandlung von Tabak und ähnlichen organischen Materialien Download PDF

Info

Publication number
EP0242418B1
EP0242418B1 EP86105606A EP86105606A EP0242418B1 EP 0242418 B1 EP0242418 B1 EP 0242418B1 EP 86105606 A EP86105606 A EP 86105606A EP 86105606 A EP86105606 A EP 86105606A EP 0242418 B1 EP0242418 B1 EP 0242418B1
Authority
EP
European Patent Office
Prior art keywords
tobacco
microwave
conveyer belt
liquid
gate
Prior art date
Legal status (The legal status is an assumption and is not a legal conclusion. Google has not performed a legal analysis and makes no representation as to the accuracy of the status listed.)
Expired
Application number
EP86105606A
Other languages
English (en)
French (fr)
Other versions
EP0242418A1 (de
Inventor
Oskar Dr. Stuhl
Klaus-Dieter Wenzel
Current Assignee (The listed assignees may be inaccurate. Google has not performed a legal analysis and makes no representation or warranty as to the accuracy of the list.)
RJ Reynolds Tobacco GmbH
Original Assignee
RJ Reynolds Tobacco GmbH
Priority date (The priority date is an assumption and is not a legal conclusion. Google has not performed a legal analysis and makes no representation as to the accuracy of the date listed.)
Filing date
Publication date
Application filed by RJ Reynolds Tobacco GmbH filed Critical RJ Reynolds Tobacco GmbH
Priority to AT86105606T priority Critical patent/ATE39600T1/de
Priority to EP86105606A priority patent/EP0242418B1/de
Priority to DE8686105606T priority patent/DE3661587D1/de
Priority to US07/030,800 priority patent/US4821747A/en
Priority to JP62097666A priority patent/JPS62257374A/ja
Priority to ES87105912T priority patent/ES2010686B3/es
Priority to DE8787105912T priority patent/DE3760403D1/de
Priority to AT87105912T priority patent/ATE45272T1/de
Priority to EP87105912A priority patent/EP0242873B1/de
Publication of EP0242418A1 publication Critical patent/EP0242418A1/de
Priority to US07/171,330 priority patent/US4944316A/en
Application granted granted Critical
Publication of EP0242418B1 publication Critical patent/EP0242418B1/de
Priority to GR89400230T priority patent/GR3000206T3/el
Expired legal-status Critical Current

Links

Images

Classifications

    • AHUMAN NECESSITIES
    • A24TOBACCO; CIGARS; CIGARETTES; SIMULATED SMOKING DEVICES; SMOKERS' REQUISITES
    • A24BMANUFACTURE OR PREPARATION OF TOBACCO FOR SMOKING OR CHEWING; TOBACCO; SNUFF
    • A24B3/00Preparing tobacco in the factory
    • A24B3/18Other treatment of leaves, e.g. puffing, crimpling, cleaning
    • A24B3/182Puffing
    • YGENERAL TAGGING OF NEW TECHNOLOGICAL DEVELOPMENTS; GENERAL TAGGING OF CROSS-SECTIONAL TECHNOLOGIES SPANNING OVER SEVERAL SECTIONS OF THE IPC; TECHNICAL SUBJECTS COVERED BY FORMER USPC CROSS-REFERENCE ART COLLECTIONS [XRACs] AND DIGESTS
    • Y10TECHNICAL SUBJECTS COVERED BY FORMER USPC
    • Y10STECHNICAL SUBJECTS COVERED BY FORMER USPC CROSS-REFERENCE ART COLLECTIONS [XRACs] AND DIGESTS
    • Y10S131/00Tobacco
    • Y10S131/903Fixing the product after puffing

Definitions

  • Such a process is known from DE-A 1 917 552 and DE-A 2 203 105.
  • tobacco is impregnated with liquid or vaporous inert organic compounds.
  • the impregnating agent is evaporated, the tobacco expanding, i.e. a loosening and volume increase of the tobacco takes place.
  • the impregnating liquid should be introduced into the tobacco in the vapor state. This also enables a reduction in the amount of impregnation agent required.
  • the tobacco expands its filling capacity is increased by 60 to 120%.
  • the impregnating agent evaporated during the expansion is discharged together with the gas.
  • the expanding agent can be recovered from the mixture.
  • a disadvantage of this known method is that a remainder of the impregnating agent remains in the expanded tobacco. In order to remove these residual amounts from the expanded tobacco, it is necessary to store the tobacco for a long time until the impregnating agent has evaporated. Such storage means a loss of time in the tobacco treatment and requires appropriate storage facilities with equipment for tobacco conditioning. The remaining amount removed by storage is difficult to recover.
  • the invention has for its object to provide a method of the type mentioned, in which the residual amount of impregnating agent still present in the tobacco after expansion is removed from the tobacco in a short time without expensive storage.
  • the material e.g. the tobacco
  • the material is subjected to a microwave treatment after the expansion, the remainder of the impregnating liquid being evaporated and removed for recovery.
  • the material to be treated is first expanded by evaporating volatile inert organic compounds, e.g. Halogenated hydrocarbons, according to the known method described above.
  • the tobacco is then subjected to a microwave treatment in order to drive off the residues of the impregnating agent which are still present in the tobacco and to carry them out for recovery.
  • the microwave treatment therefore does not recover the entire impregnating agent, but only the remainder that remains in the tobacco after the first process step.
  • the remainder is removed with relatively low microwave energy and is controllable in terms of control technology. With the microwave treatment there is no further expansion step, only the removal of the remaining impregnating agent.
  • the material is moistened to 15 to 70%, preferably to 18 to 40%, before the microwave treatment. After completion of the microwave treatment, the material should again have the usual average moisture of 10 to 16%.
  • the individual steps of the method according to the invention can be regulated well and bring about a gentle treatment of the material without the risk of thermal overload.
  • the impregnating agent is almost completely recovered, so that practically no losses occur.
  • the invention further relates to a device for microwave treatment.
  • Microwave treatment on an industrial scale and especially in continuous operation is very difficult to carry out because the microwave chamber requires complete shielding.
  • the invention solves the problem of maintaining the shielding of a microwave chamber during continuous operation.
  • a microwave chamber is provided, through which a conveyor belt passes and to which a suction line is connected; in the course of the conveyor belt, a lock is arranged directly in front of and behind the microwave chamber, which has gates that can be opened alternately; the conveyor belt passes through the door openings and can be moved through a gap in the door opening when the door is closed.
  • the method and the device for microwave treatment according to the invention are not only suitable for the treatment of tobacco but generally for the expansion treatment of organic material, e.g. of spices.
  • tobacco is fed to the impregnation device 11 via a humidifier 10.
  • the impregnation device 11 consists of a screw conveyor 12, in the inlet end of which the impregnating liquid is introduced in addition to the tobacco. This liquid is supplied in vapor form via line 13.
  • the inert organic liquid is preferably halogenated hydrocarbons, e.g. around trichlorofluoromethane (Frigen-11). Other inert organic liquids that can be used for the expansion are specified in DE-OS 1 917 552 and DE-OS 2 203 105.
  • the tobacco arrives at the expander 14, to which hot water vapor, which has been heated in the heater 16, is fed by a blower 15.
  • the temperature of the water vapor (or another gas used as a heat carrier) is above the boiling point of the impregnating agent, so that it evaporates and causes an increase in volume of the tobacco material in the expander 14.
  • a line leads from the outlet of the expander 14 to a cyclone 17.
  • a return line 20 leads from the outlet 19 to the heater 16.
  • a line 21 branches off from the return line 20 and leads to the regenerator 22, in which the impregnating agent is removed from the steam.
  • the vapor components (water and air) are discharged into a sump 23 while the impregnating agent is fed into the tank 24.
  • a line 25, which contains a pump 26 leads to the evaporator 27, the outlet of which is connected to line 13.
  • the evaporator 27 causes the impregnating liquid to be introduced into the impregnating device 11 in vapor form.
  • the tobacco arrives at a steam-operated separator 28 for the impregnating agent and from there via a conveyor 29 to a conditioning drum 30. From the separator 28, further impregnating liquid is present via line 21 a, which is still present in the tobacco , fed to the regenerator 22.
  • a conveyor 31 leads to the portioning device 32 for loading the microwave device 33, in which the second stage of the process, namely the microwave treatment, is carried out.
  • the moisture content of the tobacco is set to 15 to 70%, preferably 18 to 40%.
  • the dwell time of the tobacco in the conditioning drum 30 is 0.5 to 3 minutes, preferably 0.5 to 1.5 minutes.
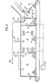
  • the conveyor 31 leads to the portioning device 32. This consists of a container 34 (FIG. 2) which can be pivoted about a horizontal axis and which can be tilted in order to pour the tobacco material over the chute 35 onto the conveyor belt 36, whereby on the conveyor belt Tobacco pile 37 is created.
  • the drive of the conveyor 31 is synchronized with the tilt control of the container 34 so that a predetermined amount of tobacco is entered into the container 34 until it is filled, which can be determined by a level detector. Thereafter, the conveyor 31 is stopped until the container 33 has been emptied and then has reached its receiving position again.
  • the upper run of the conveyor belt 36 passes through the lock 38, the microwave chamber 39 and the lock 40.
  • the lock 38 consists of a chamber closed on all sides made of a material that shields electromagnetic waves.
  • a gate opening 42 is provided in the outer wall of the chamber and can be closed with a shielding gate 43.
  • the upper run of the conveyor belt 36 passes through the lower end of the gate opening.
  • the gate opening 42 is dimensioned such that a tobacco heap 37 lying on the conveyor belt 36 can be moved through it into the lock 38.
  • the gate 43 is shut down so that it closes the gate opening 42.
  • the gate 45 is raised in the wall that separates the lock 38 from the microwave chamber 39, so that the corresponding gate opening 44 is exposed.
  • the conveyor belt 36 is driven again so that the tobacco heap 37 enters the microwave chamber 39.
  • the microwave radiation sources 46 conduct microwave energy into the microwave chamber 39.
  • the impregnating agent in the tobacco and part of the tobacco moisture are evaporated.
  • the evaporated constituents are sucked out of the microwave chamber by suction lines 47 and suction fans 48 and fed to line 21b, which leads to the regenerator 22.
  • Moisture sensors and / or temperature sensors 41 are arranged in the lock 38 and in the microwave chamber 39, which measure the moisture or temperature of the tobacco without contact and whose signals are processed in a control unit 53, for example a microprocessor, around the microwaves Power or change the belt speed so that the tobacco leaving the microwave chamber 39 has a predetermined residual moisture, while on the other hand overheating of the tobacco is avoided.
  • a control unit 53 for example a microprocessor
  • the microwave chamber 39 is operated continuously, i.e. the microwave sources 46 are constantly switched on.
  • the conveyor belt 36 is operated continuously at a speed with which the control of the gates is synchronized. While the gate 43 in the lock 38 is open, the gate 45 is closed and when the gate 45 is open the gate 43 is closed, so that the microwave chamber 39 is shielded from the environment at all times. This avoids the emission of microwave energy.
  • the microwave radiation sources 46 can be switched on or off individually or in groups by the control unit 53.
  • the outlet-side lock 40 also consists of a chamber through which the conveyor belt 36 passes and which has a gate 49 on the wall that separates it from the microwave chamber 39, which gate 49 can close the gate opening 50.
  • the gate 51 which can close the gate opening 52, is located on the opposite wall. The movements of the gates 49 and 51 are also synchronized with the belt speed of the conveyor belt 36, with at least one of these gates being closed at all times.
  • the lock 40 has a greater length than the lock 38 and forms a post-treatment chamber from which moisture and any residues of the impregnating agent that may still be present are sucked off.
  • Impregnation agents and moisture can evaporate in the locks on the tobacco.
  • the locks 38 and 40 are connected to suction lines 55 with suction fans 56. These suction lines lead to line 21 b.
  • a common suction fan can also be provided in line 21b.
  • the gates of the locks 38 and 40 are designed so that a narrow gap remains free for the passage of the conveyor belt 36 even when the gate opening is closed, so that the conveyor belt 36 can still move through an actually closed gate opening.
  • flexible aprons made of shielding material can be attached, which do not hinder the movement of the conveyor belt, but do not allow the passage of microwaves.
  • the walls of the locks 38 and 40 and the microwave chamber 39 and also the gates are made of gas-impermeable material, so that no vapors can escape into the open.
  • a tobacco heap 37 is conveyed into the lock 38, a tobacco heap is conveyed from the lock 38 into the microwave chamber 39, a tobacco heap is conveyed from the microwave chamber 39 into the lock 40 and another tobacco heap is transported from one position to another position within the lock 40.
  • tobacco or other organic materials can be processed in the form of chips, strips, leaves, stems or from reconstituted leaves.
  • the method is preferably used for processing chip-like material.
  • the impregnating agent content can be reduced to less than 1% of the residual content still present after the first process step.

Landscapes

  • Manufacture Of Tobacco Products (AREA)
  • Polysaccharides And Polysaccharide Derivatives (AREA)
  • Manufacturing Of Cigar And Cigarette Tobacco (AREA)
  • Physical Or Chemical Processes And Apparatus (AREA)

Description

  • Die Erfindung betrifft ein Verfahren zur Behandlung von Tabak und ähnlichen organischen Materialien,
    • - bei welchem das Material mit einer inerten organischen Flüssigkeit imprägniert und durch Einleiten eines heißen Gases über den Siedepunkt dieser Flüssigkeit erhitzt wird, wobei die Flüssigkeit unter Expansion des Materials verdampft,
    • - und bei welchem nach der Expansion eine Wiedergewinnung eines Teils der verdampften Flüssigkeit erfolgt, während ein Rest im Material verbleibt.
  • Ein derartiges Verfahren ist bekannt aus DE-A 1 917 552 und DE-A 2 203 105. Bei den bekannten Verfahren wird Tabak mit flüssigen bzw. dampfförmigen inerten organischen Verbindungen imprägniert. In einer nachfolgenden Wärmebehandlung mit einem Gas- bzw. Wasserdampf wird das Imprägnierungsmittel verdampft, wobei der Tabak expandiert, d.h. eine Auflockerung und Volumenvergrößerung des Tabaks stattfindet. Um eine Extraktion der löslichen, normalerweise in dem zu behandelnden Tabak vorhandenen Bestandteile auf ein Minimum zu reduzieren, sollte die imprägnierende Flüssigkeit in den Tabak im Dampfzustand eingetragen werden. Dies ermöglicht außerdem eine Reduzierung der Menge des erforderlichen Imprägnierungsmittels. Bei der Expansion des Tabaks wird dessen Füllkapazität um 60 bis 120% erhöht. Das bei der Expansion verdampfte Imprägnierungsmittel wird zusammen mit dem Gas abgeführt. Aus dem Gemisch kann das Expandierungsmittel zurückgewonnen werden. Nachteilig bei diesem bekannten Verfahren ist, daß im expandierten Tabak noch ein Rest des Imprägnierungsmittels verbleibt. Um diese Restmengen aus dem expandierten Tabak zu entfernen, ist es erforderlich, den Tabak über längere Zeit zu lagern, bis sich das Imprägnierungsmittel verflüchtigt hat. Eine solche Lagerung bedeutet einen Zeitverlust bei der Tabakbehandlung und sie erfordert entsprechende Lagereinrichtungen mit Ausrüstungen für die Tabakkonditionierung. Die durch Lagerung entfernte Restmenge ist einer Wiedergewinnung nur schwerlich zugänglich.
  • Aus US-A 3 828 797 ist es bekannt, die Expansion von Tabak durchzuführen, indem der mit einer flüchtigen organischen Flüssigkeit imprägnierte Tabak einer Mikrowellenbehandlung unterzogen wird. Bei diesem Verfahren wird die gesamte Energie, die zum Verdampfen des Expansionsmittels erforderlich ist, in Form von Mikrowellen zugeführt. Eine derartig energiereiche Mikrowellenbehandlung ist im großtechnischen Maßstab aber außerordentlich schwierig, weil bei vollständiger Verdampfung des Expansionsmittels leicht Überhitzungen des Tabakmaterials auftreten können. Es ist praktisch nicht möglich, die Mikrowellenenergie so zu dosieren, daß das gesamte Expansionsmittel verdampft, daß andererseits aber keine Überhitzung des Tabaks erfolgt. Ferner ist der Energieverbrauch dieses bekannten Verfahrens sehr hoch. Das Verfahren funktioniert zwar unter Laborbedingungen, ist bei großtechnischen Anwendungen jedoch kaum durchführbar.
  • Der Erfindung liegt die Aufgabe zugrunde, ein Verfahren der eingangs genannten Art anzugeben, bei dem die nach der Expansion im Tabak noch vorhandene Restmenge an Imprägnierungsmittel dem Tabak in kurzer Zeit ohne aufwendige Lagerung entzogen wird.
  • Zur Lösung dieser Aufgabe ist erfindungsgemäß vorgesehen, daß das Material (z.B. der Tabak) nach der Expansion einer Mikrowellenbehandlung ausgesetzt wird, wobei der Rest der imprägnierenden Flüssigkeit verdampft und zur Wiedergewinnung abgeführt wird.
  • Bei dem erfindungsgemäßen Verfahren erfolgt zunächst die Expansion des zu behandelnden Materials durch Verdampfen flüchtiger inerter organischer Verbindungen, z.B. Halogenkohlenwasserstoffe, nach dem eingangs beschriebenen bekannten Verfahren. Im Anschluß an den Expansionsschritt wird der Tabak dann noch einer Mikrowellenbehandlung zugeführt, um die im Tabak noch vorhandenen Reste des Imprägnierungsmittels auszutreiben und einer Wiedergewinnung zuzuführen. Durch die Mikrowellenbehandlung wird also nicht das gesamte Imprägnierungsmittel wiedergewonnen, sondern nur der nach dem ersten Verfahrensschritt noch im Tabak verbliebene Rest. Das Entfernen der Restmenge erfolgt mit relativ geringer Mikrowellenenergie und ist steuerungstechnisch beherrschbar. Bei der Mikrowellenbehandlung erfolgt kein weiterer Expansionsschritt, sondern ledigich das Entfernen des restlichen Imprägnierungsmittels.
  • Um ein Austrocknen des Materials bei der Mikrowellenbehandlung zu verhindern, wird das Material vor der Mikrowellenbehandlung auf 15 bis 70%, vorzugsweise auf 18 bis 40%, befeuchtet. Nach Beendigung der Mikrowellenbehandlung soll das Material wieder die übliche Durchschnittsfeuchte von 10 bis 16% aufweisen.
  • Das erfindungsgemäße Verfahren ist in seinen einzelnen Schritten gut regelbar und bewirkt eine schonende Behandlung des Materials, ohne die Gefahr der thermischen Überlastung. Außerdem wird das Imprägnierungsmittel fast vollständig wiedergewonnen, so daß praktisch keine Verluste auftreten.
  • Die Erfindung betrifft ferner eine Vorrichtung zur Mikrowellenbehandlung. Die Mikrowellenbehandlung in großtechnischem Maßstab und insbesondere im Durchlaufbetrieb ist sehr schwer durchzuführen, weil die Mikrowellenkammer eine vollständige Abschirmung benötigt. Die Erfindung löst das Problem der Aufrechterhaltung der Abschirmung einer Mikrowellenkammer bei Durchlaufbetrieb. Nach der Erfindung ist eine Mikrowellenkammer vorgesehen, durch die ein Transportband hindurchführt und an die eine Absaugleitung angeschlossen ist; im Zuge des Transportbandes ist unmittelbar vor und hinter der Mikrowellenkammer je eine Schleuse angeordnet, die abwechselnd zu öffnende Tore aufweist; das Transportband führt durch die Toröffnungen hindurch und es ist leer bei geschlossenem Tor durch einen Spalt der Toröffnung hindurch bewegbar.
  • Durch die Schleusen ist es möglich, die Abschirmung der Mikrowellenkammer in jedem Zustand aufrechtzuerhalten und dennoch eine Beschickung und Entleerung der Mikrowellenkammer im Durchlaufbetrieb durchzuführen.
  • Das erfindungsgemäße Verfahren und die Vorrichtung zur Mikrowellenbehandlung eignen sich nicht nur für die Behandlung von Tabak sondern generell für die Expansionsbehandlung von organischem Material, z.B. von Gewürzen.
  • Im folgenden wird unter Bezugnahme auf die Zeichnungen ein Ausführungsbeispiel der Erfindung anhand der Verarbeitung von Tabak näher erläutert.
  • Es zeigen:
    • Fig. 1 eine schematische Darstellung des gesamten Verfahrensablaufs und
    • Fig. 2 eine schematische detailliertere Darstellung der Mikrowelleneinrichtung, in der der zweite Verfahrensschritt durchgeführt wird.
  • Gemäß Fig. 1 wird Tabak über einen Befeuchter 10 der Imprägniereinrichtung 11 zugeführt. Die Imprägniereinrichtung 11 besteht aus einem Schneckenförderer 12, in dessen Einlaßende zusätzlich zu dem Tabak die imprägnierende Flüssigkeit eingeführt wird. Diese Flüssigkeit wird über Leitung 13 in Dampfform zugeführt. Bei der inerten organischen Flüssigkeit handelt es sich vorzugsweise um Halogenkohlenwasserstoffe, z.B. um Trichlorfluormethan (Frigen-11). Andere für die Expansion benutzbare inerte organische Flüssigkeiten sind in DE-OS 1 917 552 und DE-OS 2 203 105 angegeben.
  • Vom Auslaß des Schneckenförderers 11 gelangt der Tabak zu dem Expander 14, dem von einem Gebläse 15 heißer Wasserdampf zugeführt wird, der in dem Erhitzer 16 erwärmt worden ist. Die Temperatur des Wasserdampfes (oder eines anderen als Wärmeträger benutzten Gases) liegt über der Siedetemperatur des Imprägnierungsmittels, so daß dieses verdampft und im Expander 14 eine Volumenvergrößerung des Tabakmaterials verursacht.
  • Vom Auslaß des Expanders 14 führt eine Leitung zu einem Zyklon 17. Der Tabak sinkt im Zyklon 17 zum unteren Auslaß 18, während die gasförmigen Bestandteile durch den oberen Auslaß 19 entweichen. Vom Auslaß 19 führt eine Rückführleitung 20 zum Erhitzer 16. Von der Rückführleitung 20 zweigt eine Leitung 21 ab, die zu dem Regenerator 22 führt, in welchem das Imprägnierungsmittel von dem Dampf entfernt wird. Die Dampfbestandteile (Wasser und Luft) werden in einen Sumpf 23 abgeführt, während das Imprägnierungsmittel in den Tank 24 geleitet wird. Vom Tank 24 führt eine Leitung 25, die eine Pumpe 26 enthält, zu dem Verdampfer 27, dessen Auslaß mit Leitung 13 verbunden ist. Der Verdampfer 27 bewirkt, daß die imprägnierende Flüssigkeit in Dampfform in die lmprägniervorrichtung 11 eingeleitet wird.
  • Vom Auslaß 18 des Zyklons 17 gelangt der Tabak zu einem mit Wasserdampf betriebenen Abscheider 28 für das Imprägnierungsmittel und von dort über einen Förderer 29 zu einer Konditioniertrommel 30. Von dem Abscheider 28 wird über Leitung 21 a weitere imprägnierende Flüssigkeit, die noch im Tabak vorhanden ist, dem Regenerator 22 zugeführt.
  • Die bisher beschriebene Einrichtung ist bekannt aus DE-OS 2 203 105. Bezüglich der Einzelheiten der Einrichtung und der mit ihr durchzuführenden ersten Verfahrensstufe wird ausdrücklich auf die genannte Druckschrift verwiesen, die hiermit zum Inhalt der vorliegenden Offenbarung gemacht wird.
  • Vom Auslaß der Konditioniertrommel 30 führt ein Förderer 31 zu der Portioniereinrichtung 32 zur Beschickung der Mikrowelleneinrichtung 33, in welcher die zweite Stufe des Verfahrens, nämlich die Mikrowellenbehandlung, durchgeführt wird.
  • In der Konditioniertrommel 30 wird der Feuchtigkeitsgehalt des Tabaks auf 15 bis 70%, vorzugsweise auf 18 bis 40%, eingestellt. Die Verweildauer des Tabaks in der Konditioniertrommel 30 beträgt 0,5 bis 3 min., vorzugsweise 0,5 bis 1,5 min. Der Förderer 31 führt zu der Portioniereinrichtung 32. Diese besteht aus einem um eine horizontale Achse schwenkbaren Behälter 34 (Fig. 2), der gekippt werden kann, um das Tabakmaterial über die Rutsche 35 auf das Förderband 36 zu schütten, wobei auf dem Förderband ein Tabakhaufen 37 entsteht. Der Antrieb des Förderers 31 ist mit der Kippsteuerung des Behälters 34 so synchronisiert, daß jeweils eine vorbestimmte Tabakmenge in den Behälter 34 eingegeben wird, bis dieser gefüllt ist, was durch einen Füllstandsdetektor festgestellt werden kann. Danach wird der Förderer 31 angehalten, bis der Behälter 33 entleert worden ist, und anschließend wieder seine Aufnahmeposition erreicht hat.
  • Der obere Trum des Förderbandes 36 führt durch die Schleuse 38, die Mikrowellenkammer 39 und die Schleuse 40 hindurch. Die Schleuse 38 besteht aus einer allseitig geschlossenen Kammer aus einem Material, das elektromagnetische Wellen abschirmt. In der Außenwand der Kammer ist eine Toröffnung 42 vorgesehen, die mit einem abschirmenden Tor 43 verschlossen werden kann. Durch das untere Ende der Toröffnung führt der obere Trum des Förderbandes 36 hindurch. Die Toröffnung 42 ist so bemessen, daß ein auf dem Förderband 36 liegender Tabakhaufen 37 durch sie hindurch in die Schleuse 38 bewegt werden kann. Wenn der Tabakhaufen sich in der Schleuse 38 befindet, wird das Tor 43 heruntergefahren, so daß es die Toröffnung 42 verschließt. Nun wird das Tor 45 in derjenigen Wand, die die Schleuse 38 von der Mikrowellenkammer 39 trennt, angehoben, so daß die entsprechende Toröffnung 44 freigelegt wird. Das Förderband 36 wird wieder angetrieben, so daß der Tabakhaufen 37 in die Mikrowellenkammer 39 gelangt.
  • Die Mikrowellen-Strahlungsquellen 46 leiten Mikrowellenenergie in die Mikrowellenkammer 39. Dadurch werden das in dem Tabak befindliche Imprägniermittel und ein Teil der Tabakfeuchte verdampft. Durch Absaugleitungen 47 und Sauggebläse 48 werden die verdampften Bestandteile aus der Mikrowellenkammer abgesaugt und der Leitung 21 b zugeführt, die zum Regenerator 22 führt.
  • In der Schleuse 38 und in der Mikrowellenkammer 39 sind Feuchtigkeitsfühler und/oder Temperaturfühler 41 angeordnet, die die Feuchte bzw. Temperatur des Tabaks berührungslos messen und deren Signale in einer Steuereinheit 53, z.B. einem Mikroprozessor verarbeitet werden, um die Mikrowellenleistung bzw. die Bandgeschwindigkeit so zu verändern, daß der die Mikrowellenkammer 39 verlassende Tabak eine vorbestimmte Restfeuchte aufweist, während andererseits Überhitzungen des Tabaks vermieden werden.
  • Die Mikrowellenkammer 39 wird kontinuierlich betrieben, d.h. die Mikrowellenquellen 46 sind ständig eingeschaltet. Der Betrieb des Förderbandes 36 erfolgt kontinuierlich mit einer Geschwindigkeit, mit der die Steuerung der Tore synchronisiert ist. Während in der Schleuse 38 das Tor 43 offen ist, ist das Tor 45 geschlossen und wenn das Tor 45 offen ist, ist das Tor 43 geschlossen, so daß die Mikrowellenkammer 39 zu jedem Zeitpunkt gegen die Umgebung abgeschirmt ist. Dadurch wird die Abstrahlung von Mikrowellenenergie vermieden.
  • Die Mikrowellen-Strahlungsquellen 46 können in Abhängigkeit von Feuchte und Temperatur des Tabaks einzeln oder gruppenweise durch die Steuereinheit 53 ein- oder abgeschaltet werden.
  • Die auslaßseitige Schleuse 40 besteht ebenfalls aus einer Kammer, durch die das Förderband 36 hindurchführt und die an derjenigen Wand, die sie von der Mikrowellenkammer 39 trennt, ein Tor 49 aufweist, das die Toröffnung 50 verschließen kann. An der gegenüberliegenden Wand befindet sich das Tor 51, das die Toröffnung 52 verschließen kann. Auch die Bewegungen der Tore 49 und 51 sind mit der Bandgeschwindigkeit des Förderbandes 36 synchronisiert, wobei zu jedem Zeitpunkt mindestens eines dieser Tore geschlossen ist. Die Schleuse 40 hat eine größere Länge als die Schleuse 38 und bildet eine Nachbehandlungskammer, aus der Feuchtigkeit und eventuell noch vorhandene Reste des Imprägnierungsmittels abgesaugt werden.
  • An dem Tabak können Imprägniermittel und Feuchtigkeit in den Schleusen verdampfen. Zum Absaugen sind die Schleusen 38 und 40 an Absaugleitungen 55 mit Sauggebläse 56 angeschlossen. Diese Absaugleitungen führen zur Leitung 21 b. Anstelle der Sauggebläse 48 und 56 kann auch ein gemeinsames Sauggebläse in der Leitung 21 b vorgesehen sein.
  • Die Tore der Schleusen 38 und 40 sind so ausgebildet, daß auch bei geschlossener Toröffnung noch ein schmaler Spalt für den Durchtritt des Förderbandes 36 freibleibt, so daß das Förderband 36 sich durch eine eigentlich geschlossene Toröffnung noch hindurchbewegen kann. An der Unterseite eines jeden Tores können (nicht dargestellte) flexible Schürzen aus abschirmendem Material angebracht sein, die die Bewegung des Förderbandes nicht behindern, den Durchgang von Mikrowellen aber nicht zulassen.
  • Die Wände der Schleusen 38 und 40 sowie der Mikrowellenkammer 39 und auch die Tore bestehen aus gasundurchlässigem Material, so daß keine Dämpfe ins Freie gelangen können.
  • Durch die Bewegung des Förderbandes 36 um den Abstand zweier Haufen wird ein Tabakhaufen 37 in die Schleuse 38 befördert, ein Tabakhaufen wird aus der Schleuse 38 in die Mikrowellenkammer 39 befördert, ein Tabakhaufen wird aus der Mikrowellenkammer 39 in die Schleuse 40 befördert und ein anderer Tabakhaufen wird innerhalb der Schleuse 40 von einer Position zu einer anderen Position befördert.
  • Alternativ zu dem Beispiel von Fig. 2 besteht die Möglichkeit, die Steuerung so vorzunehmen, daß die Tabakhaufen in dichterer Folge angeordnet sind, so daß jeweils mehr als ein Tabakhaufen sich in der Mikrowellenkammer 39 befindet.
  • Nach dem beschriebenen Verfahren können Tabak oder andere organische Materialien in Form von Schnitzeln, Streifen, Blättern, Stielen oder aus rekonstituierten Blättern verarbeitet werden. Vorzugsweise wird das Verfahren zur Verarbeitung von schnitzelförmigem Material angewandt. Der Gehalt an Imprägniermittel kann auf weniger als 1 % des nach der ersten Verfahrensstufe noch vorhandenen Restgehaltes reduziert werden.
  • Abweichend von der oben beschriebenen Mikrowellenbehandlung in einer mit Schleusenkammern versehenen Mikrowellenkammer ist es auch möglich, die Mikrowellenbehandlung batchweise in einer zum Öffnen abzuschaltenden Kammer vorzunehmen.

Claims (5)

1. Verfahren zur Behandlung von Tabak und ähnlichen organischen Materialien,
- bei welchem das Material mit einer inerten organischen Flüssigkeit imprägniert und durch Einleiten eines heißen Gases über den Siedepunkt dieser Flüssigkeit erhitzt wird, wobei die Flüssigkeit unter Expansion des Materials verdampft,
- und bei welchem nach der Expansion eine Wiedergewinnung eines Teils der verdampften Flüssigkeit erfolgt, während ein Rest im Material verbleibt, dadurch gekennzeichnet, daß das Material nach der Expansion einer Mikrowellenbehandlung ausgesetzt wird, wobei der Rest der imprägnierenden Flüssigkeit verdampft und zur Wiedergewinnung abgeführt wird.
2. Verfahren nach Anspruch 1, dadurch gekennzeichnet, daß das Material vor der Mikrowellenbehandlung auf 15 bis 70%, vorzugsweise auf 18 bis 40%, befeuchtet wird.
3. Vorrichtung zur Mikrowellenbehandlung von Tabak oder ähnlichen Materialien, insbesondere zur Durchführung der Mikrowellenbehandlung nach Anspruch 1, dadurch gekennzeichnet, daß eine Mikrowellenkammer (39) vorgesehen ist, durch die ein Transportband (36) hindurchführt und an die eine Absaugleitung (47) angeschlossen ist, daß im Zuge des Transportbandes (36) unmittelbar vor und hinter der Mikrowellenkammer (39) je eine Schleuse (38, 40) angeordnet ist, die zwei abwechselnd zu öffnende Tore (43, 45; 49, 51) aufweist, daß das Transportband (36) durch die Toröffnungen (42, 44, 50, 52) hindurchführt und bei geschlossenem Tor durch einen Spalt der Toröffnung hindurch bewegbar ist und daß eine Beschickungsvorrichtung (32) zum Aufbringen diskreter Materialhaufen (37) auf das Transportband (36) vorgesehen ist.
4. Vorrichtung nach Anspruch 3, dadurch gekennzeichnet, daß das Transportband (36) kontinuierlich angetrieben ist und daß die Bewegungen der Beschickungsvorrichtung (32) und der Tore (43, 45, 49, 51) mit der Antriebsvorrichtung des Transportbandes (36) synchronisiert sind.
5. Vorrichtung nach Anspruch 3 oder 4, dadurch gekennzeichnet, daß mindestens eine der Schleusen (38, 40) an eine Absaugleitung (55) angeschlossen ist.
EP86105606A 1986-04-23 1986-04-23 Verfahren zur Behandlung von Tabak und ähnlichen organischen Materialien Expired EP0242418B1 (de)

Priority Applications (11)

Application Number Priority Date Filing Date Title
AT86105606T ATE39600T1 (de) 1986-04-23 1986-04-23 Verfahren zur behandlung von tabak und aehnlichen organischen materialien.
EP86105606A EP0242418B1 (de) 1986-04-23 1986-04-23 Verfahren zur Behandlung von Tabak und ähnlichen organischen Materialien
DE8686105606T DE3661587D1 (en) 1986-04-23 1986-04-23 Process for treating tobacco and similar organic materials
US07/030,800 US4821747A (en) 1986-04-23 1987-03-27 Process for treating tobacco and similar organic materials
ES87105912T ES2010686B3 (es) 1986-04-23 1987-04-22 Procedimiento para el tratamiento del tabaco y de materiales organicos parecidos.
DE8787105912T DE3760403D1 (en) 1986-04-23 1987-04-22 Process for treating tobacco and similar organic materials
JP62097666A JPS62257374A (ja) 1986-04-23 1987-04-22 たばこ材及びそれに類する有機物等の材料を処理するための方法及び装置
AT87105912T ATE45272T1 (de) 1986-04-23 1987-04-22 Verfahren zur behandlung von tabak und aehnlichen organischen materialien.
EP87105912A EP0242873B1 (de) 1986-04-23 1987-04-22 Verfahren zur Behandlung von Tabak und ähnlichen organischen Materialien
US07/171,330 US4944316A (en) 1986-04-23 1988-03-21 Process for treating tobacco and similar organic materials
GR89400230T GR3000206T3 (en) 1986-04-23 1989-11-08 Process for treating tobacco and similar organic materials

Applications Claiming Priority (1)

Application Number Priority Date Filing Date Title
EP86105606A EP0242418B1 (de) 1986-04-23 1986-04-23 Verfahren zur Behandlung von Tabak und ähnlichen organischen Materialien

Publications (2)

Publication Number Publication Date
EP0242418A1 EP0242418A1 (de) 1987-10-28
EP0242418B1 true EP0242418B1 (de) 1989-01-04

Family

ID=8195079

Family Applications (2)

Application Number Title Priority Date Filing Date
EP86105606A Expired EP0242418B1 (de) 1986-04-23 1986-04-23 Verfahren zur Behandlung von Tabak und ähnlichen organischen Materialien
EP87105912A Expired EP0242873B1 (de) 1986-04-23 1987-04-22 Verfahren zur Behandlung von Tabak und ähnlichen organischen Materialien

Family Applications After (1)

Application Number Title Priority Date Filing Date
EP87105912A Expired EP0242873B1 (de) 1986-04-23 1987-04-22 Verfahren zur Behandlung von Tabak und ähnlichen organischen Materialien

Country Status (7)

Country Link
US (2) US4821747A (de)
EP (2) EP0242418B1 (de)
JP (1) JPS62257374A (de)
AT (2) ATE39600T1 (de)
DE (2) DE3661587D1 (de)
ES (1) ES2010686B3 (de)
GR (1) GR3000206T3 (de)

Families Citing this family (44)

* Cited by examiner, † Cited by third party
Publication number Priority date Publication date Assignee Title
ATE39600T1 (de) * 1986-04-23 1989-01-15 Reynolds Tobacco Gmbh Verfahren zur behandlung von tabak und aehnlichen organischen materialien.
CA1328064C (en) * 1987-07-27 1994-03-29 Masao Kobari Apparatus for expanding material for foodstuffs, favorite items and the like
US5755238A (en) * 1996-10-17 1998-05-26 Brown & Williamson Tobacco Corporation Method and apparatus for low residence time redrying of tobacco
US6311695B1 (en) 1996-06-28 2001-11-06 Regent Court Technologies Method of treating tobacco to reduce nitrosamine content, and products produced thereby
US5803081A (en) * 1996-06-28 1998-09-08 Regent Court Technologies Tobacco and related products
USRE38123E1 (en) 1996-06-28 2003-05-27 Regent Court Technologies, Llc. Tobacco products having reduced nitrosamine content
US6135121A (en) * 1996-06-28 2000-10-24 Regent Court Technologies Tobacco products having reduced nitrosamine content
US6202649B1 (en) 1996-12-02 2001-03-20 Regent Court Technologies Method of treating tobacco to reduce nitrosamine content, and products produced thereby
US6637438B1 (en) * 1997-04-21 2003-10-28 Kerry Scott Lane Method for assay and removal of harmful toxins during processing of tobacco products
US6058940A (en) * 1997-04-21 2000-05-09 Lane; Kerry Scott Method and system for assay and removal of harmful toxins during processing of tobacco products
US6586661B1 (en) * 1997-06-12 2003-07-01 North Carolina State University Regulation of quinolate phosphoribosyl transferase expression by transformation with a tobacco quinolate phosphoribosyl transferase nucleic acid
IL154166A (en) 1997-06-20 2005-09-25 Regent Court Technologies Tobacco products having low nitrosamine content
BG65186B1 (bg) * 1997-12-23 2007-06-29 Regent Court Technologies Метод за обработка на тютюн за намаляване на съдържанието на нитрозамини и продукти, получени по този метод
US6805134B2 (en) * 1999-04-26 2004-10-19 R. J. Reynolds Tobacco Company Tobacco processing
DE19926216A1 (de) * 1999-06-09 2001-02-22 Metallgesellschaft Ag Verfahren zur Herstellung von Bariumsulfat, Bariumsulfat und Verwendung des Bariumsulfats
AP1894A (en) 1999-10-18 2008-09-29 Kerry Scott Lane Method and system for assay and removal of harmful toxins during processing of tobacco products.
WO2002018607A2 (en) * 2000-08-30 2002-03-07 North Carolina State University Transgenic plants containing molecular decoys that alter protein content therein
US20060157072A1 (en) * 2001-06-08 2006-07-20 Anthony Albino Method of reducing the harmful effects of orally or transdermally delivered nicotine
CN1638655A (zh) * 2001-06-08 2005-07-13 韦克多烟草有限公司 修饰烟草中烟碱和亚硝胺的水平
US7073514B2 (en) * 2002-12-20 2006-07-11 R.J. Reynolds Tobacco Company Equipment and methods for manufacturing cigarettes
US7275548B2 (en) * 2001-06-27 2007-10-02 R.J. Reynolds Tobacco Company Equipment for manufacturing cigarettes
US7448390B2 (en) * 2003-05-16 2008-11-11 R.J. Reynolds Tobacco Company Equipment and methods for manufacturing cigarettes
US20040238136A1 (en) * 2003-05-16 2004-12-02 Pankaj Patel Materials and methods for manufacturing cigarettes
AP2004003146A0 (en) * 2002-04-09 2004-09-30 Vector Tobacco Ltd Tobacco having reduced nicotine and nitrosamines
US7117871B2 (en) * 2002-12-20 2006-10-10 R.J. Reynolds Tobacco Company Methods for manufacturing cigarettes
US7234471B2 (en) * 2003-10-09 2007-06-26 R. J. Reynolds Tobacco Company Cigarette and wrapping materials therefor
US7077145B2 (en) * 2002-12-20 2006-07-18 R.J. Reynolds Tobacco Company Equipment and methods for manufacturing cigarettes
US7195019B2 (en) * 2002-12-20 2007-03-27 R. J. Reynolds Tobacco Company Equipment for manufacturing cigarettes
US7275549B2 (en) * 2002-12-20 2007-10-02 R.J. Reynolds Tobacco Company Garniture web control
US20040122547A1 (en) * 2002-12-20 2004-06-24 Seymour Sydney Keith Equipment and methods for manufacturing cigarettes
US7281540B2 (en) * 2002-12-20 2007-10-16 R.J. Reynolds Tobacco Company Equipment and methods for manufacturing cigarettes
US7276120B2 (en) 2003-05-16 2007-10-02 R.J. Reynolds Tobacco Company Materials and methods for manufacturing cigarettes
US7047982B2 (en) * 2003-05-16 2006-05-23 R.J. Reynolds Tobacco Company Method for registering pattern location on cigarette wrapping material
CN1742636B (zh) * 2004-09-02 2010-10-06 邹宝安 一种无公害液体香烟的生产工艺
CN101290277B (zh) * 2007-04-20 2011-05-11 财团法人食品工业发展研究所 利用微波辐射的快速提取方法
CN101617855B (zh) * 2008-07-03 2012-05-30 北京航天试验技术研究所 一种连续微波膨胀烟丝的方法
US8151804B2 (en) 2008-12-23 2012-04-10 Williams Jonnie R Tobacco curing method
EP2692247B1 (de) * 2011-03-31 2018-08-08 Japan Tobacco, Inc. Verfahren und vorrichtung für tabakmaterialexpansion
CN102488326A (zh) * 2011-12-16 2012-06-13 新乡东方工业科技有限公司 卷烟机落地回收烟丝处理装置
CN103734903A (zh) * 2014-01-09 2014-04-23 云南烟草科学研究院 用于微波膨胀烟梗加工生产线的装置
CN106031523B (zh) * 2015-03-18 2019-05-14 北京航天试验技术研究所 一种密封设置的烟丝浸渍膨胀系统
US10561172B2 (en) * 2016-03-07 2020-02-18 Wallbrooke Investments Ltd. Inductive heating apparatus and related method
CN107259633B (zh) * 2017-07-18 2019-06-04 云南中烟新材料科技有限公司 一种提升微波膨胀烟梗加工性的体积控制装置
CN121264692A (zh) * 2024-07-01 2026-01-06 思摩尔国际控股有限公司 气溶胶生成基质段的制造设备及制造方法

Family Cites Families (12)

* Cited by examiner, † Cited by third party
Publication number Priority date Publication date Assignee Title
US3524451A (en) * 1968-04-10 1970-08-18 Reynolds Tobacco Co R Process for increasing the filling capacity of tobacco
FR2119789A6 (en) * 1968-04-10 1972-08-04 Reynolds Leasing Corp Tobacco treatment process
US3524452A (en) * 1968-04-10 1970-08-18 Reynolds Tobacco Co R Process for increasing the filling capacity of tobacco
US3693631A (en) * 1971-04-28 1972-09-26 Reynolds Leasing Corp Tobacco expansion process
BE786024A (fr) * 1971-07-07 1973-01-08 Reynolds Leasing Corp Procede pour augmenter le volume du tabac par exposition a des ondes dehaute frequence
US3765425A (en) * 1971-09-02 1973-10-16 Brown & Williamson Tobacco Corp Puffing of tobacco
US3870053A (en) * 1972-06-06 1975-03-11 Brown & Williamson Tobacco Corp Enhancement of flavor and aroma by microwave treatment
US3842846A (en) * 1973-01-22 1974-10-22 Philip Morris Inc Microwave expansion of tobacco
US4248252A (en) * 1978-06-02 1981-02-03 Philip Morris Incorporated Continuous process for expanding tobacco
DE2903300C2 (de) * 1979-01-29 1982-06-09 H.F. & Ph.F. Reemtsma Gmbh & Co, 2000 Hamburg Verfahren zur Verbesserung der Füllfähigkeit von Tabaken
US4333482A (en) * 1980-07-22 1982-06-08 Philip Morris Incorporated Process for increasing filling power of reconstituted tobacco
ATE39600T1 (de) * 1986-04-23 1989-01-15 Reynolds Tobacco Gmbh Verfahren zur behandlung von tabak und aehnlichen organischen materialien.

Also Published As

Publication number Publication date
EP0242873B1 (de) 1989-08-09
DE3661587D1 (en) 1989-02-09
EP0242418A1 (de) 1987-10-28
US4944316A (en) 1990-07-31
ES2010686B3 (es) 1989-12-01
JPS62257374A (ja) 1987-11-09
ATE39600T1 (de) 1989-01-15
US4821747A (en) 1989-04-18
DE3760403D1 (en) 1989-09-14
GR3000206T3 (en) 1990-12-31
EP0242873A1 (de) 1987-10-28
ATE45272T1 (de) 1989-08-15

Similar Documents

Publication Publication Date Title
EP0242418B1 (de) Verfahren zur Behandlung von Tabak und ähnlichen organischen Materialien
DE69807516T2 (de) Verfahren zur trocknung von schnittholz und vorrichtung zur durchführung des verfahrens
EP1342969B1 (de) Verfahren und Vorrichtung zur Trocknung von Werkstücken
CH663327A5 (de) Verfahren und anlage zum ausziehen loeslicher stoffe aus tabak.
DE69004189T2 (de) Anordnungen zur behandlung menschlichen oder tierischen abfalls mittels mikrowellen.
EP0734734A1 (de) Verfahren und Vorrichtung zur Desinfektion oder Sterilisation von Infektionsmüll
DE3109461C2 (de) Verfahren und Vorrichtung zur Hochtemperaturtrocknung von Holz
CH617351A5 (en) Device for disinfecting and/or sterilising goods which consist at least partially of solids, especially waste waters carrying solids
DE3221602A1 (de) Verfahren und vorrichtung zum trocknen von tabak
DE3814870C1 (de)
EP0532839B1 (de) Verfahren und Vorrichtung zum Entkeimen eines Produktes
EP1096961A1 (de) Verfahren und vorrichtung zur behandlung von kontaminierten materialien
DE3826273C2 (de)
DE4109829C2 (de)
DE4141976C2 (de) Verfahren und Vorrichtung zum Keimfreimachen von schüttfähigen Stoffen
DE1604889C3 (de) Verfahren und Vorrichtung zum Trocknen von Kunststoffgranulat
DE69416877T2 (de) Anlage zur mahlung und dekontaminierung von abfällen, insbesondere von krankenhausabfällen .
EP0451317A1 (de) Verfahren und Vorrichtung zum Desinfizieren oder Sterilisieren von infektiösem Müll
DE826747C (de) Verfahren und Vorrichtung zur Trennung von Substanzen mit verschiedenen Verdampfungsgeschwindigkeiten durch Destillation bei niedrigen Restgasdrucken
DE4404381C1 (de) Verfahren und Vorrichtung zum Garen und anschließenden Blättern von Kohlköpfen
DE2552504A1 (de) Verfahren und vorrichtung zur behandlung von loesungsmittelhaltigen homogenisierten tabak- und tabakersatzmassen und anderer loesungsmittelhaltiger folien
EP2846650A1 (de) Verfahren und vorrichtung zum lösen, konditionieren und sossieren von tabak
DE2932400A1 (de) Anlage zur kontinuierlichen waermebehandlung von textilstoffen
DE2718751A1 (de) Verfahren und vorrichtung zur beseitigung von verbrauchten bearbeitungsfluessigkeiten
DE10131554C1 (de) Verfahren und Vorrichtung zur Reinigung insbesondere Entfettung und Kompaktierung von metallischem Gut

Legal Events

Date Code Title Description
PUAI Public reference made under article 153(3) epc to a published international application that has entered the european phase

Free format text: ORIGINAL CODE: 0009012

17P Request for examination filed

Effective date: 19870226

AK Designated contracting states

Kind code of ref document: A1

Designated state(s): AT BE CH DE FR GB IT LI LU NL SE

17Q First examination report despatched

Effective date: 19880210

GRAA (expected) grant

Free format text: ORIGINAL CODE: 0009210

AK Designated contracting states

Kind code of ref document: B1

Designated state(s): AT BE CH DE FR GB IT LI LU NL SE

REF Corresponds to:

Ref document number: 39600

Country of ref document: AT

Date of ref document: 19890115

Kind code of ref document: T

ITF It: translation for a ep patent filed
GBT Gb: translation of ep patent filed (gb section 77(6)(a)/1977)
REF Corresponds to:

Ref document number: 3661587

Country of ref document: DE

Date of ref document: 19890209

ET Fr: translation filed
PLBE No opposition filed within time limit

Free format text: ORIGINAL CODE: 0009261

STAA Information on the status of an ep patent application or granted ep patent

Free format text: STATUS: NO OPPOSITION FILED WITHIN TIME LIMIT

26N No opposition filed
ITTA It: last paid annual fee
EPTA Lu: last paid annual fee
EAL Se: european patent in force in sweden

Ref document number: 86105606.7

PGFP Annual fee paid to national office [announced via postgrant information from national office to epo]

Ref country code: LU

Payment date: 19950901

Year of fee payment: 10

PGFP Annual fee paid to national office [announced via postgrant information from national office to epo]

Ref country code: GB

Payment date: 19950922

Year of fee payment: 10

Ref country code: DE

Payment date: 19950922

Year of fee payment: 10

PGFP Annual fee paid to national office [announced via postgrant information from national office to epo]

Ref country code: SE

Payment date: 19950926

Year of fee payment: 10

Ref country code: FR

Payment date: 19950926

Year of fee payment: 10

PGFP Annual fee paid to national office [announced via postgrant information from national office to epo]

Ref country code: CH

Payment date: 19950927

Year of fee payment: 10

PGFP Annual fee paid to national office [announced via postgrant information from national office to epo]

Ref country code: NL

Payment date: 19950929

Year of fee payment: 10

Ref country code: AT

Payment date: 19950929

Year of fee payment: 10

PGFP Annual fee paid to national office [announced via postgrant information from national office to epo]

Ref country code: BE

Payment date: 19951011

Year of fee payment: 10

PG25 Lapsed in a contracting state [announced via postgrant information from national office to epo]

Ref country code: LU

Free format text: LAPSE BECAUSE OF NON-PAYMENT OF DUE FEES

Effective date: 19960423

Ref country code: GB

Effective date: 19960423

Ref country code: AT

Effective date: 19960423

PG25 Lapsed in a contracting state [announced via postgrant information from national office to epo]

Ref country code: SE

Effective date: 19960424

PG25 Lapsed in a contracting state [announced via postgrant information from national office to epo]

Ref country code: LI

Effective date: 19960430

Ref country code: CH

Effective date: 19960430

Ref country code: BE

Effective date: 19960430

BERE Be: lapsed

Owner name: R.J. REYNOLDS TOBACCO G.M.B.H.

Effective date: 19960430

PG25 Lapsed in a contracting state [announced via postgrant information from national office to epo]

Ref country code: NL

Effective date: 19961101

GBPC Gb: european patent ceased through non-payment of renewal fee

Effective date: 19960423

REG Reference to a national code

Ref country code: CH

Ref legal event code: PL

PG25 Lapsed in a contracting state [announced via postgrant information from national office to epo]

Ref country code: FR

Effective date: 19961227

PG25 Lapsed in a contracting state [announced via postgrant information from national office to epo]

Ref country code: DE

Effective date: 19970101

NLV4 Nl: lapsed or anulled due to non-payment of the annual fee

Effective date: 19961101

EUG Se: european patent has lapsed

Ref document number: 86105606.7

REG Reference to a national code

Ref country code: FR

Ref legal event code: ST

PG25 Lapsed in a contracting state [announced via postgrant information from national office to epo]

Ref country code: IT

Free format text: LAPSE BECAUSE OF NON-PAYMENT OF DUE FEES;WARNING: LAPSES OF ITALIAN PATENTS WITH EFFECTIVE DATE BEFORE 2007 MAY HAVE OCCURRED AT ANY TIME BEFORE 2007. THE CORRECT EFFECTIVE DATE MAY BE DIFFERENT FROM THE ONE RECORDED.

Effective date: 20050423