CN218084115U - 一种塑料瓶瓶坯吹塑后的夹取工装 - Google Patents
一种塑料瓶瓶坯吹塑后的夹取工装 Download PDFInfo
- Publication number
- CN218084115U CN218084115U CN202222236028.8U CN202222236028U CN218084115U CN 218084115 U CN218084115 U CN 218084115U CN 202222236028 U CN202222236028 U CN 202222236028U CN 218084115 U CN218084115 U CN 218084115U
- Authority
- CN
- China
- Prior art keywords
- clamping
- plastic bottle
- sleeve
- plate
- threaded rod
- Prior art date
- Legal status (The legal status is an assumption and is not a legal conclusion. Google has not performed a legal analysis and makes no representation as to the accuracy of the status listed.)
- Active
Links
- 238000000071 blow moulding Methods 0.000 title claims description 9
- 238000007664 blowing Methods 0.000 claims abstract description 9
- 238000005520 cutting process Methods 0.000 claims description 16
- 239000000758 substrate Substances 0.000 claims description 4
- 238000000034 method Methods 0.000 abstract description 19
- 238000009434 installation Methods 0.000 abstract description 11
- 238000003825 pressing Methods 0.000 abstract description 5
- 238000004519 manufacturing process Methods 0.000 abstract description 3
- 238000005516 engineering process Methods 0.000 abstract 1
- 239000011435 rock Substances 0.000 description 5
- 230000000712 assembly Effects 0.000 description 3
- 238000000429 assembly Methods 0.000 description 3
- 238000012423 maintenance Methods 0.000 description 3
- 230000004308 accommodation Effects 0.000 description 2
- 238000002360 preparation method Methods 0.000 description 2
- FGRBYDKOBBBPOI-UHFFFAOYSA-N 10,10-dioxo-2-[4-(N-phenylanilino)phenyl]thioxanthen-9-one Chemical compound O=C1c2ccccc2S(=O)(=O)c2ccc(cc12)-c1ccc(cc1)N(c1ccccc1)c1ccccc1 FGRBYDKOBBBPOI-UHFFFAOYSA-N 0.000 description 1
- 230000009286 beneficial effect Effects 0.000 description 1
- 238000010586 diagram Methods 0.000 description 1
- 230000000694 effects Effects 0.000 description 1
Images
Landscapes
- Blow-Moulding Or Thermoforming Of Plastics Or The Like (AREA)
Abstract
本实用新型公开了一种塑料瓶瓶坯吹塑后的夹取工装,属于塑料瓶生产加工技术领域,包括顶板和固定在顶板上的减速电机,所述顶板的上表面固定安装有两个安装套,所述顶板上转动安装有螺纹杆,所述螺纹杆的顶端与减速电机的输出端固定连接,所述螺纹杆底端的外表面螺纹安装有套筒,所述套筒的底端固定安装有安装板,所述安装板的下表面固定安装有电动推杆,所述电动推杆活塞杆的端部固定连接有移动板,所述移动板的下方设置有基板;从而对放置在两个夹取块之间的塑料瓶瓶坯进行定位固定,避免塑料瓶瓶坯在取拿转运的过程中出现晃动,可以适用于对不同大小的塑料瓶瓶坯进行夹紧固定,操作简单,夹持效果好。
Description
技术领域
本实用新型属于塑料瓶生产加工技术领域,具体涉及一种塑料瓶瓶坯吹塑后的夹取工装。
背景技术
塑料瓶凭借其质量轻、价格便宜和便于携带等优点使得塑料瓶在我们日常生活中应用十分广泛,在塑料瓶的生产加工过程中,塑料瓶瓶坯吹塑后需要对吹塑后的瓶坯进行输送转运,在转移的的过程中,需要用到夹取工装来夹紧塑料瓶以防止塑料瓶倾倒。
现有的塑料瓶瓶坯吹塑后的夹取工装,大多是根据塑料瓶的大小进行生产制作,导致其适应范围小且现有的夹具更换和安装不方便,不便于对不同大小和不同截面形状的塑料瓶进行夹取,更换维护不方便,适用范围较窄。
实用新型内容
本实用新型的目的在于提供一种塑料瓶瓶坯吹塑后的夹取工装,以解决上述背景技术中提出现有的塑料瓶瓶坯吹塑后的夹取工装,大多是根据塑料瓶的大小进行生产制作,导致其适应范围小且现有的夹具其更换和安装不方便,不便于对不同大小和不同截面形状的塑料瓶进行夹取,更换维护不方便,适用范围较窄的问题。
为实现上述目的,本实用新型提供如下技术方案:
一种塑料瓶瓶坯吹塑后的夹取工装,包括顶板和固定在顶板上的减速电机,所述顶板的上表面固定安装有两个安装套,所述顶板上转动安装有螺纹杆,所述螺纹杆的顶端与减速电机的输出端固定连接,所述螺纹杆底端的外表面螺纹安装有套筒,所述套筒的底端固定安装有安装板,所述安装板的下表面固定安装有电动推杆,所述电动推杆活塞杆的端部固定连接有移动板,所述移动板的下方设置有基板,所述移动板的下方设置有若干个夹持组件并通过夹持组件对称安装有两个卡套,所述基板上开设有与若干个夹持组件一一配合使用的滑槽,所述卡套上可拆卸安装有夹取块,所述卡套上贯通开设有插孔且插孔内滑动安装有插杆,所述夹取块上开设有配合插杆使用的定位孔,所述插杆的一端贯穿定位孔并延伸至卡套外,所述插杆的另一端固定有拉板,所述插杆的外表面套设有弹簧,所述弹簧的两端分别与拉板和卡套固定连接。
采用上述方案,通过设置插杆、拉板和弹簧,拉动拉板将插杆从定位孔内拉出,此时弹簧受力拉伸,然后将夹取块从卡套上滑出,将待更换的夹取块放入卡套内松开拉板,弹簧利用自身弹力通过拉板将插杆弹入到定位孔内,对夹取块进行卡紧固定,从而完成对夹取块的更换与安装,可以根据塑料瓶瓶坯截面形状更换不同的夹取块且安装、拆卸方便,便于维护,操作简单,使用方便。
上述方案中需要说明的是,所述减速电机与外接电源电性连接。
作为一种优选的实施方式,所述夹持组件包括对称铰接在移动板下表面的两个铰接杆,所述滑槽内滑动安装有两个滑块,所述铰接杆的另一端与同一侧的滑块相铰接,两个所述滑块的下表面均对称固定安装有连杆,所述连杆的另一端与卡套固定连接,两个所述铰接杆与两个连杆均位于同一竖直平面内。
采用上述方案,通过设置螺纹杆、套筒、电动推杆、移动板、夹持组件、卡套和夹取块,减速电机带动螺纹杆转动,螺纹杆转动配合伸缩杆带动套筒和安装板运动,可以根据待夹取的塑料瓶瓶坯的大小将夹取块调整到合适的位置,使塑料瓶瓶坯位于两个夹取块之间,然后电动推杆带动移动板向上运动,移动板向上运动的过程中通过两侧的铰接杆配合导杆带动两侧的滑块和连杆互相靠近,两侧的连杆互相靠近带动两侧的卡套和夹取块互相靠近,从而对放置在两个夹取块之间的塑料瓶瓶坯进行定位固定,避免塑料瓶瓶坯在取拿转运的过程中出现晃动,可以适用于对不同大小的塑料瓶瓶坯进行夹紧固定,操作简单,夹持效果好。
作为一种优选的实施方式,所述滑槽内固定安装有导杆,两个所述滑块均滑动安装在导杆的外表面。
采用上述方案,导杆可以对滑块的运动进行导向限位,保证滑块在运动过程中不会出现偏移晃动,可以提高滑块运动的稳定性。
作为一种优选的实施方式,所述螺纹杆两侧的顶板上均固定安装有伸缩杆,两个所述伸缩杆的另一端均与安装板固定连接。
采用上述方案,通过设置伸缩杆可以防止安装板在跟随套筒上下运动的过程中发生偏移转动,提高安装板稳定性。
作为一种优选的实施方式,所述安装板下表面的四个角落处均固定安装有连接杆,四个所述连接杆的底端均与基板固定连接。
采用上述方案,通过设置连接杆可以保证基板的稳定,不会在夹取过程中出现偏移晃动。
作为一种优选的实施方式,两个所述夹取块的相对面之间均贴合安装有弹性软垫。
采用上述方案,通过设置弹性软垫可以对塑料瓶瓶坯进行防护,避免在夹取过程中,塑料瓶瓶坯被夹取块损伤。
与现有技术相比,本实用新型的有益效果是:
该一种塑料瓶瓶坯吹塑后的夹取工装通过设置螺纹杆、套筒、电动推杆、移动板、夹持组件、卡套和夹取块,减速电机带动螺纹杆转动,螺纹杆转动配合伸缩杆带动套筒和安装板运动,可以根据待夹取的塑料瓶瓶坯的大小将夹取块调整到合适的位置,使塑料瓶瓶坯位于两个夹取块之间,然后电动推杆带动移动板向上运动,移动板向上运动的过程中通过两侧的铰接杆配合导杆带动两侧的滑块和连杆互相靠近,两侧的连杆互相靠近带动两侧的卡套和夹取块互相靠近,从而对放置在两个夹取块之间的塑料瓶瓶坯进行定位固定,避免塑料瓶瓶坯在取拿转运的过程中出现晃动,可以适用于对不同大小的塑料瓶瓶坯进行夹紧固定,操作简单,夹持效果好;
该一种塑料瓶瓶坯吹塑后的夹取工装通过设置插杆、拉板和弹簧,拉动拉板将插杆从定位孔内拉出,此时弹簧受力拉伸,然后将夹取块从卡套上滑出,将待更换的夹取块放入卡套内松开拉板,弹簧利用自身弹力通过拉板将插杆弹入到定位孔内,对夹取块进行卡紧固定,从而完成对夹取块的更换与安装,可以根据塑料瓶瓶坯截面形状更换不同的夹取块且安装、拆卸方便,便于维护。操作简单,使用方便。
附图说明
图1为本实用新型的整体结构示意图;
图2为本实用新型的整体另一角度结构示意图;
图3为本实用新型的套筒另一角度结构示意图;
图4为本实用新型的基板剖面结构示意图;
图5为本实用新型的夹取块剖面结构示意图。
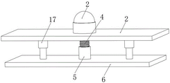
图中:1、顶板;2、减速电机;3、安装套;4、螺纹杆;5、套筒;6、安装板;7、电动推杆;8、移动板;9、夹持组件;901、铰接杆;902、滑块;903、连杆;10、基板;11、卡套;12、夹取块;13、插杆;14、拉板;15、弹簧;16、导杆;17、伸缩杆;18、连接杆。
具体实施方式
请参阅图1-5,本实用新型提供一种塑料瓶瓶坯吹塑后的夹取工装,包括顶板1和固定在顶板1上的减速电机2,顶板1的上表面固定安装有两个安装套3,顶板1上转动安装有螺纹杆4,螺纹杆4的顶端与减速电机2的输出端固定连接,螺纹杆4底端的外表面螺纹安装有套筒5,套筒5的底端固定安装有安装板6,安装板6的下表面固定安装有电动推杆7,电动推杆7活塞杆的端部固定连接有移动板8,移动板8的下方设置有基板10,移动板8的下方设置有若干个夹持组件9并通过夹持组件9对称安装有两个卡套11,基板10上开设有与若干个夹持组件9一一配合使用的滑槽,卡套11上可拆卸安装有夹取块12,卡套11上贯通开设有插孔且插孔内滑动安装有插杆13,夹取块12上开设有配合插杆13使用的定位孔,插杆13的一端贯穿定位孔并延伸至卡套11外,插杆13的另一端固定有拉板14,插杆13的外表面套设有弹簧15,弹簧15的两端分别与拉板14和卡套11固定连接,拉动拉板14将插杆13从定位孔内拉出,此时弹簧15受力拉伸,然后将夹取块12从卡套11上滑出,将待更换的夹取块12放入卡套11内松开拉板14,弹簧15利用自身弹力通过拉板14将插杆13弹入到定位孔内,对夹取块12进行卡紧固定,从而完成对夹取块12的更换与安装,可以根据塑料瓶瓶坯截面形状更换不同的夹取块12且安装、拆卸方便,便于维护。操作简单,使用方便。
其中,夹持组件9包括对称铰接在移动板8下表面的两个铰接杆901,滑槽内滑动安装有两个滑块902,铰接杆901的另一端与同一侧的滑块902相铰接,两个滑块902的下表面均对称固定安装有连杆903,连杆903的另一端与卡套11固定连接,两个铰接杆901与两个连杆903均位于同一竖直平面内,螺纹杆4两侧的顶板1上均固定安装有伸缩杆17,两个伸缩杆17的另一端均与安装板6固定连接,减速电机2带动螺纹杆4转动,螺纹杆4转动配合伸缩杆17带动套筒5和安装板6运动,从而可以根据待夹取的塑料瓶瓶坯的大小将夹取块12调整到合适的位置,使塑料瓶瓶坯位于两个夹取块12之间,然后电动推杆7带动移动板8向上运动,移动板8向上运动的过程中通过两侧的铰接杆901配合导杆16带动两侧的滑块902和连杆903互相靠近,两侧的连杆903互相靠近带动两侧的卡套11和夹取块12互相靠近,从而对放置在两个夹取块12之间的塑料瓶瓶坯进行定位固定,避免塑料瓶瓶坯在取拿转运的过程中出现晃动,可以适用于对不同大小的塑料瓶瓶坯进行夹紧固定,操作简单,夹持效果好,伸缩杆17可以防止安装板6在跟随套筒5上下运动的过程中发生偏移转动,提高安装板6运动的稳定性。
其中,滑槽内固定安装有导杆16,两个滑块902均滑动安装在导杆16的外表面,导杆16可以对滑块902的运动进行导向限位,保证滑块902在运动过程中不会出现偏移晃动,可以提高滑块902运动的稳定性。
其中,安装板6下表面的四个角落处均固定安装有连接杆18,四个连接杆18的底端均与基板10固定连接,可以保证基板10的稳定,不会在夹取过程中出现偏移晃动。
其中,两个夹取块12的相对面之间均贴合安装有弹性软垫,弹性软垫可以对塑料瓶瓶坯进行防护,避免在夹取过程中,塑料瓶瓶坯被夹取块12损伤。
在使用时,通过安装套3将装置安装在电动导轨上,根据塑料瓶瓶坯的大小来调整夹取块12的位置,启动减速电机2带动螺纹杆4转动,螺纹杆4转动配合伸缩杆17带动套筒5和安装板6运动,从而可以根据待夹取的塑料瓶瓶坯的大小将夹取块12调整到合适的位置,使塑料瓶瓶坯位于两个夹取块12之间,然后电动推杆7带动移动板8向上运动,移动板8向上运动的过程中通过两侧的铰接杆901配合导杆16带动两侧的滑块902和连杆903互相靠近,两侧的连杆903互相靠近带动两侧的卡套11和夹取块12互相靠近,从而对放置在两个夹取块12之间的塑料瓶瓶坯进行定位固定,避免塑料瓶瓶坯在取拿转运的过程中出现晃动,可以适用于对不同大小的塑料瓶瓶坯进行夹紧固定,操作简单,夹持效果好,当需要对夹取块12进行更换时,拉动拉板14将插杆13从定位孔内拉出,此时弹簧15受力拉伸,然后将夹取块12从卡套11上滑出,将待更换的夹取块12放入卡套11内松开拉板14,弹簧15利用自身弹力通过拉板14将插杆13弹入到定位孔内,对夹取块12进行卡紧固定,从而完成对夹取块12的更换与安装,可以根据塑料瓶瓶坯截面形状更换不同的夹取块12且安装、拆卸方便,便于维护。操作简单,使用方便。
Claims (6)
1.一种塑料瓶瓶坯吹塑后的夹取工装,其特征在于:包括顶板(1)和固定在顶板(1)上的减速电机(2),所述顶板(1)的上表面固定安装有两个安装套(3),所述顶板(1)上转动安装有螺纹杆(4),所述螺纹杆(4)的顶端与减速电机(2)的输出端固定连接,所述螺纹杆(4)底端的外表面螺纹安装有套筒(5),所述套筒(5)的底端固定安装有安装板(6),所述安装板(6)的下表面固定安装有电动推杆(7),所述电动推杆(7)活塞杆的端部固定连接有移动板(8),所述移动板(8)的下方设置有基板(10),所述移动板(8)的下方设置有若干个夹持组件(9)并通过夹持组件(9)对称安装有两个卡套(11),所述基板(10)上开设有与若干个夹持组件(9)一一配合使用的滑槽,所述卡套(11)上可拆卸安装有夹取块(12),所述卡套(11)上贯通开设有插孔且插孔内滑动安装有插杆(13),所述夹取块(12)上开设有配合插杆(13)使用的定位孔,所述插杆(13)的一端贯穿定位孔并延伸至卡套(11)外,所述插杆(13)的另一端固定有拉板(14),所述插杆(13)的外表面套设有弹簧(15),所述弹簧(15)的两端分别与拉板(14)和卡套(11)固定连接。
2.根据权利要求1所述的一种塑料瓶瓶坯吹塑后的夹取工装,其特征在于:所述夹持组件(9)包括对称铰接在移动板(8)下表面的两个铰接杆(901),所述滑槽内滑动安装有两个滑块(902),所述铰接杆(901)的另一端与同一侧的滑块(902)相铰接,两个所述滑块(902)的下表面均对称固定安装有连杆(903),所述连杆(903)的另一端与卡套(11)固定连接,两个所述铰接杆(901)与两个连杆(903)均位于同一竖直平面内。
3.根据权利要求2所述的一种塑料瓶瓶坯吹塑后的夹取工装,其特征在于:所述滑槽内固定安装有导杆(16),两个所述滑块(902)均滑动安装在导杆(16)的外表面。
4.根据权利要求1所述的一种塑料瓶瓶坯吹塑后的夹取工装,其特征在于:所述螺纹杆(4)两侧的顶板(1)上均固定安装有伸缩杆(17),两个所述伸缩杆(17)的另一端均与安装板(6)固定连接。
5.根据权利要求1所述的一种塑料瓶瓶坯吹塑后的夹取工装,其特征在于:所述安装板(6)下表面的四个角落处均固定安装有连接杆(18),四个所述连接杆(18)的底端均与基板(10)固定连接。
6.根据权利要求1所述的一种塑料瓶瓶坯吹塑后的夹取工装,其特征在于:两个所述夹取块(12)的相对面之间均贴合安装有弹性软垫。
Priority Applications (1)
| Application Number | Priority Date | Filing Date | Title |
|---|---|---|---|
| CN202222236028.8U CN218084115U (zh) | 2022-08-25 | 2022-08-25 | 一种塑料瓶瓶坯吹塑后的夹取工装 |
Applications Claiming Priority (1)
| Application Number | Priority Date | Filing Date | Title |
|---|---|---|---|
| CN202222236028.8U CN218084115U (zh) | 2022-08-25 | 2022-08-25 | 一种塑料瓶瓶坯吹塑后的夹取工装 |
Publications (1)
| Publication Number | Publication Date |
|---|---|
| CN218084115U true CN218084115U (zh) | 2022-12-20 |
Family
ID=84446887
Family Applications (1)
| Application Number | Title | Priority Date | Filing Date |
|---|---|---|---|
| CN202222236028.8U Active CN218084115U (zh) | 2022-08-25 | 2022-08-25 | 一种塑料瓶瓶坯吹塑后的夹取工装 |
Country Status (1)
| Country | Link |
|---|---|
| CN (1) | CN218084115U (zh) |
Cited By (1)
| Publication number | Priority date | Publication date | Assignee | Title |
|---|---|---|---|---|
| TWI870112B (zh) * | 2023-11-20 | 2025-01-11 | 銓寶工業股份有限公司 | 吹塑成型機之夾爪開夾機構 |
-
2022
- 2022-08-25 CN CN202222236028.8U patent/CN218084115U/zh active Active
Cited By (1)
| Publication number | Priority date | Publication date | Assignee | Title |
|---|---|---|---|---|
| TWI870112B (zh) * | 2023-11-20 | 2025-01-11 | 銓寶工業股份有限公司 | 吹塑成型機之夾爪開夾機構 |
Similar Documents
| Publication | Publication Date | Title |
|---|---|---|
| CN108687501A (zh) | 一种用于镜腿的组合式自动工装 | |
| CN218084115U (zh) | 一种塑料瓶瓶坯吹塑后的夹取工装 | |
| CN107984707A (zh) | 一种导光板裁切抛光一体机 | |
| CN105744755B (zh) | 一种中型电子元件贴插作业头及其贴插方法 | |
| CN118023383B (zh) | 一种led显示器背板冲压设备 | |
| CN210082684U (zh) | 一种陶瓷喷墨打印用加工平台 | |
| CN116586951B (zh) | 全自动多种牙套自动锁紧设备 | |
| CN218696357U (zh) | 一种多工位精密零件定心夹持装置 | |
| CN208255570U (zh) | 一种用于镜腿的单边式自动装配机 | |
| CN218677047U (zh) | 一种便于更换夹具的固晶机 | |
| CN214418352U (zh) | 一种笔记本电脑底座冲孔精磨装置 | |
| CN212147910U (zh) | 一种网框垂直升降式印花机 | |
| CN115846506A (zh) | 智能制造装备用冲孔设备 | |
| CN210254725U (zh) | 一种夹持效果好的激光雕刻机 | |
| CN218255559U (zh) | 一种酒托珍珠泡棉自动冲床 | |
| CN208833612U (zh) | 一种新材料表面刮痕检测平台 | |
| CN217170349U (zh) | 古代汉语教学实践用刻字台 | |
| CN223130072U (zh) | 一种模具加工定位装置 | |
| CN218866686U (zh) | 一种用于广告设计牌固定的支架 | |
| CN208543362U (zh) | 半自动砂纸粘贴机 | |
| CN220332297U (zh) | 一种用于通信箱体喷码器 | |
| CN221088818U (zh) | 一种用于lcd的组装夹具 | |
| CN220825644U (zh) | 一种自动螺丝机 | |
| CN220836314U (zh) | 一种光学镜片涂墨机构 | |
| CN223765565U (zh) | 一种自动上料装置 |
Legal Events
| Date | Code | Title | Description |
|---|---|---|---|
| GR01 | Patent grant | ||
| GR01 | Patent grant |