CN213231167U - 一种自旋转式起重机吊具 - Google Patents

一种自旋转式起重机吊具 Download PDF

Info

Publication number
CN213231167U
CN213231167U CN202022238040.3U CN202022238040U CN213231167U CN 213231167 U CN213231167 U CN 213231167U CN 202022238040 U CN202022238040 U CN 202022238040U CN 213231167 U CN213231167 U CN 213231167U
Authority
CN
China
Prior art keywords
fixedly connected
self
chassis
hanging beam
rotating
Prior art date
Legal status (The legal status is an assumption and is not a legal conclusion. Google has not performed a legal analysis and makes no representation as to the accuracy of the status listed.)
Active
Application number
CN202022238040.3U
Other languages
English (en)
Inventor
魏巍
席亚军
Current Assignee (The listed assignees may be inaccurate. Google has not performed a legal analysis and makes no representation or warranty as to the accuracy of the list.)
Henan Hengtai Hoisting Equipment Co ltd
Original Assignee
Henan Hengtai Hoisting Equipment Co ltd
Priority date (The priority date is an assumption and is not a legal conclusion. Google has not performed a legal analysis and makes no representation as to the accuracy of the date listed.)
Filing date
Publication date
Application filed by Henan Hengtai Hoisting Equipment Co ltd filed Critical Henan Hengtai Hoisting Equipment Co ltd
Priority to CN202022238040.3U priority Critical patent/CN213231167U/zh
Application granted granted Critical
Publication of CN213231167U publication Critical patent/CN213231167U/zh
Active legal-status Critical Current
Anticipated expiration legal-status Critical

Links

Images

Landscapes

  • Load-Engaging Elements For Cranes (AREA)

Abstract

本实用新型涉及吊具领域,具体涉及一种自旋转式起重机吊具,包括支撑梁;所述的支撑梁的底部通过自旋转装置连接有吊梁,吊梁的底部设置有若干个支撑架,吊梁包括竖直部,竖直部底部固定连接有水平部,水平部的顶面且位于竖直部的两侧安装有齿条,支撑架的顶面固定连接有安装架,安装架上对称安装有齿轮轴,齿轮轴上固定安装有齿轮,吊梁底部的中间位置固定连接有液压缸,液压缸的底部固定连接有底盘一,底盘一的底部固定连接有电磁铁,支撑架的两侧均固定连接有连接环,连接环上连接有链条,链条的尾部固定连接有底盘二,底盘二的底部也固定连接有电磁铁;用来解决现有的吊具不能对起吊物品的角度进行微调,吊具不能适用不同长度的物品。

Description

一种自旋转式起重机吊具
技术领域
本实用新型涉及吊具领域,具体涉及一种自旋转式起重机吊具。
背景技术
吊取重物时最常用的工具之一就是吊具,将吊具通过动滑轮组与起重机的起升机构相连接,通过小车行走机构和大车行走机构的移动完成对工件的定位,并配合钢丝绳的升降来完成对工件的起吊作业。但是现在的吊具只能带动货物上升或者下降,在进行放置的时候会有一定的偏差不能对角度进行微调,还需要人力再进行调整,工作效率低,对于长度不同的钢管,不能调整吊具的距离,适用范围比较窄。
发明内容
针对现有技术的不足,本实用新型提供一种自旋转式起重机吊具,用来解决现有的吊具不能对起吊物品的角度进行微调,吊具不能适用不同长度的物品。
本实用新型的技术方案是这样实现的:一种自旋转式起重机吊具,包括支撑梁;所述的支撑梁的底部通过旋转装置连接有吊梁,吊梁的底部设置有若干个支撑架,吊梁包括竖直部,竖直部底部固定连接有水平部,水平部的顶面且位于竖直部的两侧安装有齿条,支撑架的顶面固定连接有安装架,安装架上对称安装有齿轮轴,齿轮轴上固定安装有齿轮,吊梁底部的中间位置固定连接有液压缸,液压缸的底部固定连接有底盘一,底盘一的底部固定连接有对称设置的电磁铁,支撑架的两侧均固定连接有连接环,连接环上连接有链条,链条的尾部固定连接有底盘二,底盘二的底部也固定连接有对称设置的电磁铁。
优选的,齿轮轴通过轴承转动连接在安装架上,安装架为倒门字型结构。
优选的,电磁铁的底部为弧形结构。
优选的,旋转装置包括安装在支撑梁底部的回转支承,回转支承的外齿轮上啮合有主动齿轮,主动齿轮安装在减速电机的转动轴上,吊梁固定安装在回转支承的底部。
优选的,支撑梁的顶部固定连接有若干个定滑轮组,定滑轮组上缠绕有钢丝绳。
优选的,底盘二的顶面间隔设置有连接座,链条连接在连接座上。
本实用新型的技术方案有以下积极效果:本装置设置合理,吊梁与支撑梁之间设置有旋转装置,可以使被起吊的货物通过旋转进行调整;吊梁的水平部上设置有齿条,安装架上的齿轮与齿条相啮合,使支撑架可以沿着吊梁做直线运动,从而调整两个电磁铁之间的距离,适用起吊不同长度的钢管;吊梁的底部的中间位置固定连接有油缸,油缸的底部固定连接有电磁铁,增加起吊时的稳定性。
附图说明
图1为本实用新型的结构示意图。
图2为安装架与吊梁的连接示意图。
图3为底盘二与电磁铁的连接示意图。
具体实施方式
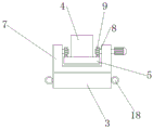
如图1至3所示,一种自旋转式起重机吊具,包括支撑梁1;所述的支撑梁1的底部通过旋转装置连接有吊梁2,吊梁2的底部设置有若干个支撑架3,吊梁2包括竖直部4,竖直部4底部固定连接有水平部5,水平部5的顶面且位于竖直部4的两侧安装有齿条6,支撑架3的顶面固定连接有安装架7,安装架7上对称安装有齿轮轴8,齿轮轴8上固定安装有齿轮9,齿轮轴8通过减速电机驱动;吊梁2的底部的中间位置固定连接有油缸10,油缸10的底部固定连接有底盘一11,底盘一11的底部固定连接有对称设置的电磁铁12,支撑架3的两侧均固定连接有连接环18,连接环18上连接有链条19,链条19的尾部固定连接有底盘二20,底盘二20的底部也固定连接有对称设置的电磁铁12;本吊具用来起吊钢管,配合起重机使用,底盘二20底部的电磁铁12通磁将钢管进行吸附,为了提升稳定性,对于比较长的钢管,启动油缸10,油缸10的活动部向下移动,使其底部的电磁铁12也对钢管进行吸附,增加稳定性;与齿轮轴8相连接的减速电机转动,从而带动齿轮9沿着齿条行走,调整支撑架3之间的距离,从而适应不同长度的钢管。
齿轮轴8通过轴承转动连接在安装架7上,安装架7为倒门字型结构,安装架7沿着吊梁2的齿条行走,调整两个吊具之间的距离,从而吸附不同长度的钢管。
电磁铁12的底部为弧形结构,可以更好的吸附钢管这种纵截面为圆形的物品。
旋转装置包括安装在支撑梁1底部的回转支承13,回转支承13的外齿轮上啮合有主动齿轮14,主动齿轮14安装在减速电机15的转动轴上,吊梁2固定安装在回转支承13的底部,减速电机15竖向穿过支撑梁设置,减速电机15启动,主动齿轮14转动,与主动齿轮14相啮合的回转支承13的外圈齿轮转动,从而带动吊梁2旋转,即实现对所吊物品进行角度的调整。
支撑梁1的顶部固定连接有若干个定滑轮组16,定滑轮组16上缠绕有钢丝绳17。
底盘二20的顶面间隔设置有连接座22,链条19连接在连接座22上。

Claims (6)

1.一种自旋转式起重机吊具,包括支撑梁(1);其特征在于:所述的支撑梁(1)的底部通过旋转装置连接有吊梁(2),吊梁(2)的底部设置有若干个支撑架(3),吊梁(2)包括竖直部(4),竖直部(4)底部固定连接有水平部(5),水平部(5)的顶面且位于竖直部(4)的两侧安装有齿条(6),支撑架(3)的顶面固定连接有安装架(7),安装架(7)上对称安装有齿轮轴(8),齿轮轴(8)上固定安装有齿轮(9),吊梁(2)底部的中间位置固定连接有液压缸(10),液压缸(10)的底部固定连接有底盘一(11),底盘一(11)的底部固定连接有对称设置的电磁铁(12),支撑架(3)的两侧均固定连接有连接环(18),连接环(18)上连接有链条(19),链条(19)的尾部固定连接有底盘二(20),底盘二(20)的底部也固定连接有对称设置的电磁铁(12)。
2.根据权利要求1所述的自旋转式起重机吊具,其特征在于:齿轮轴(8)通过轴承转动连接在安装架(7)上,安装架(7)为倒门字型结构。
3.根据权利要求1所述的自旋转式起重机吊具,其特征在于:电磁铁(12)的底部为弧形结构。
4.根据权利要求1所述的自旋转式起重机吊具,其特征在于:旋转装置包括安装在支撑梁(1)底部的回转支承(13),回转支承(13)的外齿轮上啮合有主动齿轮(14),主动齿轮(14)安装在减速电机(15)的转动轴上,吊梁(2)固定安装在回转支承(13)的底部。
5.根据权利要求1所述的自旋转式起重机吊具,其特征在于:支撑梁(1)的顶部固定连接有若干个定滑轮组(16),定滑轮组(16)上缠绕有钢丝绳(17)。
6.根据权利要求1所述的自旋转式起重机吊具,其特征在于:底盘二(20)的顶面间隔设置有连接座(22),链条(19)连接在连接座(22)上。
CN202022238040.3U 2020-10-10 2020-10-10 一种自旋转式起重机吊具 Active CN213231167U (zh)

Priority Applications (1)

Application Number Priority Date Filing Date Title
CN202022238040.3U CN213231167U (zh) 2020-10-10 2020-10-10 一种自旋转式起重机吊具

Applications Claiming Priority (1)

Application Number Priority Date Filing Date Title
CN202022238040.3U CN213231167U (zh) 2020-10-10 2020-10-10 一种自旋转式起重机吊具

Publications (1)

Publication Number Publication Date
CN213231167U true CN213231167U (zh) 2021-05-18

Family

ID=75879949

Family Applications (1)

Application Number Title Priority Date Filing Date
CN202022238040.3U Active CN213231167U (zh) 2020-10-10 2020-10-10 一种自旋转式起重机吊具

Country Status (1)

Country Link
CN (1) CN213231167U (zh)

Cited By (3)

* Cited by examiner, † Cited by third party
Publication number Priority date Publication date Assignee Title
CN113602947A (zh) * 2021-07-30 2021-11-05 泉州精镁科技有限公司 一种便于工件上下料、翻面的可调节吊具工装及方法
CN115026138A (zh) * 2022-08-10 2022-09-09 承德建龙特殊钢有限公司 一种具有回转天车的无缝钢管生产系统
CN120057721A (zh) * 2025-03-18 2025-05-30 长春天奇泽众汽车装备工程有限公司 一种汽车制造用吊具

Cited By (3)

* Cited by examiner, † Cited by third party
Publication number Priority date Publication date Assignee Title
CN113602947A (zh) * 2021-07-30 2021-11-05 泉州精镁科技有限公司 一种便于工件上下料、翻面的可调节吊具工装及方法
CN115026138A (zh) * 2022-08-10 2022-09-09 承德建龙特殊钢有限公司 一种具有回转天车的无缝钢管生产系统
CN120057721A (zh) * 2025-03-18 2025-05-30 长春天奇泽众汽车装备工程有限公司 一种汽车制造用吊具

Similar Documents

Publication Publication Date Title
CN213231167U (zh) 一种自旋转式起重机吊具
CN205653019U (zh) 一种起吊机的货箱夹持机构
CN102795552B (zh) 行车起吊传动机构
CN202953689U (zh) 大型结构件液压传动翻转吊具
CN208037868U (zh) 一种桥梁护栏模板安拆及转运装置
CN208357098U (zh) 一种喷漆吊装线
CN204265290U (zh) 轨道式物料吊装装置
CN103910289A (zh) 一种回转式单臂吊车
CN109019427A (zh) 一种直埋管套装工艺生产线
CN206901604U (zh) 双吊钩起重机回转小车
CN202575761U (zh) 焊丝吊装机构
CN203214074U (zh) 一种用于隧道掘进机的物料吊运装置
CN214269891U (zh) 一种钢管批量打包辅助装置
CN107381405B (zh) 一种具有多点可变位吊具的起重设备
CN213084704U (zh) 一种升降装置及机器人
CN111824972B (zh) 起重机
CN211366844U (zh) 工程车辆支腿油缸吊运装置
CN205527394U (zh) 一种起吊设备
CN104444843B (zh) 一种全回转小型吊机
CN203021213U (zh) 一种回转式单臂吊车
CN105621243A (zh) 一种双端物料吊
CN112707337A (zh) 一种工程车辆支腿油缸吊运装置
CN105621261A (zh) 一种轨道式物料吊装装置
CN211496658U (zh) 管道堆叠装置
CN207002054U (zh) 一种电动滑动式吊运机

Legal Events

Date Code Title Description
GR01 Patent grant
GR01 Patent grant