CN201848461U - 钢管握弯机 - Google Patents

钢管握弯机 Download PDF

Info

Publication number
CN201848461U
CN201848461U CN2010205912862U CN201020591286U CN201848461U CN 201848461 U CN201848461 U CN 201848461U CN 2010205912862 U CN2010205912862 U CN 2010205912862U CN 201020591286 U CN201020591286 U CN 201020591286U CN 201848461 U CN201848461 U CN 201848461U
Authority
CN
China
Prior art keywords
steel pipe
screw
wheel
base
bracket
Prior art date
Legal status (The legal status is an assumption and is not a legal conclusion. Google has not performed a legal analysis and makes no representation as to the accuracy of the status listed.)
Expired - Lifetime
Application number
CN2010205912862U
Other languages
English (en)
Inventor
刘进川
刘存保
杜三伟
张亚蒙
王增田
Current Assignee (The listed assignees may be inaccurate. Google has not performed a legal analysis and makes no representation or warranty as to the accuracy of the list.)
HENAN ELECTRIC EQUIPMENT MATERIAL Co
Original Assignee
HENAN ELECTRIC EQUIPMENT MATERIAL Co
Priority date (The priority date is an assumption and is not a legal conclusion. Google has not performed a legal analysis and makes no representation as to the accuracy of the date listed.)
Filing date
Publication date
Application filed by HENAN ELECTRIC EQUIPMENT MATERIAL Co filed Critical HENAN ELECTRIC EQUIPMENT MATERIAL Co
Priority to CN2010205912862U priority Critical patent/CN201848461U/zh
Application granted granted Critical
Publication of CN201848461U publication Critical patent/CN201848461U/zh
Anticipated expiration legal-status Critical
Expired - Lifetime legal-status Critical Current

Links

Images

Landscapes

  • Bending Of Plates, Rods, And Pipes (AREA)

Abstract

本实用新型公开了一种钢管握弯机,包括底座、滚轮组、旋转丝杠和传动机构。底座上设置有支架,支架上安装旋转丝杠;旋转丝杠包括丝杠、滑块和手轮,丝杠与带有螺母的滑块螺纹连接,上端设置手轮,滑块置于所述支架两侧所设导向滑道上。旋转丝杠与滚轮组连接,滚轮组包括减速机主轴上的主动轮,安装在丝杠滑块下面的活动从动轮,以及固定安装在支架上的固动从动轮,三个滚轮均设有与钢管配合的凹槽。旋转旋转丝杠的手轮可将滑块下面的活动从动轮沿支架轨道上下移动使其与主动轮和固定从动轮配合,便于对钢管进行握弯。该钢管握弯机,可以在钢管不加热、不需任何填充物的情况下,对钢管进行弯制,操作简单,容易控制,弯制的管子圆整度好,工作效率高。

Description

钢管握弯机
技术领域
本实用新型涉及一种握弯机,特别是一种适用于弯制各种曲率半径钢管的握弯机。
背景技术
近年来,随着生产规模的不断壮大,企业原有仓储已不能满足生产经营要求,需要增建新的仓储库房,为降低建造成本,企业决定建造敞篷式库房,且组织单位职工自力更生建造。
敞篷式库房需要制作许多钢梁,为增加钢结构强度,且使库房美观大方,设计采用了弧形房顶,钢梁主材质选用钢管制作。传统的钢管梁制作方式为手扳葫芦对钢梁进行弯制,有时还需要在管内加填充物,劳动强度大,安全系数低,工作效率低,且易把钢管握扁。为加快施工进度,降低劳动强度,制作一台专用握管机就显得非常必要。
发明内容
本实用新型为了解决在钢管梁加工过程中的技术问题,提供了一种专用钢管梁握弯机,可以在不加热、不填充任何东西的情况下,对钢管进行弯制,操作简单,容易控制。
本实用新型要解决的问题是通过以下技术方案实现的:
该钢管握弯机,包括底座、滚轮组、旋转丝杠和传动机构,所述底座上设置有支架,支架上安装旋转丝杠,旋转丝杠与滚轮组连接,滚轮组由安装在底座上的传动机构传动。
所述支架两侧设置有导向滑道。
所述旋转丝杠包括丝杠、滑块和手轮,所述丝杠与带有螺母的滑块螺纹连接,上端设置旋转用手轮;所述滑块置于所述支架两侧所设导向滑道上。
所述传动机构安装在底座一侧,传动机构包括传动电机和减速机,电机与减速机采用皮带或链传动,减速机由其主轴上设置的主动轮传动滚轮组。
所述滚轮组包括减速机主轴上的主动轮,安装在丝杠滑块下面的活动从动轮,以及固定安装在支架上的固动从动轮,三个滚轮的滚轮面均设有与钢管配合的凹槽。旋转旋转丝杠的手轮可将滑块下面连接板的活动从动轮沿支架轨道上下移动使其与主动轮和固定从动轮配合,便于对钢管进行握弯。
该钢管握弯机,可以在钢管不加热、不需任何填充物的情况下,对钢管进行弯制,操作简单,容易控制,弯制的管子圆整度好,工作效率高。
附图说明
图1为本实用新型的主视图;
图2为本实用新型的俯视图。
具体实施方式
以下结合附图进一步介绍本实用新型的实施例:
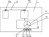
如图1、2所示,钢管握弯机主要由底座1、滚轮组4、旋转丝杠3、传动机构2等组成。
底座1设置有支架1a,支架1a两侧设置有导向滑道,支架1a底端侧面并固定有一个从动轮1b。底座1采用铸铁或钢板制作,支架1a采用钢板焊接而成。
底座1一侧安装传动机构2,传动机构2包括传动电机2a和减速机2b,电机2a与减速机2b采用皮带传动,减速机2b的输出主轴上设置有主动轮2c。
底座1的支架1a用于安装旋转丝杠3,旋转丝杠3包括丝杠3a、滑块3b和旋转手轮3c,丝杠3a与滑块3b内的螺母螺纹连接,丝杠3a上端设置旋转手轮3c;滑块3b沿支架1a两侧所设的导向滑道可上下滑动,滑块3b所设连接板下面并安装有活动从动轮3d。
滚轮组4包括减速机2b主轴上的主动轮2c,安装在旋转丝杠3滑块3b连接板下面的活动从动轮3d,以及固定安装在支架1a上的固动从动轮1b,三个滚轮的滚轮面均设有与钢管配合的凹槽,三个滚轮呈三角形分布。
旋转旋转丝杠3的手轮可将滑块3b下面的活动从动轮3d沿支架1a两侧轨道上下移动使其与主动轮2c和固定从动轮1b配合,便于对钢管进行握弯。
操作时手持钢管使钢管头部伸入滚轮组4,开动电机2a,钢管随着滚轮组4的转动进入三个滚轮的凹槽内开始弯制。可视现场需要旋转手轮3c上下移动从动轮3d以调整滚轮之间的配合间隙,使钢管的弯曲半径符合实际要求。
实践证明,该钢管握弯机操作简单,握弯时钢管不用填充物,弯制的管子圆整度好,工作效率高。

Claims (5)

1.一种钢管握弯机,其特征在于:该握弯机包括底座、滚轮组、旋转丝杠和传动机构,所述底座上设置有支架,支架上安装旋转丝杠,旋转丝杠与滚轮组连接,滚轮组由安装在底座上的传动机构传动。
2.根据权利要求1所述的钢管握弯机,其特征在于:所述支架两侧设置有导向滑道。
3.根据权利要求1或2所述的钢管握弯机,其特征在于:所述旋转丝杠包括丝杠、滑块和手轮,所述丝杠与带有螺母的滑块螺纹连接,上端设置手轮;所述滑块置于所述支架两侧所设导向滑道上。
4.根据权利要求1所述的钢管握弯机,其特征在于:所述传动机构安装在底座一侧,传动机构包括传动电机和减速机,电机与减速机采用皮带或链传动,减速机由其主轴上设置的主动轮传动滚轮组。
5.根据权利要求1所述的钢管握弯机,其特征在于:所述滚轮组包括减速机主轴上的主动轮,安装在丝杠滑块下面连接板的活动从动轮,以及固定安装在支架上的固定从动轮,三个滚轮的滚轮面均设有与钢管配合的凹槽。
CN2010205912862U 2010-11-03 2010-11-03 钢管握弯机 Expired - Lifetime CN201848461U (zh)

Priority Applications (1)

Application Number Priority Date Filing Date Title
CN2010205912862U CN201848461U (zh) 2010-11-03 2010-11-03 钢管握弯机

Applications Claiming Priority (1)

Application Number Priority Date Filing Date Title
CN2010205912862U CN201848461U (zh) 2010-11-03 2010-11-03 钢管握弯机

Publications (1)

Publication Number Publication Date
CN201848461U true CN201848461U (zh) 2011-06-01

Family

ID=44090875

Family Applications (1)

Application Number Title Priority Date Filing Date
CN2010205912862U Expired - Lifetime CN201848461U (zh) 2010-11-03 2010-11-03 钢管握弯机

Country Status (1)

Country Link
CN (1) CN201848461U (zh)

Cited By (5)

* Cited by examiner, † Cited by third party
Publication number Priority date Publication date Assignee Title
CN102688919A (zh) * 2012-04-24 2012-09-26 南通市中南建工设备安装有限公司 一种弯管机
CN102950179A (zh) * 2012-12-03 2013-03-06 中煤第六十八工程有限公司 钢管弯曲机
CN103506444A (zh) * 2012-06-29 2014-01-15 天津市芳华通讯工程有限公司 一种可调整角度的槽钢弯曲机
CN104043705A (zh) * 2014-06-18 2014-09-17 南通鸿景天机械设备科技有限公司 一种轮压式金属管材弧弯机构
CN104646462A (zh) * 2015-03-10 2015-05-27 丹阳市鼎新机械设备有限公司 一种多用途卷曲机

Cited By (5)

* Cited by examiner, † Cited by third party
Publication number Priority date Publication date Assignee Title
CN102688919A (zh) * 2012-04-24 2012-09-26 南通市中南建工设备安装有限公司 一种弯管机
CN103506444A (zh) * 2012-06-29 2014-01-15 天津市芳华通讯工程有限公司 一种可调整角度的槽钢弯曲机
CN102950179A (zh) * 2012-12-03 2013-03-06 中煤第六十八工程有限公司 钢管弯曲机
CN104043705A (zh) * 2014-06-18 2014-09-17 南通鸿景天机械设备科技有限公司 一种轮压式金属管材弧弯机构
CN104646462A (zh) * 2015-03-10 2015-05-27 丹阳市鼎新机械设备有限公司 一种多用途卷曲机

Similar Documents

Publication Publication Date Title
CN201848461U (zh) 钢管握弯机
CN203972513U (zh) 一种螺纹钢管自动卷管成型机组
CN202343812U (zh) 液压切断钢筋调直机
CN101791662B (zh) 具有连续弯曲不同半径的钢筋自动弯曲机
CN102172663B (zh) 复合钢管的生产工艺及设备
CN201979022U (zh) 一种自动钢筋弯箍机
CN203853407U (zh) 一种直缝钢管弧度校直机
CN219745950U (zh) 一种连续型蛇形管弯管机
CN111389976B (zh) 一种通用无缝钢管弯管机
CN120734158B (zh) 一种天窗滑块弯曲成型装置
CN102240756A (zh) 一种钢筋双向弯曲机
CN102716953A (zh) 一种凸轮式变曲率管子弯曲系统及方法
CN201394620Y (zh) 具有弹性压紧进料装置的弯箍机
CN101934311B (zh) 热弯机
CN203330198U (zh) 钢管卷弯机
CN204657342U (zh) 一种钢筋弯弧设备
CN200946084Y (zh) 一种横梁提升机器
CN101985140B (zh) 圆形沿口型材的弯曲成型方法和装置
CN202885553U (zh) 一种全液压动力的开堵眼机
CN201880763U (zh) 圆形沿口型材的弯曲成型装置
CN102909854B (zh) 一种塑料管弯管设备
CN202097252U (zh) 弯管机
CN204122532U (zh) 一种五轴弯管机
CN104998997B (zh) 钢筋笼制造设备和方法
CN205329142U (zh) 驱动机构及其含有该机构的热镀锌钢管内导杆进退装置

Legal Events

Date Code Title Description
C14 Grant of patent or utility model
GR01 Patent grant
CX01 Expiry of patent term

Granted publication date: 20110601

CX01 Expiry of patent term