WO2020158853A1 - 過電流保護回路及びスイッチング回路 - Google Patents

過電流保護回路及びスイッチング回路 Download PDF

Info

Publication number
WO2020158853A1
WO2020158853A1 PCT/JP2020/003398 JP2020003398W WO2020158853A1 WO 2020158853 A1 WO2020158853 A1 WO 2020158853A1 JP 2020003398 W JP2020003398 W JP 2020003398W WO 2020158853 A1 WO2020158853 A1 WO 2020158853A1
Authority
WO
WIPO (PCT)
Prior art keywords
voltage
overcurrent protection
transistor
circuit
protection circuit
Prior art date
Legal status (The legal status is an assumption and is not a legal conclusion. Google has not performed a legal analysis and makes no representation as to the accuracy of the status listed.)
Ceased
Application number
PCT/JP2020/003398
Other languages
English (en)
French (fr)
Japanese (ja)
Inventor
宏憲 仲田
聡 岩井
紀元 野坂
Current Assignee (The listed assignees may be inaccurate. Google has not performed a legal analysis and makes no representation or warranty as to the accuracy of the list.)
Omron Corp
Original Assignee
Omron Corp
Omron Tateisi Electronics Co
Priority date (The priority date is an assumption and is not a legal conclusion. Google has not performed a legal analysis and makes no representation as to the accuracy of the date listed.)
Filing date
Publication date
Application filed by Omron Corp, Omron Tateisi Electronics Co filed Critical Omron Corp
Priority to CN202080004940.1A priority Critical patent/CN112640279B/zh
Priority to EP20749654.8A priority patent/EP3832866B1/en
Priority to US17/273,101 priority patent/US11545972B2/en
Publication of WO2020158853A1 publication Critical patent/WO2020158853A1/ja
Anticipated expiration legal-status Critical
Ceased legal-status Critical Current

Links

Images

Classifications

    • HELECTRICITY
    • H02GENERATION; CONVERSION OR DISTRIBUTION OF ELECTRIC POWER
    • H02MAPPARATUS FOR CONVERSION BETWEEN AC AND AC, BETWEEN AC AND DC, OR BETWEEN DC AND DC, AND FOR USE WITH MAINS OR SIMILAR POWER SUPPLY SYSTEMS; CONVERSION OF DC OR AC INPUT POWER INTO SURGE OUTPUT POWER; CONTROL OR REGULATION THEREOF
    • H02M1/00Details of apparatus for conversion
    • H02M1/32Means for protecting converters other than automatic disconnection
    • HELECTRICITY
    • H03ELECTRONIC CIRCUITRY
    • H03KPULSE TECHNIQUE
    • H03K17/00Electronic switching or gating, i.e. not by contact-making and –breaking
    • H03K17/08Modifications for protecting switching circuit against overcurrent or overvoltage
    • H03K17/082Modifications for protecting switching circuit against overcurrent or overvoltage by feedback from the output to the control circuit
    • H03K17/0826Modifications for protecting switching circuit against overcurrent or overvoltage by feedback from the output to the control circuit in bipolar transistor switches
    • HELECTRICITY
    • H02GENERATION; CONVERSION OR DISTRIBUTION OF ELECTRIC POWER
    • H02MAPPARATUS FOR CONVERSION BETWEEN AC AND AC, BETWEEN AC AND DC, OR BETWEEN DC AND DC, AND FOR USE WITH MAINS OR SIMILAR POWER SUPPLY SYSTEMS; CONVERSION OF DC OR AC INPUT POWER INTO SURGE OUTPUT POWER; CONTROL OR REGULATION THEREOF
    • H02M1/00Details of apparatus for conversion
    • H02M1/08Circuits specially adapted for the generation of control voltages for semiconductor devices incorporated in static converters
    • HELECTRICITY
    • H03ELECTRONIC CIRCUITRY
    • H03KPULSE TECHNIQUE
    • H03K17/00Electronic switching or gating, i.e. not by contact-making and –breaking
    • H03K17/08Modifications for protecting switching circuit against overcurrent or overvoltage
    • H03K17/081Modifications for protecting switching circuit against overcurrent or overvoltage without feedback from the output circuit to the control circuit
    • H03K17/0812Modifications for protecting switching circuit against overcurrent or overvoltage without feedback from the output circuit to the control circuit by measures taken in the control circuit
    • H03K17/08122Modifications for protecting switching circuit against overcurrent or overvoltage without feedback from the output circuit to the control circuit by measures taken in the control circuit in field-effect transistor switches
    • HELECTRICITY
    • H02GENERATION; CONVERSION OR DISTRIBUTION OF ELECTRIC POWER
    • H02MAPPARATUS FOR CONVERSION BETWEEN AC AND AC, BETWEEN AC AND DC, OR BETWEEN DC AND DC, AND FOR USE WITH MAINS OR SIMILAR POWER SUPPLY SYSTEMS; CONVERSION OF DC OR AC INPUT POWER INTO SURGE OUTPUT POWER; CONTROL OR REGULATION THEREOF
    • H02M3/00Conversion of DC power input into DC power output
    • H02M3/02Conversion of DC power input into DC power output without intermediate conversion into AC
    • H02M3/04Conversion of DC power input into DC power output without intermediate conversion into AC by static converters
    • H02M3/10Conversion of DC power input into DC power output without intermediate conversion into AC by static converters using discharge tubes with control electrode or semiconductor devices with control electrode
    • H02M3/145Conversion of DC power input into DC power output without intermediate conversion into AC by static converters using discharge tubes with control electrode or semiconductor devices with control electrode using devices of a triode or transistor type requiring continuous application of a control signal
    • H02M3/155Conversion of DC power input into DC power output without intermediate conversion into AC by static converters using discharge tubes with control electrode or semiconductor devices with control electrode using devices of a triode or transistor type requiring continuous application of a control signal using semiconductor devices only
    • H02M3/156Conversion of DC power input into DC power output without intermediate conversion into AC by static converters using discharge tubes with control electrode or semiconductor devices with control electrode using devices of a triode or transistor type requiring continuous application of a control signal using semiconductor devices only with automatic control of output voltage or current, e.g. switching regulators
    • HELECTRICITY
    • H02GENERATION; CONVERSION OR DISTRIBUTION OF ELECTRIC POWER
    • H02MAPPARATUS FOR CONVERSION BETWEEN AC AND AC, BETWEEN AC AND DC, OR BETWEEN DC AND DC, AND FOR USE WITH MAINS OR SIMILAR POWER SUPPLY SYSTEMS; CONVERSION OF DC OR AC INPUT POWER INTO SURGE OUTPUT POWER; CONTROL OR REGULATION THEREOF
    • H02M7/00Conversion of AC power input into DC power output; Conversion of DC power input into AC power output
    • H02M7/42Conversion of DC power input into AC power output without possibility of reversal
    • H02M7/44Conversion of DC power input into AC power output without possibility of reversal by static converters
    • H02M7/48Conversion of DC power input into AC power output without possibility of reversal by static converters using discharge tubes with control electrode or semiconductor devices with control electrode
    • H02M7/53Conversion of DC power input into AC power output without possibility of reversal by static converters using discharge tubes with control electrode or semiconductor devices with control electrode using devices of a triode or transistor type requiring continuous application of a control signal
    • H02M7/537Conversion of DC power input into AC power output without possibility of reversal by static converters using discharge tubes with control electrode or semiconductor devices with control electrode using devices of a triode or transistor type requiring continuous application of a control signal using semiconductor devices only, e.g. single switched pulse inverters
    • H02M7/5387Conversion of DC power input into AC power output without possibility of reversal by static converters using discharge tubes with control electrode or semiconductor devices with control electrode using devices of a triode or transistor type requiring continuous application of a control signal using semiconductor devices only, e.g. single switched pulse inverters in a bridge configuration
    • HELECTRICITY
    • H03ELECTRONIC CIRCUITRY
    • H03KPULSE TECHNIQUE
    • H03K17/00Electronic switching or gating, i.e. not by contact-making and –breaking
    • H03K17/51Electronic switching or gating, i.e. not by contact-making and –breaking characterised by the components used
    • H03K17/56Electronic switching or gating, i.e. not by contact-making and –breaking characterised by the components used by the use, as active elements, of semiconductor devices
    • H03K17/567Circuits characterised by the use of more than one type of semiconductor device, e.g. BIMOS, composite devices such as IGBT

Definitions

  • the present invention relates to an overcurrent protection circuit and a switching circuit.
  • the switching circuit is, for example, a switching circuit such as a boost chopper circuit, a half-bridge inverter circuit, a full-bridge inverter circuit.
  • ⁇ Semiconductor devices generally have short-circuit withstand capability, and there is a risk of destruction if a current that exceeds the short-circuit withstand capability flows. It is possible to protect the semiconductor device from overcurrent by quickly detecting an overcurrent flowing through the semiconductor device due to a short circuit and stopping the current flowing through the semiconductor device.
  • the setting level of the detection voltage for collector short-circuit detection can be changed at any timing even when the DC voltage is high, low, or constant, and the voltage drive element is reliably protected from overcurrent.
  • an overcurrent protection device for a power conversion device is provided.
  • An overcurrent protection device detects a voltage at a power converter having a voltage-driven power switching element and an input-side main terminal of the power switching element, and the voltage exceeds a predetermined value. At this time, the overcurrent detection unit for giving an off signal to the power switching element and the overcurrent detection unit can be connected in parallel at any timing, and the overcurrent can be changed to the predetermined value. And a setting unit.
  • GaN devices are semiconductor devices that use gallium nitride GaN, and have the characteristic that they can be driven at higher frequencies than conventional semiconductor devices such as insulated gate bipolar transistors (IGBTs) and SiC devices.
  • IGBTs insulated gate bipolar transistors
  • SiC devices SiC devices
  • GaN devices are more susceptible to overcurrent than conventional semiconductor devices, and for example, overcurrent of about 100 nanoseconds may lead to breakdown. Therefore, conventional overcurrent protection techniques such as DESAT, CT detection or the technique of US Pat.
  • An object of the present invention is to solve the above problems and provide a switching circuit and an overcurrent protection circuit capable of protecting a semiconductor switch from an overcurrent at a higher speed than in the prior art.
  • the overcurrent protection circuit according to the first invention is In an overcurrent protection circuit for a switching element that is on/off controlled based on a control voltage, A first PNP bipolar transistor having an emitter connected to a control voltage; An NPN bipolar transistor having a base connected to the collector of the first transistor, a collector connected to the base of the first transistor and pulled up to a predetermined pull-up voltage, and an emitter grounded. A second transistor having In the overcurrent protection circuit, when the control voltage exceeds a predetermined first threshold voltage, the first and second transistors are turned on, and the pull-up voltage is lowered to lower the control voltage to turn off the semiconductor switch. Start the protection operation.
  • the overcurrent protection circuit further includes a first capacitor which is a capacitor connected to the collector and the emitter of the second transistor and reduces a change in the pull-up voltage when the control voltage rises.
  • the overcurrent protection circuit is a time constant circuit that is connected in parallel to the collector and emitter of the second transistor, and includes a resistor and a second capacitor. By changing the time constant, a protection operation is performed. It further comprises a time constant circuit for adjusting the time from the start to the end of.
  • the overcurrent protection circuit further includes a diode connected in parallel with the resistor.
  • the overcurrent protection circuit further includes a voltage detection unit that detects the pull-up voltage and outputs the detected detection voltage to the control unit as a first control signal for turning off the semiconductor switch.
  • the overcurrent protection circuit further includes another switching element that turns on the pull-up voltage from off based on the second control signal from the control unit when the overcurrent protection circuit returns from the protection operation.
  • the switching circuit according to the second invention comprises the above-mentioned overcurrent protection circuit and a semiconductor switch.
  • Block diagram showing a configuration example of the boost chopper circuit 1 according to the first embodiment Block diagram showing a detailed configuration example of the current-driven switching circuit 10 of FIG. Timing chart showing operation waveforms of signals and the like in the current drive type switching circuit 10 of FIG.
  • Timing chart showing operation waveforms of signals and the like in the current-driven switching circuit 10A of FIG. Block diagram showing a configuration example of a current drive type switching circuit 10B according to the third embodiment.
  • Block diagram showing a configuration example of a current drive type switching circuit 10C according to a fourth embodiment Block diagram showing a configuration example of a current drive type switching circuit 10D according to a fifth embodiment.
  • Block diagram showing a configuration example of a current-driven switching circuit 10E according to the sixth embodiment Block diagram showing a configuration example of a half-bridge inverter circuit 1A according to Modification 1 Block diagram showing a configuration example of a full-bridge inverter circuit 1B according to Modification 2
  • FIG. 1 is a block diagram showing a configuration example of the boost chopper circuit 1 according to the first embodiment.
  • the boost chopper circuit 1 includes a current-driven switching circuit 10 having a semiconductor switch 14 that is a switching element, an inductor L1, a diode D1, and a capacitor C1.
  • the input voltage Vi is applied to the connection point between the anode of the diode D1 and the drain of the semiconductor switch 14 via the inductor L1.
  • the source of the semiconductor switch 14 is grounded.
  • the cathode of the diode D1 is connected to one end of the capacitor C1 that outputs the output voltage Vo, and the other end is grounded.
  • the inductor L1 In the boost chopper circuit 1 configured as described above, the inductor L1 generates an electromotive force in a direction that hinders a change in current. Therefore, when the semiconductor switch 14 is switched from on to off, the inductor L1 generates an electromotive force in the same direction as the input voltage Vi so as to prevent the current from decreasing due to the resistance of the diode D1. As a result, a voltage higher than the input voltage Vi is generated, and the voltage is smoothed by the capacitor C1 and converted into the output voltage Vo. Therefore, the step-up chopper circuit 1 converts the input voltage Vi into a DC output voltage Vo higher than the input voltage Vi and outputs the DC voltage by switching the semiconductor switch 14 ON/OFF periodically.
  • FIG. 2 is a block diagram showing a detailed configuration example of the current drive type switching circuit 10 of FIG.
  • the current drive switching circuit 10 includes an overcurrent protection circuit 11, a control unit 12, a drive unit 13, a semiconductor switch 14, and a resistor R1.
  • the overcurrent protection circuit 11 includes transistors Q1 and Q2, a pull-up resistor R2, and a voltage detection circuit 15.
  • the control unit 12 controls the drive unit 13 with the drive signal Sdrv which is a pulse signal. Further, the control unit 12 monitors a signal indicating the detection voltage Vocp input from the voltage detection circuit 15 of the overcurrent protection circuit 11, and when the detection voltage Vocp becomes less than a predetermined threshold value, the abnormality detection flag Fh. Is set to a high level, the drive signal Sdrv is fixed to a low level, and the drive unit 13 is stopped.
  • the drive unit 13 applies the gate-source voltage Vgs to the gate of the semiconductor switch 14 via the resistor R1 based on the drive signal Sdrv from the control unit 12 to control the semiconductor switch 14 on/off.
  • the semiconductor switch 14 is, for example, a switching element such as a GaN device, and is selectively turned on/off by the drive unit 13 to selectively switch whether to conduct the drain current Id.
  • the gate-source voltage Vgs is an example of the “control voltage” in the present invention.
  • the transistor Q1 is, for example, a PNP type bipolar transistor.
  • the transistor Q2 is, for example, an NPN bipolar transistor, and has a base connected to the collector of the transistor Q1, a collector connected to the base of the transistor Q1, and an emitter grounded. Further, the collector of the transistor Q2 is pulled up to the threshold voltage VTH via the pull-up resistor R2.
  • the threshold voltage VTH is an example of the “pull-up voltage” in the present invention.
  • the voltage detection circuit 15 detects the detection voltage Vocp, which is the collector-emitter voltage of the transistor Q2, and outputs a signal indicating the detection voltage Vocp to the control unit 12.
  • the voltage detection circuit 15 is an example of the “voltage detection unit” in the present invention, and the signal indicating the detection voltage Vocp is an example of the “first control signal” in the present invention.
  • FIG. 3 is a timing chart showing operation waveforms of signals and the like in the current drive type switching circuit 10 of FIG.
  • the current-driven switching circuit 10 starts operating at time t0, a short circuit occurs in the semiconductor switch 14 at time t1, and then the control unit 12 detects the short circuit at time t2.
  • the period from time t0 to t1 is called a steady period Pn
  • the period from time t1 to t2 is called a short circuit period Ps
  • the period after time t2 is called a stop period Ph.
  • the detection voltage Vocp is the threshold voltage VTH. Since the threshold voltage VTH is set higher than the gate-source voltage Vgs supplied by the drive unit 13 when the drive signal Sdrv is at the high level, both the transistors Q1 and Q2 are always off in the steady period Pn. Is.
  • the gate-source voltage of the semiconductor switch included in the semiconductor device overshoots (instantaneously rises). Also in the present embodiment, at time t1 in FIG. 3, the drain current Id flowing through the semiconductor switch 14 excessively increases, the gate-source voltage Vgs of the semiconductor switch 14 rapidly increases, and the threshold voltage VTH is increased. Higher value. This causes transistor Q1 to turn on and thus transistor Q2 to turn on.
  • the gate of the semiconductor switch 14 is grounded through the transistors Q1 and Q2. Therefore, the gate-source voltage Vgs drops rapidly to zero. As a result, the semiconductor switch 14 is turned off, so that the overcurrent flowing through the semiconductor switch 14 can be stopped and the overcurrent protection circuit 11 can start the protection operation.
  • the time from the occurrence of the short circuit at the time t1 to the start of the protection operation of the overcurrent protection circuit 11 is short, for example, about 20 to 100 nanoseconds, including the delay in switching the transistors Q1 and Q2.
  • the detection voltage Vocp rapidly drops to 0.
  • the resistance R1 is smaller than the pull-up resistance R2
  • the gate-source voltage Vgs decreases faster than the detection voltage Vocp. Therefore, even if the gate-source voltage Vgs decreases, the transistor Q1 can be kept on.
  • the drive signal Sdrv of the control unit becomes low level
  • the drive unit 13 is stopped and the gate-source voltage Vgs drops to 0. Therefore, since the transistors Q1 and Q2 are sequentially turned off, the detection voltage Vocp rises to the threshold voltage VTH again, and the protection operation is completed.
  • the voltage detection circuit 15 outputs a signal indicating the detection voltage Vocp to the control unit 12.
  • the control unit 12 monitors the value of the detection voltage Vocp, and when the detection voltage Vocp becomes less than a predetermined threshold value, determines that the protection operation has been performed, sets the abnormality detection flag Fh to the high level, and outputs the drive signal Sdrv. It is stopped (time t2). In the stop period Ph, the drive signal Sdrv is always at the low level, and the semiconductor switch 14 is always off.
  • the drive signal Sdrv may become high level again before the output of the drive signal Sdrv is stopped at time t2. In that case, as shown in FIG. 3, the overcurrent again flows through the semiconductor switch 14, and the overcurrent protection circuit 11 starts the protection operation again.
  • the overcurrent protection circuit 11 includes the pull-up resistor R2, the PNP-type transistor Q1, the NPN-type transistor Q2, and the voltage detection circuit 15.
  • the transistors Q1 and Q2 are sequentially turned on.
  • the overcurrent protection circuit 11 reduces the gate-source voltage Vgs to 0 and starts the protection operation of turning off the semiconductor switch.
  • the control unit 12 monitors the detection voltage Vocp detected by the voltage detection circuit 15, and when the detection voltage Vocp becomes less than a predetermined threshold voltage, the drive unit 13 is stopped and the semiconductor switch 14 is turned off. Therefore, according to the present embodiment, the overcurrent flowing through the semiconductor switch 14 can be stopped at a higher speed than in the conventional technique, and the semiconductor switch 14 can be protected.
  • FIG. 4 is a block diagram showing a configuration example of the current drive type switching circuit 10A according to the second embodiment.
  • the current drive type switching circuit 10A differs from the current drive type switching circuit 10 in the following points.
  • the overcurrent protection circuit 11A further includes a capacitor Ca connected to the collector and the emitter of the transistor Q2.
  • the power supply of the threshold voltage VTH charges the capacitor Ca to the threshold voltage VTH via the pull-up resistor R2.
  • FIG. 5 is a timing chart showing operation waveforms of signals and the like in the current drive type switching circuit 10A of FIG.
  • Time t11 indicates the timing when the drive signal Sdrv rises again in the short circuit period Ps of FIG.
  • the capacitor Ca is grounded via the transistor Q2, and the capacitor Ca is discharged to the zero potential.
  • the drive signal Sdrv becomes low level
  • the transistors Q1 and Q2 are turned off, and the detection voltage Vocp starts to rise.
  • the threshold voltage VTH charges the capacitor Ca. Therefore, the time required for the detection voltage Vocp to rise to the threshold voltage VTH is longer than the time in the first embodiment.
  • the capacitor Ca By appropriately selecting the capacitor Ca, the time required for the detection voltage Vocp to rise to the threshold voltage VTH can be made longer than the time until the drive signal Sdrv becomes high level again (time t11). it can.
  • the transistors Q1 and Q2 are turned on before the gate-source voltage Vgs reaches the threshold voltage VTH, and the semiconductor switch 14 is protected.
  • the overcurrent protection circuit 11A further includes the capacitor Ca in addition to the overcurrent protection circuit 11.
  • the overcurrent protection circuit 11A performs the protection operation, the time from the protection operation to the recovery is set longer than that in the overcurrent protection circuit 11 of FIG. 2, and the overcurrent repeatedly flows through the semiconductor switch 14. Can be prevented.
  • the overshoot of the detection voltage Vocp due to the rise of the gate-source voltage Vgs can be made smaller than that of the overcurrent protection circuit 11 in FIG. 2, and the delay in the start of the protection operation can be made smaller than that of the overcurrent protection circuit 11. ..
  • FIG. 6 is a block diagram showing a configuration example of the current drive type switching circuit 10B according to the third embodiment.
  • the current driving switching circuit 10B differs from the current driving switching circuit 10A in the following points. (1) Further, the time constant circuit 18 including the resistor R3 and the capacitor Cb is provided. (2) The time constant circuit 18 is connected in parallel to the collector and the emitter of the transistor Q2.
  • the time constant for charging the capacitor Ca discharged to the zero potential to the threshold voltage VTH is adjusted, and the time until the overcurrent protection circuit 11B recovers from the protection operation is longer than that of the overcurrent protection circuit 11A.
  • the time-constant circuit 18 is also inserted in the current-driven switching circuit 10 of the first embodiment to obtain the same effect.
  • the current-driven switching circuit 10B further includes the time constant circuit 18 including the resistor R3 and the capacitor Cb.
  • the time required for the overcurrent protection circuit 11B to recover from the protection operation is adjusted by appropriately selecting the resistor R3 and the capacitor Cb.
  • FIG. 7 is a block diagram showing a configuration example of the current drive type switching circuit 10C according to the fourth embodiment.
  • the current drive type switching circuit 10C is different from the current drive type switching circuit 10B of FIG. 6 in the following points.
  • the overcurrent protection circuit 11C further includes a diode D2 whose anode is connected to one end of the resistor R3 on the low potential side and whose cathode is connected to the other end of the resistor R3.
  • the current-driven switching circuit 10C according to the fourth embodiment further includes the diode D2.
  • the influence of noise in the gate-source voltage Vgs or the like on the overcurrent protection circuit 11C is suppressed more than in the overcurrent protection circuit 11B.
  • FIG. 8 is a block diagram showing a configuration example of the current drive type switching circuit 10D according to the fifth embodiment.
  • the current drive type switching circuit 10D is different from the current drive type switching circuit 10B of FIG. 6 in the following points.
  • the current drive type switching circuit 10D further includes a MOS drive unit 16.
  • the MOS drive unit 16 is controlled by the control unit 12 to output the MOS drive signal Sm and control the MOSFET 17 to be turned on and off.
  • the MOSFET 17 is controlled by the MOS drive signal Sm, and cuts off (turns off) the threshold voltage VTH during the period when the MOS drive signal Sm has a low level.
  • FIG. 9 is a timing chart showing an example of operation waveforms of signals and the like in the current drive type switching circuit 10D of FIG.
  • the current-driven switching circuit 10D has a preparation period Pp1 (time t21 to t22) before the start of operation (time t0).
  • the control unit 12 turns on the MOSFET 17 via the MOS drive unit 16.
  • the control unit 12 turns off the MOSFET 17 via the MOS driving unit 16 (time t22).
  • the control unit 12 sets the abnormality detection flag Fh to the high level and stops the output of the drive signal Sdrv (time t2).
  • the period from time t2 to t23 is the suspension period Ph.
  • the user of the boost chopper circuit 1 can repair the short-circuited portion and eliminate the short-circuit.
  • the upper control circuit detects the elimination of the short circuit and controls the control unit 12, or the user directly operates the control unit 12, so that the abnormality detection flag Fh of the control unit 12 becomes a low level.
  • the control unit 12 detects that the abnormality detection flag Fh has become low level, and turns on the MOSFET 17 to charge the capacitor Ca again (time t24).
  • Times t24 to t25 are the second preparation period Pp2. Similar to the preparation period Pp1, the MOS drive signal Sm has a high level in the preparation period Pp2, and the capacitor Ca is charged to the threshold voltage VTH.
  • the overcurrent protection circuit 11D recovers from the protection operation by sufficiently charging the capacitor Ca in the preparation period Pp2. After that, the current drive switching circuit 10B restarts the normal operation similar to the steady period Pn1 in the steady period Pn2 (time t25).
  • the current drive type switching circuit 10D includes the MOS drive unit 16 and the MOSFET 17.
  • the MOSFET 17 is controlled by the control unit 12 via the MOS drive unit 16 and controls the threshold voltage VTH on/off. Since the detection voltage Vocp does not rise while the MOSFET 17 is off, the recovery from the protection operation can be performed at any timing regardless of the response delay of the control unit 12 and the like.
  • MOSFET 17 includes a parasitic diode, the effect of suppressing noise can be obtained as in the current-driven switching circuit 10C according to the fourth embodiment.
  • the MOSFET 17 according to the present embodiment can be similarly inserted in any of the current-driven switching circuits 10 and 10A to 10C of the first to fourth embodiments, and the same effect can be obtained.
  • the MOSFET 17 according to the present embodiment is an example of the "separate switching element" in the present invention.
  • FIG. 10 is a block diagram showing a configuration example of the current drive type switching circuit 10E according to the sixth embodiment. 10, the current drive type switching circuit 10E is different from the current drive type switching circuit 10D of FIG. 8 in the following points.
  • a transistor 17a is provided instead of the MOSFET 17.
  • a transistor drive unit 16a is provided instead of the MOS drive unit 16.
  • the control unit 12 controls the base current Itr of the transistor 17a via the transistor driving unit 16a to control the on/off of the transistor 17a.
  • the transistor 17a in this embodiment is an example of the "separate switching element" in the present invention.
  • the boost chopper circuit 1 has been described as a semiconductor device including the current drive type switching circuits 10 and 10A to 10E according to the present invention.
  • the present invention is not limited to this, and can be applied to a circuit and a device for controlling the switching of current by a semiconductor switch.
  • FIG. 11 is a block diagram showing a configuration example of the half-bridge inverter circuit 1A according to the first modification.
  • the half-bridge inverter circuit 1A includes an inductor L2, two current-driven switching circuits 10 and a capacitor C2.
  • the semiconductor switches 14 of the two current drive type switching circuits 10 are controlled to be alternately turned on periodically.
  • the input voltage Vi is switched, smoothed by the capacitor C2, and converted into the AC output voltage Vo.
  • the half-bridge inverter circuit 1A switches the DC input voltage Vi, converts it into the AC output voltage Vo, and outputs it.
  • the two current drive type switching circuits 10 may be replaced by any one of the current drive type switching circuits 10A to 10E.
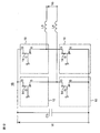
  • FIG. 12 is a block diagram showing a configuration example of a full-bridge inverter circuit 1B according to Modification 2.
  • the full-bridge inverter circuit 1B includes a capacitor C3, four current drive type switching circuits 10, and inductors L3 and L4.
  • the four current-driven switching circuits 10 are the first and fourth current-driven switching circuits 10 (upper left and lower right in the figure) are on, and the second and third current-driven switching circuits 10 are on.
  • the period in which the circuit 10 (lower left and upper right in the figure) is off and the period in which these on and off are reversed are controlled so as to appear alternately alternately.
  • the input voltage Vi is switched, and the switched input voltage Vi is smoothed by the capacitor C3 and the inductors L3 and L4.
  • the full-bridge inverter circuit 1B switches the DC input voltage Vi, converts it into the AC output voltage Vo, and outputs it.
  • the four current-driven switching circuits 10 may be replaced with any one of the current-driven switching circuits 10A to 10E.
  • the current drive type switching circuit and the overcurrent protection circuit according to the present invention can be used for a circuit and an apparatus for switching and controlling a current in a semiconductor device.
  • the pull-up resistor R2 is used as a means for limiting the current from the power source of the threshold voltage VTH.
  • the present invention is not limited to this, and a diode or the like may be used instead of the pull-up resistor R2.
  • the current control type switching circuits 10 and 10A to 10E are used as the switching circuits.
  • the present invention is not limited to this, and a voltage drive type switching circuit may be used instead of the current drive type switching circuit.
  • Boost Chopper Circuit 1A Half Bridge Inverter Circuit 1B Full Bridge Inverter Circuit 10, 10A to 10E Current Driven Switching Circuits 11 and 11A to 11E Overcurrent Protection Circuit 12 Control Section 13 Drive Section 14 Semiconductor Switch 15 Voltage Detection Circuit 16 MOS Drive Section 16a Transistor driver 17 MOSFET 17a Transistor 18 Time constant circuit Q1, Q2 Transistor R1, R2 Resistance

Landscapes

  • Engineering & Computer Science (AREA)
  • Power Engineering (AREA)
  • Dc-Dc Converters (AREA)
  • Power Conversion In General (AREA)
  • Inverter Devices (AREA)
PCT/JP2020/003398 2019-02-01 2020-01-30 過電流保護回路及びスイッチング回路 Ceased WO2020158853A1 (ja)

Priority Applications (3)

Application Number Priority Date Filing Date Title
CN202080004940.1A CN112640279B (zh) 2019-02-01 2020-01-30 过电流保护电路及开关电路
EP20749654.8A EP3832866B1 (en) 2019-02-01 2020-01-30 Overcurrent protection circuit and switching circuit
US17/273,101 US11545972B2 (en) 2019-02-01 2020-01-30 Overcurrent protection circuit for switching element turned on and off based on control voltage

Applications Claiming Priority (2)

Application Number Priority Date Filing Date Title
JP2019017332A JP6965902B2 (ja) 2019-02-01 2019-02-01 過電流保護回路及びスイッチング回路
JP2019-017332 2019-02-01

Publications (1)

Publication Number Publication Date
WO2020158853A1 true WO2020158853A1 (ja) 2020-08-06

Family

ID=71841854

Family Applications (1)

Application Number Title Priority Date Filing Date
PCT/JP2020/003398 Ceased WO2020158853A1 (ja) 2019-02-01 2020-01-30 過電流保護回路及びスイッチング回路

Country Status (5)

Country Link
US (1) US11545972B2 (enExample)
EP (1) EP3832866B1 (enExample)
JP (1) JP6965902B2 (enExample)
CN (1) CN112640279B (enExample)
WO (1) WO2020158853A1 (enExample)

Cited By (2)

* Cited by examiner, † Cited by third party
Publication number Priority date Publication date Assignee Title
US11271474B2 (en) * 2019-06-11 2022-03-08 Fuji Electric Co., Ltd. Integrated circuit and power supply circuit
EP4167485A4 (en) * 2020-12-07 2023-12-27 Gree Electric Appliances, Inc. of Zhuhai IGBT DRIVER CIRCUIT AND POWER CONVERSION DEVICE

Families Citing this family (3)

* Cited by examiner, † Cited by third party
Publication number Priority date Publication date Assignee Title
US12191846B2 (en) * 2020-03-30 2025-01-07 Panasonic Intellectual Property Management Co., Ltd. Determination device and switch system equipped therewith
JP7547874B2 (ja) * 2020-09-01 2024-09-10 オムロン株式会社 過電流保護回路及びスイッチング回路
JP7528660B2 (ja) 2020-09-10 2024-08-06 オムロン株式会社 過電流保護回路および電力変換器

Citations (2)

* Cited by examiner, † Cited by third party
Publication number Priority date Publication date Assignee Title
JP2000037073A (ja) * 1998-07-15 2000-02-02 Yaskawa Electric Corp Dc/dcコンバータ装置
JP2006014402A (ja) 2004-06-22 2006-01-12 Toshiba Mitsubishi-Electric Industrial System Corp 電力変換装置の過電流保護装置

Family Cites Families (8)

* Cited by examiner, † Cited by third party
Publication number Priority date Publication date Assignee Title
US6825504B2 (en) * 1999-05-03 2004-11-30 Hitachi, Ltd. Semiconductor integrated circuit device and method of manufacturing the same
US7548401B2 (en) * 2001-03-16 2009-06-16 Sarnoff Corporation Electrostatic discharge protection structures for high speed technologies with mixed and ultra-low voltage supplies
US20080225456A1 (en) * 2003-12-26 2008-09-18 Mitsuaki Daio Overcurrent Protecting Circuit, Motor Drive Circuit, and Semiconductor Device
WO2010150488A1 (ja) * 2009-06-24 2010-12-29 パナソニック株式会社 電源保護回路およびそれを備えたモータ駆動装置
JP2015136234A (ja) * 2014-01-17 2015-07-27 セイコーエプソン株式会社 短絡保護回路、電源回路及び電源装置
WO2016114416A1 (ko) * 2015-01-13 2016-07-21 주식회사 실리콘웍스 클램핑 회로에 대한 밸런싱 회로를 포함하는 인덕티브 로드 구동 회로 및 그 제어 방법
JP2018129761A (ja) * 2017-02-10 2018-08-16 株式会社オートネットワーク技術研究所 スイッチ制御装置
JP6959096B2 (ja) * 2017-10-13 2021-11-02 エイブリック株式会社 充放電制御回路及びこれを備えたバッテリ装置

Patent Citations (2)

* Cited by examiner, † Cited by third party
Publication number Priority date Publication date Assignee Title
JP2000037073A (ja) * 1998-07-15 2000-02-02 Yaskawa Electric Corp Dc/dcコンバータ装置
JP2006014402A (ja) 2004-06-22 2006-01-12 Toshiba Mitsubishi-Electric Industrial System Corp 電力変換装置の過電流保護装置

Non-Patent Citations (1)

* Cited by examiner, † Cited by third party
Title
See also references of EP3832866A4

Cited By (3)

* Cited by examiner, † Cited by third party
Publication number Priority date Publication date Assignee Title
US11271474B2 (en) * 2019-06-11 2022-03-08 Fuji Electric Co., Ltd. Integrated circuit and power supply circuit
EP4167485A4 (en) * 2020-12-07 2023-12-27 Gree Electric Appliances, Inc. of Zhuhai IGBT DRIVER CIRCUIT AND POWER CONVERSION DEVICE
US12047058B2 (en) 2020-12-07 2024-07-23 Gree Electric Appliances, Inc. Of Zhuhai IGBT driving circuit and power conversion device

Also Published As

Publication number Publication date
EP3832866A1 (en) 2021-06-09
EP3832866B1 (en) 2024-05-08
US11545972B2 (en) 2023-01-03
CN112640279B (zh) 2024-05-10
CN112640279A (zh) 2021-04-09
EP3832866A4 (en) 2022-04-13
US20210226620A1 (en) 2021-07-22
JP6965902B2 (ja) 2021-11-10
JP2020127267A (ja) 2020-08-20

Similar Documents

Publication Publication Date Title
WO2020158853A1 (ja) 過電流保護回路及びスイッチング回路
US7514967B2 (en) Driver for voltage driven type switching element
JP6170119B2 (ja) 電源スイッチを駆動するためのシステムおよび方法
US20130181640A1 (en) Driver for switching element and control system for rotary machine using the same
JP7268507B2 (ja) ゲート駆動装置及び電力変換装置
JP5736243B2 (ja) 電源回路
US8503146B1 (en) Gate driver with short-circuit protection
JP2018011467A (ja) 半導体スイッチング素子のゲート駆動回路
JP6122542B1 (ja) アクティブクランプ回路
JP2008067593A (ja) 絶縁ゲート型半導体スイッチ素子のゲート駆動回路
JP7205636B2 (ja) 過電流保護回路及びスイッチング回路
JP2017163681A (ja) 電圧駆動形半導体スイッチ素子の駆動回路
CN112534668A (zh) 升压转换器短路保护
JP2005065029A (ja) 半導体装置
JP4779549B2 (ja) 電圧駆動型半導体素子のゲート駆動回路。
JP2009095214A (ja) Dc−dcコンバータ回路
JP4321491B2 (ja) 電圧駆動型半導体素子の駆動装置
JP2009060709A (ja) ゲート駆動回路
US12301221B2 (en) Overcurrent protection circuit for protecting semiconductor device from overcurrent at high speed, and switching circuit provided with the overcurrent protection circuit
JP2018093638A (ja) 保護回路、及びモータユニット
US10075158B2 (en) Method and drive circuit for driving a transistor
JP2025047625A (ja) 半導体駆動装置
CN119766212A (zh) 一种开关功率管截止控制电路及驱动芯片

Legal Events

Date Code Title Description
121 Ep: the epo has been informed by wipo that ep was designated in this application

Ref document number: 20749654

Country of ref document: EP

Kind code of ref document: A1

ENP Entry into the national phase

Ref document number: 2020749654

Country of ref document: EP

Effective date: 20210305

NENP Non-entry into the national phase

Ref country code: DE