WO2016158186A1 - 遠心式ポンプ装置 - Google Patents

遠心式ポンプ装置 Download PDF

Info

Publication number
WO2016158186A1
WO2016158186A1 PCT/JP2016/056567 JP2016056567W WO2016158186A1 WO 2016158186 A1 WO2016158186 A1 WO 2016158186A1 JP 2016056567 W JP2016056567 W JP 2016056567W WO 2016158186 A1 WO2016158186 A1 WO 2016158186A1
Authority
WO
WIPO (PCT)
Prior art keywords
impeller
chamber
centrifugal pump
dynamic pressure
pump device
Prior art date
Legal status (The legal status is an assumption and is not a legal conclusion. Google has not performed a legal analysis and makes no representation as to the accuracy of the status listed.)
Ceased
Application number
PCT/JP2016/056567
Other languages
English (en)
French (fr)
Japanese (ja)
Inventor
山田 裕之
顕 杉浦
Current Assignee (The listed assignees may be inaccurate. Google has not performed a legal analysis and makes no representation or warranty as to the accuracy of the list.)
NTN Corp
Original Assignee
NTN Corp
NTN Toyo Bearing Co Ltd
Priority date (The priority date is an assumption and is not a legal conclusion. Google has not performed a legal analysis and makes no representation as to the accuracy of the date listed.)
Filing date
Publication date
Application filed by NTN Corp, NTN Toyo Bearing Co Ltd filed Critical NTN Corp
Publication of WO2016158186A1 publication Critical patent/WO2016158186A1/ja
Anticipated expiration legal-status Critical
Ceased legal-status Critical Current

Links

Images

Classifications

    • FMECHANICAL ENGINEERING; LIGHTING; HEATING; WEAPONS; BLASTING
    • F04POSITIVE - DISPLACEMENT MACHINES FOR LIQUIDS; PUMPS FOR LIQUIDS OR ELASTIC FLUIDS
    • F04DNON-POSITIVE-DISPLACEMENT PUMPS
    • F04D13/00Pumping installations or systems
    • F04D13/02Units comprising pumps and their driving means
    • F04D13/06Units comprising pumps and their driving means the pump being electrically driven
    • F04D13/0666Units comprising pumps and their driving means the pump being electrically driven the motor being of the plane gap type
    • AHUMAN NECESSITIES
    • A61MEDICAL OR VETERINARY SCIENCE; HYGIENE
    • A61MDEVICES FOR INTRODUCING MEDIA INTO, OR ONTO, THE BODY; DEVICES FOR TRANSDUCING BODY MEDIA OR FOR TAKING MEDIA FROM THE BODY; DEVICES FOR PRODUCING OR ENDING SLEEP OR STUPOR
    • A61M60/00Blood pumps; Devices for mechanical circulatory actuation; Balloon pumps for circulatory assistance
    • A61M60/80Constructional details other than related to driving
    • A61M60/802Constructional details other than related to driving of non-positive displacement blood pumps
    • A61M60/818Bearings
    • A61M60/824Hydrodynamic or fluid film bearings
    • FMECHANICAL ENGINEERING; LIGHTING; HEATING; WEAPONS; BLASTING
    • F04POSITIVE - DISPLACEMENT MACHINES FOR LIQUIDS; PUMPS FOR LIQUIDS OR ELASTIC FLUIDS
    • F04DNON-POSITIVE-DISPLACEMENT PUMPS
    • F04D29/00Details, component parts, or accessories
    • F04D29/04Shafts or bearings, or assemblies thereof
    • F04D29/041Axial thrust balancing
    • FMECHANICAL ENGINEERING; LIGHTING; HEATING; WEAPONS; BLASTING
    • F04POSITIVE - DISPLACEMENT MACHINES FOR LIQUIDS; PUMPS FOR LIQUIDS OR ELASTIC FLUIDS
    • F04DNON-POSITIVE-DISPLACEMENT PUMPS
    • F04D29/00Details, component parts, or accessories
    • F04D29/04Shafts or bearings, or assemblies thereof
    • F04D29/041Axial thrust balancing
    • F04D29/0413Axial thrust balancing hydrostatic; hydrodynamic thrust bearings
    • FMECHANICAL ENGINEERING; LIGHTING; HEATING; WEAPONS; BLASTING
    • F04POSITIVE - DISPLACEMENT MACHINES FOR LIQUIDS; PUMPS FOR LIQUIDS OR ELASTIC FLUIDS
    • F04DNON-POSITIVE-DISPLACEMENT PUMPS
    • F04D29/00Details, component parts, or accessories
    • F04D29/04Shafts or bearings, or assemblies thereof
    • F04D29/046Bearings
    • F04D29/047Bearings hydrostatic; hydrodynamic
    • F04D29/0473Bearings hydrostatic; hydrodynamic for radial pumps
    • HELECTRICITY
    • H02GENERATION; CONVERSION OR DISTRIBUTION OF ELECTRIC POWER
    • H02PCONTROL OR REGULATION OF ELECTRIC MOTORS, ELECTRIC GENERATORS OR DYNAMO-ELECTRIC CONVERTERS; CONTROLLING TRANSFORMERS, REACTORS OR CHOKE COILS
    • H02P21/00Arrangements or methods for the control of electric machines by vector control, e.g. by control of field orientation
    • H02P21/06Rotor flux based control involving the use of rotor position or rotor speed sensors

Definitions

  • the present invention relates to a centrifugal pump device, and more particularly to a centrifugal pump device provided with an impeller that sends a liquid by a centrifugal force during rotation.
  • a canned motor having a structure in which a motor drive chamber and a rotor chamber are separated by a partition wall is often used.
  • Such a motor is used, for example, in a pump for transporting chemical liquid or pure water in a semiconductor production line used in an environment where dust is not desired, or a pump for transporting biological fluid.
  • Patent Document 1 JP 2010-261394 A (Patent Document 1) describes an axial gap type centrifugal pump characterized by non-contact floating of an impeller by a fluid dynamic pressure bearing and a canned motor structure.
  • an axial gap type centrifugal pump characterized by non-contact floating of the impeller by the hydrodynamic bearing it is arranged on the opposite side across the impeller so as to cancel the axial suction force acting between the impeller and the motor.
  • a ring-shaped permanent magnet or the like balances the attractive force in the axial direction.
  • the attractive force by these permanent magnets or the like is a component of negative rigidity (unstable element) that tends to approach the impeller more in one direction when the impeller approaches one direction.
  • Patent Document 1 As described above, as a method for controlling the axial attractive force changed due to the eccentricity of the impeller, in Japanese Patent Application Laid-Open No. 2010-261394 (Patent Document 1), the motor-side attractive force is balanced with the attractive force change of the ring-shaped magnet portion. In addition, the motor current phase was adjusted. As a result, even if the impeller is eccentric in the radial direction due to disturbances or operating conditions, stable rotation can be maintained without changing the floating position of the impeller in the axial direction.
  • changing the motor current phase may cause various problems. For example, if the current phase changes from the situation where the motor is operated at the maximum efficiency point, the motor efficiency may be reduced. Further, for example, when the current phase is changed from the situation where the operation is performed at the maximum torque point, the generated torque is reduced, and there is a possibility that the pump output is reduced or the motor is stepped out.
  • the present invention has been made to solve the above-described problems, and an object thereof is to provide a centrifugal pump device capable of achieving both prevention of contamination and prevention of reduction in efficiency and performance. .
  • the present invention is a centrifugal pump device including a housing including first to third chambers.
  • the second chamber is provided between the first chamber and the third chamber.
  • the first chamber and the second chamber are separated by a first partition.
  • the second chamber and the third chamber are separated by a second partition.
  • the centrifugal pump device is further provided so as to be rotatable about a shaft intersecting with the first and second partition walls in the second chamber, the impeller for sending liquid by centrifugal force at the time of rotation, and the first chamber
  • a first drive unit provided to rotate the impeller through the first partition
  • a second drive unit provided in the third chamber to rotate the impeller through the second partition
  • a first magnetic body provided on one surface of the impeller facing the first partition
  • a second magnetic body provided on the other surface of the impeller facing the second partition.
  • a first dynamic pressure groove is formed on one surface of the impeller or the wall surface of the first partition opposite to the one surface.
  • a second dynamic pressure groove is formed on the other surface of the impeller or the wall surface of the second partition wall facing the other surface.
  • At least one of the first drive unit and the second drive unit is configured such that the position of the impeller is adjusted by the attractive force acting on the corresponding magnetic body among the first magnetic body and the second magnetic body, which is adjusted by vector control. Is maintained at the center of the movable range of the impeller in the direction along the rotation axis in the second chamber.
  • the first drive unit increases the magnetic flux current in vector control when the position of the impeller changes from the center of the movable range in a direction away from the first partition.
  • the second drive unit increases the magnetic flux current in the vector control when the position of the impeller changes in the direction away from the second partition from the center of the movable range.
  • the first drive unit acts between the first magnetic unit and the first drive unit.
  • the first attraction force and the second attraction force acting between the second magnetic body and the second drive unit are obtained when the impeller is located at the center of the movable range of the impeller in the second chamber. balance.
  • the centrifugal pump device further includes a phase estimator for estimating the rotation angle of the impeller for use in vector control.
  • the centrifugal pump device measures and stores the fluid force acting on the impeller in advance using at least one or more of the rotation speed, flow rate, discharge pressure, and physical property value of the fluid as parameters.
  • a drive control unit that controls the first suction force according to a value stored in the storage unit.
  • the centrifugal pump device further includes a rotation detector for detecting the rotation angle of the impeller for use in vector control.
  • the rotation detector is a magnetic sensor, and the flying position of the impeller is detected by the magnetic sensor.
  • a third dynamic pressure groove is formed on the outer peripheral side surface of the impeller.
  • a third dynamic pressure groove is formed on the wall surface of the second chamber and facing the outer peripheral side surface of the impeller.
  • the centrifugal pump device is used for circulating food.
  • the centrifugal pump device is used for circulating pharmaceutical products.
  • the electromagnetic force generated by the motor is separated (vector control) into a torque current component (Iq component) and a field current component (Id component), and the Id component is positively changed to act on the impeller. It is possible to control the suction force in the axial direction, and it is possible to increase the stability during the impeller floating rotation.
  • FIG. 4 is a control block diagram showing a motor control unit 324A and its peripheral configuration in a motor drive system when a sensorless angle detection process is used for motor drive, which is a modification of FIG. 3. It is a block diagram of the voltage equation of a motor. It is a vector diagram of motor control. It is a front view which shows the external appearance of the pump part 1 of the centrifugal pump apparatus of embodiment of this invention.
  • FIG. 9 is a side view of the pump part 1 shown in FIG.
  • FIG. 9 is a sectional view taken along line IX-IX in FIG. 8.
  • FIG. 10 is a sectional view taken along line XX in FIG. 9. It is sectional drawing which shows the state which removed the impeller from FIG.
  • FIG. 10 is a cross-sectional view showing a state where the impeller is removed from the cross-sectional view taken along the line XII-XII in FIG. 9.
  • FIG. 10 is a sectional view taken along line XIII-XIII in FIG. 9.
  • the magnitude of the resultant force between the attractive force F1 between the permanent magnet 17D and the magnetic body 18D and the attractive force F2 between the permanent magnet 17 and the magnetic body 18 is a position P1 other than the central position of the movable range in the pump chamber 7 of the impeller 10. It is a figure which shows the force which acts on the impeller 10 when it adjusts so that it may become zero.
  • the magnitude of the resultant force between the attractive force F1 between the permanent magnet 17D and the magnetic body 18D and the attractive force F2 between the permanent magnet 17 and the magnetic body 18 is zero at the center position P0 of the movable range in the pump chamber 7 of the impeller 10. It is a figure which shows the force which acts on the impeller 10 when adjusting so that it may become.
  • FIG. 27 is a sectional view taken along line XXVII-XXVII in FIG. 26. 4 is a view showing a modification in which a radial dynamic pressure groove is further provided on the outer peripheral surface of the impeller 10.
  • FIG. It is a figure which shows the modification which further provided the radial dynamic pressure groove in the pump chamber peripheral surface.
  • FIG. 3 is a diagram showing a detailed arrangement of magnets embedded in a shroud of the impeller 10. It is a 1st modification of arrangement
  • FIG. 35 is a second modification of the arrangement of the permanent magnets shown in FIG. 34.
  • FIG. FIG. 35 is a third modification of the arrangement of the permanent magnets shown in FIG. 34.
  • FIG. It is a 4th modification of arrangement
  • positioning of the permanent magnet shown in FIG. It is a 5th modification of arrangement
  • FIG. 1 is an electric circuit diagram of a motor drive system of a centrifugal pump device according to the present embodiment.
  • motor drive system 300 includes a battery unit 310, an inverter device 320, and a motor unit 331.
  • the motor unit 331 is a three-phase synchronous motor, such as an SPM type (surface magnet type) synchronous motor, and includes a rotor 332 including a permanent magnet and a stator including a three-phase stator coil.
  • the rotation angle of the rotor 332 is detected by an angle detector 334.
  • the inverter device 320 includes a smoothing unit 328 that smoothes a DC voltage supplied from the battery unit 310, a three-phase inverter 330, and a calculation unit 322.
  • the calculation unit 322 includes a motor control unit 324 and a PWM driver 326.
  • the three-phase inverter 330 is composed of six drive elements that are semiconductor switching elements, and outputs a drive current of each phase of the three phases (U, V, W phase) of the motor in a pulse waveform.
  • FIG. 2 is a waveform diagram for explaining an output signal output from the PWM driver to the inverter.
  • the PWM driver 326 performs pulse width modulation on the input current command so as to obtain a current output for driving the three-phase inverter 330 in a sine wave, and gives on / off commands to the six drive elements. .
  • the PWM driver 326 and the motor control unit 324 constitute a calculation unit 322 that is a weak electric circuit portion of the inverter device 320.
  • the arithmetic unit 322 includes a computer, a program executed on the computer, and an electronic circuit.
  • FIG. 3 is a control block diagram showing the motor control unit 324 and its peripheral configuration in the motor drive system.
  • motor control unit 324 includes current command calculation unit 340, torque current control unit 341, magnetic flux current control unit 343, ⁇ coordinate conversion unit 350, two-phase / three-phase conversion unit 352, and , A detection-side three-phase / two-phase conversion unit 354 and a rotation coordinate conversion unit 356 are included.
  • the current command calculation unit 340 includes a torque current command unit 362 and a magnetic flux current setting unit 364.
  • the torque current command unit 362 outputs a torque current command value Iqref in accordance with the torque command given from the host controller.
  • the torque command is calculated from the external rotational speed or torque command.
  • the magnetic flux current setting unit 364 outputs a command value Idref in which the magnetic flux current is determined.
  • the magnetic flux current command value Idref is appropriately set according to the motor characteristics and the like, and is normally set to “0”.
  • the torque current is hereinafter referred to as “q-axis current”.
  • the magnetic flux current is hereinafter referred to as “d-axis current”.
  • the magnetic flux current is also called exciting current or field current.
  • the torque voltage is referred to as “q-axis voltage”
  • the magnetic flux voltage is referred to as “d-axis voltage”.
  • the q axis is an axis indicating a component in the motor rotation direction
  • the d axis is an axis perpendicular to the q axis.
  • the torque current control unit 341 includes a subtraction unit 342 that subtracts the q-axis current detection value Iq from the q-axis current command value Iqref, and an arithmetic processing unit 346 that performs a predetermined arithmetic process on the output of the subtraction unit 342.
  • the arithmetic processing unit 346 performs proportional integration processing in the example shown in FIG.
  • the torque current control unit 341 controls the q axis current detection value Iq to follow the q axis current command value Iqref given from the torque current command unit 362 of the current command calculation unit 340.
  • the q-axis current detection value Iq is obtained from the detection values Iu and Iv of the current detectors 336 and 337 that detect the drive current of the motor via the three-phase / two-phase conversion unit 354 and the rotation coordinate conversion unit 356.
  • Torque current control unit 341 outputs q-axis voltage command value Vq.
  • the magnetic flux current control unit 343 includes a subtraction unit 344 that subtracts the d-axis current detection value Id from the d-axis current command value Idref, and an arithmetic processing unit 348 that performs a predetermined arithmetic process on the output of the subtraction unit 344. .
  • the arithmetic processing unit 348 performs proportional integration processing in the example shown in FIG.
  • the magnetic flux current control unit 343 performs control so that the d-axis current detection value Id follows the d-axis current command value Idref given from the magnetic flux current setting unit 364 of the current command calculation unit 340.
  • the d-axis current detection value Id is obtained from the detection values Iu and Iv of the current detectors 336 and 337 that detect the drive current of the motor via the three-phase / two-phase conversion unit 354 and the rotation coordinate conversion unit 356.
  • the magnetic flux current control unit 343 outputs the d-axis voltage command value Vd.
  • the three-phase / two-phase conversion unit 354 includes two or three phase currents among the currents flowing through the U phase, V phase, and W phase of the motor, for example, the U phase current Iu and the V phase current Iv.
  • the detected values are converted into detected values I ⁇ and I ⁇ of actual currents (actual current on the ⁇ axis and actual current on the ⁇ axis) of the stationary quadrature two-phase coordinate component.
  • the rotational coordinate conversion unit 356 Based on the motor rotor angle ⁇ mea detected by the angle detector 334, the rotational coordinate conversion unit 356 converts the detected values I ⁇ and I ⁇ of the static quadrature two-phase coordinate component into the detected values Iq and Id on the q and d axes. Convert to
  • the ⁇ coordinate conversion unit 350 uses the q-axis voltage command value Vq and the d-axis voltage command value Vd based on the motor rotor angle ⁇ detected by the motor angle detector, that is, the motor rotor phase, to command the actual voltage of the fixed two-phase coordinate component. Convert to values V ⁇ and V ⁇ .
  • the two-phase / three-phase coordinate conversion unit 352 uses the actual voltage command values V ⁇ and V ⁇ output from the ⁇ coordinate conversion unit 350 as the three-phase AC voltage command values Vu for controlling the U phase, V phase, and W phase of the motor. , Vv, Vw.
  • the PWM driver 326 and the three-phase inverter 330 convert the voltage command values Vu, Vv, and Vw output from the two-phase / three-phase coordinate conversion unit 352 as described above to convert the motor drive currents Iu, Iv, and Iw into power. Output.
  • FIG. 4 is a modified example of FIG. 3 and is a control block diagram showing a motor control unit 324A and its peripheral configuration in a motor drive system when sensorless angle detection processing is used for motor drive.
  • FIG. 4 shows a state in which control is performed using the motor rotor angle ⁇ est output from the phase estimator 358.
  • the phase estimator 358 estimates the angle (phase ⁇ ) of the motor rotor.
  • R is the resistance value of the armature winding
  • Ld is the d-axis inductance
  • Lq is the q-axis inductance
  • KE is the induced voltage constant.
  • R, Ld, Lq, and KE are known values
  • I ⁇ and I ⁇ are detected values
  • V ⁇ and V ⁇ are calculated values during vector control, and are known during position estimation. Therefore, the angle (phase) of the motor rotor can be estimated.
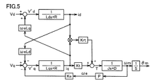
  • FIG. 5 is a block diagram of the motor voltage equation.
  • FIG. 6 is a vector diagram of motor control.
  • the d-axis and the q-axis indicate the magnetic pole directions of the permanent magnet.
  • the electron interlinkage magnetic flux ⁇ a is on the d axis.
  • Ldid and Lqiq are the interlinkage magnetic flux components of each axis, and the total interlinkage magnetic flux of the motor is ⁇ 0 from FIG.
  • the input current ia is a combined current of id and iq.
  • represents the phase angle of the input current ia with respect to the q axis.
  • represents a current phase difference based on the induced voltage ⁇ a at no load.
  • the terminal voltage Va is a voltage obtained by adding a voltage drop Raia to the electric coil winding resistance Ra to V0.
  • V0 is a voltage obtained by adding the electric reaction voltages ⁇ Ldid and ⁇ Lqiq of each axis to the induced voltage ⁇ a.
  • the phase difference between the voltages V0 and ⁇ 0 is 90 degrees.
  • the interlinkage magnetic flux ⁇ a is the field magnetic flux of the permanent magnet, and the magnetic flux of the armature reaction that affects the magnitude of the field magnetic flux is Ldid. Since the d-axis component affects the suction force, controlling id to zero suppresses a change in the suction force.
  • is zero, the current phase of each phase coincides with the induced voltage ⁇ a at no load. In this case, the current vector ia moves on the q axis according to the load state.
  • the suction force can be changed by changing the d-axis component.
  • the d-axis component is dared to control the suction force in the axial direction.
  • FIG. 7 is a front view showing an appearance of the pump unit 1 of the centrifugal pump device according to the embodiment of the present invention.
  • FIG. 8 is a side view of the pump unit 1 shown in FIG. 9 is a cross-sectional view taken along line IX-IX in FIG. 10 is a cross-sectional view taken along line XX of FIG.
  • the pump unit 1 of the centrifugal pump device includes a housing 2 formed of a nonmagnetic material.
  • the housing 2 includes a columnar main body 3, a cylindrical inflow port 4 erected at the center of one end surface of the main body 3, and a cylindrical outflow port 5 provided on the outer peripheral surface of the main body 3. Including.
  • the outflow port 5 extends in the tangential direction of the outer peripheral surface of the main body 3.
  • a pump chamber 7 and motor chambers 8 and 8D partitioned by partition walls 6 and 6D are provided in the housing 2, as shown in FIG. 9, a pump chamber 7 and motor chambers 8 and 8D partitioned by partition walls 6 and 6D are provided. As shown in FIGS. 9 and 10, a disc-like impeller 10 having a through hole 10 a at the center is rotatably provided in the pump chamber 7.
  • the impeller 10 includes two donut plate-shaped shrouds 11 and 12 and a plurality of (for example, six) vanes 13 formed between the two shrouds 11 and 12.
  • the shroud 11 is disposed on the partition wall 6D side where the inflow port 4 is formed, and the shroud 12 is disposed on the partition wall 6 side.
  • the shrouds 11 and 12 and the vane 13 are made of a nonmagnetic material.
  • a plurality of (in this case, six) liquid passages 14 partitioned by a plurality of vanes 13 are formed.
  • the liquid passage 14 communicates with the central through hole 10 a of the impeller 10, and starts from the through hole 10 a of the impeller 10 and extends so that the width gradually increases to the outer peripheral edge.
  • the vane 13 is formed between two adjacent liquid passages 14.
  • the plurality of vanes 13 are provided at equiangular intervals and formed in the same shape. Accordingly, the plurality of liquid passages 14 are provided at equiangular intervals and are formed in the same shape.
  • ⁇ Description of dynamic pressure groove> 11 is a cross-sectional view showing a state where the impeller is removed from FIG. 12 is a cross-sectional view showing a state where the impeller is removed from the cross-sectional view taken along the line XII-XII in FIG.
  • a plurality of dynamic pressure grooves 21 are formed on the surface of the partition wall 6 facing the shroud 12 of the impeller 10, and a plurality of dynamic pressure grooves are formed on the surface of the partition wall 6D facing the shroud 11. 22 is formed.
  • a dynamic pressure bearing effect is generated between each of the dynamic pressure grooves 21 and 22 and the impeller 10.
  • a drag force is generated from each of the dynamic pressure grooves 21 and 22 against the impeller 10, and the impeller 10 rotates in a non-contact state in the pump chamber 7. That is, the position of the impeller 10 in the axial direction is supported by the dynamic pressure groove 21 and the dynamic pressure groove 22.
  • the plurality of dynamic pressure grooves 21 are formed in a size corresponding to the shroud 12 of the impeller 10, as shown in FIG.
  • Each dynamic pressure groove 21 has one end on the periphery (circumference) of a circular portion slightly spaced from the center of the partition wall 6 and has a width up to the vicinity of the outer edge of the partition wall 6 in a spiral shape (in other words, curved). It extends to gradually spread.
  • the plurality of dynamic pressure grooves 21 have substantially the same shape and are arranged at substantially the same interval.
  • the dynamic pressure groove 21 is a recess, and the depth of the dynamic pressure groove 21 is preferably about 0.005 to 0.4 mm.
  • the number of the dynamic pressure grooves 21 is preferably about 6 to 36.
  • ten dynamic pressure grooves 21 are arranged at an equal angle with respect to the central axis of the impeller 10. Since the dynamic pressure groove 21 has a so-called inward spiral groove shape, when the impeller 10 rotates in the clockwise direction, the liquid pressure increases from the outer diameter portion to the inner diameter portion of the dynamic pressure groove 21. For this reason, a repulsive force is generated between the impeller 10 and the partition wall 6, and this becomes a dynamic pressure.
  • the impeller 10 is separated from the partition wall 6 and rotates in a non-contact state. For this reason, a liquid flow path is ensured between the impeller 10 and the partition wall 6. Further, in a normal state, a partial flow between the impeller 10 and the partition wall 6 by the dynamic pressure groove 21 and a liquid flow (leakage flow rate) due to a pressure difference between the inner and outer diameter portions of the impeller generated by the pump operation are partially generated between the two. Generation of liquid stagnation can be prevented.
  • corner portion of the dynamic pressure groove 21 is preferably rounded so as to have an R of at least 0.05 mm.
  • the plurality of dynamic pressure grooves 22 are formed in a size corresponding to the shroud 11 of the impeller 10 as with the plurality of dynamic pressure grooves 21.
  • Each dynamic pressure groove 22 has one end on the periphery (circumference) of a circular portion slightly spaced from the center of the inner wall of the pump chamber 7, and spirally (in other words, curved) on the inner wall of the pump chamber 7. It extends so that the width gradually increases to the vicinity of the outer edge.
  • the plurality of dynamic pressure grooves 22 have substantially the same shape and are arranged at substantially the same interval.
  • the dynamic pressure groove 22 is a recess, and the depth of the dynamic pressure groove 22 is preferably about 0.005 to 0.4 mm.
  • the number of the dynamic pressure grooves 22 is preferably about 6 to 36. In FIG. 12, ten dynamic pressure grooves 22 are arranged at an equal angle with respect to the central axis of the impeller 10.
  • the corners of the dynamic pressure grooves 22 are preferably rounded so as to have an R of at least 0.05 mm.
  • the impeller 10 is separated from the inner wall of the pump chamber 7 and rotates in a non-contact state. Moreover, when the pump part 1 receives an external impact or when the dynamic pressure by the dynamic pressure groove 21 becomes excessive, it is possible to prevent the impeller 10 from closely contacting the inner wall of the pump chamber 7.
  • the dynamic pressure generated by the dynamic pressure groove 21 and the dynamic pressure generated by the dynamic pressure groove 22 may be different.
  • the impeller 10 rotates in a state in which the gap between the shroud 12 of the impeller 10 and the partition wall 6 and the gap between the shroud 11 of the impeller 10 and the partition wall 6D are substantially the same.
  • the dynamic pressure by the dynamic pressure groove on the narrowing side is made larger than the dynamic pressure by the other dynamic pressure groove, To make the dynamic pressure grooves 21 and 22 different in shape.
  • each of the dynamic pressure grooves 21 and 22 has an inward spiral groove shape, but the dynamic pressure grooves 21 and 22 having other shapes may be used.
  • a plurality of (for example, eight) permanent magnets 17 are embedded in the shroud 12.
  • the plurality of permanent magnets 17 are arranged with gaps along the same circle at equal angular intervals so that adjacent magnetic poles are different from each other.
  • the permanent magnet 17 with the N pole facing the motor chamber 8 side and the permanent magnet 17 with the S pole facing the motor chamber 8 side are alternately provided along the same circle with gaps provided at equal angular intervals. Has been placed.
  • FIG. 13 is a cross-sectional view taken along line XIII-XIII in FIG.
  • a plurality of (for example, nine) coils 20 are provided in the motor chamber 8.
  • the plurality of coils 20 are arranged along the same circle at equal angular intervals so as to face the plurality of permanent magnets 17 of the impeller 10 with a partition wall interposed therebetween.
  • coil wiring is wound around a core portion (magnetic body 18) where a magnetic body or the like is disposed.
  • the magnetic body in the coil of FIG. 13 may be a laminated steel plate, a dust core or other magnetic body.
  • the core portion may be an air core.
  • a magnetic body 19 serving as a back yoke is disposed on the opposite side of the partition walls 6 of the plurality of coils 20 to strengthen the magnetic flux of the coils 20.
  • the back yoke may not be provided.
  • the voltage is applied to the nine coils 20 by, for example, a 120-degree energization method. That is, nine coils 20 are grouped by three. U-phase, V-phase, and W-phase three-phase voltages VU, VV, and VW are applied to the first to third coils 20 of each group. A positive voltage is applied to the first coil 20 during a period of 0 to 120 degrees, 0 V is applied during a period of 120 to 180 degrees, a negative voltage is applied during a period of 180 to 300 degrees, and 300 to 360 degrees. 0V is applied during this period.
  • the end face of the first coil 20 (the end face on the impeller 10 side) becomes the N pole during the period of 0 to 120 degrees and becomes the S pole during the period of 180 to 300 degrees.
  • the phase of the voltage VV is 120 degrees behind the voltage VU
  • the phase of the voltage VW is 120 degrees behind the voltage VV. Therefore, by applying the voltages VU, VV, and VW to the first to third coils 20 respectively, a rotating magnetic field can be formed, and the attractive force between the plurality of coils 20 and the plurality of permanent magnets 17 of the impeller 10.
  • the impeller 10 can be rotated by the repulsive force.
  • a plurality of permanent magnets 17 ⁇ / b> D are also provided in the shroud 11, and a motor chamber 8 ⁇ / b> D is also provided on the shroud 11 side in the housing 2.
  • the motor chamber 8D and the pump chamber 7 are partitioned by a partition wall 6D.
  • a plurality of coils 20D are provided in the motor chamber 8D so as to face the plurality of permanent magnets 17D.
  • Each of the plurality of coils 20D is wound around the magnetic body 18D.
  • a magnetic body 19D serving as a back yoke is disposed on the opposite side of the plurality of coils 20D from the partition wall 6D, and the magnetic flux of the coil 20D is strengthened. The back yoke may not be provided.
  • the arrangement of the plurality of permanent magnets 17D and the arrangement of the plurality of coils 20D are basically the same as the arrangement of the permanent magnets 17 and the coils 20 shown in FIGS. 9 and 10, and detailed description thereof will not be repeated.
  • the acting force on the impeller 10 includes an attractive force F1 between the permanent magnet 17D and the magnetic body 18D, an attractive force F2 between the permanent magnet 17 and the magnetic body 18, the dynamic pressure F3 of the dynamic pressure groove 21, and the dynamic pressure groove 22.
  • Dynamic pressure F4 and “the net force F5 acting on the impeller” which is the resultant force of the dynamic pressure F4.
  • the attraction force F1 between the permanent magnet 17D and the magnetic body 18D is set smaller than the attraction force F2 between the permanent magnet 17 and the magnetic body 18, and the floating position of the impeller 10 where the resultant force becomes zero is from the middle of the impeller movable range. Is also on the partition wall 6 side.
  • the shapes of the dynamic pressure grooves 21 and 22 are the same.
  • the floating position of the impeller 10 is largely deviated from the center position of the movable range of the impeller 10 at the position where the net force F5 acting on the impeller 10 becomes zero.
  • the distance between the rotating impeller 10 and the partition wall 6 is narrowed, and the impeller 10 contacts the partition wall 6 even if a small disturbance force acts on the impeller 10.
  • the magnitude of the resultant force of the attractive force F1 between the permanent magnet 17D and the magnetic body 18D and the attractive force F2 between the permanent magnet 17 and the magnetic body 18 is such that the movable force in the pump chamber 7 of the impeller 10 is movable. It is a figure which shows the force which acts on the impeller 10 when it adjusts so that it may become zero in the center position P0 of a range. Also in this case, the rotational speed of the impeller 10 is kept at the rated value.
  • the attractive force F1 between the permanent magnet 17D and the magnetic body 18D and the attractive force F2 between the permanent magnet 17 and the magnetic body 18 are set to be substantially the same. Further, the shapes of the dynamic pressure grooves 21 and 22 are the same. In the case shown in FIG. 15, the support rigidity with respect to the floating position of the impeller 10 is higher than in the case of FIG. 14. Since the net force F5 acting on the impeller 10 is zero at the center of the movable range, the impeller 10 floats at the center position when no disturbance force acts on the impeller 10.
  • the floating position of the impeller 10 includes the attractive force F1 between the permanent magnet 17D and the magnetic body 18D, the attractive force F2 between the permanent magnet 17 and the magnetic body 18, and the dynamic pressure grooves 21 and 22 when the impeller 10 rotates.
  • the impeller 10 can be floated at the substantially central portion of the pump chamber 7 when the impeller 10 rotates.
  • the two surfaces facing the inner wall of the housing 2 can have the same shape and the same size. Therefore, it is possible to provide the dynamic pressure grooves 21 and 22 having substantially the same dynamic pressure performance on both sides of the impeller 10.
  • the impeller 10 floats at the center position of the pump chamber 7, the impeller 10 is held at a position evenly separated from the partition walls 6 and 6D of the pump chamber 7 of the housing 2. As a result, even if a disturbance force is applied to the impeller 10 when the impeller 10 is lifted and the floating position of the impeller 10 is changed, the possibility that the impeller 10 and the inner wall of the housing 2 are in contact with each other is reduced.
  • FIG. 16 is a diagram showing the arrangement of the magnetic sensor S for detecting the rotational speed in the cross-sectional view shown in FIG.
  • FIG. 17 is a time chart showing output signals of the magnetic sensor shown in FIG.
  • three magnetic sensors S are provided between three adjacent four magnetic bodies 18 out of nine magnetic bodies 18.
  • the three magnetic sensors S are arranged to face the passage paths of the plurality of permanent magnets 17 of the impeller 10.
  • the level of the output signal of the magnetic sensor S changes like a sine wave as shown in FIG. To do. Therefore, the positional relationship between the plurality of permanent magnets 17 and the plurality of magnetic bodies 18 can be detected by detecting the time change of the output signal of the magnetic sensor S, and the timing of flowing current through the plurality of coils 20; The rotation speed of the impeller 10 can be obtained.
  • the gap between the impeller 10 and the partition wall 6 when the gap between the impeller 10 and the partition wall 6 is wide, the magnetic field in the vicinity of the magnetic sensor S becomes weak and the amplitude A1 of the output signal of the magnetic sensor S becomes small.
  • the gap between the impeller 10 and the partition wall 6 is narrow, the magnetic field in the vicinity of the magnetic sensor S becomes strong and the amplitude A2 of the output signal of the magnetic sensor S increases.
  • the position of the impeller 10 within the movable range of the impeller 10 in the axial direction can be detected.
  • FIG. 18 is a diagram showing an example of changing the arrangement of the magnetic sensors.
  • nine coils 20 are divided into three groups of three, and three magnetic sensors S are respectively disposed between three of the three groups. Therefore, since the mechanical angle between the three magnetic sensors S is 120 degrees, the floating posture of the rotating impeller 10 can be easily calculated. The timing of flowing current through the nine coils 20 is calculated based on the output signal of any one of the three magnetic sensors S.
  • FIG. 19 is a diagram for explaining control for feeding back the output of the magnetic sensor to the coil current.
  • FIG. 3 is simplified and shown in FIG. 19 along with a sectional view of the pump.
  • the controller 42 includes a position calculator 49, a rotation speed calculator 50, a position determiner 51, a rotation angle estimator 48, motor control circuits 43 and 43D, and power amplifiers 44 and 44D.
  • the rotational speed calculator 50 obtains the rotational speed of the impeller 10 based on the output signals of the three magnetic sensors S, and outputs a signal ⁇ R indicating the rotational speed.
  • the position determiner 51 is based on the signal ⁇ P indicating the position of the impeller 10 generated by the position calculator 49 and the signal ⁇ R indicating the rotation speed of the impeller 10 generated by the rotation speed calculator 50. Is within the normal range, and a signal ⁇ D indicating the determination result is output.
  • the reason why the rotational speed of the impeller 10 is referred to at the time of determination is that the hydrodynamic bearing effect of the dynamic pressure grooves 21 and 22 changes depending on the rotational speed of the impeller 10, the position of the impeller 10 changes, and the impeller 10 is generated depending on the rotational speed. This is because the fluid force to be changed changes.
  • the rotation speed calculator 50 may be removed.
  • the viscosity information of the liquid may be referred to instead of the rotational speed of the impeller 10 or in addition to the rotational speed of the impeller 10. This is because the dynamic pressure bearing effect of the dynamic pressure grooves 21 and 22 changes depending on the viscosity of the liquid, and the position of the impeller 10 changes.
  • the impeller 10 when the impeller 10 is not rotating, the dynamic pressure bearing effect of the dynamic pressure grooves 21 and 22 does not occur, so the attractive force F1 between the permanent magnet 17D and the magnetic body 18D and the permanent magnet
  • the impeller 10 and the inner wall of the housing 2 are in contact with each other by the attractive force F ⁇ b> 2 between the magnetic body 17 and the magnetic body 18. Therefore, the impeller 10 does not rotate at the normal axial position at the start of rotation and at the time of low speed rotation. Therefore, when the signal ⁇ R indicating the rotation speed is not used for position determination, the output signal ⁇ D of the position determination device 51 is forcibly set to a normal position for a certain time from the start of rotation until the rated rotation speed is reached. You may make it the signal which shows that there exists.
  • FIG. 20 is a waveform diagram for explaining the process of estimating the angle from the magnetic sensor output.
  • the rotation angle estimator 48 shown in FIG. 19 includes a multiplication processing unit and uses at least one output signal of the magnetic sensor, for example, with reference to the zero cross position of the magnetic sensor output signal.
  • the rotation synchronization pulse is generated and multiplied to generate a multiplied pulse to estimate the angle of the motor rotor.
  • the axial position of the impeller 10 is estimated from the amplitude of the magnetic sensor output signal, and the attraction force is generated using the motor control circuit 43 or the motor control circuit 43D according to this axial position. adjust.
  • the following three patterns of control can be considered for adjusting the suction force.
  • the first control is to lower the suction force by changing the Id component of only one of the motor control circuits 43 and 43D.
  • the second control is to increase the suction force by changing the Id component of only one of the motor control circuits 43 and 43D.
  • the third control is to lower the suction force by changing one of the Id components of the motor control circuits 43 and 43D and to increase the suction force by changing the other Id component of the motor control circuits 43 and 43D.
  • FIG. 21 is a schematic block diagram for explaining processing when sensorless control is performed by the motor drive unit.
  • FIG. 4 is simplified and shown in FIG. 21 along with a sectional view of the pump.
  • at least one piece of information of rotation speed N, flow rate J, discharge pressure P, and fluid information (physical property value) Y is input to impeller attitude determination unit 70 of controller 42A.
  • the storage unit 71 stores impeller behavior measured in advance under each condition. Based on the information stored in the storage unit 71, the Id component of the motor drive current is controlled so that the impeller is levitated and rotated to a substantially central position.
  • the impeller 10 moves to the outlet (opening 7a) side due to the pressure balance around the impeller due to the asymmetry of the shape having one outlet (opening 7a) in the circumferential direction.
  • the suction force in the axial direction varies depending on the eccentricity of the impeller 10
  • the impeller is displaced in the axial direction.
  • FIG. 22 is a diagram showing the relationship between the flow rate and the flying position during the rotation of the impeller. If such a relationship is examined in advance, the deviation d1 of the flying position can be obtained if the flow rate J1 is known.
  • FIG. 23 is a diagram showing the relationship between the discharge pressure and the flying position during the rotation of the impeller. If such a relationship is examined in advance, the deviation d2 of the flying position can be obtained if the discharge pressure P2 is known. From experience, the influence on the flow rate is larger than the influence on the discharge pressure.
  • FIG. 24 is a diagram showing the relationship between the rotational speed and the flying position. When the rotation is stopped, no dynamic pressure is generated, and the impeller is in contact with one of the partition walls.
  • the impeller when the impeller starts rotating, the impeller floats to the center position due to the balance between the upper and lower dynamic pressure and the magnetic attractive force. Also in this case, the impeller is displaced in the axial direction when the flow rate or the discharge pressure increases due to the increase in the rotational speed. If such a relationship is examined in advance, the deviation d3 of the flying position can be obtained if the rotational speed N3 is known.
  • FIG. 25 is a diagram showing the relationship between the current Id and the attractive force.
  • the Id component when the Id component is zero at low flow rate, the upper and lower force balance is achieved and the impeller floats to the center position. Even in the state where the Id component is zero, the motor drive unit generates a magnetic attractive force.
  • the suction force of the motor driving unit can be changed by increasing or decreasing the Id component.
  • the Id component may be increased or decreased according to the relationship shown in FIG. 25 so that the deviation amount of the impeller flying position is estimated from the relationship shown in FIGS. 22 to 24 and the suction force is changed correspondingly.
  • FIG. 26 is a diagram illustrating a modification example of the configuration illustrated in FIG. 9.
  • 27 is a sectional view taken along line XXVII-XXVII in FIG.
  • teeth 18A and 18B are disposed at the tip of the core (magnetic bodies 18 and 18D).
  • FIG. 26 shows a configuration in which a magnetic body having a larger area is arranged on the side of the stator of FIG. 9 that faces the rotor. As a result, a large area of the rotor facing the permanent magnet can be ensured, so that motor output and motor efficiency can be improved.
  • FIG. 28 and 29 show a further modification (adding a radial dynamic pressure groove).
  • FIG. 28 is a view showing a modification in which a radial dynamic pressure groove is further provided on the outer peripheral surface of the impeller 10.
  • FIG. 29 is a view showing a modification in which a radial dynamic pressure groove is further provided on the peripheral surface of the pump chamber.
  • the disturbance resistance can be further ensured, and the impeller can be stably rotated.
  • forming the dynamic pressure grooves 61 and 62 on the outer peripheral surface of the impeller 10 is more workable than forming the dynamic pressure grooves 161 and 162 on the inner peripheral surface of the pump chamber 7 as shown in FIG. Good.
  • the disturbance resistance can be further ensured similarly to the example shown in FIG. 29, and the impeller can be stably rotated.
  • FIG. 30 is a diagram illustrating a first example of a dynamic pressure groove formed on the outer peripheral surface of the shroud.
  • FIG. 31 is a diagram illustrating a second example of the dynamic pressure grooves formed on the outer peripheral surface of the shroud.
  • the dynamic pressure grooves 61 and 62 are formed on the outer peripheral surfaces of the shrouds 11 and 12, respectively.
  • the tips of the dynamic pressure grooves 61 and 62 are directed in the direction opposite to the rotation direction of the impeller 10.
  • the impeller 10 rotates in the direction of the arrow, the liquid pressure increases toward the tip portions of the dynamic pressure grooves 61 and 62. For this reason, a repulsive force is generated between the impeller 10 and the inner peripheral surface of the pump chamber 7, and this becomes a dynamic pressure.
  • the dynamic pressure grooves 64 and 65 are formed not on the inner peripheral surface side of the pump chamber 7 but on the outer peripheral surfaces of the shrouds 11 and 12, respectively.
  • the depth of each of the dynamic pressure grooves 64 and 65 is gradually shallower in the direction opposite to the rotation direction of the impeller 10.
  • the pressure of the liquid increases toward the tips of the dynamic pressure grooves 64 and 65. For this reason, a repulsive force is generated between the impeller 10 and the inner peripheral surface of the pump chamber 7, and this becomes a dynamic pressure.
  • FIG. 32 is a view showing a first example of a specific configuration of a radial dynamic pressure groove formed on the peripheral surface of the pump chamber.
  • V-shaped dynamic pressure grooves 161 are formed at a predetermined pitch in the rotation direction of the impeller 10 in a region facing the outer peripheral surface of the shroud 11 in the inner peripheral surface of the pump chamber 7.
  • the tip (acute angle portion) of the V-shaped dynamic pressure groove 161 is directed in the rotational direction of the impeller 10.
  • V-shaped dynamic pressure grooves 162 are formed at a predetermined pitch in the rotation direction of the impeller 10 in a region facing the outer peripheral surface of the shroud 12 in the inner peripheral surface of the pump chamber 7.
  • the tip (acute angle portion) of the V-shaped dynamic pressure groove 162 is directed in the rotation direction of the impeller 10.
  • a groove 63 having a predetermined depth is formed in a ring shape in a region of the inner peripheral surface of the pump chamber 7 facing the gap between the shrouds 11 and 12.
  • FIG. 33 is a view showing a second example of the specific configuration of the radial dynamic pressure grooves formed on the peripheral surface of the pump chamber.
  • the dynamic pressure grooves 161 and 162 are replaced with the dynamic pressure grooves 164 and 165, respectively.
  • Each of the dynamic pressure grooves 164 and 165 is formed in a belt shape and extends in the rotation direction of the impeller 10. The depths of the dynamic pressure grooves 164 and 165 gradually become shallower in the rotation direction of the impeller 10.
  • the pressure of the liquid increases toward the tips of the dynamic pressure grooves 164 and 165. For this reason, a repulsive force is generated between the impeller 10 and the inner peripheral surface of the pump chamber 7, and this becomes a dynamic pressure.
  • the centrifugal pump device includes a housing including pump chamber 7 and motor chambers 8 and 8D.
  • the pump chamber 7 is provided between the motor chamber 8 and the motor chamber 8D.
  • the motor chamber 8 and the pump chamber 7 are partitioned by a partition wall 6.
  • the pump chamber 7 and the motor chamber 8D are partitioned by a partition wall 6D.
  • the centrifugal pump device is further provided in the pump chamber 7 so as to be rotatable around the axis intersecting the first and partition walls 6D as a rotation axis, and in the motor chamber 8 for sending liquid by centrifugal force during rotation.
  • a first drive unit 9 (coil 20) that is provided and rotationally drives the impeller 10 via the partition wall 6, and a second drive unit that is provided in the motor chamber 8D and rotationally drives the impeller 10 via the partition wall 6D.
  • 9D coil 20D
  • a permanent magnet 17 provided on one surface of the impeller 10 facing the partition wall 6, and a permanent magnet 17D provided on the other surface of the impeller 10 facing the partition wall 6D.
  • a first dynamic pressure groove (dynamic pressure groove 21) is formed on one surface of the impeller 10 or on the wall surface of the partition wall 6 facing it.
  • a second dynamic pressure groove (dynamic pressure groove 22) is formed on the other surface of the impeller 10 or the wall surface of the partition wall 6D facing the other surface.
  • At least one of the first drive unit 9 and the second drive unit 9D is an attractive force (for example, F2 in FIG. 15) that acts on the corresponding magnetic body of the permanent magnet 17 and the permanent magnet 17D, adjusted by vector control.
  • F2 in FIG. 15
  • the position of the impeller 10 is maintained at the center of the movable range of the impeller 10 in the direction along the rotation axis in the pump chamber 7.
  • the position of the impeller 10 in the axial direction can be adjusted while suppressing the change in the rotational torque of the motor.
  • the first drive unit 9 performs the magnetic flux current Id in the vector control. Increase.
  • the second drive unit 9D increases the magnetic flux current Id in the vector control.
  • the first drive unit 9 and the second drive unit 9D are complementary to each other, for example, the magnetic flux current Id is decreased by the second drive unit 9D. Such control may be performed.
  • the gap between the permanent magnet 17D and the second drive unit 9D is preferable.
  • the first attraction force F1 acting and the second attraction force F2 acting between the permanent magnet 17 and the first drive unit 9 are the center of the movable range of the impeller 10 in the pump chamber 7 (point P0). ) When the impeller 10 is located.
  • the centrifugal pump device further includes a phase estimator 358 for estimating the rotation angle of the impeller 10 for use in vector control.
  • the centrifugal pump device uses the fluid force acting on the impeller 10 as the fluid information Y such as the rotation speed N, the flow rate J, the discharge pressure P, and the physical property value of the fluid.
  • a storage unit 71 that stores a result measured in advance using at least one of them as a parameter, and a drive control unit that controls the second suction force according to a value stored in the storage unit 71 (Id component command generation) Part 74).
  • the centrifugal pump device further includes a rotation detector for detecting the rotation angle of the impeller 10 for use in vector control.
  • the rotation detector is a magnetic sensor S, and the flying position of the impeller 10 is detected by the magnetic sensor.
  • dynamic pressure grooves 61 and 62 or dynamic pressure grooves 64 and 65 are formed on the outer peripheral side surface of the impeller 10.
  • the dynamic pressure grooves 161, 162 or the dynamic pressure grooves 164 are provided on the wall surface of the pump chamber 7 that faces the side surface on the outer peripheral side of the impeller 10. , 165 are formed.
  • FIG. 36 is a diagram illustrating a first example of a specific configuration of the permanent magnet arrangement.
  • a plurality (for example, eight) of permanent magnets 17 are embedded in shroud 12.
  • the plurality of permanent magnets 17 are arranged with gaps along the same circle at equal angular intervals so that adjacent magnetic poles are different from each other.
  • the permanent magnet 17 with the N pole facing the motor chamber 8 side and the permanent magnet 17 with the S pole facing the motor chamber 8 side are alternately provided along the same circle with gaps provided at equal angular intervals. Has been placed.
  • the impeller 10 is provided with a plurality of permanent magnets 17 and a plurality of permanent magnets 67.
  • the number of permanent magnets 67 is the same as the number of permanent magnets 17.
  • the permanent magnet 67 is magnetized in the circumferential direction (the rotation direction of the impeller 10).
  • the plurality of permanent magnets 17 and the plurality of permanent magnets 67 are alternately arranged one by one at equal angular intervals along the same circle in a Halbach array structure. In other words, the permanent magnet 17 with the N pole facing the partition wall 6 side and the permanent magnet 17 with the S pole facing the partition wall 6 side are alternately arranged along the same circle with gaps provided at equal angular intervals. Yes.
  • each permanent magnet 67 is arranged toward the permanent magnet 17 with the N pole facing the partition 6 side, and the S pole of each permanent magnet 67 is arranged toward the permanent magnet 17 with the S pole facing the partition 6 side. Is done.
  • the shapes of the plurality of permanent magnets 17 are the same, and the shapes of the plurality of permanent magnets 67 are the same.
  • the shape of the permanent magnet 17 and the shape of the permanent magnet 67 may be the same or different.
  • the attractive force between the permanent magnet 17 and the coil 20 can be suppressed, and the magnetic flux that causes the torque can be strengthened, so that the permanent magnet can be most miniaturized. That is, the impeller 10 can be most lightweight and energy efficiency can be increased even when the motor gap is wide.
  • the rotor (the shroud 12 of the impeller 10) includes a permanent magnet 17A magnetized in the rotation axis direction, a permanent magnet 67A magnetized in the circumferential direction, and a magnetic body 70A. It is out.
  • the permanent magnet 17A is arranged so that the magnetic poles of adjacent magnets have different orientations, and the permanent magnet 67A is arranged so that the same magnetic pole as the permanent magnet 17A approaches the end face of the permanent magnet 17A on the partition wall 6 side.
  • the number of permanent magnets 17A and the number of permanent magnets 67A is the same.
  • the magnetizing direction length of the permanent magnet 67A is shorter than the width of the permanent magnet 17A, and if the center of the magnetizing direction length of the permanent magnet 67A is made coincident with the boundary between adjacent magnets of the permanent magnet 17A, a gap is formed in the circumferential direction.
  • the magnetic body 70A is disposed in the gap. In this case, the magnetic flux is focused on the magnetic body 70A, and a stronger field magnetic flux can be obtained and the torque can be increased compared to the case where there is no magnetic body or the configuration of the normal Halbach arrangement (FIG. 37). Furthermore, in the arrangement of FIG. 38, it is possible to suppress a decrease in the permeance coefficient of the permanent magnets 17A and 67A.
  • a magnetic body 72 is disposed on the end surface of the permanent magnet 17A opposite to the partition wall 6. Magnetic flux can be further strengthened by the effect of the magnetic body 72.
  • FIG. 40 shows another magnet arrangement.
  • the rotor is composed of a permanent magnet 17B magnetized in the rotation axis direction, a permanent magnet 67B magnetized in the circumferential direction, and a magnetic body 70B.
  • the permanent magnet 17B is arranged with a gap in the direction of the magnetic poles of adjacent magnets, and the permanent magnet 67B is arranged in the gap on the partition 6 side.
  • the permeance coefficient can be made larger than that in FIG.
  • the number of permanent magnets 17B and the number of permanent magnets 67B is the same.
  • the permanent magnet 67B is magnetized in the circumferential direction (rotation direction of the rotor).
  • the plurality of permanent magnets 17B and the plurality of permanent magnets 67B are alternately arranged in a Halbach array structure along the same circle at equal angular intervals one by one.
  • the permanent magnet 17B with the N pole facing the partition wall 6 and the permanent magnet 17B with the S pole facing the partition wall 6 are alternately arranged along the same circle with gaps provided at equal angular intervals.
  • the N pole of each permanent magnet 67B is disposed toward the permanent magnet 17B with the N pole directed toward the partition wall 6, and the S pole of each permanent magnet 67B is disposed toward the permanent magnet 17B with the S pole directed toward the partition wall 6. Is done.
  • the shapes of the plurality of permanent magnets 17B are the same, and the shapes of the plurality of permanent magnets 67B are the same.
  • the axial length of the permanent magnet 17B is shorter than the width of the permanent magnet 67B.
  • the magnetic body 72 is disposed on the end surface of the permanent magnet 17B opposite to the partition wall 6 in the configuration of FIG. Magnetic flux can be further strengthened by the effect of the magnetic body 72.
  • the plurality of permanent magnets 17 embedded in the shroud 12 may be arranged without providing gaps along the same circle at equal angular intervals so that adjacent magnetic poles are different from each other.
  • the two driving units 9 and 9D are arranged so as to sandwich the impeller, a larger rotational torque can be generated as compared with the one having only one driving unit. Further, by making the first drive unit 9 and the second drive unit 9D and the magnetic bodies (permanent magnets) facing each other the same, it is easy to adjust the balance of the magnetic attractive force.
  • centrifugal pump device of the above embodiment may be used for circulating food.
  • the centrifugal pump apparatus of the said embodiment may be used in order to circulate a pharmaceutical.

Landscapes

  • Engineering & Computer Science (AREA)
  • Mechanical Engineering (AREA)
  • General Engineering & Computer Science (AREA)
  • Health & Medical Sciences (AREA)
  • Fluid Mechanics (AREA)
  • Physics & Mathematics (AREA)
  • Heart & Thoracic Surgery (AREA)
  • Cardiology (AREA)
  • Power Engineering (AREA)
  • Anesthesiology (AREA)
  • Biomedical Technology (AREA)
  • Hematology (AREA)
  • Life Sciences & Earth Sciences (AREA)
  • Animal Behavior & Ethology (AREA)
  • General Health & Medical Sciences (AREA)
  • Public Health (AREA)
  • Veterinary Medicine (AREA)
  • Structures Of Non-Positive Displacement Pumps (AREA)
  • Control Of Non-Positive-Displacement Pumps (AREA)
PCT/JP2016/056567 2015-03-30 2016-03-03 遠心式ポンプ装置 Ceased WO2016158186A1 (ja)

Applications Claiming Priority (2)

Application Number Priority Date Filing Date Title
JP2015069407A JP6698278B2 (ja) 2015-03-30 2015-03-30 遠心式ポンプ装置
JP2015-069407 2015-03-30

Publications (1)

Publication Number Publication Date
WO2016158186A1 true WO2016158186A1 (ja) 2016-10-06

Family

ID=57005698

Family Applications (1)

Application Number Title Priority Date Filing Date
PCT/JP2016/056567 Ceased WO2016158186A1 (ja) 2015-03-30 2016-03-03 遠心式ポンプ装置

Country Status (2)

Country Link
JP (1) JP6698278B2 (enExample)
WO (1) WO2016158186A1 (enExample)

Cited By (2)

* Cited by examiner, † Cited by third party
Publication number Priority date Publication date Assignee Title
CN111298221A (zh) * 2018-12-12 2020-06-19 深圳核心医疗科技有限公司 心室辅助装置
EP4512459A4 (en) * 2022-05-23 2025-04-16 RocketHeart Technology Co. Ltd MAGNETIC LEVELLING CENTRIFUGAL PUMP

Citations (3)

* Cited by examiner, † Cited by third party
Publication number Priority date Publication date Assignee Title
WO2010101107A1 (ja) * 2009-03-06 2010-09-10 Ntn株式会社 遠心式ポンプ装置
JP2012062790A (ja) * 2010-09-14 2012-03-29 Ntn Corp 遠心式ポンプ装置
US20140241904A1 (en) * 2013-02-27 2014-08-28 Thoratec Corporation Startup sequence for centrifugal pump with levitated impeller

Family Cites Families (3)

* Cited by examiner, † Cited by third party
Publication number Priority date Publication date Assignee Title
US5575630A (en) * 1995-08-08 1996-11-19 Kyocera Corporation Blood pump having magnetic attraction
JP3808811B2 (ja) * 2002-08-06 2006-08-16 独立行政法人科学技術振興機構 アキシャル磁気浮上回転モータおよびこれを用いた回転機器
JP5590520B2 (ja) * 2009-06-01 2014-09-17 国立大学法人茨城大学 アキシャル型磁気浮上モータおよびアキシャル型磁気浮上モータを備えたアキシャル型磁気浮上遠心ポンプ

Patent Citations (3)

* Cited by examiner, † Cited by third party
Publication number Priority date Publication date Assignee Title
WO2010101107A1 (ja) * 2009-03-06 2010-09-10 Ntn株式会社 遠心式ポンプ装置
JP2012062790A (ja) * 2010-09-14 2012-03-29 Ntn Corp 遠心式ポンプ装置
US20140241904A1 (en) * 2013-02-27 2014-08-28 Thoratec Corporation Startup sequence for centrifugal pump with levitated impeller

Cited By (6)

* Cited by examiner, † Cited by third party
Publication number Priority date Publication date Assignee Title
CN111298221A (zh) * 2018-12-12 2020-06-19 深圳核心医疗科技有限公司 心室辅助装置
JP2021510319A (ja) * 2018-12-12 2021-04-22 シェンジェン コア メディカル テクノロジー カンパニー リミテッドShenzhen Core Medical Technology Co.,Ltd. 心室補助装置
JP7066225B2 (ja) 2018-12-12 2022-05-13 シェンジェン コア メディカル テクノロジー カンパニー リミテッド 心室補助装置
US12458790B2 (en) 2018-12-12 2025-11-04 Shenzhen Core Medical Technology CO. Ltd. Ventricular assist device
EP4512459A4 (en) * 2022-05-23 2025-04-16 RocketHeart Technology Co. Ltd MAGNETIC LEVELLING CENTRIFUGAL PUMP
JP2025516497A (ja) * 2022-05-23 2025-05-30 航天泰心科技有限公司 磁気浮上型遠心ポンプ

Also Published As

Publication number Publication date
JP2016188618A (ja) 2016-11-04
JP6698278B2 (ja) 2020-05-27

Similar Documents

Publication Publication Date Title
JP5347171B2 (ja) 遠心式ポンプ装置
JP5656835B2 (ja) 回転駆動装置およびそれを用いた遠心式ポンプ装置
JP5577506B2 (ja) 遠心式ポンプ装置
JP5378010B2 (ja) 遠心式ポンプ装置
CN102341600B (zh) 离心式泵装置
JP5443197B2 (ja) 遠心式ポンプ装置
JP6083929B2 (ja) 遠心式ポンプ装置
WO2010067682A1 (ja) 遠心式ポンプ装置
JP5577503B2 (ja) 遠心式ポンプ装置
WO2012008297A1 (ja) 遠心式ポンプ装置
JP5378012B2 (ja) 遠心式ポンプ装置
WO2016158173A1 (ja) 遠心式ポンプ装置
JP6698278B2 (ja) 遠心式ポンプ装置
JP6628388B2 (ja) ベアリングレスモータ
WO2016158185A1 (ja) 遠心式ポンプ装置
JP5693812B2 (ja) 遠心式ポンプ装置
JP5978924B2 (ja) モータ駆動装置および真空ポンプ
JP5378060B2 (ja) 遠心式ポンプ装置
JP6452518B2 (ja) 遠心式ポンプ装置
JP2016188593A (ja) 遠心式ポンプ装置
JP2016188591A (ja) 遠心式ポンプ装置
CN113785128A (zh) 磁悬浮式泵
JP2010131303A (ja) 遠心式ポンプ装置
WO2016158172A1 (ja) 遠心式ポンプ装置

Legal Events

Date Code Title Description
121 Ep: the epo has been informed by wipo that ep was designated in this application

Ref document number: 16772070

Country of ref document: EP

Kind code of ref document: A1

NENP Non-entry into the national phase

Ref country code: DE

122 Ep: pct application non-entry in european phase

Ref document number: 16772070

Country of ref document: EP

Kind code of ref document: A1