WO2016098751A1 - 電流センサおよび測定装置 - Google Patents

電流センサおよび測定装置 Download PDF

Info

Publication number
WO2016098751A1
WO2016098751A1 PCT/JP2015/084998 JP2015084998W WO2016098751A1 WO 2016098751 A1 WO2016098751 A1 WO 2016098751A1 JP 2015084998 W JP2015084998 W JP 2015084998W WO 2016098751 A1 WO2016098751 A1 WO 2016098751A1
Authority
WO
WIPO (PCT)
Prior art keywords
current
filter
coil
impedance
current sensor
Prior art date
Legal status (The legal status is an assumption and is not a legal conclusion. Google has not performed a legal analysis and makes no representation as to the accuracy of the status listed.)
Ceased
Application number
PCT/JP2015/084998
Other languages
English (en)
French (fr)
Japanese (ja)
Inventor
正幸 原野
Current Assignee (The listed assignees may be inaccurate. Google has not performed a legal analysis and makes no representation or warranty as to the accuracy of the list.)
Hioki EE Corp
Original Assignee
Hioki Denki KK
Hioki EE Corp
Priority date (The priority date is an assumption and is not a legal conclusion. Google has not performed a legal analysis and makes no representation as to the accuracy of the date listed.)
Filing date
Publication date
Application filed by Hioki Denki KK, Hioki EE Corp filed Critical Hioki Denki KK
Priority to CN201580066379.9A priority Critical patent/CN107003340B/zh
Priority to DE112015005689.0T priority patent/DE112015005689T5/de
Priority to US15/531,162 priority patent/US10168361B2/en
Publication of WO2016098751A1 publication Critical patent/WO2016098751A1/ja
Anticipated expiration legal-status Critical
Ceased legal-status Critical Current

Links

Images

Classifications

    • GPHYSICS
    • G01MEASURING; TESTING
    • G01RMEASURING ELECTRIC VARIABLES; MEASURING MAGNETIC VARIABLES
    • G01R15/00Details of measuring arrangements of the types provided for in groups G01R17/00 - G01R29/00, G01R33/00 - G01R33/26 or G01R35/00
    • G01R15/14Adaptations providing voltage or current isolation, e.g. for high-voltage or high-current networks
    • G01R15/18Adaptations providing voltage or current isolation, e.g. for high-voltage or high-current networks using inductive devices, e.g. transformers
    • GPHYSICS
    • G01MEASURING; TESTING
    • G01RMEASURING ELECTRIC VARIABLES; MEASURING MAGNETIC VARIABLES
    • G01R15/00Details of measuring arrangements of the types provided for in groups G01R17/00 - G01R29/00, G01R33/00 - G01R33/26 or G01R35/00
    • G01R15/14Adaptations providing voltage or current isolation, e.g. for high-voltage or high-current networks
    • G01R15/18Adaptations providing voltage or current isolation, e.g. for high-voltage or high-current networks using inductive devices, e.g. transformers
    • G01R15/183Adaptations providing voltage or current isolation, e.g. for high-voltage or high-current networks using inductive devices, e.g. transformers using transformers with a magnetic core
    • GPHYSICS
    • G01MEASURING; TESTING
    • G01RMEASURING ELECTRIC VARIABLES; MEASURING MAGNETIC VARIABLES
    • G01R15/00Details of measuring arrangements of the types provided for in groups G01R17/00 - G01R29/00, G01R33/00 - G01R33/26 or G01R35/00
    • G01R15/14Adaptations providing voltage or current isolation, e.g. for high-voltage or high-current networks
    • G01R15/20Adaptations providing voltage or current isolation, e.g. for high-voltage or high-current networks using galvano-magnetic devices, e.g. Hall-effect devices, i.e. measuring a magnetic field via the interaction between a current and a magnetic field, e.g. magneto resistive or Hall effect devices
    • GPHYSICS
    • G01MEASURING; TESTING
    • G01RMEASURING ELECTRIC VARIABLES; MEASURING MAGNETIC VARIABLES
    • G01R19/00Arrangements for measuring currents or voltages or for indicating presence or sign thereof
    • G01R19/0092Arrangements for measuring currents or voltages or for indicating presence or sign thereof measuring current only
    • GPHYSICS
    • G01MEASURING; TESTING
    • G01RMEASURING ELECTRIC VARIABLES; MEASURING MAGNETIC VARIABLES
    • G01R15/00Details of measuring arrangements of the types provided for in groups G01R17/00 - G01R29/00, G01R33/00 - G01R33/26 or G01R35/00
    • G01R15/14Adaptations providing voltage or current isolation, e.g. for high-voltage or high-current networks
    • G01R15/146Measuring arrangements for current not covered by other subgroups of G01R15/14, e.g. using current dividers, shunts, or measuring a voltage drop

Definitions

  • the present invention relates to a current sensor that has a coil wound around a magnetic core and detects a current to be measured that flows through a measurement target inserted into the magnetic core, and a measuring apparatus including the current sensor. is there.
  • This type of current sensor includes an annular coil, a printed circuit board on which a chip-type noise filter and a voltage dividing chip resistor are mounted, a nonmagnetic shield case such as aluminum that houses the annular coil and the printed circuit board inside, and a non-resin such as resin.
  • a magnetic and insulating outer case is known.
  • the printed circuit board has an input side conductor pattern, a relay conductor pattern, an output side conductor pattern, and a ground conductor pattern on one side.
  • the chip type noise filter is a T-type filter composed of two inductors and one capacitor. Both ends of the series circuit of each inductor are connected to the input side conductor pattern and the relay conductor pattern, and both ends of the capacitor are each It is connected to the connection point between the inductors and the ground conductor pattern.
  • a 47 ⁇ chip resistor (a resistor that forms part of the voltage dividing resistor) is mounted on the printed circuit board so as to connect between the relay conductor pattern and the output conductor pattern, and connects the relay conductor pattern and the ground conductor pattern.
  • each of these three chip resistors has a resistance value of 12 ⁇ , and by connecting these three in parallel, a resistor of 4 ⁇ is formed as a whole.
  • one lead line derived from the detection winding of the annular coil is connected to the input side conductor pattern, and the other lead line is connected to the ground conductor pattern.
  • the output-side conductor pattern is connected to the core wire on one end side of the coaxial cable via a lead wire, and the ground conductor pattern is connected to the ground wire on one end side of the coaxial cable via another lead wire.
  • the detection line of the annular coil that works as the secondary winding is formed by passing the detection line through the annular coil and using this as the primary winding of the current transformer.
  • a current proportional to the current of the detected line is induced.
  • the induced current is converted into a voltage by three chip resistors connected in parallel that constitute a 4 ⁇ resistor as a whole after high frequency noise is removed by a chip type noise filter.
  • the converted voltage is output to the core wire of the coaxial cable via a 47 ⁇ chip resistor.
  • the three chip resistors constituting the 4 ⁇ resistor and the 47 ⁇ chip resistor function as a nearly 50 ⁇ resistor as a whole, and the noise filter side is viewed from the input end side of the coaxial cable as the transmission line.
  • the current sensor described above has the following problems to be solved. That is, in this current sensor, the current induced in the detection winding (specifically, the current output from the noise filter) is reduced by a resistance having a small resistance value of 4 ⁇ (resistance that becomes a heavy load on the detection winding). A configuration for converting to voltage is adopted. Moreover, in order to prevent reflection, a measuring instrument that measures high-frequency transmission characteristics is generally configured to terminate the other end of the coaxial cable with a termination resistor having the same resistance value as the characteristic impedance of the coaxial cable.
  • this current sensor is configured to output the signal to the measuring instrument in a state where the signal is divided by the above-mentioned 47 ⁇ chip resistance of the current sensor and the terminating resistance of the measuring instrument. Therefore, this current sensor has a problem that the amplitude (level) of the output signal is greatly attenuated due to these configurations.
  • the present invention has been made in order to improve such a problem, and it is a main object of the present invention to provide a current sensor and a measuring apparatus that can output a signal through a transmission line with little attenuation while removing high-frequency noise.
  • the current sensor according to claim 1 includes a magnetic core into which a measurement target is inserted, a magnetic core wound around the magnetic core and connected at one end to a reference potential side, and connected to the magnetic core.
  • a constant impedance filter for limiting the frequency region of the detected current to a desired frequency region and outputting the output from an output terminal; a predetermined characteristic impedance; and one end connected directly to the output terminal of the constant impedance filter
  • the detection current that is connected between the transmission line, the other end of the transmission line, and the reference potential and that flows through the transmission line is converted into a detection voltage.
  • a end resistance, the constant impedance filter, impedance viewed the terminating resistor side from the input terminal is defined in the same value as the characteristic impedance.
  • a measuring apparatus comprising: the current sensor according to the first aspect; and a measuring unit that measures the current value of the current under measurement based on the detected voltage converted by the current sensor. Yes.
  • an input terminal of the constant impedance filter is connected to the other end of the coil, and an output terminal of the filter is directly connected to one end of the transmission line, and
  • the impedance when the terminal resistance side is viewed from the input terminal is defined to be the same value as the characteristic impedance of the transmission line.
  • an LC filter low-pass filter
  • a noise filter When an LC filter (low-pass filter) is used as a noise filter so as not to attenuate the amplitude of the output signal, it is close to the cutoff frequency in the frequency characteristic of the LC filter due to resonance caused by the parasitic capacitance of the coil and the inductor constituting the LC filter.
  • An unfavorable peak (a peak as shown by a broken line in FIG. 4) occurs.
  • the impedance seen from the input terminal of the constant impedance filter as viewed from the terminal resistance side is seen as a resistance component by using a constant impedance filter as a noise filter.
  • the above-mentioned peak can be made difficult to occur, and the detection current is configured while removing the noise component (high-frequency noise) contained in the detection current from the detection current with this filter.
  • the frequency component (detection current, that is, the fundamental frequency component of the current to be measured) is transmitted to the termination resistor through the transmission line with almost constant amplitude with almost no attenuation, and is converted to the detection voltage by the termination resistor. Can do.
  • the detection voltage can be output to the measuring unit with a good S / N ratio, and therefore the current value of the current to be measured is measured with high accuracy in the measuring unit. be able to.
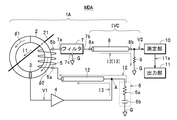
  • FIG. MD It is each block diagram of measuring apparatus MD which has the current sensor 1 and the current sensor 1.
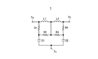
  • FIG. It is a circuit diagram of a one-stage constant impedance filter. It is a circuit diagram of a two-stage constant impedance filter.
  • FIG. 3 is a frequency characteristic diagram showing a frequency characteristic for the amplitude of a detection voltage V2 when the one-stage constant impedance filter shown in FIG.
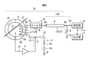
  • MDA It is each block diagram of other measuring apparatus MDA which has current sensor 1A and current sensor 1A. It is another block diagram of measuring apparatus MDA of FIG.
  • the current sensor 1 includes, as an example, a magnetic core 2, a coil 5, a filter 7, and a current-voltage conversion unit IVC, and is configured as a CT (current transformer) type current sensor.
  • a current to be measured I1 which is an alternating current flowing in the measurement electric circuit 21 as a measurement object inserted through the is detected.
  • the magnetic core 2 has an annular shape as a whole, and is formed in a split type that can be opened and closed with a base end (lower end in FIG. 1) as a center, and can clamp the measurement circuit 21 in a live state. (The measurement electric circuit 21 can be inserted inside).
  • the measurement electric circuit 21 can be inserted inside.
  • the magnetic core 2 it is not limited to a split type, It can also be a penetration type (non-split type).
  • the coil 5 is formed by winding a wire around the magnetic core 2.
  • One end 5a of the coil 5 is connected to the reference potential (ground G) side.
  • one end 5a of the coil 5 is directly connected to a reference potential.
  • the impedance a resistance having a low resistance value of several tens of ⁇ or less
  • a capacitor an impedance of several tens in the frequency band of the current I1 to be measured.
  • a configuration in which the capacitor is connected to a reference potential via a capacitor having a capacitance value of ⁇ or less) may be employed.
  • the filter 7 is composed of a constant impedance filter as a low-pass filter (low-pass filter). Further, the filter 7 has its input terminal 7a directly connected to the other end 5b of the coil 5, and its output terminal 7b directly connected to one end 8a of a transmission path 8 to be described later constituting the current-voltage converter IVC. In addition, when the ground terminal 7c is directly connected to the ground G and the coil 5 functions as CT as will be described later, a current I2 (the number of turns of the coil 5) output from the other end 5b of the coil 5 is detected.
  • a current I2 the number of turns of the coil 5
  • the filter 7 limits the frequency region of the current I2 to a desired frequency region (frequency region below the cut-off frequency). Therefore, the cutoff frequency of the filter 7 is defined in advance as a frequency slightly higher than the upper limit frequency of the current I1 to be measured to be detected as a measurement target (that is, the upper limit frequency of the current I2). Further, the filter 7 outputs the current I2 composed of the frequency component lower than the cutoff frequency with almost no attenuation of the amplitude.
  • the impedance of the input terminal 7a viewed from the side of the termination resistor 9 described later is the same as the characteristic impedance of the transmission line 8 (the input impedance of the current-voltage converter IVC).
  • the constants of the respective electronic components that constitute the filter 7 are defined in advance so as to have a value (for example, when the characteristic impedance is 50 ⁇ , the same 50 ⁇ ).
  • the filter 7 can be constituted by a single-stage constant impedance filter shown in FIG. 2, or a multistage having a steeper cut-off characteristic, formed by connecting a plurality of single-stage constant impedance filters in series.
  • a constant impedance filter (for example, the constant impedance filter shown in FIG. 3 is a two-stage constant impedance filter configured by connecting two one-stage constant impedance filters in series) may be used.
  • the current-voltage conversion unit IVC includes a transmission line 8 and a termination resistor 9 as an example in this example.
  • the transmission line 8 has a characteristic impedance defined to a predetermined value, and one end 8 a is connected to the output terminal 7 b of the filter 7.
  • the transmission line 8 is configured by a coaxial cable having a shield (not shown) connected to the ground G, so that the characteristic impedance is defined as 50 ⁇ or 75 ⁇ (50 ⁇ in this example).
  • the transmission line 8 is not limited to a coaxial cable, and may be configured by various transmission lines such as a twisted pair cable, for example, as long as the characteristic impedance is defined by a predetermined characteristic impedance. Of course, it can also be done.
  • the terminating resistor 9 is constituted by a resistor connected between the other end 8b of the transmission line 8 and the ground G or an input resistor of a measuring instrument such as an oscilloscope. With this configuration, the termination resistor 9 converts a current (current I2 described later) flowing through the coil 5 into a detection voltage V2 and outputs the detection voltage V2.
  • the measuring device MD includes a current sensor 1, a measuring unit 10, and an output unit 11. Based on the detection voltage V 2 converted by the current sensor 1, the measuring device MD flows through a measuring circuit 21 as a measuring object inserted through the magnetic core 2.
  • the measurement current I1 can be measured.
  • the measurement unit 10 includes an A / D conversion unit and a CPU (both not shown), and the A / D conversion unit converts the detected voltage V2 converted by the current sensor 1 into a digital value. Based on this digital value, the current value I1a of the measured current I1 is measured (calculated). Further, the measurement unit 10 outputs the measured current value I1a to the output unit 11.
  • the output unit 11 is configured by a display device such as an LCD as an example, and displays the current value I1a output from the measurement unit 10 on the screen.
  • the output unit 11 is not limited to the display device, and may be configured by, for example, an external interface circuit.
  • the measuring device MD outputs a current value I1a to another external device connected to the external interface circuit via a transmission path (wired transmission path or wireless transmission path), or is connected to the external interface circuit.
  • the current value I1a can be stored in the external storage device.
  • the coil 5 as a CT detects the current I 1 to be measured flowing through the measurement circuit 21, and the amplitude (current value) changes according to the amplitude (current value) of the current I 1 to be measured.
  • a current I2 (current at which the current value becomes I1 / N when the number of turns of the coil 5 is N and the current value of the current I1 to be measured is represented by the symbol “I1”) is output to the filter 7 as a detection current.
  • the current I2 flows in a current path that reaches the ground G via the ground G, one end 5a of the coil 5, the coil 5, the other end 5b of the coil 5, the filter 7, the transmission path 8, and the termination resistor 9.
  • the filter 7 is composed of a constant impedance filter, the frequency component constituting the current I2 (basic frequency component that is less than the cutoff frequency of the filter 7) is transmitted to the transmission line 8 with almost no attenuation of its amplitude. Output.
  • the filter 7 sufficiently attenuates and transmits the noise component (frequency component higher than the cutoff frequency of the filter 7) included in the current I2 compared to the above-described frequency component constituting the current I2. Output to path 8.
  • the impedance when the termination resistor 9 side is viewed from the input terminal 7a of the filter 7 is seen as a resistance component (50 ⁇ ).
  • the frequency of the filter 7 is caused by resonance caused by the parasitic capacitance of the coil 5 and the inductor constituting the LC filter.
  • the filter 7 composed of the constant impedance filter, as described above, has a frequency component less than the cut-off frequency fc of the filter 7 with a substantially constant amplitude in the transmission line 8 with almost no attenuation. While outputting, it is possible to reliably attenuate and output the frequency component equal to or higher than the cutoff frequency fc (see FIG. 4).
  • the measuring unit 10 measures the current value I1a of the current I1 to be measured based on the detection voltage V2 output from the current sensor 1 in this way, and outputs the current value I1a to the output unit 11. However, this current value I1a is displayed on the screen.
  • the input terminal 7a of the filter 7 formed of a constant impedance filter is connected to the other end 5b of the coil 5, and the filter 7 is connected to the one end 8a of the transmission line 8.
  • the output terminal 7b is directly connected, and the filter 7 is composed of a constant impedance filter (a constant impedance filter whose output impedance is defined to be the same value (50 ⁇ ) as the characteristic impedance of the transmission line 8 in a frequency band higher than the cutoff frequency). ing.
  • the current sensor 1 and the measuring device MD by using a constant impedance filter as the filter 7, since the impedance viewed from the input terminal 7a of the filter 7 as viewed from the termination resistor 9 side is seen as a resistance component, the coil 5 Since the above-mentioned peak due to the parasitic capacitance can be made difficult to occur, the current I2 output from the coil 5 is removed from the current I2 while the noise component (high-frequency noise) included in the current I2 is reliably removed by the filter 7. Is transmitted to the termination resistor 9 via the transmission line 8 with almost constant amplitude without being attenuated (current I2, that is, the fundamental frequency component of the current I1 to be measured). It can be converted into a detection voltage V2. Thus, according to the current sensor 1 and the measuring device MD, the detection voltage V2 can be output to the measuring unit 10 with a good S / N ratio. Therefore, the current value of the measured current I1 in the measuring unit 10 I1a can be measured with high accuracy.
  • the frequency characteristic diagram about the amplitude of the detection voltage V2 when the filter 7 is configured by the one-stage constant impedance filter shown in FIG. 2 is calculated by simulation and shown in FIG. From this frequency characteristic diagram, the current sensor 1 converts the frequency component less than the cut-off frequency fc constituting the current I2 into the detection voltage V2 without being attenuated and outputs the noise component (N2) included in the current I2 It can be confirmed that a frequency component equal to or higher than the cut-off frequency fc (such as high-frequency noise) is sufficiently attenuated and converted into the detection voltage V2 and output.
  • the cut-off frequency fc such as high-frequency noise
  • the current sensor 1 is configured as a CT (current transformer) type current sensor.
  • the magnetoelectric conversion output unit 3 such as a Hall element
  • a capacitive load 6 in this example, a load constituted by a series circuit of a resistor 6a (about 50 ⁇ ) and a capacitor 6b
  • a current sensor 1A of a zero flux type magnetic balance type.
  • symbol is attached
  • the magnetoelectric conversion output unit 3 and the voltage / current conversion amplification unit 4 mainly operate so that the current I3 (coil 5) becomes zero so that the magnetic flux in the magnetic core 2 becomes zero.
  • N is the number of turns and the current value of the current I1 to be measured is represented by the symbol “I1”
  • the current having a current value of I1 / N is supplied to the coil 5. It is converted into a detection voltage V2.
  • the capacitive load 6 is maintained at a high impedance, the current I3 is prevented from leaking to the ground G through the capacitive load 6.
  • the coil 5 operates as a CT as described above instead of the magnetoelectric conversion output unit 3 and the voltage / current conversion amplification unit 4.
  • Current I2 is output.
  • the capacitive load 6 is maintained at substantially the same value (low resistance value) as the resistance value of the resistor 6a, the current I2 flows through the capacitive load 6.
  • the frequency component included in the current I1 to be measured is increased from a low frequency component close to DC to a high frequency while exhibiting the same effect as the measuring apparatus MD described above. It can be measured over frequency components.
  • a current I2 including a signal component in a high frequency region flows through the transmission path between the one end 5a of the coil 5 and the capacitive load 6 in the measuring apparatus MDA.
  • the transmission line 12 between the one end 5 a of the coil 5 and the capacitive load 6 is also coaxial with a constant characteristic impedance determined in the same manner as the transmission line 8.
  • a cable (a coaxial cable in which a shield (not shown) is connected to the ground G), a twisted pair cable, or the like can be used.
  • the present invention is a current having a constant impedance filter that limits a frequency region of a detection current output from a coil wound around a magnetic core through which a measurement object is inserted to a desired frequency region and outputs the detected current from an output terminal to a transmission line.
  • the present invention can be widely applied to a sensor and a measuring device including this current sensor.

Landscapes

  • Physics & Mathematics (AREA)
  • General Physics & Mathematics (AREA)
  • Engineering & Computer Science (AREA)
  • Power Engineering (AREA)
  • Measuring Instrument Details And Bridges, And Automatic Balancing Devices (AREA)
  • Measurement Of Current Or Voltage (AREA)
  • Hall/Mr Elements (AREA)
PCT/JP2015/084998 2014-12-18 2015-12-15 電流センサおよび測定装置 Ceased WO2016098751A1 (ja)

Priority Applications (3)

Application Number Priority Date Filing Date Title
CN201580066379.9A CN107003340B (zh) 2014-12-18 2015-12-15 电流传感器以及测定装置
DE112015005689.0T DE112015005689T5 (de) 2014-12-18 2015-12-15 Stromfühler und Messvorrichtung
US15/531,162 US10168361B2 (en) 2014-12-18 2015-12-15 Current sensor and measuring apparatus

Applications Claiming Priority (2)

Application Number Priority Date Filing Date Title
JP2014256118A JP6423708B2 (ja) 2014-12-18 2014-12-18 電流センサおよび測定装置
JP2014-256118 2014-12-18

Publications (1)

Publication Number Publication Date
WO2016098751A1 true WO2016098751A1 (ja) 2016-06-23

Family

ID=56126640

Family Applications (1)

Application Number Title Priority Date Filing Date
PCT/JP2015/084998 Ceased WO2016098751A1 (ja) 2014-12-18 2015-12-15 電流センサおよび測定装置

Country Status (5)

Country Link
US (1) US10168361B2 (enExample)
JP (1) JP6423708B2 (enExample)
CN (1) CN107003340B (enExample)
DE (1) DE112015005689T5 (enExample)
WO (1) WO2016098751A1 (enExample)

Families Citing this family (10)

* Cited by examiner, † Cited by third party
Publication number Priority date Publication date Assignee Title
JP6895122B2 (ja) * 2017-09-14 2021-06-30 三菱電機株式会社 カレントモニタ及びカレントモニタ用中継装置
BE1025702B1 (de) * 2017-11-10 2019-06-11 Phoenix Contact Gmbh & Co. Kg Elektrisches Anschlussmodul
JP2019184270A (ja) * 2018-04-03 2019-10-24 日置電機株式会社 電流検出装置および電流測定装置
US11094446B2 (en) * 2018-04-06 2021-08-17 Eaton Intelligent Power Limited Rogowski coil with low permeability core
JP7221150B2 (ja) * 2018-07-17 2023-02-13 日置電機株式会社 電流センサ
JP6879645B2 (ja) * 2018-08-31 2021-06-02 株式会社タムラ製作所 電流検出器
JP7206803B2 (ja) * 2018-10-26 2023-01-18 スミダコーポレーション株式会社 コイル線材、電流センサ部材及び電流センサ
JP2020148502A (ja) * 2019-03-11 2020-09-17 トヨタ自動車株式会社 電流計測装置
JP7274313B2 (ja) * 2019-03-12 2023-05-16 日置電機株式会社 電流センサ及び測定装置
JP7627896B2 (ja) * 2019-06-27 2025-02-07 パナソニックIpマネジメント株式会社 電流測定方法、診断方法

Citations (2)

* Cited by examiner, † Cited by third party
Publication number Priority date Publication date Assignee Title
JPH10185962A (ja) * 1996-10-31 1998-07-14 Sony Corp 電流検出装置
JPH11505677A (ja) * 1994-08-03 1999-05-21 マッジ・ネットワークス・リミテッド 電磁妨害アイソレータ

Family Cites Families (22)

* Cited by examiner, † Cited by third party
Publication number Priority date Publication date Assignee Title
US3675126A (en) * 1970-10-29 1972-07-04 Bendix Corp Commutated motor speed measuring means
US3825816A (en) * 1973-07-16 1974-07-23 Varco Inc Dc-to-ac and ac-to-dc converter systems
US3942095A (en) * 1974-08-20 1976-03-02 Mauro Guiseppe Togneri AC-to-DC converter system
JPS5286631U (enExample) * 1975-12-24 1977-06-28
FR2460484A1 (fr) * 1979-06-29 1981-01-23 Thomson Csf Capteur de deplacement magneto-electrique d'une piece en mouvement, et systeme de detection muni d'un tel capteur
SU1241130A1 (ru) * 1984-04-20 1986-06-30 Московское отделение Научно-исследовательского института по передаче электроэнергии постоянным током высокого напряжения Датчик рабочего тока электрофильтра
JPH0370414U (enExample) * 1989-11-15 1991-07-15
US5632093A (en) * 1993-07-19 1997-05-27 Elias; Sharon A. Inductive sensor and method for detecting displacement of a body
JPH07260830A (ja) * 1994-03-23 1995-10-13 Tdk Corp 電流検出装置
JPH0818375A (ja) * 1994-06-30 1996-01-19 Tsuruo Shimayama ノイズフィルター
JP3053334U (ja) * 1997-04-23 1998-10-27 島山 鶴雄 広帯域ノイズフィルター
US6608536B2 (en) * 2000-11-09 2003-08-19 Broadcom Corporation Constant impedance filter
JP4532034B2 (ja) * 2001-09-05 2010-08-25 三菱電機株式会社 零相変流器
JP4470890B2 (ja) * 2006-01-26 2010-06-02 株式会社デンソー 電流検出装置
JP2011017618A (ja) * 2009-07-09 2011-01-27 Tamura Seisakusho Co Ltd 電流センサ
DK2515123T3 (en) * 2011-04-21 2016-10-31 Abb Ag Current sensor that works according to the compensation principle
US8952686B2 (en) * 2011-10-25 2015-02-10 Honeywell International Inc. High current range magnetoresistive-based current sensor
CN102445588B (zh) * 2011-11-23 2015-08-19 中国人民解放军海军工程大学 基于pcb型罗氏线圈的短时缓变大电流测量装置
CN202421291U (zh) * 2011-12-28 2012-09-05 宁波锦澄电子科技有限公司 一种电压电流转换传感器
JP5948958B2 (ja) * 2012-02-29 2016-07-06 富士電機機器制御株式会社 電流検出装置
JP6210193B2 (ja) * 2013-04-16 2017-10-11 富士電機機器制御株式会社 電流検知装置
JP6499821B2 (ja) * 2013-05-23 2019-04-10 株式会社タムラ製作所 電流センサ

Patent Citations (2)

* Cited by examiner, † Cited by third party
Publication number Priority date Publication date Assignee Title
JPH11505677A (ja) * 1994-08-03 1999-05-21 マッジ・ネットワークス・リミテッド 電磁妨害アイソレータ
JPH10185962A (ja) * 1996-10-31 1998-07-14 Sony Corp 電流検出装置

Also Published As

Publication number Publication date
DE112015005689T5 (de) 2017-08-31
US10168361B2 (en) 2019-01-01
CN107003340A (zh) 2017-08-01
CN107003340B (zh) 2020-07-28
JP2016114585A (ja) 2016-06-23
JP6423708B2 (ja) 2018-11-14
US20170343585A1 (en) 2017-11-30

Similar Documents

Publication Publication Date Title
JP6423708B2 (ja) 電流センサおよび測定装置
CN105572451B (zh) 自校正的电流互感器系统
US10436821B2 (en) Apparatus for detecting AC components in a DC circuit and use of the apparatus
CN102012448B (zh) 罗哥夫斯基电流传感器
US11050401B2 (en) Current sensor and measurement device
JP6305184B2 (ja) 電流センサおよび測定装置
JP2014235045A (ja) 電流センサ
TWI528742B (zh) 網路傳輸之電磁干擾抑制裝置與方法
CN106067778A (zh) 磁气部件及电气电路
US10942201B2 (en) Current detector and current meter
CN103235169A (zh) Vfto下绝缘击穿前预放电电流的测量装置
JP6153416B2 (ja) 電流センサおよび測定装置
JP2016194483A (ja) 電流検知装置
JP6434456B2 (ja) 絶縁電圧プローブ
CN113075442B (zh) 电流互感电路和电流互感器
JP2024087768A (ja) 電流センサ及び測定装置
CN105807117A (zh) 用于电流测量探头的电流感测电路及其电流测量探头
CN210982711U (zh) 三相电流检测电路及电能计量芯片
CN109030906A (zh) 一种电流探头
CN105301332A (zh) 一种高电位脉冲微小电流信号测量系统
JP6895122B2 (ja) カレントモニタ及びカレントモニタ用中継装置
CN105929313A (zh) 一种高压设备局部放电测量空心线圈传感器
WO2024135413A1 (ja) 電流センサ及び測定装置
JP2013168708A (ja) 不平衡擬似回路網
CN110221239A (zh) 三相电流检测电路、方法及电能计量芯片

Legal Events

Date Code Title Description
121 Ep: the epo has been informed by wipo that ep was designated in this application

Ref document number: 15869956

Country of ref document: EP

Kind code of ref document: A1

WWE Wipo information: entry into national phase

Ref document number: 15531162

Country of ref document: US

WWE Wipo information: entry into national phase

Ref document number: 112015005689

Country of ref document: DE

122 Ep: pct application non-entry in european phase

Ref document number: 15869956

Country of ref document: EP

Kind code of ref document: A1