JP6135420B2 - ハイブリッド車両用動力伝達装置 - Google Patents

ハイブリッド車両用動力伝達装置 Download PDF

Info

Publication number
JP6135420B2
JP6135420B2 JP2013190962A JP2013190962A JP6135420B2 JP 6135420 B2 JP6135420 B2 JP 6135420B2 JP 2013190962 A JP2013190962 A JP 2013190962A JP 2013190962 A JP2013190962 A JP 2013190962A JP 6135420 B2 JP6135420 B2 JP 6135420B2
Authority
JP
Japan
Prior art keywords
motor
speed change
generator
engine
rotating machine
Prior art date
Legal status (The legal status is an assumption and is not a legal conclusion. Google has not performed a legal analysis and makes no representation as to the accuracy of the status listed.)
Expired - Fee Related
Application number
JP2013190962A
Other languages
English (en)
Other versions
JP2015054685A (ja
Inventor
金田 俊樹
俊樹 金田
茨木 隆次
隆次 茨木
安田 勇治
勇治 安田
田端 淳
淳 田端
達也 今村
達也 今村
Current Assignee (The listed assignees may be inaccurate. Google has not performed a legal analysis and makes no representation or warranty as to the accuracy of the list.)
Toyota Motor Corp
Original Assignee
Toyota Motor Corp
Priority date (The priority date is an assumption and is not a legal conclusion. Google has not performed a legal analysis and makes no representation as to the accuracy of the date listed.)
Filing date
Publication date
Application filed by Toyota Motor Corp filed Critical Toyota Motor Corp
Priority to JP2013190962A priority Critical patent/JP6135420B2/ja
Priority to US14/915,996 priority patent/US9713955B2/en
Priority to PCT/IB2014/001790 priority patent/WO2015036839A1/en
Priority to CN201480050653.9A priority patent/CN105531136B/zh
Priority to KR1020167006307A priority patent/KR101751866B1/ko
Publication of JP2015054685A publication Critical patent/JP2015054685A/ja
Application granted granted Critical
Publication of JP6135420B2 publication Critical patent/JP6135420B2/ja
Expired - Fee Related legal-status Critical Current
Anticipated expiration legal-status Critical

Links

Images

Classifications

    • BPERFORMING OPERATIONS; TRANSPORTING
    • B60VEHICLES IN GENERAL
    • B60KARRANGEMENT OR MOUNTING OF PROPULSION UNITS OR OF TRANSMISSIONS IN VEHICLES; ARRANGEMENT OR MOUNTING OF PLURAL DIVERSE PRIME-MOVERS IN VEHICLES; AUXILIARY DRIVES FOR VEHICLES; INSTRUMENTATION OR DASHBOARDS FOR VEHICLES; ARRANGEMENTS IN CONNECTION WITH COOLING, AIR INTAKE, GAS EXHAUST OR FUEL SUPPLY OF PROPULSION UNITS IN VEHICLES
    • B60K6/00Arrangement or mounting of plural diverse prime-movers for mutual or common propulsion, e.g. hybrid propulsion systems comprising electric motors and internal combustion engines
    • B60K6/20Arrangement or mounting of plural diverse prime-movers for mutual or common propulsion, e.g. hybrid propulsion systems comprising electric motors and internal combustion engines the prime-movers consisting of electric motors and internal combustion engines, e.g. HEVs
    • B60K6/22Arrangement or mounting of plural diverse prime-movers for mutual or common propulsion, e.g. hybrid propulsion systems comprising electric motors and internal combustion engines the prime-movers consisting of electric motors and internal combustion engines, e.g. HEVs characterised by apparatus, components or means specially adapted for HEVs
    • B60K6/36Arrangement or mounting of plural diverse prime-movers for mutual or common propulsion, e.g. hybrid propulsion systems comprising electric motors and internal combustion engines the prime-movers consisting of electric motors and internal combustion engines, e.g. HEVs characterised by apparatus, components or means specially adapted for HEVs characterised by the transmission gearings
    • B60K6/365Arrangement or mounting of plural diverse prime-movers for mutual or common propulsion, e.g. hybrid propulsion systems comprising electric motors and internal combustion engines the prime-movers consisting of electric motors and internal combustion engines, e.g. HEVs characterised by apparatus, components or means specially adapted for HEVs characterised by the transmission gearings with the gears having orbital motion
    • BPERFORMING OPERATIONS; TRANSPORTING
    • B60VEHICLES IN GENERAL
    • B60KARRANGEMENT OR MOUNTING OF PROPULSION UNITS OR OF TRANSMISSIONS IN VEHICLES; ARRANGEMENT OR MOUNTING OF PLURAL DIVERSE PRIME-MOVERS IN VEHICLES; AUXILIARY DRIVES FOR VEHICLES; INSTRUMENTATION OR DASHBOARDS FOR VEHICLES; ARRANGEMENTS IN CONNECTION WITH COOLING, AIR INTAKE, GAS EXHAUST OR FUEL SUPPLY OF PROPULSION UNITS IN VEHICLES
    • B60K6/00Arrangement or mounting of plural diverse prime-movers for mutual or common propulsion, e.g. hybrid propulsion systems comprising electric motors and internal combustion engines
    • B60K6/20Arrangement or mounting of plural diverse prime-movers for mutual or common propulsion, e.g. hybrid propulsion systems comprising electric motors and internal combustion engines the prime-movers consisting of electric motors and internal combustion engines, e.g. HEVs
    • B60K6/50Architecture of the driveline characterised by arrangement or kind of transmission units
    • BPERFORMING OPERATIONS; TRANSPORTING
    • B60VEHICLES IN GENERAL
    • B60KARRANGEMENT OR MOUNTING OF PROPULSION UNITS OR OF TRANSMISSIONS IN VEHICLES; ARRANGEMENT OR MOUNTING OF PLURAL DIVERSE PRIME-MOVERS IN VEHICLES; AUXILIARY DRIVES FOR VEHICLES; INSTRUMENTATION OR DASHBOARDS FOR VEHICLES; ARRANGEMENTS IN CONNECTION WITH COOLING, AIR INTAKE, GAS EXHAUST OR FUEL SUPPLY OF PROPULSION UNITS IN VEHICLES
    • B60K6/00Arrangement or mounting of plural diverse prime-movers for mutual or common propulsion, e.g. hybrid propulsion systems comprising electric motors and internal combustion engines
    • B60K6/20Arrangement or mounting of plural diverse prime-movers for mutual or common propulsion, e.g. hybrid propulsion systems comprising electric motors and internal combustion engines the prime-movers consisting of electric motors and internal combustion engines, e.g. HEVs
    • B60K6/22Arrangement or mounting of plural diverse prime-movers for mutual or common propulsion, e.g. hybrid propulsion systems comprising electric motors and internal combustion engines the prime-movers consisting of electric motors and internal combustion engines, e.g. HEVs characterised by apparatus, components or means specially adapted for HEVs
    • B60K6/38Arrangement or mounting of plural diverse prime-movers for mutual or common propulsion, e.g. hybrid propulsion systems comprising electric motors and internal combustion engines the prime-movers consisting of electric motors and internal combustion engines, e.g. HEVs characterised by apparatus, components or means specially adapted for HEVs characterised by the driveline clutches
    • B60K6/387Actuated clutches, i.e. clutches engaged or disengaged by electric, hydraulic or mechanical actuating means
    • BPERFORMING OPERATIONS; TRANSPORTING
    • B60VEHICLES IN GENERAL
    • B60KARRANGEMENT OR MOUNTING OF PROPULSION UNITS OR OF TRANSMISSIONS IN VEHICLES; ARRANGEMENT OR MOUNTING OF PLURAL DIVERSE PRIME-MOVERS IN VEHICLES; AUXILIARY DRIVES FOR VEHICLES; INSTRUMENTATION OR DASHBOARDS FOR VEHICLES; ARRANGEMENTS IN CONNECTION WITH COOLING, AIR INTAKE, GAS EXHAUST OR FUEL SUPPLY OF PROPULSION UNITS IN VEHICLES
    • B60K6/00Arrangement or mounting of plural diverse prime-movers for mutual or common propulsion, e.g. hybrid propulsion systems comprising electric motors and internal combustion engines
    • B60K6/20Arrangement or mounting of plural diverse prime-movers for mutual or common propulsion, e.g. hybrid propulsion systems comprising electric motors and internal combustion engines the prime-movers consisting of electric motors and internal combustion engines, e.g. HEVs
    • B60K6/22Arrangement or mounting of plural diverse prime-movers for mutual or common propulsion, e.g. hybrid propulsion systems comprising electric motors and internal combustion engines the prime-movers consisting of electric motors and internal combustion engines, e.g. HEVs characterised by apparatus, components or means specially adapted for HEVs
    • B60K6/40Arrangement or mounting of plural diverse prime-movers for mutual or common propulsion, e.g. hybrid propulsion systems comprising electric motors and internal combustion engines the prime-movers consisting of electric motors and internal combustion engines, e.g. HEVs characterised by apparatus, components or means specially adapted for HEVs characterised by the assembly or relative disposition of components
    • B60K6/405Housings
    • BPERFORMING OPERATIONS; TRANSPORTING
    • B60VEHICLES IN GENERAL
    • B60KARRANGEMENT OR MOUNTING OF PROPULSION UNITS OR OF TRANSMISSIONS IN VEHICLES; ARRANGEMENT OR MOUNTING OF PLURAL DIVERSE PRIME-MOVERS IN VEHICLES; AUXILIARY DRIVES FOR VEHICLES; INSTRUMENTATION OR DASHBOARDS FOR VEHICLES; ARRANGEMENTS IN CONNECTION WITH COOLING, AIR INTAKE, GAS EXHAUST OR FUEL SUPPLY OF PROPULSION UNITS IN VEHICLES
    • B60K6/00Arrangement or mounting of plural diverse prime-movers for mutual or common propulsion, e.g. hybrid propulsion systems comprising electric motors and internal combustion engines
    • B60K6/20Arrangement or mounting of plural diverse prime-movers for mutual or common propulsion, e.g. hybrid propulsion systems comprising electric motors and internal combustion engines the prime-movers consisting of electric motors and internal combustion engines, e.g. HEVs
    • B60K6/42Arrangement or mounting of plural diverse prime-movers for mutual or common propulsion, e.g. hybrid propulsion systems comprising electric motors and internal combustion engines the prime-movers consisting of electric motors and internal combustion engines, e.g. HEVs characterised by the architecture of the hybrid electric vehicle
    • B60K6/44Series-parallel type
    • B60K6/445Differential gearing distribution type
    • FMECHANICAL ENGINEERING; LIGHTING; HEATING; WEAPONS; BLASTING
    • F16ENGINEERING ELEMENTS AND UNITS; GENERAL MEASURES FOR PRODUCING AND MAINTAINING EFFECTIVE FUNCTIONING OF MACHINES OR INSTALLATIONS; THERMAL INSULATION IN GENERAL
    • F16HGEARING
    • F16H3/00Toothed gearings for conveying rotary motion with variable gear ratio or for reversing rotary motion
    • F16H3/44Toothed gearings for conveying rotary motion with variable gear ratio or for reversing rotary motion using gears having orbital motion
    • F16H3/72Toothed gearings for conveying rotary motion with variable gear ratio or for reversing rotary motion using gears having orbital motion with a secondary drive, e.g. regulating motor, in order to vary speed continuously
    • F16H3/727Toothed gearings for conveying rotary motion with variable gear ratio or for reversing rotary motion using gears having orbital motion with a secondary drive, e.g. regulating motor, in order to vary speed continuously with at least two dynamo electric machines for creating an electric power path inside the gearing, e.g. using generator and motor for a variable power torque path
    • F16H3/728Toothed gearings for conveying rotary motion with variable gear ratio or for reversing rotary motion using gears having orbital motion with a secondary drive, e.g. regulating motor, in order to vary speed continuously with at least two dynamo electric machines for creating an electric power path inside the gearing, e.g. using generator and motor for a variable power torque path with means to change ratio in the mechanical gearing
    • FMECHANICAL ENGINEERING; LIGHTING; HEATING; WEAPONS; BLASTING
    • F16ENGINEERING ELEMENTS AND UNITS; GENERAL MEASURES FOR PRODUCING AND MAINTAINING EFFECTIVE FUNCTIONING OF MACHINES OR INSTALLATIONS; THERMAL INSULATION IN GENERAL
    • F16HGEARING
    • F16H57/00General details of gearing
    • F16H57/04Features relating to lubrication or cooling or heating
    • F16H57/042Guidance of lubricant
    • F16H57/043Guidance of lubricant within rotary parts, e.g. axial channels or radial openings in shafts
    • FMECHANICAL ENGINEERING; LIGHTING; HEATING; WEAPONS; BLASTING
    • F16ENGINEERING ELEMENTS AND UNITS; GENERAL MEASURES FOR PRODUCING AND MAINTAINING EFFECTIVE FUNCTIONING OF MACHINES OR INSTALLATIONS; THERMAL INSULATION IN GENERAL
    • F16HGEARING
    • F16H57/00General details of gearing
    • F16H57/04Features relating to lubrication or cooling or heating
    • F16H57/0434Features relating to lubrication or cooling or heating relating to lubrication supply, e.g. pumps; Pressure control
    • F16H57/0435Pressure control for supplying lubricant; Circuits or valves therefor
    • FMECHANICAL ENGINEERING; LIGHTING; HEATING; WEAPONS; BLASTING
    • F16ENGINEERING ELEMENTS AND UNITS; GENERAL MEASURES FOR PRODUCING AND MAINTAINING EFFECTIVE FUNCTIONING OF MACHINES OR INSTALLATIONS; THERMAL INSULATION IN GENERAL
    • F16HGEARING
    • F16H57/00General details of gearing
    • F16H57/04Features relating to lubrication or cooling or heating
    • F16H57/0467Elements of gearings to be lubricated, cooled or heated
    • F16H57/0476Electric machines and gearing, i.e. joint lubrication or cooling or heating thereof
    • BPERFORMING OPERATIONS; TRANSPORTING
    • B60VEHICLES IN GENERAL
    • B60KARRANGEMENT OR MOUNTING OF PROPULSION UNITS OR OF TRANSMISSIONS IN VEHICLES; ARRANGEMENT OR MOUNTING OF PLURAL DIVERSE PRIME-MOVERS IN VEHICLES; AUXILIARY DRIVES FOR VEHICLES; INSTRUMENTATION OR DASHBOARDS FOR VEHICLES; ARRANGEMENTS IN CONNECTION WITH COOLING, AIR INTAKE, GAS EXHAUST OR FUEL SUPPLY OF PROPULSION UNITS IN VEHICLES
    • B60K6/00Arrangement or mounting of plural diverse prime-movers for mutual or common propulsion, e.g. hybrid propulsion systems comprising electric motors and internal combustion engines
    • B60K6/20Arrangement or mounting of plural diverse prime-movers for mutual or common propulsion, e.g. hybrid propulsion systems comprising electric motors and internal combustion engines the prime-movers consisting of electric motors and internal combustion engines, e.g. HEVs
    • B60K6/22Arrangement or mounting of plural diverse prime-movers for mutual or common propulsion, e.g. hybrid propulsion systems comprising electric motors and internal combustion engines the prime-movers consisting of electric motors and internal combustion engines, e.g. HEVs characterised by apparatus, components or means specially adapted for HEVs
    • B60K6/38Arrangement or mounting of plural diverse prime-movers for mutual or common propulsion, e.g. hybrid propulsion systems comprising electric motors and internal combustion engines the prime-movers consisting of electric motors and internal combustion engines, e.g. HEVs characterised by apparatus, components or means specially adapted for HEVs characterised by the driveline clutches
    • B60K2006/381Arrangement or mounting of plural diverse prime-movers for mutual or common propulsion, e.g. hybrid propulsion systems comprising electric motors and internal combustion engines the prime-movers consisting of electric motors and internal combustion engines, e.g. HEVs characterised by apparatus, components or means specially adapted for HEVs characterised by the driveline clutches characterized by driveline brakes
    • BPERFORMING OPERATIONS; TRANSPORTING
    • B60VEHICLES IN GENERAL
    • B60YINDEXING SCHEME RELATING TO ASPECTS CROSS-CUTTING VEHICLE TECHNOLOGY
    • B60Y2200/00Type of vehicle
    • B60Y2200/90Vehicles comprising electric prime movers
    • B60Y2200/92Hybrid vehicles
    • BPERFORMING OPERATIONS; TRANSPORTING
    • B60VEHICLES IN GENERAL
    • B60YINDEXING SCHEME RELATING TO ASPECTS CROSS-CUTTING VEHICLE TECHNOLOGY
    • B60Y2300/00Purposes or special features of road vehicle drive control systems
    • B60Y2300/18Propelling the vehicle
    • B60Y2300/188Controlling power parameters of the driveline, e.g. determining the required power
    • BPERFORMING OPERATIONS; TRANSPORTING
    • B60VEHICLES IN GENERAL
    • B60YINDEXING SCHEME RELATING TO ASPECTS CROSS-CUTTING VEHICLE TECHNOLOGY
    • B60Y2400/00Special features of vehicle units
    • B60Y2400/70Gearings
    • B60Y2400/73Planetary gearings
    • BPERFORMING OPERATIONS; TRANSPORTING
    • B60VEHICLES IN GENERAL
    • B60YINDEXING SCHEME RELATING TO ASPECTS CROSS-CUTTING VEHICLE TECHNOLOGY
    • B60Y2400/00Special features of vehicle units
    • B60Y2400/80Differentials
    • FMECHANICAL ENGINEERING; LIGHTING; HEATING; WEAPONS; BLASTING
    • F16ENGINEERING ELEMENTS AND UNITS; GENERAL MEASURES FOR PRODUCING AND MAINTAINING EFFECTIVE FUNCTIONING OF MACHINES OR INSTALLATIONS; THERMAL INSULATION IN GENERAL
    • F16HGEARING
    • F16H37/00Combinations of mechanical gearings, not provided for in groups F16H1/00 - F16H35/00
    • F16H37/02Combinations of mechanical gearings, not provided for in groups F16H1/00 - F16H35/00 comprising essentially only toothed or friction gearings
    • F16H37/06Combinations of mechanical gearings, not provided for in groups F16H1/00 - F16H35/00 comprising essentially only toothed or friction gearings with a plurality of driving or driven shafts; with arrangements for dividing torque between two or more intermediate shafts
    • F16H37/08Combinations of mechanical gearings, not provided for in groups F16H1/00 - F16H35/00 comprising essentially only toothed or friction gearings with a plurality of driving or driven shafts; with arrangements for dividing torque between two or more intermediate shafts with differential gearing
    • F16H37/0833Combinations of mechanical gearings, not provided for in groups F16H1/00 - F16H35/00 comprising essentially only toothed or friction gearings with a plurality of driving or driven shafts; with arrangements for dividing torque between two or more intermediate shafts with differential gearing with arrangements for dividing torque between two or more intermediate shafts, i.e. with two or more internal power paths
    • F16H37/084Combinations of mechanical gearings, not provided for in groups F16H1/00 - F16H35/00 comprising essentially only toothed or friction gearings with a plurality of driving or driven shafts; with arrangements for dividing torque between two or more intermediate shafts with differential gearing with arrangements for dividing torque between two or more intermediate shafts, i.e. with two or more internal power paths at least one power path being a continuously variable transmission, i.e. CVT
    • F16H2037/0866Power-split transmissions with distributing differentials, with the output of the CVT connected or connectable to the output shaft
    • F16H2037/0873Power-split transmissions with distributing differentials, with the output of the CVT connected or connectable to the output shaft with switching means, e.g. to change ranges
    • YGENERAL TAGGING OF NEW TECHNOLOGICAL DEVELOPMENTS; GENERAL TAGGING OF CROSS-SECTIONAL TECHNOLOGIES SPANNING OVER SEVERAL SECTIONS OF THE IPC; TECHNICAL SUBJECTS COVERED BY FORMER USPC CROSS-REFERENCE ART COLLECTIONS [XRACs] AND DIGESTS
    • Y02TECHNOLOGIES OR APPLICATIONS FOR MITIGATION OR ADAPTATION AGAINST CLIMATE CHANGE
    • Y02TCLIMATE CHANGE MITIGATION TECHNOLOGIES RELATED TO TRANSPORTATION
    • Y02T10/00Road transport of goods or passengers
    • Y02T10/60Other road transportation technologies with climate change mitigation effect
    • Y02T10/62Hybrid vehicles
    • YGENERAL TAGGING OF NEW TECHNOLOGICAL DEVELOPMENTS; GENERAL TAGGING OF CROSS-SECTIONAL TECHNOLOGIES SPANNING OVER SEVERAL SECTIONS OF THE IPC; TECHNICAL SUBJECTS COVERED BY FORMER USPC CROSS-REFERENCE ART COLLECTIONS [XRACs] AND DIGESTS
    • Y10TECHNICAL SUBJECTS COVERED BY FORMER USPC
    • Y10STECHNICAL SUBJECTS COVERED BY FORMER USPC CROSS-REFERENCE ART COLLECTIONS [XRACs] AND DIGESTS
    • Y10S903/00Hybrid electric vehicles, HEVS
    • Y10S903/902Prime movers comprising electrical and internal combustion motors
    • Y10S903/903Prime movers comprising electrical and internal combustion motors having energy storing means, e.g. battery, capacitor
    • Y10S903/904Component specially adapted for hev
    • Y10S903/909Gearing
    • Y10S903/91Orbital, e.g. planetary gears
    • YGENERAL TAGGING OF NEW TECHNOLOGICAL DEVELOPMENTS; GENERAL TAGGING OF CROSS-SECTIONAL TECHNOLOGIES SPANNING OVER SEVERAL SECTIONS OF THE IPC; TECHNICAL SUBJECTS COVERED BY FORMER USPC CROSS-REFERENCE ART COLLECTIONS [XRACs] AND DIGESTS
    • Y10TECHNICAL SUBJECTS COVERED BY FORMER USPC
    • Y10STECHNICAL SUBJECTS COVERED BY FORMER USPC CROSS-REFERENCE ART COLLECTIONS [XRACs] AND DIGESTS
    • Y10S903/00Hybrid electric vehicles, HEVS
    • Y10S903/902Prime movers comprising electrical and internal combustion motors
    • Y10S903/903Prime movers comprising electrical and internal combustion motors having energy storing means, e.g. battery, capacitor
    • Y10S903/904Component specially adapted for hev
    • Y10S903/915Specific drive or transmission adapted for hev

Landscapes

  • Engineering & Computer Science (AREA)
  • Mechanical Engineering (AREA)
  • General Engineering & Computer Science (AREA)
  • Chemical & Material Sciences (AREA)
  • Combustion & Propulsion (AREA)
  • Transportation (AREA)
  • Hybrid Electric Vehicles (AREA)
  • Electric Propulsion And Braking For Vehicles (AREA)
  • Arrangement Of Transmissions (AREA)
  • General Details Of Gearings (AREA)
  • Structure Of Transmissions (AREA)

Description

この発明は、動力の発生原理が異なる複数の駆動力源を備えたハイブリッド車両に搭載される動力伝達装置に関するものである。
ハイブリッド車両は、走行のための駆動力源として、熱エネルギを運動エネルギに変換して動力を発生するエンジンや、エネルギ回生機能のある回転機など、動力の発生原理が異なる複数の駆動力源を備えた車両である。例えば、ガソリンエンジンやディーゼルエンジンなどの内燃機関、および、発電機能を有する電動機や蓄圧機能を有する油圧モータなどの回転機を駆動力源として搭載した車両である。そして、エンジンと回転機とが持つそれぞれの特性を生かすことにより、エネルギ効率を向上させることができ、また排気ガスの低減を図ることができる車両である。そのようなハイブリッド車両に関する発明の一例が特許文献1に記載されている。
この特許文献1に記載されたハイブリッド駆動装置は、駆動力源として、エンジンと、そのエンジンの動力によって発電する機能を有する第1モータと、第1モータが発電した電力によって出力部材に動力を出力する第2モータとを備えている。そして、第1モータと第2モータとが同一軸線上に配置されていて、それら第1モータ2と第2モータとの間に、エンジンの出力した動力を第1モータ側と出力部材側とに分配する動力分配機構が配置されている。さらに、この特許文献1に記載されたハイブリッド駆動装置は、上記の第1モータ2と第2モータとの間に、エンジンの出力トルクを変速して動力分配機構に伝達する変速機が配置されている。
なお、特許文献2には、エンジン、第1モータ、第2モータ、および、3つの回転要素を有する遊星歯車装置から構成される動力分割機構を備えたハイブリッド車両に関する発明が記載されている。この特許文献2に記載されたハイブリッド車両は、エンジンの出力軸を回転不可能に固定するクラッチを更に備えている。また、第1モータは動力分割機構を介してエンジンの出力軸に連結され、第2モータは駆動輪に連結されている。それらエンジン、第1モータ、第2モータ、およびクラッチの各動作が、車両の要求駆動力に応じて、それぞれ制御されるように構成されている。そして、クラッチを係合してエンジンの出力軸を固定することにより、動力分割機構を減速機構もしくは増速機構として機能させた状態で、第1モータおよび第2モータの両方を駆動させたモータ走行が可能な構成となっている。
また、特許文献3にも、上記の特許文献2に記載されたハイブリッド車両と同様の構成が記載されている。そしてこの特許文献3には、クラッチを係合してエンジンのクランクシャフトを回転不能に固定する条件が成立している場合に、エンジンの運転を停止するとともに、アクセル開度と車速と変速機の変速比とに基づいて2つのモータを最も効率よく駆動するトルク配分を定めたマップを用いて、2つのモータの回転をそれぞれ制御することが記載されている。
特開2008−120234号公報 特開2008−265598号公報 特開2008−265600号公報
上記の特許文献1に記載されているハイブリッド駆動装置のように、エンジン、電動機、および、動力分割機構を備えた従来のハイブリッド車両用の動力伝達装置の構成に対して、エンジンの回転数を変速する変速機構を追加することによって、要求駆動力や走行状態に応じてエンジンをより燃費に有利な回転数で運転することができる。ひいては、ハイブリッド車両のエネルギ効率を向上させることができる。
一方、上記のような変速機構は、歯車装置およびクラッチやブレーキなどの摩擦係合装置等を備えている。それら歯車装置や摩擦係合装置には、歯車の噛み合い部を潤滑および冷却するため、あるいは、摩擦材の摺動部位を潤滑および冷却するために、潤滑油を供給する必要がある。したがって、従来のハイブリッド車両用の動力伝達装置において動力分割機構やモータのコイルエンド等に潤滑油を供給するために設けられている油路や油圧装置に加えて、変速機構へ潤滑油を供給するための油路や油圧装置も新たに必要になる。そのため、従来のハイブリッド車両用の動力伝達装置に対して上記のような変速機構を追加する場合には、油路や油圧装置の構成が複雑になり、ひいては、装置の大型化やコストアップを招いてしまうおそれがあった。
この発明は上記の技術的課題に着目してなされたものであり、従来の装置に対してエンジンの回転数を変速する変速機構を追加した構成であっても、装置の複雑化やコストアップを招くことなく、潤滑および冷却性能の良好なハイブリッド車両用動力伝達装置を提供することを目的とするものである。
上記の目的を達成するために、請求項1の発明は、エンジンおよび少なくとも1基の回転機を駆動力源とするハイブリッド車両に搭載される動力伝達装置であって、第1回転要素と、前記回転機が連結された第2回転要素と、駆動軸が連結された第3回転要素との3つの回転要素を有する差動歯車装置から構成されて前記駆動力源と前記駆動軸との間で動力を分割もしくは合成して伝達する動力分割機構、および、前記エンジンの回転数を変速してトルクを前記第1回転要素に伝達する変速機構を備え、前記エンジンに近い方から、前記変速機構、前記回転機、前記動力分割機構の順に配置されたハイブリッド車両用動力伝達装置において、前記変速機構と前記回転機との間に、前記変速機構と前記回転機との間を仕切るとともに前記回転機の回転軸を支持する支持部材が設けられていて、前記支持部材は、前記変速機構を潤滑および冷却した潤滑油の前記変速機構側から前記回転機側への流入を可能にする潤滑穴が形成されており、前記変速機構は、遊星歯車装置と、前記遊星歯車装置の外周側に配置される摩擦係合装置とから構成されており、前記潤滑穴は、前記遊星歯車装置の外周部と前記回転機とにそれぞれ対向して開口するように貫通する穴として形成されており、前記摩擦係合装置は、前記摩擦係合装置の摩擦材の一部が取り付けられるハブを有し、前記ハブは、回転軸線方向に前記支持部材側へ延びるとともに、前記支持部材側の先端部分が前記潤滑穴の開口部に対向するように形成されていることを特徴
とするものである。
また、請求項2の発明は、請求項1の発明において、前記支持部材が、前記変速機構の前記回転機側を覆う隔壁状の回転機カバーを含み、前記回転機カバーに、前記潤滑穴が形成されていることを特徴とするものである。
また、請求項3の発明は、請求項2の発明において、前記潤滑穴に、前記潤滑油の油温に応じて前記潤滑穴を通過する前記潤滑油の量が変化するように動作する調整弁が設けられていることを特徴とするものである。
そして、請求項4の発明は、請求項2または3の発明において、前記変速機構が、前記変速機構の前記エンジン側を覆うフロントカバーの内側に収容されるとともに、前記フロントカバーと前記回転機カバーとによって覆われた変速ユニットとして形成されていて、前記回転機および前記動力分割機構を収容するハウジングの前記変速機構側の端部に、前記変速ユニットが取り付けられていることを特徴とするものである。
この発明におけるハイブリッド車両用動力伝達装置では、エンジンと回転機および動力分割機構との間に、差動歯車装置と摩擦係合装置とを備えていてエンジンの回転数を変速する変速機構が設けられている。その変速機構と回転機との間には、回転機の回転軸を支持しつつ変速機構と回転機との間を仕切る支持部材が設けられている。そして、この発明では、変速機構に供給されてその変速機構を潤滑および冷却した潤滑油が、支持部材を通過して変速機構側から回転機側へ流入することができるように構成されている。したがって、変速機構を潤滑および冷却した潤滑油を利用して、回転機を潤滑および冷却することができる。そのため、潤滑油を無駄に排出することなく、回転機の潤滑油として有効に利用することができる。
上記のような変速機構側から回転機側への潤滑油の流入を許容する構成は、変速機構の外周部付近の支持部材に、変速機構側と回転機側との間を貫通する箇所を設けることにより実現することができる。例えば、支持部材を隔壁状のカバー部材として形成する場合には、そのカバー部材の変速機構の外周部付近に対応する位置に、潤滑油の流通が可能な貫通穴を設けることにより、上記のような変速機構側から回転機側への潤滑油の流入を許容する構成を実現することができる。すなわち、変速機構に供給されてその変速機構を潤滑および冷却した潤滑油は、変速機構が回転する際の遠心力を受けて変速機構の外周側に移動する。したがって、その変速機構の外周部付近に変速機構側から回転機側への潤滑油の流入を許容する構成が設けられていることにより、変速機構の外周側に移動した潤滑油は、変速機構側から回転機側へ流入して回転機に供給されることになる。
そのため、この発明におけるハイブリッド車両用動力伝達装置によれば、従来のハイブリッド車両用動力伝達装置に対して上記のような変速機構を追加して装置を構成する場合であっても、特に複雑な油路や油圧装置等を新たに追加することなく、変速機構を潤滑および冷却した潤滑油を利用して回転機を潤滑および冷却することが可能な構成を容易に実現することができる。すなわち、従来の装置に対してエンジンの回転数を変速する変速機構を追加した構成であっても、装置の複雑化やコストアップを招くことなく、潤滑および冷却性能の良好なハイブリッド車両用動力伝達装置を構成することができる。
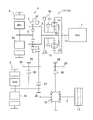
この発明で対象とするハイブリッド車両のドライブトレーンを説明するためのスケルトン図であって、変速機構がシングルピニオン形の遊星歯車装置により構成されていて、FR方式の車両へ搭載するのに適したドライブトレーンの例を示す図である。 この発明で対象とするハイブリッド車両のドライブトレーンを説明するためのスケルトン図であって、変速機構がシングルピニオン形の遊星歯車装置により構成されていて、FF方式の車両へ搭載するのに適したドライブトレーンの例を示す図である。 図1,図2に示すドライブトレーンの各駆動状態におけるクラッチならびにブレーキおよび各モータ・ジェネレータの動作状態をまとめて示す図表である。 図1,図2に示すドライブトレーンにおける動力分割機構および変速機構についての共線図であって、第2モータ・ジェネレータ単独の出力で走行している状態を示す図である 図1,図2に示すドライブトレーンにおける動力分割機構および変速機構についての共線図であって、第1モータ・ジェネレータおよび第2モータ・ジェネレータの両方の出力で走行している状態を示す図である。 図1,図2に示すドライブトレーンにおける動力分割機構および変速機構についての共線図であって、変速機構をO/D段(High)に設定して、エンジンの出力で走行している状態を示す図である。 図1,図2に示すドライブトレーンにおける動力分割機構および変速機構についての共線図であって、変速機構を直結段(Low)に設定して、エンジンの出力で走行している状態を示す図である。 この発明で対象とするハイブリッド車両の制御系統を説明するためのブロック図である。 の発明で対象とするハイブリッド車両の運転制御および変速機構の変速制御で用いるマップ(線図)であって、エンジン走行領域およびモータ走行領域を示す図である。 この発明で対象とするハイブリッド車両のドライブトレーンを説明するためのスケルトン図であって、変速機構がダブルピニオン形の遊星歯車装置により構成されていて、FR方式の車両へ搭載するのに適したドライブトレーンの例を示す図である。 この発明で対象とするハイブリッド車両のドライブトレーンを説明するためのスケルトン図であって、変速機構がダブルピニオン形の遊星歯車装置により構成されていて、FF方式の車両へ搭載するのに適したドライブトレーンの例を示す図である。 この発明に係るハイブリッド車両用動力伝達装置の構成を具体的に説明するための断面図であって、変速機構がシングルピニオン形の遊星歯車装置により構成されている例を示す図である。 この発明に係るハイブリッド車両用動力伝達装置の構成を具体的に説明するための断面図であって、変速機構がダブルピニオン形の遊星歯車装置により構成されている例を示す図である。 この発明に係るハイブリッド車両用動力伝達装置の構成を具体的に説明するための断面図であって、潤滑穴に装着される調整弁の構成を示す図である。
次に、この発明を、図を参照して具体的に説明する。この発明に係る動力伝達装置は、熱エネルギを運動エネルギに変換して動力を発生するエンジン、および、エネルギの回生が可能な回転機を駆動力源として備えた車両、すなわち、動力の発生原理が異なる複数の駆動力源を備えたハイブリッド車両に搭載されるものである。
上記のハイブリッド車両におけるエンジンとしては、ガソリンエンジンが最も一般的である。その他に、この発明におけるエンジンは、例えば、ディーゼルエンジンやLPGエンジンなど、ガソリン以外の燃料を使用する内燃機関を用いることができる。一方、回転機としては、発電機能あるモータ(すなわちモータ・ジェネレータ)が最も一般的である。その他に、この発明における回転機として、例えば、油圧や空気圧などの蓄圧機能を有する圧力モータ、あるいは、回転エネルギの蓄積および放出が可能なフライホイールなどを用いることも可能である。
この発明で対象とするハイブリッド車両は、エンジンが出力する動力で走行する「エンジン走行モード」もしくは「HV(ハイブリッド)走行モード」と、回転機が出力する動力で走行する走行モードとを選択できるように構成されている。特に、回転機としてモータを用いる場合は、「エンジン走行モード」と、バッテリに蓄えられた電力でモータを駆動して走行する「モータ走行モード」とを選択できるように構成されている。
図1に、この発明で対象とすることのできるハイブリッド車両のパワートレーンの一例を示してある。ここに示す例は、エンジン(ENG)1と、第1モータ・ジェネレータ(MG1)2および第2モータ・ジェネレータ(MG2)3の2基の回転機とを駆動力源とするいわゆる2モータ式のハイブリッド車両Veである。このハイブリッド車両Veは、エンジン1が出力する動力を、動力分割機構4によって第1モータ・ジェネレータ2側とドライブシャフト5側とに分割して伝達するように構成されている。また、第1モータ・ジェネレータ2で発生した電力を第2モータ・ジェネレータ(MG2)3に供給し、その電力を使用して第2モータ・ジェネレータ3が出力する動力をドライブシャフト5に付加できるように構成されている。
動力分割機構4は、3つの回転要素を有する差動機構によって構成されている。具体的には、第1回転要素としてサンギヤ、第2回転要素としてキャリア、および、第3回転要素としてリングギヤを有する遊星歯車装置によって構成されている。この図1に示す例では、シングルピニオン形の遊星歯車装置が用いられている。
上記の動力分割機構4を構成する遊星歯車装置は、エンジン1と同一の軸線上に配置されている。遊星歯車装置のサンギヤ6には、第1モータ・ジェネレータ2が連結されている。すなわち、第1モータ・ジェネレータ2のロータ2aとサンギヤ6とが連結されている。このサンギヤ6に対して同心円上にリングギヤ7が配置されている。これらサンギヤ6とリングギヤ7とに噛み合っているピニオンギヤが、キャリア8によって自転および公転が可能なように保持されている。このキャリア8には、後述する変速機構17を介して、エンジン1の出力軸1aが連結されている。そして、リングギヤ7に、プロペラシャフト9の一方の端部が連結されている。プロペラシャフト9の他方の端部は、デファレンシャルギヤ10を介して、ドライブシャフト5および駆動輪11に連結されている。
上記の動力分割機構4からプロペラシャフト9および駆動軸11に伝達されるトルクに、第2モータ・ジェネレータ3が出力するトルクを付加できるように構成されている。具体的には、エンジン1と同一の回転軸線上に第2モータ・ジェネレータ3が配置されていて、その第2モータ・ジェネレータ3が、ギヤ列12を介して、プロペラシャフト9に連結されている。
上記のギヤ列12には、この図1に示す例では、シングルプラネタリ形の遊星歯車装置が用いられている。そのギヤ列12を構成する遊星歯車装置のサンギヤ13が、第2モータ・ジェネレータ3のロータ3aに連結されている。キャリア14には、プロペラシャフト9に連結されている。リングギヤ15が、ケーシングなどの固定部材16に回転不可能な状態で固定されている。すなわち、このギヤ列12においては、リングギヤ15が固定要素となっている。そして、サンギヤ13を入力要素とした場合に出力要素となるキャリア14が、サンギヤ13よりも低回転数で、かつサンギヤ13と同じ方向に回転するようになっている。したがって、このギヤ列12は、サンギヤ13に入力されたトルクをキャリア14から出力する際に減速機構として機能する。すなわち、このギヤ列12は、第2モータ・ジェネレータ3からサンギヤ13へ入力されたトルクを増幅してプロペラシャフト9に伝達するように構成されている。
なお、第1モータ・ジェネレータ2および第2モータ・ジェネレータ3は、それぞれ、図示しないインバータなどのコントローラを介してバッテリに接続されている。これら第1モータ・ジェネレータ2および第2モータ・ジェネレータ3は、いずれも、モータもしくは発電機として機能するように電流が制御されるように構成されている。一方、エンジン1は、そのスロットル開度や点火時期を制御できるように構成されている。また、燃焼運転の自動停止、および、始動ならびに再始動の制御が行われるように構成されている。
さらに、この発明で対象としているハイブリッド車両Veは、エンジン1と動力分割機構4および第1モータ・ジェネレータ2との間に、変速機構17が設けられている。この変速機構17は、直結段と増速段すなわちオーバードライブ(O/D)段とに切り替えられるように構成されている。この図1に示す例では、変速機構17は、シングルピニオン形の遊星歯車装置17aにより構成されている。その遊星歯車装置17aのキャリア18が、エンジン1の出力軸1aに連結されている。リングギヤ19は、前述した動力分割機構4のキャリア8に一体となって回転するように連結されている。また、サンギヤ20とキャリア18との間に、これらサンギヤ20とキャリア18とを選択的に連結するクラッチC1が設けられている。そして、サンギヤ20を選択的に回転不可能な状態に固定するブレーキB1が設けられている。これらのクラッチC1およびブレーキB1は、例えば油圧によって係合する摩擦係合機構によって構成することができる。
上記の変速機構17は、クラッチC1を係合させることにより、遊星歯車装置17aのサンギヤ20とキャリア18とが連結される。その結果、遊星歯車装置17aの全体が一体となって回転し、増速作用および減速作用の生じないいわゆる直結状態となる。そして、クラッチC1に加えてブレーキB1を係合させることにより、変速機構17の全体が一体となって固定され、動力分割機構4におけるキャリア8およびエンジン1の回転が止められる。これに対して、ブレーキB1のみを係合させることにより、変速機構17におけるサンギヤ20が固定要素となり、またキャリア18が入力要素となる。そのため、キャリア18を入力要素とした場合に出力要素となるリングギヤ20が、キャリア18よりも高回転数で、かつキャリア18と同方向に回転する。したがって、変速機構17は増速機構として機能する。すなわち、変速機構17でO/D段が設定される。
なお、上記の図1に示したハイブリッド車両Veは、駆動力源から出力される駆動トルクをプロペラシャフト9を介してドライブシャフト5および駆動輪11に伝達するように構成した例である。すなわち、駆動力源を車両前方に配置して後輪で駆動力を発生させるいわゆるFR方式の車両へ搭載するのに適したドライブトレーンの例である。これに対して、この発明では、駆動力源を車両前方に配置して前輪で駆動力を発生させるいわゆるFF方式のハイブリッド車両Veに対しても適用することができる。そのようなFF方式の車両へ搭載するのに適したドライブトレーンの例を図2に示してある。
この図2に示すハイブリッド車両Veは、上記の図1に示した例と同様に、エンジン1および第1モータ・ジェネレータ2ならびに第2モータ・ジェネレータ3を駆動力源としている。そして、変速機構17、動力分割機構4、およびギヤ列12を備えている。変速機構17は、図1に示した例と同様に、シングルピニオン形の遊星歯車装置17a、クラッチC1、およびブレーキB1から構成されている。遊星歯車装置17aのキャリア18には、エンジン1の出力軸1aに連結されている。リングギヤ19には、動力分割機構4のキャリア8が連結されている。一方、この図2に示す例では、動力分割機構4のリングギヤ7にドライブギヤ25が連結されている。また、ギヤ列12は、上記のドライブギヤ25、カウンタシャフト26、カウンタドリブンギヤ27、リダクションギヤ28、およびデファレンシャルドライブギヤ29から構成されている。
具体的には、エンジン1および動力分割機構4などの回転軸線と平行に、カウンタシャフト26が配置されている。そして、上記のドライブギヤ25に噛み合っているカウンタドリブンギヤ27が、このカウンタシャフト26に一体となって回転するように取り付けられている。さらに、上記の動力分割機構4からドライブシャフト5へ伝達されるトルクに、第2モータ・ジェネレータ3が出力するトルクを付加できるように構成されている。すなわち、上記のカウンタシャフト26と平行に第2モータ・ジェネレータ3が配置されていて、そのロータ3aに連結されたリダクションギヤ28が、カウンタドリブンギヤ27に噛み合っている。このリダクションギヤ28は、カウンタドリブンギヤ27よりも小径のギヤによって構成されている。したがって、このギヤ列12は、リダクションギヤ28に入力されたトルクをカウンタドリブンギヤ27を介してカウンタシャフト26へ伝達する際に減速機構として機能する。すなわち、このギヤ列12は、第2モータ・ジェネレータ3が出力するトルクを増幅してカウンタシャフト26に伝達するように構成されている。
上記のカウンタシャフト26には、デファレンシャルドライブギヤ29が一体になって回転するように取り付けられている。また、この図2に示す例では、デファレンシャルギヤ10の外周部分にリングギヤ30が形成されている。そして、上記のデファレンシャルドライブギヤ29が、デファレンシャルギヤ10に形成されたリングギヤ30に噛み合っている。したがって、動力分割機構4に入力されてリングギヤ7から出力されるトルク、および第2モータ・ジェネレータ3から出力されるトルクが、ギヤ列12およびデファレンシャルギヤ10を介して、ドライブシャフト5および駆動輪11に伝達される構成となっている。なお、この図2では作図の都合上、デファレンシャルギヤ10の位置を図2での右側にずらして記載してある。
上記の図1,図2に示すようなハイブリッド車両Veにおける各走行モードや後進状態でのクラッチC1ならびにブレーキB1の係合・開放の状態、および、第1モータ・ジェネレータ2ならびに第2モータ・ジェネレータ3の動作の状態を、図3の表にまとめて示してある。各動作状態について簡単に説明すると、図3で「EV」はモータ走行モードを示している。「シングルモータ走行モード」では、クラッチC1およびブレーキB1が共に開放させられる。そして、第2モータ・ジェネレータ3がモータ(M)として動作させられ、かつ第1モータ・ジェネレータ2が発電機(G)として機能させられる。この場合、第1モータ・ジェネレータ2は空転させてもよい。この状態を図4に共線図で示してある。なお、この「シングルモータ走行モード」でエンジンブレーキ効果を生じさせる場合には、クラッチC1およびブレーキB1のいずれか一方が係合させられて、動力分割機構4におけるリングギヤ7の回転数が抑制される。
上記のようなモータ走行モードのうち「ダブルモータ走行モード」では、第1モータ・ジェネレータ2および第2モータ・ジェネレータ3が、いずれも、モータとして機能させられる。そして、第1モータ・ジェネレータ2で出力するトルクがドライブシャフト5に伝達されるようにするために、クラッチC1およびブレーキB1が共に係合させられて、動力分割機構4のキャリア8が回転不可能な状態に固定される。その状態では、動力分割機構4は減速機として機能するように各回転要素間のギヤ比が設定されている。したがって、この場合は第1モータ・ジェネレータ2で出力するトルクが増幅されて、動力分割機構4のリングギヤ7からプロペラシャフト9へ伝達される。この状態を図5に共線図で示してある。
一方、図3の表で「HV」はエンジン1を駆動しているハイブリッド駆動状態を示している。車両Veが軽負荷かつ中高車速で走行している状態では、変速機構17がO/D状態(High)に設定される。すなわち、クラッチC1が開放させられ、ブレーキB1が係合させられる。この状態を図6に共線図で示してある。この状態では、前述したように、第1モータ・ジェネレータ2によってエンジン回転数が燃費の良好な回転数に制御される。その場合、第1モータ・ジェネレータ2が発電機として機能させられることにより生じた電力が第2モータ・ジェネレータ3に供給される。その結果、第2モータ・ジェネレータ3がモータとして動作し、駆動トルクを出力する。また、低車速でアクセル開度が大きくなるなど、大きい駆動力が要求されている場合には、変速機構17は直結状態(Low)に制御される。すなわち、クラッチC1が係合させられ、ブレーキB1が開放させられる。その結果、変速機構17の全体が一体となって回転する状態になる。この状態を図7に共線図で示してある。この場合も、上記のO/D状態(High)の場合と同様に、第1モータ・ジェネレータ2が発電機として動作させられ、かつ第2モータ・ジェネレータ3がモータとして動作させられる。
上記のようなエンジン1の運転制御、第1モータ・ジェネレータ2ならびに第2モータ・ジェネレータ3の運転制御、および、クラッチC1ならびにブレーキB1の係合・開放制御などを行う電子制御装置(ECU)21が設けられている。そのECU21の制御系統を図8にブロック図で示してある。
ECU21は、走行のための全体的な制御を行うハイブリッド制御装置(HV−ECU)22、第1モータ・ジェネレータ2ならびに第2モータ・ジェネレータ3を制御するためのモータ・ジェネレータ制御装置(MG−ECU)23、および、エンジン1を制御するためのエンジン制御装置(E/G−ECU)24などが設けられている。これらの各ECU22,23,24は、それぞれ、マイクロコンピュータを主体にして、入力されたデータおよび予め記憶させられているデータを使用して演算を行い、その演算結果を制御指令信号として出力するように構成されている。
ECU21に入力される入力データの例を挙げると、例えば、車速、アクセル開度、第1モータ・ジェネレータ2の回転数、第2モータ・ジェネレータ3の回転数、リングギヤ7の回転数(出力軸回転数)、エンジン1の回転数、および、バッテリのSOCなどが、HV−ECU22に入力されるようになっている。また、ECU21から出力される指令信号の例を挙げると、例えば、第1モータ・ジェネレータ2のトルク指令値、第2モータ・ジェネレータ3のトルク指令値、エンジン1のトルク指令値、および、クラッチC1の油圧指令値PC1ならびにブレーキB1の油圧指令値PB1などが、HV−ECU22から出力されるようになっている。
上記の第1モータ・ジェネレータ2のトルク指令値および第2モータ・ジェネレータ3のトルク指令値は、MG−ECU23に制御データとして入力されるようになっている。そして、MG−ECU23は、これらのトルク指令値に基づいて演算を行い、第1モータ・ジェネレータ2および第2モータ・ジェネレータ3の電流指令信号を出力するように構成されている。また、エンジントルク指令信号は、E/G−ECU24に制御データとして入力されるようになっている。そして、E/G−ECU24は、そのエンジントルク指令信号に基づいて演算を行い、電子スロットルバルブ(図示せず)に対するスロットル開度信号、および点火時期を制御する点火信号などを出力するように構成されている。
上記のようにハイブリッド車両Veの駆動力源を構成しているエンジン1、および、第1モータ・ジェネレータ2ならびに第2モータ・ジェネレータ3は、それらの動力性能や駆動特性が互いに異なっている。例えば、エンジン1は、低トルクかつ低回転数の領域から高トルクかつ高回転数の領域までの幅広い運転領域で運転が可能である。また、エンジン1のエネルギ効率は、トルクおよび回転数がある程度高い運転領域で良好になる。これに対して、第1モータ・ジェネレータ2は、エンジン1の回転数やエンジン1を停止させる際のクランク角度などを調整する制御および駆動力の出力を行うために、低回転数で大きいトルクを出力する特性を有している。そして、第2モータ・ジェネレータ3は、駆動軸4にトルクを出力するために、第1モータ・ジェネレータ2よりも高回転数で運転でき、かつ最大トルクが第1モータ・ジェネレータ2よりも小さい特性を有している。
上記のようなエンジン1、および、第1モータ・ジェネレータ2ならびに第2モータ・ジェネレータ3を駆動力源とするハイブリッド車両Veでは、それら複数の駆動力源を有効に利用して、エネルギ効率あるいは燃費が良好になるように制御される。すなわち、前述したように、エンジン1の出力によって走行する「エンジン走行モード」と、第1モータ・ジェネレータ2および第2モータ・ジェネレータ3の少なくともいずれかの出力により走行する「モータ走行モード」とを、ハイブリッド車両Veの走行状態に応じて選択して設定するように構成されている。
上記のような各走行モードが設定される運転領域を図9のマップに示してある。この図9は、車速を横軸、要求駆動力を縦軸として車両Veの運転領域を示す図である。符号Iで示す領域が「エンジン走行モード」を実行するエンジン走行領域、符号IIで示す領域が「モータ走行モード」を実行するモータ走行領域である。エンジン走行領域Iには、変速機構17を直結状態(Low)に制御する領域とO/D状態(High)に制御する領域とを仕切る閾値Tが設定されている。そして、これら各走行モードおよび変速機構17における各変速段が、ハイブリッド車両Veに対する要求駆動力に応じて選択されて設定されるようになっている。例えば、図9に矢印aで示すように、車速と要求駆動力とから決まる運転点が、直結状態(Low)の領域からO/D状態(High)の領域へ変化することにより、変速機構17で直結状態(Low)からO/D状態(High)への変速制御が実行される。このような運転領域の変化に伴う走行モードの切り替えや変速機構17における変速段の切り替えのための制御が、前述したECU21によって実行されるように構成されている。
なお、上述の図1,図2に示したハイブリッド車両Veは、シングルプラネタリ形の遊星歯車装置17aを用いて変速機構17を構成した例である。これに対して、この発明では、ダブルプラネタリ形の遊星歯車装置を用いて変速機構17を構成することもできる。そのようなダブルプラネタリ形の遊星歯車装置を用いて変速機構17を構成した例であり、かつ、FR方式の車両へ搭載するのに適したドライブトレーンの例を図10に示してある。
この図10に示すハイブリッド車両Veは、前述の図1に示したハイブリッド車両Veと比較して、変速機構17の構成、および、変速機構17とエンジン1ならびに第1モータ・ジェネレータ2との連結関係のみが異なっている。具体的には、この図10に示す例では、変速機構17は、ダブルピニオン形の遊星歯車装置17bによって構成されている。その遊星歯車装置17bのリングギヤ31が、エンジン1の出力軸1aに連結されている。キャリア32は、動力分割機構4のキャリア8に一体となって回転するように連結されている。なお、この図10に示す例におけるキャリア32は、一方がサンギヤ33に噛み合い、他方がリングギヤ31に噛み合っていて、なおかつ互いに噛み合っている2つのピニオンギヤを、自転および公転が可能なように保持する構成となっている。そして、サンギヤ33とキャリア32との間に、これらサンギヤ33とキャリア32とを選択的に連結するクラッチC1が設けられている。また、サンギヤ33を選択的に回転不可能な状態に固定するブレーキB1が設けられている。
この図10に示す例における変速機構17も、前述の図1に示した例と同様に、クラッチC1を係合させることにより、遊星歯車装置17bのサンギヤ33とキャリア32とが連結される。その結果、遊星歯車装置17bの全体が一体となって回転し、増速作用および減速作用の生じないいわゆる直結状態となる。そして、クラッチC1に加えてブレーキB1を係合させることにより、変速機構17の全体が一体となって固定され、動力分割機構4におけるキャリア8およびエンジン1の回転が止められる。これに対して、ブレーキB1のみを係合させることにより、この図10に示す例における変速機構17では、変速機構17におけるサンギヤ33が固定要素となり、またリングギヤ31が入力要素となる。そのため、リングギヤ31を入力要素とした場合に出力要素となるキャリア32が、リングギヤ31よりも高回転数で、かつリングギヤ31と同方向に回転する。したがって、変速機構17は増速機構として機能する。すなわち、変速機構17でO/D段(High)が設定される。
また、図11には、ダブルプラネタリ形の遊星歯車装置を用いて変速機構17を構成した例であり、かつ、FF方式の車両へ搭載するのに適したドライブトレーンの例を示してある。この図11に示すハイブリッド車両Veは、前述の図2に示したハイブリッド車両Veと比較して、変速機構17の構成、および、変速機構17とエンジン1ならびに第1モータ・ジェネレータ2との連結関係のみが異なっている。ダブルピニオン形の遊星歯車装置17bにより構成された変速機構17、および、その変速機構17とエンジン1ならびに第1モータ・ジェネレータ2との連結関係等は、上記の図10に示すハイブリッド車両Veのドライブトレーンと同様に構成されている。
上記のように、この発明におけるハイブリッド車両用動力伝達装置TMは、エンジン1と動力分割機構4との間に、エンジン1の回転数を変速する変速機構17を備えている。その変速機構17は、上述したように変速段を直結状態(Low)とO/D状態(High)とを設定し、また、それらの変速段を切り替えるために、遊星歯車装置17aもしくは遊星歯車装置17b、および、摩擦係合装置すなわちクラッチC1ならびにブレーキB1を備えている。したがって、この発明におけるハイブリッド車両用動力伝達装置TMでは、変速機構17の遊星歯車装置17aもしくは遊星歯車装置17bや、クラッチC1ならびにブレーキB1に、それらを潤滑および冷却するための潤滑油を供給する必要がある。すなわち、遊星歯車装置17aもしくは遊星歯車装置17bや、クラッチC1ならびにブレーキB1に、潤滑油を供給するための油路や油圧装置を設ける必要がある。
この発明におけるハイブリッド車両用動力伝達装置では、従来の装置の構成に上記のような変速機構17を加える場合であっても、油路や油圧装置の構成を複雑にすることなく、特に、第1モータ・ジェネレータ2のコイルエンドを良好に冷却することができるように構成されている。その具体的な構成の一例を図12に示してある。この図12に示す動力伝達装置TMは、前述の図1,図2で示したドライブトレーンの構成に対応するものである。すなわち、変速機構17をシングルピニオン形の遊星歯車装置17aにより構成した場合の例である。
動力伝達装置TMは、変速機構17、第1モータ・ジェネレータ2、および動力分割機構4を備えている。そして、それら変速機構17、第1モータ・ジェネレータ2、および動力分割機構4が、この図12では図示していないエンジン1に近い方から、すなわち動力伝達装置TMの前方(図12での左側)から、変速機構17、第1モータ・ジェネレータ2、動力分割機構4の順で配置されている。
変速機構17は、シングルピニオン形の遊星歯車装置17a、クラッチC1ならびにブレーキB1、入力軸100、および、出力フランジ101によって構成されている。クラッチC1は、遊星歯車装置17aのサンギヤ20とキャリア18とを連結するための摩擦材102と、その摩擦材102を動作させてクラッチC1を係合・開放状態に制御するための油圧アクチュエータ103およびリターンスプリング104とを備えている。油圧アクチュエータ103には、後述する油路116を介してクラッチC1を係合させるための油圧が供給されるようになっている。一方、ブレーキB1は、遊星歯車装置17aのサンギヤ20を回転不可能な状態に固定するための摩擦材105と、その摩擦材105を動作させてブレーキB1を係合・開放状態に制御するための油圧アクチュエータ106およびリターンスプリング107とを備えている。油圧アクチュエータ106には、後述する油路117を介してブレーキB1を係合させるための油圧が供給されるようになっている。
上記の遊星歯車装置17a、クラッチC1ならびにブレーキB1、および、入力軸100を収容するフロントカバー108が設けられている。このフロントカバー108は、動力伝達装置TMとして組み立てが完了した状態でエンジン1に対向する部分を覆う部材である。この図12に示す動力伝達装置TMでは、このフロントカバー108の内側に、遊星歯車装置17a、クラッチC1ならびにブレーキB1、入力軸100、および、出力フランジ101が組み込まれている。
具体的には、フロントカバー108の内側の前方、すなわち図12では図示していないエンジン1に近い側(図12での左側)に、油圧アクチュエータ103ならびにリターンスプリング104、および、油圧アクチュエータ106ならびにリターンスプリング107が取り付けられている。そして、それら油圧アクチュエータ103,106およびリターンスプリング104,107の後方(図12での右側)の内径側に、遊星歯車装置17aが配置されている。
遊星歯機構17aのサンギヤ20の内周部分に、変速機構17の入力部材として機能する入力軸100が、サンギヤ20と相対回転可能なように配置されている。この入力軸100は、フロントカバー108に形成されている貫通穴108aの内周部に設けられたニードルベアリング109、および、後述する動力分割機構4の入力軸125に形成されたざぐり穴の内周部に設けられたブッシュ128によって支持されている。
入力軸100には、入力軸100と一体となって回転するフランジ113が形成されていて、そのフランジ113に、遊星歯車装置17aのキャリア18が一体となって回転するように連結されている。すなわち、入力軸100とキャリア18とが一体となって回転するように連結されている。そして、入力軸100の前方側(図12での左側)の端部が、この入力軸100とエンジン1の出力軸1aとをダンパ機構(図示せず)等を介して連結するために、貫通穴108aから突出させられている。入力軸100の後方側(図12での右側)の端部は、後述する動力分割機構4の入力軸125に支持されるようになっている。
入力軸100の後方側の端部の外周部分で、上記のフランジ112の後方に、変速機構17の出力部材として機能する出力フランジ101が、入力軸100と相対回転可能なように配置されている。この出力フランジ101は、出力フランジ101と上記のフランジ113との間に設けられたスラストベアリング114、および、出力フランジ101と後述するMG1カバー118との間に設けられたスラストベアリング115によって支持されている。
出力フランジ101には、遊星歯車装置17aのリングギヤ19が一体となって回転するように連結されている。そして、出力フランジ101の後方側の端部に、出力フランジ101と後述する動力分割機構4の入力軸125とを動力伝達可能に連結するためのスプライン穴101aが形成されている。すなわち、動力分割機構4の入力軸125の前方側の端部にはスプライン軸125aが形成されていて、これら出力フランジ101と入力軸125とがスプライン嵌合するように構成されている。
上記の油圧アクチュエータ103ならびにリターンスプリング104、および、遊星歯車装置17aの外周側に、クラッチC1の摩擦材102が配置されている。摩擦材102の一部は、遊星歯車装置17aのサンギヤ20に一体となって回転するように連結されている。摩擦材102の他の一部は、遊星歯車装置17aのキャリア18に一体となって回転するように連結されている。さらに、クラッチC1の外周側に、ブレーキB1の摩擦材105が配置されている。摩擦材105の一部は、遊星歯車装置17aのサンギヤ20に一体となって回転するように連結されている。摩擦材105の他の一部は、フロントカバー108の内側に形成された固定部材16に固定されている。
フロントカバー108に、クラッチC1に係合油圧を供給する油路116、および、ブレーキB1に係合油圧を供給する油路117が形成されている。油路116は、例えばこの図12に示す例では、フロントカバー108の内部に3箇所の穴開け加工を施すことにより形成された連通孔となっている。また、油路117も同様に、フロントカバー108の内部に3箇所の穴開け加工を施すことにより形成された連通孔となっている。これら油路116および油路117には、フロントカバー108と後述するMG1カバー118およびハウジング122とが組み付けられることにより、ハウジング122に形成されている供給油路122bが、それぞれ接続されるように構成されている。供給油路122bには、オイルポンプ等の油圧源を備えたバルブボディ(図示せず)側からクラッチC1およびブレーキB1を制御するための油圧がそれぞれ供給されるようになっている。
また、遊星歯車装置17aや第1モータ・ジェネレータ2のロータ2aあるいは動力分割機構4などに潤滑油を供給するための油路が、この動力伝達装置TMの各回転軸の内部にそれぞれ形成されている。すなわち、変速機構17の入力軸100の内部の回転中心軸の周りに、潤滑油供給用の油路100aが形成されている。同様に、動力分割機構4の入力軸125の内部の回転中心軸の周りに、潤滑油供給用の油路125bが形成されている。そして、同様に、後述する動力分割機構4の出力軸126の内部の回転中心軸の周りに、潤滑油供給用の油路126aが形成されている。したがって、これら油路100a、油路125b、および油路126aは、全て同一の回転軸線上に配置されていて、潤滑油の流通が可能なように互いに連通されている。そして、出力軸126の後方側から、各油路100a,125b,126aに、順次、潤滑用の油圧が供給されるようになっている。
入力軸100の内部に形成された油路100aには、その油路100aと入力軸100の外周部との間を貫通するように形成された油路100bおよび油路100cがそれぞれ連通されている。油路100bは、入力軸100とフロントカバー108およびスリーブ111の内周部との間の摺動部位へ潤滑用の油圧を供給するように構成されている。油路100cは、変速機構17の遊星歯車装置17aおよびクラッチC1ならびにブレーキB1などへ潤滑用の油圧を供給するように構成されている。
入力軸125の内部に形成された油路125bには、その油路125bと入力軸125の外周部との間を貫通するように形成された油路125c、油路125d、および油路125eがそれぞれ連通されている。油路125cは、入力軸125と第1モータ・ジェネレータ2のロータ2aの内周部との間の摺動部位や、コイルエンド2bなどの冷却必要部位へ潤滑用の油圧を供給するように構成されている。油路125dは、動力分割機構4の遊星歯車装置などへ潤滑用の油圧を供給するように構成されている。油路125eは、入力軸125と後述する動力分割機構4のフランジ127の内周部との間の摺動部位などへ潤滑用の油圧を供給するように構成されている。
そして、この発明における動力伝達装置TMでは、MG1カバー118に、変速機構17を潤滑および冷却した潤滑油を第1モータ・ジェネレータ2のコイルエンド2bへ供給するための潤滑穴118bが形成されている。MG1カバー118は、変速機構17と第1モータ・ジェネレータ2との間を仕切るとともに第1モータ・ジェネレータ2のロータ2aを支持する支持部材である。
潤滑穴118bは、MG1カバー118のコイルエンド2bと対向する位置に、MG1カバー118の変速機構17側の表面と第1モータ・ジェネレータ2側の表面との間を貫通する穴として形成されている。また、潤滑穴118bは、変速機構17がフロントカバー108およびMG1カバー118の内側に収容された状態で、遊星歯車装置17aの外周部付近にも対向するように形成されている。したがって、変速機構17が回転する際には、変速機構17やクラッチC1およびブレーキB1に供給された潤滑油が遠心力を受けて変速機構17の外周部分に移動する。すなわち、潤滑油は、変速機構17やクラッチC1およびブレーキB1を潤滑しながら変速機構17の外周部分に移動する。その後、変速機構17やクラッチC1およびブレーキB1を潤滑した潤滑油は、潤滑穴118bを通過してコイルエンド2bに供給される。
また、リングギヤ19あるいは遊星歯車装置17aのクラッチドラムなどの遊星歯車装置17aの外周面を形成する部材に、貫通孔17cが形成されている。すなわち、この貫通孔17cは、遊星歯車装置17aの外周面を形成する部材を遊星歯車装置17aの内部と外周面との間を貫通する穴として形成されている。したがって、変速機構17が回転する際には、遊星歯車装置17aに供給されてその内部のサンギヤ20やピニオンギヤ等を潤滑した潤滑油が、貫通孔17cを通過して遊星歯車装置17aの外部へ放出される。そして、遊星歯車装置17aの外部から放出された潤滑油は、今度は潤滑穴118bを通過してコイルエンド2bに供給される。
さらに、クラッチC1の摩擦材102の一部が取り付けられているハブ102aに、そのハブ102aを回転軸線方向にMG1カバー118側(図12での右側)に延長させた延長部102bが形成されている。ハブ102aは、この延長部102bのMG1カバー118側の先端部分が潤滑穴118bの開口部付近に対向するように形成されている。したがって、変速機構17が回転する際には、遠心力を受けた潤滑油や、フロントカバー108およびMG1カバー118の内側で撹拌されて飛散した潤滑油が、延長部102bに付着してそのMG1カバー118側の先端部分へ流動する。そして、延長部102bの先端から離れて再び飛散した潤滑油は、今度は潤滑穴118bを通過してコイルエンド2bに供給される。
このように、この発明における動力伝達装置TMでは、MG1カバー118の変速機構17の外周部付近に対応する位置に、潤滑油の流通が可能な潤滑穴118bが設けられている。すなわち、動力伝達装置TMの内部は、変速機構17側から第1モータ・ジェネレータ2側への潤滑油の流入を許容するように構成されている。したがって、変速機構17に供給されてその遊星歯車装置17aやクラッチC1およびブレーキB1を潤滑した潤滑油は、遠心力を受けて変速機構17の外周側に移動すると、MG1カバー118の潤滑穴118bを通って第1モータ・ジェネレータ2のコイルエンド2bに散布させられる。そのため、潤滑油を有効に活用してコイルエンド2bを冷却することができ、その結果、この動力伝達装置TMの潤滑性能および冷却性能を良好なものにすることができる。
なお、上記のように、この動力伝達装置TMの各回転軸の内部には、潤滑用の油圧を供給するための油路が形成されている。それに対して、変速機構17の変速制御用の油圧を供給する油路116,117は、動力伝達装置TMの各回転軸の内部には形成されず、上記のようにフロントカバー108の内部に形成されている。したがって、この発明における動力伝達装置TMでは、各回転軸の内部に形成される油路が、変速制御用の油圧と比較して圧力が低い潤滑用の油圧専用になっている。その結果、回転軸の内部に変速制御用の油圧を供給する油路を設けた構成と比較して、各回転軸内部の油路や、その内部の油路から装置各部へ潤滑油圧を供給するための油路などの構成が簡素化されている。例えば、油圧漏れを防ぐために用いられるシールリング(図示せず)の強度が低下させられている。あるいは、シールリングの使用箇所が削減されている。また、回転軸に変速制御用の油路が設けられていない分、シールリングの使用箇所が削減されている。そのため、回転軸が回転する際にシールリングの摺動部位で発生する引き摺り損失を低減することができる。
遊星歯車装置17a、クラッチC1、ブレーキB1、および、入力軸100などの変速機構17を構成する各部材が、フロントカバー108の内側に収容されて組み付けられている。それら変速機構17を構成する各部材が組み付けられた状態で、フロントカバー108の後方側の開口部分に、MG1カバー118が取り付けられている。例えば、図12に示すように、複数のボルト119によって、フロントカバー108とMG1カバー118とが一体に固定されている。MG1カバー118には、フロントカバー108と同様の貫通穴118aが形成されている。そして、この貫通穴118aの部分で、変速機構17の入力軸100と後述する動力分割機構4の入力軸125とが互いに相対回転可能に接続され、また、変速機構17の出力フランジ101と後述する動力分割機構4の入力軸125とがスプライン嵌合されるように構成されている。
上記のMG1カバー118は、第1モータ・ジェネレータ2の前方(図12での左側)の端部の形状に沿って形成されている。そのため、MG1カバー118の外周側の部分が、第1モータ・ジェネレータ2のコイルエンド2bの前方の端部の位置に合わせて形成されているのに対して、貫通穴118aが形成されているMG1カバー118の中心部分は、コイルエンド2bやステータ2cの内周部分に入り込んだ形状になっている。すなわち、図12の断面図に示すように、MG1カバー118の中心部分が、図12での右側に突出した形状になっていて、貫通穴118aが第1モータ・ジェネレータ2の内周部分に位置するようになっている。したがって、変速機構17の出力フランジ101と動力分割機構4の入力軸125とが、第1モータ・ジェネレータ2の内周部分で、スプラインによって連結される構成になっている。
このように、この発明における動力伝達装置TMでは、第1モータ・ジェネレータ2の内周部分の空間を有効に利用して、変速機構17および動力分割機構4が配置される構成になっている。そのため、動力伝達装置TMの回転軸方向の全長を短縮して、動力伝達装置TMの小型・軽量化を図ることができる。
なお、この図12に示す例では、ブレーキB1の摩擦材105が固定されている固定部材16の外周部と、フロントカバー108の内周部との間に、空間108bが形成されている。この空間108bは、変速機構17に供給されたオイルのオイル戻りやオイル溜まりとして有効に機能するようになっている。
MG1カバー118の後方側(図12での右側)の側面に、第1モータ・ジェネレータ2のロータ2aの前方側(図12での左側)の端部を支持するためのボールベアリング120が取り付けられている。具体的には、MG1カバー118にボールベアリング120のアウターレース120aが固定されている。そして、フロントカバー108と一体に固定されたMG1カバー118を、後述する第1モータ・ジェネレータ2が収容されたハウジング122に取り付けることにより、ボールベアリング120のインナーレース120bにロータ2aが組み込まれるように構成されている。また、ロータ2aの後方側(図12での右側)の端部は、後述するボールベアリング124によって支持されている。
上記のように、変速機構17は、遊星歯車装置17a、クラッチC1、ブレーキB1、および、入力軸100などの変速機構17を構成する各部材が、フロントカバー108の内側に組み込まれてMG1カバー118によって蓋をされた状態で1つのユニットとなっている。すなわち、この発明における変速機構17は、フロントカバー108とMG1カバー118とにより覆われた変速ユニットとして形成することができ、その変速ユニットをサブアッシーとして取り扱うことができるように構成されている。
変速機構17を収容したフロントカバー108およびMG1カバー118の後方に、第1モータ・ジェネレータ2およびレゾルバ121等を収容するハウジング122が配置されている。すなわち、ハウジング122の前方(図12での左側)に、上記のように変速機構17を収容して変速ユニットとして形成されたフロントカバー108およびMG1カバー118が固定されている。例えば、図12に示すように、複数のボルト123によって、フロントカバー108およびMG1カバー118と、ハウジング122とが一体に固定されている。
ハウジング122は、前方すなわちMG1カバー118側(図12での左側)に開口していて、そのハウジング122の後方側の側壁部122aの内側に、レゾルバ121が取り付けられている。側壁部122aには貫通穴が形成されていて、その貫通穴の内周部分にボールベアリング124が取り付けられている。レゾルバ121の前方のハウジング122の内側に、第1モータ・ジェネレータ2のステータ2cが固定されている。
ステータ2cの内周部分に、第1モータ・ジェネレータ2のロータ2aが挿入されている。このロータ2aの前方側(図12での左側)の端部は、前述したように、ハウジング122とフロントカバー108およびMG1カバー118とが一体に組み付けられることにより、ボールベアリング120によってMG1カバー118に支持されるように構成されている。一方、ロータ2aの後方側(図12での右側)の端部は、上記のボールベアリング124によってハウジング122に支持されている。また、このロータ2aの後方側の端部には、ロータ2aと動力分割機構4のサンギヤ6とを動力伝達可能に連結するためのスプライン穴2dが形成されている。すなわち、後述の動力分割機構4のサンギヤ6と一体に連結されているフランジ127にスプライン軸127aが形成されていて、これらロータ2aとフランジ127とがスプライン嵌合するように構成されている。
第1モータ・ジェネレータ2を収容したハウジング122の内側に、動力分割機構4が配置されている。この動力分割機構4は、前述したようにシングルピニオン形の遊星歯車装置から構成されていて、そのキャリア8が一体となって回転するように連結された入力軸125、および、リングギヤ7が一体となって回転するように連結された出力軸126を備えている。動力分割機構4のサンギヤ6には、フランジ127が一体となって回転するように連結されている。このフランジ127の前方側(図12での左側)の端部の外周部分には、スプライン軸127aが形成されている。そして、このフランジ127と、前述のスプライン穴2dが形成された第1モータ・ジェネレータ2のロータ2aとが、スプライン嵌合するように構成されている。すなわち、動力分割機構4のサンギヤ6は、スプラインによって第1モータ・ジェネレータ2のロータ2aに一体となって回転するように連結されている。
入力軸125は、動力分割機構4のサンギヤ6およびフランジ127と相対回転が可能なように、それらサンギヤ6およびフランジ127の内周部分に挿入されている。この入力軸125の前方側(図12での左側)の部分は、フランジ127から突出していて、そのフランジ127から突出している部分が、ロータ2aの内周部分に、ロータ2aと相対回転可能なように挿入されている。また、入力軸125の前方側の端部の外周部分には、スプライン軸125aが形成されている。そして、この入力軸125と、前述のスプライン穴101aが形成された変速機構17の出力フランジ101とが、スプライン嵌合するように構成されている。すなわち、変速機構17の出力部材である出力フランジ101と、動力分割機構4の入力部材である入力軸125とが、スプラインによって互いに一体となって回転するように連結されている。なお、上記のような出力フランジ101と入力軸125との連結は、スプラインの代わりに、セレーションを用いてもよい。
さらに、入力軸125の前方側の端部には、前述の変速機構17の入力軸100の後方側(図12での右側)の端部を相対回転が可能なように支持するためのざぐり穴が形成されている。これら入力軸100の後方側の端部と入力軸125の前方側の端部に形成されたざぐり穴との間には、ブッシュ128が設けられている。
出力軸126の前方側(図12での左側)の端部には、出力軸126と一体となって回転するフランジ129が形成されていて、そのフランジ129に、動力分割機構4のリングギヤ7が一体となって回転するように連結されている。すなわち、出力軸126とリングギヤ7とが一体となって回転するように連結されている。一方、出力軸126の後方側(図12での右側)の端部は、この図12では図示していないプロペラシャフト9に一体となって回転するように連結されている。そして、この出力軸126の後方側の部分が、ハウジング122の後方側に取り付けられたケース130に支持されている。すなわち、ケース130の前方側の側壁部130aには貫通穴が形成されていて、その側壁部130aの貫通穴に出力軸126の後方側の部分が挿入されている。そして出力軸126が、側壁部130aの貫通穴の内周部に支持されている。
さらに、出力軸126の前方側の端部には、この動力分割機構4の入力軸125の後方側(図12での右側)の端部を相対回転が可能なように支持するためのざぐり穴が形成されている。これら入力軸125の後方側の端部と出力軸126の前方側の端部に形成されたざぐり穴との間には、ブッシュ131が設けられている。
なお、上記の例では、動力分割機構4のリングギヤ7が、出力軸126を介して、プロペラシャフト9に連結された構成、すなわち、前述の図1に示したFR方式の車両へ搭載するのに適したドライブトレーンに、この発明の動力伝達装置TMを適用した構成を説明している。これに対して、前述の図2に示したFF方式の車両へ搭載するのに適したドライブトレーンに、この発明の動力伝達装置TMを適用した場合には、動力分割機構4のリングギヤ7が、出力軸126を介して、ギヤ列12を構成するドライブギヤ25に一体となって回転するように連結された構成となる。それ以外の部分の構成は、上記の図12に示した例と同様に構成することができる。
図13に、この発明における動力伝達装置の他の構成例を示してある。この図13に示す動力伝達装置TMは、前述の図10および図11で示したドライブトレーンの構成に対応するものである。すなわち、変速機構17をダブルピニオン形の遊星歯車装置17bにより構成した例である。
図13において、動力伝達装置TMは、上述の図12に示した構成と同様に、変速機構17、第1モータ・ジェネレータ2、および動力分割機構4を備えている。そして、この図13では図示していないエンジン1に近い方から、すなわち動力伝達装置TMの前方(図13での左側)から、変速機構17、第1モータ・ジェネレータ2、動力分割機構4の順で配置されている。
この図13に示す構成では、変速機構17は、ダブルピニオン形の遊星歯車装置17b、クラッチC1ならびにブレーキB1、入力軸200、および、中間軸201によって構成されている。クラッチC1は、遊星歯車装置17bのサンギヤ33とキャリア32とを連結するための摩擦材202と、その摩擦材202を動作させてクラッチC1を係合・開放状態に制御するための油圧アクチュエータ203およびリターンスプリング204とを備えている。油圧アクチュエータ203には、後述する油路218を介してクラッチC1を係合させるための油圧が供給されるようになっている。一方、ブレーキB1は、遊星歯車装置17bのサンギヤ33を回転不可能な状態に固定するための摩擦材205と、その摩擦材205を動作させてブレーキB1を係合・開放状態に制御するための油圧アクチュエータ206およびリターンスプリング207とを備えている。油圧アクチュエータ206には、後述する油路219を介してブレーキB1を係合させるための油圧が供給されるようになっている。
上記の遊星歯車装置17b、クラッチC1ならびにブレーキB1、および、入力軸200を収容するフロントカバー208が設けられている。このフロントカバー208は、動力伝達装置TMとして組み立てが完了した状態でエンジン1に対向する部分を覆う部材である。この図13に示す動力伝達装置TMでは、このフロントカバー208の内側に、遊星歯車装置17b、クラッチC1ならびにブレーキB1、入力軸200、および、中間軸201が組み込まれている。
具体的には、フロントカバー208の内側の前方、すなわち図13では図示していないエンジン1に近い側(図13での左側)に、遊星歯車装置17bが配置されている。その遊星歯車装置17bのサンギヤ33の内周部分に、変速機構17の入力部材として機能する入力軸200が、サンギヤ33および中間軸201と相対回転可能なように配置されている。この入力軸200は、フロントカバー208に形成されている貫通穴208aの内周部に設けられたニードルベアリング209、および、後述するように中間軸201の内周部に設けられたブッシュ210によって支持されている。そして、遊星歯車装置17bの後方(図13での右側)に、油圧アクチュエータ203ならびにリターンスプリング204、および、油圧アクチュエータ206ならびにリターンスプリング207が取り付けられている。
入力軸200には、入力軸200と一体となって回転するフランジ211が形成されていて、そのフランジ211に、遊星歯車装置17bのリングギヤ31が一体となって回転するように連結されている。すなわち、入力軸200とリングギヤ31とが一体となって回転するように連結されている。そして、入力軸200の前方側(図13での左側)の端部が、この入力軸200とエンジン1の出力軸1aとをダンパ機構(図示せず)等を介して連結するために、貫通穴208aから突出させられている。入力軸200の後方側(図13での右側)の端部は、後述するように中間軸201に支持されるようになっている。また、入力軸200のフランジ211よりも後方側の部分は、中間軸201に形成されたざぐり穴に挿入可能なように、外径が他の部分よりも細くなっている。
遊星歯車装置17bのサンギヤ33の内周部分には、上記の入力軸200に加えて、変速機構17の出力部材として機能する中間軸201が、入力軸200およびサンギヤ33と相対回転可能なように配置されている。また、この中間軸201は、入力軸200と同一の回転軸線上で、入力軸200の後方側に配置されている。この中間軸201は、後述するMG1カバー217に形成されている貫通穴217aの内周部に設けられたニードルベアリング215、および、第1モータ・ジェネレータ2のロータ2aの内周部に設けられたニードルベアリング216によって支持されている。
中間軸201には、遊星歯車装置17bのキャリア32が一体となって回転するように連結されている。また、中間軸201の前方側の端部には、入力軸200の後方側の小径部分を相対回転が可能なように支持するためのざぐり穴が形成されている。これら入力軸200の後方側の端部と中間軸201の前方側の端部に形成されたざぐり穴との間には、ブッシュ210が設けられている。そして、中間軸201の後方側の端部には、中間軸201と動力分割機構4の入力軸125とを動力伝達可能に連結するためのスプライン穴201aが形成されている。すなわち、動力分割機構4の入力軸125の前方側の端部にはスプライン軸125aが形成されていて、これら中間軸201と入力軸125とがスプライン嵌合するように構成されている。したがって、変速機構17の出力部材である中間軸201と、動力分割機構4の入力部材である入力軸125とが、スプラインによって互いに一体となって回転するように連結されている。なお、上記のような中間軸201と入力軸125との連結は、スプラインの代わりに、セレーションを用いてもよい。
上記の油圧アクチュエータ203ならびにリターンスプリング204、および、遊星歯車装置17bの外周側に、クラッチC1の摩擦材202が配置されている。摩擦材202の一部は、遊星歯車装置17bのサンギヤ33に一体となって回転するように連結されている。摩擦材202の他の一部は、遊星歯車装置17bのキャリア32に一体となって回転するように連結されている。さらに、クラッチC1の外周側に、ブレーキB1の摩擦材205が配置されている。摩擦材205の一部は、MG1カバー217の内側に形成された固定部材16に固定されている。
遊星歯車装置17b、クラッチC1、ブレーキB1、入力軸200、および、中間軸201などの変速機構17を構成する各部材が、フロントカバー208の内側に収容されて組み付けられている。それら変速機構17を構成する各部材が組み付けられた状態で、フロントカバー208の後方側の開口部分に、MG1カバー217が取り付けられている。例えば、図13に示すように、複数のボルト119によって、フロントカバー208とMG1カバー217とが一体に固定されている。MG1カバー217には、フロントカバー208と同様の貫通穴217aが形成されている。この貫通穴217aの内周部分に、中間軸201が挿入されている。そして、スプライン穴201aが形成された中間軸201の後方側の端部が、第1モータ・ジェネレータ2のロータ2aの内周部分で動力分割機構4の入力軸125とスプライン嵌合するために、貫通穴217aから後方側に突出させられている。
上記のMG1カバー217は、第1モータ・ジェネレータ2の前方(図13での左側)の端部の形状に沿って形成されている。そのため、MG1カバー217の外周側の部分が、第1モータ・ジェネレータ2のコイルエンド2bの前方の端部の位置に合わせて形成されているのに対して、貫通穴217aが形成されているMG1カバー217の中心部分は、コイルエンド2bやステータ2cの内周部分に入り込んだ形状になっている。すなわち、図13の断面図に示すように、MG1カバー217の中心部分が、図13での右側に突出した形状になっていて、貫通穴217aが第1モータ・ジェネレータ2の内周部分に位置するようになっている。したがって、変速機構17の中間軸201と動力分割機構4の入力軸125とが、第1モータ・ジェネレータ2の内周部分で、スプラインによって連結される構成になっている。
この図13に示す例においても、前述の図12に示した例と同様に、この発明における動力伝達装置TMでは、第1モータ・ジェネレータ2の内周部分の空間を有効に利用して、変速機構17および動力分割機構4が配置される構成になっている。そのため、動力伝達装置TMの回転軸方向の全長を短縮して、動力伝達装置TMの小型・軽量化を図ることができる。
そして、図13に示すこの発明におけるハイブリッド車両用動力伝達装置TMの例では、MG1カバー217に、クラッチC1に係合油圧を供給する油路218、および、ブレーキB1に係合油圧を供給する油路219が形成されている。油路218は、MG1カバー217の形状に合わせた所定の形状に成形された管部材を、MG1カバー217の内側(図13での左側)の側面に固定する、もしくは保持することにより形成されている。この油路218は、例えば、金属製の管材を曲げ加工により塑性変形させることにより成形することができる。一方、油路219は、例えば、フロントカバー208の内部に3箇所の穴開け加工を施すことにより形成された連通孔となっている。これら油路218および油路219には、フロントカバー208とMG1カバー217およびハウジング122とが組み付けられることにより、ハウジング122に形成されている供給油路122bが、それぞれ接続されるように構成されている。供給油路122bには、オイルポンプ等の油圧源を備えたバルブボディ(図示せず)側からクラッチC1およびブレーキB1を制御するための油圧がそれぞれ供給されるようになっている。
また、この図13に示す動力伝達装置TMにおいても、例えば遊星歯車装置17bや第1モータ・ジェネレータ2のロータ2aあるいは動力分割機構4などに潤滑油を供給するための油路が、この動力伝達装置TMの各回転軸の内部にそれぞれ形成されている。すなわち、変速機構17の入力軸200の内部の回転中心軸の周りに、潤滑油供給用の油路200aが形成されている。同様に、変速機構17の中間軸201の内部の回転中心軸の周りに、潤滑油供給用の油路201bが形成されている。同様に、動力分割機構4の入力軸125の内部の回転中心軸の周りに、潤滑油供給用の油路125bが形成されている。そして、同様に、動力分割機構4の出力軸126の内部の回転中心軸の周りに、潤滑油供給用の油路126aが形成されている。したがって、これら油路200a、油路201b、油路125b、および油路126aは、全て同一の回転軸線上に配置されていて、潤滑油の流通が可能なように互いに連通されている。そして、出力軸126の後方側から、各油路200a,201b,125b,126aに、順次、潤滑用の油圧が供給されるようになっている。
入力軸200の内部に形成された油路200aには、その油路200aと入力軸200の外周部との間を貫通するように形成された油路200bおよび油路200cがそれぞれ連通されている。油路200bは、入力軸200とフロントカバー108との間の摺動部位へ潤滑用の油圧を供給するように構成されている。油路200cは、入力軸200とその入力軸200を支持している中間軸201の内周部との間の摺動部位へ潤滑用の油圧を供給するように構成されている。
中間軸201の内部に形成された油路201bには、その油路201baと中間軸201の外周部との間を貫通するように形成された油路201cおよび油路201dがそれぞれ連通されている。油路201cは、変速機構17の遊星歯車装置17bなどへ潤滑用の油圧を供給するように構成されている。油路201dは、中間軸201とMG1カバー217および第1モータ・ジェネレータ2のロータ2aの内周部との間の摺動部位や、コイルエンド2bなどの冷却必要部位へ潤滑用の油圧を供給するように構成されている。
入力軸125の内部に形成された油路125bには、その油路125bと入力軸125の外周部との間を貫通するように形成された油路125dおよび油路125eがそれぞれ連通されている。油路125dは、動力分割機構4の遊星歯車装置などへ潤滑用の油圧を供給するように構成されている。油路125eは、入力軸125と動力分割機構4のフランジ127の内周部との間の摺動部位へ潤滑用の油圧を供給するように構成されている。
そして、この図13に示す動力伝達装置TMにおいても、MG1カバー217に、変速機構17を潤滑および冷却した潤滑油を第1モータ・ジェネレータ2のコイルエンド2bへ供給するための潤滑穴217bが形成されている。MG1カバー217は、変速機構17と第1モータ・ジェネレータ2との間を仕切るとともに第1モータ・ジェネレータ2のロータ2aを支持する支持部材である。
潤滑穴217bは、MG1カバー217のコイルエンド2bと対向する位置に、MG1カバー217の変速機構17側の表面と第1モータ・ジェネレータ2側の表面との間を貫通する穴として形成されている。また、潤滑穴217bは、変速機構17がフロントカバー208およびMG1カバー217の内側に収容された状態で、遊星歯車装置17bの外周部付近にも対向するように形成されている。したがって、変速機構17が回転する際には、変速機構17やクラッチC1およびブレーキB1に供給された潤滑油が遠心力を受けて変速機構17の外周部分に移動する。すなわち、潤滑油は、変速機構17やクラッチC1およびブレーキB1を潤滑しながら変速機構17の外周部分に移動する。その後、変速機構17やクラッチC1およびブレーキB1を潤滑した潤滑油は、潤滑穴217bを通過してコイルエンド2bに供給される。
このように、この図13に示す動力伝達装置TMにおいても、MG1カバー217の変速機構17の外周部付近に対応する位置に、潤滑油の流通が可能な潤滑穴217bが設けられている。すなわち、動力伝達装置TMの内部は、変速機構17側から第1モータ・ジェネレータ2側への潤滑油の流入を許容するように構成されている。したがって、変速機構17に供給されてその遊星歯車装置17bやクラッチC1およびブレーキB1を潤滑した潤滑油は、遠心力を受けて変速機構17の外周側に移動すると、MG1カバー217の潤滑穴217bを通って第1モータ・ジェネレータ2のコイルエンド2bに散布させられる。そのため、潤滑油を有効に活用してコイルエンド2bを冷却することができ、その結果、この動力伝達装置TMの潤滑性能および冷却性能を良好なものにすることができる。
なお、上記のように、この図13に示す動力伝達装置TMにおいても、動力伝達装置TMの各回転軸の内部には、潤滑用の油圧を供給するための油路が形成されている。それに対して、変速機構17の変速制御用の油圧を供給する油路218,219は、動力伝達装置TMの各回転軸の内部には形成されず、上記のようにMG1カバー217に沿って、あるいはMG1カバー217の内部に形成されている。したがって、この発明における動力伝達装置TMでは、各回転軸の内部に形成される油路が、変速制御用の油圧と比較して圧力が低い潤滑用の油圧専用になっている。そのため、回転軸の内部に変速制御用の油圧を供給する油路を設けた構成と比較して、回転軸内部の油路や、その内部の油路から装置各部へ潤滑油圧を供給するための油路などの構成が簡素化されている。例えば、油圧漏れを防ぐために用いられるシールリング(図示せず)の強度が低下させられている。あるいは、シールリングの使用箇所が削減されている。また、回転軸に変速制御用の油路が設けられていない分、シールリングの使用箇所が削減されている。そのため、回転軸が回転する際にシールリングの摺動部位で発生する引き摺り損失を低減することができる。
MG1カバー217の後方側(図13での右側)の側面に、第1モータ・ジェネレータ2のロータ2aの前方側(図13での左側)の端部を支持するためのボールベアリング120が取り付けられている。具体的には、MG1カバー217にボールベアリング120のアウターレース120aが固定されている。そして、フロントカバー208と一体に固定されたMG1カバー217を、第1モータ・ジェネレータ2が収容されたハウジング122に取り付けることにより、ボールベアリング120のインナーレース120bにロータ2aが組み込まれるように構成されている。
上記のように、変速機構17は、遊星歯車装置17b、クラッチC1、ブレーキB1、入力軸200、および、中間軸201などの変速機構17を構成する各部材が、フロントカバー208の内側に組み込まれてMG1カバー217によって蓋をされた状態で1つのユニットとなっている。すなわち、この発明における変速機構17は、フロントカバー208とMG1カバー217とにより覆われた変速ユニットとして形成することができ、その変速ユニットをサブアッシーとして取り扱うことができるように構成されている。
変速機構17を収容したフロントカバー208およびMG1カバー217の後方に、第1モータ・ジェネレータ2およびレゾルバ121等を収容するハウジング122が配置されている。すなわち、ハウジング122の前方(図13での左側)に、上記のように変速機構17を収容して変速ユニットとして形成されたフロントカバー208およびMG1カバー217が固定されている。例えば、図13に示すように、複数のボルト123によって、フロントカバー208およびMG1カバー217と、ハウジング122とが一体に固定されている。フロントカバー208およびMG1カバー217よりも後方の構成、すなわち、ハウジング122から後方の構成は、前述の図12に示した構成と同じである。
上記の図12もしくは図13に示したような動力伝達装置TMの組み立て手順について説明する。先ず、ハウジング122の内側に、ベアリング124およびレゾルバ121が取り付けられる。次いで、第1モータ・ジェネレータ2のステータ2cが取り付けられる。そして、そのステータ2cの内周部分に、第1モータ・ジェネレータ2のロータ2aが組み込まれる。
上記のようなハウジング122に対するレゾルバ121や第1モータ・ジェネレータ2の組み付けとは別に、変速ユニットが組み立てられる。すなわち、フロントカバー108の内側に、クラッチC1およびブレーキB1が取り付けられる。次いで、遊星歯車装置17aおよび入力軸100ならびに出力フランジ101が取り付けられる。そして、フロントカバー108に蓋をするようにMG1カバー118が取り付けられる。あるいは、フロントカバー208の内側に、遊星歯車装置17bおよび入力軸200ならびに中間軸201が取り付けられる。次いで、クラッチC1およびブレーキB1が取り付けられる。そして、フロントカバー208に蓋をするようにMG1カバー217が取り付けられる。これにより、変速機構17が、フロントカバー208およびMG1カバー217によって覆われた状態で、変速ユニットとして組み立てられる。
レゾルバ121および第1モータ・ジェネレータ2等が組み込まれたハウジング122に、変速ユニット、すなわち、フロントカバー108およびMG1カバー118の内側もしくはフロントカバー208およびMG1カバー217の内側に組み付けられた変速機構17が組み付けられる。すなわち、ハウジング122の図12もしくは図13の左側に、変速機構17を内蔵した変速ユニットが組み付けられる。
前述したように、この発明における動力伝達装置TMでは、ハウジング122に変速ユニットを取り付けることにより、油路116,117もしくは油路218,219が、ハウジング122に形成されている供給油路122bに接続するように構成されている。したがって、上記のようにハウジング122に変速機構17を内蔵した変速ユニットが組み付けられることにより、油路116,117もしくは油路218,219と、ハウジング122の供給油路122bとが連通され、油圧源から供給される変速制御用の油圧が、供給油路122bおよび油路116,117もしくは油路218,219を介して、変速機構17の油圧アクチュエータ103,106もしくは油圧アクチュエータ203,206へ供給することができる状態になる。
なお、上記のようにハウジング122に変速ユニットが組み付けられた状態で、第1モータ・ジェネレータ2の検査を実施することができる。具体的には、第1モータ・ジェネレータ2のロータ2aの後方(図12,図13での右側)の端部に形成されたスプライン穴2dに、スプライン軸127aが形成された動力分割機構4のフランジ127の代わりに、同様のスプライン軸127aが形成されたダミーシャフト(図示せず)が嵌め込まれる。そして、そのダミーシャフトを所定の計測機器に接続して、第1モータ・ジェネレータ2を試運転することにより、第1モータ・ジェネレータ2の動作確認やレゾルバ121の調整等を容易に実施することができる。
続いて、変速ユニットが組み付けられたハウジング122に、動力分割機構4が組み付けられる。具体的には、ハウジング122の図12もしくは図13の右側から、動力分割機構4が組み付けられる。動力分割機構4は、予め遊星歯車装置に入力軸125、フランジ127、および出力軸126等がそれぞれ組み付けられている。その動力分割機構4の入力軸125が、ハウジング122に組み付けられた第1モータ・ジェネレータ2のロータ2aの内周部分に挿入される。そして、入力軸125に形成されたスプライン軸125aと、変速機構17の出力フランジ101に形成されたスプライン穴101aとが、互いにスプライン嵌合させられる。あるいは、入力軸125に形成されたスプライン軸125aと、変速機構17の中間軸201に形成されたスプライン穴201aとが、互いにスプライン嵌合させられる。すなわち、変速機構17の出力部材と、動力分割機構4の入力部材とが、スプラインによって連結される。
その後、ハウジング122の後方の端部に、ケース130が取り付けられる。ハウジング122にケース130が取り付けられることにより、動力分割機構4の出力軸126が支持されて、この動力伝達装置TMの組み立てが完了する。
以上のように、この発明に係る動力伝達装置TMは、エンジン1と第1モータ・ジェネレータ2および動力分割機構4との間に、遊星歯車装置17a(もしくは17b)とクラッチC1ならびにブレーキB1とを備えていてエンジン1の回転数を変速する変速機構17が設けられている。その変速機構17と第1モータ・ジェネレータ2との間には、第1モータ・ジェネレータ2のロータ2aを支持しつつ変速機構17と第1モータ・ジェネレータ2との間を仕切る支持部材、すなわちMG1カバー118(もしくは217)が設けられている。そして、この発明に係る動力伝達装置TMでは、変速機構17に供給されてその変速機構17の遊星歯車装置17a(もしくは17b)およびクラッチC1ならびにブレーキB1を潤滑および冷却した潤滑油が、MG1カバー118(もしくは217)を通過して変速機構17側から第1モータ・ジェネレータ2側へ流入することができるように構成されている。具体的には、MG1カバー118(もしくは217)の変速機構17の外周部付近に対応する位置に、潤滑油の流通が可能な潤滑穴118b(もしくは217b)が形成されている。したがって、変速機構17に供給されて遊星歯車装置17a(もしくは17b)やクラッチC1ならびにブレーキB1を潤滑および冷却した潤滑油は、変速機構17が回転する際の遠心力を受けて変速機構17の外周側に移動した後に、潤滑穴118b(もしくは217b)を通って変速機構17側から第1モータ・ジェネレータ2側へ流入して、第1モータ・ジェネレータ2のコイルエンド2bに供給されることになる。
そのため、この発明に係る動力伝達装置TMによれば、従来のハイブリッド車両用動力伝達装置に対して上記のような変速機構17を追加して装置を構成する場合であっても、特に複雑な油路や油圧装置等を新たに追加することなく、変速機構17を潤滑および冷却した潤滑油を利用して第1モータ・ジェネレータ2のコイルエンド2bを冷却することができる。すなわち、装置の複雑化やコストアップを招くことなく、動力伝達装置TMの潤滑性能および冷却性能を向上させることができる。
なお、この発明に係る動力伝達装置TMでは、前述の図12に示したMG1カバー118の潤滑穴118b、および、図13に示したMG1カバー217の潤滑穴217bに、図14に示すような調整弁300を設けることができる。この発明における調整弁300は、潤滑油の油温に応じて潤滑穴118bあるいは潤滑穴217bを通過する潤滑油の量が変化するように動作するものである。この図14には、バイメタルを利用した調整弁300の構成を示している。すなわち、図14に示す構成では、MG1カバー118(もしくは217)の潤滑穴118b(もしくは217b)が形成されているいずれか一方の開口部に、調整弁300が取り付けられている。
具体的には、調整弁300は、潤滑穴118b(もしくは217b)の開口部を塞ぐことができる程度の弁座面301aを有する平板状の弁体301を備えている。そして、その弁体301の端部301bが、例えばボルト302によってMG1カバー118(もしくは217)に固定されている。弁体301は、熱膨張率の異なる複数の金属板からなるバイメタルによって形成されている。この弁体301は、例えば、常温時および低温時には、図14に示すように潤滑穴118b(もしくは217b)の開口部を開けた状態となるように、MG1カバー118(もしくは217)に固定されている。そして、温度が高くなるにつれて、弁体301が潤滑穴118b(もしくは217b)の開口部を閉じる方向に変形するように構成されている。すなわち、潤滑油の油温が高いほど潤滑穴118b(もしくは217b)を通過する潤滑油の量が少なくなるように構成されている。言い換えると、潤滑油の油温が低い時ほど、潤滑穴118b(もしくは217b)をより多くの潤滑油が通過できるように構成されている。
極低温時や運転開始直後などの潤滑油の油温が未だ低い場合には、動力伝達装置TM内の各部に十分な潤滑油が行き渡らずに、第1モータ・ジェネレータ2のコイルエンド2bを冷却するための潤滑油が不十分になる可能性があったが、この発明に係る動力伝達装置TMによれば、上記のように潤滑穴118b(もしくは217b)の開口部に調整弁300を装着することにより、潤滑油の油温が低い場合に、潤滑穴118b(もしくは217b)からより多くの潤滑油を通過させて第1モータ・ジェネレータ2のコイルエンド2bを冷却することができる。また、潤滑油の油温が上昇して高温になった後には、潤滑穴118b(もしくは217b)を通過する潤滑油の量を抑制することができる。コイルエンド2bに対して不必要に潤滑油を供給してしまうことを回避し、潤滑油を有効に利用して、動力伝達装置TM内の各部を効果的に潤滑および冷却することができる。
さらに、この発明の調整弁300は、潤滑油の油温が高いときに第1モータ・ジェネレータ2のコイルエンド2bをより一層冷却させたい場合に、上記と逆の設定で構成することもできる。具体的には、この調整弁300は、潤滑油の温度が高い場合に潤滑穴118b(もしくは217b)の開口部を開けた状態になり、潤滑油の温度が低くなるにつれて、弁体301が潤滑穴118b(もしくは217b)の開口部を閉じる方向に変形するように構成することも可能である。すなわち、潤滑油の油温が低いほど潤滑穴118b(もしくは217b)を通過する潤滑油の量が少なくなるように構成することが可能である。言い換えると、潤滑油の油温が高い時ほど、潤滑穴118b(もしくは217b)をより多くの潤滑油が通過できるように構成することもできる。このような調整弁300の構成は、弁体301を形成するバイメタルの材質や種類を適宜設定することにより、容易に実現することができる。
なお、上述した具体例では、この発明で対象にするハイブリッド車両として、エンジン1と、第1モータ・ジェネレータ2および第2モータ・ジェネレータ3とを駆動力源として備えた、いわゆる2モータタイプのハイブリッド車両の構成を例に挙げて説明したが、例えば、エンジンおよび3基以上の複数のモータ・ジェネレータを備えたハイブリッド車両であってもよい。また、外部電源から直接バッテリを充電することが可能ないわゆるプラグイン・ハイブリッド車両であってもよい。
1…エンジン(ENG)、 2…第1モータ・ジェネレータ(回転機;MG1)、 2a…ロータ(回転軸)、 3…第2モータ・ジェネレータ(MG2)、 4…動力分割機構、 5…駆動軸、 6…サンギヤ(第2回転要素)、 7…リングギヤ(第3回転要素)、 8…キャリア(第1回転要素)、 17…変速機構、 17a…シングルプラネタリ形の遊星歯車装置、 17b…ダブルプラネタリ形の遊星歯車装置、 108,208…フロントカバー、 118,217…MG1カバー(支持部材,回転機カバー)、 118b,217b…潤滑穴、 122…ハウジング、 300…調整弁、 B1…ブレーキ(摩擦係合装置)、 C1…クラッチ(摩擦係合装置)、 TM…動力伝達装置、 Ve…ハイブリッド車両。

Claims (4)

  1. エンジンおよび少なくとも1基の回転機を駆動力源とするハイブリッド車両に搭載される動力伝達装置であって、第1回転要素と、前記回転機が連結された第2回転要素と、駆動軸が連結された第3回転要素との3つの回転要素を有する差動歯車装置から構成されて前記駆動力源と前記駆動軸との間で動力を分割もしくは合成して伝達する動力分割機構、および、前記エンジンの回転数を変速してトルクを前記第1回転要素に伝達する変速機構を備え、前記エンジンに近い方から、前記変速機構、前記回転機、前記動力分割機構の順に配置されたハイブリッド車両用動力伝達装置において、
    前記変速機構と前記回転機との間に、前記変速機構と前記回転機との間を仕切るとともに前記回転機の回転軸を支持する支持部材が設けられていて、
    前記支持部材は、前記変速機構を潤滑および冷却した潤滑油の前記変速機構側から前記回転機側への流入を可能にする潤滑穴が形成されており、
    前記変速機構は、遊星歯車装置と、前記遊星歯車装置の外周側に配置される摩擦係合装置とから構成されており、
    前記潤滑穴は、前記遊星歯車装置の外周部と前記回転機とにそれぞれ対向して開口するように貫通する穴として形成されており、
    前記摩擦係合装置は、前記摩擦係合装置の摩擦材の一部が取り付けられるハブを有し、
    前記ハブは、回転軸線方向に前記支持部材側へ延びるとともに、前記支持部材側の先端部分が前記潤滑穴の開口部に対向するように形成されている
    とを特徴とするハイブリッド車両用動力伝達装置。
  2. 前記支持部材は、前記変速機構の前記回転機側を覆う隔壁状の回転機カバーを含み、
    前記回転機カバーに、前記潤滑穴が形成されている
    ことを特徴とする請求項1に記載のハイブリッド車両用動力伝達装置。
  3. 前記潤滑穴に、前記潤滑油の油温に応じて前記潤滑穴を通過する前記潤滑油の量が変化するように動作する調整弁が設けられていることを特徴とする請求項2に記載のハイブリッド車両用動力伝達装置。
  4. 前記変速機構は、前記変速機構の前記エンジン側を覆うフロントカバーの内側に収容されるとともに、前記フロントカバーと前記回転機カバーとによって覆われた変速ユニットとして形成されていて、
    記回転機および前記動力分割機構を収容するハウジングの前記変速機構側の端部に、前記変速ユニットが取り付けられている
    ことを特徴とする請求項2または3に記載のハイブリッド車両用動力伝達装置。
JP2013190962A 2013-09-13 2013-09-13 ハイブリッド車両用動力伝達装置 Expired - Fee Related JP6135420B2 (ja)

Priority Applications (5)

Application Number Priority Date Filing Date Title
JP2013190962A JP6135420B2 (ja) 2013-09-13 2013-09-13 ハイブリッド車両用動力伝達装置
US14/915,996 US9713955B2 (en) 2013-09-13 2014-09-11 Power transmitting apparatus for hybrid vehicle
PCT/IB2014/001790 WO2015036839A1 (en) 2013-09-13 2014-09-11 Power transmitting apparatus for hybrid vehicle
CN201480050653.9A CN105531136B (zh) 2013-09-13 2014-09-11 用于混合动力车辆的动力传递装置
KR1020167006307A KR101751866B1 (ko) 2013-09-13 2014-09-11 하이브리드 차량용 동력전달장치

Applications Claiming Priority (1)

Application Number Priority Date Filing Date Title
JP2013190962A JP6135420B2 (ja) 2013-09-13 2013-09-13 ハイブリッド車両用動力伝達装置

Publications (2)

Publication Number Publication Date
JP2015054685A JP2015054685A (ja) 2015-03-23
JP6135420B2 true JP6135420B2 (ja) 2017-05-31

Family

ID=51663231

Family Applications (1)

Application Number Title Priority Date Filing Date
JP2013190962A Expired - Fee Related JP6135420B2 (ja) 2013-09-13 2013-09-13 ハイブリッド車両用動力伝達装置

Country Status (5)

Country Link
US (1) US9713955B2 (ja)
JP (1) JP6135420B2 (ja)
KR (1) KR101751866B1 (ja)
CN (1) CN105531136B (ja)
WO (1) WO2015036839A1 (ja)

Families Citing this family (12)

* Cited by examiner, † Cited by third party
Publication number Priority date Publication date Assignee Title
US11161403B2 (en) * 2012-02-03 2021-11-02 Ge Hybrid Technologies, Llc Apparatus and method for delivering power in a hybrid vehicle
US9694663B2 (en) * 2015-07-24 2017-07-04 Ford Global Technologies, Llc Hybrid transmission
US9982770B2 (en) * 2015-11-25 2018-05-29 GM Global Technology Operations LLC Manual transmission oil feeder
CN106915245B (zh) * 2015-12-25 2020-08-07 比亚迪股份有限公司 动力驱动系统及具有该动力驱动系统的车辆
JP6404856B2 (ja) * 2016-06-03 2018-10-17 トヨタ自動車株式会社 ハイブリッド自動車
JP6583172B2 (ja) * 2016-07-22 2019-10-02 株式会社デンソー 車載充電装置
JP2018043616A (ja) * 2016-09-14 2018-03-22 トヨタ自動車株式会社 ハイブリッド車両の制御装置
US10767742B2 (en) 2016-12-08 2020-09-08 Ford Global Technologies, Llc Transaxle having chain final drive
EP3666573B1 (en) * 2017-08-09 2022-07-13 NSK Ltd. Electric vehicle drive device
DE102017218350B4 (de) 2017-10-13 2023-03-30 Vitesco Technologies GmbH Getriebe mit integrierter elektrischer Maschine
DE102021209206A1 (de) * 2021-08-23 2023-02-23 Zf Friedrichshafen Ag Getriebe für ein Kraftfahrzeug
JP7800116B2 (ja) * 2021-12-22 2026-01-16 マツダ株式会社 車両用駆動装置

Family Cites Families (27)

* Cited by examiner, † Cited by third party
Publication number Priority date Publication date Assignee Title
JPS53134165A (en) 1977-04-27 1978-11-22 Toyota Motor Corp Automatic transmission gear box
JPS58196364A (ja) * 1982-05-12 1983-11-15 Nissan Motor Co Ltd オ−バ−ドライブ機構付自動変速機のケ−ス
JP3838364B2 (ja) * 2003-05-29 2006-10-25 トヨタ自動車株式会社 ハイブリッド駆動装置
JP4039351B2 (ja) * 2003-10-16 2008-01-30 トヨタ自動車株式会社 車両用のオイル供給装置
WO2006030948A1 (ja) * 2004-09-14 2006-03-23 Toyota Jidosha Kabushiki Kaisha 車両用駆動装置
JP4327756B2 (ja) * 2005-03-22 2009-09-09 トヨタ自動車株式会社 油圧回路装置及びそれを用いたハイブリッド駆動装置
JP4207920B2 (ja) * 2005-04-18 2009-01-14 トヨタ自動車株式会社 車両用駆動装置
JP4619257B2 (ja) * 2005-10-03 2011-01-26 トヨタ自動車株式会社 自動変速機
JP2007263139A (ja) * 2006-03-27 2007-10-11 Jtekt Corp デファレンシャル装置の潤滑構造
US7507174B2 (en) * 2006-07-14 2009-03-24 Gm Global Technology Operations, Inc. Electrically variable transmission having three planetary gear sets
JP4821571B2 (ja) 2006-11-10 2011-11-24 トヨタ自動車株式会社 ハイブリッド駆動装置
JP2008120233A (ja) * 2006-11-10 2008-05-29 Toyota Motor Corp ハイブリッド駆動装置
US20080135339A1 (en) * 2006-11-17 2008-06-12 Miller Kent A Method and apparatus for cooling and lubricating an off-axis motor/generator
JP4467082B2 (ja) * 2007-03-29 2010-05-26 トヨタ自動車株式会社 車両用駆動装置のオイル還元構造
JP2008265598A (ja) 2007-04-23 2008-11-06 Toyota Motor Corp 車両およびその制御方法
JP2008265600A (ja) 2007-04-23 2008-11-06 Toyota Motor Corp 車両およびその制御方法
JP4311477B2 (ja) * 2007-05-11 2009-08-12 トヨタ自動車株式会社 ハイブリッド駆動装置
JP2009108898A (ja) * 2007-10-29 2009-05-21 Toyota Motor Corp オイルの潤滑構造
AU2009237141B2 (en) * 2008-04-14 2013-09-19 Honda Motor Co., Ltd. Hybrid vehicle drive unit
JP2011250524A (ja) * 2010-05-24 2011-12-08 Toyota Motor Corp 車両用動力伝達装置の冷却装置
JP2012082930A (ja) * 2010-10-14 2012-04-26 Toyota Motor Corp 電気自動車用駆動装置
CN103328244A (zh) * 2011-02-04 2013-09-25 爱信艾达株式会社 车辆驱动装置
US9033836B2 (en) 2011-10-08 2015-05-19 Finemech Co., Ltd. Drive device for hybrid electric vehicle
JP2013112318A (ja) 2011-12-01 2013-06-10 Fine Mec:Kk 自動車用駆動装置
JP2013095386A (ja) 2011-11-04 2013-05-20 Fine Mec:Kk 自動車用駆動装置
JP2013082317A (ja) 2011-10-08 2013-05-09 Fine Mec:Kk 自動車用駆動装置
US9221327B2 (en) * 2012-02-01 2015-12-29 Toyota Jidosha Kabushiki Kaisha Hybrid vehicle driving apparatus

Also Published As

Publication number Publication date
KR20160042437A (ko) 2016-04-19
US9713955B2 (en) 2017-07-25
US20160193908A1 (en) 2016-07-07
CN105531136B (zh) 2017-11-03
WO2015036839A1 (en) 2015-03-19
JP2015054685A (ja) 2015-03-23
CN105531136A (zh) 2016-04-27
KR101751866B1 (ko) 2017-06-28

Similar Documents

Publication Publication Date Title
JP6135420B2 (ja) ハイブリッド車両用動力伝達装置
JP6135419B2 (ja) ハイブリッド車両用動力伝達装置
US9528436B2 (en) Hybrid drive device
JP6135418B2 (ja) ハイブリッド車両用動力伝達装置
JP6344358B2 (ja) ハイブリッド車両の駆動装置
JP4234947B2 (ja) 油圧発生装置用の駆動装置
CN108944413B (zh) 用于混合动力车辆的动力系统
US7753149B2 (en) Vehicle driving apparatus
CN109311379A (zh) 变速驱动桥装置
US20120264555A1 (en) Single mode compound power-split hybrid transmission
CN105452039B (zh) 混合动力系统
WO2011138892A1 (ja) ハイブリッド車両の駆動装置
CN107848391A (zh) 车辆用驱动装置
JP2015051686A (ja) 車両の駆動制御装置
CN109311381A (zh) 变速驱动桥装置
JP2008256075A (ja) 動力伝達装置
JP2012001102A (ja) ハイブリッド駆動装置
JP5115465B2 (ja) 駆動装置
JP4244915B2 (ja) 車両用駆動装置
JP2012240556A (ja) ハイブリッド車両用駆動力伝達装置
JP2014024360A (ja) アクチュエータユニット
JP2017154684A (ja) ハイブリッド車両の駆動装置
JP2005008100A (ja) ハイブリッド車の駆動装置

Legal Events

Date Code Title Description
A621 Written request for application examination

Free format text: JAPANESE INTERMEDIATE CODE: A621

Effective date: 20151207

A977 Report on retrieval

Free format text: JAPANESE INTERMEDIATE CODE: A971007

Effective date: 20160826

A131 Notification of reasons for refusal

Free format text: JAPANESE INTERMEDIATE CODE: A131

Effective date: 20160906

A521 Request for written amendment filed

Free format text: JAPANESE INTERMEDIATE CODE: A523

Effective date: 20161102

TRDD Decision of grant or rejection written
A01 Written decision to grant a patent or to grant a registration (utility model)

Free format text: JAPANESE INTERMEDIATE CODE: A01

Effective date: 20170328

A61 First payment of annual fees (during grant procedure)

Free format text: JAPANESE INTERMEDIATE CODE: A61

Effective date: 20170410

R151 Written notification of patent or utility model registration

Ref document number: 6135420

Country of ref document: JP

Free format text: JAPANESE INTERMEDIATE CODE: R151

LAPS Cancellation because of no payment of annual fees