JP5225788B2 - パラレルコントロールチューブ - Google Patents
パラレルコントロールチューブ Download PDFInfo
- Publication number
- JP5225788B2 JP5225788B2 JP2008215826A JP2008215826A JP5225788B2 JP 5225788 B2 JP5225788 B2 JP 5225788B2 JP 2008215826 A JP2008215826 A JP 2008215826A JP 2008215826 A JP2008215826 A JP 2008215826A JP 5225788 B2 JP5225788 B2 JP 5225788B2
- Authority
- JP
- Japan
- Prior art keywords
- protective cover
- tube
- inner core
- control tube
- covering protective
- Prior art date
- Legal status (The legal status is an assumption and is not a legal conclusion. Google has not performed a legal analysis and makes no representation as to the accuracy of the status listed.)
- Expired - Fee Related
Links
- 230000001681 protective effect Effects 0.000 claims description 66
- 239000003063 flame retardant Substances 0.000 claims description 33
- RNFJDJUURJAICM-UHFFFAOYSA-N 2,2,4,4,6,6-hexaphenoxy-1,3,5-triaza-2$l^{5},4$l^{5},6$l^{5}-triphosphacyclohexa-1,3,5-triene Chemical compound N=1P(OC=2C=CC=CC=2)(OC=2C=CC=CC=2)=NP(OC=2C=CC=CC=2)(OC=2C=CC=CC=2)=NP=1(OC=1C=CC=CC=1)OC1=CC=CC=C1 RNFJDJUURJAICM-UHFFFAOYSA-N 0.000 claims description 32
- 229920001971 elastomer Polymers 0.000 claims description 29
- 239000000806 elastomer Substances 0.000 claims description 28
- 229920005989 resin Polymers 0.000 claims description 28
- 239000011347 resin Substances 0.000 claims description 28
- -1 polypropylene Polymers 0.000 claims description 26
- 239000004743 Polypropylene Substances 0.000 claims description 22
- 229910052736 halogen Inorganic materials 0.000 claims description 22
- 229920001155 polypropylene Polymers 0.000 claims description 22
- 238000004519 manufacturing process Methods 0.000 claims description 21
- 150000002367 halogens Chemical class 0.000 claims description 19
- 239000011342 resin composition Substances 0.000 claims description 19
- OAICVXFJPJFONN-UHFFFAOYSA-N Phosphorus Chemical compound [P] OAICVXFJPJFONN-UHFFFAOYSA-N 0.000 claims description 15
- 229910052698 phosphorus Inorganic materials 0.000 claims description 15
- 239000011574 phosphorus Substances 0.000 claims description 15
- 229920001296 polysiloxane Polymers 0.000 claims description 12
- 239000004611 light stabiliser Substances 0.000 claims description 11
- VTHJTEIRLNZDEV-UHFFFAOYSA-L magnesium dihydroxide Chemical compound [OH-].[OH-].[Mg+2] VTHJTEIRLNZDEV-UHFFFAOYSA-L 0.000 claims description 11
- 239000000347 magnesium hydroxide Substances 0.000 claims description 11
- 229910001862 magnesium hydroxide Inorganic materials 0.000 claims description 11
- 239000005038 ethylene vinyl acetate Substances 0.000 claims description 9
- 229920001200 poly(ethylene-vinyl acetate) Polymers 0.000 claims description 9
- 239000011256 inorganic filler Substances 0.000 claims description 8
- 229910003475 inorganic filler Inorganic materials 0.000 claims description 8
- 238000001125 extrusion Methods 0.000 claims description 7
- 229930195733 hydrocarbon Natural products 0.000 claims description 5
- 150000002430 hydrocarbons Chemical class 0.000 claims description 5
- 150000001244 carboxylic acid anhydrides Chemical class 0.000 claims 1
- 239000000463 material Substances 0.000 description 23
- 150000003440 styrenes Chemical class 0.000 description 14
- 238000000034 method Methods 0.000 description 13
- 238000003825 pressing Methods 0.000 description 12
- MWUXSHHQAYIFBG-UHFFFAOYSA-N nitrogen oxide Inorganic materials O=[N] MWUXSHHQAYIFBG-UHFFFAOYSA-N 0.000 description 11
- 230000004224 protection Effects 0.000 description 9
- 238000003466 welding Methods 0.000 description 9
- 238000002156 mixing Methods 0.000 description 7
- 239000004014 plasticizer Substances 0.000 description 7
- 239000000126 substance Substances 0.000 description 7
- 150000001412 amines Chemical class 0.000 description 6
- 229920001577 copolymer Polymers 0.000 description 6
- LELOWRISYMNNSU-UHFFFAOYSA-N hydrogen cyanide Chemical compound N#C LELOWRISYMNNSU-UHFFFAOYSA-N 0.000 description 6
- 229920000642 polymer Polymers 0.000 description 6
- 230000007613 environmental effect Effects 0.000 description 5
- 238000002844 melting Methods 0.000 description 5
- 230000008018 melting Effects 0.000 description 5
- 238000000465 moulding Methods 0.000 description 5
- 229920002545 silicone oil Polymers 0.000 description 5
- QGZKDVFQNNGYKY-UHFFFAOYSA-N Ammonia Chemical compound N QGZKDVFQNNGYKY-UHFFFAOYSA-N 0.000 description 4
- IJGRMHOSHXDMSA-UHFFFAOYSA-N Atomic nitrogen Chemical compound N#N IJGRMHOSHXDMSA-UHFFFAOYSA-N 0.000 description 4
- 239000004677 Nylon Substances 0.000 description 4
- 150000001875 compounds Chemical class 0.000 description 4
- 230000007423 decrease Effects 0.000 description 4
- 230000000694 effects Effects 0.000 description 4
- 239000007789 gas Substances 0.000 description 4
- 239000002440 industrial waste Substances 0.000 description 4
- 239000000203 mixture Substances 0.000 description 4
- 229910052757 nitrogen Inorganic materials 0.000 description 4
- QJGQUHMNIGDVPM-UHFFFAOYSA-N nitrogen group Chemical group [N] QJGQUHMNIGDVPM-UHFFFAOYSA-N 0.000 description 4
- 229920001778 nylon Polymers 0.000 description 4
- 239000000049 pigment Substances 0.000 description 4
- 229920001195 polyisoprene Polymers 0.000 description 4
- 229920002635 polyurethane Polymers 0.000 description 4
- 239000004814 polyurethane Substances 0.000 description 4
- 229920002379 silicone rubber Polymers 0.000 description 4
- 239000004945 silicone rubber Substances 0.000 description 4
- 239000004711 α-olefin Substances 0.000 description 4
- KZBUYRJDOAKODT-UHFFFAOYSA-N Chlorine Chemical compound ClCl KZBUYRJDOAKODT-UHFFFAOYSA-N 0.000 description 3
- ZAMOUSCENKQFHK-UHFFFAOYSA-N Chlorine atom Chemical compound [Cl] ZAMOUSCENKQFHK-UHFFFAOYSA-N 0.000 description 3
- 239000004793 Polystyrene Substances 0.000 description 3
- 230000006750 UV protection Effects 0.000 description 3
- 239000000853 adhesive Substances 0.000 description 3
- 230000001070 adhesive effect Effects 0.000 description 3
- 239000003963 antioxidant agent Substances 0.000 description 3
- 230000003078 antioxidant effect Effects 0.000 description 3
- 239000012298 atmosphere Substances 0.000 description 3
- 239000000460 chlorine Substances 0.000 description 3
- 229910052801 chlorine Inorganic materials 0.000 description 3
- 239000011248 coating agent Substances 0.000 description 3
- 238000000576 coating method Methods 0.000 description 3
- 239000000498 cooling water Substances 0.000 description 3
- 239000012530 fluid Substances 0.000 description 3
- 230000009931 harmful effect Effects 0.000 description 3
- 239000000383 hazardous chemical Substances 0.000 description 3
- 238000010438 heat treatment Methods 0.000 description 3
- 239000005556 hormone Substances 0.000 description 3
- 229940088597 hormone Drugs 0.000 description 3
- 239000001257 hydrogen Substances 0.000 description 3
- 229910052739 hydrogen Inorganic materials 0.000 description 3
- 238000003780 insertion Methods 0.000 description 3
- 230000037431 insertion Effects 0.000 description 3
- 239000003607 modifier Substances 0.000 description 3
- 229920005672 polyolefin resin Polymers 0.000 description 3
- 229920002223 polystyrene Polymers 0.000 description 3
- 239000004800 polyvinyl chloride Substances 0.000 description 3
- 229920000915 polyvinyl chloride Polymers 0.000 description 3
- 229920000428 triblock copolymer Polymers 0.000 description 3
- 229920002554 vinyl polymer Polymers 0.000 description 3
- XLYOFNOQVPJJNP-UHFFFAOYSA-N water Substances O XLYOFNOQVPJJNP-UHFFFAOYSA-N 0.000 description 3
- AFVDZBIIBXWASR-UHFFFAOYSA-N (e)-1,3,5-hexatriene Chemical class C=CC=CC=C AFVDZBIIBXWASR-UHFFFAOYSA-N 0.000 description 2
- VXNZUUAINFGPBY-UHFFFAOYSA-N 1-Butene Chemical compound CCC=C VXNZUUAINFGPBY-UHFFFAOYSA-N 0.000 description 2
- PPWGXYXJMQAWSX-UHFFFAOYSA-N 2-methylhexa-1,3,5-triene Chemical class CC(=C)C=CC=C PPWGXYXJMQAWSX-UHFFFAOYSA-N 0.000 description 2
- CURLTUGMZLYLDI-UHFFFAOYSA-N Carbon dioxide Chemical compound O=C=O CURLTUGMZLYLDI-UHFFFAOYSA-N 0.000 description 2
- VGGSQFUCUMXWEO-UHFFFAOYSA-N Ethene Chemical compound C=C VGGSQFUCUMXWEO-UHFFFAOYSA-N 0.000 description 2
- 239000005977 Ethylene Substances 0.000 description 2
- 239000005062 Polybutadiene Substances 0.000 description 2
- VYPSYNLAJGMNEJ-UHFFFAOYSA-N Silicium dioxide Chemical compound O=[Si]=O VYPSYNLAJGMNEJ-UHFFFAOYSA-N 0.000 description 2
- XUIMIQQOPSSXEZ-UHFFFAOYSA-N Silicon Chemical group [Si] XUIMIQQOPSSXEZ-UHFFFAOYSA-N 0.000 description 2
- 229910021529 ammonia Inorganic materials 0.000 description 2
- QVGXLLKOCUKJST-UHFFFAOYSA-N atomic oxygen Chemical compound [O] QVGXLLKOCUKJST-UHFFFAOYSA-N 0.000 description 2
- 230000015556 catabolic process Effects 0.000 description 2
- 239000003795 chemical substances by application Substances 0.000 description 2
- 239000000470 constituent Substances 0.000 description 2
- 239000003431 cross linking reagent Substances 0.000 description 2
- 238000006731 degradation reaction Methods 0.000 description 2
- 229920006244 ethylene-ethyl acrylate Polymers 0.000 description 2
- 239000012760 heat stabilizer Substances 0.000 description 2
- BHEPBYXIRTUNPN-UHFFFAOYSA-N hydridophosphorus(.) (triplet) Chemical compound [PH] BHEPBYXIRTUNPN-UHFFFAOYSA-N 0.000 description 2
- 125000002496 methyl group Chemical group [H]C([H])([H])* 0.000 description 2
- LAQFLZHBVPULPL-UHFFFAOYSA-N methyl(phenyl)silicon Chemical compound C[Si]C1=CC=CC=C1 LAQFLZHBVPULPL-UHFFFAOYSA-N 0.000 description 2
- 150000002894 organic compounds Chemical group 0.000 description 2
- 239000001301 oxygen Substances 0.000 description 2
- 229910052760 oxygen Inorganic materials 0.000 description 2
- XNGIFLGASWRNHJ-UHFFFAOYSA-N phthalic acid Chemical compound OC(=O)C1=CC=CC=C1C(O)=O XNGIFLGASWRNHJ-UHFFFAOYSA-N 0.000 description 2
- 229920002857 polybutadiene Polymers 0.000 description 2
- QQONPFPTGQHPMA-UHFFFAOYSA-N propylene Natural products CC=C QQONPFPTGQHPMA-UHFFFAOYSA-N 0.000 description 2
- 125000004805 propylene group Chemical group [H]C([H])([H])C([H])([*:1])C([H])([H])[*:2] 0.000 description 2
- 239000002994 raw material Substances 0.000 description 2
- 229910052710 silicon Inorganic materials 0.000 description 2
- 229920002050 silicone resin Polymers 0.000 description 2
- 239000006097 ultraviolet radiation absorber Substances 0.000 description 2
- 125000000391 vinyl group Chemical group [H]C([*])=C([H])[H] 0.000 description 2
- BNEMLSQAJOPTGK-UHFFFAOYSA-N zinc;dioxido(oxo)tin Chemical compound [Zn+2].[O-][Sn]([O-])=O BNEMLSQAJOPTGK-UHFFFAOYSA-N 0.000 description 2
- KVGZZAHHUNAVKZ-UHFFFAOYSA-N 1,4-Dioxin Chemical compound O1C=COC=C1 KVGZZAHHUNAVKZ-UHFFFAOYSA-N 0.000 description 1
- LIKMAJRDDDTEIG-UHFFFAOYSA-N 1-hexene Chemical compound CCCCC=C LIKMAJRDDDTEIG-UHFFFAOYSA-N 0.000 description 1
- STEYNUVPFMIUOY-UHFFFAOYSA-N 4-Hydroxy-1-(2-hydroxyethyl)-2,2,6,6-tetramethylpiperidine Chemical compound CC1(C)CC(O)CC(C)(C)N1CCO STEYNUVPFMIUOY-UHFFFAOYSA-N 0.000 description 1
- OKTJSMMVPCPJKN-UHFFFAOYSA-N Carbon Chemical compound [C] OKTJSMMVPCPJKN-UHFFFAOYSA-N 0.000 description 1
- 239000004215 Carbon black (E152) Substances 0.000 description 1
- UGFAIRIUMAVXCW-UHFFFAOYSA-N Carbon monoxide Chemical compound [O+]#[C-] UGFAIRIUMAVXCW-UHFFFAOYSA-N 0.000 description 1
- 229920000089 Cyclic olefin copolymer Polymers 0.000 description 1
- MUXOBHXGJLMRAB-UHFFFAOYSA-N Dimethyl succinate Chemical compound COC(=O)CCC(=O)OC MUXOBHXGJLMRAB-UHFFFAOYSA-N 0.000 description 1
- 229920002943 EPDM rubber Polymers 0.000 description 1
- 229920000181 Ethylene propylene rubber Polymers 0.000 description 1
- UFHFLCQGNIYNRP-UHFFFAOYSA-N Hydrogen Chemical compound [H][H] UFHFLCQGNIYNRP-UHFFFAOYSA-N 0.000 description 1
- 241001465754 Metazoa Species 0.000 description 1
- ZOKXTWBITQBERF-UHFFFAOYSA-N Molybdenum Chemical compound [Mo] ZOKXTWBITQBERF-UHFFFAOYSA-N 0.000 description 1
- 229920000571 Nylon 11 Polymers 0.000 description 1
- 229920000299 Nylon 12 Polymers 0.000 description 1
- 239000004698 Polyethylene Substances 0.000 description 1
- 238000005299 abrasion Methods 0.000 description 1
- 239000002253 acid Substances 0.000 description 1
- NIXOWILDQLNWCW-UHFFFAOYSA-M acrylate group Chemical group C(C=C)(=O)[O-] NIXOWILDQLNWCW-UHFFFAOYSA-M 0.000 description 1
- 229910052787 antimony Inorganic materials 0.000 description 1
- WATWJIUSRGPENY-UHFFFAOYSA-N antimony atom Chemical compound [Sb] WATWJIUSRGPENY-UHFFFAOYSA-N 0.000 description 1
- 230000033228 biological regulation Effects 0.000 description 1
- 230000015572 biosynthetic process Effects 0.000 description 1
- XITRBUPOXXBIJN-UHFFFAOYSA-N bis(2,2,6,6-tetramethylpiperidin-4-yl) decanedioate Chemical compound C1C(C)(C)NC(C)(C)CC1OC(=O)CCCCCCCCC(=O)OC1CC(C)(C)NC(C)(C)C1 XITRBUPOXXBIJN-UHFFFAOYSA-N 0.000 description 1
- 229920001400 block copolymer Polymers 0.000 description 1
- MTAZNLWOLGHBHU-UHFFFAOYSA-N butadiene-styrene rubber Chemical class C=CC=C.C=CC1=CC=CC=C1 MTAZNLWOLGHBHU-UHFFFAOYSA-N 0.000 description 1
- 229920005549 butyl rubber Polymers 0.000 description 1
- 229910052799 carbon Inorganic materials 0.000 description 1
- 125000004432 carbon atom Chemical group C* 0.000 description 1
- 239000001569 carbon dioxide Substances 0.000 description 1
- 229910002092 carbon dioxide Inorganic materials 0.000 description 1
- 150000004649 carbonic acid derivatives Chemical class 0.000 description 1
- 125000003178 carboxy group Chemical group [H]OC(*)=O 0.000 description 1
- 239000003086 colorant Substances 0.000 description 1
- 125000000118 dimethyl group Chemical group [H]C([H])([H])* 0.000 description 1
- 231100000507 endocrine disrupting Toxicity 0.000 description 1
- 125000003700 epoxy group Chemical group 0.000 description 1
- 230000007717 exclusion Effects 0.000 description 1
- 239000003546 flue gas Substances 0.000 description 1
- 239000000446 fuel Substances 0.000 description 1
- 125000000524 functional group Chemical group 0.000 description 1
- 239000011521 glass Substances 0.000 description 1
- 125000003055 glycidyl group Chemical group C(C1CO1)* 0.000 description 1
- 150000002366 halogen compounds Chemical class 0.000 description 1
- 150000002431 hydrogen Chemical class 0.000 description 1
- 229910052809 inorganic oxide Inorganic materials 0.000 description 1
- ZLNQQNXFFQJAID-UHFFFAOYSA-L magnesium carbonate Chemical compound [Mg+2].[O-]C([O-])=O ZLNQQNXFFQJAID-UHFFFAOYSA-L 0.000 description 1
- 239000001095 magnesium carbonate Substances 0.000 description 1
- 229910000021 magnesium carbonate Inorganic materials 0.000 description 1
- CERQOIWHTDAKMF-UHFFFAOYSA-M methacrylate group Chemical group C(C(=C)C)(=O)[O-] CERQOIWHTDAKMF-UHFFFAOYSA-M 0.000 description 1
- 230000000051 modifying effect Effects 0.000 description 1
- 229910052750 molybdenum Inorganic materials 0.000 description 1
- 239000011733 molybdenum Substances 0.000 description 1
- FDAKZQLBIFPGSV-UHFFFAOYSA-N n-butyl-2,2,6,6-tetramethylpiperidin-4-amine Chemical compound CCCCNC1CC(C)(C)NC(C)(C)C1 FDAKZQLBIFPGSV-UHFFFAOYSA-N 0.000 description 1
- YWAKXRMUMFPDSH-UHFFFAOYSA-N pentene Chemical compound CCCC=C YWAKXRMUMFPDSH-UHFFFAOYSA-N 0.000 description 1
- 125000001997 phenyl group Chemical group [H]C1=C([H])C([H])=C(*)C([H])=C1[H] 0.000 description 1
- XNGIFLGASWRNHJ-UHFFFAOYSA-L phthalate(2-) Chemical compound [O-]C(=O)C1=CC=CC=C1C([O-])=O XNGIFLGASWRNHJ-UHFFFAOYSA-L 0.000 description 1
- 229920001084 poly(chloroprene) Polymers 0.000 description 1
- 229920003216 poly(methylphenylsiloxane) Polymers 0.000 description 1
- 229920000573 polyethylene Polymers 0.000 description 1
- 229920000098 polyolefin Polymers 0.000 description 1
- 229920005629 polypropylene homopolymer Polymers 0.000 description 1
- 210000002345 respiratory system Anatomy 0.000 description 1
- 239000005060 rubber Substances 0.000 description 1
- 150000003839 salts Chemical class 0.000 description 1
- 238000006748 scratching Methods 0.000 description 1
- 230000002393 scratching effect Effects 0.000 description 1
- 239000000377 silicon dioxide Substances 0.000 description 1
- 125000003808 silyl group Chemical group [H][Si]([H])([H])[*] 0.000 description 1
- APSBXTVYXVQYAB-UHFFFAOYSA-M sodium docusate Chemical group [Na+].CCCCC(CC)COC(=O)CC(S([O-])(=O)=O)C(=O)OCC(CC)CCCC APSBXTVYXVQYAB-UHFFFAOYSA-M 0.000 description 1
- 229920003048 styrene butadiene rubber Polymers 0.000 description 1
- 229920002725 thermoplastic elastomer Polymers 0.000 description 1
- 231100000331 toxic Toxicity 0.000 description 1
- 230000002588 toxic effect Effects 0.000 description 1
- 239000002341 toxic gas Substances 0.000 description 1
Images
Landscapes
- Rigid Pipes And Flexible Pipes (AREA)
- Laminated Bodies (AREA)
Description
(1)2本以上の内芯チューブ及び被覆保護カバーからなるコントロールチューブであって、各内芯チューブの表面が被覆保護カバーで被覆されており、かつ、各内芯チューブが、主に、炭化水素から構成されるエラストマーからなり、該エラストマーが、主にブロックポリプロピレン及び水素添加スチレン系エラストマーから構成される層を含み、被覆保護カバーが水酸化マグネシウム及びシリコーン系難燃剤を含有するノンハロゲン・ノンリン難燃性樹脂組成物からなることを特徴とするコントロールチューブ。
(2)コントロールチューブの端部を分割することにより各内芯チューブに継手を装着できる前記(1)に記載のコントロールチューブ。
(3)内芯チューブを構成するエラストマーが光安定剤を含有する前記(1)又は(2)に記載のコントロールチューブ。
(4)被覆保護カバーを構成するノンハロゲン・ノンリン難燃性樹脂組成物のベース樹脂がエチレン−酢酸ビニル共重合体を主体とする前記(1)〜(3)のいずれかに記載のコントロールチューブ。
(5)被覆保護カバーが無機充填剤を含有する前記(1)〜(4)のいずれかに記載のコントロールチューブ。
(6)前記2本以上の内芯チューブの外側に、押出成形により、前記ノンハロゲン・ノンリン難燃性樹脂組成物からなる被覆保護カバーを設けることにより製造される前記(1)〜(5)のいずれかに記載のコントロールチューブ。
(7)少なくとも、主にブロックポリプロピレン及び水素添加スチレン系エラストマーから構成される層を含む2本以上の内芯チューブの外側に、押出成形により、水酸化マグネシウム及びシリコーン系難燃剤を含有するノンハロゲン・ノンリン難燃性樹脂組成物からなる被覆保護カバーを設けることを特徴とする前記(1)〜(6)のいずれかに記載のコントロールチューブの製造法。
先ず、内芯チューブ用のブロックポリプロピレンと水素添加スチレン系エラストマーからなるチューブを、予め、押出成形機を用いて生産する。
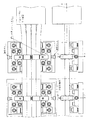
図8の内芯チューブ用ドラムに予め巻かれていた2本の内芯チューブは、引取り機により引き出され、押出機のクロスヘッド金型内に導かれ、図2の2連タイプ用マンドレル金型内を通過する。この時、同時に押出機により押し出された被覆保護カバー材料は、2連タイプ用ダイ金型を通り、2本の内芯チューブの外周に均一に被せられる。被覆された保護カバー2連はダイを通過した時点ではまだ接着(溶着)されてはいないが、押し出された直後で高温状態にあるため、図3及び図4の押付け用ローラーガイドにより押付けられることにより、ローラーガイドの反対部分が互いに接着(溶着)し合い、図1の形状が得られる。また、図3及び図4の押付け用ローラーガイドは冷却水槽内にも設けられているため、安定した接着(溶着)強度が得られる。
(実施例1)
(1)内芯チューブの製造
次のようにして、外径8mm、内径6mmの内芯チューブを、黒色顔料を配合した黒色内芯チューブと黒色顔料を配合しない半透明内芯チューブのそれぞれ1本製造した。
通常のストレート型押出成形機により、主成分がブロックポリプロピレンと水素添加スチレン系エラストマーからなる原料樹脂(ブロックポリプロピレンと水素添加スチレン系エラストマーとの重量比:80:20;ヒンダードアミン系光安定剤0.6重量%添加)を用いて、予め、内芯用チューブの製造を行った。
図8に示すコントロールチューブ製造ラインに設けた図2の2連タイプ用マンドレル金型内に、前記(1)で製造した黒色及び半透明の内芯チューブ各1本を導き入れ、エチレン−酢酸ビニル共重合体43重量%、水酸化マグネシウム51重量%、シリコーン系難燃剤(難燃助剤及び剥離性改善剤)1.3重量%、無機充填剤(剥離性改善等改質剤)4.3重量%、その他(加工性改良剤、酸化防止剤、改質剤、架橋剤、顔料)からなる樹脂組成物を、押出成形機により押し出し、2連タイプ用ダイ金型を使用して、2本の内芯チューブの外側及び間に被覆保護カバーを形成させた後、金型出口及び冷却水槽内の押付け用ローラーガイドにより相互を押付け溶着させて図1に示すコントロールチューブを製造した。
Claims (7)
- 押出成形により製造される2本以上の内芯チューブ及び被覆保護カバーからなるコントロールチューブであって、各内芯チューブの表面全体が被覆保護カバーで被覆されており、かつ、各内芯チューブが、主に、炭化水素から構成されるエラストマーからなり、該エラストマーが、主にブロックポリプロピレン及び水素添加スチレン系エラストマー(但し、カルボン酸無水物により変性されたものを除く。)から構成される層を含み、被覆保護カバーが水酸化マグネシウム及びシリコーン系難燃剤を含有するノンハロゲン・ノンリン難燃性樹脂組成物からなることを特徴とするコントロールチューブ。
- コントロールチューブの端部を分割することにより各内芯チューブに継手を装着できる請求項1記載のコントロールチューブ。
- 内芯チューブを構成するエラストマーが光安定剤を含有する請求項1又は2記載のコントロールチューブ。
- 被覆保護カバーを構成するノンハロゲン・ノンリン難燃性樹脂組成物のベース樹脂がエチレン−酢酸ビニル共重合体を主体とする請求項1〜3のいずれか1項に記載のコントロールチューブ。
- 被覆保護カバーが無機充填剤を含有する請求項1〜4のいずれか1項に記載のコントロールチューブ。
- 前記2本以上の内芯チューブの外側に、押出成形により、前記ノンハロゲン・ノンリン難燃性樹脂組成物からなる被覆保護カバーを設けることにより製造される請求項1〜5のいずれか1項に記載のコントロールチューブ。
- 請求項1記載の2本以上の内芯チューブの外側に、押出成形により、水酸化マグネシウム及びシリコーン系難燃剤を含有するノンハロゲン・ノンリン難燃性樹脂組成物からなる被覆保護カバーを設けることを特徴とする請求項1〜6のいずれか1項に記載のコントロールチューブの製造法。
Priority Applications (1)
| Application Number | Priority Date | Filing Date | Title |
|---|---|---|---|
| JP2008215826A JP5225788B2 (ja) | 2008-08-25 | 2008-08-25 | パラレルコントロールチューブ |
Applications Claiming Priority (1)
| Application Number | Priority Date | Filing Date | Title |
|---|---|---|---|
| JP2008215826A JP5225788B2 (ja) | 2008-08-25 | 2008-08-25 | パラレルコントロールチューブ |
Publications (2)
| Publication Number | Publication Date |
|---|---|
| JP2010046999A JP2010046999A (ja) | 2010-03-04 |
| JP5225788B2 true JP5225788B2 (ja) | 2013-07-03 |
Family
ID=42064494
Family Applications (1)
| Application Number | Title | Priority Date | Filing Date |
|---|---|---|---|
| JP2008215826A Expired - Fee Related JP5225788B2 (ja) | 2008-08-25 | 2008-08-25 | パラレルコントロールチューブ |
Country Status (1)
| Country | Link |
|---|---|
| JP (1) | JP5225788B2 (ja) |
Family Cites Families (8)
| Publication number | Priority date | Publication date | Assignee | Title |
|---|---|---|---|---|
| JPS604054A (ja) * | 1983-06-23 | 1985-01-10 | 新日本製鐵株式会社 | ポリプロピレン被覆鋼管 |
| JP4364315B2 (ja) * | 1996-08-22 | 2009-11-18 | Jfeスチール株式会社 | 耐熱酸化劣化性および耐候性に優れたポリプロピレン被覆鋼管およびその製造方法 |
| JP2001219500A (ja) * | 2000-02-07 | 2001-08-14 | Hitachi Cable Ltd | 樹脂被覆フレキシブル鋼管およびその樹脂組成物 |
| JP2001271968A (ja) * | 2000-03-24 | 2001-10-05 | Tokai Rubber Ind Ltd | 結束プロテクタ付多連樹脂ホース及びその製造方法 |
| JP3944634B2 (ja) * | 2002-02-07 | 2007-07-11 | 住友電装株式会社 | 難燃性樹脂組成物及びこれを用いたノンハロゲン絶縁電線並びにワイヤーハーネス |
| JP2004044733A (ja) * | 2002-07-12 | 2004-02-12 | Furukawa Electric Co Ltd:The | 複合管およびその製造方法 |
| JP2006083323A (ja) * | 2004-09-17 | 2006-03-30 | Riken Technos Corp | 射出成形用熱可塑性エラストマー組成物 |
| JP4852259B2 (ja) * | 2005-05-13 | 2012-01-11 | 株式会社アオイ | コントロールチューブ |
-
2008
- 2008-08-25 JP JP2008215826A patent/JP5225788B2/ja not_active Expired - Fee Related
Also Published As
| Publication number | Publication date |
|---|---|
| JP2010046999A (ja) | 2010-03-04 |
Similar Documents
| Publication | Publication Date | Title |
|---|---|---|
| US7255134B2 (en) | Carbon black-containing crosslinked polyethylene pipe having resistance to chlorine and hypochlorous acid | |
| JP4894262B2 (ja) | 非ハロゲン系難燃ケーブル | |
| JP2009255578A (ja) | 高密度ポリエチレン内張り層を有する架橋ポリエチレンパイプ | |
| JP2008180367A (ja) | 複層耐火配管材 | |
| TW200832450A (en) | Flexible flat cable | |
| JP4890385B2 (ja) | コントロールチューブ | |
| JP5225788B2 (ja) | パラレルコントロールチューブ | |
| JP5367248B2 (ja) | 多層絶縁電線 | |
| JP4852259B2 (ja) | コントロールチューブ | |
| CN110446607B (zh) | 层叠体 | |
| CN103259241B (zh) | 一种记忆性免拆卸电力管线连接处的密封罩的加工工艺及专用挤出头 | |
| JP2001219500A (ja) | 樹脂被覆フレキシブル鋼管およびその樹脂組成物 | |
| JP4525387B2 (ja) | 光ファイバコード | |
| JP4342667B2 (ja) | ポリオレフィン系樹脂シートの接合方法 | |
| EP0646623B1 (en) | Polymeric composition based on very low density polyethylenes and their use for lining tunnels | |
| JP4277680B2 (ja) | 難燃性樹脂組成物およびこれを用いた光ファイバコード | |
| CN105602212A (zh) | 基于在塑料基体之上的粘附性防火涂层的挤出塑料部件及其制备方法 | |
| JP2001139829A (ja) | 熱可塑性エラストマー組成物及びこれを用いたホース | |
| JP2001110251A (ja) | 絶縁電線・ケーブル | |
| KR101863319B1 (ko) | 보호용 테이프에 사용되는 연질 피브이씨 필름을 대체하는 다층 폴리에틸렌 필름 | |
| KR20110003882A (ko) | 자동차 라이트 보호용 필름 및 그 제조방법 | |
| JPH079639A (ja) | 土木用止水シート | |
| JP2007277942A (ja) | 外囲体における接続装置 |
Legal Events
| Date | Code | Title | Description |
|---|---|---|---|
| A621 | Written request for application examination |
Free format text: JAPANESE INTERMEDIATE CODE: A621 Effective date: 20110411 |
|
| A977 | Report on retrieval |
Free format text: JAPANESE INTERMEDIATE CODE: A971007 Effective date: 20120601 |
|
| A131 | Notification of reasons for refusal |
Free format text: JAPANESE INTERMEDIATE CODE: A131 Effective date: 20120612 |
|
| A521 | Request for written amendment filed |
Free format text: JAPANESE INTERMEDIATE CODE: A523 Effective date: 20120719 |
|
| TRDD | Decision of grant or rejection written | ||
| A01 | Written decision to grant a patent or to grant a registration (utility model) |
Free format text: JAPANESE INTERMEDIATE CODE: A01 Effective date: 20130305 |
|
| A61 | First payment of annual fees (during grant procedure) |
Free format text: JAPANESE INTERMEDIATE CODE: A61 Effective date: 20130313 |
|
| R150 | Certificate of patent or registration of utility model |
Ref document number: 5225788 Country of ref document: JP Free format text: JAPANESE INTERMEDIATE CODE: R150 Free format text: JAPANESE INTERMEDIATE CODE: R150 |
|
| FPAY | Renewal fee payment (event date is renewal date of database) |
Free format text: PAYMENT UNTIL: 20190322 Year of fee payment: 6 |
|
| R250 | Receipt of annual fees |
Free format text: JAPANESE INTERMEDIATE CODE: R250 |
|
| R250 | Receipt of annual fees |
Free format text: JAPANESE INTERMEDIATE CODE: R250 |
|
| R250 | Receipt of annual fees |
Free format text: JAPANESE INTERMEDIATE CODE: R250 |
|
| R250 | Receipt of annual fees |
Free format text: JAPANESE INTERMEDIATE CODE: R250 |
|
| R250 | Receipt of annual fees |
Free format text: JAPANESE INTERMEDIATE CODE: R250 |
|
| LAPS | Cancellation because of no payment of annual fees |