JP4159675B2 - 車両のスタータモータの制御器 - Google Patents
車両のスタータモータの制御器 Download PDFInfo
- Publication number
- JP4159675B2 JP4159675B2 JP30224598A JP30224598A JP4159675B2 JP 4159675 B2 JP4159675 B2 JP 4159675B2 JP 30224598 A JP30224598 A JP 30224598A JP 30224598 A JP30224598 A JP 30224598A JP 4159675 B2 JP4159675 B2 JP 4159675B2
- Authority
- JP
- Japan
- Prior art keywords
- starter motor
- voltage
- circuit
- microprocessor
- starter
- Prior art date
- Legal status (The legal status is an assumption and is not a legal conclusion. Google has not performed a legal analysis and makes no representation as to the accuracy of the status listed.)
- Expired - Lifetime
Links
- 239000007858 starting material Substances 0.000 title claims description 73
- 239000003990 capacitor Substances 0.000 claims description 29
- 238000010438 heat treatment Methods 0.000 claims description 7
- 238000007599 discharging Methods 0.000 claims description 6
- 238000001816 cooling Methods 0.000 claims description 4
- 230000000903 blocking effect Effects 0.000 claims description 2
- 230000006378 damage Effects 0.000 description 3
- 230000000694 effects Effects 0.000 description 2
- 238000013021 overheating Methods 0.000 description 2
- XEEYBQQBJWHFJM-UHFFFAOYSA-N Iron Chemical group [Fe] XEEYBQQBJWHFJM-UHFFFAOYSA-N 0.000 description 1
- 230000004913 activation Effects 0.000 description 1
- 230000006835 compression Effects 0.000 description 1
- 238000007906 compression Methods 0.000 description 1
- 230000001186 cumulative effect Effects 0.000 description 1
- 238000010586 diagram Methods 0.000 description 1
- 238000002347 injection Methods 0.000 description 1
- 239000007924 injection Substances 0.000 description 1
- 230000002427 irreversible effect Effects 0.000 description 1
- 238000005259 measurement Methods 0.000 description 1
- 230000001681 protective effect Effects 0.000 description 1
- 230000003685 thermal hair damage Effects 0.000 description 1
Images
Classifications
-
- F—MECHANICAL ENGINEERING; LIGHTING; HEATING; WEAPONS; BLASTING
- F02—COMBUSTION ENGINES; HOT-GAS OR COMBUSTION-PRODUCT ENGINE PLANTS
- F02N—STARTING OF COMBUSTION ENGINES; STARTING AIDS FOR SUCH ENGINES, NOT OTHERWISE PROVIDED FOR
- F02N11/00—Starting of engines by means of electric motors
- F02N11/08—Circuits specially adapted for starting of engines
- F02N11/087—Details of the switching means in starting circuits, e.g. relays or electronic switches
-
- H—ELECTRICITY
- H02—GENERATION; CONVERSION OR DISTRIBUTION OF ELECTRIC POWER
- H02P—CONTROL OR REGULATION OF ELECTRIC MOTORS, ELECTRIC GENERATORS OR DYNAMO-ELECTRIC CONVERTERS; CONTROLLING TRANSFORMERS, REACTORS OR CHOKE COILS
- H02P1/00—Arrangements for starting electric motors or dynamo-electric converters
- H02P1/02—Details of starting control
- H02P1/022—Security devices, e.g. correct phase sequencing
-
- H—ELECTRICITY
- H02—GENERATION; CONVERSION OR DISTRIBUTION OF ELECTRIC POWER
- H02P—CONTROL OR REGULATION OF ELECTRIC MOTORS, ELECTRIC GENERATORS OR DYNAMO-ELECTRIC CONVERTERS; CONTROLLING TRANSFORMERS, REACTORS OR CHOKE COILS
- H02P1/00—Arrangements for starting electric motors or dynamo-electric converters
- H02P1/02—Details of starting control
- H02P1/04—Means for controlling progress of starting sequence in dependence upon time or upon current, speed, or other motor parameter
Landscapes
- Engineering & Computer Science (AREA)
- Power Engineering (AREA)
- Chemical & Material Sciences (AREA)
- Combustion & Propulsion (AREA)
- Mechanical Engineering (AREA)
- General Engineering & Computer Science (AREA)
- Computer Security & Cryptography (AREA)
- Control Of Direct Current Motors (AREA)
- Combined Controls Of Internal Combustion Engines (AREA)
- Control Of Vehicle Engines Or Engines For Specific Uses (AREA)
Description
【発明の属する技術分野】
本発明は車両のスタータモータの制御器に関するものである。
【0002】
【従来の技術と発明が解決しようとする課題】
車両のスタータモータを電気的に制御する制御器は今や通常のものである。これらの制御器は一般に、(車両キーによって作動される)スタータスイッチの開閉状態に関するフラグを入力として受ける制御ユニットを含み、この制御ユニットは電力接触器のコイルに対する電力の供給を制御し、この接触器は閉鎖された時にスタータモータに電力を加えるのに役立つ。電力接触器は特に可動鉄心を含み、この可動鉄心はその行程の最後においてスタータモータに対する電力供給回路を閉鎖し、またその移動がスタータピニオンをリングギヤにむかって同伴する。またこの制御ユニットは、サージ電流に対してまたはすでに運転しているエンジンを始動しようとするなどの運転者のエラーに対してスタータを自動的に停止させまたは保護する装置を成すなど、前記以外の機能を制御するのに役立つ。制御ユニットはスタータそのものの中に一体化されまたはスタータ外部の特殊ボックスの中に格納される。他の変更例においては制御ユニットは、噴射点火プロセッサなどの既存の電子システムによって構成する事ができる。
【0003】
特になんらかの車両の故障の場合、ユーザがエンジンを始動させようとしてスタータモータを何回も始動させようとする場合がある。
【0004】
スタータモータが作動されるたびに、このモータは急速に加熱され、その温度はモータの作動特性に対応してまた作動される時間の長さに対応して数度づつ大きく上昇する。始動させようとする逐次の試みの間の休止時間の長さは数秒程度であり、この休止時間がスタータモータをある程度冷却させる事ができる。しかし、その冷却速度はその加熱速度よりもはるかに遅く、原則的にスタータモータが再作動された時にその初温度に戻るにはほど遠い。
【0005】
これは累積的加熱効果を生じ、過度に多数回の試みが成されまたは長時間に及ぶと、スタータモータが破壊されるにいたる。
【0006】
不幸にして、電力接触器の2回連続閉鎖の間に十分に長い休止時間を置く事によってしかスタータモータを破壊から防護できない事が明かとなった。制御ユニットは一般にマイクロプロセッサから成り、接触器スイッチの2回連続作動の間に電力を失い、従って前記制御ユニットの内部クロックを時間測定のために使用する事が不可能となるからである。
【0007】
【課題を解決するための手段】
従って本発明の目的は、スタータモータが連続的に過度に多数回作動された時に発生するような損傷、特に熱的損傷に対してスタータモータを防護するようにこのスタータモータを電子的に制御する制御器を提供するにある。
【0008】
そのため本発明は、車両のスタータモータに対して特にスタータスイッチの開閉状態の関数として電力を加える制御手段を含む車両のスタータモータの制御器において、前記制御手段は、特に放電時定数より短い充電時定数を有し前記スタータスイッチの開閉に依存して充電および放電するRC型コンデンサ回路を含み、また前記制御手段は、前記RC型回路のコンデンサ手段の端子間電圧が与えられたしきい値を超える時には電力がスタータモータに加えられる事を防止する手段を含む事を特徴とする車両のスタータモータの制御器を提供する。
【0009】
本発明の制御器は、さらに下記の特性を単独でまたは技術的に可能の組合わせで含む。
【0010】
・ 前記RC回路は2つの並列に接続された分岐から成り、一方の分岐は第1抵抗手段と前記コンデンサ手段の直列接続を含み、他方の分岐は第2抵抗手段を含む。
【0011】
・ 前記制御手段はマイクロプロセッサを含み、前記マイクロプロセッサは特に前記スタータスイッチの開閉に対応してスタータモータに対する給電を制御し、また前記RC回路は前記マイクロプロセッサの出力を通して電圧を供給される。
【0012】
・ 前記RC回路はスタータスイッチを介して電圧供給端子に接続され、オプショナリに電圧調整回路と直列を成す。
【0013】
・ 前記制御手段はマイクロプロセッサを含み、前記マイクロプロセッサは特に前記スタータスイッチの開閉に対応してスタータモータに対する給電を制御し、またRC回路のコンデンサ手段の端子間電圧に対応する電圧が前記マイクロプロセッサの入力に注入され、前記マイクロプロセッサは前記電圧が与えられたしきい値を超えた時にスタータモータに対する給電を阻止する。
【0014】
・ 前記電圧が与えられたしきい値を超えた時にスタータモータに対する給電を阻止する前記手段はアナログしきい値コンパレータ回路を含む。
【0015】
・ 充電時定数と放電時定数との比率はスタータモータの加熱時定数と冷却時定数との比率に実質的に等しい。
【0016】
・ 前記RC型回路のコンデンサ手段の端子間電圧が与えられたしきい値を超える時に、電力がスタータモータに加えられる事を防止する手段は、前記電圧が第1しきい値より低い第2しきい値以下に落ちるまで電力がスタータモータに再び加えられる事を阻止する。
【0017】
・ スタータモータに対する給電が阻止される下限しきい値はスタータモータおよび/またはエンジンの1つまたは複数の作動パラメータの関数として変動する。
【0018】
・ RC回路のコンデンサ手段と直列を成す抵抗手段は温度関数として変動する抵抗である。
【0019】
以下、本発明を図示する実施の形態について詳細に説明するが、本発明はこれに限定されない。
【0020】
【発明の実施の形態】
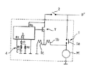
図1に、車両のスタータモータMと、前記モータMに対する電力供給を制御する電力接触器1とを示す。
【0021】
スタータモータMは、アースとバッテリの給電電圧にある端子B+との間に接続されている。
【0022】
電力接触器は、駆動コイルおよび保持コイル1b、1cを有するリレーと、電力供給端子B+とスタータモータMとの間に介在させられた接点とから構成されている。
【0023】
両方のコイル1b、1cに共通な末端は、車両スタータスイッチ(例えば車両キーによって作動されるスイッチ2)と直列を成す被制御スイッチ(トランジスタT)によって端子B+に接続されている。
【0024】
駆動コイル1bは、前記の共通点と、接点1aとモータMとの中間点との間に接続されている。
【0025】
前記保持コイル1cは、前記共通末端とアースとの間に取付けられている。
【0026】
一例として、スイッチTはMOSFET型トランジスタとする事ができる。
【0027】
このトランジスタTは制御ユニット3によって制御され、この制御ユニットはマイクロプロセッサであって、前記トランジスタTのグリッド上に制御電圧を発生して、スタータの種々の作動段階(接点の駆動電力、接点を閉鎖状態に保持する電力、エンジン始動後のスタータの自動的停止など)に対応して、またマイクロプロセッサ3が制御する事のできる種々の保護作用(例えば、エンジンが運転し始めた後の再始動に対する保護)に対応して電力をコイル1bと1cに加える順序を制御する。
【0028】
制御ユニット3は制御電圧を発生するため、特にスイッチ2の開閉状態を考慮する。そのため、前記ユニット3はアナログ入力「e0」を有し、この入力に対してスタータスイッチ2と被制御スイッチTとの中間点の電圧を注入される。
【0029】
また本発明によれば、図1に図示の制御器は、モータMが相互に近接しすぎた継起時間に作動される事を防止する手段4を有する。
【0030】
この手段4は特に、放電時定数より小さい充電時定数を有しスイッチ2が閉じているか開いているかに従って充電しまたは放電するRC型回路を含む。
【0031】
また手段4は、コンデンサCの端子間電圧が与えられたしきい値より大である場合(すなわち、コンデンサがスタータスイッチの閉鎖された最近の時点から十分に放電されていない場合)つねにモータMに対する給電を防止する手段を備える。
【0032】
図1の実施例において、RC回路は並列に接続された2つの分岐から成り、一方の分岐はコンデンサCと直列に抵抗R1を含み、他方の分岐は単一の抵抗R2を含む。
【0033】
これらの2つの分岐はアースとマイクロプロセッサ3のアナログ出力「s1」との間に接続され、この出力はスイッチ2とTが閉鎖されている時に前記分岐に対して電圧を供給する。
【0034】
前記出力s1からアースに導通するダイオードDが、前記出力s1と前記分岐R1−CおよびR2との間に介在させられている。
【0035】
コンデンサCの端子間電圧がアナログ入力「e1」を通してマイクロプロセッサ3に注入され、またマイクロプロセッサ3は、キー作動スイッチ2が閉じられまた前記電圧が与えられたしきい値より大である場合つねに、スイッチTをスイッチオフさせる。マイクロプロセッサは前記電圧が前記しきい値以下に落ちた時にのみ、スイッチTを閉鎖させる。
【0036】
前述の回路は下記のように作動する。
【0037】
スイッチ2が閉じられた時、マイクロプロセッサ3が電力を受ける。
【0038】
その出力「s1」は、電力がスタータモータMに加えられている限り、コンデンサCを抵抗R1を介して充電させる。
【0039】
スイッチ2が開かれる時、マイクロプロセッサ3はもはや電力を受けず、従ってコンデンサCの充電が停止する。
【0040】
次にコンデンサは直列に抵抗R1とR2を通して放電する。
【0041】
放電回路中に抵抗R2が存在するので、コンデンサの放電の時定数はコンデンサの充電の時定数より長い。充電時定数と放電時定数との比率はスタータモータの加熱時間定数と冷却時間定数との比率に実質的に等しく選定される事が好ましく、このようにしてコンデンサの端子間電圧を測定する事により、つねにスタータモータの加熱状態のすぐれた表示が得られる。
【0042】
この電圧を連続的にマイクロプロセッサのアナログ入力「e1」を介してモニタする。
【0043】
時間関数としてのコンデンサC前後の電圧変動を図2(a)に例示する。
【0044】
スイッチ2が閉じるたびに(図2(b)はスイッチの開閉順序を示す)、スタータモータが作動している間にコンデンサCが充電される。スイッチ2が開いた時に、すなわちスタータモータが停止した時に、放電が生じる。
【0045】
始動動作が相互に密接している場合、コンデンサCの端子間電圧がスタータモータの温度と共に徐々に上昇する。
【0046】
電圧が最大限温度以下の一定の温度状態に対応する特定のしきい値を越えると、マイクロプロセッサ3が接触器制御トランジスタをターンオフして、電力がスタータモータに加えられる事を防止し、このようにしてモータの過熱による不可逆的損害を避ける。これは図2(c)に図示され、この図において接触器1に加えられるコマンド順序が見られる。
【0047】
電圧がカットオフしきい値より下方まで、しきい値の0%乃至100%の範囲内の量だけ落ちた時にのみ、新しい始動の試みを実施する事ができる。
【0048】
もちろん前記以外の変更実施例も可能である。
【0049】
特に、RC回路はマイクロプロセッサ3によって給電されるのでなく、車両キーによって、例えば電圧調整回路を介して給電される事ができよう。
【0050】
また、コンデンサCの端子間電圧をマイクロプロセッサ3の中に注入する代わりに、コンデンサCをアナログ回路の端子間に接続し、この回路が場合によっては入力増幅器と共に、しきい値コンパレータを含み、前記コンパレータに注入される電圧が前記しきい値を超えた場合つねに前記回路がトランジスタTを遮断するようにする事もできる。
【0051】
他の変更例においては、スタータモータMが作動を阻止される最低電圧しきい値を1つまたは複数のパラメータに対応して変動させる事ができる。例えば、スタータモータの温度、エンジン温度、始動中に引き込まれる電流、エンジン駆動速度、エンジンがその圧縮点を通過する事によるバッテリ電圧または電流中のリプルの頻度、またはスタータモータの過熱の程度に関して推論できるようなその他の情報に対応して前記最低しきい値を変動させる事ができる。
【0052】
さらに、コンデンサの充電抵抗はマイナス温度係数(NTC)抵抗など、周囲温度の関数として変動する素子を含む事ができる。
【0053】
また、始動に際して表われる加熱特性の関数として連続的に充電を変調させるように変動させる事のできる負荷時間率を有するチョップ電圧またはパルス列を使用してコンデンサCを充電する事ができる。
【0054】
【発明の効果】
上述した制御器は、モータの臨界区域に温度センサを配置する必要なく、またこのようなセンサとスタータモータ制御器の取付けられる回路板との間の接続を必要とせずに、スタータモータの加熱防護を与える簡易な制御器である。
【図面の簡単な説明】
【図1】本発明の1つの実施態様による制御器の構成を示す回路図。
【図2】図1の制御器の作動順序を示すフローチャート。
【符号の説明】
1 接触器
2 スタータスイッチ
3 マイクロプロセッサ(制御ユニット)
4 RC型回路
B+ 電源端子
M モータ
T トランジスタ
R1,R2 抵抗
C コンデンサ
D ダイオード
e1 マイクロプロセッサ入力
s1 マイクロプロセッサ出力
1a 接点
1b 駆動コイル
1c 保持コイル
Claims (10)
- 車両のスタータモータに対して特にスタータスイッチ(2)の開閉状態の関数として電力を加える制御手段を含む車両のスタータモータの制御器において、
前記制御手段は、特に放電時定数より短い充電時定数を有し前記スタータスイッチ(2)の開閉に依存して充電および放電するRC型回路(4)を含み、
前記制御手段はまた、前記RC型回路のコンデンサ手段の端子間電圧が与えられたしきい値を超える時には電力がスタータモータに加えられる事を防止する手段を含む事を特徴とする車両のスタータモータの制御器。 - 前記RC回路は2つの並列に接続された分岐から成り、一方の分岐は第1抵抗手段(R1)と前記コンデンサ手段(C)の直列接続を含み、他方の分岐は第2抵抗手段(R2)を含む事を特徴とする請求項1に記載の制御器。
- 前記制御手段はマイクロプロセッサ(3)を含み、前記マイクロプロセッサ(3)は特に前記スタータスイッチ(2)の開閉に対応してスタータモータに対する給電を制御し、また前記RC回路(4)は前記マイクロプロセッサ(3)の出力(s1)を通して電圧を供給される事を特徴とする請求項1または2のいずれかに記載の制御器。
- 前記RC回路(4)はスタータスイッチ(2)を介して電圧供給端子に接続され、任意に電圧調整回路と直列を成す事を特徴とする請求項1または2のいずれかに記載の制御器。
- 前記制御手段はマイクロプロセッサ(3)を含み、前記マイクロプロセッサ(3)は特に前記スタータスイッチ(2)の開閉に対応してスタータモータに対する給電を制御し、またRC回路のコンデンサ手段の端子間電圧に対応する電圧が前記マイクロプロセッサ(3)の入力(e1)に注入され、前記マイクロプロセッサは前記電圧が与えられたしきい値を超えた時にスタータモータに対する給電を阻止する事を特徴とする請求項1乃至4のいずれかに記載の制御器。
- 前記電圧が与えられたしきい値を超えた時にスタータモータに対する給電を阻止する前記手段は、アナログしきい値コンパレータ回路を含む事を特徴とする請求項1乃至4のいずれかに記載の制御器。
- 充電時定数と放電時定数との比率は、スタータモータの加熱時定数と冷却時定数との比率に実質的に等しい事を特徴とする請求項1乃至6のいずれかに記載の制御器。
- 前記RC型回路のコンデンサ手段の端子間電圧が与えられたしきい値を超える時に電力がスタータモータに加えられる事を防止する手段は、前記電圧が第1しきい値より低い第2しきい値以下に落ちるまで電力がスタータモータに再び加えられる事を阻止する事を特徴とする請求項1乃至7のいずれかに記載の制御器。
- スタータモータに対する給電が阻止される下限しきい値は、スタータモータおよび/またはエンジンの1つまたは複数の作動パラメータの関数として変動する事を特徴とする請求項1乃至8のいずれかに記載の制御器。
- 前記RC回路のコンデンサ手段と直列を成す抵抗手段は、温度関数として変動する抵抗である事を特徴とする請求項2に記載の制御器。
Applications Claiming Priority (2)
| Application Number | Priority Date | Filing Date | Title |
|---|---|---|---|
| FR9713351A FR2770349B1 (fr) | 1997-10-24 | 1997-10-24 | Dispositif pour la commande d'un demarreur de vehicule automobile |
| FR9713351 | 1997-10-24 |
Publications (2)
| Publication Number | Publication Date |
|---|---|
| JP2000205092A JP2000205092A (ja) | 2000-07-25 |
| JP4159675B2 true JP4159675B2 (ja) | 2008-10-01 |
Family
ID=9512607
Family Applications (1)
| Application Number | Title | Priority Date | Filing Date |
|---|---|---|---|
| JP30224598A Expired - Lifetime JP4159675B2 (ja) | 1997-10-24 | 1998-10-23 | 車両のスタータモータの制御器 |
Country Status (7)
| Country | Link |
|---|---|
| US (1) | US6050233A (ja) |
| EP (1) | EP0911953B1 (ja) |
| JP (1) | JP4159675B2 (ja) |
| BR (1) | BR9804023A (ja) |
| DE (1) | DE69814297T2 (ja) |
| ES (1) | ES2198671T3 (ja) |
| FR (1) | FR2770349B1 (ja) |
Families Citing this family (27)
| Publication number | Priority date | Publication date | Assignee | Title |
|---|---|---|---|---|
| DE10029714A1 (de) * | 2000-06-16 | 2001-12-20 | Bosch Gmbh Robert | Startervorrichtung für eine Verbrennungsmaschine |
| JP4321796B2 (ja) * | 2000-08-10 | 2009-08-26 | 株式会社デンソー | スタータ制御方法 |
| JP2002106447A (ja) * | 2000-10-02 | 2002-04-10 | Mitsubishi Electric Corp | スタータ保護装置 |
| US6717291B2 (en) * | 2000-10-10 | 2004-04-06 | Purkey's Electrical Consulting | Capacitor-based powering system and associated methods |
| JP4421759B2 (ja) * | 2000-10-26 | 2010-02-24 | 本田技研工業株式会社 | 自動車用パワードライブユニットの冷却構造 |
| FR2820899B1 (fr) * | 2001-02-09 | 2003-04-04 | Schneider Electric Ind Sa | Dispositif de depart-moteur a additif |
| JP3875506B2 (ja) | 2001-04-03 | 2007-01-31 | 三菱電機株式会社 | 自動車用スタータの過熱保護装置および方法 |
| JP3577298B2 (ja) * | 2001-10-03 | 2004-10-13 | 三菱電機株式会社 | スタ−タ制御装置 |
| FR2834756B1 (fr) | 2001-11-30 | 2004-10-15 | Valeo Equip Electr Moteur | Circuit de commande electronique d'un demarreur de vehicule automobile |
| FR2839344B1 (fr) * | 2002-03-29 | 2005-12-02 | Valeo Equip Electr Moteur | Circuit de commande electronique d'un contacteur de demarreur de vehicule automobile, equipe de moyens de correction en cas de non fermeture du contact de puissance |
| US6806585B2 (en) * | 2002-12-04 | 2004-10-19 | Valeo Mando Electrical Systems Korea Limited | Stabilization circuit of magnet switch for starter |
| US7243630B2 (en) * | 2004-03-08 | 2007-07-17 | Bz Products, Inc. | Foot controlled engine start and stop system for conversion of an off-road utility vehicle for use as a golf cart |
| WO2006125872A1 (fr) * | 2005-05-26 | 2006-11-30 | Renault Trucks | Procede de commande de l'alimentation d'un demarreur electrique |
| US8134343B2 (en) * | 2007-04-27 | 2012-03-13 | Flextronics International Kft | Energy storage device for starting engines of motor vehicles and other transportation systems |
| US7650865B2 (en) * | 2007-05-07 | 2010-01-26 | Honda Motor Company, Ltd. | Power equipment apparatus having engine with electric starter motor and manual starter mechanism |
| US7631626B1 (en) * | 2008-08-04 | 2009-12-15 | Detroit Diesel Corporation | Method to protect starter from overheating |
| DE102009027828A1 (de) * | 2009-07-20 | 2011-01-27 | Robert Bosch Gmbh | Steuerung und Verfahren eines Startermotors für eine Startvorrichtung |
| FR2959891B1 (fr) * | 2010-05-07 | 2016-06-03 | Valeo Equip Electr Moteur | Dispositif de commande electronique pour contacteur electromagnetique a double contact et demarreur pour moteur thermique l'incorporant |
| JP5100804B2 (ja) * | 2010-09-13 | 2012-12-19 | 三菱電機株式会社 | 始動制御ユニット、及びそれに対する始動指令信号発生装置 |
| FR2989123B1 (fr) | 2012-04-05 | 2015-12-11 | Valeo Equip Electr Moteur | Procede de commande d'un demarreur d'un moteur thermique de vehicule automobile, dispositif de commande et demarreur correspondants |
| FR2989124B1 (fr) | 2012-04-05 | 2015-10-09 | Valeo Equip Electr Moteur | Procede de commande d'un demarreur de moteur thermique de vehicule automobile, dispositif de commande et demarreur correspondants |
| GB2521676B (en) | 2013-12-31 | 2016-08-03 | Electric Road Ltd | System and method for powering an electric vehicle on a road |
| EP3478528B1 (en) * | 2016-06-30 | 2021-02-24 | Electric Road Ltd. | System and method for powering on-road electric vehicles via wireless power transfer |
| US10954909B2 (en) * | 2016-10-05 | 2021-03-23 | Mitsubishi Electric Corporation | Electromagnetic switch device for starter |
| DE102017210981A1 (de) * | 2017-06-28 | 2019-01-03 | Bayerische Motoren Werke Aktiengesellschaft | Verarbeitungseinheit zur Überwachung eines Starters für einen Verbrennungsmotor |
| CN107387287B (zh) * | 2017-08-01 | 2022-08-16 | 河南满守忠汽车配件有限公司 | 一种汽车起动机保护电路 |
| DE102018211137B4 (de) * | 2018-07-05 | 2023-11-23 | Bayerische Motoren Werke Aktiengesellschaft | Verfahren und Systeme zur Starterbetätigung |
Family Cites Families (11)
| Publication number | Priority date | Publication date | Assignee | Title |
|---|---|---|---|---|
| GB1296838A (ja) * | 1969-05-27 | 1972-11-22 | ||
| GB1550362A (en) * | 1975-04-15 | 1979-08-15 | Lucas Electrical Ltd | Starter motor control circuit for an internal combustion engine |
| DE3233596A1 (de) * | 1982-09-10 | 1984-03-15 | Robert Bosch Gmbh, 7000 Stuttgart | Einschaltvorrichtung fuer zuendanlagen von brennkraftmaschinen |
| US4883028A (en) * | 1988-04-05 | 1989-11-28 | Wu's Agriculture Machinery Mfg. Co., Ltd. | Foot controlling engine start, stop and brake system |
| US4901690A (en) * | 1988-12-12 | 1990-02-20 | General Motors Corporation | Electronic starting motor system having timed cranking period control |
| JP2516276Y2 (ja) * | 1989-12-14 | 1996-11-06 | 富士重工業株式会社 | エンジンの始動装置 |
| US5094199A (en) * | 1990-08-06 | 1992-03-10 | A. H. Griffin | Ignition controlled starting motor interlock circuit |
| DE4106247C1 (en) * | 1991-02-28 | 1992-04-30 | Robert Bosch Gmbh, 7000 Stuttgart, De | Starter circuit for IC engine - incorporates NTC resistor in parallel with relay to inhibit starting at very low temp. |
| FR2679717B1 (fr) * | 1991-07-23 | 1994-12-23 | Valeo Equip Electr Moteur | Dispositif de commande d'un demarreur de vehicule automobile. |
| FR2699607B1 (fr) * | 1992-12-23 | 1995-01-20 | Valeo Equip Electr Moteur | Circuit de commande d'un démarreur de véhicule automobile. |
| DE9319621U1 (de) * | 1993-12-14 | 1994-03-24 | Schubert, Roland, 09120 Chemnitz | Anlaßwiederholsperre |
-
1997
- 1997-10-24 FR FR9713351A patent/FR2770349B1/fr not_active Expired - Lifetime
-
1998
- 1998-10-20 BR BR9804023-5A patent/BR9804023A/pt not_active Application Discontinuation
- 1998-10-22 DE DE69814297T patent/DE69814297T2/de not_active Expired - Lifetime
- 1998-10-22 ES ES98402625T patent/ES2198671T3/es not_active Expired - Lifetime
- 1998-10-22 EP EP98402625A patent/EP0911953B1/fr not_active Expired - Lifetime
- 1998-10-23 JP JP30224598A patent/JP4159675B2/ja not_active Expired - Lifetime
- 1998-10-23 US US09/177,351 patent/US6050233A/en not_active Expired - Lifetime
Also Published As
| Publication number | Publication date |
|---|---|
| BR9804023A (pt) | 1999-12-14 |
| EP0911953B1 (fr) | 2003-05-07 |
| ES2198671T3 (es) | 2004-02-01 |
| EP0911953A1 (fr) | 1999-04-28 |
| JP2000205092A (ja) | 2000-07-25 |
| US6050233A (en) | 2000-04-18 |
| FR2770349A1 (fr) | 1999-04-30 |
| DE69814297T2 (de) | 2004-05-06 |
| FR2770349B1 (fr) | 2000-01-14 |
| DE69814297D1 (de) | 2003-06-12 |
Similar Documents
| Publication | Publication Date | Title |
|---|---|---|
| JP4159675B2 (ja) | 車両のスタータモータの制御器 | |
| US6104157A (en) | Apparatus and method for controlling an electrical starter of an internal combustion engine | |
| US5332958A (en) | Battery disconnect device | |
| US4494162A (en) | Starter thermal overload protection system | |
| JP2008019872A (ja) | 自動車のスタータ用コンタクタを制御する方法および装置 | |
| JPH109101A (ja) | 自動車のスタータの遮断を制御する方法および装置 | |
| EP0831570A2 (en) | Inductively activated control and protection circuit for refrigeration systems | |
| JPH07236234A (ja) | 過電圧保護装置 | |
| US5343351A (en) | Starter motor protection circuit with relay protection | |
| KR101233958B1 (ko) | 엔진 시동 장치 | |
| JP3502250B2 (ja) | スタータ保護装置 | |
| US4306184A (en) | Generation control appparatus for vehicle generators | |
| JPH1026065A (ja) | 自動車のスタータの切断を制御する方法および装置 | |
| JP4259006B2 (ja) | 電気自動車用電源制御装置 | |
| JPS6152108A (ja) | 電気調整装置用の保護回路 | |
| JPS62294747A (ja) | 内燃機関の制御装置 | |
| JP3136619B2 (ja) | スタ−タ用オ−バ−ラン防止装置 | |
| US11421617B2 (en) | Injection control device | |
| JPH0127267B2 (ja) | ||
| US7212390B2 (en) | Electronic control circuit for a starting switch of a motor vehicle | |
| JPS6287670A (ja) | グロ−プラグ制御装置 | |
| CN207145115U (zh) | 一种汽车起动机保护电路 | |
| JP3652527B2 (ja) | 電気機器の電力制御装置 | |
| JPS5982578A (ja) | 内燃機関の点火装置用の投入接続装置 | |
| JPH11148449A (ja) | スタータ保護リレー |
Legal Events
| Date | Code | Title | Description |
|---|---|---|---|
| A621 | Written request for application examination |
Free format text: JAPANESE INTERMEDIATE CODE: A621 Effective date: 20051004 |
|
| TRDD | Decision of grant or rejection written | ||
| A01 | Written decision to grant a patent or to grant a registration (utility model) |
Free format text: JAPANESE INTERMEDIATE CODE: A01 Effective date: 20080620 |
|
| A01 | Written decision to grant a patent or to grant a registration (utility model) |
Free format text: JAPANESE INTERMEDIATE CODE: A01 |
|
| A61 | First payment of annual fees (during grant procedure) |
Free format text: JAPANESE INTERMEDIATE CODE: A61 Effective date: 20080716 |
|
| R150 | Certificate of patent or registration of utility model |
Free format text: JAPANESE INTERMEDIATE CODE: R150 |
|
| FPAY | Renewal fee payment (event date is renewal date of database) |
Free format text: PAYMENT UNTIL: 20110725 Year of fee payment: 3 |
|
| FPAY | Renewal fee payment (event date is renewal date of database) |
Free format text: PAYMENT UNTIL: 20110725 Year of fee payment: 3 |
|
| FPAY | Renewal fee payment (event date is renewal date of database) |
Free format text: PAYMENT UNTIL: 20120725 Year of fee payment: 4 |
|
| FPAY | Renewal fee payment (event date is renewal date of database) |
Free format text: PAYMENT UNTIL: 20120725 Year of fee payment: 4 |
|
| FPAY | Renewal fee payment (event date is renewal date of database) |
Free format text: PAYMENT UNTIL: 20130725 Year of fee payment: 5 |
|
| R250 | Receipt of annual fees |
Free format text: JAPANESE INTERMEDIATE CODE: R250 |
|
| R250 | Receipt of annual fees |
Free format text: JAPANESE INTERMEDIATE CODE: R250 |
|
| R250 | Receipt of annual fees |
Free format text: JAPANESE INTERMEDIATE CODE: R250 |
|
| R250 | Receipt of annual fees |
Free format text: JAPANESE INTERMEDIATE CODE: R250 |
|
| R250 | Receipt of annual fees |
Free format text: JAPANESE INTERMEDIATE CODE: R250 |
|
| EXPY | Cancellation because of completion of term |