JP3909882B2 - ビデオ信号入力を有するオシロスコープ - Google Patents

ビデオ信号入力を有するオシロスコープ Download PDF

Info

Publication number
JP3909882B2
JP3909882B2 JP34165895A JP34165895A JP3909882B2 JP 3909882 B2 JP3909882 B2 JP 3909882B2 JP 34165895 A JP34165895 A JP 34165895A JP 34165895 A JP34165895 A JP 34165895A JP 3909882 B2 JP3909882 B2 JP 3909882B2
Authority
JP
Japan
Prior art keywords
display
signal
data
circuit
oscilloscope
Prior art date
Legal status (The legal status is an assumption and is not a legal conclusion. Google has not performed a legal analysis and makes no representation as to the accuracy of the status listed.)
Expired - Fee Related
Application number
JP34165895A
Other languages
English (en)
Other versions
JPH09178779A (ja
Inventor
和也 名取
光伸 岩淵
正丈 中西
重樹 小沢
Current Assignee (The listed assignees may be inaccurate. Google has not performed a legal analysis and makes no representation or warranty as to the accuracy of the list.)
Kokusai Denki Electric Inc
Original Assignee
Hitachi Kokusai Electric Inc
Kokusai Denki Electric Inc
Priority date (The priority date is an assumption and is not a legal conclusion. Google has not performed a legal analysis and makes no representation as to the accuracy of the date listed.)
Filing date
Publication date
Application filed by Hitachi Kokusai Electric Inc, Kokusai Denki Electric Inc filed Critical Hitachi Kokusai Electric Inc
Priority to JP34165895A priority Critical patent/JP3909882B2/ja
Priority to US08/628,852 priority patent/US5808464A/en
Priority to EP19960302471 priority patent/EP0738089B1/en
Priority to DE1996609236 priority patent/DE69609236T2/de
Publication of JPH09178779A publication Critical patent/JPH09178779A/ja
Application granted granted Critical
Publication of JP3909882B2 publication Critical patent/JP3909882B2/ja
Anticipated expiration legal-status Critical
Expired - Fee Related legal-status Critical Current

Links

Images

Classifications

    • GPHYSICS
    • G09EDUCATION; CRYPTOGRAPHY; DISPLAY; ADVERTISING; SEALS
    • G09GARRANGEMENTS OR CIRCUITS FOR CONTROL OF INDICATING DEVICES USING STATIC MEANS TO PRESENT VARIABLE INFORMATION
    • G09G3/00Control arrangements or circuits, of interest only in connection with visual indicators other than cathode-ray tubes
    • G09G3/20Control arrangements or circuits, of interest only in connection with visual indicators other than cathode-ray tubes for presentation of an assembly of a number of characters, e.g. a page, by composing the assembly by combination of individual elements arranged in a matrix no fixed position being assigned to or needed to be assigned to the individual characters or partial characters
    • G09G3/34Control arrangements or circuits, of interest only in connection with visual indicators other than cathode-ray tubes for presentation of an assembly of a number of characters, e.g. a page, by composing the assembly by combination of individual elements arranged in a matrix no fixed position being assigned to or needed to be assigned to the individual characters or partial characters by control of light from an independent source
    • G09G3/36Control arrangements or circuits, of interest only in connection with visual indicators other than cathode-ray tubes for presentation of an assembly of a number of characters, e.g. a page, by composing the assembly by combination of individual elements arranged in a matrix no fixed position being assigned to or needed to be assigned to the individual characters or partial characters by control of light from an independent source using liquid crystals
    • G09G3/3607Control arrangements or circuits, of interest only in connection with visual indicators other than cathode-ray tubes for presentation of an assembly of a number of characters, e.g. a page, by composing the assembly by combination of individual elements arranged in a matrix no fixed position being assigned to or needed to be assigned to the individual characters or partial characters by control of light from an independent source using liquid crystals for displaying colours or for displaying grey scales with a specific pixel layout, e.g. using sub-pixels
    • GPHYSICS
    • G01MEASURING; TESTING
    • G01RMEASURING ELECTRIC VARIABLES; MEASURING MAGNETIC VARIABLES
    • G01R13/00Arrangements for displaying electric variables or waveforms
    • G01R13/20Cathode-ray oscilloscopes
    • G01R13/22Circuits therefor
    • G01R13/34Circuits for representing a single waveform by sampling, e.g. for very high frequencies
    • G01R13/345Circuits for representing a single waveform by sampling, e.g. for very high frequencies for displaying sampled signals by using digital processors by intermediate A.D. and D.A. convertors (control circuits for CRT indicators)
    • HELECTRICITY
    • H04ELECTRIC COMMUNICATION TECHNIQUE
    • H04NPICTORIAL COMMUNICATION, e.g. TELEVISION
    • H04N17/00Diagnosis, testing or measuring for television systems or their details
    • HELECTRICITY
    • H04ELECTRIC COMMUNICATION TECHNIQUE
    • H04NPICTORIAL COMMUNICATION, e.g. TELEVISION
    • H04N17/00Diagnosis, testing or measuring for television systems or their details
    • H04N17/02Diagnosis, testing or measuring for television systems or their details for colour television signals

Landscapes

  • Engineering & Computer Science (AREA)
  • Physics & Mathematics (AREA)
  • Biomedical Technology (AREA)
  • General Health & Medical Sciences (AREA)
  • Multimedia (AREA)
  • Signal Processing (AREA)
  • Health & Medical Sciences (AREA)
  • General Physics & Mathematics (AREA)
  • Chemical & Material Sciences (AREA)
  • Computer Hardware Design (AREA)
  • Crystallography & Structural Chemistry (AREA)
  • Theoretical Computer Science (AREA)
  • Controls And Circuits For Display Device (AREA)
  • Transforming Electric Information Into Light Information (AREA)

Description

【0001】
【発明の属する技術分野】
本発明は、ビデオ信号の表示すなわち、ビデオモニタ(ピクチャーモニタ)機能、波形モニタ、ベクトルスコープの機能を有するオシロスコープに関する。
【0002】
【従来の技術】
ビデオ信号を扱う放送局等では、ビデオモニタを使用するのはもちろんであるが、このような現場での保守作業ではオシロスコープを用いることがよくある。
このような場合、従来は、ビデオモニタとオシロスコープを併用して用いなければならない。
【0003】
既に、波形モニタ、オーディオモニタ等、の機能にビデオモニタ機能を持つものが有るが映像、音声等の簡単な観測程度の機能であり、映像機器の調整、保守用としては機能不足であり、また、映像関連に限られた用途に限定されるものである。
【0004】
更に、ビデオ信号を扱う放送局等ではベクトルスコープにより、種種の計測が行われる。
【0005】
【発明が解決しようとする課題】
本発明はオシロスコープとビデオモニタ、ベクトルスコープ、波形モニタとを共通の表示器を使い一体化することを目的とするものである。
【0006】
本発明の別の目的は、カラードットマトリックス平面表示器を用いたデジタルオシロスコープ及びビデオモニタを兼用できる表示方法を提供するにある。
【0007】
本発明の更に別の目的は、小型のカラードットマトリックス平面表示器を用いて、高品位で高忠実な波形表示ができる、ビデオ入力付きデジタルオシロスコープ及びそれにおけるデータ表示方法を提供するにある。
【0008】
本発明の更に他の目的はカラーテレビ用のTFT−カラーLCDを用いたビデオ入力付きデジタルオシロスコープを提供することである。
【0009】
更に、本発明は、デジタルオシロスコープに前記ビデオ入力信号に関し、波形モニタとベクトルスコープとしての機能を持たせたものである。これにより、従来種種の計測機器を必要とした、ビデオ信号関係の計測、測定に特に有効で、小型軽量化が可能なデジタルオシロスコープを提供するものである。
【0010】
更に、本発明は、ベクトルスコープ、波形モニタ等において、輝度の階調表示を可能とし、より自然な表示を可能にすることを目的とするものである。
【0011】
【課題を解決するための手段】
本発明はこのような問題点を解決するため、オシロスコープにおいて、少なくともオシロスコープ用被観測波形入力端子とビデオ信号用入力端子を設け、必要に応じて切り変え使用し、共通する表示器に表示できるようにしたものである。
更に、このビデオ信号用入力端子に入力したビデオ信号からビデオ信号特有の、ビデオ信号の波形モニタ、ベクトルスコープおよびピクチャーモニタ(ビデオモニタ)機能を有し、使用できるようにした。また、必要に応じてオシロスコープ入力端子に入力したビデオ信号をビデオ信号処理手段を経由するように、切替手段を設けたものである。
【0012】
また、本発明はオシロスコープにおいて、前記ビデオ信号と被観測波形の平面表示器として、カラードットマトリックス平面表示器を用いたことを特徴とするビデオ信号入力を有するオシロスコープである。
【0013】
このオシロスコープには、表示データを発生するタイミングを制御する同期信号発生手段を有し、前記カラードットマトリックス表示器には前記表示データに対応してドットスキャン信号を発生するドットスキャン手段と、該ドットスキャン手段から発生するドットの走査クロック信号を前記同期信号発生手段からの同期信号に同期して発生するPLL手段を有する。
【0014】
また、このオシロスコープのオシロスコープ部には、被観測信号を任意のレベルに変換するアナログ処理回路と、該アナログ処理回路により任意のレベルに変換された被観測信号をデジタルデータに変換するA/D変換回路と、該A/D変換回路により変換されたデジタルデータを記憶するアクイジションメモリと、該アクイジションメモリと前記A/D変換回路のサンプリング動作を制御するサンプリング制御回路と、前記アクイジションメモリに記憶された前記データを表示用データに変換するマイクロコンピュータと、該マイクロコンピュータにより表示用に変換されたデータを記憶する表示用メモリと、該表示用メモリのデータをR、G、B信号と同期信号とに分け後段の表示器に供給する表示制御部とを有する構成とすることもできる。
【0015】
また、本発明のオシロスコープにおいては、前記ビデオ信号のベクトル表示と波形モニタ表示は階調表示を施すようにしてもよい。更にこれは通常のオシロスコープ波形表示に使用することもできる。
【0016】
本発明に使用するカラーマトリックス表示器は、オシロスコープ部からの表示データを発生するタイミングを制御する同期信号に対応してドットの走査クロック信号を発生するPLL手段を有する。また、このカラードットマトリックス表示器は、マトリックスを構成する各色のドット単位に表示データを与えるようにした。
【0017】
このような構成のため、オシロスコープ用被観測波形入力端子には通常のオシロコープとして被観測信号を入力し、観測できるようにすると共に、ビデオ信号用入力端子からは、ビデオカメラ、その他のビデオ機器からの信号を入力できる。必要に応じて、スイッチの切り替えにより、その場でモニタ画面、オシロスコープ画面どちらでも観測することができる。
【0018】
ピクチャモニタ機能とビデオモニタ端子を有するオシロスコープ。ピクチャモニタ機能、ベクトルスコープ機能、波形モニタ機能とを有するビデオモニタ端子付オシロスコープが実現する。更に、本発明では、オシロ機能、ビデオ機能で共通する表示器を用いるため、ピクチャモニタ機能とオシロスコープの表示のどちらにも適した平面状ドットマトリックスカラー表示器の駆動方法を提供する。
【0019】
【発明の実施の形態】
以下本発明の実施例について詳細に説明する。
【0020】
なお、以下の説明では
実施例1:ピクチャモニタ機能とビデオモニタ端子を有するオシロスコープ。
【0021】
実施例2:ピクチャモニタ機能、ベクトルスコープ機能、波形モニタ機能とを有するビデオモニタ端子付オシロスコープ。
【0022】
実施例3:ピクチャモニタ機能とオシロスコープの表示のどちらにも適した平面状ドットマトリックスカラー表示器の駆動方法。
【0023】
実施例4:ピクチャモニタ機能とオシロスコープの表示のどちらにも適した平面状ドットマトリックスカラー表示器の駆動方法を用い、表示用メモリにVRAMを用いたオシロスコープ。
【0024】
実施例5:ピクチャモニタ機能とオシロスコープの表示のどちらにも適した表示方法により駆動するLCD表示器を用い、表示用メモリにVRAMを用いたピクチャモニタ機能、ベクトルスコープ機能、波形モニタ機能とを有するビデオモニタ端子付オシロスコープ。
【0025】
実施例6:ピクチャモニタ機能とオシロスコープの表示のどちらにも適した表示方法により駆動するLCD表示器を用い、表示用メモリにラインメモリを用いた、ピクチャモニタ機能、ベクトルスコープ機能、波形モニタ機能とを有するビデオモニタ端子付オシロスコープ。
【0026】
の順に従い説明する。
【0027】
実施例1 ビデオモニタ端子を有するオシロスコープ
以下に、本発明によるビデオ信号入力付きデジタルオシロスコープ及びそれにおけるデータ表示方法の実施例を添付図面を参照して詳細に説明する。
【0028】
初めに、本発明によるビデオ信号入力付きオシロスコープの概略的な構成と動作について説明する。図1は本発明のビデオ信号入力付き入力1チャネルのオシロスコープの全体構成図である。この動作の概略を簡単に説明する。
【0029】
1001はオシロスコープ側回路のブロックで、アナログ処理回路1に被観測入力信号端子1004を介して、被観測入力信号iが入力され、このアナログ処理回路1によってこの信号は一定範囲の振幅レベルに処理される。次に、アナログ処理回路1からA/D(analog−to−digital)変換器2に入力した被観測信号は、サンプリング制御回路5からの表示画面の1ディビジョン(divison)当りの表示時間幅と表示データ点数に対応したサンプリングクロックfにより、デジタル化され、アクイジションメモリ3に記憶される。このアクイジションメモリ3の内容のうち表示に対応して、必要部分が表示用メモリ4に書き込まれ、その後表示制御部(表示データ出力部、極性反転回路を含む)9を経由して文字信号(ここで文字信号とは、オシロスコープのタイムレンジ、ボルトレンジ等の設定値や測定値等の文字で画面上に表示される情報のためのデータ信号である)と共に線順次走査によりカラードットマトリックス平面表示器7に表示される。マイクロコンピュータ(以下単にCPUと表現する)8は全体の動作を制御する。
【0030】
尚、アクイジションメモリ3への被観測信号の書き込みはサンプリング制御回路5からの書き込み制御信号によりなされ、読みだしはCPU8からの読み出し制御信号によりサンプリング制御回路5経由で行われる。また、波形表示用メモリ4への被観測信号の書き込みはCPU8からの書き込み制御信号により、読みだしは表示データ発生部である表示制御部9からの読みだし制御信号によりなされる。
【0031】
表示用メモリ4には被観測信号であるサンプリングされた表示のための波形データがストアされている。
【0032】
1005はビデオ信号入力端子、1002はビデオ信号入力ブロックで、ビデオクロマ信号処理回路1021にビデオ信号入力端子1005を介して、被観測複合映像入力信号jが入力され、周知のビデオクロマ信号処理回路21によって、この信号は復調されて、RGB信号に変換される。なお、図1の例ではγ補正回路はビデオクロマ信号処理回路1021に内蔵されているものとする。また、一方、周知の同期再生回路1022によって、水平同期信号HS、垂直同期信号VSが再生される。
【0033】
1003は表示切変回路で、表示切変回路1003により、オシロスコープ1001側のR、G、B、HS、VS信号か、ビデオ信号入力ブロック1002側のR、G、B、HS、VS信号のどちらかが選択され、カラードットマトリックス平面表示器7に入力される。信号の選択は例えば、CPU8のポートより制御し、表示切変回路1003はアナログスイッチで構成する。
【0034】
この結果、1つのカラードットマトリックス平面表示器7上にオシロスコープの表示とビデオ映像の表示が可能となる。つまり、ピクチャモニタ機能を有するオシロスコープを提供することができる。
【0035】
実施例2 ピクチャモニタ機能、ベクトルスコープ機能、波形モニタ機能とを有するビデオモニタ端子付オシロスコープ。
【0036】
次に、ビデオモニタ端子を有し、ピクチャモニタ、波形モニタ、ベクトルスコープ機能を有する2チャンネル入力のオシロスコープについて説明する。
【0037】
図1の実施例すなわちピクチャーモニタに加え、更に、波形モニタ、ベクトルスコープ機能を有するビデオ回路を設けたLCDオシロスコープの実施例について図2を用い説明する。同図においては、図1におけるアナログ処理回路の構成の一例をより詳細に示している。
【0038】
図1と同一の符号は同一物を示す。1000はピクチャーモニタ回路、波形モニタ回路、ベクトルスコープ回路を有するビデオ回路である。
【0039】
1010aはオシロスコープチャネル1の入力端子、1010bはオシロスコープチャネル2の入力端子である。1114は信号切換回路でビデオ信号入力端子1005からの信号、オシロCH1からの信号及びオシロCH2からの信号のいずれかを選択する。1115はビデオ回路1000のバッファアンプで入力信号を所定の信号レベルにするものである。また、表示制御回路90(極性反転回路を持たない)と表示切換器1003の間にある1131はD/A変換回路により構成される階調回路である。なお、表示制御部90とカラードットマトリックス平面表示器7については後に詳細に説明する。
【0040】
はじめに波形モニタ回路の動作について説明する。
【0041】
1006は波形モニタ用回路でバンドパスフィルタ、ロウパスフィルタ、フラットフィルタおよび選択スイッチで構成される回路で、いずれかのフィルタを経由した信号が出力される。この詳細ブロックは図3に示す。ここで、バンドパスフィルタ1206(一例としてNTSCでは3.58MHz)は、映像信号のクロマ信号成分を通過させるフィルタである。ロウパスフィルタ1106は、輝度成分を通過させるフィルタである。フラットフィルタ1306は、クロマ信号成分と輝度信号成分を通過させるフィルタである。このフラットフィルタは単なるスルー回路でもよい。前段で高域成分(例えば10MHz以上)が除去されていれば必要ない。なお、このようなフィルタ回路はそれ自体は周知の技術であるため、ここでの詳細な説明は省略する。更に、このような各フィルタはビデオ信号特有の波形観測に適した信号を抽出するものであればよく、これらに限定されるものではなく、また、必要に応じて省略してもよい。なお、スイッチ1406はCPU8により制御(CPU8からの信号線は図示せず)される。
【0042】
このフィルタ回路により構成された波形モニタ回路1106から出力された信号は、信号切換器1116a、1116bを介し、A/D変換回路2a、A/D変換回路2bに入力され、アクイジションメモリ3a、アクイジションメモリ3bにいったん格納され、次に、CPU8によりビットマップデータ変換処理をして表示用メモリ4に格納される。更に、階調処理回路1131、切替回路1003、ガンマ補正極性反転定回路1132を経て、カラードットマトリックス平面表示器7に表示される。
【0043】
このビットマップデータ変換処理、階調データ処理については後で詳しく説明する。
【0044】
ここで、例えば、図1では、カラードットマトリックス平面表示器7はアナログRGB信号入力タイプのLCDモジュール(TFT専用映像信号入力タイプモジュールにガンマ補正、極性反転増幅、対抗信号発生の各回路を内蔵したもので、アナログRGB信号と同期信号を入力するタイプ)の場合であるが、TFT専用映像信号入力タイプLCDモジュール(TFT液晶パネルにゲートドライバ、ソースドライバ、およびコントローラを内蔵したもので、1H、1Vごとに極性反転するRGB信号、対抗信号と同期信号を入力するタイプ)を使用する場合には、 図2に示すよう、例えば、ビデオクロマ信号処理回路1023の後段にはガンマ補正極性反転回路を追加する。
【0045】
次に、ベクトルスコープ回路の動作について説明する。
【0046】
1007はデモジュレータ1107、1207と90°位相遅延回路1307よりなるベクトルスコープ用回路である。このベクトルスコープ回路1007には波形モニタ回路1006のバンドパスフィルタ回路1206から映像信号のクロマ信号成分CHRが入力され、ピクチャーモニタ回路1008からはサブキャリヤ信号が入力される。なお、ピクチャーモニタ回路1008は実質的に先の図1の実施例にて説明したビデオ信号入力ブロック1002と同一である。例えば、市販のIC東芝製TA8695AF等である。
【0047】
ベクトルスコープ用回路1007はX軸信号とY軸信号によるベクトルを発生出力、表示する周知の回路である。ピクチャーモニタ回路1008から出力されるサブキャリア信号SUBで波形モニタ回路1006からのクロマ信号CHRが復調され得られる。Y軸信号はピクチャーモニタ回路1008から出力されたサブキャリア信号SUBを90°遅延させた信号でクロマ信号CHRを復調して得られる。なお、ベクトルスコープそれ事態は周知であるため、より詳細な説明は省略する。
【0048】
これらX軸、Y軸信号はそれぞれ信号切替回路1116aと1116bを介し、それぞれA/D変換回路2aとA/D変換回路2bとに入力され、オシロの被観測信号同様にそれぞれのアクイジションメモリ3aと3bに格納される。このアクイジションメモリに格納されたデータは、CPU8により読みだされ、ソフトウェア処理によりX−Yデータ変換処理、ビットマップデータ変換処理をへて階調処理回路1131により階調データ処理をして表示用メモリ4に転送格納される。
【0049】
表示用メモリ4に格納されたデータは表示制御回路9の読みだしクロックにより読みだされ、カラードットマトリックス平面表示器7のドット表示データに変換される。なお、この動作については後で詳細に説明する。表示器7のドット表示用に変換されたデータは、階調回路1131により、階調信号に変換され、表示切替器1003を経由して、γ補正極性反転回路1132に入力される。同回路のγ補正部では、入力信号レベルと表示器発光輝度が所定の指数変化になるようレベル変換され、極性反転部では表示器のライン周期、フレーム周期ごとに信号極性が反転される。この信号が表示器に入力され、ベクトルが表示される。なお、このγ補正極性反転回路1132としては、例えば、東芝製ICTA8696F等がある。
【0050】
図2の実施例ではこのように図1の場合と異なり、ピクチャモニタ回路1008のビデオクロマ信号処理回路1023にはγ補正回路を含まない
次に、ビットマップデータ変換処理、階調データ処理について説明する。
【0051】
なお、このビットマップデータ変換処理、階調データ処理は前に述べた波形モニタ、ベクトルスコープ表示、さらにオシロコープ表示のときにも使うことができる。
【0052】
アクイジションメモリ3a、3bに記憶された波形データはそのままではカラードットマトリックス平面表示器7に表示することはできないため、表示画面に対応したビットマップデータに変換する必要がある。この実施例では、このときにビデオ波形やベクトルデータ等の表示データがより自然な波形に見えるよう、データの重ね書きを行う。
【0053】
すなわち、アクイジションメモリ3a、3bから読み込んだ波形データをソフトウェア処理でビットマップデータに変換する時に、表示画面に対応した各ビットにおいて、前回のビットマップデータをそのビットに対応する位置ごとに加算する。つまり、表示器7上では、何回も加算されたビットに対応する位置は明るく表示され、加算回数が少ないビットは暗く表示されるようにする。
【0054】
例えば2ビットの階調表示をする場合、明るさすなわち輝度は、4段階に変化する。つまり、表示メモリ4から読みだされたビットマップデータを図4に示す階調処理回路1131でD/A変換することにより、4階調の表示データとすることができる。いうまでもなく、3ビット以上の階調表示も可能で、この場合、表示波形はより自然なものとなる。
【0055】
図4はこの階調回路(D/A回路)1131の構成の一例示す。同図において、1131R1と1131R2は抵抗で、その抵抗値は1131R2は1131R1の2倍の値とする。なお、同図は表示器7のRGBの内のB(青色)についてのみ示している。
【0056】
階調表示データは、階調表示データを単に加算するだけではいつかすべてのビットが最大値となってしまうので有限の重ね書き表示を併用する。有限の重ね書き表示とはビットマップデータの加算回数をtとしてtが有限の重ね書き数(一度に表示するビットマップデータの数)を超えたら一番古いビットマップデータを捨て新しいビットマップデータを加算することを繰り返すような表示である。
【0057】
例えば、1水平走査期間の映像信号波形を1フィールド分重ねて表示するような場合、各1水平走査期間の波形が持つ情報が発生頻度に応じて、明るさの違いとなって表れる。つまり、それはアナログ表示に近い表示をすることである。映像信号は、表示期間及び表示されない期間(ブランキング期間)すべてが違う情報を持った信号である。このため、すべての情報をモニタしたいという要求に応じることができる。このような表示は、通常のデジタルオシロスコープでは行うとができない。デジタルオシロスコープの表示輝度は一定である。
【0058】
次に、この図2の実施例においては、波形モニタ、ベクトルスコープ、ピクチャー表示機能のときに、ビデオ専用入力1005を経由せずに、オシロスコープ入力端子1010a、1010bからオシロスコープのアナログ処理回路1を経由した信号を表示するときの動作について説明する。この実施例の特徴の1つとしては、オシロスコープのアナログ処理回路1を経由した信号を選択することのできる切換え手段1114を有している点にある。
【0059】
このため、オシロスコープのアナログ処理回路1の出力から信号の入力が可能になり、例えば、映像信号を通常のオシロスコープとして観測していたときでも、ビデオ機能を使用する場合、スイッチを切り換えるだけで、入力端子の接続を変更する必要がない。つまり、オシロスコープとしての波形表示から簡単に、波形モニタ、ベクトルスコープ、ピクチャー表示をすることができる。
【0060】
更に、通常、波形モニタ、ベクトルスコープ、ピクチャーモニタ等は、1Vp−p、75Ωの信号インターフェースで入力するようになっていて映像機器の信号モニタ専用となっている。しかし、映像機器の保守サービスでは、映像機器の内部を観測することが必要であるが内部回路では必ずしも1Vp−p、75Ωでなく様々な信号レベル及びインピーダンスである。このため、通常の1Vp−p、75Ωのビデオ信号専用入力では観測ができない。しかし、オシロスコープのアナログ処理回路1を経由する入力接続手段を設けることにより信号レベル及びインピーダンスに関係なく波形モニタ、ベクトルスコープ、ピクチャー表示をすることが可能となる。
【0061】
実施例3:ピクチャモニタ機能とオシロスコープの表示のどちらにも適した平面状ドットマトリックスカラー表示器の駆動方法。
【0062】
つぎに、このような実施例に最適な、いわゆるAV用LCD(つまりテレビジョン受像器用のLCD)を使用するための技術について説明する。
【0063】
テレビジョン受像器用のLCDは当然のことながら、ピクチャモニタ用の画面表示として用いた場合は、本来の使用目的に適ったものであるため、なんら問題はない。このため、本発明の最適な実施例のオシロスコープでは、テレビジョン受像器用のLCD、いわゆるAV用LCDを用いている。一方、コンピュータ用モニタ表示器に用いられるいわゆるOA用のLCDはデジタルデータ表示用であるため、オシロスコープの波形表示用としては問題ないがこれにテレビジョン画面を表示する場合には信号変換等の処理が必要となる。また、前記AV用LCDはオシロスコープの波形表示用としては解像度の点で問題があり、使用することができない。
【0064】
以下に説明する実施例はこのような問題を解決し、ピクチャモニタに最適なAV用LCDをオシロスコープの表示器としても十分用いることができるようにしたものである。以下詳細に説明する。
【0065】
オシロスコープは、周知のように、従来からその表示器としてブラウン管(カソードレイチューブ(CRT)とも言われている)が使用されてきた。
【0066】
例えば、カラーCRTを用いたものあるいはCRTの前にカラー液晶シャッターを設けたオシロスコープが提案されている(例えば、特開昭53−84789、特開昭54−8566、実開昭58−14171)。このようなオシロスコープを用いれば、波形を表示チャネルごとに色別表示でき大変に観測しやすい。
【0067】
しかし、ブラウン管はその管面の大きさに比し電子銃までかなりの長さを必要とし、オシロスコープの小型化を阻んでいる。
【0068】
一方、小型軽量化を図ったオシロスコープとして、液晶表示器(以下LCDと称す)を用いたデジタルオシロスコープが提案されている。これらはモノクロLCDを用いたものである。例えば、特開平4−143664にはアクティブマトリクス方式のLCDを表示装置として使用したデジタルオシロスコープにおいて記載されている。この発明は、画素電極群を駆動するスイッチ素子をシリコン単結晶薄膜層によりデバイス内に形成し、オシロスコープに使用可能なLCDを提案するものである。しかし、これらは、オシロスコープ専用のモノクロで、当然カラー表示はできない。
【0069】
ところでカラー表示を行なう場合には、コンピュータの画面表示用のLCD(所謂OA用LCD)を用いるか、あるいは所謂オーディオ・ビジュアル(AV)用と称されるカラードットマトリックス平面表示器を用いてこれに観測波形等のデータを表示させることになる。
【0070】
ところが、OA用LCDは波形の表示位置に対応して表示色を指定できるが3ドット(RGB)で1画素のアクセスとなるため、画面が小さくなるほど、必要とする水平方向の分解能が不足して来る。また、1ドットを小さく作るには、加工精度上問題が多い。さらにこれは非常に高価であり、サイズが大きく、オシロスコープを小形化することができない。
【0071】
OA用LCDは先に説明したようにビデオ入力をそのまま入力することができない。すなわち、アナログデジタル変換を必要とするばかりでなく。シリアルデータをパラレルに変換、階調の処理等の必要が生じる。
【0072】
一方、前述の所謂AV用(テレビジョン受像器用)と称するアクティブマトリックス方式のLCDを用いた場合にはビデオモニタつまりピクチャーモニタ表示としての動作は本来の目的に適っているので、何ら問題はない。しかしながら、これを従来と同じ制御方式(CRTディスプレイ等と同様の制御)でオシロスコープの波形表示用あるいは波形モニタとして用いた場合、1ライン毎の表示制御、すなわち、水平同期信号に基づく表示制御によるため、表示データに対しある所ではLCDの1画素が光り、ある所ではLCDの2画素が光るような現象が発生し、水平方向の表示品位が劣化する。
【0073】
特にオシロスコープ用に小型のカラードットマトリックス平面表示器を使用すると水平方向の画素数が少ないため、表示波形のなめらかさ等の表示品位が悪くなる。
【0074】
ここで、OA(office automation)用のカラードットマトリックス平面表示器とは、表示器を制御する表示制御部からクロック(即ち、外部クロック)及び該クロックに同期した画像データを受けて画素の駆動とスキャンを該クロックによりタイミング制御して表示を行うものをいう。
【0075】
一方、AV用のカラードットマトリックス平面表示器とは、外部より加えられる映像信号(VIDEO)によりサンプリングとスキャンを行うもので、周波数シンセサイザ(例えばPLL等)を有し、該シンセサイザからのクロック信号により映像を表示するものである。
【0076】
本発明の実施例のビデオ入力付きオシロスコープは実際に使用される状態を考慮すると、小型、軽量であることが望ましい。このため、表示器としてはLCD等の平面表示器が適している。以下の説明はこのような実施例として表示器にカラードットマトリックス平面表示器を用いたことを特徴とし、更に最適には前記AV用カラードットマトリックス平面表示器を用いたものである。
【0077】
本実施例は、ビデオ入力オシロスコープにおいて、オシロスコープ、波形モニタ、ベクトルスコープとしての動作時に、波形表示用のカラードットマトリックス表示器へ供給する水平同期信号をつくっている分周値(水平同期信号の分周は表示信号発生部からの表示信号のクロック周波数からつくる)を前記波形表示用のカラードットマトリックス表示器の内部水平同期信号をつくっている分周値(内部水平同期信号の分周は走行クロック周波数からつくっている)と整数倍の関係にしたものである。
【0078】
これにより、波形モニタ、ベクトルスコープ、オシロスコープとしての動作時にも、表示すべき座標点(表示データ点)を少なくとも2ドット以下の単位で制御でき、高精細な表示が可能となる。
【0079】
波形モニタ、ベクトルスコープやオシロスコープとしての動作時に、本発明は従来G、R、Bの3ドットで1画素として、座標を与え、その1画素単位で制御していたものを、RまたはG、またはBの各ドット又はこれらを組み合せた2ドットに、又は、隣接する画素のドットとの組み合せに対し、各1つの座標を与えドット単位で制御するようにしたものである。
【0080】
なお、図44、45は参考として示した従来の通常のLCD表示方法を説明する図である。両図はLCD表示画面の一部を拡大して示したもので、図44の例はR、G、Bのドットは横方向に配列されており、この場合の制御はR1、G1、B1、R2、G2、B2…のように3ドットで1画素となっている。このような制御で斜めの直線を表示すると同図に示すようものとなる。図45の例はR、G、Bのドットがデルタ配列されており、図示の例は図44と同じく、R、G、Bの3ドットで構成された1画素の制御の基で、水平方向の直線を表示したものである。
【0081】
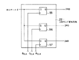
初めに、本実施例におけるカラーLCDの制御について図5を用いて説明する。
【0082】
同図において、カラードットマトリックス平面表示器は例えばカラー液晶表示器(LCD)70であり、カラーLCD用ドットスキャン(scanning)回路10、周波数シンセサイザー例えばphase−locked−loop(PLL)回路25、インバータ29、カラーLCD表示部60を有する。PLL回路25は、周波数fsのカラードットスキャンクロック14を発生する電圧制御発振器(VCO)11、該クロック14の周波数fsを分周比Ns(Ns:例えば645)で分周する分周器12、分周器12の出力信号15(SH:周期tHS)と表示制御部900からの周期tHの水平同期信号20(SH)の位相を比較して、その偏差をVCO11に出力する位相比較器13を有する。LCDドットスキャン回路10は表示制御部900からの表示データ24B、24G、24Rをスキャンクロック14及び該クロック14をインバータ29を介して与えられるスキャンクロック14’とに応じてカラーLCD表示部60の画素に与える。分周器12の出力信号15は水平同期信号SHとしてドットスキャン回路10に与えられ、後述する垂直同期信号70と共に該回路10での波形データの線順次走査に使用される。尚、該水平同期信号SHはスキャンクロック14、14’に同期していればよく、他の方法で発生しても良い。垂直同期信号SVは分周器17で作られ、カラーLCD70のLCDドットスキャン回路10に供給される。
【0083】
次に表示制御部900について説明する。
【0084】
ビデオ入力付きオシロスコープの表示制御部900は、同期信号発生回路16と色制御を行う3相タイミング発生回路22を有する。同期信号発生回路16は、周波数2fd(例えば20MHz)のクロック信号26、周波数fdのクロック信号19等を発生するクロック発生回路51と、クロック信号19を分周比Nd(例えば645)で分周してクロック信号(水平同期信号SH’)20を出力する分周器17と、クロック信号26に基づき3相のクロック信号BCLK、GCLK、RCLKを発生する3進カウンタ18と、この3進カウンタ18からの3相クロック信号に応答して順次青、緑、赤の表示データ24B、24G、24Rを出力する3相タイミング発生回路22を有する。カラーLCD70に与えられるこの垂直同期信号と、上記水平同期信号20により、表示制御部900における表示データ出力タイミングとカラーLCD70におけるベクトルや波形の表示タイミングが同期されることとなる。3相タイミング回路22の詳細については後述する。
【0085】
なお、表示用メモリ4に供給されるデータは従来から周知のオシロスコープにおける表示データと同一であるため、詳細な説明は省略する。
【0086】
次にカラーLCD70、表示制御部900の動作について説明する。
【0087】
本発明においては、表示制御部900において発生される、表示データ24B、24G、24Rの出力タイミングを決定する(同期した)水平同期信号SH’20をカラーLCD70に与える。カラーLCD70のPLL25においては該水平同期信号20に同期した該表示データ24B、24G、24R用のスキャニングクロック信号14、14’を作成している。
【0088】
更に、本実施例においては表示制御部900からの水平同期信号SH’20の周期tHとカラーLCD70内のPLL回路内の分周器12の出力信号15(水平同期信号SH)の周期(tHs)は等しい。すなわち、図5に示すカラーLCD70のPLL回路25のカラーLCD用ドットスキャンクロック14、14’の周波数fs、及びカラーLCD内部の信号(水平同期信号)15の周期tHS及びそれを作っている分周器12の分周比Nsの関係がtHS=1/fs×Nsであることに着目し、ビデオ入力付きオシロスコープの表示制御部900の同期信号発生回路16で発生する水平同期信号20の周期tH及びそれを作っている分周器17の分周比Ndとクロック信号19の周波数fdの関係を1/fd×Nd=tH=tHSとしたものである。
【0089】
すなわち、波形表示用のカラーLCD70へ供給する表示データ24G、24B、24Rのクロック周波数と前記波形表示用のカラーLCD70の走査クロック14、14’の周波数とを整数倍の関係にしたものである。言い換えれば、表示用のカラーLCD70に供給する水平同期信号を作る分周器17の分周比Ndを該カラーLCDの内部水平同期信号を作る分周器12の分周比Nsを整数倍の関係としたものである。
【0090】
ここで好ましくは、例えばtHS及びtHは、63.5μsである。
【0091】
このようにすることにより、図5のカラーLCD70のPLL回路25により、表示制御部900の水平同期信号20の周期tHは、PLL回路25の内部水平同期信号の周期tHSとほぼ同一になるため、例えば分周器12及び17の分周比をNs=Ndとすれば、クロック発生回路51の出力クロック19の周波数fdとVCO11の出力周波数fsはfd=fsとなり結果的にカラーLCD70のドットスキャンに同期して、表示データを発生することになる。更に、カラーLCD70は表示制御部900の3進カウンタ18、3相タイミング発生回路22により、表示データをドット配列に対応した3相タイミングのB、G、Rの表示信号で動作することになる。
【0092】
次に、表示データを画素配列に対応した3相タイミングのB、G、Rの表示信号で動作した場合の特徴的動作について更に具体的に説明する。
【0093】
カラーLCD70のドットスキャン回路10の構成を、更に詳細に示すと図6の様に構成されている。図6において、ドットスキャン回路10は、それぞれスキャンクロック14、14’に応答してスイッチ群SWG1、SWB1、SWR2−−、スイッチ群SWR1、SWG2、SWB2−−を順次オン、オフするシフトレジスタ30A、30Bと、表示データ24R、24B、24GをカラーLCD表示部60の画素ドット61に選択的に印加して発光させる上記一対のスイッチ群を有する。図6では、便宜上、カラーLCD表示部60のある1つのラインの一部のみを示す。実際は、一例としてカラーLCD表示部60は、例えば、水平走査方向に480ドット、垂直走査方向に256ドット(256ライン)の画素を有する。従って、各ラインに対応して一対のシフトレジスタ、一対のスイッチ群が設けられる。ライン毎のシフトレジスタの切替は水平同期信号72(SH)により行われ、1画面毎のシフトレジスタの切替は垂直同期信号70(Sv)により行われる。
【0094】
次に、該ドットスキャン回路10の動作を図6、7を用いて説明する。
【0095】
スキャンクロック14とその逆相のクロック14’(図7の(a)、(b))に同期して、シフトレジスタ30A、30Bの出力端子SQ1、SQ1’、SQ2、SQ2’、SQ3には図7の(c)〜(g)に示すようなタイミングでスイッチ制御信号SSQ1、SSQ1’、SSQ2、SSQ2’、SSQ3が発生する。この制御信号にしたがって、スイッチSWG1、SWR1、SWB1、SWG2、SWR2が順にオンして行く。そして、それぞれのスイッチがオンしている間に対応する表示データに対応した電圧が該スイッチに与えられていればその信号がそれぞれの対応するドットにチャージされる。すなわち、制御信号SSQ1のハイレベル部により、スイッチSWG1がオンし、その時の表示データ24Gに対応した電圧が緑のドットG1にチャージされる。次に制御信号SSQ1’のハイレベル部により、スイッチSWR1がオンし、その時の表示データ24Rに対応した電圧がが赤の画素R1にチャージされる。更に、制御信号SSQ2のハイレベル部により、スイッチSWB1がオンし、その時の表示データ24Bに対応した電圧が青のドットB1にチャージされる。
【0096】
以下同じように緑のドットG2、R2(赤)、B2、G3、R3に表示データに対応した電圧がチャージされる。
【0097】
ここで、各ラインのドット61を一対のシフトレジスタ30A、30Bで動作させるのはカラーLCDでは通常行われているもので、素子のマトリックス配線上、表示速度等の観点から望ましい構造の一例である。
【0098】
ところで、本発明は図5の3相タイミング発生回路22から、緑(G)、赤(R)、青(B)の表示データ24を相異なるタイミングで発生している。これは次に説明する理由によるためである。
【0099】
例えば隣接する画素R、G、Bを発光して白色の表示データ点を表示しようとした場合、図7の(h)に示す従来例のように、表示データ24G、24R、24Bが同時に発生していると、ドットG1には時刻t1〜t3の間(時間G1t)で表示データ24Gがチャージされ画素R1には時刻t2〜t4の間で表示データ24Rがチャージされるが、画素B1のスイッチSWB1がオンしている最中の時刻t4に表示データ24Bは終了してしまうため画素B1の発光時間は、画素G1、R1の半分となってしまう。このため表示される色は白色とはならない。
【0100】
そこで、本実施例では図5の3進カウンタ18と3相タイミング発生回路22により、図7の(i)に示すようにG、R、Bの表示データ24G、24R、24Bは3相のタイミングで発生している。このようなタイミングで表示データ24G、24R、24Bを発生すればそれぞれ対応するスイッチSWG1、SWR1、SWB1等のオンのタイミングと一致する。すなわち、SWG1がオンのとき、表示データ24Gが発生し、SWR1がオンのとき、表示データ24Rが発生し、SWB1がオンのとき、表示データ24Bが発生する。したがって、表示データの表示を一ドット単位で制御でき、表示色を安定にすることができ、例えば、連なる一つの波形をにじみのない同一色で表示することができる。
【0101】
ここで、3相タイミング発生回路22の構成例を図8、図9を用いて説明する。図8は3相タイミング発生回路22の一例を示す。図9は表示色として白色を表示する場合のタイミングの一例である。3相タイミング発生回路22は3つの例えばD型フリップフロップ55、56、57を有し、それぞれは3進カウンタ18(図5参照)からの3相クロック信号Rclk、Gclk、Bclk(図9の(b))をそのラッチ入力に入力している。従って、各フリップフロップ55、56、57は対応するクロック信号に対応して表示データdをラッチして出力する。従って、フリップフロップ55、56、57はそれぞれ3相クロック信号の一周期だけタイミングのずれた表示データ24G、24R、24Bを図5の(c)に示すタイミングで出力する。
【0102】
尚、波形表示用メモリ4からの波形データに加え、図示しない文字表示メモリからの文字データの表示も行う場合は、図10に示すような3相タイミング発生回路222を構成する。即ち、各D型フリップフロップ55、56、57のデータ入力D側にオアゲート65、66、67を設け、各オアゲートの入力に表示データdと共に文字表示用メモリ(図示せず)からの文字データも入力させ、各オアゲートの出力を対応するフリップフロップのデータ入力に入力すれば良い。
【0103】
文字データの読み出しはクロック発生回路51からのクロック信号fdに応答して行われる。
【0104】
通常テレビジョンの映像を表示するためカラーLCDはそれに適した各画素sG、R、Bを先に説明した図45に示すようにデルタ型に配列しているものが多い。
【0105】
一方、本発明のように、ビデオ入力を有し、その映像を見る(ピクチャーモニタ機能)ことのできるオシロスコープではビデオの映像を簡単に表示することのできるLCDが望ましい。
【0106】
以下に説明する実施例ではこのようなテレビ受像機に適した発光ドットがデルタ配列されたカラーLCDをオシロスコープの表示用兼用して用いても、高分解能な波形表示ができるようにしたものである。
【0107】
次に、この特徴について図11から図15を用いて説明する。これらの図はカラーLCDの画面の一部を拡大して示したもので、R、G、Bは赤、緑、青のドット61を示し、LOは奇数ラインLEは偶数ラインを示す。
【0108】
ここで、上記した従来の表示データを用いた表示方法で例えば白色を発光する場合は、図11に示すように例えば奇数ラインLO1では、3つのドットBal、Gal、Ralが1つの表示単位として一度に発光され、次に隣の3つのドットBa2、Ga2、Ra2が次の表示単位として一度に発光される。同様に偶数ラインLE1では、3つのドットBb1、Gb1、Rb1が1つの表示単位として一度に発光され、次に隣の3つのドットBb2、Gb2、Rb2が次の表示単位として一度に発光される。従って、データの座標点はラインLO1ではドットGa1、Ga2、…となる。
【0109】
つまり、従来は、1画素を3ドット(R、G、B)として制御している。
【0110】
従って、従来の方法でドットG、Bを発光してシアンを表示する場合は、図12に示すようにラインLO1ではドットBa1、Ga1が1つの表示単位であり、次の表示単位はドットBa2、Ga2となり、ラインLE1では、ドットBb2、Gb2が1つの表示単位であり、次の表示単位はドットBb3、Gb3となる。
【0111】
例えば、ドットB、Gを発光させ、座標X2−Y1、X2−Y2、X2−Y3、X2−Y4の各点をシアン色の縦線データとして表示する場合について説明する。
【0112】
従来のままの制御であると、図13に示すように奇数ラインLO1の座標X2−Y1の表示(ドットBa1、Ga1)のあと、偶数ラインLE1の座標X2−Y2には画素Rのみで画素BとGの表示単位が存在しないため、表示されない。次の奇数ラインLO2の座標X2−Y3には、ドットBa11、Ga11が一つの表示単位として存在するため、表示される。さらに座標X2−Y4にはドットRのみでドットBとGの表示単位が存在しないため、表示されない。このように縦線データを表示する場合、座標に対応する位置に表示したい画素が存在しないときは、そのデータを表示することができない。
【0113】
本実施例では1画素を1ドット(R、G、B)を1画素として制御している。
このため、上記のように、スイッチSWG、SWB、SWRのオン、オフにタイミングが同期した各ドット毎の表示データ24G、24B、24Rを用いている。このため、例えば白色を表示する場合は、マイクロコンピュータ8によりクロック発生回路51からの読みだしクロック信号21の周波数をfdとすれば図9のデータ座標点単位毎に白色表示できる。
【0114】
即ち、例えば図14に示すように奇数ラインLO1では、3つのドットBa1、Ga1、Ra1が1つの表示単位として発光され、次に一部重複する3つのドットGa1、Ra1、Ba2が次の表示単位として発光される。同様に偶数ラインLE1では3つのドットBb1、Gb1、Rb1が1つの表示単位として発光され、次に一部重複(Gb1、Rb1が重複)する3つのドットGb1、Rb1、Bb2が次の表示単位として発光される。従って、データの座標点は各ラインLO1、LE1等では画素X1、X2、X3、…となる。図中の各R、G、Bを結ぶ破線は座標軸を示す。このように、デルタ配列のマトリックスでは0.5ドットの偏差を持つ。垂直方向でのデータの座標点はY1、Y2、Y3…となる。
【0115】
従って、(本発明の後に説明する実施例:表示メモリ4としてラインメモリを用いたものでは、後に詳細に説明するように、シアン色を表示する場合は、マイクロコンピュータCPU8によりクロック発生回路51からの読みだしクロック信号21の周波数を例えば2fd/3とする)この場合、図15で点線で囲んだように、例えば奇数ラインLO1では、2つの画素Ba1、Ga1が1つの表示単位として発光され、次に一部重複する2つのドットGa1、Ba2が次の表示単位として発光される。同様に偶数ラインLE1では、2つの画素Bb1、Gb1が1つの表示単位として発光され、次に一部重複する2つのドットGb1、Bb2が次の表示単位として発光される。
【0116】
このように、図15のごとく奇数、偶数ラインの両方の同一色上にデータ座標点を設定すると、例えば表示データをドットBとGのペアで発光させる場合、ある1ライン上例えば奇数ライン上だけ見ればドットB、Gの数、例えばn個だけしか表示できない。しかし、この実施例では、例えば、Ba1、Ga1の次にGa1、Ba2というように前のグループと画素を重複して表示するため、これも発光することができる。このため、最大2倍のデータ点数の表示が可能となる。これは横(水平)方向の表示についても同じである。
【0117】
つまり、1原色表示のとき、例えばどっとBで表するとすれば表示点は図14の一点鎖線で示すような配置となり、これに応じて、X座標は図14の…x2、x3…のように決めることができる。このときの表示分解能(表示可能色数を3色とする)は3×Pxである(Px:x方向のドットピッチ)。2原色表示とした場合、ドットB、Gで表示する場合、図15のラインY3、Y4に示すように、X座標は1.5×Pxと1原色表示の時の2倍の密度で配置することができる。更に、表示輝度も1表示点当たり、2ドットを使うことができるので、波形表示の明るさを大幅に増大させることが可能となる。3原色表示(R、G、B発光で白色表示)のとき、図14のラインY4に示すように、3原色ドットを組み合わせ、1×Pxごとに座標を対応づける。このとき、最大の最大の座標密度とすることができる。1原色表示のマトリックスをY座標と組み合わせて、奇数ライン、偶数ライン上のドットを使い分け(つまり別座標)て、1.5×Px間隔のマトリックス縦線を表示することができる。これを図14に示す。同図では…ドットBa3、Ba33…と…ドットBb4、Bb41…で2本の縦線を表示した場合を示している。
【0118】
CPU8によりクロック発回路51からの読みだしクロック信号21の周波数を例えばfdとすると、上記のように画素(ドット)を1つの表示単位として発光制御できる。
【0119】
このように、本実施例は前述のようなGRB3相のタイミングの表示データにすることにより、データを表示できる画素数を増やし、表示分解能を向上することができる。
【0120】
後に説明する本発明の別実施例の別の特徴はデータの補間方法である。即ち本発明では図16のように、1チャンネルのデータを表示する際、該表示データの縦方向(垂直走査方向)のデータ補間は以下のように行う。
【0121】
波形データを表示した連続する座標点の内隣接する2つの座標点の垂直走査方向の間に、少なくとも1つの水平走査方向への画素列がある場合、該少なくとも1つの水平走査方向の画素列において上記隣接する2つの座標点の一方と同一の水平走査方向上の位置にある1つのドットを含む1つ(唯一)の表示単位を波形を構成する表示単位として表示する。
【0122】
即ち、補間されるドットの数は、データ補間すべき各ラインにおいて、該ラインを表示データと結ぶ線が横切る数と同じくされる。これにより、波形表示の表示画素の補間をシャープな細い線で実現したものである。このようにして補間した表示例が図16に示すものである。
【0123】
従来の方法で表示波形データの補間を行うと、例えば一対のドットB、Gでシアン色の点を発光させる場合、図17のように、補間データは一対のドットB、Gとなってしまい、太い線となってしまう。ここで、図16、17において、Dは実波形データ(つまり、実際にサンプリングされた波形データ)であり、Eは補間データである。図16より明らかなように、本実施例では縦方向にドットB、Gのペアを構成して1つの補間データとすることにより、波形データをシャープな細い線で表示することができる。
【0124】
以上のように、図5、図6、図7を用いて先に説明した通り、3相タイミングによる各ドット単位の制御により、上記した、画素がデルタ配置されたカラーLCDを用いてもシャープな線でデータ補間を行うことができる。
【0125】
実施例4:ピクチャモニタ機能とオシロスコープの表示のどちらにも適した平面状ドットマトリックスカラー表示器の駆動方法を用い、表示用メモリにVRAMを用いたオシロスコープ。
【0126】
次に、表示用メモリにVRAMを用いた場合の本発明の実施例におけるデジタルオシロスコープの表示方法および装置について説明する。前に説明したような方法を実現した一実施例として、表示メモリとしてVRAMを用いた例につい説明する。
【0127】
表示用メモリにVRAMを用いれば、前記補間動作はマイクロコンピュータのソフトウェア処理で行うことができる。これを図18に示す。
【0128】
さらに、VRAMを用いた例について図19、図20、図21を用いてより詳細に説明する。
【0129】
図20はマイコン処理により表示パターンを作り、3相タイミング回路に色処理回路を設けた例を示すブロック図である。なお、同図はLCD表示器を省略して示しいる。マイクロコンピュータCPU8はアクイジションメモリ3からバスラインを経由して、ベクトルや、波形等のデータを読み込み、先に説明した補間等の処理を施し、ビットマップデータに変換して、VRAM52に書き込む。ここで、VRAM52の容量は例えば、図示しないLCD表示器の発光ドットの数が220(V:垂直方向)×480(H:水平方向)ドット(R、G、B1組を1画素とした場合H:160画素)の場合、220×480以上のアドレスがあればよい。VRAM52への書き込みは、例えば、2ドット表示(1データをB、Gで点灯)の場合、図19に示すように横方向に、3アドレスのうちの2アドレスに書き込む。これは、波形表示用RAMと文字表示用RAMとを共通で使用する場合、すなわち、VRAM52に文字情報と、波形情報の両方を書き込み使用する場合、LCDは横480ドットなので、文字としては横(水平)480ドット使用(小さな文字も表示することができるようにするため、最大限のドットを使用)する。波形データは2ドット表示なので横(水平)方向に320ドット(座標)表示することになる。このため、3アドレスに対し2アドレス(従って1ドットは書き込まない)書き込むことになる。
【0130】
次に、このVRAM52の読み出しについて説明する。読み出しクロックの周波数はfD(一例として10MHz)である(文字表示用RAMを別に考えれば(すなわち波形表示のみならば)横320アドレスあれば良い。周波数fDで読みだしたデータは、色処理3相タイミング回路22’に入る。その色処理3相タイミング回路のB、G点灯回路の一例を図43に示す。そのタイミングチャートは図21に示す。
【0131】
VRAM52からのデータがx0、x1、X、x2、x3、X、x4、…と発生し、x0とx3にデータあり(点灯するデータ)の場合を考えると、まず、偶数ラインの場合、Bclkにより、x0データがBQmainにラッチされ、B1が点灯する。B1が点灯すると、BQmain出力はGQsub D入力に入っているのでGclkによりBQmain出力信号がラッチされ、G1が点灯する。次に、x3にデータがある場合にはGclkによりx3データがGQmainにラッチされ、GQmain出力はBQsubD入力に入っているのでBclkによりGQmain出力信号がBclkによりラッチされB3が点灯する。
【0132】
奇数ラインの場合にはx0データGclkによりGQmainでラッチされ、G1が点灯する。G1が点灯すると、GQmain出力がBQsubD入力に入っているので、GQmain出力信号がBclkにより、BQsubでラッチされ、B1が点灯する。次にxにデータがある場合には、3xはQDでRclkにより一度ラッチされる。つづいて、Qd出力はBQmainD入力に入り、Bclkによりラッチされ、B2が点灯する。B2が点灯すると、BQmain出力はGQsubD入力に入っているのでGclkによりBQmain出力がBQsubでラッチされ、G3が点灯する。
【0133】
以上の動作説明は、表示用メモリとしてVRAMを用いた場合の例である。
【0134】
実施例5:ピクチャモニタ機能とオシロスコープの表示のどちらにも適した表示方法により駆動するLCD表示器を用い、表示用メモリにVRAMを用いたピクチャモニタ機能、ベクトルスコープ機能、波形モニタ機能とを有するビデオモニタ端子付オシロスコープ。
【0135】
次に先の実施例2において説明した、ビデオモニタ端子を有し、ピクチャモニタ、波形モニタ、ベクトルスコープ機能を有するデジタルオシロスコープで、先に説明した独自の表示法によるLCDを用い、かつ、前に述べたようなに表示メモリにVRAMを用いた他の例について以下詳細に説明する。 この実施例は図2、図18以下、図23、図24、図25、図26、図27、図28を用いて説明する。
【0136】
なお、全体の動作については先の実施例2の説明と同一であるのでここでの説明は省略する。
【0137】
ここでは、図2の表示メモリ4にVRRM52(図18参照)を用いたビットマップデータ変換処理、階調データ処理についてより詳細に説明する。
【0138】
このビットマップデータ変換処理、階調データ処理は前に述べた波形モニタ、ベクトルスコープ表示、さらにオシロコープ表示のときにも使うことができる。
【0139】
以下の説明では一例としてベクトルスコープ表示について説明する。
【0140】
アクイジションメモリ3a、3bにはサンプリング、A/D変換されたデータが図22(同図は一つのアクイジションメモリ3aまたは3bの一方例えば3aのみを示す)に示すようにストアされている。同図において、例えば、アドレスA0にはA/D変換されたデジタルデータ値219の値が、アドレスA1にはデジタルデータ値218がそれぞれストアされている。マイクロコンピュータCPU8は、このアクイジションメモリ3a、3bにストアされているデジタルデータをA0からA239まで読み出す。
【0141】
その後、このデータをビットマップデータに変換し、図23に示すようにVRAM52にそのデータを書き込む。この処理は、アクイジションメモリ3a、3bのアドレス値A0からA239を表示メモリであるVRAMのXアドレス値に、同じくデータ値はVRAMのYアドレスに置き換え、該当するアドレスに(X、Y)データを書く(「1」を書く)という処理を行うことにより実現できる。
【0142】
このときにビデオ波形やベクトルデータ等の表示データがより自然な波形に見えるよう、階調表示をするために、データの重ね書きを行う。
【0143】
すなわち、アクイジションメモリ3a、3bから読み込んだ波形データをソフトウェア処理でビットマップデータに変換する時に、CPU8はその内部のメモリにおいて、表示画面に対応したアドレス(X、Y)に対応する位置ごとに加算する。つまり、LCD7上では、加算結果が大きい数のアドレスに対応する位置は明るく表示され、加算結果が小さい数のアドレスは暗く表示される。
【0144】
アクイジションメモリ3a、3bは実施例の理解を容易にするため、デジタルデータ値を220レベル、アドレス(メモリ容量)を240としたが、実用的にはデジタルデータ値は8ビット(256レベル)メモリ容量2,000のものを使用する。なお、このVRAM52の構造は図25のようになっている。つまり、X軸アドレス240、Y軸アドレス220でZ軸方向にnビットの構成となっている。ただし、この実施例では説明を容易にするため、Z軸方向nビットを各1ビットn枚のVRAMとして使用し、この内のD0とD1ビットを用いた例について説明する。以下、このD0とD1ビットをVRAMのそれぞれ1枚目、2枚目と表現する。
【0145】
さて、階調表示をするためには、例えばm階調表示をするには図25に示すように表示メモリのVRAM52をそれがm/2(1ビット/枚として)枚ある構造として使用する必要がある。
【0146】
以下の説明では一例として、4階調で、VRAMを2枚使用の例として説明する。
【0147】
先に説明したCPU8内部で処理された加算結果が0の場合にはVRAMのD0、D1共に1は書き込まない。すなわち「0」、加算結果が最大値の場合にはD0、D1共に1を書き込む。つまり、発生頻度をJとすると、発生頻度が0のときはD0:0、D1:0であり、1〜J/3のときはD0:1、D1:0であり、J/3+1〜J2/3のときはD0:0、D1:1となり、J2/3以上のときはD0:1、D1:1となる。この状態を示した図が図24である。つまり、このような処理により、VRAMには1から4の4種類の階調が表現されたことになる。
【0148】
図26、図27はVRAM2枚に書き込まれたデータを示す。表示では、このD1、D02まいのVRAM52のデータに基づき、アドレスX0、Y0の位置が階調4でもっとも明るく表示され、X1、Y1の位置が階調3で階調4の次に明るい表示となり、X2、Y2は階調2で最も暗い表示となる。その他の位置は階調1となり、まったく表示されない。
【0149】
このようにしてVRAM52に格納された階調表示デジタルデータは先に説明したようなタイミングで順次読みだされ、階調処理回路1131(図2参照)等を経由してLCDに到る。図4は先に説明したようにこの階調処理回路1131の構成の一例示す。階調処理回路は実質的にD/A変換回路である。図28は前記入力値(最大値P)と出力レベルすなわち、階調の関係を示す図である。
【0150】
次に、この動作を更に詳細に説明する。
【0151】
VRAMから読み出された信号、D1側の出力をそれぞれBh、Gh、Rhとし、D0側の出力をそれぞれBl、Gl、Rlとする。次に、LCD70への表示として横3ドット(B、G、RまたはG、R、BまたはR、G、B)点灯の白標示で、水平方向に240データ標示する例で説明する。図26、図27において、VRAMのD1のアドレス(X0、Y0)と(X1、Y1)に書き込まれたデータがあり、同じく、VRAMのD0のアドレス(X0、Y0)と(X2、Y2)に書き込まれたデータがある場合を説明する。ここで、VRAMのYアドレスはLCD70のY方向のラインアドレスに、VRAMのXアドレスはLCDのX軸座標0から239に対応する。これを図46に示す。
【0152】
VRAMのアドレス(X0、Y0)にはD1とD0にデータがあるので、階調4の値がLCD70のドットB0、G0、R1に対応付けられ、その結果、B0、G0、R1が先に説明したγ補正回路1132を通り、階調4に対応する輝度で点灯する。同様にVRAMのアドレス(X1、Y1)にはD1のみにデータがあるので、階調3の値がLCDのドットB1、G1、R2に対応付けられ、その結果、B1、G1、R2が階調3に対応する輝度で点灯する。同じく、VRAMのアドレス(X2、Y2)にはD0のみにデータがあるので、階調2の値がLCDドットG2、R2、B3に対応付けられ、その結果、G2、R2、B3が階調2に対応する輝度で点灯することになる。
【0153】
なお、VRAMにおいて、単に加算するだけではいつかすべてのビットが最大値となってしまうので有限の重ね書き表示を併用することは先の実施例で説明した通りである。
【0154】
実施例6:ピクチャモニタ機能とオシロスコープの表示のどちらにも適した表示方法により駆動するLCD表示器を用い、表示用メモリにラインメモリを用いた、ピクチャモニタ機能を有するビデオモニタ端子付オシロスコープ。
【0155】
次に表示メモリにラインメモリを用いた場合の実施例で、ピクチャモニタ機能を有するビデオモニタ端子付オシロスコープについて詳細に説明する。
【0156】
図29に本実施例によるビデオ入力付きオシロスコープの要部の構成のブロック図を示す。本実施例は、赤(R)、青(B)、緑(G)の三色を用いてカラー表示するビデオ入力付きオシロスコープの場合であり、先に説明した図1、図2のデジタルオシロスコープにおいて、表示用メモリとして、ラインメモリを用いたものである。特に図29は表示制御部901の構成を詳細に示したものである。
【0157】
同図において、カラーLCD70は図5で説明したものと基本的に同一であるため、ここでの説明は省略する。
【0158】
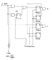
表示制御部901は、同期信号発生回路16と色制御回路23を有する。同期信号発生回路16は、周波数2fd(例えば20MHz)のクロック信号26、周波数fdのクロック信号19等を発生するクロック発生回路51と、クロック信号19を分周比Nd(例えば645)で分周してクロック信号(水平同期信号SH)20を出力する分周器17と、クロック信号26に基づき3相のクッロク信号BCLK、GCLK、RCLKを発生する3進カウンタ18を有する。クロック発生回路51は、更に、例えば周波数fd又はfd/3の波形表示用メモリ4への読みだし用クロック信号21(R)を発生すると共に、色制御回路23の補間回路28にも例えば周波数fd又はfd/3のクロック信号53(ST0)を与えている。色制御回路23は、ラインアドレス発生回路72、比較器27、補間回路28、3相クロック信号に応答して順次青、緑、赤の表示データ24B、24G、24Rを出力する3相タイミング発生回路22を有する。ラインアドレス発生回路52は、分周器17からのクロック信号(水平同期信号)20に応答してラインアドレスを発生する。表示用メモリ400は例えば8ビット、2kワードのラインメモリで、カラーLCD70が1水平走査するたびに毎回全水平アドレスのデータが読み出される。垂直アドレス回路72は1垂直走査時間分の波形データの読み出しに同期して、順次アドレスQ(LCD表示部60の走査アドレス(垂直方向ラインNo.に対応))を更新しそれを出力する。更に、該回路72はデコーダ75を介して該アドレスQに同期した垂直同期信号SVを発生し、カラーLCD70のドットスキャニング回路10に与える。表示制御部901からカラーLCD70に与えられるこの垂直同期信号SVと、上記水平同期信号SHにより、表示制御部901における表示データ出力タイミングとカラーLCD70における波形データの表示タイミングが同期されることとなる。比較器27は波形表示用メモリ4からの波形データpとラインアドレス発生回路72から発生されたアドレスQとを各垂直方向のデータ(256ビット分)毎に比較し、一致すれば(ラインアドレスで発生したアドレスQに表示すべきデータPがあることを示す)そのP=Q端子に、データPのアドレスが、アドレスQより大きいときはP>Q端子に信号が出力されて補間回路28に与えられる。
【0159】
このようにして、波形表示用ラインメモリ400からの波形データはラスタスキャン形式に変換される。従って補間回路28の出力は補間された波形データ(表示データ)dとなる。比較器27と補間回路28の動作の詳細は後述する。3相タイミング回路22の詳細については先の実施例5に説明した通りである。尚、色制御回路23の動作はマイクロコンピュータCPU8のソフトウェア処理で置き換えることも可能である。
【0160】
なお、表示用ラインメモリ400に供給されるデータは従来から周知のオシロスコープにおける表示データと同一であるため、詳細な説明は省略する。
【0161】
次にカラーLCD70、表示制御部901について説明する。なお、この動作は先に実施例3で説明したものと類似し、一部重複するが再度ここでは簡単に説明する。
【0162】
本実施例においては、表示制御部901において発生される、表示データ24B、24G、24Rの出力タイミングを決定する(同期した)水平同期信号SH20をカラーLCD70に与える。カラーLCD70のPLL25においては該水平同期信号20に同期した該表示データ24B、24G、24R用のスキャニングクロック信号14、14’を作成している。
【0163】
更に、本実施例においては表示制御部901からの水平同期信号SH20の周期tHとカラーLCD内のPLL回路内の分周器12の出力信号15(水平同期信号SH)の周期(tHs)は等しい。すなわち、図29に示すカラーLCD70のPLL回路25のカラーLCD用ドットスキャンクロック14、14’の周波数fs、及びカラーLCD内部の信号(水平同期信号)15の周期tHS及びそれを作っている分周器12の分周比Nsの関係がtHS=1/fs×Nsであることに着目し、表示制御部901の同期信号発生回路16で発生する水平同期信号20の周期tH及びそれを作っている分周器17の分周比Ndとクロック信号19の周波数fdの関係を1/fd×Nd=tH=tHSとしたものである。
【0164】
すなわち、波形表示用のカラーLCD70へ供給する表示データ24G、24B、24Rのクロック周波数と前記波形表示用のカラーLCD70の走査クロック14、14’の周波数とを整数倍の関係にしたものである。言い換えれば、波形表示用のカラーLCD70に供給する水平同期信号を作る分周器17の分周比Ndを該カラーLCDの内部水平同期信号を作る分周器12の分周比Nsを整数倍の関係としたものである。
【0165】
次に、表示メモリにラインメモリを用いた場合の補間表示について説明する。
【0166】
本発明ではさきに説明したよう縦方向にドットB、Gのペアを構成して1つの補間データとすることにより、図16に示すように波形データをシャープな細い線で表示する。
【0167】
次に、上記したデータ補間を行い、画素がデルタ配置されたカラーLCD(図45に示す)を用い、ラインメモリを用いた場合の例について説明する。
【0168】
図30は、該別実施例の表示制御部の構成を示すブロック図である。図中、図29の構成要素と同一機能を有するものには同一符号を付し、その説明を省略する。カラーLCD70の構成、及びその他の構成は先に説明した実施例と同様でありその説明を省略する。
【0169】
また、更に、その他のビデオ波形モニタ、ピクチャーモニタに関する回路ブロックは、図1または図2あるいは図5と同様であるが、ここでは一例として、ピクチャモニタ機能を有するものについて示している。
【0170】
本実施例では、一例として、例えば、緑のドット(G)と青のドット(B)とで1つの表示単位(表示データ点または表示座標点)として発光させてシアン色の波形データを表示させる場合について説明する。
【0171】
図30において、クロック信号発生回路151は図29のクロック発生回路51と3進カウンタ18の両機能を有するものである。参照符号128は補間回路、122は3相タイミング発生回路であり、図29の補間回路28、3相タイミング発生回路22と同様の機能を有する。
【0172】
先ず、クロック発生回路151の構成と動作を説明する。クロック信号発生回路151は、例えば周波数20MHz(2fd)のクロック信号を発振する発振器110と、該クロック信号を1/2に分周して周波数10MHz(fd)のクロック信号19を出力する分周器112と、該発振器110からのクロック信号を入力して図31の(b)に示す6相クロック信号S0〜S5を出力する3進カウンタ118と、デコーダ&セレクタ120を有する。該クロック信号S0〜S5は、図31の(a)に示すように、カラーLCD表示部60のデルタ配置されたドットの奇数ライン(LO)のドット、偶数ライン(LE)のドットとそれぞれ対応している。クロック信号S0〜S5はデコーダ&セレクタ120に与えられる。
【0173】
デコーダ&セレクタ120はラインアドレス発生回路72の8ビットアドレス出力の内の最下位ビット(LSB)を入力する。該LSBはカラーLCD表示部60のデルタ配置されたドットの水平走査方向の奇数ライン、偶数ラインを示し、例えば、偶数ラインの時ハイレベル(H)、奇数ラインの時ローレベル(L)となる。
【0174】
3相タイミング発生回路122に与えられるクロック信号Gclk、Bclkはクロック信号S0〜S5と該LSBに基づき作成される。図32は該クロック信号を発生する回路の一例であり、ここではクロック信号Gclkの発生回路を示す。該発生回路は2つのANDゲート121、122と該2つのANDゲートの出力を入力するオアゲート123、LSBを反転してANDゲート122に入力するインバータ124を有する。アンドゲート121にはクロック信号S0と信号LSBが、アンドゲート122にはクロック信号S3とLSBの反転信号が入力される。該回路の出力クロック信号GclkはLSBのレベルH、Lに応じて、それぞれ図31の(d)に示すように偶数ライン、奇数ラインの表示データ用の異なるタイミングのクロック信号となる。図31の(c)、(d)において、LO、LEはそれぞれ奇数ライン、偶数ラインの表示データ用のクロック信号であることを示す。
【0175】
他のクロック信号Bclk(図31の(d))もクロック信号S4とS1及びLSBを用いて同様な構成により発生される。尚、本実施例ではクロック信号Rclkは用いないが、クロック信号S2とS5及びLSBを用いて同様な構成により発生可能である。
【0176】
補間回路128に与えられるクロック信号ST0は図33に示すように、例えば、クロック信号S2、S4を入力するオアゲート125の出力で得られる。該クロック信号ST0をインバータ114を介して反転したクロック信号21は表示用メモリ4に読みだしクロック信号として与えられる。本実施例では赤のドットRを発光しないため、このクロック信号21は、3相クロックの内の赤のクロックRclk(即ち赤の表示データ24R)に対応するクロックパルスを設けない。ここでは便宜的にこのようなクロック信号21の周波数を2fd/3と定義する。
【0177】
次に、本実施例における表示制御部9の構成、動作を2色表示する場合について説明する。
【0178】
図34は表示用ラインメモリ400の波形データの一例を示す図であり、この例では、このラインメモリ400はカラーLCD表示部60に対応して水平走査方向にnデータ、例えば320データ各データは8ビットの値を持つ。即ち、この場合、LCD表示部60は水平走査方向に480ドット、垂直走査方向に256ドット(256ライン)を持つ。図中、斜線部は表示すべき波形データ(表示波形データ)が存在するところを示す。アクイジションメモリ3からは波形表示データが表示用メモリ400に書き込まれる。表示用ラインメモリ400は、クロック信号21(図31の(e))に応答して該表示波形データを垂直方向の8ビットを単位として(8ビットパラレルデータとして)順次読み出す。即ち、クロック信号21に応答して図34に示す水平方向の各アドレスLV0、LV1−毎に波形データを読み出す。こうして、図35の(c)に示す1水平走査期間において表示用ラインメモリ400内の全てのデータが読み出され波形データP(図35の(b))として比較器27に与えられる。ラインメモリ400はこの1水平走査期間tH内で行われる全波形データの読みだし動作をLCD表示部60の垂直方向ライン数の分だけ、即ち、256回繰り返す。即ち、1垂直走査期間tVで256回全波形データの読みだし動作を繰り返す。これを終了すると、次の表示波形データがアクイジションメモリ3から表示用ラインメモリ400に入力される。
【0179】
次に、表示用ラインメモリ400の内容、すなわち、波形データをラスタスキャンのように読み出す動作について、さらに詳しく説明する。
【0180】
ラインアドレス発生回路72は例えば、水平同期信号であるクロック信号20(図35の(c))を計数する8ビットのバイナリダウンカウンタであり、従って図35の(d)、(e)に示すように一垂直走査期間tVにおいて255から0まで計数し、次の水平同期信号によりリセットされる計数値255となると共に垂直同期信号SVを発生する。従って、ラインアドレス発生回路72はLCD表示部60における現在の走査中のライン(図34のLH0〜LHnn)を示すアドレスを出力する。
【0181】
次に、比較器27の動作を図36を参照して説明する。図中(a)は表示用ラインメモリ400から読み出された表示波形データpであり、斜線部は表示すべき波形データがあることを示す。先ず、ラインアドレス発生回路72からの出力アドレスQが水平走査ラインLH0を示す値255であるときについて説明する。ラインLV0の波形データが読み出されると(時刻t0)、図36の場合、波形データpはラインLH6に存在するためデータの存在するアドレスの値は249である。次のラインLV1、LV2、LV3、LV4の波形データpのデータの値はそれぞれ249、249、255、255である。比較器27は各ラインLV0、LV1−−の波形データ毎にデータpのアドレスとアドレスQを比較し、一致すればP=Q端子からの出力信号のレベルをハイレベルにし、P>QであればP>Q端子からの出力信号のレベルをハイレベルにし、その他の場合はローレベルとする。従って、図36の(c)、(d)に示すように、比較器のP=Q端子、P>Q端子の出力信号は変化する。こうして、出力アドレスQが水平走査ラインLH0の値(255)を示す時に、全てのラインLV0〜LVn−1についての比較を終了すると、次に出力される出力アドレスQが次の水平走査ラインLH1の値(254)を示し、この場合も同様に比較動作を行う。
【0182】
比較器27のP=Q端子、P>Q端子の出力信号は補間回路128に与えられる。
【0183】
以上が表示用ラインメモリ400の表示データをラスタスキャンのように読み出す動作の説明である。
【0184】
次に、図30に示した実施例における動作を更に詳細に説明する。
【0185】
補間回路128は、図30に示すように、例えばD型フリップフロップ130、132、オアゲート134、排他的論理和回路136を有し、クロック信号発生回路151からのクロック信号ST0がフリップフロップ130、132のラッチ入力に与えられ、比較器27のP=Q端子、P>Q端子の出力信号はそれぞれフリップフロップ130、132のデータ入力Dに与えられる。
【0186】
3相タイミング発生回路122は、例えば、オアゲート134の出力をそのデータ入力Dに入力するD型フリップフロップ140、142と、該フリップフロップ140のQ出力、Qバー出力をそれぞれ入力するアンドゲート144、146と、該アンドゲート144、146の出力を入力するオアゲート148と、フリップフロップ142のQ出力、Qバー出力をそれぞれ入力するアンドゲート150、152と、該アンドゲート150、152の出力を入力するオアゲート154と、インバータ156を有する。アンドゲート144、150の他方入力にはマイクロコンピュータ8からの反転表示制御信号158が、アンドゲート146、152の他方入力には該信号158をインバータ156を介して入力される。該反転表示制御信号158は例えば、ローレベルで通常表示(バックを黒、波形を輝点、この例の場合はシアン色)、ハイレベルでは反転表示となり、バックが白色で波形は暗色点となる(この例では波形は暗赤色となる)。
【0187】
補間回路128、及び3相タイミング発生回路122の動作を図37、図38を用いて説明する。補間回路128において、オアゲート134における比較器27のP=Q端子の出力と、フリップフロップ130のQ出力端子の出力との論理和を示す信号160は、表示用ラインメモリ400から読み出された表示波形データを示す。一方、排他的論理和回路136の出力信号161は補間データを示す。
【0188】
3相タイミング発生回路122では、これら信号160、161に基づき、表示用ラインメモリ400から読み出された波形データに基づく表示データ(表示点データ:波形として表示すべき点を示すデータ)B、G(24B、24G)を出力すると共に、補間データに基づく表示データB、G(24B、24G)を出力する。
【0189】
先ず、表示用ラインメモリ400から読み出された表示波形データに基づく表示データB、G(24B、24G)の生成、表示について図37を用いて説明する。図中(a)は比較器27の出力端子P=QからのラインLH0、LH1、LH6の表示データを示し、(b)はラインLH0、LH1、LH6の信号160を示し、(c)はデコーダ&セレクタ120からの信号ST0を示し、(d)はデコーダ&セレクタ120からの奇数及び偶数ライン用のクロック信号Bclkを示し、(e)は奇数及び偶数ライン用のクロック信号Gclkを示し、(f)は偶数ラインLH0の出力表示データB、G(24B、24G)、(g)は奇数ラインLH1の出力表示データB、G(24B、24G)、(h)は偶数ラインLH6の出力表示データB、G(24B、24G)を示す。また(i)はLCD表示部60の表示画面を示す。尚、(f)〜(h)に示す表示データB、Gの出力タイミングと(i)に示す表示画面の表示データの発光タイミングとは対応させて図示している。これは図38においても同様である。
【0190】
例えば、偶数ラインLH0の青の表示データの表示について説明する。この場合に3相タイミング発生回路122のフリップフロップ140で処理される補間回路128からの信号160は図37の(b)の▲1▼に示すデータであり、そのデータを表示するタイミングを決定するクロック信号Bclkは図37の(d)の▲2▼に示すクロック信号である。
【0191】
まず、時刻t3での該クロック信号の立ち上がりにおいて信号160はラッチされるが信号160はそれまでローレベルであるので出力表示データ(f)ラインLHO−Bもローレベルである。次に、時刻t5での該クロック信号の立ち上がりにおいて信号160はハイレベルであるので出力表示データ(f)LHO−Bもハイレベルとなる。次に、時刻t7での該(d)BCLK▲2▼のクロック信号の立ち上がりにおいて信号160((b)▲1▼)はローレベルとなるので出力表示(f)ラインLHOデータBもローレベルとなる。従って、ラインLH0の表示データBは時刻t5−t7の間ハイレベルとなる。従って、LCD表示部60においては座標X4に対応するBG画素502が発光される。
【0192】
同様にして、奇数ライン(例えばLH1)の青の表示データについては、3相タイミング発生回路122のフリップフロップ140に入力される図17の(b)の▲2▼に示すデータと、図37の(d)の▲1▼に示すクロック信号Bclkに基づいて生成される。
【0193】
同様にして、緑の表示データについては、3相タイミング発生回路122のフリップフロップ142に入力される信号160とクロック信号Gclkにより生成される。
【0194】
こうして、図37の(i)に四角で囲み斜線で示すように青、緑の画素(B、G)500、504、508、510等が発光する。こうして、図中に斜線で示すように、表示用ラインメモリ400から読み出された表示波形データに基づく表示データB、G(24B、24G)により画素が発光される。尚、図37の(i)の○で囲んだ表示データB、Gは補間データに基づく表示画素を示す。
【0195】
次に補間データに基づく表示データB、G(24B、24G)の生成、表示について図38を用いて説明する。
【0196】
図中(a)は比較器27の出力端子P>QからのラインLH1〜LH5の表示データを示す。尚、最上ライン、及び最下ラインLH0、LH255では補間は行われないので、出力端子P>Qからこれらのラインの補間データは出力されない。(b)はラインLH1〜LH5に対する補間回路128のフリップフロップ132のQ出力を示し、(c)はラインLH1〜LH5に対する補間データ信号160を示し、(d)はクロック信号発生回路151のデコーダ&セレクタ120からの奇数及び偶数ライン用のクロック信号Bclkを示し、(e)は同じく奇数及び偶数ライン用のクロック信号Gclkを示し、(f)は奇数ラインLH1の補間表示データB、G(図30の3相タイミング発生回路122の24B、24G)、(g)は偶数ラインLH2、4の補間表示データB、G(同じく図11の24B、24G)、(h)は奇数ラインLH3、5の補間表示データB、G(同じく図11の24B、24G)を示す。また(i)はLCD表示部60の表示画面を示す。
【0197】
例えば、奇数ラインLH1の青の補間表示データについて説明する。この場合に3相タイミング発生回路122のフリップフロップ132で処理される信号161は38の(c)の▲1▼に示すデータであり、クロック信号発生回路151からのクロック信号Bclkは図38の(d)の▲1▼に示すクロック信号である。まず時刻t2での該クロック信号の立ち上がりにおいて信号161はラッチされるが信号161はローレベルであるので(f)のラインLH1の補間表示データBもローレベルである。次に、時刻t4での該クロック信号の立ち上がりにおいて信号161はハイレベルであるので補間表示データBもハイレベルとなる。次に、時刻t6での該クロック信号の立ち上がりにおいても信号161はハイレベルであるので補間表示データBはハイレベルのままとなる。次に時刻t8での該クロック信号の立ち上がりにおいて信号161はローレベルとなるので補間表示データBもローレベルとなる。従って、ラインLH1の補間表示データBは時刻t4−t8の間ハイレベルとなる。従って、LCD表示部60においては座標X3に対応するB画素506が発光される。
【0198】
同様にして、図38の(i)に○で示すように青、緑の画素(B、G)508、512、514、520、522、524等が発光する。こうして、図中に○で示すように、補間表示波形データに基づく表示データB、G(24B、24G)により画素が発光される。
【0199】
こうして、図37、38の(i)から明らかなように、水平方向では、青、緑一対の画素500、502で座標X3の1つの表示単位となり、一対の画素502、504で座標X4の表示単位となる。
【0200】
一方、垂直方向では、補間データにより垂直方向に表示される一本の波形ラインは、各ラインLH1〜LH5において1つの画素(例えば512、514)で表示されるため、波形データをシャープな細い線で表示される。
【0201】
上記図30に示す別実施例において、補間回路128からの波形データに加え、文字データの表示も行う場合は、図39に示すように3相タイミング発生回路122を構成する。即ち、各D型フリップフロップ140、142のデータ入力D側にオアゲート170、172を設け、各オアゲートの入力にオアゲート134の出力表示データと共に図示しない文字表示用メモリからの文字データも入力させ、該各オアゲートの出力を対応するフリップフロップのデータ入力Dに入力すれば良い。
【0202】
また、上記実施例は青と緑の画素を発光させて黄色のデータを表示させているが、他の2色の組み合わせによる色のデータを表示させるようにすることもクロック信号Rclkを用いて容易に実現できる。
【0203】
次に、本実施例を適用した種々のデジタルオシロスコープ動作時のデータ表示方法を以下に説明する。
【0204】
図40に示す例においては、各水平走査方向のライン(LH)の1番目の画素グループをR1、G1、B1とし、2番目の画素グループをそれぞれR2・G2・B2とし、例えば1水平走査ラインおきに発光させるとすると、例えば、印加された第1のデータでラインLHnの1番目の画素グループのドットR1・G1・B1を発光させ、第2のデータでラインLHn+2の1番目の画素グループと2番目の画素グループの一部のドットG1・B1・R2を発光させ、第3のデータでラインLHn+4の一番目の画素グループと2番目の画素グループの一部のドットB1・R2・G2を発光させる。すなわち、R・G・Bの各ドットそれぞれに対応して座標軸があるため、印加するデータにより発光させるR・G・B画素グループを一部重複させたグループとして発光させていくものである。
【0205】
この表示方法による水平表示分解能は、1グループのドットR・G・Bの発光が分解能単位となるため、(図40の座標X1・X2・X3・X4・X5・・・で示す分解能となる)図44で説明した技術の表示方法による水平表示分解能の3倍に向上している。
【0206】
例えば、図40で示した波形を図44の技術で表示すると、図40のラインLHnの画素R、G、Bは表示されるが、ラインLHn+2、ラインLHn+4の表示は行われず波形表示が連続した線に見えなくなってしまう。
【0207】
次に図41に示すように、カラーLCD表示部60のR・G・B画素配列がデルタ配列で、水平方向のラインLHn及びLH(n+偶数)にG・R・B・G・R・B・・・と、ラインLH(n+奇数)にB・G・R・B・G・R・・・と画素が並んでいる場合を例に説明する。
【0208】
図41に示すようにラインLHnおよびLH(n+偶数)の1番目の画素グループをそれぞれG1・R1・B1、2番目の画素グループをそれぞれG2・R2・B2とし、ラインLH(n+奇数)の1番目の画素グループをそれぞれB1・G1・R1、2番目の画素グループをそれぞれB2・G2・R2とし、例えば画素GとRを発光(イエローの光となる)させると、ラインLHnでは印加された第1のデータで1番目の画素グループのG1・R1を発光させ、第2のデータではラインLHn+2の1番目の画素グループと2番目の画素グループの一部の画素R1・G2を発光させ、第3のデータでラインLHn+4の2番目の画素グループのG2・R2と発光させる。また、ラインLHn+1では印加した第1のデータで1番目の画素グループのG1(たまたまRを発光させる画素が欠如しているので)を発光させ、第2のデータでラインLHn+3の1番目の画素グループのG1・R1を発光し、第3のデータでラインLHn+5の1番目の画素グループと2番目の画素グループの一部の画素R1・G2を発光させるようにする。
【0209】
この表示方法による表示分解能は、1グループの画素G・Rの発光が分解能単位となるため、(図41の座標X1・X2・X3・X4・X5・・・で示す分解能となる)図45に示した表示方法による垂直表示分解能の2倍に向上することができる。
【0210】
さらに、他の表示例を図42により説明する。図42は、カラーLCD表示部60の画素の一部を拡大して示したものである。なお、図42においてはX座標の座標点(X1・X2・・・)に合わせて表示データが発生する。
【0211】
図42に示すように、図40と同じくカラーLCD表示部のR・G・B画素配列が水平方向にR・G・B・R・G・B・・・と複数並んでいる場合を例に取ると、各ラインそれぞれ1番目の画素グループをR1・G1・B1、2番目の画素グループをR2・G2・B2・・・とすると、印加された第1のデータでラインLHnの1番目の画素グループのR1・G1・B1の何れか1つの画素、例えばR1を発光させないようにし、第2のデータでラインLHn+2の1番目の画素グループのR1・G1・B1の何れか1つの画素、例えばG1、第3のデータでラインLHn+4の1番目の画素グループのR1・G1・B1の何れか1つの画素、例えばB1・・・と発光させないようにする。他の画素すべてを発光することにより、黒表示(反転表示)のデータ表示を行うものである。
【0212】
この表示方法による水平表示分解能は、1グループの発光していない1画素が単位となるため、図42の座標X1・X2・X3・X4・X5・・・で示す表示単位となり、図44に示した表示方法による水平表示分解能の3倍に向上している。
【0213】
本実施例によれば、ビデオ映像とオシロスコープやビデオ波形を表示チャネルごとに細いシャープな線で色別表示でき大変に観測しやすい小型軽量化を図ったオシロスコープを提供することができる。
【0214】
【発明の効果】
以上説明したように、映像機器の調整保守にはオシロスコープ、ビデオモニタ、ベクトルスコープ、波形モニタは必需品であり、これら機能を合わせ持つことにより、持ち運び等の機動性に優れる。また、1つのLCDを共有することにより、低価格で提供できる。更に最適な実施例においてはAV用LCDであるため、より安価に構成することができる。
【0215】
オシロスコープあるいは、ベクトルスコープ、波形モニタとしての動作時にも画素数の少ないカラードットマトリックス表示器(特に例えばAV用LCD)を使用しても、各画素を、データに基づく制御により少なくとも1つの画素(R、G、Bの内の1つのドット)単位の座標点でデータを発生し、表示を行うことにより、水平表示分解能を向上させることができ、ひいてはこれらの波形表示品位を向上することができる。同じく、ドット単位の制御が可能なため、各実施例でも説明したように、例えば比較的安価なテレビ受像機用のLCDを使用した場合でも、オシロスコープ、ベクトルスコープ、波形モニタの表示器として使用しうる高解像度の表示が可能となる。このため、非常に安価なビデオ観測機能付きのカラーオシロスコープを提供することができる。
【0216】
本発明では更にデジタルオシロスコープの表示において、画素(表示単位)を小さく表わすことができる。このため、表示器としてCRTを用いたものより、より小型のカラードットマトリックス平面表示器を用いることができる。 従って、本発明ではより小型軽量のカラードットマトリックス平面表示器を用いて、オシロスコープ、ベクトルスコープ、ビデオ信号波形表示(波形モニタ)としても、例えばバッテリー駆動で動作する小形携帯用のビデオ入力付きオシロスコープを実現することもできる。
【0217】
本発明によれば、例えば小型ビデオカメラと組み合わせることにより、例えば、地下ケーブル等の人の入れない場所においても、小型カメラの映像を見ながら必要に応じて、表示切変器の切り変えにより、ケーブルの信号波形を観測することができる。
【0218】
また、CATVチューナーと組み合わせることにより、CATV信号を映像モニタとしてモニタしながら必要に応じてオシロスコープでその信号を観測することもできる。
【0219】
更に、特に、ビデオ波形モニタ、ベクトルスコープの動作時には重ね書き表示により、アナログ表示に近い階調波形が表示ができるため、違和感なく観測することができる。もちろんこの階調表示はオシロスコープとしての表示の時にも使用することができるため、アナログオシロスコープでは軽観測をするときのような自然な波形を観測することができる。
【0220】
映像機器の保守サービス、据付では、波形モニタ、ベクトルスコープ、ピクチャーモニタ、オシロスコープは必需品となっている。現状はそれぞれの測定器を持っていく必要があり、現地への移動は大変でありこれらの測定器が一体でかつ携帯形の測定器が望まれていたが本発明によりこれらの問題点は解決する。
【図面の簡単な説明】
【図1】本発明の一実施例によるビデオ信号入力を有するオシロスコープの全体構成を示す概略ブロック図。
【図2】本発明の一実施例を示すベクトルスコープ、波形モニタ、ビデオモニタ機能を有するオシロスコープの一実施例のブロック図。
【図3】本発明の一実施例の波形モニタ回路の一例を示すブロック図。
【図4】本発明の一実施例の階調処理回路の回路図。
【図5】本発明の一実施例によるビデオ信号入力を有するオシロスコープの一部構成を示す概略ブロック図。
【図6】本発明を説明するためのLCDの概略構造図。
【図7】本発明の実施例を説明する3相タイミングを説明するための信号波形を示したタイミングチャート。
【図8】本発明の実施例の3相タイミング回路の回路図。
【図9】本発明の実施例の3相タイミングのタイミングチャート。
【図10】本発明の実施例の3相タイミング回路の回路図。
【図11】従来技術例説明のためのカラーLCD表示部の拡大画面の説明図。
【図12】従来技術例説明のためのカラーLCD表示部の拡大画面の説明図。
【図13】従来技術例説明のためのカラーLCD表示部の拡大画面の説明図。
【図14】本発明の実施例説明のためのカラーLCD表示部の拡大画面の説明図。
【図15】本発明の実施例説明のためのカラーLCD表示部の拡大画面の説明図。
【図16】本発明の実施例説明のためのカラーLCD表示部の拡大画面の補間データの表示の一実施例の説明図。
【図17】従来のカラーLCD表示部の拡大画面の補間データの表示の説明図。
【図18】本発明の一実施例によるビデオ信号入力を有するオシロスコープの全体構成を示す概略ブロック図。
【図19】本発明の実施例説明のためのカラーLCD表示部の拡大画面の説明図。
【図20】本発明の一実施例によるビデオ信号入力を有するオシロスコープの一部構成を示す概略ブロック図。
【図21】本発明の実施例のタイミングのタイミングチャート。
【図22】本発明の実施例のアクイジションメモリの説明図。
【図23】本発明の実施例のVRAMの説明図。
【図24】本発明の実施例の階調処理動作の説明図。
【図25】本発明の実施例のVRAM動作の説明図。
【図26】本発明の実施例のVRAM動作の説明図。
【図27】本発明の実施例のVRAM動作の説明図。
【図28】本発明の実施例の階調処理動作の説明図。
【図29】本発明の一実施例によるビデオ信号入力を有するオシロスコープの一部構成を示す概略ブロック図。
【図30】本発明の一実施例によるビデオ信号入力を有するオシロスコープの一部構成を示す概略ブロック図。
【図31】本発明の実施例におけるタイミングチャート。
【図32】本発明の実施例におけるクロック信号発生回路の回路図。
【図33】本発明の実施例におけるクロック信号発生回路の回路図。
【図34】本発明の実施例説明のためのカラーLCD表示部の拡大画面の説明図。
【図35】本発明の実施例におけるタイミングチャート。
【図36】本発明の実施例におけるメモリ動作とタイミングとの関係を示す動作説明図
【図37】本発明の実施例におけるLCD表示とタイミングとの関係を示す動作説明図
【図38】本発明の実施例におけるLCD表示とタイミングとの関係を示す動作説明図
【図39】本発明の実施例の3相タイミング回路の回路図。
【図40】本発明の実施例説明のためのカラーLCD表示部の拡大画面の説明図。
【図41】本発明の実施例説明のためのカラーLCD表示部の拡大画面の説明図。
【図42】本発明の実施例説明のためのカラーLCD表示部の拡大画面の説明図。
【図43】本発明の実施例の3相タイミング回路の回路図。
【図44】従来例説明のためのカラーLCD表示部の拡大画面の説明図。
【図45】従来例説明のためのカラーLCD表示部の拡大画面の説明図。
【図46】本発明の実施例説明のためのカラーLCD表示部の拡大画面の説明図。
【符号の説明】
1 アナログ処理回路、 3a、3b アクイジションメモリ、 4 表示用メモリ、 7 カラードットマトリックス表示、 8 マイクロコンピュータ、9 表示制御部、 10 ドットスキャン回路、 11 VOO、 12 分周器、 16 同期信号発生回路、 25 PLL、 23 色制御回路、 52 VRAM、 60 カラーLCD表示部、 70 カラーLCD、 72 ラインアドレス(垂直アドレス)発生回路、 122 3相タイミング発生回路、 128 補間回路、 400 表示用ラインメモリ、 900 表制御部、901 表示制御部、 1000ピクチャモニタ回路、 1001 オシロスコープ側回路ブロック、 1002 ビデオ信号入力ブロック、 1003 切換回路、 1005 ビデオ信号入力端子、 1006 波形モニタ回路、 1007 ベクトルスコープ回路、 1008 ピクチャーモニタ回路、 1114 信号切換回路、 1131 階調処理回路、 1021 ビデオクロマ信号処理部、 1022 同期再生回路、 1132 γ補正極性反転回路、

Claims (3)

  1. オシロスコープにおいて、
    少なくともオシロスコープ用被観測波形入力端子とビデオ信号用入力端子を有し、該両入力端子からの信号を共通の表示器に表示するとともに、少なくとも該ビデオ信号用入力端子からの前記ビデオ信号のベクトルを表示する手段と、前記ビデオ信号のピクチャー表示をする手段と、前記ビデオ信号の波形モニタ手段とを有し
    前記波形モニタ手段はローパスフィルタと、バンドパスフィルタと、フラットフィルタと、これら3つのフィルタのうちの一つを選択する選択手段を有し、該選択手段により、これらフィルタの何れかを経由した前記ビデオ信号を、前記共通表示器に表示することを特徴とするビデオ信号入力を有するオシロスコープ。
  2. オシロスコープにおいて、被観測信号を入力するオシロスコープ用の入力端子と、該オシロスコープ用入力端子に接続され被観測信号を任意のレベルに調整するアッテネータとアンプより成るアナログ処理回路と、該アナログ処理回路により調整された被観測信号をデジタルデータに変換する次段のA/D変換回路と、該デジタルデータを記憶する次段のアクイジションメモリと、該アクイジションメモリと前記A/D変換回路のサンプリングのタイミングを制御するサンプリング制御回路と、
    前記オシロスコープ用の入力端子とは独立したビデオ信号の入力端子と、該ビデオ信号入力端子からのビデオ入力信号と前記アナログ処理回路からの信号のいずれかを選択して後段へ供給する第1の選択スイッチと、該スイッチにより選択された信号を入力しR、G、B信号と同期信号並びにサブキャリア信号を生成するピクチャモニタ回路と、同じく前記第1のスイッチにより選択された信号を入力しビデオクロマ信号を発生する波形モニタ回路と、該波形モニタ回路からのビデオクロマ信号と前記ピクチャモニタ回路からのサブキャリア信号からX−Yベクトルデータを発生するベクトルスコープ回路と、前記アナログ処理回路と前記A/D変換回路の間に位置し前記オシロスコープ用入力端子に接続され被観測信号と前記ベクトルスコープ回路からのベクトルデータと前記波形モニタ回路からのビデオクロマ信号の内の何れかを選択して前記次段のA/D変換回路に供給する第2のスイッチと、
    前記アクイジションメモリに記憶された前記データを表示用データに変換するマイクロコンピュータと、該マイクロコンピュータにより表示用に変換されたデータを記憶する表示用メモリと、該表示用メモリのデータをR、G、B信号と同期信号とに分け後段の表示器に供給する表示制御部と、該表示制御部からのR、G、B、同期信号と前記ピクチャモニタ回路からのR、G、B、同期信号の内の何れかを選択して後段のカラードットマトリックス表示器に供給することを特徴とするビデオ信号入力を有するオシロスコープ。
  3. 請求項2記載のオシロスコープにおいて、前記表示制御部には表示データを発生するタイミングを制御する同期信号発生手段を有し、前記カラードットマトリックス表示器には前記表示データに対応してドットスキャン信号を発生するドットスキャン手段と、ドットの走査クロック信号を前記同期信号発生手段からの同期信号に同期して発生し該ドットスキャン手段に出力するPLL手段有することを特徴とするビデオ信号入力を有するオシロスコープ。
JP34165895A 1993-06-28 1995-12-27 ビデオ信号入力を有するオシロスコープ Expired - Fee Related JP3909882B2 (ja)

Priority Applications (4)

Application Number Priority Date Filing Date Title
JP34165895A JP3909882B2 (ja) 1995-04-06 1995-12-27 ビデオ信号入力を有するオシロスコープ
US08/628,852 US5808464A (en) 1993-06-28 1996-04-05 Oscilloscope having video signal input
EP19960302471 EP0738089B1 (en) 1995-04-06 1996-04-09 Oscilloscope having video signal input
DE1996609236 DE69609236T2 (de) 1995-04-06 1996-04-09 Digitales Oszilloskop

Applications Claiming Priority (5)

Application Number Priority Date Filing Date Title
JP8157295 1995-04-06
JP27553795 1995-10-24
JP7-275537 1995-10-24
JP7-81572 1995-10-24
JP34165895A JP3909882B2 (ja) 1995-04-06 1995-12-27 ビデオ信号入力を有するオシロスコープ

Publications (2)

Publication Number Publication Date
JPH09178779A JPH09178779A (ja) 1997-07-11
JP3909882B2 true JP3909882B2 (ja) 2007-04-25

Family

ID=27303628

Family Applications (1)

Application Number Title Priority Date Filing Date
JP34165895A Expired - Fee Related JP3909882B2 (ja) 1993-06-28 1995-12-27 ビデオ信号入力を有するオシロスコープ

Country Status (3)

Country Link
EP (1) EP0738089B1 (ja)
JP (1) JP3909882B2 (ja)
DE (1) DE69609236T2 (ja)

Families Citing this family (13)

* Cited by examiner, † Cited by third party
Publication number Priority date Publication date Assignee Title
US5929842A (en) * 1996-07-31 1999-07-27 Fluke Corporation Method and apparatus for improving time variant image details on a raster display
GB2329294B (en) 1997-09-11 2002-01-16 Hamlet Video Internat Ltd Signal monitoring apparatus
DE19746329A1 (de) 1997-09-13 1999-03-18 Gia Chuong Dipl Ing Phan Display und Verfahren zur Ansteuerung des Displays
US7286136B2 (en) 1997-09-13 2007-10-23 Vp Assets Limited Display and weighted dot rendering method
DE19746576A1 (de) * 1997-10-22 1999-04-29 Zeiss Carl Fa Verfahren für die Bilderzeugung auf einem Farbbildschirm und ein dazu geeigneter Farbbildschirm
US6518744B1 (en) * 2000-03-23 2003-02-11 Tektronix, Inc. General purpose oscilloscope having digital television signal display capability
US7154532B2 (en) * 2003-02-07 2006-12-26 Tektronix, Inc. Video field rate persistence
JP2006162395A (ja) * 2004-12-06 2006-06-22 Yokogawa Electric Corp 記録機能付き測定器
KR100642516B1 (ko) 2005-02-15 2006-11-03 삼성전자주식회사 영상신호 생성 제어장치 및 이를 포함하는 영상신호의 생성시뮬레이션 시스템
US7528844B2 (en) 2005-11-10 2009-05-05 Harris Corporation Interpolation of plotted points between sample values
US8059129B2 (en) 2006-03-29 2011-11-15 Tektronix, Inc. Fast rasterizer
US9699446B2 (en) * 2010-04-05 2017-07-04 Tektronix, Inc. Test and measurement device, system, and method for providing synchronized measurement views
CN111323627B (zh) * 2020-02-27 2021-10-12 京东方科技集团股份有限公司 数字示波器及示波图生成系统

Family Cites Families (11)

* Cited by examiner, † Cited by third party
Publication number Priority date Publication date Assignee Title
JPS5384789A (en) 1976-12-30 1978-07-26 Iwatsu Electric Co Ltd Color synchroscope
JPS548566A (en) 1977-06-21 1979-01-22 Sony Tektronix Corp Color oscilloscope
US4364080A (en) * 1981-04-13 1982-12-14 Jovan Vidovic Digital video analyzer
JPS6042379Y2 (ja) 1981-07-22 1985-12-26 ソニ−・テクトロニクス株式会社 オシロスコ−プ
GB2183420B (en) * 1985-11-16 1989-10-18 Stephen George Nunney Television waveform monitoring arrangement
EP0336594A3 (en) * 1988-03-25 1992-04-22 Magni Systems, Inc. Video monitor
US4953017A (en) * 1989-06-12 1990-08-28 Tektronix, Inc. Simultaneous television picture and measurement display
JPH04143664A (ja) 1990-10-04 1992-05-18 Seiko Instr Inc シンクロスコープ
GB2266636B (en) * 1992-04-10 1996-01-24 Barry Donald Ruberry Miles Video processing
DE9214790U1 (de) * 1992-10-31 1994-03-03 Möllering, Detlef, 50670 Köln Fernsehbetriebsoszilloskop
EP0631143A3 (en) * 1993-06-28 1995-09-13 Hitachi Electronics Digital oscilloscope with a flat color screen.

Also Published As

Publication number Publication date
DE69609236D1 (de) 2000-08-17
EP0738089B1 (en) 2000-07-12
JPH09178779A (ja) 1997-07-11
EP0738089A1 (en) 1996-10-16
DE69609236T2 (de) 2001-03-22

Similar Documents

Publication Publication Date Title
US6862021B2 (en) Liquid crystal display control apparatus and liquid crystal display apparatus
EP0686960B1 (en) Display and its driving method
KR100209540B1 (ko) 칼라 평면 표시기를 이용한 디지탈 오실로스코프 및 오실로스코프에서의 데이타 표시 방법
EP0852372B1 (en) Image display apparatus
JP3909882B2 (ja) ビデオ信号入力を有するオシロスコープ
CN100407284C (zh) 显示装置及其显示方法
US5808464A (en) Oscilloscope having video signal input
JP3288426B2 (ja) 液晶表示装置およびその駆動方法
KR950009698B1 (ko) 엔티에스씨/에치디티브이(ntsc/hdtvm) 듀얼 리시버의 라인 트리플러
JP3577434B2 (ja) ディジタル画像表示装置
US5442371A (en) Simplified image reconstruction interface
KR100298966B1 (ko) 평면표시장치
JP3461034B2 (ja) 波形データの表示方法
JP3991413B2 (ja) 液晶表示装置およびその駆動回路
JPH07129125A (ja) 画素配列表示装置
JPH07319420A (ja) 画素同期装置
JP2001318109A (ja) デジタルオシロスコープ
KR100416849B1 (ko) Pdp-tv의구동장치및방법
JP3548666B2 (ja) 液晶コントローラおよび液晶表示装置
JPH0287881A (ja) マトリックス形ディスプレイ装置の駆動回路
JPH09261565A (ja) 表示装置
JPH02288478A (ja) テレビ画像表示装置
JP2000032296A (ja) 平面表示装置
JP2004118217A (ja) 液晶表示装置
JP2000356966A (ja) 表示システム

Legal Events

Date Code Title Description
A977 Report on retrieval

Free format text: JAPANESE INTERMEDIATE CODE: A971007

Effective date: 20050113

A131 Notification of reasons for refusal

Free format text: JAPANESE INTERMEDIATE CODE: A131

Effective date: 20050124

A521 Written amendment

Free format text: JAPANESE INTERMEDIATE CODE: A523

Effective date: 20050323

TRDD Decision of grant or rejection written
A01 Written decision to grant a patent or to grant a registration (utility model)

Free format text: JAPANESE INTERMEDIATE CODE: A01

Effective date: 20070123

A61 First payment of annual fees (during grant procedure)

Free format text: JAPANESE INTERMEDIATE CODE: A61

Effective date: 20070123

R150 Certificate of patent or registration of utility model

Free format text: JAPANESE INTERMEDIATE CODE: R150

FPAY Renewal fee payment (event date is renewal date of database)

Free format text: PAYMENT UNTIL: 20100202

Year of fee payment: 3

FPAY Renewal fee payment (event date is renewal date of database)

Free format text: PAYMENT UNTIL: 20110202

Year of fee payment: 4

FPAY Renewal fee payment (event date is renewal date of database)

Free format text: PAYMENT UNTIL: 20120202

Year of fee payment: 5

FPAY Renewal fee payment (event date is renewal date of database)

Free format text: PAYMENT UNTIL: 20120202

Year of fee payment: 5

FPAY Renewal fee payment (event date is renewal date of database)

Free format text: PAYMENT UNTIL: 20130202

Year of fee payment: 6

LAPS Cancellation because of no payment of annual fees