JP3783285B2 - エンジンの制御装置 - Google Patents
エンジンの制御装置 Download PDFInfo
- Publication number
- JP3783285B2 JP3783285B2 JP16432596A JP16432596A JP3783285B2 JP 3783285 B2 JP3783285 B2 JP 3783285B2 JP 16432596 A JP16432596 A JP 16432596A JP 16432596 A JP16432596 A JP 16432596A JP 3783285 B2 JP3783285 B2 JP 3783285B2
- Authority
- JP
- Japan
- Prior art keywords
- fuel injection
- period
- engine
- fuel
- intake valve
- Prior art date
- Legal status (The legal status is an assumption and is not a legal conclusion. Google has not performed a legal analysis and makes no representation as to the accuracy of the status listed.)
- Expired - Fee Related
Links
- 239000000446 fuel Substances 0.000 claims description 226
- 238000002347 injection Methods 0.000 claims description 215
- 239000007924 injection Substances 0.000 claims description 215
- 230000007246 mechanism Effects 0.000 claims description 18
- 230000008859 change Effects 0.000 claims description 17
- 230000004044 response Effects 0.000 claims description 5
- 238000001514 detection method Methods 0.000 description 6
- 238000009834 vaporization Methods 0.000 description 5
- 230000008016 vaporization Effects 0.000 description 5
- 238000000889 atomisation Methods 0.000 description 4
- 238000000034 method Methods 0.000 description 4
- 238000002485 combustion reaction Methods 0.000 description 3
- 230000003111 delayed effect Effects 0.000 description 3
- 229930195733 hydrocarbon Natural products 0.000 description 3
- 150000002430 hydrocarbons Chemical class 0.000 description 3
- 230000006872 improvement Effects 0.000 description 3
- 230000009471 action Effects 0.000 description 2
- 238000010586 diagram Methods 0.000 description 2
- 238000006073 displacement reaction Methods 0.000 description 2
- 230000000694 effects Effects 0.000 description 2
- 230000008569 process Effects 0.000 description 2
- 238000004904 shortening Methods 0.000 description 2
- 238000007796 conventional method Methods 0.000 description 1
- 238000004880 explosion Methods 0.000 description 1
- 239000000295 fuel oil Substances 0.000 description 1
- 230000001052 transient effect Effects 0.000 description 1
- 230000007704 transition Effects 0.000 description 1
Images
Classifications
-
- F—MECHANICAL ENGINEERING; LIGHTING; HEATING; WEAPONS; BLASTING
- F02—COMBUSTION ENGINES; HOT-GAS OR COMBUSTION-PRODUCT ENGINE PLANTS
- F02D—CONTROLLING COMBUSTION ENGINES
- F02D13/00—Controlling the engine output power by varying inlet or exhaust valve operating characteristics, e.g. timing
- F02D13/02—Controlling the engine output power by varying inlet or exhaust valve operating characteristics, e.g. timing during engine operation
- F02D13/0223—Variable control of the intake valves only
- F02D13/0226—Variable control of the intake valves only changing valve lift or valve lift and timing
-
- F—MECHANICAL ENGINEERING; LIGHTING; HEATING; WEAPONS; BLASTING
- F02—COMBUSTION ENGINES; HOT-GAS OR COMBUSTION-PRODUCT ENGINE PLANTS
- F02D—CONTROLLING COMBUSTION ENGINES
- F02D13/00—Controlling the engine output power by varying inlet or exhaust valve operating characteristics, e.g. timing
- F02D13/02—Controlling the engine output power by varying inlet or exhaust valve operating characteristics, e.g. timing during engine operation
- F02D13/0223—Variable control of the intake valves only
- F02D13/0234—Variable control of the intake valves only changing the valve timing only
- F02D13/0238—Variable control of the intake valves only changing the valve timing only by shifting the phase, i.e. the opening periods of the valves are constant
-
- F—MECHANICAL ENGINEERING; LIGHTING; HEATING; WEAPONS; BLASTING
- F02—COMBUSTION ENGINES; HOT-GAS OR COMBUSTION-PRODUCT ENGINE PLANTS
- F02D—CONTROLLING COMBUSTION ENGINES
- F02D13/00—Controlling the engine output power by varying inlet or exhaust valve operating characteristics, e.g. timing
- F02D13/02—Controlling the engine output power by varying inlet or exhaust valve operating characteristics, e.g. timing during engine operation
- F02D13/0261—Controlling the valve overlap
-
- F—MECHANICAL ENGINEERING; LIGHTING; HEATING; WEAPONS; BLASTING
- F02—COMBUSTION ENGINES; HOT-GAS OR COMBUSTION-PRODUCT ENGINE PLANTS
- F02D—CONTROLLING COMBUSTION ENGINES
- F02D41/00—Electrical control of supply of combustible mixture or its constituents
- F02D41/0002—Controlling intake air
-
- F—MECHANICAL ENGINEERING; LIGHTING; HEATING; WEAPONS; BLASTING
- F02—COMBUSTION ENGINES; HOT-GAS OR COMBUSTION-PRODUCT ENGINE PLANTS
- F02D—CONTROLLING COMBUSTION ENGINES
- F02D41/00—Electrical control of supply of combustible mixture or its constituents
- F02D41/30—Controlling fuel injection
- F02D41/32—Controlling fuel injection of the low pressure type
- F02D41/34—Controlling fuel injection of the low pressure type with means for controlling injection timing or duration
- F02D41/345—Controlling injection timing
-
- F—MECHANICAL ENGINEERING; LIGHTING; HEATING; WEAPONS; BLASTING
- F02—COMBUSTION ENGINES; HOT-GAS OR COMBUSTION-PRODUCT ENGINE PLANTS
- F02D—CONTROLLING COMBUSTION ENGINES
- F02D41/00—Electrical control of supply of combustible mixture or its constituents
- F02D41/0002—Controlling intake air
- F02D2041/001—Controlling intake air for engines with variable valve actuation
-
- Y—GENERAL TAGGING OF NEW TECHNOLOGICAL DEVELOPMENTS; GENERAL TAGGING OF CROSS-SECTIONAL TECHNOLOGIES SPANNING OVER SEVERAL SECTIONS OF THE IPC; TECHNICAL SUBJECTS COVERED BY FORMER USPC CROSS-REFERENCE ART COLLECTIONS [XRACs] AND DIGESTS
- Y02—TECHNOLOGIES OR APPLICATIONS FOR MITIGATION OR ADAPTATION AGAINST CLIMATE CHANGE
- Y02T—CLIMATE CHANGE MITIGATION TECHNOLOGIES RELATED TO TRANSPORTATION
- Y02T10/00—Road transport of goods or passengers
- Y02T10/10—Internal combustion engine [ICE] based vehicles
- Y02T10/12—Improving ICE efficiencies
-
- Y—GENERAL TAGGING OF NEW TECHNOLOGICAL DEVELOPMENTS; GENERAL TAGGING OF CROSS-SECTIONAL TECHNOLOGIES SPANNING OVER SEVERAL SECTIONS OF THE IPC; TECHNICAL SUBJECTS COVERED BY FORMER USPC CROSS-REFERENCE ART COLLECTIONS [XRACs] AND DIGESTS
- Y02—TECHNOLOGIES OR APPLICATIONS FOR MITIGATION OR ADAPTATION AGAINST CLIMATE CHANGE
- Y02T—CLIMATE CHANGE MITIGATION TECHNOLOGIES RELATED TO TRANSPORTATION
- Y02T10/00—Road transport of goods or passengers
- Y02T10/10—Internal combustion engine [ICE] based vehicles
- Y02T10/40—Engine management systems
Landscapes
- Engineering & Computer Science (AREA)
- Chemical & Material Sciences (AREA)
- Combustion & Propulsion (AREA)
- Mechanical Engineering (AREA)
- General Engineering & Computer Science (AREA)
- Electrical Control Of Air Or Fuel Supplied To Internal-Combustion Engine (AREA)
- Combined Controls Of Internal Combustion Engines (AREA)
- Output Control And Ontrol Of Special Type Engine (AREA)
Description
【発明の属する技術分野】
本願発明は、エンジンの制御装置に関し、さらに詳しくは吸気弁のクランク角に対しての開弁期間を運転状態に応じて変化させる可変動弁機構を備え且つエンジンの吸気管への燃料噴射を同一気筒に対して1サイクル当たり複数回に分割して行うエンジンの制御装置に関するものである。
【0002】
【従来の技術】
一般に、自動車用エンジンにおいて吸気管へ燃料の噴射を行う吸気管燃料噴射方式を採用する場合、吸気弁の開弁期間中に気筒内へ所要量の燃料を供給するためには、吸気管への燃料噴射から気筒内への実際の燃料供給との間の時間的ギャップを考慮して吸気弁の開閉タイミングと燃料噴射時期とを的確に調整する必要があり、そのために、吸気行程の開始時期より以前に(例えば、爆発行程の開始時期付近で)燃料噴射を行うことが行われている。ところが、この場合、燃料噴射から吸気弁開弁までに時間がかかるところから、特に、エンジンの過渡運転時(即ち、低負荷から高負荷への急移行時)には、最適な燃料量に対して過不足が生じて失火を招く等の不具合があった。
【0003】
上記不具合を解消するために、同一気筒への燃料噴射を1サイクル当たり複数回(例えば、2回)に分割して実行する分割燃料噴射方式の採用が試みられている(特公平7−62459号公報参照)。この分割燃料噴射方式においては、例えば、吸気弁閉弁期間内において運転状態に応じて決定された最適の第1の噴射時期(即ち、リーディング側噴射時期)に、エンジンの1サイクル当たりの燃料噴射量の一部を噴射することにより、吸気弁傘下部に長時間接触させて燃料の気化を促進させるとともに、その後、吸気行程期間に設定した第2の噴射時期(即ち、トレーリング側噴射時期)を、第1の噴射時期(即ち、リーディング側噴射時期)以後増大した吸入空気量に見合う残りの必要噴射燃料量が吸気行程の所定時期までに噴射し終わるタイミングとなるように決定し、当該タイミングで残りの燃料を噴射することにより、過渡運転時においても燃料量の過不足が生じないようにしている。
【0004】
一方、吸気弁の開弁期間をエンジンの運転状態に応じて変化させることにより、吸入空気量を制御する可変動弁機構を備えたエンジンも既に開発されており、このようなエンジンにおいて、吸気弁閉時期に対応して、燃料噴射時期を変化させる(例えば、燃料噴射終了時期を、吸気弁の閉時期が早い時には吸気行程開始前に設定し、吸気弁の閉時期が遅い時には吸気行程中に設定する)ものが既に提案されている(例えば、特開平4ー303141号公報参照)。
【0005】
【発明が解決しようとする課題】
ところで、上記した分割燃料噴射方式を採用したエンジンにおいて、新たに可変動弁機構を採用し、運転状態に応じた吸気弁の開弁期間制御を行った場合、燃料噴射弁が配置された吸気管内から気筒内へ十二分に燃料が供給されるためには、燃料の油送遅れや速い吸気流に乗って入りやすい期間を考慮して噴射終了すべきであるところから、吸気弁の閉弁時期がクランク角に対して早まると、その分トレーリング側噴射時期の終了時期を早める必要がある。また、リーディング側噴射量を算出した後に運転状態が変化して(即ち、吸気空気量が増大して)、要求噴射量が増大しても十二分に気筒内に燃料が供給できるように、予め設定する噴射終了時期は多少余裕を持っておくべきであるところから、噴射終了時期を早める必要がある。
【0006】
一方、1サイクル当たりの燃料噴射量は、最新のエンジン運転状態に基づくものが要求されるため、トレーリング側燃料噴射量を決めるためのトレーリング側噴射開始直前の運転状態(例えば、吸入空気量)の検出は遅い方が望ましいし、燃焼性向上の面からは、燃料の気化・霧化を向上できる期間(換言すれば、燃焼までの時間が長くとれる期間)であるリーディング側での噴射が望ましい。
【0007】
ところが、上記公知例の分割燃料噴射方式では、トレーリング側噴射時期を、リーディング側噴射時期以後増大した吸入空気量に見合う残りの必要噴射燃料量が吸気行程の所定時期までに噴射し終わるタイミングとなるように決定するようにしているため、トレーリング側噴射終了時期を早めると、その分だけトレーリング側噴射開始時期が早まることとなる。すると、その分だけ運転状態(例えば、吸入空気量)の検出と、これに基づく燃料噴射量の算出とが早まることとなり、最新の運転状態に沿った燃料供給が行えないこととなる。
【0008】
本願発明は、上記の点に鑑みてなされたものであり、分割燃料噴射方式と可変動弁機構とを併用したエンジンにおいて、気筒内への供給効率が良い期間で燃料を気筒内へ供給することにより、十二分に気筒内へ燃料が供給できるようにして、無駄な燃料消費を無くすとともに、排気ガス中の炭化水素量をも低減できるようにすることを目的とするものである。
【0009】
【課題を解決するための手段】
本願発明の基本構成では、上記課題を解決するための手段として、吸気弁のクランク角に対しての開弁期間を運転状態に応じて変化させる可変動弁機構と、エンジンの吸気管内に燃料を噴射する燃料噴射手段と、該燃料噴射手段により同一気筒に対して1サイクル当たり複数回に分割して燃料噴射を実行するに当たって、吸気弁閉期間内におけるリーディング側燃料噴射前のエンジンの運転状態に基づいて気筒毎の1サイクル当たりの燃料噴射量を算出し、吸気弁閉期間内において燃料噴射を行うリーディング側燃料噴射量を前記1サイクル当たりの燃料噴射量に基づいて算出し、前記燃料噴射手段によりリーディング側噴射分を噴射させた後に、最新のエンジン運転状態に基づいて算出された最新の1サイクル当たりの燃料噴射量から前記リーディング側燃料噴射量を差し引いて、吸気行程中の所定時期に噴射終了する最終燃料噴射期間におけるトレーリング側燃料噴射量を算出し、前記燃料噴射手段により前記トレーリング側噴射分を噴射させる燃料噴射制御手段とを備えたエンジンの制御装置において、前記可変動弁機構により吸気弁の前記開弁期間が変更された時には、前記燃料噴射制御手段により設定されるトレーリング側燃料噴射期間とそれ以前のリーディング側燃料噴射期間との相対的な割合が変化するように両燃料噴射の分割比を、前記開弁期間の変更に対応させて変更する分割比設定手段を付設して、気筒内への供給効率が良い期間で燃料を気筒内へ供給できるようにしている。
【0010】
本願発明の基本構成において、前記分割比設定手段による燃料噴射の分割比の設定を、前記吸気弁の開弁から閉弁までの開弁期間長さが短い時には、リーディング側燃料噴射期間を相対的に所定期間だけ延長する一方、トレーリング側燃料噴射期間を相対的に所定期間だけ短縮するものとした場合、吸気弁の開弁期間の長さを変化させるタイプの可変動弁機構を採用したものにおいて、吸気弁の開弁期間が短くなったことにより生じるトレーリング側での燃料噴射量減少分をリーディング側での燃料噴射によりカバーできることとなり、気筒内への燃料供給効率がより向上する点で好ましく、この場合において、前記トレーリング側燃料噴射期間を、吸気行程開始時からの期間とすれば、トレーリング側での燃料噴射開始時期をできるだけ遅くできるところから、1サイクル当たりの燃料噴射量を決定するための運転状態(例えば、吸入空気量)検出を最新のものとできるし、上記いずれかの場合において、前記吸気弁の開弁期間長さを、少なくとも閉弁時期の変化により決定するようにすれば、分割燃料噴射期間の設定が容易に行える。
【0011】
また、前記燃料噴射の分割比を、少なくともエンジンの回転数に対応して設定し、高回転となる程前記リーディング側燃料噴射期間の延長割合が相対的に増大することとした場合、エンジン高回転域での燃料供給を十分確保できる点で好ましい。
【0012】
また、前記分割比設定手段による燃料噴射の分割比の変更を、吸気弁の前記開弁期間とエンジン回転数との変化に対応して燃料噴射の分割比を求める分割比マップにより行うようにした場合、分割比設定を適正且つ容易に行うことができる点で好ましい。
【0013】
【作用】
本願発明の基本構成では、上記手段により次のような作用が得られる。
【0014】
即ち、可変動弁機構により吸気弁のクランク角に対しての開弁期間が運転状態に応じて変更された場合において、同一気筒に対して1サイクル当たり複数回に分割して燃料噴射する際には、最終燃料噴射期間となるトレーリング側燃料噴射期間とそれ以前のリーディング側燃料噴射期間との燃料噴射分割比が、前記開弁期間の変更に対応して相対的に変更される。従って、燃料供給効率の良い最適な分割燃料噴射が得られるとともに、燃料の気化・霧化が向上せしめられることとなる。
【0015】
本願発明の基本構成において、前記分割比設定手段による燃料噴射分割比の設定を、前記吸気弁の開弁から閉弁までの開弁期間長さが短い時には、リーディング側燃料噴射期間を相対的に所定期間だけ延長する一方、トレーリング側燃料噴射期間を相対的に所定期間だけ短縮するものとした場合、吸気弁の開弁期間の長さを変化させるタイプの可変動弁機構を採用したものにおいて、吸気弁の開弁期間が短くなったことにより生じるトレーリング側での燃料噴射量減少分をリーディング側での燃料噴射によりカバーできることとなり、気筒内への燃料供給効率がより向上する。この場合において、前記トレーリング側燃料噴射期間を、吸気行程開始時からの期間とすれば、トレーリング側での燃料噴射開始時期をできるだけ遅くできるところから、1サイクル当たりの燃料噴射量を決定するための運転状態(例えば、吸入空気量)検出を最新のものとできるし、上記いずれかの場合において、前記吸気弁の開弁期間長さを、少なくとも閉弁時期の変化により決定するようにすれば、分割燃料噴射期間の設定が容易に行える。
【0016】
また、前記燃料噴射分割比を、少なくともエンジンの回転数に対応して設定し、高回転となる程前記リーディング側燃料噴射期間の延長割合が相対的に増大することとした場合、エンジン高回転域での燃料供給を十分確保することができることとなり、運転状態に適正に対応できる。
【0017】
また、前記分割比設定手段による燃料噴射分割比の変更を、吸気弁の前記開弁期間とエンジン回転数との変化に対応して燃料噴射分割比を求める分割比マップにより行うようにした場合、分割比設定が分割比マップからの読み出しにより適正且つ容易に行えることとなり、制御動作がより一層簡略化できる。
【0018】
【発明の効果】
本願発明によれば、可変動弁機構により吸気弁のクランク角に対しての開弁期間が運転状態に応じて変更された場合において、同一気筒に対して1サイクル当たり複数回に分割して燃料噴射する際には、最終燃料噴射期間となるトレーリング側燃料噴射期間とそれ以前のリーディング側燃料噴射期間との燃料噴射分割比が、前記開弁期間の変更に対応して相対的に変更されるようにしているので、トレーリング側燃料噴射開始時期を開弁期間の変更に対応して早める必要がなくなり、トレーリング側燃料噴射量を決定するための運転状態(例えば、吸入空気量)検出を遅くできる。従って、運転状態に精度良く対応したトレーリング側燃料噴射が得られることとなり、燃料供給効率の良い最適な分割燃料噴射が得られるとともに、十分なリーディング側燃料噴射期間の設定により、燃料の気化・霧化が向上せしめられることとなり、無駄な燃料消費がなくなり且つ燃焼後の炭化水素発生も抑制できるという優れた効果がある。
【0019】
【発明の実施の形態】
以下、添付の図面を参照して、本願発明の幾つかの好適な実施の形態を説明する。
【0020】
第1の実施の形態
図1には、本願発明の第1の実施の形態にかかるエンジンの制御装置の概略構成が示されている。
【0021】
本実施の形態におけるエンジンは、4サイクル4気筒エンジンとされており、図1において、符号1は吸気弁開閉用のカム軸、2はクランク軸であり、カム軸1とクランク軸2とは、それぞれのプーリ3,4に架設されたベルト(図示省略)を介して連動されることとなっている。また、本実施例のカム軸1は、各気筒に対応して一対ずつ(例えば、Sポート用およびPポート用)8個のカム6,6・・を備えており、該各カム6は、軸方向一方側(図示左方)へいくほど径が大きくなる円錐台形状の立体カムとされている。符号5はエンジン回転数Neを検出する回転数センサである。
【0022】
符号7は燃料噴射手段として作用する燃料噴射弁であり、各気筒への吸気管(図示省略)にそれぞれ臨んで設置されている。
【0023】
符号8は前記カム軸1を軸方向へ変位させるためのアクチュエータであり、該アクチュエータ8の作動に伴うカム軸1の変位量に応じて各カム6と吸気弁(図示省略)との当接部位が変化し、このことにより吸気弁の開閉タイミング(換言すれば、開閉時期)および開弁期間が次第に変化(即ち、リニアに変化)せしめられることとなっている。つまり、本実施の形態の場合、カム6およびアクチュエータ8が可変動弁機構を構成することとなっているのである。なお、カム軸1をプーリ3(換言すれば、クランク軸2)に対して相対回転させる機構(図示省略)が併設されており、吸気弁の開閉タイミングも変化せしめられることとなっている。
【0024】
符号9は点火装置であり、各気筒に対応させて設置されており、イグニッションコイル10の二次側に一対ずつ接続されている。つまり、第1および第4気筒の点火装置9,9と第2および第3気筒の点火装置9,9が同時に点火作動することとなっている。
【0025】
符号11はカム軸1の変位位置(換言すれば、吸気弁の開閉タイミング)を検出するための位置センサ、12はクランク角信号SGTを検出するクランクセンサ、13は気筒判別信号を検出する気筒判別センサである。
【0026】
そして、前記回転数センサ5からの回転数信号、位置センサ11からの位置信号、クランクセンサ12からのクランク角信号、気筒判別センサ13からの気筒判別信号はエンジンコントロールユニット(以下、ECUと略称する)14へ入力され、前記ECU14からは、前記燃料噴射弁7,7・・、アクチュエータ8、イグニッションコイル10,10へ各種制御信号が出力されることとなっている。
【0027】
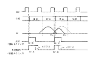
前記ECU14は、例えばマイクロコンピュータからなっており、図2に示すように、同一気筒への燃料噴射弁7による燃料噴射を1サイクル当たり2回に分割して実行する燃料噴射制御手段141と、可変動弁機構(換言すれば、アクチュエータ8の作動)により吸気弁の開弁期間Tvが変更された時には最終燃料噴射期間となるトレーリング側燃料噴射期間Ti(t)とそれ以前のリーディング側燃料噴射期間Ti(l)との相対的な割合が変化するように両燃料噴射の分割比divを、吸気弁の開弁期間の変更に対応させて変更する分割比設定手段142とを備えて構成されている。
【0028】
前記燃料噴射制御手段141は、吸気弁閉期間内におけるリーディング側燃料噴射前のエンジンの運転状態(例えば、吸入空気量)に基づいて気筒毎の1サイクル当たりの燃料噴射量を算出し、吸気弁閉期間内において燃料噴射を行うリーディング側燃料噴射量を前記1サイクル当たりの燃料噴射量に基づいて算出し、前記燃料噴射弁7によりリーディング側噴射分を噴射させた後に、最新のエンジン運転状態(例えば、吸入空気量)に基づいて算出された最新の1サイクル当たりの燃料噴射量から前記リーディング側燃料噴射量を差し引いて、吸気行程中の所定時期に噴射終了する最終燃料噴射期間(即ち、トレーリング側燃料噴射期間)におけるトレーリング側燃料噴射量を算出し、前記燃料噴射弁7により前記トレーリング側噴射分を噴射させる機能をも備えている。
【0029】
前記分割比設定手段142は、吸気弁の開弁期間Tv(本実施の形態の場合、吸気弁の閉弁時期Vtcおよび開弁時期Vtoを変化させることにより決定される開弁期間)が短い時にはリーディング側燃料噴射期間Ti(l)が所定期間だけ延長され且つトレーリング側燃料噴射期間Ti(t)が所定期間だけ短縮される燃料噴射分割比div=Ti(l)/Ti(t)を設定するものとされており、前記リーディング側燃料噴射期間Ti(l)およびトレーリング側燃料噴射期間Ti(t)は、燃料噴射開始時期を固定し(例えば、クランク角信号SGT発生時に固定し)、燃料噴射終了時期を変化させるものとされている。しかも、前記トレーリング側燃料噴射期間Ti(t)は、吸気行程開始時から吸気弁の閉弁時期前の期間とされている。
【0030】
また、本実施の形態の場合、エンジン回転数Neが高くなるに応じて前記リーディング側燃料噴射期間Ti(l)の延長割合が大きくなるようにされている。
【0031】
さらに、前記分割比設定手段142による燃料噴射分割比divの設定は、吸気弁の開弁期間Tvとエンジン回転数Neとの変化に対応して燃料噴射分割比divを求める分割比マップ(図5参照)により行われることとなっている。
【0032】
ついで、本実施の形態にかかるエンジンの制御装置の作用(換言すれば、燃料噴射制御)を図3に示すフローチャートおよび図4に示すタイムチャートを参照して詳述する。
【0033】
ステップS1において回転数センサ5および位置センサ11からの情報によりエンジン回転数Neおよび現在の吸気弁の開閉タイミングVto,Vtcの読み込みが行われ、ステップS2において前記開閉タイミングVto,Vtcから開弁期間Tvが求められる。
【0034】
ついで、ステップS3においてエンジンの運転状態が分割噴射可能な状態となっているか否かの判定がなされる。該判定は、エンジン回転数Neが極めて低い運転状態(例えば、始動時等)においては分割噴射を行う必要がないところから、その判別のためになされる。ステップS3において肯定判定された場合にはステップS4に進み、否定判定された場合には以下の制御を省略してステップS1にリターンする。
【0035】
ステップS4においては分割比マップ(図5R>5参照)からの読み出しにより燃料噴射分割比divの算出が行われる。この時、燃料噴射分割比divは、エンジン回転数Neと開弁期間Tvとによって定まる分割比曲線X1,X2・・(X1<X2<・・)のいずれかとされる。つまり、吸気弁の開弁期間Tvが短い時にはリーディング側燃料噴射期間Ti(l)が所定期間だけ延長され且つトレーリング側燃料噴射期間Ti(t)が所定期間だけ短縮されるように燃料噴射分割比div=Ti(l)/Ti(t)が設定され且つ前記リーディング側燃料噴射期間Ti(l)およびトレーリング側燃料噴射期間Ti(t)は、燃料噴射開始時期を固定し(例えば、クランク角信号SGT発生時に固定し)、燃料噴射終了時期を変化させるものとされ、前記トレーリング側燃料噴射期間Ti(t)は、吸気行程開始時から吸気弁の閉弁時期前の期間とされている(図4参照)。また、エンジン回転数Neが高くなるに応じて前記リーディング側燃料噴射期間Ti(l)の延長割合が大きくなるようにも設定される(図5参照)。上記燃料噴射分割比divの設定は、分割比設定手段142により実行される。
【0036】
しかる後、ステップS5およびステップS6において燃料噴射弁7によるリーディング側燃料噴射期間Ti(l)およびトレーリング側燃料噴射期間Ti(t)がセットされ、ステップS7およびステップS8において上記のようにして設定されたリーディング側燃料噴射期間Ti(l)およびトレーリング側燃料噴射期間Ti(t)に基づいて燃料噴射弁7からの2回の燃料噴射が実行され、その後制御はステップS1へリターンする。
【0037】
上記したように本実施の形態においては、吸気弁の開弁期間Tvが変更された場合において、同一気筒に対して1サイクル当たり2回に分割して燃料噴射する際には、トレーリング側燃料噴射期間とそれ以前のリーディング側燃料噴射期間との燃料噴射分割比divを、吸気弁の開弁期間Tvが短い時にはリーディング側燃料噴射期間Ti(l)を所定期間だけ延長し(換言すれば、燃料の気化・霧化を向上させ得る割合とし)且つトレーリング側燃料噴射期間Ti(t)を所定期間だけ短縮することとしているので、トレーリング側燃料噴射開始時期を早める必要がなくなり、トレーリング側燃料噴射量を決定するための運転状態(例えば、吸入空気量)検出を遅くできる。従って、例えば吸入空気量が大きく変化する過渡時にあっても運転状態に精度良く対応したトレーリング側燃料噴射が得られることとなり、燃料供給効率の良い最適な分割燃料噴射が得られる。
【0038】
また、吸気弁の開弁期間Tvが短縮された際に、従来方式のリーディング側とトレーリング側との分割燃料噴射期間Ti(l)′,Ti(t)′[Ti(l)′=Ti(t)′]を固定した場合に生じるであろうトレーリング側における燃料供給不足分がリーディング側燃料噴射期間Ti(l)の延長によりカバーされることとなり(図4における点線図示状態から実線図示状態へ変化することとなり)、空燃比変動が抑制される。しかも、トレーリング側燃料噴射期間Ti(t)の短縮分ΔTi(t)が、吸気弁が閉じた状態のリーディング側燃料噴射期間に延長して供給されることで、延長分であるΔTi(l)が噴射されてから吸気弁が開弁されるまでの期間において十分に気化・霧化されることとなる。従って、無駄な燃料消費がなくなり且つ燃焼後の炭化水素発生も抑制できる。この時、リーディング側燃料噴射期間Ti(l)の延長分ΔTi(l)とトレーリング側燃料噴射期間Ti(t)の短縮分ΔTi(t)とは同等とされており、このことにより吸入空気量に対する燃料供給精度のより一層の向上が得られる。
【0039】
また、前記トレーリング側燃料噴射期間Ti(t)を、吸気行程開始時から吸気弁の閉弁時期前の期間としているため、トレーリング側燃料噴射期間Ti(t)における気筒内への燃料供給が円滑に行えることとなり、燃焼性の向上および燃費効率の向上が得られる。
【0040】
さらに、前記リーディング側燃料噴射期間Ti(l)およびトレーリング側燃料噴射期間Ti(t)を、燃料噴射開始時期を固定し(例えば、クランク角信号SGT発生時に固定し)、燃料噴射終了時期を変化させるものとしているため、燃料噴射終了時期を設定するだけで分割燃料噴射期間の設定ができることとなり、制御動作の簡略化が得られる。
【0041】
さらにまた、エンジンの回転数Neが高くなるに応じて前記リーディング側燃料噴射期間Ti(l)の延長割合を大きくするようにしているため、エンジン高回転域での燃料供給が確保されることとなり、運転状態に適正に対応できる。
【0042】
上記実施の形態においては、吸気弁の開弁期間を、吸気弁の開閉タイミングを変化させることにより決定されるものとしているが、開弁期間は、吸気弁の閉弁時期あるいは吸気弁の開弁時期の変化により決定されるものとする場合もある。
【0043】
また、本実施の形態の場合、開弁期間がリニアに変化するタイプの可変動弁機構が採用されているが、開弁期間が切り換わる(即ち、小と大との段階的に切り換わるON/OFF)タイプの可変動弁機構を採用することができる。
【0044】
なお、上記実施の形態においては、リーディング側燃料噴射を1回としているが、2回以上の複数回とすることもできる。
【図面の簡単な説明】
【図1】本願発明の第1の実施の形態にかかるエンジンの制御装置の全体ハード構成図である。
【図2】本願発明の第1の実施の形態にかかるエンジンの制御装置におけるエンジンコントロールユニットの内容を示すブロック図である。
【図3】本願発明の第1の実施の形態にかかるエンジンの制御装置の制御内容を示すフローチャートである。
【図4】本願発明の第1の実施の形態にかかるエンジンの制御装置の制御状態を説明するタイムチャートである。
【図5】本願発明の第1の実施の形態にかかるエンジンの制御装置において燃料噴射分割比の設定に用いられる分割比マップである。
【符号の説明】
1はカム軸、2はクランク軸、5は回転数センサ、6はカム、7は燃料噴射手段(燃料噴射弁)、8は可変動弁機構のアクチュエータ、11は位置センサ、12はクランクセンサ、13は気筒判別センサ、14はエンジンコントロールユニット(ECU)、141は燃料噴射制御手段、142は分割比設定手段。
Claims (4)
- 吸気弁のクランク角に対しての開弁期間を運転状態に応じて変化させる可変動弁機構と、
エンジンの吸気管内に燃料を噴射する燃料噴射手段と、
該燃料噴射手段により同一気筒に対して1サイクル当たり複数回に分割して燃料噴射を実行するに当たって、吸気弁閉期間内におけるリーディング側燃料噴射前のエンジンの運転状態に基づいて気筒毎の1サイクル当たりの燃料噴射量を算出し、吸気弁閉期間内において燃料噴射を行うリーディング側燃料噴射量を前記1サイクル当たりの燃料噴射量に基づいて算出し、前記燃料噴射手段によりリーディング側噴射分を噴射させた後に、最新のエンジン運転状態に基づいて算出された最新の1サイクル当たりの燃料噴射量から前記リーディング側燃料噴射量を差し引いて、吸気行程中の所定時期に噴射終了する最終燃料噴射期間におけるトレーリング側燃料噴射量を算出し、前記燃料噴射手段により前記トレーリング側噴射分を噴射させる燃料噴射制御手段とを備えたエンジンの制御装置であって、
前記可変動弁機構により吸気弁の前記開弁期間が変更された時には、前記燃料噴射制御手段により設定されるトレーリング側燃料噴射期間とそれ以前のリーディング側燃料噴射期間との相対的な割合が変化するように両燃料噴射の分割比を、前記開弁期間の変更に対応させて変更する分割比設定手段が付設され、
該分割比設定手段による燃料噴射の分割比の設定は、前記吸気弁の開弁から閉弁までの開弁期間長さが相対的に短い時には、リーディング側燃料噴射期間を相対的に所定期間だけ延長する一方、トレーリング側燃料噴射期間を相対的に所定期間だけ短縮するものとされていることを特徴とするエンジンの制御装置。 - 前記トレーリング側燃料噴射期間は、吸気行程開始時からの期間とされていることを特徴とする前記請求項1記載のエンジンの制御装置。
- 前記吸気弁の開弁期間長さは、少なくとも閉弁時期の変化により決定されることを特徴とする前記請求項1記載のエンジンの制御装置。
- 前記燃料噴射の分割比は、少なくともエンジンの回転数に対応して設定されていて、高回転となる程前記リーディング側燃料噴射期間の延長割合が相対的に増大することとされており、
前記分割比設定手段による燃料噴射の分割比の変更は、吸気弁の前記開弁期間とエンジン回転数との変化に対応して燃料噴射分割比を求める分割比マップにより行われることを特徴とする前記請求項1記載のエンジンの制御装置。
Priority Applications (3)
| Application Number | Priority Date | Filing Date | Title |
|---|---|---|---|
| JP16432596A JP3783285B2 (ja) | 1995-07-03 | 1996-06-25 | エンジンの制御装置 |
| US08/676,516 US5685276A (en) | 1995-07-03 | 1996-07-02 | Engine control system |
| DE19626783A DE19626783A1 (de) | 1995-07-03 | 1996-07-03 | Motorsteuersystem |
Applications Claiming Priority (3)
| Application Number | Priority Date | Filing Date | Title |
|---|---|---|---|
| JP7-167331 | 1995-07-03 | ||
| JP16733195 | 1995-07-03 | ||
| JP16432596A JP3783285B2 (ja) | 1995-07-03 | 1996-06-25 | エンジンの制御装置 |
Publications (2)
| Publication Number | Publication Date |
|---|---|
| JPH0972239A JPH0972239A (ja) | 1997-03-18 |
| JP3783285B2 true JP3783285B2 (ja) | 2006-06-07 |
Family
ID=26489474
Family Applications (1)
| Application Number | Title | Priority Date | Filing Date |
|---|---|---|---|
| JP16432596A Expired - Fee Related JP3783285B2 (ja) | 1995-07-03 | 1996-06-25 | エンジンの制御装置 |
Country Status (3)
| Country | Link |
|---|---|
| US (1) | US5685276A (ja) |
| JP (1) | JP3783285B2 (ja) |
| DE (1) | DE19626783A1 (ja) |
Families Citing this family (13)
| Publication number | Priority date | Publication date | Assignee | Title |
|---|---|---|---|---|
| IT1285713B1 (it) * | 1996-05-20 | 1998-06-18 | Magneti Marelli Spa | Procedimento di controllo di un impianto di alimentazione di carburante senza ritorno per un motore endotermico e impianto di |
| US6062201A (en) * | 1997-05-13 | 2000-05-16 | Denso Corporation | Fuel injection control for internal combustion engine |
| US6192868B1 (en) | 1998-12-23 | 2001-02-27 | Caterpillar Inc. | Apparatus and method for a cold start timing sweep |
| US6681741B2 (en) * | 2000-12-04 | 2004-01-27 | Denso Corporation | Control apparatus for internal combustion engine |
| JP2003201945A (ja) * | 2001-12-28 | 2003-07-18 | Hitachi Unisia Automotive Ltd | 内燃機関の点火時期制御装置 |
| JP2003250141A (ja) * | 2002-02-22 | 2003-09-05 | Ricoh Co Ltd | 映像配信サーバ |
| JP3987400B2 (ja) * | 2002-09-06 | 2007-10-10 | 株式会社日立製作所 | 可変動弁装置を備えた内燃機関の燃料供給装置および方法 |
| DE10356257B4 (de) * | 2003-12-02 | 2007-08-09 | Siemens Ag | Verfahren und Vorrichtung zum Steuern einer Brennkraftmaschine |
| US20090241905A1 (en) * | 2006-03-29 | 2009-10-01 | Denso Corporation | Mount structure of fuel injection valve and fuel injection system |
| US7881856B2 (en) * | 2008-04-03 | 2011-02-01 | Hitachi, Ltd. | Apparatus for and method of controlling fuel injection of engine |
| DE102013221242A1 (de) * | 2013-10-21 | 2015-04-23 | Volkswagen Aktiengesellschaft | Verfahren zum Betreiben eines Verbrennungsmotors |
| JP7119019B2 (ja) * | 2020-03-31 | 2022-08-16 | 本田技研工業株式会社 | 内燃機関の制御装置 |
| JP2021161974A (ja) * | 2020-03-31 | 2021-10-11 | 本田技研工業株式会社 | 燃料噴射制御装置 |
Family Cites Families (4)
| Publication number | Priority date | Publication date | Assignee | Title |
|---|---|---|---|---|
| DE3923479A1 (de) * | 1989-07-15 | 1991-01-24 | Bosch Gmbh Robert | Sequentielles kraftstoffeinspritzverfahren |
| US5156125A (en) * | 1990-10-11 | 1992-10-20 | Mitsubishi Denki Kabushiki Kaisha | Engine control apparatus |
| JPH04303141A (ja) * | 1991-03-29 | 1992-10-27 | Honda Motor Co Ltd | 内燃エンジンの制御装置 |
| SE9202097L (sv) * | 1992-07-07 | 1994-01-17 | Saab Automobile | Anordning och förfarande för reglering av insprutningsstart av bränsle i en förbränningsmotor |
-
1996
- 1996-06-25 JP JP16432596A patent/JP3783285B2/ja not_active Expired - Fee Related
- 1996-07-02 US US08/676,516 patent/US5685276A/en not_active Expired - Fee Related
- 1996-07-03 DE DE19626783A patent/DE19626783A1/de not_active Ceased
Also Published As
| Publication number | Publication date |
|---|---|
| JPH0972239A (ja) | 1997-03-18 |
| DE19626783A1 (de) | 1997-01-09 |
| US5685276A (en) | 1997-11-11 |
Similar Documents
| Publication | Publication Date | Title |
|---|---|---|
| US7823550B2 (en) | Engine equipped with adjustable valve timing mechanism | |
| JP5011413B2 (ja) | 筒内直接燃料噴射方式内燃機関の制御装置 | |
| US6237562B1 (en) | Method of controlling compression ignition internal combustion engine | |
| US5722363A (en) | Cylinder-injection type internal combustion engine and a fuel injection control apparatus therefor | |
| US20040163379A1 (en) | Method for warming up a catalytic converter arranged downstream from a spark-ignition, direct injection internal combustion engine | |
| EP2444641B1 (en) | Control apparatus of a direct injection gasoline engine | |
| JP3783285B2 (ja) | エンジンの制御装置 | |
| JPH08312398A (ja) | 内燃エンジンのアイドル回転数制御装置 | |
| JP3616320B2 (ja) | 内燃機関の点火時期制御装置 | |
| JPH09268942A (ja) | 筒内噴射式内燃機関の制御装置 | |
| EP1201901B1 (en) | Control apparatus and control method for direct injection engine | |
| JP2008208741A (ja) | 内燃機関の制御装置 | |
| US6173694B1 (en) | Method and apparatus for controlling fuel injection in an in-cylinder type internal combustion engine | |
| JP4254607B2 (ja) | エンジンの始動装置 | |
| JP3864541B2 (ja) | 内燃機関の空燃比制御装置 | |
| JP4400421B2 (ja) | デュアル噴射型内燃機関の制御方法 | |
| US7441520B2 (en) | Valve-timing control apparatus of internal combustion engine | |
| JP2002195059A (ja) | 内燃機関用可変動弁機構の制御装置 | |
| JP3657749B2 (ja) | 可変動弁機構を備えた直噴式火花点火機関の制御装置 | |
| JPH1113493A (ja) | エンジンの吸気制御装置 | |
| JP2007107405A (ja) | 内燃機関の燃料噴射制御装置 | |
| JP7713102B2 (ja) | エンジン制御装置及びエンジン制御方法 | |
| JP2000179381A (ja) | 可変バルブタイミング機構付き内燃機関の制御装置 | |
| JP3398567B2 (ja) | バルブタイミング可変手段を備えた筒内直接噴射式内燃機関 | |
| JP2007071075A (ja) | 内燃機関の制御装置 |
Legal Events
| Date | Code | Title | Description |
|---|---|---|---|
| A977 | Report on retrieval |
Free format text: JAPANESE INTERMEDIATE CODE: A971007 Effective date: 20050427 |
|
| A131 | Notification of reasons for refusal |
Free format text: JAPANESE INTERMEDIATE CODE: A131 Effective date: 20051220 |
|
| A521 | Written amendment |
Free format text: JAPANESE INTERMEDIATE CODE: A523 Effective date: 20060202 |
|
| TRDD | Decision of grant or rejection written | ||
| A01 | Written decision to grant a patent or to grant a registration (utility model) |
Free format text: JAPANESE INTERMEDIATE CODE: A01 Effective date: 20060221 |
|
| A61 | First payment of annual fees (during grant procedure) |
Free format text: JAPANESE INTERMEDIATE CODE: A61 Effective date: 20060306 |
|
| R150 | Certificate of patent or registration of utility model |
Free format text: JAPANESE INTERMEDIATE CODE: R150 |
|
| FPAY | Renewal fee payment (event date is renewal date of database) |
Free format text: PAYMENT UNTIL: 20090324 Year of fee payment: 3 |
|
| FPAY | Renewal fee payment (event date is renewal date of database) |
Free format text: PAYMENT UNTIL: 20100324 Year of fee payment: 4 |
|
| LAPS | Cancellation because of no payment of annual fees |