JP3740965B2 - 挟み込み検出装置及び開閉装置 - Google Patents

挟み込み検出装置及び開閉装置 Download PDF

Info

Publication number
JP3740965B2
JP3740965B2 JP2000263406A JP2000263406A JP3740965B2 JP 3740965 B2 JP3740965 B2 JP 3740965B2 JP 2000263406 A JP2000263406 A JP 2000263406A JP 2000263406 A JP2000263406 A JP 2000263406A JP 3740965 B2 JP3740965 B2 JP 3740965B2
Authority
JP
Japan
Prior art keywords
window opening
pressure
closing
opening
piezoelectric sensor
Prior art date
Legal status (The legal status is an assumption and is not a legal conclusion. Google has not performed a legal analysis and makes no representation as to the accuracy of the status listed.)
Expired - Fee Related
Application number
JP2000263406A
Other languages
English (en)
Other versions
JP2002070418A (ja
Inventor
直史 中谷
弘之 荻野
浩二 吉野
彪 長井
成寿 金澤
雅彦 伊藤
優子 藤井
Current Assignee (The listed assignees may be inaccurate. Google has not performed a legal analysis and makes no representation or warranty as to the accuracy of the list.)
Panasonic Corp
Panasonic Holdings Corp
Original Assignee
Panasonic Corp
Matsushita Electric Industrial Co Ltd
Priority date (The priority date is an assumption and is not a legal conclusion. Google has not performed a legal analysis and makes no representation as to the accuracy of the date listed.)
Filing date
Publication date
Application filed by Panasonic Corp, Matsushita Electric Industrial Co Ltd filed Critical Panasonic Corp
Priority to JP2000263406A priority Critical patent/JP3740965B2/ja
Publication of JP2002070418A publication Critical patent/JP2002070418A/ja
Application granted granted Critical
Publication of JP3740965B2 publication Critical patent/JP3740965B2/ja
Anticipated expiration legal-status Critical
Expired - Fee Related legal-status Critical Current

Links

Images

Landscapes

  • Power-Operated Mechanisms For Wings (AREA)
  • Window Of Vehicle (AREA)

Description

【0001】
【発明の属する技術分野】
本発明は、自動車等の車両のボディ開口部とスライドドアとの間への物体の挟み込みを検出する挟み込み検出装置および開閉装置に関するものである。
【0002】
【従来の技術】
従来の挟み込み検出装置は、例えば特開平9−264094号公報や特開平11−182136号公報に開示されているものがある。これは自動車のボディ開口部とスライドドアでの挟み込みを検出するために感圧部をスライドドアの閉方向の鉛直端部に配設したもので、感圧部として複数の長尺状の電極を対向させて配設した感圧スイッチを使用していた。そして、ボディ開口部とスライドドアとの間に物体が挟み込まれると、物体の接触による押圧により感圧スイッチの電極同士が接触して感圧スイッチがオンすることにより挟み込みを検出していた。
【0003】
【発明が解決しようとする課題】
しかしながら、従来の挟み込み検出装置は、スライドドアとボディの開口部との間に物体を挟み込んだことを検知し、また、スライドドアについた窓開口部と開閉部の間に物体を挟み込んだことを検知するような2つの場所での挟み込みを検出するような挟み込み検出装置は付いてなかった。
【0004】
本発明はこのような従来の課題を解決するものであり、スライドドアに付いているの窓にも挟み込み検出装置を効率良く取り付けることのできる挟み込み検出装置および開閉装置を提供することを目的とする。
【0005】
【課題を解決するための手段】
上記課題を解決するために本発明は、車両のスライドドアの形状に沿って屈曲可能に配設された第1の感圧部と、この第1の感圧部からの信号を受け取り前記自動車のボディ開口部と前記スライドドアとの間への物体の挟み込みを判定する第1の判定手段と、車両のスライドドアについた窓開口部と、この窓開口部を開閉する窓開閉部と、この窓開閉部と前記窓開口部の少なくとも一方に屈曲可能に配設された第2の感圧部と、この第2の感圧部からの信号を受け取り前記窓開口部と前記窓開閉部の間への物体の挟み込みを判定する第2の判定手段を備え、前記第1および第2のそれぞれの感圧部は変形に応じた出力信号を発生する可撓性を有した第1および第2の圧電センサを内包するのでスライドドアとボディ開口部で発生する物体の挟み込みと、スライドドアの窓開口部で発生する物体の挟み込みを検出できる。
【0006】
【発明の実施の形態】
上記の課題を解決するために請求項1の発明は、車両のスライドドアの形状に沿って屈曲可能に配設された第1の感圧部と、この第1の感圧部からの信号を受け取り前記自動車のボディ開口部と前記スライドドアとの間への物体の挟み込みを判定する第1の判定手段と、車両のスライドドアについた窓開口部と、この窓開口部を開閉する窓開閉部と、この窓開閉部と前記窓開口部の少なくとも一方に屈曲可能に配設された第2の感圧部と、この第2の感圧部からの信号を受け取り前記窓開口部と前記窓開閉部の間への物体の挟み込みを判定する第2の判定手段を備え、前記第1および第2のそれぞれの感圧部は変形に応じた出力信号を発生する可撓性を有した第1および第2の圧電センサを内包することにより、スライドドアとボディ開口部で発生する物体の挟み込みと、スライドドアの窓開口部で発生する物体の挟み込みを検出できる。
【0007】
そして、第1の圧電センサ及び第2の圧電センサは信号導出用の複数の電極を有し、前記第1の判定手段への接続端とは異なる側の前記第1の圧電センサの端部と前記第2の判定手段への接続端とは異なる側の前記第2の圧電センサの端部において前記信号導出用の同極の電極どうしを接続し、この第1および第2の圧電センサの接続部において前記第1および第2の圧電センサの断線あるいはショートを検出するための電気素子を有することにより、圧電センサの断線やショートなどの故障検出が容易にできる。
【0008】
また請求項の発明は、車両のスライドドアの形状に沿って屈曲可能に配設された第1の感圧部と、この第1の感圧部で検出した信号を受け取り前記自動車のボディ開口部と前記スライドドアとの間への物体の挟み込みを判定する第1の判定手段と、車両のスライドドアについた窓開口部と、この窓開口部を開閉する窓開閉部と、この窓開閉部と前記窓開口部の少なくとも一方に屈曲可能に配設された第2の感圧部と、この第2の感圧部で検出した信号を受け取り前記窓開口部と前記窓開閉部の間への物体の挟み込みを判定する第2の判定手段を備え、前記第1の感圧部及び第2の感圧部は変形に応じた信号を発生する可撓性を有した1本の共通の圧電センサを内包しており、前記第1および第2の判定手段は前記第1および第2の感圧部で検出した信号を受け取るためのそれぞれの入力部において前記圧電センサの断線あるいはショート検出用の電気素子を有したことにより、圧電センサの断線やショートなどの故障検出が容易にできる。
【0009】
また請求項の発明は、車両のスライドドアの形状に沿って屈曲可能に配設された第1の感圧部と、車両のスライドドアについた窓開口部と、この窓開口部を開閉する窓開閉部と、この窓開閉部と前記窓開口部の少なくとも一方に配設された第2の感圧部と、前記第1の感圧部及び第2の感圧部の出力信号に基づき前記自動車のボディ開口部と前記スライドドアとの間への物体の挟み込み及び前記窓開口部と前記窓開閉部の間への物体の挟み込みを判定する判定手段とを備え、前記第1の感圧部および第2の感圧部は変形に応じた信号を発生する可撓性を有した一本の共通の圧電センサを内包したことにより、判定手段が一つで済み、また、圧電センサを判定手段に接続するのは1カ所で良く、1本の圧電センサを有効に効率良く配設できる。
【0010】
また請求項の発明は、車両のスライドドアの形状に沿って屈曲可能に配設された第1の感圧部と、車両のスライドドアについた窓開口部と、この窓開口部を開閉する窓開閉部と、この窓開閉部と前記窓開口部の少なくとも一方に配設された第2の感圧部と、前記第1の感圧部の出力信号及び第2の感圧部からの2つの信号を受け取り前記自動車のボディ開口部と前記スライドドアとの間への物体の挟み込みまたは前記窓開口部と前記窓開閉部の間への物体の挟み込みを判定する判定手段とを備え、前記第1および第2のそれぞれの感圧部は変形に応じた出力信号を発生する可撓性を有した第1および第2の圧電センサを内包するので判定手段が一つで済み、また、2本の圧電センサを別々に配設できるので圧電センサの引き回しが簡単である。
【0011】
また請求項の発明は、判定手段からの挟み込み検出信号により閉動作中のスライドドアまたは窓開閉部を停止または開動作させる制御手段を有したので不要な挟み込みを防止することができる。
【0012】
【実施例】
以下、本発明の一実施例について図を参照して説明する。
【0013】
図1は実施例1の発明の挟み込み検出装置及び開閉装置の外観図で、自動車のスライドドアに適用した場合を示している。図2は図1のA−A’線位置における断面構成図である。先ず、本発明の実施例1の挟み込み検出装置の構成は以下の通りである。図1及び図2より、1はスライドドア、4はスライドドア1の鉛直端部、6は感圧部、9はスライドドア1が開口して乗員が出入りするためのボディ開口部である。10は感圧部6をスライドドア1に固定するための固定部、11は自動車の側面側ボディ、12はスライドドア1が閉止した際にボディ開口部9及びボディ11とスライドドア1との間をシールするシール部である。感圧部6はスライドドア1が完全に閉止した際にボディ11と接触しないようボディとの間に所定の距離をおいて固定部10に固定されている。子供の指等の挟み込みを考慮するとこの距離は3mm〜5mmとすることが好ましい。図1の20はスライドドア1に付けられた窓開口部であり、21は窓開口部20を開閉する開閉部となる窓ガラスである。26は窓開口部上部枠に取り付けられた感圧部である。
【0014】
図3は感圧部6および26の構成図である。図3より、感圧部6および26はゴム弾性体16の中に圧電センサー7を内包している。圧電センサー7は、圧電材としての複合圧電体層13と、複合圧電体層13を挟む電極としての中心電極14及び外側電極15とを同心円状に積層して成形した同軸ケーブル状の構成を備えており、全体として可撓性に優れた構成を有している。19はゴム弾性体16を図2における固定部10と勘合させて固定するための勘合溝である。
【0015】
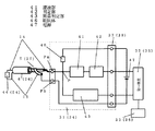
図4はスライドドア1を車内側から見た図で、感圧部6および26と圧電センサー7および27の配設状態を示したものである。図4において31はスライドドア1の鉛直端部4に取り付けられた圧電センサ7の信号を受け取り挟み込みを検出するための第1の判定手段である。32は第1の判定手段31の出力信号に基づき第1の駆動手段33を制御する第1の制御手段である。第1の駆動手段33はスライドドア1を電動で開閉させるためのモータとベルトあるいはギヤなどによる動力伝達機構からなっている。37は第1の判定手段31の判定出力信号を第1の制御手段32に接続するためのコネクタである。34はスライドドア1の窓開口部20に取り付けられた圧電センサ27の信号を受け取り挟み込みを検出するための第2の判定手段である。35は第2の判定手段34の出力信号に基づき第2の駆動手段36を制御する第2の制御手段である。第2の駆動手段33は窓ガラス21を電動で開閉させるためのモータとワイヤあるいはギヤなどによる動力伝達機構からなっている。38は第2の判定手段34の判定出力信号を第2の制御手段35に接続するためのコネクタである。
【0016】
図5は本発明第1の実施例の第1および第2の判定手段の回路構成図である。図5より、44(54)は電気素子として抵抗体を用いている。46は断線またはショート検出用の第2の抵抗体、41は第1の圧電センサ7または第2の圧電センサ27からの出力信号から所定の周波数成分のみを通過させる濾波部、42は濾波部41からの出力信号に基づき挟み込みを判定する判定部、43は抵抗体44(54)と第2の抵抗体41により形成される電圧値から第1の圧電センサ7または第2の圧電センサ27の断線またはショート異常を判定する異常判定部、47は自動車のバッテリー等からなる電源である。濾波部41は第1の圧電センサ7または第2の圧電センサ27の出力信号から自動車の車体の振動等に起因する不要な信号を除去し、物体の挟み込みに特有な周波数成分を有した信号を抽出するような濾波特性を有する。濾波特性の決定には自動車の車体の振動特性等を考慮して最適化すればよい。具体的には、自動車のエンジンや走行による振動を除去するため約10Hz以下の信号成分を抽出するローパスフィルタとすることが望ましい。
【0017】
次に作用について説明する。図1に示したように、本実施例1ではスライドドア1とボディ開口部9との間への物体の挟み込みを検出するために、可撓性の圧電センサ7をスライドドア1の形状に沿って屈曲可能に配設することができる。可撓性の圧電センサ7を使用しているため、スライドドア1に湾曲部があっても従来のように湾曲部で感圧スイッチが接触して誤検出が生じてしまうといっさたことがない。また、スライドドア1にドアロック機構や開閉検出用電極等の付属部品が設置されていても、圧電センサ7を屈曲させてこれらの付属部品を避けて配設することができる。従って付属部品の設置位置にも制約が無い。
【0018】
また、圧電センサの最小曲率が半径5mmであることから、最小曲率半径5mmまでのスライドドア1の鉛直端部4が湾曲していたとしても、この湾曲部に対して配設可能となる。従って、スライドドア1の剛性の強化やデザイン面での自由度が向上する。
【0019】
次に挟み込みの判定手順について以下に説明する。スライドドア1とボディ開口部9との間に物体が挟み込まれると物体が圧電センサ7と接触し、物体の押圧により圧電センサ7が変形する。図6はこの際の濾波部41の出力信号V、挟み込み判定部42の判定出力J、駆動手段33への印加電圧Vmを示す特性図である。図6において、縦軸は上から順にV、J、Vm、横軸は時刻tである。時刻t1で駆動手段33のモータに+Vdの電圧を印加してスライドドア1を閉止方向に駆動させる。挟み込みが起こると圧電センサ7からは圧電効果により圧電センサ7の変形の加速度に応じた信号(図6の基準電位V0より大きな信号成分)が出力される。判定部42はVのV0からの振幅V−V0がD0以上ならば挟み込みが生じたと判定し、時刻t0で判定出力としてLo→Hi→Loのバルス信号を出力する。制御手段32ではこのパルス信号があると駆動手段33への+Vdの電圧印加を停止した後、−Vdの電圧を一定時間印加してスライドドア1を開方向へ駆動させ、挟み込みを解除する。挟み込みが判定されると警報を発生する構成としてもよい。尚、挟み込みを解除する際、圧電センサ7からは変形が復元する加速度に応じた信号(図6の基準電位V0より小さな信号成分)が出力される。
【0020】
尚、挟み込みの際、VがV0より大となるか小となるかは、圧電センサ7の屈曲方向や分極方向、電極の割付け(どちらを基準電位とするか)、圧電センサ7の支持方向により変わるため、判定部42でVのV0からの振幅|V−V0|に基づき挟み込みを判定する構成としてもよく、VのV0に対する大小によらず挟み込みを判定することができる。
【0021】
窓開口部20と窓ガラス21の間に生じる物体の挟み込みの場合も同様の動作である。
【0022】
次に、異常判定部43での断線判定の手順を以下に示す。図5において、抵抗体46と抵抗体44(54)の抵抗値をそれぞれR1、R2とし、P点の電圧をVp、電源47の電圧をVsとする。R1、R2は通常数メグオーム〜数十メグオームの抵抗値が用いられる。圧電センサ7または27の電極が正常の場合、VpはVsに対して、R1とR2との分圧値となる。ここで、複合圧電体層13の抵抗値は通常数百メグオーム以上であるのでR1とR2の抵抗値にはほとんど寄与しないため上記分圧値の算出には無視するものとする。圧電センサ7または27の電極が断線すると等価的にはPa点またはPb点がオープンとなるので、VpはR1で電源47の正電極に接続されているためVsとなる。電極がショートすると等価的にはPa点とPb点がショートすることになるので、Vpはほぼ0ボルトに等しくなる。このように異常判定部43でVpの値に基づいて圧電センサ7または27の電極の断線やショートといった異常を検出するので、信頼性を向上することができる。尚、抵抗体44(54)は他に電気素子としてコンデンサやインダクタあるいはこれら電気素子の複合体であっても良い。特に電源47を交流あるいは高周波電源とした場合には抵抗体44(54)の代わりにインダクタを使うことも可能である。
【0023】
また、第1の圧電センサ7の先端に付く抵抗体44と第2の圧電センサ27の先端に付く抵抗体54は共通にでき、図7に示すように抵抗体51で第1の圧電センサ7と第2の圧電センサ27のための断線またはショート検出用の抵抗体とすることもできる。
【0024】
また、第1の圧電センサ7と第2の圧電センサ27を別々の圧電センサで構成するのではなく、図8に示すように1本の圧電センサ55を延ばして窓開口部20とスライドドア鉛直端部4に配設することもできる。この場合、一方の判定手段は図5に示す構成で良いが、他方の判定手段は図9に示すように抵抗値R3を持つ抵抗体56をP点とPb点間に接続する。このとき、圧電センサ55の電極が正常ならば、VpはVsに対して、一方の判定手段31(34)である図5のR1と他方の判定手段34(31)である図9のR3との分圧値になる。圧電センサ55の電極が断線すると等価的にはPa点またはPb点がオープンとなるので、一方の判定手段31(34)のVpはR1で電源47の正電極に接続されているためVsとなり、他方の判定手段34(31)のVpは、R3で電源47の負電極に接続されているため、ほぼ0ボルトに等しくなる。電極がショートすると等価的にはPa点とPb点がショートすることになるので、どちらの判定手段31(34)のVpもほぼ0ボルトに等しくなる。
【0025】
また、図10に示すように1つの判定手段62で窓開口部20とスライドドア1の鉛直端部4に配設された圧電センサ55の信号を受け取るようにしても良い。66は断線、ショートの異常検知のための抵抗体である。この場合、1本の共通の圧電センサと、1つの判定手段により、圧電センサを判定手段に接続するのは1カ所で良く、1本の圧電センサを有効に効率良く配設できる。
【0026】
また、図11に示すようにスライドドア1の鉛直端部4に配設された圧電センサ7と窓開口部20に配設された圧電センサ27の2つの信号を1つの判定手段64で受け取るようにしても良い。この場合、判定手段が一つで済み、また、2本の圧電センサを別々に配設できるので圧電センサの引き回しが簡単である。
【0027】
上記した作用により、可撓性の圧電センサを車両のスライドドアの形状に沿って屈曲可能に配設され、さらにスライドドアの窓にも同様の可撓性の圧電センサが配設されているので、スライドドアどボディ開口部との間の物体の挟み込みと、スライドドアの窓開口部と窓ガラスとの間での物体の挟み込みを検出できる。
【0028】
また、圧電センサが信号導出用の複数の電極と、前記電極間に接続された断線検出用の抵抗体とを有しており、断線検出用の抵抗体により圧電センサの電極の断線を検出できるので、装置の信頼性が向上する。
【0029】
また、1本の共通の圧電センサでもスライドドアどボディ開口部との間の物体の挟み込みと、スライドドアの窓開口部と窓ガラスとの間での物体の挟み込みを検出できるとともに、圧電センサの断線あるいはショート検出用の電気素子を有したことにより、圧電センサの断線やショートなどの故障検出が容易にできる。
【0030】
また、1本の共通の圧電センサと、1つの判定手段にすると、圧電センサを判定手段に接続するのは1カ所で良く、1本の圧電センサを有効に効率良く配設できる。
【0031】
また、第1の圧電センサの出力信号及び第2の圧電センサの出力信号の2つを1つの判定手段で受け取とれば、自動車のボディ開口部と前記スライドドアとの間への物体の挟み込みまたは前記窓開口部と前記窓開閉部の間への物体の挟み込みの判定ができ、判定手段が一つで済み、また、2本の圧電センサを別々に配設できるので圧電センサの引き回しが簡単である。
【0032】
さらに、圧電センサによる挟み込み検出装置とスライドドアを駆動する駆動手段とを備え、判定手段の出力信号に基づき挟み込み判定時には挟み込みを解除するよう前記駆動手段を制御する制御手段を有しており、挟み込み判定時には挟み込みを解除するので、不要な挟み込みを防止する開閉装置を提供することができる。
【0033】
【発明の効果】
上記実施例から明らかなように、請求項1の発明によれば、車両のスライドドアの形状に沿って屈曲可能に配設された第1の感圧部と、この第1の感圧部からの信号を受け取り前記自動車のボディ開口部と前記スライドドアとの間への物体の挟み込みを判定する第1の判定手段と、車両のスライドドアについた窓開口部と、この窓開口部を開閉する窓開閉部と、この窓開閉部と前記窓開口部の少なくとも一方に屈曲可能に配設された第2の感圧部と、この第2の感圧部からの信号を受け取り前記窓開口部と前記窓開閉部の間への物体の挟み込みを判定する第2の判定手段を備え、前記第1および第2のそれぞれの感圧部は変形に応じた出力信号を発生する可撓性を有した第1および第2の圧電センサを内包するのでスライドドアとボディ開口部で発生する物体の挟み込みと、スライドドアの窓開口部で発生する物体の挟み込みを検出できるといった効果がある。
【0034】
そして、第1の圧電センサ及び第2の圧電センサは信号導出用の複数の電極を有し、前記第1の判定手段への接続端とは異なる側の前記第1の圧電センサの端部と前記第2の判定手段への接続端とは異なる側の前記第2の圧電センサの端部において前記信号導出用の同極の電極どうしを接続し、この第1および第2の圧電センサの接続部において前記第1および第2の圧電センサの断線あるいはショートを検出するための電気素子を有したことにより、圧電センサの断線やショートなどの故障検出が容易にできるといった効果がある。
【0035】
また請求項の発明によれば、車両のスライドドアの形状に沿って屈曲可能に配設された第1の感圧部と、この第1の感圧部で検出した信号を受け取り前記自動車のボディ開口部と前記スライドドアとの間への物体の挟み込みを判定する第1の判定手段と、車両のスライドドアについた窓開口部と、この窓開口部を開閉する窓開閉部と、この窓開閉部と前記窓開口部の少なくとも一方に屈曲可能に配設された第2の感圧部と、この第2の感圧部で検出した信号を受け取り前記窓開口部と前記窓開閉部の間への物体の挟み込みを判定する第2の判定手段を備え、前記第1の感圧部及び第2の感圧部は変形に応じた信号を発生する可撓性を有した1本の共通の圧電センサを内包しており、前記第1および第2の判定手段は前記第1および第2の感圧部で検出した信号を受け取るためのそれぞれの入力部において前記圧電センサの断線あるいはショート検出用の電気素子を有したことにより圧電センサの断線やショートなどの故障検出が容易にできるといった効果がある。
【0036】
また請求項の発明によれば、車両のスライドドアの形状に沿って屈曲可能に配設された第1の感圧部と、車両のスライドドアについた窓開口部と、この窓開口部を開閉する窓開閉部と、この窓開閉部と前記窓開口部の少なくとも一方に配設された第2の感圧部と、前記第1の感圧部及び第2の感圧部の出力信号に基づき前記自動車のボディ開口部と前記スライドドアとの間への物体の挟み込み及び前記窓開口部と前記窓開閉部の間への物体の挟み込みを判定する判定手段とを備え、前記第1の感圧部および第2の感圧部は変形に応じた信号を発生する可撓性を有した一本の共通の圧電センサを内包するので、判定手段が一つで済み、また、圧電センサを判定手段に接続するのは1カ所で良く、1本の圧電センサを有効に効率良く配設できるといった効果がある。
【0037】
また請求項発明によれば、車両のスライドドアの形状に沿って屈曲可能に配設された第1の感圧部と、車両のスライドドアについた窓開口部と、この窓開口部を開閉する窓開閉部と、この窓開閉部と前記窓開口部の少なくとも一方に配設された第2の感圧部と、前記第1の感圧部の出力信号及び第2の感圧部からの2つの信号を受け取り前記自動車のボディ開口部と前記スライドドアとの間への物体の挟み込みまたは前記窓開口部と前記窓開閉部の間への物体の挟み込みを判定する判定手段とを備え、前記第1および第2のそれぞれの感圧部は変形に応じた出力信号を発生する可撓性を有した第1および第2の圧電センサを内包するので、判定手段が一つで済み、また、2本の圧電センサを別々に配設できるので圧電センサの引き回しが簡単であるといった効果がある。
【0038】
また請求項発明によれば、判定手段からの挟み込み検出信号により閉動作中のスライドドアまたは窓開閉部を停止または開動作させる制御手段を有したもので、挟み込み判定時には挟み込みを解除するので不要な挟み込みを防止することができるといった効果がある。
【図面の簡単な説明】
【図1】 本発明の一実施例の発明の挟み込み検出装置及び開閉装置の外観図
【図2】 図1のA−A′線位置における断面構成図
【図3】 同装置の感圧部の構成図
【図4】 同装置の挟み込み検出装置の配設構成図
【図5】 同装置の挟み込み検出装置の判定手段の回路構成図
【図6】 同装置の濾波部からの出力信号V、挟み込み判定部の判定出力J、モータへの印加電圧Vmを示す特性図
【図7】 同装置の挟み込み検出装置の2本の圧電センサを直列接続したときの配設構成図
【図8】 同装置の挟み込み検出装置の1本の圧電センサのみで配設したときの配設構成図
【図9】 同装置の挟み込み検出装置の判定手段の第2の回路構成図
【図10】 同装置の挟み込み検出装置の1本の圧電センサのみで配設し1つの判定手段で受ける場合の配設構成図
【図11】 同装置の挟み込み検出装置の2本の圧電センサの信号を1つの判定手段で受ける場合の配設構成図
【符号の説明】
1 スライドドア
4 鉛直端部
6、26 圧電センサ内蔵のゴム弾性体
7、27、55 圧電センサ
9 ボディ開口部
11 ボディ
13 複合圧電体層
14 中心電極(電極)
15 外側電極(電極)
16 ゴム弾性体
19 勘合溝
31、34、62、64 判定手段
44、46、51、54、56、66 抵抗体(電気素子)
33、36 駆動手段
32、35 制御手段

Claims (5)

  1. 車両のスライドドアの形状に沿って屈曲可能に配設された第1の感圧部と、この第1の感圧部からの信号を受け取り前記自動車のボディ開口部と前記スライドドアとの間への物体の挟み込みを判定する第1の判定手段と、車両のスライドドアについた窓開口部と、この窓開口部を開閉する窓開閉部と、この窓開閉部と前記窓開口部の少なくとも一方に屈曲可能に配設された第2の感圧部と、この第2の感圧部からの信号を受け取り前記窓開口部と前記窓開閉部の間への物体の挟み込みを判定する第2の判定手段を備え、前記第1および第2のそれぞれの感圧部は変形に応じた出力信号を発生する可撓性を有した第1および第2の圧電センサを内包し、第1の圧電センサ及び第2の圧電センサは信号導出用の複数の電極を有し、前記第1の判定手段への接続端とは異なる側の前記第1の圧電センサの端部と前記第2の判定手段への接続端とは異なる側の前記第2の圧電センサの端部において前記信号導出用の同極の電極どうしを接続し、この第1および第2の圧電センサの接続部において前記第1および第2の圧電センサの断線あるいはショートを検出するための電気素子を有する挟み込み検出装置。
  2. 車両のスライドドアの形状に沿って屈曲可能に配設された第1の感圧部と、この第1の感圧部で検出した信号を受け取り前記自動車のボディ開口部と前記スライドドアとの間への物体の挟み込みを判定する第1の判定手段と、車両のスライドドアについた窓開口部と、この窓開口部を開閉する窓開閉部と、この窓開閉部と前記窓開口部の少なくとも一方に屈曲可能に配設された第2の感圧部と、この第2の感圧部で検出した信号を受け取り前記窓開口部と前記窓開閉部の間への物体の挟み込みを判定する第2の判定手段を備え、前記第1の感圧部及び第2の感圧部は変形に応じた信号を発生する可撓性を有した1本の共通の圧電センサを内包しており、前記第1および第2の判定手段は前記第1および第2の感圧部で検出した信号を受け取るためのそれぞれの入力部において前記圧電センサの断線あるいはショート検出用の電気素子を有した挟み込み検出装置。
  3. 車両のスライドドアの形状に沿って屈曲可能に配設された第1の感圧部と、車両のスライドドアについた窓開口部と、この窓開口部を開閉する窓開閉部と、この窓開閉部と前記窓開口部の少なくとも一方に配設された第2の感圧部と、前記第1の感圧部及び第2の感圧部の出力信号に基づき前記自動車のボディ開口部と前記スライドドアとの間への物体の挟み込み及び前記窓開口部と前記窓開閉部の間への物体の挟み込みを判定
    する判定手段とを備え、前記第1の感圧部および第2の感圧部は変形に応じた信号を発生する可撓性を有した一本の共通の圧電センサを内包した挟み込み検出装置。
  4. 車両のスライドドアの形状に沿って屈曲可能に配設された第1の感圧部と、車両のスライドドアについた窓開口部と、この窓開口部を開閉する窓開閉部と、この窓開閉部と前記窓開口部の少なくとも一方に配設された第2の感圧部と、前記第1の感圧部の出力信号及び第2の感圧部からの2つの信号を受け取り前記自動車のボディ開口部と前記スライドドアとの間への物体の挟み込みまたは前記窓開口部と前記窓開閉部の間への物体の挟み込みを判定する判定手段とを備え、前記第1および第2のそれぞれの感圧部は変形に応じた出力信号を発生する可撓性を有した第1および第2の圧電センサを内包する挟み込み検出装置。
  5. 判定手段からの挟み込み検出信号により閉動作中のスライドドアまたは窓開閉部を停止または開動作させる制御手段を有した請求項1乃至のいずれか1項に記載の挟み込み検出装置。
JP2000263406A 2000-08-31 2000-08-31 挟み込み検出装置及び開閉装置 Expired - Fee Related JP3740965B2 (ja)

Priority Applications (1)

Application Number Priority Date Filing Date Title
JP2000263406A JP3740965B2 (ja) 2000-08-31 2000-08-31 挟み込み検出装置及び開閉装置

Applications Claiming Priority (1)

Application Number Priority Date Filing Date Title
JP2000263406A JP3740965B2 (ja) 2000-08-31 2000-08-31 挟み込み検出装置及び開閉装置

Publications (2)

Publication Number Publication Date
JP2002070418A JP2002070418A (ja) 2002-03-08
JP3740965B2 true JP3740965B2 (ja) 2006-02-01

Family

ID=18750954

Family Applications (1)

Application Number Title Priority Date Filing Date
JP2000263406A Expired - Fee Related JP3740965B2 (ja) 2000-08-31 2000-08-31 挟み込み検出装置及び開閉装置

Country Status (1)

Country Link
JP (1) JP3740965B2 (ja)

Families Citing this family (3)

* Cited by examiner, † Cited by third party
Publication number Priority date Publication date Assignee Title
JP5112826B2 (ja) * 2007-11-16 2013-01-09 シロキ工業株式会社 パワースライドドア
KR101382325B1 (ko) * 2013-02-27 2014-04-17 현대자동차 주식회사 자동차용 슬라이딩 도어장치
JP7334607B2 (ja) * 2019-12-16 2023-08-29 株式会社アイシン 車両用開閉体制御装置

Also Published As

Publication number Publication date
JP2002070418A (ja) 2002-03-08

Similar Documents

Publication Publication Date Title
WO2004063512A1 (ja) 挟み込み検出装置及び開閉装置
JP3740965B2 (ja) 挟み込み検出装置及び開閉装置
JPH1076843A (ja) 挟み込み防止装置
JP3719045B2 (ja) 挟み込み防止装置
JP3741017B2 (ja) 挟み込み検出装置及び開閉装置
JP3741048B2 (ja) 接触検出装置及び開閉装置
JP3680632B2 (ja) 挟み込み検出装置及び開閉装置
JP2000346717A5 (ja)
JPH11303504A5 (ja)
JPH11303504A (ja) 挟み込み防止装置
JP3740947B2 (ja) 挟み込み検出装置及び開閉装置
JP2000321150A (ja) 挟み込み検知センサおよび挟み込み防止装置
JP2006097463A (ja) 挟み込み防止装置
JP3680700B2 (ja) 感圧センサ、物体検出装置及び開閉装置
JP2001324393A5 (ja)
JP2000321150A5 (ja)
JP2006144418A (ja) 接触検出装置および開閉装置
JP3719046B2 (ja) 挟み込み防止装置
JP3637918B1 (ja) 挟み込み防止装置
JP3767263B2 (ja) 挟み込み検出装置及び開閉装置
JP3891180B2 (ja) 圧電センサ
JP3661537B2 (ja) 挟み込み検出装置及び開閉装置
JP2001165784A5 (ja)
JP2004245578A (ja) 感圧センサ、物体検出装置、及び開閉装置
JP2000346718A (ja) 圧電センサ荷重検出装置および挟み込み防止装置

Legal Events

Date Code Title Description
RD01 Notification of change of attorney

Free format text: JAPANESE INTERMEDIATE CODE: A7421

Effective date: 20050630

A977 Report on retrieval

Free format text: JAPANESE INTERMEDIATE CODE: A971007

Effective date: 20050714

A131 Notification of reasons for refusal

Free format text: JAPANESE INTERMEDIATE CODE: A131

Effective date: 20050726

A521 Request for written amendment filed

Free format text: JAPANESE INTERMEDIATE CODE: A523

Effective date: 20050922

TRDD Decision of grant or rejection written
A01 Written decision to grant a patent or to grant a registration (utility model)

Free format text: JAPANESE INTERMEDIATE CODE: A01

Effective date: 20051018

A61 First payment of annual fees (during grant procedure)

Free format text: JAPANESE INTERMEDIATE CODE: A61

Effective date: 20051031

FPAY Renewal fee payment (event date is renewal date of database)

Free format text: PAYMENT UNTIL: 20091118

Year of fee payment: 4

FPAY Renewal fee payment (event date is renewal date of database)

Free format text: PAYMENT UNTIL: 20091118

Year of fee payment: 4

FPAY Renewal fee payment (event date is renewal date of database)

Free format text: PAYMENT UNTIL: 20101118

Year of fee payment: 5

FPAY Renewal fee payment (event date is renewal date of database)

Free format text: PAYMENT UNTIL: 20111118

Year of fee payment: 6

LAPS Cancellation because of no payment of annual fees