JP2021136855A - 可変トルクモータ、およびモータのトルク可変構造 - Google Patents

可変トルクモータ、およびモータのトルク可変構造 Download PDF

Info

Publication number
JP2021136855A
JP2021136855A JP2020034394A JP2020034394A JP2021136855A JP 2021136855 A JP2021136855 A JP 2021136855A JP 2020034394 A JP2020034394 A JP 2020034394A JP 2020034394 A JP2020034394 A JP 2020034394A JP 2021136855 A JP2021136855 A JP 2021136855A
Authority
JP
Japan
Prior art keywords
planetary gear
torque
motor
clutch
gear
Prior art date
Legal status (The legal status is an assumption and is not a legal conclusion. Google has not performed a legal analysis and makes no representation as to the accuracy of the status listed.)
Granted
Application number
JP2020034394A
Other languages
English (en)
Other versions
JP7332108B2 (ja
Inventor
広貴 小笠原
Hirotaka Ogasawara
広貴 小笠原
Current Assignee (The listed assignees may be inaccurate. Google has not performed a legal analysis and makes no representation or warranty as to the accuracy of the list.)
Tamagawa Seiki Co Ltd
Original Assignee
Tamagawa Seiki Co Ltd
Priority date (The priority date is an assumption and is not a legal conclusion. Google has not performed a legal analysis and makes no representation as to the accuracy of the date listed.)
Filing date
Publication date
Application filed by Tamagawa Seiki Co Ltd filed Critical Tamagawa Seiki Co Ltd
Priority to JP2020034394A priority Critical patent/JP7332108B2/ja
Publication of JP2021136855A publication Critical patent/JP2021136855A/ja
Application granted granted Critical
Publication of JP7332108B2 publication Critical patent/JP7332108B2/ja
Active legal-status Critical Current
Anticipated expiration legal-status Critical

Links

Images

Landscapes

  • Structure Of Transmissions (AREA)
  • Connection Of Motors, Electrical Generators, Mechanical Devices, And The Like (AREA)

Abstract

【課題】搭載される装置全体の大型化を押さえつつ、高速回転低トルク、低速回転高トルクという二種類の出力を一台のモータおよび単一の出力軸によって取り出せる可変トルクモータを提供する。【解決手段】可変トルクモータは減速機2として不思議遊星歯車機構2を用い、モータ本体9と減速機2との間にクラッチ1を設け、不思議遊星歯車機構2はモータ軸8と一体に回転する太陽歯車3、太陽歯車3の周りを自転しながら公転する遊星歯車4、遊星歯車4と噛み合いかつクラッチ1による作用を受ける第二内歯車6、遊星歯車4と噛み合い第二内歯車6とは歯数が異なっていて出力軸11と一体に回転する第一内歯車5、および遊星歯車4を収容しかつクラッチ1による作用を受けるキャリア7とからなる。【選択図】図1

Description

本発明は可変トルクモータ、およびモータのトルク可変構造に係り、特に、大きく異なる二種類のトルクを一台のモータから、しかも同じ出力軸から取り出すことのできる、可変トルクモータ等に関するものである。
サーボモータにおいて高トルクが必要な場合、減速機と組み合わせ、回転速度を犠牲にする(高速回転できない)ことで減速比倍のトルクを得るという手法が、一般的には取られている。しかし、たとえばサーボプレスなどボールねじを用いた機構の場合は、モータを高速で回転させて位置決めを行った後に即、高トルクで加圧したいという動作パターンがある。だが、減速機を用いた機構では高トルクは出力可能だが、高速回転を出力することは不可能である。またこれとは逆に、高速回転を出力する場合には減速機との組み合わせによる高トルク出力は不可能となる。
すなわち、減速機を用いる場合には回転速度を犠牲にせざるを得ないため、高速回転出力と高トルク出力を両立させることができない。つまり、減速機を用いつつ高低二段階のトルクを一台のモータから、しかも同じ出力軸から取り出すことは、従来不可能であった。したがって、高速回転出力と高トルク出力の両立のためには、複雑な機構による二種類(二台)のモータを用いた対応がなされていた。
なお、かかる問題の根本的解決策になり得るものとして、減速機を用いつつ低速回転高トルク仕様、高速回転低トルク仕様の両仕様で利用できる方法が既に特許出願されている(後掲特許文献1)。この文献には、低速回転高トルク仕様、高速回転低トルク仕様の両仕様で利用できる減速機として、モータ軸の回転力を減速して第1の駆動力を出力対象に出力する複数の出力部材を有する減速機構、複数の出力部材に接続するキャリアを有し、第1の駆動力を増速して第2の駆動力をデフケースに出力する増速機構、増速機構―デフケース、また減速機構―デフケースをそれぞれ断続可能に連結するクラッチを備える構成が開示されている。
特開2014−052063号公報「減速機及びこれを備えたモータ回転力伝達装置」
上記文献開示技術は、減速機が増速機構と減速機構とを備えてなる構成であり、デフケースに増速機構または減速機構を選択して接続するクラッチにより、高速回転低トルク、低速回転高トルク、二種類の出力が取り出されるという方式である。つまり、減速機構だけではなく増速機構をも設け減速機にするという複雑な構成、方式であり、これを搭載する装置全体の大型化の抑制や、モータと減速機との組み合わせにおける組み合わせ機構の簡素化には向かない。したがって、搭載される装置全体の大型化抑制、組み合わせ機構の簡素化に資することもできる、より簡素な構成、方式が求められる。
また、サーボモータでは従来、停電時などの緊急停止に対応するため、無励磁作動型ブレーキを搭載することが一般的である。しかし、かかる無励磁作動型ブレーキの搭載は、その分のスペースを要し、これも搭載される装置全体の大型化を抑えるには不利である。高速回転低トルク、低速回転高トルクという二種類の出力を一台のモータおよび単一の出力軸によって取り出せるとともに、無励磁作動型ブレーキの搭載を不要とすることができれば、搭載される装置全体の大型化抑制、組み合わせ機構の簡素化には有利である。
そこで本発明が解決しようとする課題は、かかる従来技術の問題点をなくし、搭載される装置における組み合わせ機構を簡素化し、全体の大型化を押さえつつ、高速回転低トルク、低速回転高トルクという二種類の出力を一台のモータおよび単一の出力軸によって取り出すことを可能とする、可変トルクモータ、およびモータのトルク可変構造を提供することである。また、これに加えて本発明の課題は、搭載される装置における組み合わせ機構を簡素化し、全体の大型化を押さえつつ、高速回転低トルク、低速回転高トルクという二種類の出力を一台のモータおよび単一の出力軸によって取り出せるとともに無励磁作動型ブレーキの搭載を不要とすることのできる、可変トルクモータ、およびモータのトルク可変構造を提供することである。
本願発明者は上記課題について検討した結果、モータと減速機の間に電磁クラッチを設け、高速回転出力時はギヤ比の低い減速機構と接続し、高トルク出力が必要な場合にはギヤ比の高い減速機構と接続することでギヤ比倍のトルクを得られることを見出し、またかかる構成によって無励磁作動型ブレーキを用いることなく緊急停止可能な機構も実現できることを見いだし、これらに基づいて本発明を完成するに至った。すなわち、上記課題を解決するための手段として本願で特許請求される発明、もしくは少なくとも開示される発明は、以下の通りである。
〔1〕 減速機により2種類のトルクを同一出力軸から取り出すことのできる可変トルクモータであって、減速機として不思議遊星歯車機構を用い、モータ本体と減速機との間にクラッチを設け、該不思議遊星歯車機構はモータ軸と一体に回転する太陽歯車と、該太陽歯車の周りを自転しながら公転する遊星歯車と、該遊星歯車と噛み合いかつ該クラッチによる作用を受ける第二内歯車と、該遊星歯車と噛み合い該第二内歯車とは歯数が異なっていて出力軸と一体に回転する第一内歯車と、および該遊星歯車を収容しかつ該クラッチによる作用を受けるキャリアとからなり、該クラッチの動作により該第二内歯車を固定した場合は低速回転高トルクが出力され、該キャリアを固定した場合は高速回転低トルクが出力されることを特徴とする、可変トルクモータ。
〔2〕 前記遊星歯車は、前記第一内歯車に噛み合う第一遊星歯車と、前記第二内歯車に噛み合う第二遊星歯車とが一体構造となっている二段遊星歯車であることを特徴とする、〔1〕に記載の可変トルクモータ。
〔3〕 前記クラッチは釈放により前記第二内歯車を、吸引により前記キャリアをそれぞれ固定することを特徴とする、〔1〕、〔2〕のいずれかに記載の可変トルクモータ。
〔4〕 前記クラッチは無励磁作動型であり、これにより停電時の出力軸緊急停止が可能であることを特徴とする、〔1〕、〔2〕、〔3〕のいずれかに記載の可変トルクモータ。
〔5〕 無励磁作動型ブレーキが備えられていないことを特徴とする、〔1〕、〔2〕、〔3〕、〔4〕のいずれかに記載の可変トルクモータ。
〔6〕 モータにおいて2種類のトルクを同一出力軸から取り出すことのできるトルク可変構造であって、不思議遊星歯車機構による減速機と、クラッチとからなり、該不思議遊星歯車機構はモータ軸と一体に回転する太陽歯車と、該太陽歯車の周りを自転しながら公転する遊星歯車と、該遊星歯車と噛み合いかつ該クラッチによる作用を受ける第二内歯車と、該遊星歯車と噛み合い該第二内歯車とは歯数が異なっていて出力軸と一体に回転する第一内歯車と、および該遊星歯車を収容しかつ該クラッチによる作用を受けるキャリアとからなり、該遊星歯車は該第一内歯車に噛み合う第一遊星歯車と、該第二内歯車に噛み合う第二遊星歯車とが一体構造となっている二段遊星歯車であり、該クラッチの動作により該第二内歯車を固定した場合は低速回転高トルクが出力され、該キャリアを固定した場合は高速回転低トルクが出力されることを特徴とする、モータのトルク可変構造。
〔7〕 前記クラッチは無励磁作動型であり、これにより停電時の出力軸緊急停止を可能とすることを特徴とする、〔6〕に記載のモータのトルク可変構造。
本発明の可変トルクモータ、およびモータのトルク可変構造は上述のように構成されるため、これらによれば、搭載される装置における組み合わせ機構を簡素化し、全体の大型化を押さえつつ、高速回転低トルク、低速回転高トルクという二種類の出力を一台のモータおよび単一の出力軸によって取り出すことができる。また、これに加えて本発明では、無励磁作動型ブレーキを用いない緊急停止機構も実現されるため、無励磁作動型ブレーキの搭載を不要とすることもできる。
上述の通り従来は、減速機有無による二種類のトルクを一台のモータから、かつ同じ出力軸から取り出すことが不可能であったため、複雑な機構を伴う二種類のモータを用意していた。本発明により、一台で減速機有無による二種類のトルクを可変利用可能なモータを実現でき、さらに無励磁作動型ブレーキも廃止できることで、組み合わせ機構の大幅な簡素化が可能となる。
すなわち本発明可変トルクモータは、高速回転出力時はギヤ比の低い減速機構と接続し、高トルク出力が必要な場合にはギヤ比の高い減速機構と接続して減速比倍のトルクを得ることができる。また、停電などによる高速回転時の緊急停止の際は、従来は無励磁作動型ブレーキを用いることが一般的であるが、本発明ではクラッチを無励磁作動型とすることで、停電時に減速機と接続してモータコギングトルクを利用して停止させることが可能となった。つまり、無励磁作動型ブレーキを用いずに緊急停止が可能となった。
なお、上述の文献開示技術は、増速機構と減速機構とを備えた減速機を用い、デフケースに増速機構または減速機構を選択して接続するクラッチによって二種類の出力が取り出される方式であり、内歯車の固定・開放により出力を変える本発明の方式は、これとは異なる。そして本発明は、当該先行技術と比較して、搭載される装置における組み合わせ機構の簡素化効果、全体の大型化の抑制効果を有する。
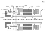
本発明可変トルクモータの構成および作用を示す側断面視の説明図である(高トルクモード)。 本発明可変トルクモータの構成および作用を示す側断面視の説明図である(高速回転モード)。 図1等に示した本発明可変トルクモータに係る減速機部分の拡大図である。 無励磁作動型ブレーキを備えている本発明可変トルクモータの構成を示す側断面視の説明図である。
以下、図面により本発明を詳細に説明する。
図1、2は、本発明可変トルクモータの構成および作用を示す側断面視の説明図であり、図1は高トルクモード、図2は高速回転モードをそれぞれ示す。これらに示すように本可変トルクモータ10は、減速機により2種類のトルクを同一出力軸から取り出すことのできるモータであり、減速機として不思議遊星歯車機構2を用い、モータ本体9と減速機2との間にクラッチ1を設け、不思議遊星歯車機構2はモータ軸8と一体に回転する太陽歯車3と、太陽歯車3の周りを自転しながら公転する遊星歯車4と、遊星歯車4と噛み合いかつクラッチ1による作用を受ける第二内歯車6と、遊星歯車4と噛み合い第二内歯車6とは歯数が異なっていて出力軸11と一体に回転する第一内歯車5と、および遊星歯車4を収容しかつクラッチ1による作用を受けるキャリア7とからなることを、主たる構成とする。クラッチ1は電磁クラッチ(電磁摩擦クラッチ)とし、図中の符号1wはクラッチ板等、クラッチ作用対象への伝達・遮断作用がなされるクラッチ作用部である。
かかる構成の本可変トルクモータ10においては、図1のようにクラッチ1のクラッチ作用部1wが第二内歯車6方向に移動してこれに接続し、それにより第二内歯車6が固定されて停止した状態となっている場合には、遊星歯車4を収容するキャリア7は開放されており、したがって第二内歯車6と噛み合っている遊星歯車4は、自転しつつ、モータ軸8と同期して回転する太陽歯車3の周りを公転する。かかる遊星歯車4の回転は、第二内歯車6とは歯数が異なる第一内歯車5へと伝動され、一体に回転する出力軸11へと出力される。すなわち、モータ軸8の回転は不思議遊星歯車機構2による有効な減速作用を受けて減速され、これによって低速回転高トルクの出力が出力軸11に出力される。
一方、図2に示すようにクラッチ1のクラッチ作用部1wがキャリア7方向に移動してこれに接続し、それによってキャリア7が固定された場合には、遊星歯車4と噛み合う第二内歯車6は開放されており、したがって第二内歯車6と噛み合っている遊星歯車4は、キャリア7が固定されているため、その場で、モータ軸8と同期して回転している太陽歯車3に合わせて自転する。かかる遊星歯車4の回転が第一内歯車5へと伝動され、一体に回転する出力軸11へと出力される。すなわちモータ軸8の回転は、不思議遊星歯車機構2によって減速されることなく、単純な遊星歯車機構として、一体に回転する出力軸11へと出力される。すなわち、モータ軸8の回転は不思議遊星歯車機構2による有効な減速作用を受けずに伝動され、これによって、高速回転低トルクの出力が出力軸11に出力される。出力軸11はモータ軸8とともに高速回転する。
このようにして本可変トルクモータ10では、クラッチ1の動作選択、つまり第二内歯車6を固定するように動作させるか、それともキャリア7を固定するように動作させるか、によって、前者の場合は低速回転高トルクモードで、後者の場合は高速回転低トルクモードで、それぞれ回転出力を得ることができる。すなわち減速機2により、同一出力軸から2種類のトルクを取り出すことができる。よって、高速回転出力が必要な時は不思議遊星歯車機構2と接続せずに単純な遊星歯車機構としてモータ本体9の低減速比出力を利用し、一方、高トルク出力が必要時は、不思議遊星歯車機構2と接続して、高減速比のトルクを得ることができる。
各図に示すように本可変トルクモータ10のクラッチ1は、そのクラッチ作用部1wが、釈放により第二内歯車6を、吸引によりキャリア7をそれぞれ固定するように構成するものとすることができる。これにより、クラッチ1が釈放の場合は第二内歯車6の固定(キャリア7の解放)がなされて減速機2が有効に作用し、上述の低速回転高トルクモードでの運転がなされ、一方、クラッチ1が吸引の場合はキャリア7の固定(第二内歯車6の解放)がなされて減速機2の減速作用が無効となり、上述の高速回転低トルクモードでの運転がなされる。なお、クラッチ1の釈放―吸引と固定対象のパターンを逆にした場合も、本発明の範囲内である。
本発明可変トルクモータ10はたとえば、サーボプレスなどボールねじを用いた機構において、モータを高速で回転させて位置決めを行った後に、即、高トルクで加圧するという動作パターンを実行するのに便利である。すなわち、位置決めまでの移動時は、クラッチ作用部1wをキャリア7に接続して減速機2による減速を行わずにモータ本体9におけるモータ軸8の回転を出力軸11に伝動する高速回転低トルクモード、そして位置決め後の加圧動作時は、クラッチ作用部1wを第二内歯車6に接続して減速機2による減速を行って出力軸11に出力する高速回転低トルクモードで本可変トルクモータ10を運転すればよい。
各モードでの減速機2のギヤ比は、任意に設計することができる。たとえば、クラッチ1w釈放(第二内歯車6固定)による低速回転高トルクモードでは、第一内歯車5(および出力軸11)における出力を、モータ軸8の1/23.57に減速し、一方、クラッチ1w吸引(キャリア7固定)による高速回転低トルクモードでは、第一内歯車5(および出力軸11)における出力を、モータ軸8の1/1.5に減速する仕様などで、上記の位置決め〜加圧の工程を円滑に実行できることを試験済みである。
図3は、図1等に示した本発明可変トルクモータに係る減速機部分の拡大図である。図示するように本可変トルクモータ10の減速機である不思議遊星歯車機構2の遊星歯車4は、第一内歯車5に噛み合う第一遊星歯車4aと、第二内歯車6に噛み合う第二遊星歯車4bとが一体構造となっている二段遊星歯車である。すなわち、太陽歯車3が第二遊星歯車4bを回し、その回転を受けて、一体部品となっている第一遊星歯車4aが回転することで、第一内歯車5が回転する。
本発明可変トルクモータ10のクラッチ1は無励磁作動型とすることができる。従来、停電などによる高速回転時の緊急停止対応としては、無励磁作動型ブレーキを用いることが一般的である。しかし、本可変トルクモータ10の電磁クラッチ1を無励磁作動型とすることにより、停電時にはクラッチ1が釈放される等してクラッチ作用部1wが第二内歯車6に接触してこれを固定し、モータ本体9のモータ軸8は減速機2と接続することになる。すなわちモータ軸8の回転は減速機2による減速作用を受け、モータコギングトルクを利用して停止させることが可能となる。なお、出力軸11の停止トルクは、モータコギングトルクの減速比倍となる。
したがって本可変トルクモータ10は、無励磁作動型ブレーキを用いなくても緊急停止することが可能なのであり、上述のいずれかの構成に加えて無励磁作動型ブレーキが備えられていないことをも特徴とする可変トルクモータもまた、本発明の範囲内である。もっとも、図4に示すように無励磁作動型ブレーキBrを備えた構成の可変トルクモータ210であってもよい。組み合わせ機構の簡素化や装置全体の大型化抑制の要請がさほどない場合、2種類のトルクを同一出力軸から取り出すことができ、緊急停止手段たる無励磁作動型クラッチ21のバックアップを備える構成として有意義である。
なお、クラッチを無励磁作動型とする場合、停電時にはクラッチが吸引される等して第二内歯車6を解放し、減速機構を無効とする作動方式も、本発明の範囲内である。この場合、出力軸11の停止トルクはモータコギングトルクのみとなる。
なおまた、図1等に示すモータのトルク可変構造12もまた、本発明の範囲内である。モータのトルク可変構造12は、上述したいずれかの構成の不思議遊星歯車機構による減速機2とクラッチ1とからなる。クラッチ1の動作により第二内歯車6を固定した場合は低速回転高トルクが出力され、キャリア7を固定した場合は高速回転低トルクが出力され、モータにおいて2種類のトルクを同一出力軸から取り出すことができる。上述の通り、クラッチ1は無励磁作動型とすることができ、この場合は、停電時の出力軸緊急停止が可能である。
本発明の可変トルクモータ、およびモータのトルク可変構造によれば、搭載される装置における組み合わせ機構を簡素化し、全体の大型化を押さえつつ、高速回転低トルク、低速回転高トルクという二種類の出力を一台のモータおよび単一の出力軸によって取り出すことができる上、無励磁作動型ブレーキを用いない緊急停止機構も可能である。したがって、産業用モータを初めとするモータ製造・使用分野、および関連する全分野において、産業上利用性が高い発明である。
1、21…クラッチ
1w、21w…クラッチ作用部
2、22…減速機(不思議遊星歯車機構)
3、23…太陽歯車
4、24…遊星歯車(二段遊星歯車)
4a…第一遊星歯車
4b…第二遊星歯車
5、25…第一内歯車
6、26…第二内歯車
7、27…キャリア
8、28…モータ軸
9、29…モータ本体
10、210…可変トルクモータ
11、211…出力軸
12…トルク可変構造
Br…ブレーキ(無励磁作動型ブレーキ
Rs…レゾルバ(回転検出器)

Claims (7)

  1. 減速機により2種類のトルクを同一出力軸から取り出すことのできる可変トルクモータであって、
    減速機として不思議遊星歯車機構を用い、
    モータ本体と減速機との間にクラッチを設け、
    該不思議遊星歯車機構は
    モータ軸と一体に回転する太陽歯車と、
    該太陽歯車の周りを自転しながら公転する遊星歯車と、
    該遊星歯車と噛み合いかつ該クラッチによる作用を受ける第二内歯車と、
    該遊星歯車と噛み合い該第二内歯車とは歯数が異なっていて出力軸と一体に回転する第一内歯車と、
    および該遊星歯車を収容しかつ該クラッチによる作用を受けるキャリアとからなり、
    該クラッチの動作により該第二内歯車を固定した場合は低速回転高トルクが出力され、該キャリアを固定した場合は高速回転低トルクが出力される
    ことを特徴とする、可変トルクモータ。
  2. 前記遊星歯車は、前記第一内歯車に噛み合う第一遊星歯車と、前記第二内歯車に噛み合う第二遊星歯車とが一体構造となっている二段遊星歯車であることを特徴とする、請求項1に記載の可変トルクモータ。
  3. 前記クラッチは釈放により前記第二内歯車を、吸引により前記キャリアをそれぞれ固定することを特徴とする、請求項1、2のいずれかに記載の可変トルクモータ。
  4. 前記クラッチは無励磁作動型であり、これにより停電時の出力軸緊急停止が可能であることを特徴とする、請求項1、2、3のいずれかに記載の可変トルクモータ。
  5. 無励磁作動型ブレーキが備えられていないことを特徴とする、請求項1、2、3、4のいずれかに記載の可変トルクモータ。
  6. モータにおいて2種類のトルクを同一出力軸から取り出すことのできるトルク可変構造であって、
    不思議遊星歯車機構による減速機と、
    クラッチとからなり、
    該不思議遊星歯車機構は
    モータ軸と一体に回転する太陽歯車と、
    該太陽歯車の周りを自転しながら公転する遊星歯車と、
    該遊星歯車と噛み合いかつ該クラッチによる作用を受ける第二内歯車と、
    該遊星歯車と噛み合い該第二内歯車とは歯数が異なっていて出力軸と一体に回転する第一内歯車と、
    および該遊星歯車を収容しかつ該クラッチによる作用を受けるキャリアとからなり、
    該遊星歯車は該第一内歯車に噛み合う第一遊星歯車と、該第二内歯車に噛み合う第二遊星歯車とが一体構造となっている二段遊星歯車であり、
    該クラッチの動作により該第二内歯車を固定した場合は低速回転高トルクが出力され、該キャリアを固定した場合は高速回転低トルクが出力される
    ことを特徴とする、モータのトルク可変構造。
  7. 前記クラッチは無励磁作動型であり、これにより停電時の出力軸緊急停止を可能とすることを特徴とする、請求項6に記載のモータのトルク可変構造。
JP2020034394A 2020-02-28 2020-02-28 可変トルクモータ、およびモータのトルク可変構造 Active JP7332108B2 (ja)

Priority Applications (1)

Application Number Priority Date Filing Date Title
JP2020034394A JP7332108B2 (ja) 2020-02-28 2020-02-28 可変トルクモータ、およびモータのトルク可変構造

Applications Claiming Priority (1)

Application Number Priority Date Filing Date Title
JP2020034394A JP7332108B2 (ja) 2020-02-28 2020-02-28 可変トルクモータ、およびモータのトルク可変構造

Publications (2)

Publication Number Publication Date
JP2021136855A true JP2021136855A (ja) 2021-09-13
JP7332108B2 JP7332108B2 (ja) 2023-08-23

Family

ID=77661877

Family Applications (1)

Application Number Title Priority Date Filing Date
JP2020034394A Active JP7332108B2 (ja) 2020-02-28 2020-02-28 可変トルクモータ、およびモータのトルク可変構造

Country Status (1)

Country Link
JP (1) JP7332108B2 (ja)

Cited By (2)

* Cited by examiner, † Cited by third party
Publication number Priority date Publication date Assignee Title
DE102022133638A1 (de) * 2022-12-16 2024-06-27 Zf Friedrichshafen Ag Schaltbares Planetengetriebe und Verfahren zum Schalten des Planetengetriebes
JP7618161B2 (ja) 2020-11-25 2025-01-21 多摩川精機株式会社 サーボモータ用クラッチ機構

Citations (3)

* Cited by examiner, † Cited by third party
Publication number Priority date Publication date Assignee Title
JP2010270907A (ja) * 2009-04-23 2010-12-02 Daiken Co Ltd 電磁クラッチ
JP2019120316A (ja) * 2018-01-04 2019-07-22 本田技研工業株式会社 変速機構
JP2019173772A (ja) * 2018-03-27 2019-10-10 本田技研工業株式会社 回転電機装置及びこれを備えた車両

Patent Citations (3)

* Cited by examiner, † Cited by third party
Publication number Priority date Publication date Assignee Title
JP2010270907A (ja) * 2009-04-23 2010-12-02 Daiken Co Ltd 電磁クラッチ
JP2019120316A (ja) * 2018-01-04 2019-07-22 本田技研工業株式会社 変速機構
JP2019173772A (ja) * 2018-03-27 2019-10-10 本田技研工業株式会社 回転電機装置及びこれを備えた車両

Cited By (2)

* Cited by examiner, † Cited by third party
Publication number Priority date Publication date Assignee Title
JP7618161B2 (ja) 2020-11-25 2025-01-21 多摩川精機株式会社 サーボモータ用クラッチ機構
DE102022133638A1 (de) * 2022-12-16 2024-06-27 Zf Friedrichshafen Ag Schaltbares Planetengetriebe und Verfahren zum Schalten des Planetengetriebes

Also Published As

Publication number Publication date
JP7332108B2 (ja) 2023-08-23

Similar Documents

Publication Publication Date Title
US9447830B2 (en) Electric brake actuator for vehicles
CN1866686B (zh) 带有行星齿轮系统的传动系电动机
JP2011208681A (ja) 車両用減速装置
KR20150023606A (ko) 두 개의 입력 특성을 이용한 유성 기어 시스템, 이의 기어 모듈 및 이의 제어방법
JP6928798B2 (ja) トランスミッション、トランスミッションを備えた駆動手段、および駆動手段を操作するための方法
WO2012029756A1 (ja) 多段減速機
KR101408203B1 (ko) 유성기어 방식의 rv감속기
JP2021525349A (ja) パワーシフト可能な多段変速機
JP2021136855A (ja) 可変トルクモータ、およびモータのトルク可変構造
JPS6228549A (ja) 駆動源付き減速装置
KR20180121407A (ko) 기어 전동 장치
JP2020085015A (ja) 車両のギヤトレーン
JP7365714B2 (ja) 回転式変速機構
CN110966356A (zh) 少齿差行星减速器
TW201622313A (zh) 中空式馬達模組
CN104956004B (zh) 工程机械的回转驱动装置
JP2011153717A (ja) 歯車減速機
JP4444894B2 (ja) ギヤドモータのシリーズ及びギヤドモータの製造方法
JP2022083850A (ja) サーボモータ用クラッチ機構
JP2020148216A (ja) 不思議遊星歯車減速機、そのバックドライブ構造、バックドライブ方法、およびロボット
TW201833454A (zh) 自鎖式減速機構
KR102768229B1 (ko) 다중 사이클로이드 감속구조를 갖는 슬림형 사이클로이드 감속기
CN105387147A (zh) 缝盘机上用的微型行星减速器
CN223105212U (zh) 一种新型大速比变速器传动结构
JP2006034366A (ja) 便座装置

Legal Events

Date Code Title Description
A621 Written request for application examination

Free format text: JAPANESE INTERMEDIATE CODE: A621

Effective date: 20221116

TRDD Decision of grant or rejection written
A977 Report on retrieval

Free format text: JAPANESE INTERMEDIATE CODE: A971007

Effective date: 20230712

A01 Written decision to grant a patent or to grant a registration (utility model)

Free format text: JAPANESE INTERMEDIATE CODE: A01

Effective date: 20230802

A61 First payment of annual fees (during grant procedure)

Free format text: JAPANESE INTERMEDIATE CODE: A61

Effective date: 20230802

R150 Certificate of patent or registration of utility model

Ref document number: 7332108

Country of ref document: JP

Free format text: JAPANESE INTERMEDIATE CODE: R150