JP2020184882A - 無線電力送信方法、無線電力受信方法、無線電力送信装置、無線電力受信装置 - Google Patents
無線電力送信方法、無線電力受信方法、無線電力送信装置、無線電力受信装置 Download PDFInfo
- Publication number
- JP2020184882A JP2020184882A JP2020133729A JP2020133729A JP2020184882A JP 2020184882 A JP2020184882 A JP 2020184882A JP 2020133729 A JP2020133729 A JP 2020133729A JP 2020133729 A JP2020133729 A JP 2020133729A JP 2020184882 A JP2020184882 A JP 2020184882A
- Authority
- JP
- Japan
- Prior art keywords
- wireless power
- receiving device
- power transmission
- transmitting device
- power
- Prior art date
- Legal status (The legal status is an assumption and is not a legal conclusion. Google has not performed a legal analysis and makes no representation as to the accuracy of the status listed.)
- Granted
Links
Images
Classifications
-
- H—ELECTRICITY
- H04—ELECTRIC COMMUNICATION TECHNIQUE
- H04B—TRANSMISSION
- H04B5/00—Near-field transmission systems, e.g. inductive or capacitive transmission systems
- H04B5/20—Near-field transmission systems, e.g. inductive or capacitive transmission systems characterised by the transmission technique; characterised by the transmission medium
- H04B5/24—Inductive coupling
- H04B5/26—Inductive coupling using coils
- H04B5/263—Multiple coils at either side
-
- H—ELECTRICITY
- H01—ELECTRIC ELEMENTS
- H01F—MAGNETS; INDUCTANCES; TRANSFORMERS; SELECTION OF MATERIALS FOR THEIR MAGNETIC PROPERTIES
- H01F38/00—Adaptations of transformers or inductances for specific applications or functions
- H01F38/14—Inductive couplings
-
- H—ELECTRICITY
- H02—GENERATION; CONVERSION OR DISTRIBUTION OF ELECTRIC POWER
- H02J—CIRCUIT ARRANGEMENTS OR SYSTEMS FOR SUPPLYING OR DISTRIBUTING ELECTRIC POWER; SYSTEMS FOR STORING ELECTRIC ENERGY
- H02J50/00—Circuit arrangements or systems for wireless supply or distribution of electric power
- H02J50/10—Circuit arrangements or systems for wireless supply or distribution of electric power using inductive coupling
- H02J50/12—Circuit arrangements or systems for wireless supply or distribution of electric power using inductive coupling of the resonant type
-
- H—ELECTRICITY
- H02—GENERATION; CONVERSION OR DISTRIBUTION OF ELECTRIC POWER
- H02J—CIRCUIT ARRANGEMENTS OR SYSTEMS FOR SUPPLYING OR DISTRIBUTING ELECTRIC POWER; SYSTEMS FOR STORING ELECTRIC ENERGY
- H02J50/00—Circuit arrangements or systems for wireless supply or distribution of electric power
- H02J50/80—Circuit arrangements or systems for wireless supply or distribution of electric power involving the exchange of data, concerning supply or distribution of electric power, between transmitting devices and receiving devices
-
- H—ELECTRICITY
- H04—ELECTRIC COMMUNICATION TECHNIQUE
- H04B—TRANSMISSION
- H04B5/00—Near-field transmission systems, e.g. inductive or capacitive transmission systems
- H04B5/70—Near-field transmission systems, e.g. inductive or capacitive transmission systems specially adapted for specific purposes
- H04B5/79—Near-field transmission systems, e.g. inductive or capacitive transmission systems specially adapted for specific purposes for data transfer in combination with power transfer
-
- H—ELECTRICITY
- H02—GENERATION; CONVERSION OR DISTRIBUTION OF ELECTRIC POWER
- H02J—CIRCUIT ARRANGEMENTS OR SYSTEMS FOR SUPPLYING OR DISTRIBUTING ELECTRIC POWER; SYSTEMS FOR STORING ELECTRIC ENERGY
- H02J50/00—Circuit arrangements or systems for wireless supply or distribution of electric power
- H02J50/40—Circuit arrangements or systems for wireless supply or distribution of electric power using two or more transmitting or receiving devices
-
- H—ELECTRICITY
- H02—GENERATION; CONVERSION OR DISTRIBUTION OF ELECTRIC POWER
- H02J—CIRCUIT ARRANGEMENTS OR SYSTEMS FOR SUPPLYING OR DISTRIBUTING ELECTRIC POWER; SYSTEMS FOR STORING ELECTRIC ENERGY
- H02J50/00—Circuit arrangements or systems for wireless supply or distribution of electric power
- H02J50/60—Circuit arrangements or systems for wireless supply or distribution of electric power responsive to the presence of foreign objects, e.g. detection of living beings
-
- H—ELECTRICITY
- H02—GENERATION; CONVERSION OR DISTRIBUTION OF ELECTRIC POWER
- H02J—CIRCUIT ARRANGEMENTS OR SYSTEMS FOR SUPPLYING OR DISTRIBUTING ELECTRIC POWER; SYSTEMS FOR STORING ELECTRIC ENERGY
- H02J7/00—Circuit arrangements for charging or depolarising batteries or for supplying loads from batteries
-
- H—ELECTRICITY
- H02—GENERATION; CONVERSION OR DISTRIBUTION OF ELECTRIC POWER
- H02J—CIRCUIT ARRANGEMENTS OR SYSTEMS FOR SUPPLYING OR DISTRIBUTING ELECTRIC POWER; SYSTEMS FOR STORING ELECTRIC ENERGY
- H02J7/00—Circuit arrangements for charging or depolarising batteries or for supplying loads from batteries
- H02J7/00032—Circuit arrangements for charging or depolarising batteries or for supplying loads from batteries characterised by data exchange
- H02J7/00034—Charger exchanging data with an electronic device, i.e. telephone, whose internal battery is under charge
Landscapes
- Engineering & Computer Science (AREA)
- Computer Networks & Wireless Communication (AREA)
- Power Engineering (AREA)
- Signal Processing (AREA)
- Charge And Discharge Circuits For Batteries Or The Like (AREA)
- Current-Collector Devices For Electrically Propelled Vehicles (AREA)
Abstract
能動的な電力伝送が可能な無線電力伝送技術を提供するためのものである。
【解決手段】本発明の一実施形態に従う無線電力送信装置が無線電力受信装置に電力を伝
送する無線電力伝送方法は、上記無線電力受信装置の識別のための連結信号を伝送するス
テップ、上記無線電力受信装置から上記連結信号に対する応答信号を受信して上記無線電
力受信装置を識別するステップ、上記識別された無線電力受信装置と電力伝送条件を折衷
するステップ、及び上記折衷された電力伝送条件によって上記識別された無線電力受信装
置に電力を伝送するステップを含む。
【選択図】図6
Description
置に関するものであって、無線電力送信装置と無線電力受信装置との間の電力伝送状況に
よって能動的な電力伝送が可能な無線電力伝送技術に関するものである。
nsmissionまたはwireless energy transfer)は既に1800年代に電磁気誘導原理を用
いた電気モーターや変圧器が使われ始めて、その後にはラジオ波やレーザーのような電磁
波を放射して電気エネルギーを伝送する方法も試みられた。私達がよく使用する電動歯ブ
ラシや一部の無線カミソリも実際は電磁気誘導原理により充電される。現在まで無線方式
によるエネルギー伝達方式は、磁気誘導、共振及び短波長無線周波数を用いた遠距離送信
技術などがある。
電力伝送環境を能動的に把握することはできなかった。したがって、より効率的で、かつ
能動的な電力伝送のためには、送信側と受信側との相互間の状態情報を共有する両方向通
信が必要である。
情報を送受信して、能動的で、かつ効率的に電力伝送を遂行することができる無線電力送
信方法、無線電力受信方法、無線電力送信装置、無線電力受信装置を提供することにある
。
装置に無線で電力を送信する無線電力送信装置の無線電力送信方法であって、第1可用電
力を含む第1無線電力送信装置の第1状態情報を送信する段階;第1可用電力範囲内で決
定された第1要求電力が含まれた第1無線電力受信装置の第1状態情報を受信する段階;
第1無線電力受信装置の第1状態情報に基づいて決定された電力を第1無線電力受信装置
に送信する第1電力送信段階;第2可用電力を含む第1無線電力送信装置の第2状態情報
を送信する段階;第2可用電力範囲内で決定された第2要求電力が含まれた第1無線電力
受信装置の第2状態情報を受信する段階;及び第1無線電力受信装置の第2状態情報に基
づいて決定された電力を第1無線電力受信装置に送信する第2電力送信段階;を含む。第
1無線電力送信装置の第2状態情報は、第1無線電力送信装置の状態が変更された場合に
送信する。
線で電力を受信する無線電力受信装置の無線電力受信方法であって、第1可用電力を含む
第1無線電力送信装置の第1状態情報を受信する段階;第1可用電力範囲内で第1要求電
力を決定する段階;第1要求電力が含まれた第1無線電力受信装置の第1状態情報を送信
する段階;第1無線電力受信装置の第1状態情報に基づいて決定された電力を第1無線電
力送信装置から受信する第1電力受信段階;第2可用電力を含む第1無線電力送信装置の
第2状態情報を受信する段階;第2可用電力範囲内で第2要求電力を決定する段階;第2
要求電力が含まれた第1無線電力受信装置の第2状態情報を送信する段階;及び第1無線
電力受信装置の第2状態情報に基づいて決定された電力を第1無線電力送信装置から受信
する第2電力受信段階を含む。第1無線電力送信装置の第2状態情報は、第1無線電力送
信装置の状態が変更された場合に受信される。
に無線で電力を送信する無線電力送信装置であって、第1可用電力を含む第1無線電力送
信装置の第1状態情報を送信し、第1可用電力範囲内で決定された第1要求電力が含まれ
た第1無線電力受信装置の第1状態情報を受信する協商部;及び第1無線電力受信装置の
第1状態情報に基づいて決定された電力を第1無線電力受信装置に送信するようにする制
御部;を含む。協商部は、第2可用電力を含む第1無線電力送信装置の第2状態情報を送
信し、第2可用電力範囲内で決定された第2要求電力が含まれた第1無線電力受信装置の
第2状態情報を受信し、制御部は、第1無線電力受信装置の第2状態情報に基づいて決定
された電力を第1無線電力受信装置に送信するようにし、協商部は、第1無線電力送信装
置の第2状態情報を第1無線電力送信装置の状態が変更された場合に送信する。
から無線で電力を受信する無線電力受信装置であって、第1可用電力を含む第1無線電力
送信装置の第1状態情報を受信し、第1可用電力範囲内で第1要求電力を決定し、第1要
求電力が含まれた第1無線電力受信装置の第1状態情報を送信する協商部;及び第1無線
電力受信装置の第1状態情報に基づいて決定された電力を第1無線電力送信装置から受信
するようにする制御部;を含む。協商部は、第2可用電力を含む第1無線電力送信装置の
第2状態情報を受信し、第2可用電力範囲内で第2要求電力を決定し、第2要求電力が含
まれた第1無線電力受信装置の第2状態情報を送信し、制御部は、第1無線電力受信装置
の第2状態情報に基づいて決定された電力を第1無線電力送信装置から受信するようにし
、協商部は、第1無線電力送信装置の第2状態情報を第1無線電力送信装置の状態が変更
された場合に受信する。
用いて、能動的で、かつ効率的な電力伝送が遂行できる。
る。
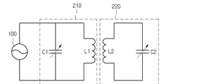
0、無線電力受信装置300、及び負荷400を含む。
部330を含む。
30の両端に連結される。一実施形態において、負荷400は無線電力受信装置300に
含まれる。
装置200に伝えられた電力は共振現象により無線電力送信装置200と共振をなす、即
ち、共振周波数値が同一な無線電力受信装置300に伝えられる。
伝達する。
導コイル210は給電装置100から供給された電力により交流電流が流れれば、電磁気
誘導により物理的に離隔している送信共振コイル220にも交流電流が誘導される。
と共振回路をなす無線電力受信装置300に伝えられる。
。このような共振による電力伝送は電磁気誘導による電力伝送より遠い距離まで、より高
い効率で電力伝達を可能にする。
された電力により受信共振コイル310には交流電流が流れる。受信共振コイル310に
伝えられた電力は電磁気誘導により受信共振コイル310と誘導結合された受信誘導コイ
ル320に伝えられる。受信誘導コイル320に伝えられた電力は整流部330を通じて
整流されて負荷400に伝えられる。
0の受信共振コイル310に電力を伝送することができる。具体的に、送信共振コイル2
20と受信共振コイル310とは共振周波数で動作するように共振結合されている。
200と無線電力受信装置300との間の電力伝送効率は格段に向上できる。
)は重要な意味を有する。即ち、電力伝送効率は品質指数及び結合係数が大きい値を有す
るほど向上できる。
0の付近に蓄積できるエネルギーの指標を意味する。
よって変わることができる。品質指数は、数式でQ=w*L/Rのように表現できる。L
はコイルのインダクタンスであり、Rはコイル自体で発生する電力損失量に該当する抵抗
を意味する。
いほど無線電力送信装置200と無線電力受信装置300との間の電力伝送効率が向上で
きる。
の程度を意味するものであって、0から1の範囲を有する。
や距離などによって変わることができる。
り、これらにより適切なインダクタンスとキャパシタンス値を有する回路を構成するよう
になる。
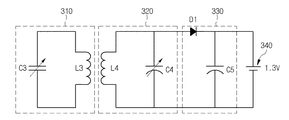
等価回路で構成される。即ち、送信誘導コイル210はインダクタL1とキャパシタC1
が並列に連結された等価回路で構成される。
が調節されることによってインピーダンスマッチングが遂行できる。送信共振コイル22
0、受信共振コイル310、及び受信誘導コイル320の等価回路も図2に図示されたも
のと同一でありうる。
路図である。
ダクタンス値とキャパシタンス値を有するインダクタL1、L2とキャパシタC1、C2
とからなる。
ダクタンス値とキャパシタンス値を有するインダクタL3、L4とキャパシタC3、C4
とからなる。
、変換された直流電力を負荷400に伝達することができる。
シリコン整流器が使われることができ、図4に示すように、ダイオードD1により等価化
できる。
できる。
電力を出力することができる。一実施形態において、平滑回路は図4に示すように、整流
キャパシタC5が使われることができるが、これに限定されるものではない。
荷400はバッテリーを意味する。
電子機器に装着できる。
アウトオブバンド(out of band)通信を用いて情報を交換することができる。
置200と無線電力受信装置300との間の情報を交換する通信を意味する。無線電力受
信装置300はスイッチをさらに含むことができ、上記スイッチのスイッチング動作を通
じて無線電力送信装置200から送信される電力を受信したり、受信しないことがある。
これによって、無線電力送信装置200は無線電力送信装置200で消耗される電力量を
検出して無線電力受信装置300に含まれたスイッチのオンまたはオフシーン号を認識す
ることができる。
変化させて無線電力送信装置200で消耗される電力を変更させることができる。無線電
力送信装置200は、上記消耗される電力の変化を感知して無線電力受信装置300の状
態情報を獲得することができる。スイッチと抵抗とは直列に連結できる。一実施形態にお
いて、無線電力受信装置300の状態情報は、無線電力受信装置300の現在充電量、充
電量の推移に対する情報を含む。
無線電力送信装置200で消耗される電力も減少する。
200で消耗される電力は増加する。無線電力受信装置で、このような動作を繰り返すと
、無線電力送信装置200は無線電力送信装置200で消耗される電力を検出して無線電
力受信装置300とディジタル通信を遂行することができる。
報を受信し、それに適した電力を送信することができる。
置200の状態情報を無線電力受信装置300に伝送することも可能である。
が伝送することができる最大供給電力量、無線電力送信装置200が電力を提供している
無線電力受信装置300の個数、及び無線電力送信装置200の可用電力量に対する情報
を含む。
必要な情報を交換する通信をいう。無線電力送信装置200と無線電力受信装置300と
はアウトオブバンド通信モジュールを装着して電力伝送に必要とする情報を交換すること
ができる。上記アウトオブバンド通信モジュールは給電装置に装着されることもできる。
一実施形態において、アウトオブバンド通信モジュールは、ブルートゥース、ジグビー、
無線LAN、NFC(Near Field Communication)のような近距離通信方式を使用するこ
とができるが、これに限定されるものではない。
無線電力受信装置、無線電力伝送方法、無線電力受信方法、情報伝送方法、及び情報受信
方法を図1乃至図4の内容に結び付けて説明する。
ロック図である。
260を含む。また、図1に図示した送信誘導コイル210及び送信共振コイル220を
さらに含む。
び制御部380を含む。また、図1に図示した受信共振コイル310、受信誘導コイル3
20、整流回路330、及び負荷400をさらに含む。
無線電力受信装置300を検出し、識別するための電力信号を意味する。送信部230は
無線電力受信装置300を検出するために周期的に連結信号を伝送することができる。
る。識別部240が連結信号に対する応答信号を受信できない場合、該当無線電力受信装
置300に連結信号の送信を中断する。一実施形態において、識別部240が応答信号を
受信できない場合とは、電力伝送が可能な物体でない他の物体、例えば、キー、小銭など
の物体に連結信号を伝送して応答信号を受信できない場合でありうる。
された無線電力受信装置300と折衷することができる。一実施形態において、電力伝送
条件とは、無線電力送信装置200と無線電力受信装置300との間の電力伝送または電
力中断のために相互間に備えるべき要素を意味する。上記電力伝送条件が相互間に合うか
否かによって電力伝送がなされることも、なされないこともある。
を伝送するようにする。
情報を伝送して識別された無線電力受信装置300が上記無線電力送信装置200の状態
情報に基づいて特定の状態情報を決めるようにし、識別された無線電力受信装置300か
ら決まった特定の状態情報を受信する。
ることができる最大電力量に対する情報、無線電力送信装置200が提供している無線電
力受信装置300の個数に対する情報、及び無線電力送信装置200に対する識別情報を
含む。
充電量または充電量の推移に対する情報を含む。
無線電力受信装置300の状態情報に基づいて特定の状態情報を決定し、制御部260は
特定の状態情報に対応する電力を識別された無線電力受信装置300に伝送するようにす
る。
して識別された無線電力受信装置300が可用電力量の範囲内で要求電力量を決めるよう
にする。その後、無線電力受信装置300が要求電力量を決定すれば、折衷部250は要
求電力量を受信する。制御部260は要求電力量に該当する電力を無線電力受信装置30
0に伝送する。
伝送状態を把握して能動的な電力伝送が遂行できる。
び制御部380を含む。また、図1に図示した受信共振コイル310、受信誘導コイル3
20、整流回路330、及び負荷400をさらに含む。
に伝送することができる。
力受信装置300は折衷された結果によって無線電力送信装置200から電力を受信する
ことができる。
送信装置200の状態情報に基づいて特定の状態情報を決定し、上記無線電力送信装置2
00に上記決まった特定の状態情報を無線電力送信装置200に送信することができ、無
線電力受信装置300は特定の状態情報に対応する電力を上記無線電力送信装置200か
ら受信することができる。
伝送状態を把握して能動的な電力伝送が遂行できる。
誘導による無線電力伝送にも適用可能である。
00に電流量を変化させるための構成、例えば、可変抵抗とスイッチによるインバンド通
信またはアウトオブバンド通信を通じて具現可能である。インバンド通信及びアウトオブ
バンド通信に対する説明は図1で説明したものと同一である。
送する(S101)。一実施形態において、連結信号は無線電力受信装置300を検出し
、識別するための電力信号を意味する。無線電力送信装置200は無線電力受信装置30
0を検出するために周期的に連結信号を伝送することができる。
送する(S103)。その後、無線電力送信装置200は上記連結信号に対する応答信号
を受信して無線電力受信装置300を識別する。
無線電力受信装置300に連結信号の送信を中断する。一実施形態において、無線電力送
信装置200が応答信号を受信できない場合とは、電力伝送が可能な物体でない他の物体
、例えば、キー、小銭などの物体に連結信号を伝送して応答信号を受信できない場合であ
りうる。
力受信装置300に電力伝送条件を折衷する(S105)。
S107)、無線電力送信装置200は折衷された電力伝送条件によって識別された無線
電力受信装置300に電力を伝送する(S109)。
105)は、上記識別された無線電力受信装置300に上記無線電力送信装置200の状
態情報を伝送して上記識別された無線電力受信装置300が上記無線電力送信装置200
の状態情報に基づいて特定の状態情報を決めるようにするステップと、上記識別された無
線電力受信装置300から上記特定の状態情報を受信するステップとを含む。
線電力送信装置200は、識別された無線電力受信装置300に可用電力量を伝送して上
記識別された無線電力受信装置300が上記可用電力量の範囲内で要求電力量を決めるよ
うにする。その後、識別された無線電力受信装置300が要求電力量を決定すれば、無線
電力送信装置200は上記要求電力量を受信する。その後、無線電力送信装置200は要
求電力量に該当する電力を識別された無線電力受信装置300に伝送する。
こで、無線電力送信装置200は複数の無線電力受信装置300に無線で電力を伝送して
いることを例に挙げて説明する。
装置300に電力を提供する優先順位に対する情報を伝送し、識別された無線電力受信装
置300が優先順位に対する情報内で決まった優先順位を受け入れるか否かを決めるよう
にする。その後、識別された無線電力受信装置300が定まった優先順位を受け入れれば
、無線電力送信装置200は定まった優先順位によって電力を伝送する。
こでは、複数の無線電力送信装置200が存在する場合を例に挙げて説明する。各無線電
力送信装置200は、識別された無線電力受信装置300に各無線電力送信装置200の
識別情報を伝送し、識別された無線電力受信装置300が複数の無線電力送信装置200
のうちのいずれか1つを決めるようにする。その後、識別された無線電力受信装置300
が特定の無線電力送信装置200を選択すれば、選択された無線電力送信装置200は無
線電力受信装置300から選択要請信号を受信して識別された無線電力受信装置300に
電力を伝送する。
0の状態情報を要請し、上記要請に対応する上記無線電力受信装置300の状態情報を無
線電力送信装置200に伝送することを意味する。反対に、折衷ステップは無線電力受信
装置300が無線電力送信装置200の状態情報を要請し、上記要請に対応する上記無線
電力送信装置200の状態情報を無線電力受信装置300に伝送することを意味する。
00との間に互いに持っている状態情報を用いて電力を伝送するか否かを決めることを意
味する。
200が電力を提供している無線電力受信装置300の個数に対する情報を意味する。
毎に各固有識別番号が与えられた場合、特定の無線電力送信装置200が電力を提供する
無線電力受信装置300の固有識別番号に対する情報を意味する。
に提供している電力量に対する情報を意味する。
300に電力を提供するに当たって、各無線電力受信装置300に電力を提供する優先順
位に対する情報を意味する。
300に電力を提供するに当たって、各無線電力受信装置300に提供している差等的な
電力提供割合に対する情報を意味する。例えば、特定の無線電力送信装置200が3個の
無線電力受信装置300に電力を提供している場合、50%、30%、20%の差等的な
割合で3個の無線電力受信装置300に電力を提供している場合を意味する。
の現在充電量または充電量の推移に対する情報でありうる。
がどの無線電力送信装置200から電力を受信していているかに対する情報を意味する。
即ち、電力の提供を受ける無線電力送信装置に対する識別情報を意味する。
S107)、無線電力送信装置200は折衷された電力伝送条件によって識別された無線
電力受信装置300に電力を伝送する(S109)。
折衷ステップ(S105)で戻ったり、電力伝送を中断する。
信装置200が供給することができる電力量の変更に対する情報を意味する。この場合、
外部の要因により無線電力送信装置200が提供することができる電力量が減少すれば、
無線電力送信装置200は電力の提供を中断し、折衷ステップ(S105)に入って無線
電力送信装置200と無線電力受信装置300との間の電力伝送量を調整する折衷を遂行
する。その後、調整された電力伝送量によって折衷が成功されれば電力伝送がなされて、
そうでない場合にはまた折衷ステップS105に入る。仮に、無線電力送信装置200に
給電が切れたり、無線電力受信装置300の充電が完了した場合には電力伝送を終了する
。
信装置200が電力を提供している無線電力受信装置300の個数が変更されることに対
する情報を意味する。
折衷ステップ(S105)に戻ったり、電力伝送を中断する。
力送信装置200が伝送している無線電力受信装置300の以外の新たな無線電力受信装
置300が検出される場合を意味する。
イヤグラムである。
2、203に状態情報を要請する(S201)。図7には3個の無線電力送信装置201
、202、203のみ図示されているが、これに限定されるものではない。各無線電力送
信装置201、202、203は、図5で説明した無線電力送信装置200の構成を全て
含む。ここで、状態情報は、無線電力送信装置が伝送することができる最大供給電力量、
無線電力送信装置が電力を提供している無線電力受信装置300の個数、及び無線電力送
信装置の可用電力量を含むが、これに限定されるものではない。
、203は、インバンドまたはアウトオブバンド通信を通じて情報を送受信することがで
きる。
、203からそれぞれの状態情報を受信する(S203)。
態情報に基づいて状態リストを生成する(S205)。一実施形態において、状態リスト
は各無線電力送信装置201、202、203の状態情報を収集して生成されたリストで
ありうる。上記状態リストは、<表1>を通じてより詳細に説明する。
した状態情報に基づいて生成した状態リストの例を表す。また、図示してはいないが、無
線電力送信装置200は自身の状態情報を含んで状態リストを生成することもできる。
電力受信装置300に電力を供給している。また、無線電力送信装置(A)は20Wの可
用電力量が残っていることを意味する。ここで、可用電力量は無線電力送信装置200が
現在提供している多数の無線電力受信装置300の以外の他の無線電力受信装置300に
提供することができる電力量を意味する。また、無線電力送信装置(A)が提供している
4個の無線電力受信装置300の各要求電力量は一定の電力量に限定されるものではなく
、各々異なることがある。
3毎に異なることがある。
300に電力を供給している。また、無線電力送信装置(B)の可用電力量は15Wであ
る。また、無線電力送信装置(B)が提供している5個の無線電力受信装置300の各要
求電力量は一定の電力量に限定されるものではなく、異なることがある。
300に電力を供給している。また、無線電力送信装置(C)の可用電力量は30Wであ
る。無線電力送信装置(C)が提供している6個の無線電力受信装置300の各要求電力
量は一定の電力量に限定されるものではなく、異なることがある。
要請を受信する(S207)。一実施形態において、無線電力送信装置200と無線電力
受信装置300とはインバンド通信またはアウトオブバンド通信を用いて情報を送受信す
ることができる。
00に状態リストを伝送する(S209)。
に複数の無線電力送信装置201、202、203のうち、1つ以上の無線電力送信装置
を選択する(S211)。即ち、無線電力受信装置300は各無線電力送信装置の状態情
報である最大供給電力量、各無線電力送信装置が電力を提供している無線電力受信装置の
個数、及び各無線電力送信装置の可用電力量を考慮して1つ以上の無線電力送信装置を選
択することができる。
2、203のうち、可用電力量の最も多い無線電力送信装置203を選択することができ
る。即ち、これは、無線電力受信装置300が25wの電力量を必要として25wの電力
量を提供してくれることができる場合でありうる。しかしながら、これに限定されるもの
ではなく、無線電力受信装置300は2つの無線電力送信装置201、203を選択する
こともできる。
2、203のうち、電力を提供している無線電力受信装置の個数が最も少ない無線電力送
信装置(A)を選択することもできる。
た無線電力送信装置を選択することができる。
報を無線電力送信装置200に伝送する(S213)。ここで、選択情報は、無線電力受
信装置300が複数の無線電力送信装置201、202、203のうち、どれを選択した
かに対する情報を含む。具体的に、複数の無線電力送信装置201、202、203の各
々が識別記号(A、B、C)を含む場合、選択情報は上記識別記号に対する情報を含む。
装置201に電力伝送要請を伝送する(S215)。図7では無線電力送信装置201に
電力伝送要請を伝送することとなっているが、これに限定されるものではない。
217)。一実施形態において、選択された無線電力送信装置201は電磁気誘導または
共振を用いて無線電力受信装置300に無線で電力を伝送することができる。
00とは両方向通信を通じて相互間の情報を共有して電力状況に合う能動的な電力伝送を
遂行することができる。これによって、相互間の電力伝送が効率的になされることができ
る。
の状態遷移図を説明する。
まず、無線電力送信装置200と無線電力受信装置300とを含んだ無線電力伝送シス
テムは第1モードM1にある。一実施形態において、第1モードM1は選択モードであり
うる。上記第1モードで、無線電力送信装置200は一般的に物体の除去及び配置に対す
るインターフェース領域を管理することができる。
探すための試みを遂行しなければならない。さらに、無線電力送信装置200は電力を受
信することができる無線電力受信装置300とその他の外部の物体(例えば、キー、小銭
などの物体)を区別するための試みを行うことができる。
試みを遂行しなければならない。このような目的を達成するために、無線電力送信装置2
00が初期に充分な情報を持っていなければ、無線電力送信装置200は後述する連結モ
ード及びそれに連続して識別と設定モードとを繰り返して進行し、関連された情報を収集
した後、選択ステップに遷移することができる。
一実施形態において、第2モードM2は連結モードでありうる。一実施形態において、
第2モードM2は無線電力送信装置200と無線電力受信装置300との間の通信を遂行
するために基本的な準備ができた状態でありうる。
置300を発見した場合、無線電力受信装置300に電力を伝送するための第2モードM
2に遷移する。即ち、無線電力受信装置300の存在が認識された場合、無線電力伝送シ
ステムは第2モードに遷移して、無線電力受信装置300に連結信号を伝送することがで
きる。上記連結信号は無線電力受信装置300の状態情報を受信するために無線電力送信
装置200が無線電力受信装置300に伝送する接続信号でありうる。
号を受信できない場合、連結信号の送信を中断し、第1モードM1に遷移する。仮に、無
線電力送信装置200が無線電力受信装置300から負荷(または、バッテリー)400
が十分に充電されているという応答信号を受信した場合、無線電力送信装置200は電力
伝送を終了する。
要請する応答信号を受信した場合、無線電力送信装置200は追加的な連結信号を新たな
無線電力受信装置300に送信することができる。追加的な連結信号は新たな無線電力受
信装置300を検出するための信号を意味する。
線電力受信装置300を検出する動作を止める。
第2モードM2で、無線電力送信装置200が無線電力受信装置300に連結信号に対
する応答信号を受信した場合、無線電力受信装置300の識別情報及び状態情報を収集す
る第3モードM3に遷移する。一実施形態において、第3モードM3は識別及び設定モー
ドでありうる。ここで、無線電力受信装置300の識別情報は無線電力受信装置300の
種類、機種、モデルなどの情報を意味するが、これに限定されるものではない。無線電力
受信装置300の状態情報は、負荷(または、バッテリー)400に提供することができ
る最大電力量(または、最大充電量)、負荷(または、バッテリー)400に残っている
現在電力量などを意味するが、これに限定されるものではない。無線電力送信装置200
は、無線電力受信装置300と電力伝送条件を生成するために、無線電力受信装置300
の識別情報及び状態情報を用いる。電力伝送条件という、無線電力送信装置200から無
線電力受信装置300への電力伝送を特性化するための条件の集合を意味する。
実施形態において、電力伝送条件に対する制約は電力伝送条件が成立しない場合を意味す
る。一実施形態において、電力伝送条件に対する制約は予想できなかったデータパケット
が無線電力送信装置200と無線電力受信装置300との間に伝送されることを意味する
。一実施形態において、電力伝送条件に対する制約は、時間超過のような状況を意味する
。時間超過は電力を受信する無線電力受信装置300が除去された後、一定時間が経った
後、電力伝送を中断する場合を含む。
された状態で、無線電力送信装置200は無線電力受信装置300と関連した状態情報を
無線電力受信装置300に伝送し、また第3モードM3に遷移することができる。一実施
形態において、無線電力送信装置200の状態情報は、1つの無線電力送信装置200が
電力を提供している無線電力受信装置300の個数に対する情報を意味する。
毎に各固有識別番号が与えられた場合、特定の無線電力送信装置200が電力を提供する
無線電力受信装置300の固有識別番号に対する情報を意味する。
に提供している電力量に対する情報を意味する。
に電力を提供するに当たって、各無線電力受信装置300に電力を提供する優先順位に対
する情報を意味する。
に電力を提供するに当たって、各無線電力受信装置300に提供している差等的な電力提
供割合に対する情報を意味する。例えば、特定の無線電力送信装置200が3個の無線電
力送信装置300に電力を提供している場合、50%、30%、20%の割合で差等的に
無線電力受信装置300に電力を提供しているという情報をいう。
1モードM1に遷移することができる。即ち、特定の無線電力送信装置200が5個の無
線電力受信装置300に電力を提供する場合、新たな無線電力受信装置300が検出され
れば、新しく検出された無線電力受信装置300に電力を伝送できないように第1モード
M1に遷移する。
第3モードM3で、電力伝送条件が成立した場合、無線電力伝送システムは第4モード
M4に遷移することができる。一実施形態において、第4モードM4は無線電力送信装置
200が無線電力受信装置に電力を伝送している状態を意味する。一実施形態において、
第4モードM4は無線電力送信装置200が無線電力受信装置300から受信した情報に
対応してコイルに流れる電流を調節しながら無線電力受信装置300に電力を伝送するス
テップでありうる。
電力送信装置200は無線電力受信装置300への電力伝送を中断させ、第1モードM1
に遷移する。一実施形態において、電力伝送条件に対する制約は電力伝送条件が成立しな
い場合を意味する。一実施形態において、電力伝送条件に対する制約は予想できなかった
データパケットが無線電力送信装置200と無線電力受信装置300との間に伝送される
ことを意味する。一実施形態において、電力伝送条件に対する制約は時間超過のような状
況を意味する。時間超過は電力を受信する無線電力受信装置300が除去された後、一定
時間が経った後、電力伝送を中断する場合を含む。
信装置300の負荷(または、バッテリー)400が十分に充電されているという応答信
号を受信した場合、無線電力送信装置300は電力伝送を終了し、第1モードM1に遷移
する。
に遷移することができる。
送信装置200が無線電力受信装置300に電力を伝送している過程で新たな無線電力受
信装置300が検出された場合を意味する。この場合、無線電力伝送システムは第4モー
ドM4から第3モードM3に遷移する。その後、無線電力送信装置200は無線電力受信
装置300の識別情報及び状態情報を収集するための作業を遂行し、無線電力伝送条件が
成立した場合、また第4モードM4に遷移する。仮に、無線電力伝送条件に制約が発生し
た場合、第1モードM1に遷移する。
送信装置200が電力を提供することができる無線電力受信装置300の個数を超過して
新たな少なくとも1つ以上の無線電力受信装置300が検出された場合を意味する。この
場合、無線電力伝送システムは第4モードM4から第3モードM3に遷移する。その後、
無線電力送信装置200は無線電力受信装置300の識別情報及び状態情報を収集するた
めの作業を遂行し、無線電力送信装置200が提供することができる範囲の個数を超過し
た無線電力受信装置300においては第1モードM1に遷移する。
第4モードM4で、無線電力伝送システムは無線電力送信装置200と無線電力受信装
置300とは相互間の情報を共有するために第5モードM5に遷移することができる。
一実施形態において、第5モードM5は無線電力送信装置200と無線電力受信装置30
0との間の電力伝送を遂行しながら各自の変更される状態に対する情報を共有するモード
でありうる。
が変更されたり、無線電力送信装置200が供給することができる電力量が変更される状
態などの情報を意味する。
力送信装置200が電力を提供している無線電力受信装置300の個数の変更に対する情
報を意味する。
装置300毎に各固有識別番号が与えられた場合、特定の無線電力送信装置200が電力
を提供する無線電力受信装置300の固有識別番号に対する情報の変更を意味する。
受信装置300に提供することができる電力量に対する情報を意味する。
装置300に電力を提供するに当たって、各無線電力受信装置300に電力を提供する優
先順位に対する情報を意味する。
装置300に電力を提供するに当たって、各無線電力受信装置300に提供している差等
的な電力提供割合に対する情報を意味する。例えば、特定の無線電力送信装置200が3
個の無線電力送信装置300に電力を提供している場合、50%、30%、20%の割合
で差等的に無線電力受信装置300に電力を提供している状況で各無線電力受信装置30
0の充電量によって割合を30%、50%、20%に変更することに対する情報を意味す
る。
実施形態において、電力伝送条件に対する制約は電力伝送条件が不成立する場合を意味す
る。一実施形態において、電力伝送条件に対する制約は予想できなかったパケットが無線
電力送信装置200と無線電力受信装置300との間に伝送されることを意味する。一実
施形態において、電力伝送条件に対する制約は時間超過のような状況を意味する。時間超
過は電力を受信する無線電力受信装置300が除去された後、一定時間が経った後、電力
伝送を中断する場合を含む。
無線電力送信装置200は無線電力受信装置300と関連した状態情報を無線電力受信装
置300に伝送し、また第5モードM5に遷移することができる。
信装置300の負荷(または、バッテリー)400が十分に充電されているという応答信
号を受信した場合、無線電力送信装置300は電力伝送を終了し、第1モードM1に遷移
する。
に遷移することができる。
送信装置200が無線電力受信装置300に電力を伝送し、両方向通信を遂行している過
程で新たな無線電力受信装置300が検出された場合を意味する。
後、無線電力送信装置200は新たな無線電力受信装置300の識別情報及び状態情報を
収集するための作業を遂行し、無線電力伝送条件が成立した場合、また第5モードM5に
遷移する。仮に、無線電力伝送条件に制約が発生した場合、第1モードM1に遷移する。
信を用いた無線電力伝送方法、無線電力受信方法、及び電力制御方法は、電磁気誘導、R
F方式などを用いた他の無線電力伝送にも適用可能である。
の実施形態に限定されるものではなく、請求範囲で請求する本発明の要旨を逸脱すること
なく当該発明が属する技術分野で通常の知識を有する者により多様な変形実施が可能であ
ることは勿論であり、このような変形実施は本発明の技術的思想や展望から個別的に理解
されてはならない。
Claims (22)
- 無線電力受信装置によって無線電力を受信する方法であって、
折衷された電力伝送条件を生成するために無線電力送信装置と折衷を行う段階を含み、
前記折衷を行う段階は、
前記無線電力送信装置の状態情報を受信するために、前記無線電力送信装置に、要請信号を送信する段階であって、前記状態情報は前記無線電力送信装置の可用電力量を含み、
前記要請信号に対応して、前記無線電力送信装置から前記可用電力量を受信する段階と、
前記無線電力送信装置の前記可用電力量に基づいて要求電力量を決定する段階と、
続いて、前記無線電力送信装置に、前記折衷された電力伝送条件としての前記要求電力量を送信する段階と、
前記要求電力量が前記無線電力送信装置の前記状態情報に基づき前記無線電力送信装置によって許可可能であるとき、前記折衷された電力伝送条件に基づいて前記無線電力送信装置から無線電力を受信する段階、
を含む方法。 - 電力伝送過程で前記無線電力送信装置の状態の変更に対応して、前記折衷された電力伝送条件を調整するために前記無線電力送信装置との折衷を再度行う段階、
を更に含む請求項1に記載の方法。 - 前記無線電力送信装置の状態の変更は、前記無線電力送信装置から受信された前記無線電力量が、外部要素に基づき減少することを含む、
請求項2に記載の方法。 - 電力伝送過程で前記無線電力受信装置の状態の変更に対応して、前記折衷された電力伝送条件を調整するために前記無線電力送信装置との折衷を再度行う段階、
を更に含む請求項1に記載の方法。 - 前記無線電力受信装置の前記要求電力量は、前記無線電力送信装置の前記可用電力量より少ない又は等しい、
請求項1に記載の方法。 - 前記無線電力受信装置の前記要求電力量は、前記無線電力送信装置の前記可用電力量の範囲内である、
請求項1に記載の方法。 - 無線電力を受信するための無線電力受信装置であって、
前記無線電力受信装置は、
折衷された電力伝送条件を生成するために無線電力送信装置と折衷を行うよう構成された制御部を備え、前記折衷は、
前記無線電力送信装置の状態情報を受信するために、前記無線電力送信装置に、要請信号を送信する段階であって、前記状態情報は前記無線電力送信装置の可用電力量を含み、
前記要請信号に対応して、前記無線電力送信装置から前記可用電力量を受信する段階と、
前記無線電力送信装置の前記可用電力量に基づいて要求電力量を決定する段階と、
続いて、前記無線電力送信装置に、前記折衷された電力伝送条件としての前記要求電力量を送信する段階と、
を含み、
前記要求電力量が前記無線電力送信装置の前記状態情報に基づき前記無線電力送信装置によって許可可能であるとき、前記折衷された電力伝送条件に基づいて前記無線電力送信装置から無線電力を受信するよう構成されたコイルと、
前記無線電力送信装置から受信された前記無線電力を変換することによって、直流電流を負荷に伝達するよう構成された整流器と、
を備える無線電力受信装置。 - 前記制御部が、電力伝送過程で前記無線電力送信装置の状態の変更に対応して、前記折衷された電力伝送条件を調整するために前記無線電力送信装置との折衷を、再度行う、
請求項7に記載の無線電力受信装置。 - 前記無線電力送信装置の状態の変更は、前記無線電力送信装置から受信された前記無線電力量が、外部要素に基づき減少することを含む、
請求項8に記載の無線電力受信装置。 - 前記制御部が、電力伝送過程で前記無線電力受信装置の状態の変更に対応して、前記折衷された電力伝送条件を調整するために前記無線電力送信装置との折衷を再度行う、
請求項7に記載の無線電力受信装置。 - 前記無線電力受信装置の前記要求電力量は、前記無線電力送信装置の前記可用電力量より少ない又は等しい、
請求項7に記載の無線電力受信装置。 - 前記無線電力受信装置の前記要求電力量は、前記無線電力送信装置の前記可用電力量の範囲内である、
請求項7に記載の無線電力受信装置。 - 無線電力送信装置によって無線電力を送信する方法であって、
折衷された電力伝送条件を生成するために無線電力受信装置と折衷を行う段階を含み、
前記折衷を行う段階は、
前記無線電力送信装置の状態情報を受信するために、前記無線電力受信装置から、要請信号を受信する段階であって、前記状態情報は前記無線電力送信装置の可用電力量を含み、
前記要請信号に対応して、前記無線電力受信装置に、前記無線電力送信装置の前記可用電力量に基づく要求電力量を決定させるために、前記無線電力受信装置に前記可用電力量を送信し、
続いて、前記無線電力受信装置から、前記折衷された電力伝送条件としての前記要求電力量を受信する段階と、
前記要求電力量が前記無線電力送信装置の前記状態情報に基づき前記無線電力送信装置によって許可可能であるとき、前記折衷された電力伝送条件に基づいて前記無線電力受信装置へ無線電力を送信する段階、
を含む方法。 - 電力伝送過程で前記無線電力送信装置の状態の変更に対応して、前記折衷された電力伝送条件を調整するために前記無線電力受信装置との折衷を再度行う段階、
を更に含む請求項13に記載の方法。 - 前記無線電力送信装置の状態の変更は、前記無線電力送信装置から提供された前記無線電力量が、外部要素に基づき減少することを含む、
請求項14に記載の方法。 - 電力伝送過程で前記無線電力受信装置の状態の変更に対応して、前記折衷された電力伝送条件を調整するために前記無線電力受信装置との折衷を再度行う段階、
を更に含む請求項13に記載の方法。 - 前記無線電力受信装置の前記要求電力量は、前記無線電力送信装置の前記可用電力量より少ない又は等しい、
請求項13に記載の方法。 - 前記無線電力受信装置の前記要求電力量は、前記無線電力送信装置の前記可用電力量の範囲内である、
請求項13に記載の方法。 - 無線電力受信装置に対して、電力を送信する無線電力送信装置であって、
前記無線電力送信装置は、
前記無線電力受信装置を特定するための接続信号を送信する送信部と、
前記接続信号への対応信号を受信することによって、前記無線電力受信装置を特定する特定部と、
前記特定された無線電力受信装置と電力伝送条件を折衷する折衷部と、
を備える無線電力送信装置であって、
前記無線電力送信装置は、前記電力を、前記特定された無線電力受信装置に、前記折衷された電力伝送条件にしたがって、送信するよう構成され、
前記無線電力送信装置は、前記無線電力送信装置の状態情報を受信するために、前記無線電量受信装置から要請信号を受信するよう構成され、前記状態情報は前記無線電力送信装置の可用電力量を含み、
前記折衷部は、前記要請信号に対応して、前記無線電力受信装置に、前記無線電力送信装置の前記可用電力量に基づく要求電力量を決定させるために、前記無線電力受信装置に前記可用電力量を送信するよう構成され、
前記無線電力送信装置は、前記要求電力量が前記無線電力送信装置の前記状態情報に基づき前記無線電力送信装置によって許可可能であるとき、前記折衷された電力伝送条件に基づいて前記無線電力受信装置へ無線電力を送信するよう構成されている、
無線電力送信装置。 - 前記無線電力送信装置は、前記要求電力量に対応する電力を、前記無線電力受信装置に、送信するよう構成された制御部を備える、
請求項19に記載の無線電力送信装置。 - 前記無線電力送信装置は、
前記特定された無線電力受信装置から、選択要請信号を受信し、
もし前記特定された無線電力受信装置(300)が特定の無線電力送信装置を選択する場合には前記特定された無線電力受信装置に、前記電力を送信する、
よう構成されている、
請求項19に記載の無線電力送信装置。 - 前記無線電力送信装置の状態の変更は、前記無線電力送信装置から提供された前記電力量の前記変更についての情報を参照し、
前記無線電力送信装置は、もし前記無線電力送信装置から提供された前記電力量が外部要素によって減少された場合、前記電力伝送を中止するよう構成された、
請求項19に記載の無線電力送信装置。
Applications Claiming Priority (3)
| Application Number | Priority Date | Filing Date | Title |
|---|---|---|---|
| KR1020110117233A KR101338732B1 (ko) | 2011-11-10 | 2011-11-10 | 무선전력 송신장치, 무선전력 수신장치, 무선전력 전송 방법, 무선전력 수신 방법, 정보 전송 방법 및 정보 수신 방법 |
| KR10-2011-0117233 | 2011-11-10 | ||
| JP2019040411A JP6748249B2 (ja) | 2011-11-10 | 2019-03-06 | 無線電力送信方法、無線電力受信方法、無線電力送信装置、無線電力受信装置 |
Related Parent Applications (1)
| Application Number | Title | Priority Date | Filing Date |
|---|---|---|---|
| JP2019040411A Division JP6748249B2 (ja) | 2011-11-10 | 2019-03-06 | 無線電力送信方法、無線電力受信方法、無線電力送信装置、無線電力受信装置 |
Publications (2)
| Publication Number | Publication Date |
|---|---|
| JP2020184882A true JP2020184882A (ja) | 2020-11-12 |
| JP6975293B2 JP6975293B2 (ja) | 2021-12-01 |
Family
ID=47225979
Family Applications (4)
| Application Number | Title | Priority Date | Filing Date |
|---|---|---|---|
| JP2012245483A Active JP6185230B2 (ja) | 2011-11-10 | 2012-11-07 | 無線電力送信装置、無線電力受信装置、無線電力伝送方法、及び無線電力受信方法 |
| JP2017144604A Active JP6497717B2 (ja) | 2011-11-10 | 2017-07-26 | 無線電力送信方法、無線電力受信方法、無線電力送信装置、無線電力受信装置 |
| JP2019040411A Active JP6748249B2 (ja) | 2011-11-10 | 2019-03-06 | 無線電力送信方法、無線電力受信方法、無線電力送信装置、無線電力受信装置 |
| JP2020133729A Active JP6975293B2 (ja) | 2011-11-10 | 2020-08-06 | 無線電力送信方法、無線電力受信方法、無線電力送信装置、無線電力受信装置 |
Family Applications Before (3)
| Application Number | Title | Priority Date | Filing Date |
|---|---|---|---|
| JP2012245483A Active JP6185230B2 (ja) | 2011-11-10 | 2012-11-07 | 無線電力送信装置、無線電力受信装置、無線電力伝送方法、及び無線電力受信方法 |
| JP2017144604A Active JP6497717B2 (ja) | 2011-11-10 | 2017-07-26 | 無線電力送信方法、無線電力受信方法、無線電力送信装置、無線電力受信装置 |
| JP2019040411A Active JP6748249B2 (ja) | 2011-11-10 | 2019-03-06 | 無線電力送信方法、無線電力受信方法、無線電力送信装置、無線電力受信装置 |
Country Status (8)
| Country | Link |
|---|---|
| US (8) | US9197070B2 (ja) |
| EP (10) | EP4250578A1 (ja) |
| JP (4) | JP6185230B2 (ja) |
| KR (1) | KR101338732B1 (ja) |
| CN (2) | CN104600869B (ja) |
| DE (1) | DE202012013165U1 (ja) |
| PL (1) | PL3731427T3 (ja) |
| TW (1) | TWI491137B (ja) |
Families Citing this family (132)
| Publication number | Priority date | Publication date | Assignee | Title |
|---|---|---|---|---|
| KR101338732B1 (ko) * | 2011-11-10 | 2013-12-06 | 엘지이노텍 주식회사 | 무선전력 송신장치, 무선전력 수신장치, 무선전력 전송 방법, 무선전력 수신 방법, 정보 전송 방법 및 정보 수신 방법 |
| US10992187B2 (en) | 2012-07-06 | 2021-04-27 | Energous Corporation | System and methods of using electromagnetic waves to wirelessly deliver power to electronic devices |
| US9867062B1 (en) | 2014-07-21 | 2018-01-09 | Energous Corporation | System and methods for using a remote server to authorize a receiving device that has requested wireless power and to determine whether another receiving device should request wireless power in a wireless power transmission system |
| US10965164B2 (en) | 2012-07-06 | 2021-03-30 | Energous Corporation | Systems and methods of wirelessly delivering power to a receiver device |
| US9787103B1 (en) | 2013-08-06 | 2017-10-10 | Energous Corporation | Systems and methods for wirelessly delivering power to electronic devices that are unable to communicate with a transmitter |
| US9876394B1 (en) | 2014-05-07 | 2018-01-23 | Energous Corporation | Boost-charger-boost system for enhanced power delivery |
| US9853458B1 (en) * | 2014-05-07 | 2017-12-26 | Energous Corporation | Systems and methods for device and power receiver pairing |
| US10381880B2 (en) | 2014-07-21 | 2019-08-13 | Energous Corporation | Integrated antenna structure arrays for wireless power transmission |
| US11502551B2 (en) | 2012-07-06 | 2022-11-15 | Energous Corporation | Wirelessly charging multiple wireless-power receivers using different subsets of an antenna array to focus energy at different locations |
| US12057715B2 (en) | 2012-07-06 | 2024-08-06 | Energous Corporation | Systems and methods of wirelessly delivering power to a wireless-power receiver device in response to a change of orientation of the wireless-power receiver device |
| US10256657B2 (en) | 2015-12-24 | 2019-04-09 | Energous Corporation | Antenna having coaxial structure for near field wireless power charging |
| US10439448B2 (en) | 2014-08-21 | 2019-10-08 | Energous Corporation | Systems and methods for automatically testing the communication between wireless power transmitter and wireless power receiver |
| US10063105B2 (en) | 2013-07-11 | 2018-08-28 | Energous Corporation | Proximity transmitters for wireless power charging systems |
| US10992185B2 (en) | 2012-07-06 | 2021-04-27 | Energous Corporation | Systems and methods of using electromagnetic waves to wirelessly deliver power to game controllers |
| US9934902B2 (en) * | 2012-12-05 | 2018-04-03 | Samsung Electronics Co., Ltd. | Apparatus and method for transceiving wireless power |
| JP6202853B2 (ja) * | 2013-03-29 | 2017-09-27 | キヤノン株式会社 | 給電装置 |
| JP6164914B2 (ja) * | 2013-04-30 | 2017-07-19 | キヤノン株式会社 | 給電装置、制御方法及びプログラム |
| US9900056B2 (en) * | 2013-06-14 | 2018-02-20 | Qualcomm Incorporated | System and method for delayed application processor initialization during wireless charging |
| KR102110824B1 (ko) | 2013-07-17 | 2020-05-14 | 삼성전자주식회사 | 무선 전력 전송 시스템에서의 네트워크 통신 방법 및 장치 |
| KR102122382B1 (ko) * | 2013-07-22 | 2020-06-15 | 삼성전자주식회사 | 무선 전력 전송 시스템에서의 인증 방법 및 장치 |
| KR20150019217A (ko) | 2013-08-13 | 2015-02-25 | 삼성전자주식회사 | 통신 시스템에서의 에너지 절감 방법 및 그 장치 |
| JP6089372B2 (ja) * | 2013-08-19 | 2017-03-08 | パナソニックIpマネジメント株式会社 | 非接触給電システム |
| JP6292887B2 (ja) * | 2013-10-02 | 2018-03-14 | キヤノン株式会社 | 送電装置 |
| EP2866357A1 (en) * | 2013-10-25 | 2015-04-29 | HTC Corporation | Method of identifying a wireless power receiver in a wireless power system |
| CN105814772B (zh) | 2013-10-31 | 2018-11-09 | 通用电气混合动力技术有限责任公司 | 混合式无线电力传输系统及其方法 |
| CN104638704B (zh) * | 2013-11-13 | 2019-06-18 | 深圳富泰宏精密工业有限公司 | 无线充电装置及其使用方法 |
| KR102118407B1 (ko) | 2013-11-19 | 2020-06-03 | 삼성전자주식회사 | 복수의 무선 전력 수신기에 대한 무선 충전 전력을 분배하기 위한 방법 |
| KR102363631B1 (ko) * | 2014-02-20 | 2022-02-17 | 삼성전자주식회사 | 무선 충전에서의 이상 상황 방지 방법 |
| KR102363633B1 (ko) * | 2014-02-20 | 2022-02-17 | 삼성전자주식회사 | 무선 전력 송신기 및 무선 전력 송신기의 제어 방법 |
| KR20160119842A (ko) | 2014-02-23 | 2016-10-14 | 애플 인크. | 결합 코일 시스템의 조정 필터 |
| AU2015218706B2 (en) | 2014-02-23 | 2018-01-04 | Apple Inc. | Impedance matching for inductive power transfer systems |
| US10158257B2 (en) | 2014-05-01 | 2018-12-18 | Energous Corporation | System and methods for using sound waves to wirelessly deliver power to electronic devices |
| US10032557B1 (en) | 2014-05-29 | 2018-07-24 | Apple Inc. | Tuning of primary and secondary resonant frequency for improved efficiency of inductive power transfer |
| US9537353B1 (en) | 2014-06-03 | 2017-01-03 | Apple Inc. | Methods for detecting mated coils |
| US10074837B2 (en) * | 2014-06-11 | 2018-09-11 | Enovate Medical Llc | Interference detection for a wireless transfer station |
| US9685814B1 (en) | 2014-06-13 | 2017-06-20 | Apple Inc. | Detection of coil coupling in an inductive charging system |
| CN104269941B (zh) * | 2014-07-15 | 2016-07-13 | 湖南人文科技学院 | 无线充电系统及其调节方法 |
| US10068703B1 (en) | 2014-07-21 | 2018-09-04 | Energous Corporation | Integrated miniature PIFA with artificial magnetic conductor metamaterials |
| US9813041B1 (en) | 2014-07-31 | 2017-11-07 | Apple Inc. | Automatic boost control for resonant coupled coils |
| US9682634B2 (en) * | 2014-08-27 | 2017-06-20 | Hyundai Motor Company | Method and system for detecting charger |
| US10014733B2 (en) | 2014-08-28 | 2018-07-03 | Apple Inc. | Temperature management in a wireless energy transfer system |
| US10193372B2 (en) | 2014-09-02 | 2019-01-29 | Apple Inc. | Operating an inductive energy transfer system |
| KR20160051497A (ko) * | 2014-11-03 | 2016-05-11 | 주식회사 한림포스텍 | 무선 전력 전송 네트워크의 전력 전송 커버리지 제어 장치 및 방법 |
| CN105811596B (zh) * | 2014-12-31 | 2021-02-02 | 青岛众海汇智能源科技有限责任公司 | 一种电能无线传输系统的配对方法及供电设备 |
| CN106155353A (zh) * | 2015-04-10 | 2016-11-23 | 洛卡特股份有限公司 | 无线供电鼠标组 |
| US10193397B2 (en) | 2015-04-10 | 2019-01-29 | Ossia Inc. | Establishing connections with chargers in multi-charger wireless power delivery environments |
| KR20160125048A (ko) * | 2015-04-21 | 2016-10-31 | 엘지이노텍 주식회사 | 네트워크 기반의 무선 전력 제어 방법 및 무선 전력 제어 장치 및 시스템 |
| JP6447359B2 (ja) | 2015-05-25 | 2019-01-09 | 株式会社Ihi | 送電装置を管理するためのシステム、方法、およびプログラム |
| US10498177B2 (en) * | 2015-06-30 | 2019-12-03 | Ossia Inc. | Techniques for wireless power transmission system handoff and load balancing |
| US10666084B2 (en) | 2015-07-10 | 2020-05-26 | Apple Inc. | Detection and notification of an unpowered releasable charging device |
| US12283828B2 (en) | 2015-09-15 | 2025-04-22 | Energous Corporation | Receiver devices configured to determine location within a transmission field |
| US10523033B2 (en) | 2015-09-15 | 2019-12-31 | Energous Corporation | Receiver devices configured to determine location within a transmission field |
| US10778041B2 (en) | 2015-09-16 | 2020-09-15 | Energous Corporation | Systems and methods for generating power waves in a wireless power transmission system |
| US10734717B2 (en) | 2015-10-13 | 2020-08-04 | Energous Corporation | 3D ceramic mold antenna |
| US10027180B1 (en) | 2015-11-02 | 2018-07-17 | Energous Corporation | 3D triple linear antenna that acts as heat sink |
| US10063108B1 (en) | 2015-11-02 | 2018-08-28 | Energous Corporation | Stamped three-dimensional antenna |
| US20170141624A1 (en) * | 2015-11-13 | 2017-05-18 | Qualcomm Incorporated | Devices and methods for adjusting wireless receiver power demand |
| US10153644B2 (en) | 2015-11-13 | 2018-12-11 | X Development Llc | Delivering and negotiating wireless power delivery in a multi-receiver system |
| US9866039B2 (en) | 2015-11-13 | 2018-01-09 | X Development Llc | Wireless power delivery over medium range distances using magnetic, and common and differential mode-electric, near-field coupling |
| US10317963B1 (en) | 2015-11-13 | 2019-06-11 | X Development Llc | Modular mechanism enabled by mid-range wireless power |
| US10027159B2 (en) | 2015-12-24 | 2018-07-17 | Energous Corporation | Antenna for transmitting wireless power signals |
| US10079515B2 (en) | 2016-12-12 | 2018-09-18 | Energous Corporation | Near-field RF charging pad with multi-band antenna element with adaptive loading to efficiently charge an electronic device at any position on the pad |
| US10038332B1 (en) | 2015-12-24 | 2018-07-31 | Energous Corporation | Systems and methods of wireless power charging through multiple receiving devices |
| US11863001B2 (en) | 2015-12-24 | 2024-01-02 | Energous Corporation | Near-field antenna for wireless power transmission with antenna elements that follow meandering patterns |
| US10097046B2 (en) * | 2016-03-18 | 2018-10-09 | Global Energy Transmission, Co. | Wireless power assembly |
| WO2017171432A1 (ko) * | 2016-03-31 | 2017-10-05 | 삼성전자 주식회사 | 무선 전력 송신 장치 및 그 제어 방법 |
| KR102592492B1 (ko) * | 2016-03-31 | 2023-10-23 | 삼성전자주식회사 | 무선 전력 송신기 및 그 제어 방법 |
| US10461586B2 (en) | 2016-03-31 | 2019-10-29 | Intel Corporation | Methods and apparatus for cross connection detection and mitigation in wireless power transfer networks |
| US20170288470A1 (en) * | 2016-03-31 | 2017-10-05 | Intel Corporation | Load balancing and scheduling in wireless power transfer network |
| HUE064897T2 (hu) | 2016-06-08 | 2024-04-28 | Lg Electronics Inc | Vezeték nélküli energiaátviteli eljárás és ehhez való eszköz |
| KR20180012962A (ko) * | 2016-07-28 | 2018-02-07 | 엘지이노텍 주식회사 | 근거리 통신(Near Field Communication, NFC)을 이용한 무선 전력 전송 제어 장치 및 방법 |
| US10644531B1 (en) | 2016-09-22 | 2020-05-05 | Apple Inc. | Adaptable power rectifier for wireless charger system |
| US10923954B2 (en) | 2016-11-03 | 2021-02-16 | Energous Corporation | Wireless power receiver with a synchronous rectifier |
| CN110535252A (zh) | 2016-12-12 | 2019-12-03 | 艾诺格思公司 | 用于管理发射设备的操作的集成电路和射频发射设备 |
| KR101925308B1 (ko) * | 2016-12-23 | 2018-12-05 | 엘지이노텍 주식회사 | 무선 전력 송신기 및 그의 동작 방법 |
| US10680319B2 (en) | 2017-01-06 | 2020-06-09 | Energous Corporation | Devices and methods for reducing mutual coupling effects in wireless power transmission systems |
| US10439442B2 (en) | 2017-01-24 | 2019-10-08 | Energous Corporation | Microstrip antennas for wireless power transmitters |
| WO2018183892A1 (en) | 2017-03-30 | 2018-10-04 | Energous Corporation | Flat antennas having two or more resonant frequencies for use in wireless power transmission systems |
| US10523063B2 (en) | 2017-04-07 | 2019-12-31 | Apple Inc. | Common mode noise compensation in wireless power systems |
| WO2018184230A1 (zh) | 2017-04-07 | 2018-10-11 | Oppo广东移动通信有限公司 | 无线充电系统、装置、方法及待充电设备 |
| CA3053269C (en) | 2017-04-07 | 2022-11-29 | Guangdong Oppo Mobile Telecommunications Corp., Ltd. | Wireless charging system, device, and method, and device to-be-charged |
| US10389274B2 (en) | 2017-04-07 | 2019-08-20 | Apple Inc. | Boosted output inverter for electronic devices |
| CN109417308B (zh) | 2017-04-07 | 2023-06-20 | Oppo广东移动通信有限公司 | 无线充电系统、装置、方法及待充电设备 |
| TWI641198B (zh) * | 2017-04-14 | 2018-11-11 | 東莞寶德電子有限公司 | 無線充電滑鼠、無線充電裝置及其充電方法 |
| US10511097B2 (en) | 2017-05-12 | 2019-12-17 | Energous Corporation | Near-field antennas for accumulating energy at a near-field distance with minimal far-field gain |
| US12074452B2 (en) | 2017-05-16 | 2024-08-27 | Wireless Electrical Grid Lan, Wigl Inc. | Networked wireless charging system |
| US12074460B2 (en) | 2017-05-16 | 2024-08-27 | Wireless Electrical Grid Lan, Wigl Inc. | Rechargeable wireless power bank and method of using |
| US11462949B2 (en) | 2017-05-16 | 2022-10-04 | Wireless electrical Grid LAN, WiGL Inc | Wireless charging method and system |
| US10848853B2 (en) | 2017-06-23 | 2020-11-24 | Energous Corporation | Systems, methods, and devices for utilizing a wire of a sound-producing device as an antenna for receipt of wirelessly delivered power |
| CN110476362B (zh) | 2017-08-24 | 2022-04-22 | Lg电子株式会社 | 在无线电力传输系统中执行通信的设备和方法 |
| EA039587B1 (ru) | 2017-09-26 | 2022-02-14 | Страйкер Корпорейшн | Система и способ беспроводной зарядки батареи медицинского устройства |
| US10122219B1 (en) | 2017-10-10 | 2018-11-06 | Energous Corporation | Systems, methods, and devices for using a battery as a antenna for receiving wirelessly delivered power from radio frequency power waves |
| US11342798B2 (en) | 2017-10-30 | 2022-05-24 | Energous Corporation | Systems and methods for managing coexistence of wireless-power signals and data signals operating in a same frequency band |
| WO2019088760A1 (ko) * | 2017-11-02 | 2019-05-09 | 엘지이노텍 주식회사 | 무선 충전 방법 및 그를 위한 장치 |
| US10644527B2 (en) * | 2017-12-14 | 2020-05-05 | Dexin Electronic Ltd. | Rechargeable wireless mouse, wireless charging device and method thereof |
| EP3509186A1 (en) * | 2018-01-03 | 2019-07-10 | Koninklijke Philips N.V. | Controlling power in a wireless power transfer system |
| US10615647B2 (en) | 2018-02-02 | 2020-04-07 | Energous Corporation | Systems and methods for detecting wireless power receivers and other objects at a near-field charging pad |
| US11159057B2 (en) | 2018-03-14 | 2021-10-26 | Energous Corporation | Loop antennas with selectively-activated feeds to control propagation patterns of wireless power signals |
| US20200274398A1 (en) * | 2018-05-01 | 2020-08-27 | Global Energy Transmission, Co. | Systems and methods for wireless power transferring |
| US11515732B2 (en) | 2018-06-25 | 2022-11-29 | Energous Corporation | Power wave transmission techniques to focus wirelessly delivered power at a receiving device |
| US10903677B2 (en) * | 2018-07-31 | 2021-01-26 | International Business Machines Corporation | Prioritizing an inductive charging of each device of multiple devices based on power preferences |
| US11437735B2 (en) | 2018-11-14 | 2022-09-06 | Energous Corporation | Systems for receiving electromagnetic energy using antennas that are minimally affected by the presence of the human body |
| JP7233898B2 (ja) * | 2018-11-28 | 2023-03-07 | キヤノン株式会社 | 送電装置、送電装置の制御方法及びプログラム |
| KR102653440B1 (ko) * | 2018-12-07 | 2024-04-02 | 삼성전자주식회사 | 무선 전력 송신 및 수신 장치 및 그 전력 조정 방법 |
| US11075548B2 (en) * | 2019-01-16 | 2021-07-27 | Integrated Device Technology, Inc. | Reconfigurable power in a wireless power transfer system |
| US11539243B2 (en) | 2019-01-28 | 2022-12-27 | Energous Corporation | Systems and methods for miniaturized antenna for wireless power transmissions |
| US11018779B2 (en) | 2019-02-06 | 2021-05-25 | Energous Corporation | Systems and methods of estimating optimal phases to use for individual antennas in an antenna array |
| US11689065B2 (en) | 2019-02-15 | 2023-06-27 | Honda Motor Co., Ltd. | System and methods for charging a device |
| US11817717B2 (en) * | 2019-03-14 | 2023-11-14 | Lg Electronics Inc. | Low power- and medium power-compatible wireless charging receiving device and method |
| US12155231B2 (en) | 2019-04-09 | 2024-11-26 | Energous Corporation | Asymmetric spiral antennas for wireless power transmission and reception |
| CN110165726B (zh) * | 2019-04-28 | 2022-04-15 | 南京睿赫电子有限公司 | 无线充电装置及充电方法 |
| CN112020044B (zh) | 2019-05-31 | 2021-10-01 | 北京小米移动软件有限公司 | 无线充电通信方法、装置、设备及存储介质 |
| US11381118B2 (en) | 2019-09-20 | 2022-07-05 | Energous Corporation | Systems and methods for machine learning based foreign object detection for wireless power transmission |
| CN114731061A (zh) | 2019-09-20 | 2022-07-08 | 艾诺格思公司 | 使用无线功率发射系统中的功率放大器控制器集成电路来分类和检测异物 |
| WO2021055901A1 (en) | 2019-09-20 | 2021-03-25 | Energous Corporation | Asymmetric spiral antennas with parasitic elements for wireless power transmission |
| WO2021055898A1 (en) | 2019-09-20 | 2021-03-25 | Energous Corporation | Systems and methods for machine learning based foreign object detection for wireless power transmission |
| WO2021055899A1 (en) | 2019-09-20 | 2021-03-25 | Energous Corporation | Systems and methods of protecting wireless power receivers using multiple rectifiers and establishing in-band communications using multiple rectifiers |
| WO2021119483A1 (en) | 2019-12-13 | 2021-06-17 | Energous Corporation | Charging pad with guiding contours to align an electronic device on the charging pad and efficiently transfer near-field radio-frequency energy to the electronic device |
| US10985617B1 (en) | 2019-12-31 | 2021-04-20 | Energous Corporation | System for wirelessly transmitting energy at a near-field distance without using beam-forming control |
| US11799324B2 (en) | 2020-04-13 | 2023-10-24 | Energous Corporation | Wireless-power transmitting device for creating a uniform near-field charging area |
| KR102370577B1 (ko) * | 2020-06-23 | 2022-03-04 | 지이 하이브리드 테크놀로지스, 엘엘씨 | 자기 공명 방식 무선 전력 신호 및 유도 방식 무선 전력신호를 전송할 수 있는 하이브리드 무선 전력 전송 장치에서의 신호 처리 방법 및 이를 이용하는 하이브리드 무선 전력 전송 장치 |
| US20230261523A1 (en) * | 2020-07-13 | 2023-08-17 | Lg Electronics Inc. | Wireless power receiver, wireless power transmitter, and method for communication between wireless power receiver and wireless power transmitter |
| US11469629B2 (en) | 2020-08-12 | 2022-10-11 | Energous Corporation | Systems and methods for secure wireless transmission of power using unidirectional communication signals from a wireless-power-receiving device |
| US12169750B2 (en) * | 2020-08-13 | 2024-12-17 | Aira, Inc. | Radio frequency identification for multi-device wireless chargers |
| US12283838B2 (en) * | 2020-08-14 | 2025-04-22 | Cirrus Logic Inc. | Reverse wireless charging power management |
| US12306285B2 (en) | 2020-12-01 | 2025-05-20 | Energous Corporation | Systems and methods for using one or more sensors to detect and classify objects in a keep-out zone of a wireless-power transmission field, and antennas with integrated sensor arrangements |
| KR102597971B1 (ko) * | 2021-01-14 | 2023-11-02 | 지이 하이브리드 테크놀로지스, 엘엘씨 | 자기 공명 방식 무선 전력 신호 및 유도 방식 무선 전력신호를 전송할 수 있는 하이브리드 무선 전력 전송 장치에서의 신호 처리 방법 및 이를 이용하는 하이브리드 무선 전력 전송 장치 |
| US11942799B2 (en) * | 2021-04-30 | 2024-03-26 | Nucurrent, Inc. | False notification suppression in wireless power transfer system |
| WO2023094000A1 (en) * | 2021-11-26 | 2023-06-01 | Huawei Digital Power Technologies Co., Ltd. | Wireless power transfer network |
| EP4447265A4 (en) * | 2021-12-07 | 2025-12-24 | Lg Electronics Inc | METHOD AND DEVICE RELATING TO A TIME REQUEST FOR AN APPLICATION MESSAGE IN A WIRELESS POWER TRANSMISSION SYSTEM |
| US11916398B2 (en) | 2021-12-29 | 2024-02-27 | Energous Corporation | Small form-factor devices with integrated and modular harvesting receivers, and shelving-mounted wireless-power transmitters for use therewith |
| US12142939B2 (en) | 2022-05-13 | 2024-11-12 | Energous Corporation | Integrated wireless-power-transmission platform designed to operate in multiple bands, and multi-band antennas for use therewith |
Citations (5)
| Publication number | Priority date | Publication date | Assignee | Title |
|---|---|---|---|---|
| JP2008503196A (ja) * | 2004-06-18 | 2008-01-31 | アクセス ビジネス グループ インターナショナル リミテッド ライアビリティ カンパニー | 車両インターフェイス |
| JP2009278707A (ja) * | 2008-05-12 | 2009-11-26 | Sony Corp | 送電装置、送電方法、プログラム、受電装置、および電力伝送システム |
| US20100036773A1 (en) * | 2008-08-05 | 2010-02-11 | Broadcom Corporation | Integrated wireless resonant power charging and communication channel |
| JP2010104103A (ja) * | 2008-10-21 | 2010-05-06 | Canon Inc | 送電装置、充電装置及び充電システム |
| WO2011128969A1 (ja) * | 2010-04-13 | 2011-10-20 | 富士通株式会社 | 電力供給システム、送電器、および受電器 |
Family Cites Families (39)
| Publication number | Priority date | Publication date | Assignee | Title |
|---|---|---|---|---|
| US7233137B2 (en) * | 2003-09-30 | 2007-06-19 | Sharp Kabushiki Kaisha | Power supply system |
| US20050151511A1 (en) | 2004-01-14 | 2005-07-14 | Intel Corporation | Transferring power between devices in a personal area network |
| US7443057B2 (en) | 2004-11-29 | 2008-10-28 | Patrick Nunally | Remote power charging of electronic devices |
| US9130602B2 (en) | 2006-01-18 | 2015-09-08 | Qualcomm Incorporated | Method and apparatus for delivering energy to an electrical or electronic device via a wireless link |
| US8169185B2 (en) * | 2006-01-31 | 2012-05-01 | Mojo Mobility, Inc. | System and method for inductive charging of portable devices |
| JP2009031876A (ja) * | 2007-07-24 | 2009-02-12 | Sharp Corp | 画像処理装置およびそれを備えた画像形成装置、画像読取装置、画像処理方法、画像処理プログラム、画像処理プログラムを記録した記録媒体 |
| WO2009050624A2 (en) * | 2007-10-15 | 2009-04-23 | Nxp B.V. | Method of controlling a power transfer system and power transfer system |
| US8175660B2 (en) | 2007-10-30 | 2012-05-08 | Qualcomm Incorporated | Wireless energy transfer |
| CA2715916A1 (en) | 2008-02-22 | 2009-08-27 | David W. Baarman | Inductive power supply system with battery type detection |
| JP4544339B2 (ja) * | 2008-04-28 | 2010-09-15 | ソニー株式会社 | 送電装置、送電方法、プログラム、および電力伝送システム |
| US8629650B2 (en) * | 2008-05-13 | 2014-01-14 | Qualcomm Incorporated | Wireless power transfer using multiple transmit antennas |
| US8024012B2 (en) * | 2008-06-11 | 2011-09-20 | International Business Machines Corporation | Intelligent wireless power charging system |
| KR20100004599A (ko) * | 2008-07-04 | 2010-01-13 | 태산엘시디 주식회사 | 비접촉 무선 전원 공급/데이터 통신 기능을 갖는 휴대단말과 이의 무선 전원 공급 및 데이터 통신 방법 |
| US7893564B2 (en) | 2008-08-05 | 2011-02-22 | Broadcom Corporation | Phased array wireless resonant power delivery system |
| EP2313957B1 (en) * | 2008-08-18 | 2020-05-20 | Nxp B.V. | A mobile device to control a charge pad system |
| US8264101B2 (en) | 2008-09-30 | 2012-09-11 | The Invention Science Fund I, Llc | Beam power with multiple power zones |
| NZ593720A (en) | 2009-01-06 | 2014-03-28 | Access Business Group Int Llc | Wireless charging system with device power compliance |
| US8497658B2 (en) * | 2009-01-22 | 2013-07-30 | Qualcomm Incorporated | Adaptive power control for wireless charging of devices |
| KR20100101470A (ko) * | 2009-03-09 | 2010-09-17 | 엘지이노텍 주식회사 | 무선 충전시스템 및 그 제어방법 |
| US8970180B2 (en) * | 2009-04-07 | 2015-03-03 | Qualcomm Incorporated | Wireless power transmission scheduling |
| US9312728B2 (en) * | 2009-08-24 | 2016-04-12 | Access Business Group International Llc | Physical and virtual identification in a wireless power network |
| JP5569952B2 (ja) | 2009-09-03 | 2014-08-13 | Necカシオモバイルコミュニケーションズ株式会社 | 充電装置及び充電システム並びにプログラム |
| GB2475755B (en) | 2009-11-26 | 2012-01-11 | Chun Sing Matthew Man | Anti-theft RFID system and method thereof |
| US8410637B2 (en) | 2009-11-30 | 2013-04-02 | Broadcom Corporation | Wireless power system with selectable control channel protocols |
| US8390249B2 (en) | 2009-11-30 | 2013-03-05 | Broadcom Corporation | Battery with integrated wireless power receiver and/or RFID |
| KR101648751B1 (ko) | 2010-04-02 | 2016-08-30 | 삼성전자주식회사 | 무선 전력 전송 제어 방법 및 장치 |
| TWM390602U (en) * | 2010-04-23 | 2010-10-11 | Nantou Hospital | Wireless charging cabinet |
| WO2011156768A2 (en) | 2010-06-11 | 2011-12-15 | Mojo Mobility, Inc. | System for wireless power transfer that supports interoperability, and multi-pole magnets for use therewith |
| US9126490B2 (en) | 2010-10-29 | 2015-09-08 | Qualcomm Incorporated | Wireless energy transfer via coupled parasitic resonators |
| US9219378B2 (en) | 2010-11-01 | 2015-12-22 | Qualcomm Incorporated | Wireless charging of devices |
| KR101735558B1 (ko) | 2010-11-10 | 2017-05-16 | 삼성전자주식회사 | 공진 전력 전송 시스템, 공진 전력 전송 및 수신 제어 방법 |
| TWM408868U (en) * | 2011-02-14 | 2011-08-01 | Univ Chaoyang Technology | Wireless intelligent spaced electrical charging system |
| KR101198006B1 (ko) | 2011-03-23 | 2012-11-05 | 삼성전기주식회사 | 무선 전력 송신 장치 및 무선 전력 송수신 장치 |
| US9035601B2 (en) | 2011-05-05 | 2015-05-19 | Samsung Electro-Mechanics | Wireless power transfer system and methods |
| EP2712051B1 (en) * | 2011-05-13 | 2017-11-01 | Samsung Electronics Co., Ltd. | Transmitter and receiver in a wireless power transmitting system, and method for the transmitter and receiver to wirelessly transmit/receivetransceive power |
| EP2717427A4 (en) | 2011-06-03 | 2016-03-02 | Toyota Motor Co Ltd | CONTACT-FREE POWER RECEIVING DEVICE, VEHICLE THEREFOR, CONTACT-FREE POWER TRANSMISSION DEVICE AND CONTACTLESS POWER TRANSMISSION SYSTEM |
| KR101950309B1 (ko) | 2011-06-07 | 2019-02-21 | 삼성전자주식회사 | 무선 전력 송수신 시스템에서의 수신기의 무선 전력 제어 방법 및 장치 |
| IN2014CN02466A (ja) | 2011-09-08 | 2015-06-19 | Samsung Electronics Co Ltd | |
| KR101338732B1 (ko) * | 2011-11-10 | 2013-12-06 | 엘지이노텍 주식회사 | 무선전력 송신장치, 무선전력 수신장치, 무선전력 전송 방법, 무선전력 수신 방법, 정보 전송 방법 및 정보 수신 방법 |
-
2011
- 2011-11-10 KR KR1020110117233A patent/KR101338732B1/ko active Active
-
2012
- 2012-11-02 EP EP23186878.7A patent/EP4250578A1/en active Pending
- 2012-11-02 EP EP23186880.3A patent/EP4246820A1/en active Pending
- 2012-11-02 EP EP23170381.0A patent/EP4220982A1/en active Pending
- 2012-11-02 EP EP20120191062 patent/EP2592762A1/en not_active Ceased
- 2012-11-02 EP EP14189915.3A patent/EP2849353B1/en active Active
- 2012-11-02 DE DE201220013165 patent/DE202012013165U1/de not_active Expired - Lifetime
- 2012-11-02 EP EP18176066.1A patent/EP3389191B1/en active Active
- 2012-11-02 PL PL20180913.4T patent/PL3731427T3/pl unknown
- 2012-11-02 EP EP23186881.1A patent/EP4246821A1/en active Pending
- 2012-11-02 EP EP18176065.3A patent/EP3393051B1/en active Active
- 2012-11-02 EP EP20180913.4A patent/EP3731427B1/en active Active
- 2012-11-02 EP EP23170399.2A patent/EP4220983A1/en active Pending
- 2012-11-06 TW TW101141215A patent/TWI491137B/zh active
- 2012-11-07 JP JP2012245483A patent/JP6185230B2/ja active Active
- 2012-11-09 US US13/673,163 patent/US9197070B2/en active Active
- 2012-11-12 CN CN201510020577.3A patent/CN104600869B/zh active Active
- 2012-11-12 CN CN201210451254.6A patent/CN103107605B/zh active Active
-
2014
- 2014-07-07 US US14/325,217 patent/US9225177B2/en active Active
- 2014-07-07 US US14/325,171 patent/US9124309B2/en active Active
-
2015
- 2015-02-06 US US14/616,367 patent/US9728980B2/en active Active
-
2016
- 2016-01-27 US US15/008,111 patent/US10110074B2/en active Active
- 2016-03-16 US US15/071,428 patent/US10340751B2/en active Active
-
2017
- 2017-07-26 JP JP2017144604A patent/JP6497717B2/ja active Active
-
2019
- 2019-03-06 JP JP2019040411A patent/JP6748249B2/ja active Active
- 2019-05-10 US US16/409,565 patent/US11121585B2/en not_active Ceased
-
2020
- 2020-08-06 JP JP2020133729A patent/JP6975293B2/ja active Active
-
2023
- 2023-06-21 US US18/212,565 patent/USRE50375E1/en active Active
Patent Citations (5)
| Publication number | Priority date | Publication date | Assignee | Title |
|---|---|---|---|---|
| JP2008503196A (ja) * | 2004-06-18 | 2008-01-31 | アクセス ビジネス グループ インターナショナル リミテッド ライアビリティ カンパニー | 車両インターフェイス |
| JP2009278707A (ja) * | 2008-05-12 | 2009-11-26 | Sony Corp | 送電装置、送電方法、プログラム、受電装置、および電力伝送システム |
| US20100036773A1 (en) * | 2008-08-05 | 2010-02-11 | Broadcom Corporation | Integrated wireless resonant power charging and communication channel |
| JP2010104103A (ja) * | 2008-10-21 | 2010-05-06 | Canon Inc | 送電装置、充電装置及び充電システム |
| WO2011128969A1 (ja) * | 2010-04-13 | 2011-10-20 | 富士通株式会社 | 電力供給システム、送電器、および受電器 |
Also Published As
Similar Documents
| Publication | Publication Date | Title |
|---|---|---|
| JP6975293B2 (ja) | 無線電力送信方法、無線電力受信方法、無線電力送信装置、無線電力受信装置 | |
| KR101490732B1 (ko) | 무선전력 송신장치, 무선전력 수신장치, 무선전력 전송 방법, 무선전력 수신 방법, 정보 전송 방법 및 정보 수신 방법 | |
| KR102220864B1 (ko) | 무선전력 송신장치, 무선전력 수신장치, 무선전력 전송 방법, 무선전력 수신 방법, 정보 전송 방법 및 정보 수신 방법 | |
| KR101749999B1 (ko) | 무선전력 송신장치, 무선전력 수신장치, 무선전력 전송 방법, 무선전력 수신 방법, 정보 전송 방법 및 정보 수신 방법 | |
| KR101981721B1 (ko) | 무선전력 송신장치, 무선전력 수신장치, 무선전력 전송 방법, 무선전력 수신 방법, 정보 전송 방법 및 정보 수신 방법 | |
| KR101601909B1 (ko) | 무선전력 수신장치, 무선전력 수신 방법, 정보 전송 방법 및 정보 수신 방법 | |
| KR102108502B1 (ko) | 무선전력 송신장치, 무선전력 수신장치, 무선전력 전송 방법, 무선전력 수신 방법, 정보 전송 방법 및 정보 수신 방법 | |
| KR20170072851A (ko) | 무선전력 송신장치, 무선전력 수신장치, 무선전력 전송 방법, 무선전력 수신 방법, 정보 전송 방법 및 정보 수신 방법 | |
| KR101667926B1 (ko) | 무선전력 수신장치, 무선전력 수신 방법, 정보 전송 방법 및 정보 수신 방법 |
Legal Events
| Date | Code | Title | Description |
|---|---|---|---|
| A621 | Written request for application examination |
Free format text: JAPANESE INTERMEDIATE CODE: A621 Effective date: 20200818 |
|
| A977 | Report on retrieval |
Free format text: JAPANESE INTERMEDIATE CODE: A971007 Effective date: 20210622 |
|
| A131 | Notification of reasons for refusal |
Free format text: JAPANESE INTERMEDIATE CODE: A131 Effective date: 20210706 |
|
| A521 | Request for written amendment filed |
Free format text: JAPANESE INTERMEDIATE CODE: A523 Effective date: 20211004 |
|
| TRDD | Decision of grant or rejection written | ||
| A01 | Written decision to grant a patent or to grant a registration (utility model) |
Free format text: JAPANESE INTERMEDIATE CODE: A01 Effective date: 20211019 |
|
| A61 | First payment of annual fees (during grant procedure) |
Free format text: JAPANESE INTERMEDIATE CODE: A61 Effective date: 20211105 |
|
| R150 | Certificate of patent or registration of utility model |
Ref document number: 6975293 Country of ref document: JP Free format text: JAPANESE INTERMEDIATE CODE: R150 |
|
| R250 | Receipt of annual fees |
Free format text: JAPANESE INTERMEDIATE CODE: R250 |
|
| R250 | Receipt of annual fees |
Free format text: JAPANESE INTERMEDIATE CODE: R250 |
