JP2012106956A - 重合性化合物の精製方法 - Google Patents

重合性化合物の精製方法 Download PDF

Info

Publication number
JP2012106956A
JP2012106956A JP2010257938A JP2010257938A JP2012106956A JP 2012106956 A JP2012106956 A JP 2012106956A JP 2010257938 A JP2010257938 A JP 2010257938A JP 2010257938 A JP2010257938 A JP 2010257938A JP 2012106956 A JP2012106956 A JP 2012106956A
Authority
JP
Japan
Prior art keywords
polymerizable compound
water
absorption tower
vent gas
gas absorption
Prior art date
Legal status (The legal status is an assumption and is not a legal conclusion. Google has not performed a legal analysis and makes no representation as to the accuracy of the status listed.)
Granted
Application number
JP2010257938A
Other languages
English (en)
Other versions
JP5643064B2 (ja
Inventor
Akihiro Yagyu
明浩 柳生
Current Assignee (The listed assignees may be inaccurate. Google has not performed a legal analysis and makes no representation or warranty as to the accuracy of the list.)
Asahi Kasei Chemicals Corp
Original Assignee
Asahi Kasei Chemicals Corp
Priority date (The priority date is an assumption and is not a legal conclusion. Google has not performed a legal analysis and makes no representation as to the accuracy of the date listed.)
Filing date
Publication date
Application filed by Asahi Kasei Chemicals Corp filed Critical Asahi Kasei Chemicals Corp
Priority to JP2010257938A priority Critical patent/JP5643064B2/ja
Publication of JP2012106956A publication Critical patent/JP2012106956A/ja
Application granted granted Critical
Publication of JP5643064B2 publication Critical patent/JP5643064B2/ja
Active legal-status Critical Current
Anticipated expiration legal-status Critical

Links

Images

Landscapes

  • Organic Low-Molecular-Weight Compounds And Preparation Thereof (AREA)

Abstract

【課題】ベントガス吸収塔を有する精製装置で重合性化合物を精製する方法において、ベントガス吸収塔の汚れを防止し、ベントガス吸収塔の吸収効率を長期間維持しつつ、長期間安定的に重合性化合物を精製する方法を提供する。
【解決手段】重合性化合物と水との分離部1と、重合性化合物の貯蔵部3,4と、該貯蔵部に接続したベントガス吸収塔2とを含み、前記分離部で重合性化合物と水とを分離する工程と、前記分離部で分離した水を、前記ベントガス吸収塔における吸収液として供給する工程とを含む精製装置で重合性化合物を精製する方法。
【選択図】図1

Description

本発明は、重合性化合物の精製方法に関する。
化学工場においては、液体をタンク内に貯蔵して用いるのが一般的である。ここで、タンクは、通常閉じた構造を有するものが用いられている。そのため、タンク内の液量の増減や、タンク周辺の気温の変化によって、タンク内の圧力が変動する。そして、タンク内の圧力の変動は、タンクにストレスを与える。例えば、タンクの設計圧を超えた場合や、また、負圧対策を行っていないタンクにおいて、タンク周辺の圧力を下回る圧力になった場合には、タンクが損傷する危険がある。したがって、タンクが損傷する事態を回避するため、タンク内の圧力の変動を防止する必要がある。タンク内の圧力の変動を防止する方法として、例えば、タンク内の気相部分において、気体の排出・供給が可能な導管を設置し、タンク内の圧力を制御する方法が挙げられる。当該方法によれば、タンク内の圧力が増加した場合には、前記導管からタンク内の気体を外部に排出し、タンク内の圧力が減少した場合には、前記導管から不活性ガスをタンク内に供給し、タンク内の圧力を一定に維持することができる。このようなタンク内の圧力を一定に維持する装置をタンクのベント装置と呼び、該装置から排出される気体をベントガスと呼ぶ。
また、タンクのベントガス中には、タンク内に貯蔵されている液体が気化した気体が含まれている。該液体が気化した気体は大気を汚染する物質である場合、そのまま大気に放出することができない。このような大気汚染物質を含むベントガスを浄化する方法として、例えばベントガス吸収塔を設置して吸収液により大気汚染物質を含むベントガスを浄化する方法等が挙げられる。
例えば特許文献1には、ベントガス吸収塔の吸収液として水を使用し、ベントガスを吸収させた水を活性汚泥処理装置へと供給する方法が記載されている。
特開2009−28596号公報
しかしながら、特許文献1に記載の方法を、重合性化合物を貯蔵しているタンクのベントガス吸収塔に適用した場合、ベントガス中に含まれる重合性化合物によりベントガス吸収塔が汚れ、長期間運転すると吸収効率が落ちてしまうという問題がある。
特に、ベントガス吸収塔を有する精製装置で重合性化合物を精製する方法において、ベントガス吸収塔が汚れると、ベントガス吸収塔の吸収効率が低下するだけでなく、重合性化合物の精製も安定して行うことが困難となる。
そこで、本発明は、ベントガス吸収塔を有する精製装置で重合性化合物を精製する方法において、ベントガス吸収塔の汚れを防止し、ベントガス吸収塔の吸収効率を長期間維持しつつ、長期間安定的に重合性化合物を精製する方法を提供することを目的とする。
本発明者は、上記課題を克服するため鋭意検討した結果、重合性化合物を貯蔵するタンクに接続されたベントガス吸収塔における吸収液として、重合性化合物を精製するプロセスで使用された水を利用することにより、ベントガス吸収塔の汚れを抑制し、長期間安定的にベントガス吸収塔を運転できるとともに、長期間安定して重合性化合物を精製することができることを見出し、本発明を完成するに至った。
すなわち、本発明は以下のとおりである。
[1]
精製装置で重合性化合物を精製する方法であって、
前記精製装置が、重合性化合物と水との分離部と、重合性化合物の貯蔵部と、該貯蔵部に接続したベントガス吸収塔とを含み、
前記分離部で重合性化合物と水とを分離する工程と、
前記分離部で分離した水を、前記ベントガス吸収塔における吸収液として供給する工程とを含む重合性化合物の精製方法。
[2]
前記精製装置が、重合性化合物と水との接触部を含み、
前記接触部で重合性化合物を水に接触させる工程を含む、[1]に記載の重合性化合物の精製方法。
[3]
前記分離部で分離した水が重合防止剤を含む、[1]または[2]に記載の重合性化合物の精製方法。
[4]
前記接触部で重合性化合物を水に溶解して得られた水溶液とともに、前記ベントガス吸収塔の塔底流を前記分離部に供給する、[2]に記載の重合性化合物の精製方法。
[5]
前記精製装置が、廃水焼却炉用空気ブロワまたは廃ガス焼却炉空気ブロワを含み、
前記ベントガス吸収塔塔頂の出口ガスを、廃水焼却炉用空気ブロワの吸引側、または廃ガス焼却炉空気ブロワの吸引側に導く、[1]〜[4]のいずれかに記載の重合性化合物の精製方法。
[6]
[1]〜[5]のいずれかに記載の精製方法により精製された重合性化合物。
[7]
重合性化合物と水との分離部と、
重合性化合物の貯蔵部と、
該貯蔵部に接続したベントガス吸収塔とを含み、
前記分離部と前記ベントガス吸収塔とが接続されており、
前記分離部で分離した水を、前記ベントガス吸収塔に供給する精製装置。
[8]
さらに、重合性化合物と水との接触部を含み、
前記ベントガス吸収塔における吸収液を前記分離部に供給する、[7]に記載の精製装置。
本発明により、重合性化合物を貯蔵するタンクに接続されたベントガス吸収塔の汚れを抑制し、ベントガス吸収塔を長期間安定的に運転することができるとともに、長期間安定して重合性化合物を精製することができる。
本発明の精製装置の一例を示す概略図である。 本発明の精製装置の別の例を示す概略図である。 本発明の精製装置のさらに別の例を示す概略図である。 本発明の精製装置のさらにまた別の例を示す概略図である。 実施例1に用いた精製装置を示す概略図である。
以下、本発明を実施するための形態(以下、「本実施の形態」という)について詳細に説明する。なお、本発明は、以下の実施の形態に制限されるものではなく、その要旨の範囲内で種々変形して実施することができる。
本実施の形態の重合性化合物の精製方法は、精製装置で重合性化合物を精製する方法であって、前記精製装置が、重合性化合物と水との分離部と、重合性化合物の貯蔵部と、該貯蔵部に接続したベントガス吸収塔とを含み、前記分離部で重合性化合物と水とを分離する工程と、前記分離部で分離した水を、前記ベントガス吸収塔における吸収液として供給する工程とを含む。
本明細書中、重合性化合物とは、分子内に重合しうる二重結合を有する化合物を言い、触媒の作用により重合反応が進行する化合物を包含する。
重合性化合物の具体例としては、アクリル酸、メタクリル酸等の不飽和カルボン酸;アクリル酸メチル、アクリル酸エチル、アクリル酸ブチル、アクリル酸−2−エチルヘキシル、アクリル酸オクチル、アクリル酸−2−ヒドロキシエチル、アクリル酸−2−ヒドロキシプロピル、メタクリル酸メチル、メタクリル酸ブチル等の(メタ)アクリル酸エステルや酢酸ビニル等の不飽和カルボン酸エステル類;(メタ)アクリロニトリル、アクリルアミド等のアクリル化合物;スチレン、α−メチルスチレン、ジビニルベンゼン等の芳香族ビニル化合物が挙げられる。中でも、(メタ)アクリロニトリルが好ましい。
重合性化合物と水との分離部としては、例えば、蒸留塔、デカンター、膜分離が挙げられる。これらの分離部は、単独で用いてもよく、2つ以上併用してもよい。
前記分離部で分離した水は、重合防止剤を含むことが好ましい。
分離部で分離した水が重合防止剤を含んでいると、分離部で分離した水とともに重合防止剤がベントガス吸収塔に供給されることになるので、ベントガス吸収塔内でも重合防止効果が得られる。また、本実施の形態において、ベントガス吸収塔における吸収液中の重合防止剤の濃度は25質量ppm以上であることが好ましい。当該重合防止剤の濃度の上限は、特に限定されないが10000ppm以下であることが好ましい。重合防止剤の濃度の測定方法は、使用する重合防止剤によって異なるが、イオンクロマトグラフィー、ガスクロマトグラフィー、液体クロマトグラフィー、分光光度計などの分析機器を用いて測定する方法が挙げられる。
重合防止剤は、重合性化合物の重合を抑制する機能を奏するものであれば特に限定されない。従って、本明細書中「重合防止剤」は、一般的に重合防止剤と定義されているものの他、重合禁止剤と称される場合があるものを含む概念である。重合防止剤の具体例としては、ハイドロキノンやメトキノン等のキノン類;ニトロフェノール、ターシャリーブチルカテコールなどフェノール類;ニトロソ基を有する有機化合物類;ニトロキシルラジカルを有する化合物類を挙げることができる。
重合性化合物の貯蔵部としては、例えば、タンク、ドラムが挙げられる。これらの貯蔵部は、単独で用いてもよく、2つ以上併用してもよい。
貯蔵部の構造や容量には特に制限がない。タンクおよびドラムの具体例としては、コーンルーフタンク、ドームルーフタンク、横型ドラム、縦型ドラムなどの各タイプのタンクおよびドラムを挙げることができる。
貯蔵部は、収容する重合性化合物との接触や、周囲の環境によって腐食等の影響を受けない材質からなることが好ましい。重合性化合物のうち一般的な腐食性を有する重合性化合物用の貯蔵部としては、カーボンスチールからなるものが選ばれることが多い。腐食性が強い(メタ)アクリル酸および(メタ)アクリル酸エステル等を収容する貯蔵部としては、SUS304およびSUS316等の耐腐食性を有する材料からなるものが好ましい。
タンクやドラムなどの貯蔵部の形状や個数は特に限定されず、例えば、図1に示されているように、タンク3およびドラム4として異なる形状のものがそれぞれ1つ設けられていてもよく、収容する重合性化合物の物性や量等に鑑みて適宜設定される。つまり、同じ機能を有する貯蔵部が複数設けられてよく、それらの形状やサイズも同じでも異なってもよい。もちろん、場合によっては貯蔵部が1つでもよい。貯蔵部が複数設けられる場合、そのうち少なくとも1つをベントガス吸収塔に接続し、前記分離部で分離した水を、前記ベントガス吸収塔における吸収液として供給する態様であれば、本実施の形態の範疇である。
前記貯蔵部に接続したベントガス吸収塔としては、特に制限はなく、公知の吸収装置を用いることができる。このような吸収装置の一例として、気液接触型の充填塔を挙げることができる。これは、充填物が充填された塔の下部より処理する気体を導入し、塔上部から気体を吸収する液体(吸収液)を導入して、該塔内で気体と液体とを接触させ、気体を液体中に吸収させる装置である。当該装置における充填物としては特に制限はなく、公知の充填物である、カスケードミリリング、ポールリング、ラシヒリング、メラパック、テラレットなどを用いることができる。
ベントガス吸収塔の運転条件は、吸収させる気体の種類、その濃度に依存する。
ベントガス中の重合性化合物の濃度は、
(タンク気相部温度における重合性化合物の蒸気圧)/(タンク気相部温度における全圧)×100
で算出される。
例えばアクリロニトリルを貯蔵している常圧タンクの温度が25℃の場合、ベントガス中のアクリロニトリル濃度は約15容積%である。この場合、ベントガス吸収塔の運転条件としては、吸収水を常温で供給し、ベントガス吸収塔の圧力を常圧とするのが設備面および経済面から好ましい。なお、ベントガス吸収塔の吸収水の供給量は、多いほどベントガス吸収塔塔頂ガス中の重合性化合物濃度を下げることができるが、その分ベントガス吸収塔塔底液量が増え、処理費がかさむこととなるため、大気汚染防止の面および経済面の両面から適切な量を決めることが好ましい。
本実施の形態の重合性化合物の精製方法は、前記精製装置が、重合性化合物と水との接触部を含み、前記接触部で重合性化合物を水に接触させる工程を含むことが好ましい。
重合性化合物と水との接触部としては、気液接触型の充填塔や棚段塔、液液抽出装置のスプレー塔や充填塔が挙げられる。
気液接触型の充填塔や液液抽出装置の充填塔の塔内には充填物が充填されている。当該充填物としては特に制限はなく、公知の充填物である、カスケードミリリング、ポールリング、ラシヒリング、メラパック、テラレットなどを用いることができる。
重合性化合物を水に接触させる工程において、前記接触部に、重合性化合物を含む流体が供給される態様が好ましい。当該流体としてはガス、液体、ガスと液体との混合物、ガスと固体と液体との混合物のいずれでもよい。
本実施の形態の重合性化合物の精製方法は、前記接触部で重合性化合物を水に溶解して得られた水溶液とともに、前記ベントガス吸収塔の塔底流を前記分離部に供給することが好ましい。これにより、ベントガス中の重合性化合物をより多く回収できるため、好ましい。
本実施の形態の重合性化合物の精製方法は、前記精製装置が、廃水焼却炉用空気ブロワまたは廃ガス焼却炉空気ブロワを含み、前記ベントガス吸収塔塔頂の出口ガスを、廃水焼却炉用空気ブロワの吸引側、または廃ガス焼却炉空気ブロワの吸引側に導くことが好ましい。これにより、ベントガス吸収塔塔頂の出口ガスが、廃水焼却炉または廃ガス焼却炉で無害化処理されるので、大気汚染を防止することができる。
また、本実施の形態の重合性化合物の精製方法は、前記精製装置が、ベントガス吸収塔塔頂ガス吸引ブロワを含み、ベントガス吸収塔塔頂ガスを吸引することが好ましい。
なお、本実施の形態の重合性化合物の精製方法は、上述のとおりベントガス吸収塔塔頂の出口ガス等の、廃水または廃ガスを、廃水焼却炉または廃ガス焼却炉で無害化処理する工程を含んでいてもよく、その他の排水を活性汚泥処理設備で無害化する工程などを含んでいてもよい。
本実施の形態の重合性化合物は、上述の精製方法により精製された重合性化合物である。本実施の形態の重合性化合物は、上述の精製方法により精製されるので、長期間安定的かつ効率的に得ることができる。
本実施の形態の精製装置は、重合性化合物と水との分離部と、重合性化合物の貯蔵部と、該貯蔵部に接続したベントガス吸収塔とを含み、前記分離部と前記ベントガス吸収塔とが接続されており、前記分離部で分離した水を、前記ベントガス吸収塔に供給する精製装置である。
本実施の形態の精製装置は、前記分離部で分離した水を、前記ベントガス吸収塔に供給しているので、ベントガス吸収塔の汚れを抑制し、ベントガス吸収塔を長期間安定的に運転することができるとともに、長期間安定して重合性化合物を精製することができる。
また、本実施の形態の精製装置は、さらに、重合性化合物と水との接触部を含み、前記ベントガス吸収塔における吸収液を前記分離部に供給することが好ましい。これにより、ベントガス中の重合性化合物をより多く回収できるため、好ましい。
さらに、本実施の形態の精製装置は、廃水焼却炉用空気ブロワもしくは廃ガス焼却炉空気ブロワ、ベントガス吸収塔塔頂ガス吸引ブロワ、廃水焼却炉もしくは廃ガス焼却炉、活性汚泥処理設備などを含んでいてもよい。
なお、本実施の形態の精製装置において、分離部、貯蔵部、ベントガス吸収塔、接触塔および重合性化合物などの構成要件は、上述の精製方法の場合と同様である。
以下、精製のうち「蒸留」を例にとって、本実施の形態の重合性化合物の精製方法を図1〜5を用いてより詳細に説明するが、本実施の形態は図1〜5に示す態様に限定されない。また、本明細書中、精製は、蒸留に限定されず、重合性化合物と水との混合物が不純物を含む場合に、混合物から不純物の少なくとも一部を除去するためのその他の操作を含む概念である。従って、「精製」には蒸留の他、静置による液液分離を含み、「精製装置」は蒸留塔の他、デカンターを有する精製装置を包含する。
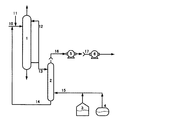
図1は、本発明の精製装置の一例を示す概略図である。該精製装置は、重合性化合物と水との分離部として蒸留塔1を含み、また重合性化合物の貯蔵部としてタンク3およびドラム4を含み、さらに該貯蔵部に接続したベントガス吸収塔2を含む。さらにまた、ベントガス吸収塔塔頂ガス吸引ブロワ5と、廃ガス焼却炉用または廃水焼却炉用の空気ブロワ6とを含む。そして、ベントガス吸収塔2は蒸留塔1に接続されている。
重合性化合物は接触塔(図1には示されていない)内で水に接触し、水溶液となってフィード配管10を通じて蒸留塔1に供給され、蒸留塔1内で抽出蒸留される。蒸留塔1に供給される直前で、フィード配管11から重合防止剤が添加され、蒸留塔1内での重合防止が図られる。
ベントガス吸収塔2の下部には、配管を介してタンク3およびドラム4が並列に接続されている。ベントガス吸収塔2に接続される配管は、タンク3およびドラム4の上端に接続され、配管はタンクおよびドラムの中で気体が存在する部分で開口するようになっている。
ベントガス吸収塔2の塔頂には第一および第二のブロワ5および6が縦列に接続されている。ベントガス吸収塔2の塔頂から塔頂出口ガスはライン16を通して第一のブロワ5で吸引され、ライン17を通して第二のブロワへ吸引される。ベントガス吸収塔2の塔頂配管とライン16とは、ベントガス吸収塔2がブロワ5の吸引圧の影響を直接受けないよう直結せず、10〜50cm程度の適当な間を空けておき、ライン16に調節弁を設け、ベントガス吸収塔2の圧力を調節することが好ましい。ブロワ5の吐出配管とライン17との間も同様に、ベントガス吸収塔2がブロワ6の吸引圧の影響を直接受けないよう直結せず、10〜50cm程度の適当な間を空けておき、ライン17に調節弁を設け、ベントガス吸収塔2の圧力を調節することが好ましい。
蒸留塔1に接続されたライン12を通じて塔底の近傍から塔頂の近傍へ循環させる塔内液をプロセス循環水という。このプロセス循環水のうち一部をベントガス吸収塔2のフィードライン13に導き、重合性化合物を貯蔵するタンク3およびドラム4のベントガスを吸収させる吸収液として利用する。重合性化合物を含んだベントガス吸収塔2の塔底液は、ライン14を通じて蒸留塔1のフィードラインに戻す。
ブロワ5はベントガス吸収塔塔頂ガスを吸引するためのブロワである。ブロワ5の吸引圧はベントガス吸収塔圧力、タンク圧力を維持できる圧力とする。ブロワ6は廃ガス焼却炉または廃水焼却炉用の空気ブロワである。そのため、ブロワ6の吸引圧は変動させず、ブロワ5の排出量がブロワ6の吸引量内に収まるようにする。
蒸留塔1にフィードされている重合防止剤はプロセス循環水にも含まれる。そのため、ベントガス吸収塔2における吸収液としてプロセス循環水を用いることで、ベントガス吸収塔2内でも重合防止効果が得られる。また、本プロセスにおけるベントガス吸収塔2の吸収液中の重合防止剤の濃度は25質量ppm以上であることが好ましい。
図2は蒸留塔を有する精製装置の別の例を示す。図2に示す装置は、蒸留塔1に接触塔7が接続されている以外、図1に示す例と同じであるので、相違点のみ以下に説明する。
フィードライン19を通じて、重合性化合物を含むガスが接触塔7に供給される。接触塔7は気液接触型の充填塔であって、塔内には上述した充填物が充填されている。 接触塔7上部から水が供給されて塔内で散布されるので、重合性化合物を含む流体は接触塔7内で水に接触して吸収される。生成した水溶液はライン10を通じて蒸留塔1に供給される。水の一部は蒸留塔1の下部から抜出され、フィードライン13を通じて吸収塔2に供給される他、ライン18を通じて接触塔7に供給されて再び吸収水となる。
接触塔7には重合性化合物を含む流体が供給される。流体はガス、液体、ガスと液体の混合物、ガスと固体と液体の混合物のいずれでもよい。重合性化合物を含む流体がガスの場合、当該流体は塔底付近から供給され、接触塔7内を上昇する。接触塔7内には塔頂付近から水が供給されるので、重合性化合物を含む流体は接触塔7内で水に接触し、水との混合物となって塔底から流出し、蒸留塔1に供給される。
接触塔7に供給される水は、蒸留塔の塔底付近から取得したプロセス循環水の一部を、ライン18を通じて分流したものである。プロセス循環水には重合防止剤が含まれているので、これを接触塔7の吸収水とすることで、接触塔7内の重合防止効果が期待される。
図3は、精製装置の更に別の例を概略的に示す。図3に示す例は、蒸留塔1に代えてデカンター8がベントガス吸収塔2に接続されている以外、図1に示す例と同じであるので、相違点のみ説明を行う。フィードライン20を通して重合性化合物および水などを含む混合物がデカンター8にフィードされるが、ライン20には重合防止剤を供給するためのライン11が接続されているので、デカンター8に供給される混合物は重合防止剤も含有する。デカンター8で重合性化合物を含む油層と水層とが比重差に従って分離された後、油層および水層は、順にライン21および22を通してデカンター8から排出され、別プロセスにフィードされる。デカンター8の水層の一部はライン22から分岐したライン13を通じてベントガス吸収塔2にフィードされ吸収水となる。デカンター8の水層は重合防止剤を含有するので、これをベントガス吸収塔2の吸収水とすることで、ベントガス吸収塔2内で重合防止効果を奏する。
図4は、精製装置の更に別の例を概略的に示す。図4に示す例は、蒸留塔1に加えデカンター8もベントガス吸収塔2に接続されている以外、図1に示す例と同じであるので、相違点のみ説明を行う。デカンター8にはライン20を通じて重合防止剤を含有する重合性化合物が供給され、デカンター8内で水と分離される。デカンター8から排出される油層はライン21を通して別プロセスへと供給され、水層はライン22を通じてベントガス吸収塔2に供給されるほか、ライン10に供給されて蒸留塔1に入る。蒸留塔1のプロセス循環水とデカンター8の水層との両方が、ベントガス吸収塔2の吸収水として利用され、ベントガス吸収塔2の塔底液はライン14を通じて蒸留塔1のフィード配管10に接続されている。
図5に示す精製装置は、蒸留塔1の塔頂液がデカンター8に供給されている以外、図2に示す例とほぼ同じであるので、相違点のみ説明する。蒸留塔1の塔頂液はライン20を通じてデカンター8に供給される。また、ライン11からライン20に重合防止剤が供給され、デカンター8内の重合が防止される。蒸留塔1から供給された塔頂液は、デカンター8内で静置されると、油層と水層とに分離される。水層はライン22から抜出され、ライン10に合流して蒸留塔1に供給される。蒸留塔1の下部からの抜出し液は、ライン12、13、および18に分岐してそれぞれ蒸留塔1上部、ベントガス吸収塔2および接触塔7上部に供給されることで、プロセス水の有効利用が図られる。
次に本発明を実施例により具体的に説明するが、本発明は、以下の実施例に限定されない。以下の実施例で用いた精製装置の概略図を図5に示す。
[実施例1]
精製する重合性化合物としてアクリロニトリルを用いた。当該アクリロニトリルは、プロピレン、アンモニアおよび分子状酸素を反応させて製造した。
アクリロニトリルを製造するプロセスにおいて、プロピレン、アンモニアおよび分子状酸素を反応させて得られたアクリロニトリルを含む反応ガスを、ライン19を通して接触塔7に導入し、水と接触させた。接触塔7において、反応ガス中のアクリロニトリル等を水に吸収させ、反応しなかったプロピレンや酸素、窒素などのガスを塔頂より抜き出した。アクリロニトリル等を吸収させた水はライン10を通して蒸留塔1にフィードされた。蒸留塔1では水で抽出蒸留を行っており、接触塔7および蒸留塔1で用いられている水は蒸留塔1の下部より抜き出されるプロセス循環水を使用した。
蒸留塔1の塔頂から抜き出されたアクリロニトリルおよび水などを含むガスは、ライン20を通してデカンター8にフィードされた。重合防止剤としてハイドロキノン4質量%水溶液が、ライン11を通して、蒸留塔1の塔頂から抜き出されたアクリロニトリルおよび水などを含むガス全体に対して、約0.25質量%の割合でライン20に導入された。その後、アクリロニトリルおよび水などを含むガスを、冷却して液体としデカンター8で油水分離した。デカンター8で分離した水は、ライン22を通して蒸留塔1のフィードライン10に導入された。アクリロニトリルを含む油層を、ライン21を通して後の精製工程に導入し、精製されたアクリロニトリルが得られた。
精製したアクリロニトリルを貯蔵しているタンク3のベントガスはライン15を通してベントガス吸収塔2に導入されており、このベントガス吸収塔2における吸収液として、上記蒸留塔1の下部より抜き出されたプロセス循環水を用いた。該プロセス循環水は、ライン13を通してベントガス吸収塔2へとフィードされた。ベントガス吸収塔2の塔底液はライン14を通して蒸留塔1のフィードライン10へと戻された。
ベントガス吸収塔2を10年以上連続して運転したが、吸収能力の低下などは観測されなかった。また、この期間中におけるベントガス吸収塔2の吸収水中のハイドロキノン濃度は25〜55質量ppmであった。ハイドロキノン濃度は、分光光度計により測定した。さらに、この期間中、ベントガス吸収塔2の汚れを防止しつつ、安定的に重合性化合物を精製することができた。
[比較例1]
ベントガス吸収塔2における吸収液として、プロセス循環水でなく、工業用精製水を用いた以外は、実施例1と同様の操作を行った。その結果、5年でベントガス吸収塔2の内壁にポリマーが付着し、内壁から脱落したポリマーが吸収塔塔底出口ノズル周辺に堆積し、詰まりが発生した。
1 蒸留塔
2 ベントガス吸収塔
3 重合性化合物貯蔵タンク
4 重合性化合物貯蔵ドラム
5 ベントガス吸収塔塔頂ガス吸引ブロワ
6 廃ガス焼却炉用の空気ブロワまたは廃水焼却炉用の空気ブロワ
7 接触塔
10 蒸留塔フィードライン
11 重合防止剤のフィードライン
12 プロセス循環水ライン
13 ベントガス吸収塔フィードライン
14 ベントガス吸収塔塔底液戻りライン
15 ベントガスライン
16 ベントガス吸収塔塔頂ガスライン
17 廃ガス焼却炉用の空気ブロワ吸引側ラインまたは廃水焼却炉用の空気ブロワ吸引側ライン
18 接触塔の吸収水ライン
19 接触塔への反応ガスフィードライン
20 デカンターフィードライン
21 油層フィードライン
22 水層フィードライン

Claims (8)

  1. 精製装置で重合性化合物を精製する方法であって、
    前記精製装置が、重合性化合物と水との分離部と、重合性化合物の貯蔵部と、該貯蔵部に接続したベントガス吸収塔とを含み、
    前記分離部で重合性化合物と水とを分離する工程と、
    前記分離部で分離した水を、前記ベントガス吸収塔における吸収液として供給する工程とを含む重合性化合物の精製方法。
  2. 前記精製装置が、重合性化合物と水との接触部を含み、
    前記接触部で重合性化合物を水に接触させる工程を含む、請求項1に記載の重合性化合物の精製方法。
  3. 前記分離部で分離した水が重合防止剤を含む、請求項1または2に記載の重合性化合物の精製方法。
  4. 前記接触部で重合性化合物を水に溶解して得られた水溶液とともに、前記ベントガス吸収塔の塔底流を前記分離部に供給する、請求項2に記載の重合性化合物の精製方法。
  5. 前記精製装置が、廃水焼却炉用空気ブロワまたは廃ガス焼却炉空気ブロワを含み、
    前記ベントガス吸収塔塔頂の出口ガスを、廃水焼却炉用空気ブロワの吸引側、または廃ガス焼却炉空気ブロワの吸引側に導く、請求項1〜4のいずれか一項に記載の重合性化合物の精製方法。
  6. 請求項1〜5のいずれか一項に記載の精製方法により精製された重合性化合物。
  7. 重合性化合物と水との分離部と、
    重合性化合物の貯蔵部と、
    該貯蔵部に接続したベントガス吸収塔とを含み、
    前記分離部と前記ベントガス吸収塔とが接続されており、
    前記分離部で分離した水を、前記ベントガス吸収塔に供給する精製装置。
  8. さらに、重合性化合物と水との接触部を含み、
    前記ベントガス吸収塔における吸収液を前記分離部に供給する、請求項7に記載の精製装置。
JP2010257938A 2010-11-18 2010-11-18 重合性化合物の精製方法 Active JP5643064B2 (ja)

Priority Applications (1)

Application Number Priority Date Filing Date Title
JP2010257938A JP5643064B2 (ja) 2010-11-18 2010-11-18 重合性化合物の精製方法

Applications Claiming Priority (1)

Application Number Priority Date Filing Date Title
JP2010257938A JP5643064B2 (ja) 2010-11-18 2010-11-18 重合性化合物の精製方法

Publications (2)

Publication Number Publication Date
JP2012106956A true JP2012106956A (ja) 2012-06-07
JP5643064B2 JP5643064B2 (ja) 2014-12-17

Family

ID=46493012

Family Applications (1)

Application Number Title Priority Date Filing Date
JP2010257938A Active JP5643064B2 (ja) 2010-11-18 2010-11-18 重合性化合物の精製方法

Country Status (1)

Country Link
JP (1) JP5643064B2 (ja)

Cited By (1)

* Cited by examiner, † Cited by third party
Publication number Priority date Publication date Assignee Title
JP2016221443A (ja) * 2015-05-28 2016-12-28 三菱レイヨン株式会社 液体の処理方法

Citations (10)

* Cited by examiner, † Cited by third party
Publication number Priority date Publication date Assignee Title
JPS5810551A (ja) * 1981-07-09 1983-01-21 Asahi Chem Ind Co Ltd 不飽和ニトリルの製造法
JPS5953457A (ja) * 1982-09-21 1984-03-28 Asahi Chem Ind Co Ltd メタクリロニトリルの安定化方法
JPH11199560A (ja) * 1997-11-06 1999-07-27 Mitsubishi Chemical Corp ガス中のアクリロニトリルの回収方法
JP2000344711A (ja) * 1999-06-03 2000-12-12 Nippon Shokubai Co Ltd 易重合性化合物の精製方法
JP2000344688A (ja) * 1999-06-04 2000-12-12 Mitsubishi Chemicals Corp 易重合性化合物の精製方法
JP2000351749A (ja) * 1999-06-10 2000-12-19 Nippon Shokubai Co Ltd (メタ)アクリル酸の製造方法
JP2003175328A (ja) * 2001-12-11 2003-06-24 Nippon Shokubai Co Ltd 易重合性物質の貯蔵タンク
JP2004331599A (ja) * 2003-05-09 2004-11-25 Nippon Shokubai Co Ltd (メタ)アクリル酸および/またはそのエステルの蒸留方法
JP2005289927A (ja) * 2004-04-01 2005-10-20 Mitsubishi Chemicals Corp (メタ)アクリル酸誘導体の製造方法
JP2006509030A (ja) * 2002-12-04 2006-03-16 ザ・スタンダード・オイル・カンパニー 不飽和モノニトリル類の回収及び精製中に重合を阻止する方法

Patent Citations (10)

* Cited by examiner, † Cited by third party
Publication number Priority date Publication date Assignee Title
JPS5810551A (ja) * 1981-07-09 1983-01-21 Asahi Chem Ind Co Ltd 不飽和ニトリルの製造法
JPS5953457A (ja) * 1982-09-21 1984-03-28 Asahi Chem Ind Co Ltd メタクリロニトリルの安定化方法
JPH11199560A (ja) * 1997-11-06 1999-07-27 Mitsubishi Chemical Corp ガス中のアクリロニトリルの回収方法
JP2000344711A (ja) * 1999-06-03 2000-12-12 Nippon Shokubai Co Ltd 易重合性化合物の精製方法
JP2000344688A (ja) * 1999-06-04 2000-12-12 Mitsubishi Chemicals Corp 易重合性化合物の精製方法
JP2000351749A (ja) * 1999-06-10 2000-12-19 Nippon Shokubai Co Ltd (メタ)アクリル酸の製造方法
JP2003175328A (ja) * 2001-12-11 2003-06-24 Nippon Shokubai Co Ltd 易重合性物質の貯蔵タンク
JP2006509030A (ja) * 2002-12-04 2006-03-16 ザ・スタンダード・オイル・カンパニー 不飽和モノニトリル類の回収及び精製中に重合を阻止する方法
JP2004331599A (ja) * 2003-05-09 2004-11-25 Nippon Shokubai Co Ltd (メタ)アクリル酸および/またはそのエステルの蒸留方法
JP2005289927A (ja) * 2004-04-01 2005-10-20 Mitsubishi Chemicals Corp (メタ)アクリル酸誘導体の製造方法

Cited By (1)

* Cited by examiner, † Cited by third party
Publication number Priority date Publication date Assignee Title
JP2016221443A (ja) * 2015-05-28 2016-12-28 三菱レイヨン株式会社 液体の処理方法

Also Published As

Publication number Publication date
JP5643064B2 (ja) 2014-12-17

Similar Documents

Publication Publication Date Title
CN101703883B (zh) 脱除生物气中硫化氢的方法及装置
CN100424065C (zh) (甲基)丙烯酸类的生产方法
US20020189927A1 (en) Column treating process and apparatus therefor
US6667419B1 (en) Method for absorption of acrylic compound and apparatus therefor
ES2639166T3 (es) Procedimiento para producir un compuesto de ácido (met)acrílico
SA04250145B1 (ar) طريقة لإنتاج حمض ميث أكريليك
JPH10212249A (ja) 易重合性有機化合物の精製方法および精製装置
JP3992643B2 (ja) (メタ)アクリル酸および/またはそのエステルの蒸留方法
Lin et al. Performance of rotating packed beds in removing ozone from gaseous streams
JP5643064B2 (ja) 重合性化合物の精製方法
CN105408297B (zh) 用于连续回收(甲基)丙烯酸的方法和用于该方法的装置
CN100447122C (zh) 防止(甲基)丙烯酸或其酯的处理装置堵塞的方法
CN102007109B (zh) 环氧乙烷设备的操作
CN111971266A (zh) 不饱和羧酸酯的制造方法
JP5224631B2 (ja) 化学品製造設備における液状化学品の回収方法
JP3976986B2 (ja) 揮発性有機化合物の回収における排水の処理方法
CN1568413A (zh) 易聚合性液体的管道输送方法
JP4621174B2 (ja) (メタ)アクリル酸および/またはそのエステルの蒸留方法
JP4466190B2 (ja) 易重合性化合物の取り扱い装置及び製造装置
CN1697676A (zh) 易聚合化合物的容器
CN105228951A (zh) 用于通过分馏纯化原料气体的方法
JP5050706B2 (ja) タンクのベントガスの処理方法
EP1469931B1 (en) Process for removing sulfur compounds by absorption
JP2016193412A (ja) 有機溶剤含有ガス処理システム
JP2011178694A (ja) 有機溶剤中の酸処理装置および有機溶剤の酸処理方法

Legal Events

Date Code Title Description
A621 Written request for application examination

Free format text: JAPANESE INTERMEDIATE CODE: A621

Effective date: 20131008

A977 Report on retrieval

Free format text: JAPANESE INTERMEDIATE CODE: A971007

Effective date: 20140630

A131 Notification of reasons for refusal

Free format text: JAPANESE INTERMEDIATE CODE: A131

Effective date: 20140707

A521 Written amendment

Free format text: JAPANESE INTERMEDIATE CODE: A523

Effective date: 20140806

TRDD Decision of grant or rejection written
A01 Written decision to grant a patent or to grant a registration (utility model)

Free format text: JAPANESE INTERMEDIATE CODE: A01

Effective date: 20141023

A61 First payment of annual fees (during grant procedure)

Free format text: JAPANESE INTERMEDIATE CODE: A61

Effective date: 20141030

R150 Certificate of patent or registration of utility model

Ref document number: 5643064

Country of ref document: JP

Free format text: JAPANESE INTERMEDIATE CODE: R150

S111 Request for change of ownership or part of ownership

Free format text: JAPANESE INTERMEDIATE CODE: R313111

R350 Written notification of registration of transfer

Free format text: JAPANESE INTERMEDIATE CODE: R350

S531 Written request for registration of change of domicile

Free format text: JAPANESE INTERMEDIATE CODE: R313531

R350 Written notification of registration of transfer

Free format text: JAPANESE INTERMEDIATE CODE: R350