JP2010141877A - 結合線路フィルタ及びその配置方法 - Google Patents

結合線路フィルタ及びその配置方法 Download PDF

Info

Publication number
JP2010141877A
JP2010141877A JP2009247990A JP2009247990A JP2010141877A JP 2010141877 A JP2010141877 A JP 2010141877A JP 2009247990 A JP2009247990 A JP 2009247990A JP 2009247990 A JP2009247990 A JP 2009247990A JP 2010141877 A JP2010141877 A JP 2010141877A
Authority
JP
Japan
Prior art keywords
line
resonator
coupled
resonators
filter
Prior art date
Legal status (The legal status is an assumption and is not a legal conclusion. Google has not performed a legal analysis and makes no representation as to the accuracy of the status listed.)
Pending
Application number
JP2009247990A
Other languages
English (en)
Inventor
Man-Seok Uhm
マン−ソク オム
Youn-Sub Noh
ユン ソブ ノ
Changsoo Kwak
チャンス カク
So-Hyeun Yun
ソ−ヒョン ユン
Kiburm Ahn
キボム アン
In-Bok Yom
イン−ボク ヨム
Current Assignee (The listed assignees may be inaccurate. Google has not performed a legal analysis and makes no representation or warranty as to the accuracy of the list.)
Electronics and Telecommunications Research Institute ETRI
Original Assignee
Electronics and Telecommunications Research Institute ETRI
Priority date (The priority date is an assumption and is not a legal conclusion. Google has not performed a legal analysis and makes no representation as to the accuracy of the date listed.)
Filing date
Publication date
Priority claimed from KR1020090022531A external-priority patent/KR101160560B1/ko
Application filed by Electronics and Telecommunications Research Institute ETRI filed Critical Electronics and Telecommunications Research Institute ETRI
Publication of JP2010141877A publication Critical patent/JP2010141877A/ja
Pending legal-status Critical Current

Links

Images

Classifications

    • HELECTRICITY
    • H01ELECTRIC ELEMENTS
    • H01PWAVEGUIDES; RESONATORS, LINES, OR OTHER DEVICES OF THE WAVEGUIDE TYPE
    • H01P1/00Auxiliary devices
    • H01P1/20Frequency-selective devices, e.g. filters
    • H01P1/201Filters for transverse electromagnetic waves
    • H01P1/203Strip line filters
    • H01P1/20327Electromagnetic interstage coupling
    • H01P1/20336Comb or interdigital filters

Landscapes

  • Physics & Mathematics (AREA)
  • Electromagnetism (AREA)
  • Control Of Motors That Do Not Use Commutators (AREA)

Abstract

【課題】広帯域特性を有し、かつ、挿入損失が低く、ユーザの所望する周波数帯域でのみ通過帯域を形成可能であり、多層構造の基板に好適な結合線路フィルタ及びその配置方法を提供する。
【解決手段】結合線路フィルタは、互いに平行に配置されており、予め決定された中心周波数で270゜の電気的長さを各々が有する、入力ポートを接続された第1の線路共振器と出力ポートと接続された第2の線路共振器、及び前記第1の線路共振器と前記第2の線路共振器との間に配置され、各々が前記中心周波数で90゜の電気的長さを有し、第1の側が前記第1の線路共振器及び前記第2の線路共振器の第1の側に整列される、1つ又は複数の線路共振器を含む第3の線路共振部を備え、前記第3の線路共振部に含まれる線路共振器の個数と、前記第1及び前記第2の線路共振器とを合計することにより、前記結合線路フィルタの次数が決定されることを特徴とする。
【選択図】図5

Description

本発明は、結合線路フィルタに関し、より詳細には、高い周波数帯域で使用可能な結合線路フィルタに関する。
広帯域信号の使用及び高速データ処理に有利な無線周波数帯域として、非常に高い周波数を用いることに関心が集まっている。具体的には、60GHz超の周波数帯域が望まれており、これに関する個別部品及びシステムを開発するため韓国内外で研究が行われている。また、個別部品のサイズを最小化するため、及びコストを低減するために、3次元集積のためのLTCC(Low−Temperature Co−fired Ceramic)技術が採用されている。
一方、無線通信システムにおいて欠かせない部品の一つは、所望の周波数帯域内の信号を選択するフィルタである。このフィルタは、無線通信システムの小型化及び低価格化にとって障害であった。このような無線通信システムでは、集中素子(lumped element)を用いたフィルタ、伝送線路(transmission line)を用いたマイクロストリップ又はストリップラインフィルタ、共振器フィルタ、導波管フィルタ、及びSAW(Surface Acoustic Wave)フィルタが、使用される。
このような多様なフィルタの中で、共振器フィルタは、その優れた電気性能のためマイクロ波帯域に対し主に使用されるフィルタである。この共振器フィルタは、共振器と共振器間の結合要素とから形成され、所望する周波数帯域で極めて低い損失を有することが可能である。また、共振器の構造は、目標の周波数帯域幅を得るため、共振器間の結合量に、非常に広い使用範囲を提供するべきである。しかし、約90゜の位相の伝送線路を有する共振器フィルタは、係数フィルタが接地されている上面と下面との間の伝送線路を使用するとき、低品質係数を有するので、mm波領域で低挿入損失を得るために、ほとんど使用されない。
伝送線路を用いたフィルタが高品質係数を有するようにするために、伝送線路の挿入損失特性は優れていなければならない。このため、導電体によって取り囲まれた導波管を用いたフィルタが、伝送線路タイプのフィルタの代わりに、一般に使用されている。このような導波管を有するフィルタは、LTCC技術において、側面を、導電体の代わりに、ビアによって取り囲むことで実現される。
このような導波管を使用するLTCCフィルタは、従来の導波管フィルタと類似する共振器の形態及び共振器間の結合構造を有する。違いがあるとすれば、1番目の共振器が入力ポートとマイクロストリップ線路を通じて直接結合され、多層で積み重なった導波管がスロットを通じてLTCCフィルタ内で結合されることである。特許文献1と特許文献2が、そのような導波管を用いるLTCCフィルタについて開示する。しかし、開示された技術は、共振器間の少ない結合数及び入力/出力ポートと共振器との間の少ない結合量を有し、広帯域特性を有するフィルタを実現するには限界がある。
一方、マイクロ波帯域で使用される結合線路フィルタには、インターディジタル(inter−digital)フィルタがあり、これは、以下で添付図面を参照して詳細に説明される。
図1は、典型的なインターディジタルフィルタを示す。
図1を参照すると、一般的なインターディジタルフィルタは、マイクロ波帯域で使用される帯域通過フィルタ(band pass filter)の一種である。この帯域通過フィルタは、平面基板の形態を有し、入力線路(Input)と出力線路(Output)との間に複数の線路共振器110、120、130、140、及び150が配置される。線路共振器110、120、130、140、及び150は、同一の形態の複数の伝送線路によって実現される。線路共振器110、120、130、140、及び150は、それらの間の予め決定された間隔だけ離隔して配置される。図1では、第1の線路共振器110と第2の線路共振器120との間隔は、g12と表示され、設計帯域幅に応じて共振器間の間隔が決定される。線路共振器110、120、130、140、及び150は一方の側のみで接地され、接地される側は交互である。例えば、奇数番目の共振器110、130、及び150の第1の側(下側)が接地された場合、偶数番目の共振器120、及び140の第2の側(上側)が接地される。
インターディジタルフィルタの線路共振器110、120、130、140、及び150は、ユーザにより所望される帯域の中心周波数で90゜の電気的長さを有していなければならない。ここで、線路共振器110、120、130、140、及び150が中心周波数で90゜の電気的長さを有するということは、線路共振器110、120、130、140、及び150の各々がこの中心周波数でλ(波長)/4の長さを有することを意味する。例えば、1GHzにおいて1λは300mmである。従って、90゜の電気的長さを有するためには、1GHzにおいて線路共振器の長さは75mmでなければならない。周波数が高ければ高いほど波長は短くなるため、線路共振器の長さは短くなる。
要約すると、非常に高い周波数では波長は短いので、線路共振器は短くならざるを得ない。例えば、中心周波数が60GHzの場合、自由空間で90゜の電気的長さを有するためには、線路共振器の長さは1.25mmでなければならない。しかし、図1のインターディジタルフィルタを実際に設計するとき、即ち、線路共振器を所定の基板上に実現する場合、線路共振器の長さは、幅に比べてそれほど長くない。また、共振器の長さが短くなるとき、インターディジタルフィルタの挿入損失に影響する品質係数(Q)は低くなる。
この問題は、高い周波数において90゜の電気的長さを有する線路共振器を使用する代わりに、270゜の電気的長さを有する線路共振器を使用することにより、解決することができる。しかし、270゜の電気的長さを有する線路共振器を用いて結合線路フィルタが形成される場合、ユーザにより所望されない低周波数帯域でも形成される通過帯域の問題がある。
米国特許出願公開第2004/0041663号明細書 米国特許出願公開第2007/0120628号明細書
本発明の一実施形態は、広帯域特性及び低挿入損失を有する結合線路フィルタを提供することに向けられる。
本発明の別の実施形態は、ユーザによって所望される周波数帯域でのみ通過帯域を形成することができる結合線路フィルタを提供することに向けられる。
本発明の別の実施形態は、多層構造を有する基板に好適な結合線路フィルタを提供することに向けられる。
本発明の他の目的及び利点は、次の説明によって理解することができ、本発明の実施形態への参照と共に明らかになる。また、本発明が属する分野における当業者にとって、本発明の目的及び利点を特許請求の範囲に記載された手段及びその組み合わせによって達成できることは、明白である。
本発明の一態様によると、予め決定された中心周波数で270゜の電気的長さを各々が有し、入力ポートと出力ポートとに接続され、互いに平行に配置されている、第1の線路共振器及び第2の線路共振器と、第1の線路共振器と第2の線路共振器との間に配置され、各々が中心周波数で90゜の電気的長さを有し、第1の側が第1の線路共振器及び第2の線路共振器の第1の側に整列される、1つ又は複数の線路共振器を備える第3の線路共振部とを備え、結合線路フィルタの次数は、第3の線路共振部内の線路共振器の個数と、第1の線路共振器及び第2の線路共振器とを合わせることによって決定されることを特徴とする、結合線路フィルタが提供される。
本発明の別の態様によると、結合線路フィルタ内で線路共振器を配置する方法が提供される。この方法は、予め決定された中心周波数で270゜の電気的長さを共に有する第1の線路共振器と第2の線路共振器とを互いに平行に配置するステップと、中心周波数で90゜の電気的長さを有する1つ又は複数の線路共振器を備える第3の線路共振部を、第1の線路共振器と第2の線路共振器との間に配置するステップであって、第3の線路共振部の線路共振器の第1の側が第1の線路共振器及び第2の線路共振器の第1の側に整列されるように配置されるステップとを含むことを特徴とする。
本発明に係る結合線路フィルタを使用すれば、多層構造の基板に好適であるため、集積化に有利であるという利点がある。また、広帯域特性を有し、かつ、挿入損失が低いという利点がある。更に、多層基板への実現が可能で、結合量を増加させることにより、使用周波数帯域を拡大できるという利点がある。なお、ユーザの所望する周波数帯域でのみ通過帯域を形成し、それ以外の低周波数帯域では通過帯域を形成しないという利点がある。
典型的なインターディジタルフィルタを示す図である。 本発明の第1の実施形態に係る結合線路フィルタを示す図である。 本発明の第2の実施形態に係る結合線路フィルタを示す図である。 本発明の第3の実施形態に係る結合線路フィルタを示す図である。 本発明の第4の実施形態に係る結合線路フィルタを示す図である。 本発明の第5の実施形態に係る結合線路フィルタを示す図である。 本発明の第6の実施形態に係る結合線路フィルタを示す図である。 本発明の第7の実施形態に係る結合線路フィルタを示す図である。 LTCC技術に適用される図1の典型的な3次インターディジタルフィルタを示す斜視図である。 3段に積層された図1の従来の3次インターディジタルフィルタを示す斜視図である。 LTCC技術を適用して3段に積層された図3に示す本発明の第2の実施形態に係る結合線路フィルタを示す斜視図である。 図9乃至図11の結合線路フィルタの反射係数S11と透過係数S21とを比較的に示すグラフである。 図10乃至図11の結合線路フィルタの透過係数S21を比較的に示すグラフである。
本発明の利点、特徴、及び態様は、以下で説明される添付図面への参照と共に、次の説明から明らかになるであろう。以下で用いられる用語は、本発明の理解を容易にするためのものであって、様々な用語は、同じ用途で使用されるにもかかわらず、各製造会社又は研究グループによって、異なることがある。
図2は、本発明の第1の実施形態に係る結合線路フィルタを示す。
図2を参照すると、本発明の第1の実施形態に係る結合線路フィルタは、入力線路(Input)と、出力線路(Output)と、複数の線路共振器210、211、212、…、213、及び214とを備える。
入力線路は第1の線路共振器210に直接接続され、出力線路は最後の線路共振器214に直接接続される。線路共振器210、211、212、…、213、及び214の個数は、ユーザの所望する次数(order)に基づいて決定される。ユーザが3次の結合線路フィルタを設計することを希望する場合、結合線路フィルタは3つの線路共振器で実現される。
また、線路共振器210、211、212、…、213、及び214の各々は、設計値に応じて決定された幅を有し、線路共振器210、211、212、…、213、及び214は、平行に配置される。しかし、線路共振器210、211、212、…、213、及び214の長さは、図2に示すように、互いに異なる。即ち、線路共振器210、211、212、…、213、及び214のうち、図2に示される、入力線路から奇数番目の場所に配置される線路共振器210、212、…、214は(以下、奇数番目に位置する線路共振器とする)、予め決定された第1の長さを有するのに対して、入力線路から偶数番目の場所に配置される線路共振器211、…、213は(以下、偶数番目に位置する線路共振器とする)、予め決定された第2の長さを有する。
本発明の第1の実施形態では、第1の長さと第2の長さが異なり、第1の長さが第2の長さより長いと仮定する。偶数番目に位置する線路共振器211、…、213の第2の長さは、奇数番目に位置する線路共振器210、212、…、214の第1の長さの1/3とすることが可能である。奇数番目に位置する線路共振器210、212、…、214の電気的長さを270゜にすることが可能である一方、偶数番目に位置する線路共振器211、…、213の電気的長さを90゜にすることが可能である。
また、複数の線路共振器210、211、212、…、213、及び214の各々は、接地される一方の側を有する。ここで、接地は、接地線路の形成により実現され(図示せず)、線路共振器210、211、212、…、213、及び214の各々に直接接続することができる。また、接地面(図示せず)を、線路共振器210、211、212、…、213、及び214が配置され、複数のビアを介して接地のために線路共振器210、211、212、…、213、及び214に接続された、所定基板の上又は下に配置することができる。このような接地面(図示せず)は、後で図10を参照して詳細に説明される。
複数の線路共振器210、211、212、…、213、及び214は、2つの側を有するが、一方の側のみが接地される。更に、線路共振器210、211、212、…、213、及び214は同一方向に接地される。
また、奇数番目に位置する線路共振器210、212、…、214の接地された側を、偶数番目に位置する線路共振器211、…、213の接地された側と、同様の位置に配列することができる。
図3は、本発明の第2の実施形態に係る結合線路フィルタを示す。
図3を参照すると、本発明の第2の実施形態に係る結合線路フィルタは、図2に示す第1の実施形態に係る結合線路フィルタに類似する構造を有する。この2つの結合線路フィルタ間の差異は、第2の実施形態に係る結合線路フィルタが線路共振器210、211、212、…、213、及び214の接地方向と異なる、線路共振器310、311、312、…、313、及び314の接地方向を有することである。即ち、複数の線路共振器310、311、312、…、313、及び314のうち、偶数番目に位置する線路共振器311、…、313は、他方の側を接地させる。ここで、偶数番目に位置する線路共振器311、…、313の他方の側とは、奇数番目に位置する線路共振器310、312、…、314が配置されない側を意味する。
図2及び図3に示す本発明の実施形態は、長さの短い共振器が、長さの長い共振器と同一の接地方向を有すること、又は長さの長い共振器と反対の接地方向を有することを示す。図2及び図3に示す結合線路フィルタは、同様の効果を有するが、図2に示す第1の実施形態に係る結合線路フィルタは、線路共振器が同一の接地方向を有するため、図3に示す第2の実施形態に係る結合線路フィルタより少ない結合量を有する。従って、図3に示す第2の実施形態の結合線路フィルタが、この2つの結合線路フィルタ間ではより効果的である。
図4は、本発明の第3の実施形態に係る結合線路フィルタを示す。
図4を参照すると、本発明の第3の実施形態に係る結合線路フィルタは、図2に示す第1の実施形態に係る結合線路フィルタに類似している。この2つの結合線路フィルタ間の差異は、図2に示す第1の実施形態に係る結合線路フィルタの偶数番目に位置する線路共振器211、…、213は、奇数番目に位置する線路共振器210、212、…、214の一方の側に配置されるのに対し、図4に示す第3の実施形態に係る結合線路フィルタの偶数番目に位置する線路共振器411、…、413は、奇数番目に位置する線路共振器410、412、…、414の他方の側に配置されることである。図4に示す第3の実施形態に係る結合線路フィルタの偶数番目に位置する線路共振器411、…、413は、偶数番目に位置する線路共振器411、…、413が配置されない、奇数番目に位置する線路共振器410、412、…、414の側に向かって同一方向で接地される。
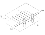
図5は、本発明の第4の実施形態に係る結合線路フィルタを示す。
図5を参照すると、本発明の第4の実施形態の結合線路フィルタは、図3に示す本発明の第2の実施形態の結合線路フィルタに類似している。この2つの結合線路フィルタ間の差異は、図3に示す第2の実施形態の結合線路フィルタの偶数番目に位置する線路共振器311、…、313は、奇数番目に位置する線路共振器310、312、…、314の一方の側に配置されるのに対し、図5に示す第4の実施形態の結合線路フィルタの偶数番目に位置する線路共振器511、…、513は、奇数番目に位置する線路共振器510、512、…、514の他方の側に配置されることである。図5に示す第4の実施形態の結合線路フィルタの偶数番目に位置する線路共振器511、…、513は、偶数番目に位置する線路共振器511、…、513が配置される、奇数番目に位置する線路共振器510、512、…、514の側に向かって同一方向で接地される。
図4及び図5に示す本発明の実施形態は、長さの短い共振器が、長さの長い共振器と同一の接地方向を有すること、又は長さの長い共振器と反対の接地方向を有することを示す。図4及び図5に示す結合線路フィルタは、同様の効果を有するが、図4に示す第3の実施形態の結合線路フィルタは、同一の接地方向を有するので、図5に示す第4の実施形態の結合線路フィルタより少ない結合量を有する。従って、図5に示す第4の実施形態の結合線路フィルタが、この2つの結合線路フィルタ間ではより効果的である。
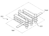
図6は、本発明の第5の実施形態に係る結合線路フィルタを示す。
図6を参照すると、本発明の第5の実施形態の結合線路フィルタは、図5に示す第4の実施形態の結合線路フィルタの偶数番目に位置する線路共振器511、…、513に、図3に示す第2の実施形態の結合線路フィルタの構造を追加した構造を有する。
第5の実施形態の結合線路フィルタでは、偶数番目に位置する線路共振器611、612、…、614、615は、90゜の電気的長さを有し、第1の線路共振器610と最後の線路共振器616の両側に配置されるので、第2の線路共振器611と612との間の間隔はλ/4となる。
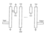
図7は、本発明の第6の実施形態に係る結合線路フィルタを示す。
図7を参照すると、本発明の第6の実施形態の結合線路フィルタは、線路共振器510、511、512、…、513、及び514のうち、第1の線路共振器510と最後の線路共振器514の形態を除いて、図5に示す本発明の第4の実施形態の結合線路フィルタの構造を有する。他の線路共振器511、512、…、513は同一である。
第1の線路共振器710及び最後の線路共振器714は、「U」状に湾曲した形態を有する。第1の線路共振器710及び最後の線路共振器714は「U」状に曲げられるが、それらは270゜の電気的長さを維持する。
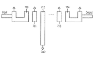
図8は、本発明の第7の実施形態に係る結合線路フィルタを示す。
図8を参照すると、本発明の第7の実施形態の結合線路フィルタは、本発明の第6の実施形態の結合線路フィルタに類似している。この2つの結合線路フィルタの差異は、第1の線路共振器810と最後の線路共振器814を除くすべての線路共振器811、812、…、813が90゜の電気的長さを有することである。
上述のように、図2乃至図8に示す本発明の実施形態に係る結合線路フィルタは、従来のインターディジタルフィルタで使用される伝送線路より少ない伝送線路を用いて共振器を形成するので、経済的である。更に、多層構造の基板を使用するので、他の回路と容易に集積可能であるという点で有利である。
また、図2乃至図8に示す本発明の実施形態に係る結合線路フィルタは、ユーザの所望する高周波数帯域以外の低周波帯域で通過帯域を作らないという別の利点がある。更に、広帯域特性も低挿入速度も有する。以下では、これらの有利な態様について添付図面を参照して説明する。
図9は、LTCC技術を適用した図1の典型的な3次インターディジタルフィルタを示す斜視図である。図10は、3段に積層された図1の典型的な3次インターディジタルフィルタを示す斜視図である。図11は、LTCC技術を適用することにより3段に積層された図3に示す本発明の第2の実施形態の結合線路フィルタを示す斜視図である。
図9を参照すると、典型的な3次インターディジタルフィルタを構成する入力線路、出力線路、及び複数の線路共振器が、LTCC基板910内に配置される。ここで、LTCC基板910の上面と下面には接地面が設けられる。LTCC基板910内の線路共振器の各々は、ビア920を介して接地基板に接続される一方の側を有する。
一方、実際に実現されたLTCC基板910は、5.9の誘電率と、0.02の損失正接を有し、線路共振器は、電気的長さが270゜である伝送線路から形成された。
図10は、3段に積層された図1の典型的な3次インターディジタルフィルタを示す。図9に示すインターディジタルフィルタのように、LTCC基板1010の上面と下面には接地面が設けられており、ビア1020を介して複数の線路共振器が接地面に接続される。線路共振器は、図9に示す複数の線路共振器と同様に、電気的長さが270゜の伝送線路を用いて実現される。
図11を参照すると、3段で積層されLTCC基板1110内に配置された、図3に示す本発明の第2の実施形態の結合線路フィルタを示している。この構造においても、ビア1120を介して複数の共振器が接地面に接続されている。図11に示す線路共振器のうち、長さの長い共振器は、中心周波数で電気的長さが270゜の伝送線路から形成され、長さの短い共振器は、電気的長さが、長さの長い共振器の1/3、即ち、90゜の伝送線路から形成される。
このような図9乃至図11に示す結合線路フィルタの効果は、高周波回路の解析において高い信頼性を有する電磁界解析を利用して分析された。以下、図12及び図13を参照して、図9乃至図11に示すフィルタの効果を説明する。
図12は、図9乃至図11に示す結合線路フィルタの反射係数S11と透過係数S21とを比較的に示すグラフである。
このグラフでは、参照番号1210は、図9に示す結合線路フィルタの反射係数S11と透過係数S21とを示すグラフであり、参照番号1220は、図10に示す結合線路フィルタの反射係数S11と透過係数S21とを示すグラフである。参照番号1230は、図11に示す結合線路フィルタの反射係数S11と透過係数S21とを示すグラフである。
図12のグラフから、図9及び図10に示す一般的なインターディジタルフィルタが類似する反射係数S11と透過係数S21とを有することがわかる。図示していないが、図10の結合線路フィルタの線路共振器間の間隔を約40μmより広くする場合、図10の結合線路フィルタの線路共振器間は、図9の結合線路フィルタと類似する結果を依然として有する。
図12を再び参照すると、図11に示す本発明の結合線路フィルタは、図9及び図10に示す一般的なインターディジタルフィルタと類似の周波数特性を有することが観察される。
図13は、図10乃至図11の結合線路フィルタの透過係数S21を低周波数で比較的に示すグラフである。この図において、参照番号1220は、図10に示す結合線路フィルタの透過係数S21を示すグラフであり、参照番号1230は、図11に示す結合線路フィルタの透過係数S21を示すグラフである。
図13を参照すると、図11に示す本発明の結合線路フィルタは、低い周波数帯域で図10に示す一般的なインターディジタルフィルタより約20dB超の信号を遮断する効果を有することが観察される。このような結果に基づいて、図11に示す本発明の結合線路フィルタにより多くの短い線路共振器を使用すると、低周波数帯域における信号遮断の効果が増加されることが予想される。
具体的な実施形態に関して本発明が説明されてきたが、特許請求の範囲で定義される本発明の趣旨及び範囲から逸脱しないで、様々な変化及び変更をなすことができることは、当業者にとって明白であろう。

Claims (20)

  1. 各々が予め決定された中心周波数で270゜の電気的長さを有し、入力ポート及び出力ポートに接続され、互いに平行に配置されている第1の線路共振器及び第2の線路共振器と、
    前記第1の線路共振器と前記第2の線路共振器との間に配置され、第1の側が前記第1の線路共振器及び前記第2の線路共振器の第1の側に整列され、各々が前記中心周波数で90゜の電気的長さを有する1つ又は複数の線路共振器を備える第3の線路共振部と
    を備える結合線路フィルタであって、
    前記結合線路フィルタの次数は、前記第3の線路共振部内に含まれる線路共振器の個数を、前記第1の線路共振器及び前記第2の線路共振器と合わせることにより決定されることを特徴とする結合線路フィルタ。
  2. 請求項1に記載の結合線路フィルタにおいて、前記第1の線路共振器及び前記第2の線路共振器の前記第1の側は、接地に結合され、前記第3の線路共振部の各線路共振器の前記第1の側又は第2の側は、前記接地に結合されることを特徴とする結合線路フィルタ。
  3. 請求項1に記載の結合線路フィルタにおいて、前記第1の線路共振器及び前記第2の線路共振器の第2の側は、接地に結合され、前記第3の線路共振部の各線路共振器の前記第1の側又は第2の側は、前記接地に結合されることを特徴とする結合線路フィルタ。
  4. 請求項1に記載の結合線路フィルタにおいて、前記第3の線路共振部に含まれる線路共振器の個数が2n+1(ただし、nは自然数)の場合に、
    前記第1の線路共振器を基準として、奇数番目の場所に配置される線路共振器は、前記中心周波数で90゜の電気的長さを有する一方、偶数番目の場所に配置される線路共振器は、前記中心周波数で270゜の電気的長さを有することを特徴とする結合線路フィルタ。
  5. 請求項4に記載の結合線路フィルタにおいて、前記第1の線路共振器及び前記第2の線路共振器の前記第1の側は、接地に結合され、
    前記偶数番目の場所の線路共振器の第1の側は、前記接地に結合される一方、前記奇数番目の場所の線路共振器の第1の側又は第2の側は、前記接地に結合されることを特徴とする結合線路フィルタ。
  6. 請求項4に記載の結合線路フィルタにおいて、前記第1の線路共振器及び前記第2の線路共振器の第2の側は、接地に結合され、
    前記偶数番目に位置する線路共振器の前記第2の側は、前記接地に結合される一方、前記奇数番目に位置する線路共振器の第1の側又は第2の側は、前記接地に結合されることを特徴とする結合線路フィルタ。
  7. 請求項4に記載の結合線路フィルタにおいて、90゜の電気的長さを有し、前記第1の線路共振器及び前記第2の線路共振器の第2の側に整列され、前記偶数番目に位置する線路共振器と一列に配列された線路共振器を更に備えることを特徴とする結合線路フィルタ。
  8. 請求項1に記載の結合線路フィルタにおいて、前記第1の線路共振器及び前記第2の線路共振器は、U字形状に形成されることを特徴とする結合線路フィルタ。
  9. 請求項8に記載の結合線路フィルタにおいて、前記第3の線路共振部内に含まれる線路共振器の個数が2n+1(ただし、nは自然数)の場合に、
    前記第1の線路共振器を基準として、奇数番目の位置に配置される線路共振器は、前記中心周波数で90゜の電気的長さを有する一方、偶数番目の位置に配置される線路共振器は、前記中心周波数で270゜の電気的長さを有することを特徴とする結合線路フィルタ。
  10. 請求項8に記載の結合線路フィルタにおいて、前記第3の線路共振部内に含まれる線路共振器の個数が2n+1(ただし、nは自然数)の場合に、
    前記第1の線路共振器を基準として、奇数番目の場所に配置される線路共振器は、前記中心周波数で90°の電気的長さを有する一方、偶数番目の場所に配置される線路共振器は、前記中心周波数で90°の電気的長さを有することを特徴とする結合線路フィルタ。
  11. 請求項1に記載の結合線路フィルタにおいて、前記第1の線路共振器、前記第2の線路共振器、及び前記第3の線路共振部を複数備え、
    前記複数の第1の線路共振器、前記複数の第2の線路共振器、及び前記複数の第3の線路共振部はそれぞれ、積層構造から成ることを特徴とする結合線路フィルタ。
  12. 請求項11に記載の結合線路フィルタにおいて、積層構造を有する、前記複数の第1の線路共振器、前記複数の第2の線路共振器、及び前記複数の第3の線路共振部は、ビアを介して接地に接続されることを特徴とする結合線路フィルタ。
  13. 予め決定された中心周波数で270゜の電気的長さを共に有する第1の線路共振器と第2の線路共振器とを互いに平行に配置するステップと、
    前記中心周波数で90゜の電気的長さを有する1つ又は複数の線路共振器を備える第3の線路共振部を、前記第1の線路共振器と前記第2の線路共振器との間に配置するステップと
    を備える、結合線路フィルタ内の線路共振器を配置する方法であって、
    前記第3の線路共振部の前記線路共振器の第1の側は、前記第1の線路共振器及び前記第2の線路共振器の第1の側に整列されることを特徴とする結合線路フィルタ内の線路共振器を配置する方法。
  14. 請求項13に記載の方法において、
    前記第1の線路共振器及び前記第2の線路共振器の前記第1の側を接地に接続するステップと、前記第3の線路共振部の前記線路共振器の前記第1の側又は第2の側を前記接地に接続するステップとを更に備えることを特徴とする方法。
  15. 請求項13に記載の方法において、
    前記第1の線路共振器及び前記第2の線路共振器の第2の側を接地に接続するステップと、前記第3の線路共振部の前記線路共振器の前記第1の側又は第2の側を前記接地に接続するステップとを更に備えることを特徴とする方法。
  16. 請求項13に記載の方法において、前記第3の線路共振部内に含まれる前記線路共振器の個数が2n+1(ただし、nは自然数)の場合に、
    前記第1の線路共振器を基準として奇数番目の場所に配置される線路共振器は、前記中心周波数で90゜の電気的長さを有する一方、偶数番目の場所に配置される線路共振器は、前記中心周波数で270゜の電気的長さを有することを特徴とする方法。
  17. 請求項16に記載の方法において、
    前記中心周波数で90゜の電気的長さを有する線路共振器を配置するステップであって、前記第1の線路共振器及び前記第2の線路共振器の第2の側に整列され、且つ前記偶数番目に位置する線路共振器と一列に配列されるステップを更に備えることを特徴とする方法。
  18. 請求項13に記載の方法において、前記第1の線路共振器及び前記第2の線路共振器は、U字形状に形成されることを特徴とする方法。
  19. 請求項18に記載の方法において、前記第3の線路共振部内に含まれる前記線路共振器の個数が2n+1(ただし、nは自然数)の場合に、
    前記第1の線路共振器を基準として、奇数番目の場所に配置される線路共振器は、前記中心周波数で90゜の電気的長さを有する一方、偶数番目の場所に配置される線路共振器は、前記中心周波数で270゜の電気的長さを有することを特徴とする方法。
  20. 請求項18に記載の方法において、前記第3の線路共振部内に含まれる前記線路共振器の個数が2n+1(ただし、nは自然数)の場合に、
    前記第1の線路共振器を基準として、奇数番目の場所に配置される線路共振器は、前記中心周波数で90°の電気的長さを有する一方、偶数番目の場所に配置される線路共振器は、前記中心周波数で90°の電気的長さを有することを特徴とする方法。
JP2009247990A 2008-12-09 2009-10-28 結合線路フィルタ及びその配置方法 Pending JP2010141877A (ja)

Applications Claiming Priority (2)

Application Number Priority Date Filing Date Title
KR20080124650 2008-12-09
KR1020090022531A KR101160560B1 (ko) 2008-12-09 2009-03-17 결합 선로 필터 및 이의 배치 방법

Publications (1)

Publication Number Publication Date
JP2010141877A true JP2010141877A (ja) 2010-06-24

Family

ID=42230402

Family Applications (1)

Application Number Title Priority Date Filing Date
JP2009247990A Pending JP2010141877A (ja) 2008-12-09 2009-10-28 結合線路フィルタ及びその配置方法

Country Status (2)

Country Link
US (1) US8314667B2 (ja)
JP (1) JP2010141877A (ja)

Cited By (4)

* Cited by examiner, † Cited by third party
Publication number Priority date Publication date Assignee Title
US8942774B2 (en) 2011-09-29 2015-01-27 Kabushiki Kaisha Toshiba Radio-frequency filter comprising an even mode resonance of a same phase inside the bandwidth and an odd mode resonance of a reverse phase outside the bandwidth
JP2015171027A (ja) * 2014-03-07 2015-09-28 日立金属株式会社 フィルタ及びそれを用いた共用器、アンテナ装置
JP2021136601A (ja) * 2020-02-27 2021-09-13 株式会社フジクラ 方向性結合器及び減衰器
WO2022209278A1 (ja) * 2021-03-29 2022-10-06 株式会社村田製作所 誘電体フィルタ

Families Citing this family (18)

* Cited by examiner, † Cited by third party
Publication number Priority date Publication date Assignee Title
US8823470B2 (en) 2010-05-17 2014-09-02 Cts Corporation Dielectric waveguide filter with structure and method for adjusting bandwidth
EP2515372A1 (en) * 2011-04-20 2012-10-24 Microelectronics Technology Inc. Band-pass filter
US9030278B2 (en) 2011-05-09 2015-05-12 Cts Corporation Tuned dielectric waveguide filter and method of tuning the same
US9130256B2 (en) 2011-05-09 2015-09-08 Cts Corporation Dielectric waveguide filter with direct coupling and alternative cross-coupling
US9130255B2 (en) 2011-05-09 2015-09-08 Cts Corporation Dielectric waveguide filter with direct coupling and alternative cross-coupling
US9030279B2 (en) 2011-05-09 2015-05-12 Cts Corporation Dielectric waveguide filter with direct coupling and alternative cross-coupling
US9583805B2 (en) 2011-12-03 2017-02-28 Cts Corporation RF filter assembly with mounting pins
US9130258B2 (en) 2013-09-23 2015-09-08 Cts Corporation Dielectric waveguide filter with direct coupling and alternative cross-coupling
US10116028B2 (en) 2011-12-03 2018-10-30 Cts Corporation RF dielectric waveguide duplexer filter module
US10050321B2 (en) 2011-12-03 2018-08-14 Cts Corporation Dielectric waveguide filter with direct coupling and alternative cross-coupling
US9666921B2 (en) 2011-12-03 2017-05-30 Cts Corporation Dielectric waveguide filter with cross-coupling RF signal transmission structure
WO2015157510A1 (en) 2014-04-10 2015-10-15 Cts Corporation Rf duplexer filter module with waveguide filter assembly
FR3029368B1 (fr) * 2014-11-27 2018-04-06 Time Reversal Communications Dispositif de filtrage et ensemble filtrant a structure de bandes electriquement conductrices
US11081769B2 (en) 2015-04-09 2021-08-03 Cts Corporation RF dielectric waveguide duplexer filter module
US10483608B2 (en) 2015-04-09 2019-11-19 Cts Corporation RF dielectric waveguide duplexer filter module
CN112753130B (zh) * 2018-09-28 2022-08-05 株式会社村田制作所 带通滤波器、通信装置以及谐振器
US11437691B2 (en) 2019-06-26 2022-09-06 Cts Corporation Dielectric waveguide filter with trap resonator
US12119549B2 (en) * 2022-06-03 2024-10-15 Apple Inc. Electronic device antennas in acoustic cavities

Citations (6)

* Cited by examiner, † Cited by third party
Publication number Priority date Publication date Assignee Title
JPS5885601A (ja) * 1981-11-17 1983-05-23 Nec Corp マイクロストリツプ型帯域通過ろ波器
JPS61274502A (ja) * 1985-05-08 1986-12-04 アレン テレコム グループ,インコーポレイテッド 多フィルタマイクロ波フィルタリング装置
JPH029203A (ja) * 1988-06-28 1990-01-12 Sharp Corp マイクロ波フィルタ
JPH11186812A (ja) * 1997-12-22 1999-07-09 Mitsubishi Electric Corp 高周波フィルタおよび分波器
JP2000059113A (ja) * 1998-08-04 2000-02-25 Murata Mfg Co Ltd 伝送線路および伝送線路共振器
JP2002084101A (ja) * 2000-09-06 2002-03-22 Murata Mfg Co Ltd フィルタ、マルチプレクサおよび通信装置

Family Cites Families (11)

* Cited by examiner, † Cited by third party
Publication number Priority date Publication date Assignee Title
JPS62260401A (ja) * 1986-05-02 1987-11-12 Murata Mfg Co Ltd ストリツプラインフイルタ
US5621366A (en) * 1994-08-15 1997-04-15 Motorola, Inc. High-Q multi-layer ceramic RF transmission line resonator
KR100263704B1 (ko) 1998-01-17 2000-08-01 구자홍 고온초전도 마이크로 스트립라인 고주파 필터
JP3528044B2 (ja) * 1999-04-06 2004-05-17 株式会社村田製作所 誘電体フィルタ、誘電体デュプレクサおよび通信機
US6927653B2 (en) * 2000-11-29 2005-08-09 Kyocera Corporation Dielectric waveguide type filter and branching filter
KR20040050100A (ko) 2002-12-09 2004-06-16 엘지이노텍 주식회사 2단 인터디지털 밴드 패스 필터의 구조
JP3860559B2 (ja) * 2003-05-20 2006-12-20 株式会社東芝 帯域通過フィルタ
KR100605425B1 (ko) * 2004-10-18 2006-07-28 한국전자통신연구원 마이크로스트립형 대역통과필터
JP4236663B2 (ja) * 2005-07-28 2009-03-11 Tdk株式会社 電子デバイスおよびフィルタ
JP4171015B2 (ja) 2005-09-29 2008-10-22 株式会社東芝 フィルタ及びこれを用いた無線通信装置
KR100651627B1 (ko) * 2005-11-25 2006-12-01 한국전자통신연구원 교차결합을 갖는 유전체 도파관 필터

Patent Citations (6)

* Cited by examiner, † Cited by third party
Publication number Priority date Publication date Assignee Title
JPS5885601A (ja) * 1981-11-17 1983-05-23 Nec Corp マイクロストリツプ型帯域通過ろ波器
JPS61274502A (ja) * 1985-05-08 1986-12-04 アレン テレコム グループ,インコーポレイテッド 多フィルタマイクロ波フィルタリング装置
JPH029203A (ja) * 1988-06-28 1990-01-12 Sharp Corp マイクロ波フィルタ
JPH11186812A (ja) * 1997-12-22 1999-07-09 Mitsubishi Electric Corp 高周波フィルタおよび分波器
JP2000059113A (ja) * 1998-08-04 2000-02-25 Murata Mfg Co Ltd 伝送線路および伝送線路共振器
JP2002084101A (ja) * 2000-09-06 2002-03-22 Murata Mfg Co Ltd フィルタ、マルチプレクサおよび通信装置

Cited By (7)

* Cited by examiner, † Cited by third party
Publication number Priority date Publication date Assignee Title
US8942774B2 (en) 2011-09-29 2015-01-27 Kabushiki Kaisha Toshiba Radio-frequency filter comprising an even mode resonance of a same phase inside the bandwidth and an odd mode resonance of a reverse phase outside the bandwidth
JP2015171027A (ja) * 2014-03-07 2015-09-28 日立金属株式会社 フィルタ及びそれを用いた共用器、アンテナ装置
JP2021136601A (ja) * 2020-02-27 2021-09-13 株式会社フジクラ 方向性結合器及び減衰器
WO2022209278A1 (ja) * 2021-03-29 2022-10-06 株式会社村田製作所 誘電体フィルタ
JPWO2022209278A1 (ja) * 2021-03-29 2022-10-06
JP7559936B2 (ja) 2021-03-29 2024-10-02 株式会社村田製作所 誘電体フィルタ
US12506239B2 (en) 2021-03-29 2025-12-23 Murata Manufacturing Co., Ltd. Dielectric filter

Also Published As

Publication number Publication date
US20100141356A1 (en) 2010-06-10
US8314667B2 (en) 2012-11-20

Similar Documents

Publication Publication Date Title
JP2010141877A (ja) 結合線路フィルタ及びその配置方法
Snyder et al. Present and future trends in filters and multiplexers
Jachowski Passive enhancement of resonator Q in microwave notch filters
US8130063B2 (en) Waveguide filter
JPWO2009133713A1 (ja) 高周波フィルタ装置
US8970327B2 (en) Filter based on a combined via structure
US8330551B2 (en) Dual band high frequency amplifier using composite right/left handed transmission line
US20090027141A1 (en) Filter circuit, filter circuit device, multilayered circuit board, and circuit module each including the filter circuit
EP1302999A1 (en) Filter
US7468643B2 (en) Bandpass filter and wireless communications equipment using same
US7795996B2 (en) Multilayered coplanar waveguide filter unit and method of manufacturing the same
JP4598024B2 (ja) 帯域阻止フィルタ
EP2865046A1 (en) Bandpass filter and method of fabricating the same
JP4550915B2 (ja) フィルタ回路及びフィルタ回路素子、これを備えた多層回路基板並びに回路モジュール
CN111095671B (zh) 电介质滤波器、阵列天线装置
JP2000357903A (ja) 平面型フィルタ
US7408424B2 (en) Compact RF circuit with high common mode attenuation
KR101160560B1 (ko) 결합 선로 필터 및 이의 배치 방법
JP4251974B2 (ja) 高周波フィルタ
CN110492209B (zh) 一种基于多层lcp电路技术的自封装超宽带平衡滤波器
JP5417450B2 (ja) 高周波フィルタ
CN2938443Y (zh) 集成波导腔体滤波器
RU2259619C2 (ru) Полосно-пропускающий фильтр
JP6080538B2 (ja) フィルタ回路
JP3948281B2 (ja) バンドパスフィルタ

Legal Events

Date Code Title Description
RD02 Notification of acceptance of power of attorney

Free format text: JAPANESE INTERMEDIATE CODE: A7422

Effective date: 20121004

RD04 Notification of resignation of power of attorney

Free format text: JAPANESE INTERMEDIATE CODE: A7424

Effective date: 20121004

A621 Written request for application examination

Free format text: JAPANESE INTERMEDIATE CODE: A621

Effective date: 20121029

A977 Report on retrieval

Free format text: JAPANESE INTERMEDIATE CODE: A971007

Effective date: 20130828

A131 Notification of reasons for refusal

Free format text: JAPANESE INTERMEDIATE CODE: A131

Effective date: 20130903

A601 Written request for extension of time

Free format text: JAPANESE INTERMEDIATE CODE: A601

Effective date: 20131203

A602 Written permission of extension of time

Free format text: JAPANESE INTERMEDIATE CODE: A602

Effective date: 20131206

A601 Written request for extension of time

Free format text: JAPANESE INTERMEDIATE CODE: A601

Effective date: 20140106

A602 Written permission of extension of time

Free format text: JAPANESE INTERMEDIATE CODE: A602

Effective date: 20140109

A521 Written amendment

Free format text: JAPANESE INTERMEDIATE CODE: A523

Effective date: 20140131

A02 Decision of refusal

Free format text: JAPANESE INTERMEDIATE CODE: A02

Effective date: 20140617