JP2010100347A - 用紙折り装置 - Google Patents

用紙折り装置 Download PDF

Info

Publication number
JP2010100347A
JP2010100347A JP2008270504A JP2008270504A JP2010100347A JP 2010100347 A JP2010100347 A JP 2010100347A JP 2008270504 A JP2008270504 A JP 2008270504A JP 2008270504 A JP2008270504 A JP 2008270504A JP 2010100347 A JP2010100347 A JP 2010100347A
Authority
JP
Japan
Prior art keywords
folding
sheet
paper
stopper
roller
Prior art date
Legal status (The legal status is an assumption and is not a legal conclusion. Google has not performed a legal analysis and makes no representation as to the accuracy of the status listed.)
Granted
Application number
JP2008270504A
Other languages
English (en)
Other versions
JP5218836B2 (ja
Inventor
Yasuki Matsuura
康樹 松浦
Current Assignee (The listed assignees may be inaccurate. Google has not performed a legal analysis and makes no representation or warranty as to the accuracy of the list.)
Ricoh Co Ltd
Original Assignee
Ricoh Co Ltd
Priority date (The priority date is an assumption and is not a legal conclusion. Google has not performed a legal analysis and makes no representation as to the accuracy of the date listed.)
Filing date
Publication date
Application filed by Ricoh Co Ltd filed Critical Ricoh Co Ltd
Priority to JP2008270504A priority Critical patent/JP5218836B2/ja
Publication of JP2010100347A publication Critical patent/JP2010100347A/ja
Application granted granted Critical
Publication of JP5218836B2 publication Critical patent/JP5218836B2/ja
Expired - Fee Related legal-status Critical Current
Anticipated expiration legal-status Critical

Links

Images

Landscapes

  • Folding Of Thin Sheet-Like Materials, Special Discharging Devices, And Others (AREA)

Abstract

【課題】複数枚の用紙の用紙束を確実に折ることができ、折るときにシワが発生しないように、用紙を折る折りローラを工夫し、用紙を折る位置を規制するストッパにおいて搬送路を工夫すること。
【解決手段】搬送中の用紙を撓ませることにより、撓み部を上記折りローラ対に挟持させ搬送方向の折り位置を決定するストッパと、上記ストッパに突き当てることにより、用紙に撓みを形成させる搬送ローラとを備えて成り、上記折りローラ対は、互いに密接し第1折りローラ(21)と第2折りローラ(22)で形成される第1挟持部(K1)と、上記第2折りローラ(22)と第3折りローラ(23)で形成される第2挟持部(K2)と、第4折りローラ(24)と第5折りローラ(25)で形成される第3挟持部(K3)で構成され、上記第1挟持部を構成する第1及び第2折りローラは、大径部と、複数の中径部と、複数の小径部を備えることである。
【選択図】図1−1

Description

本発明は、複写機及び印刷機等の画像形成装置から排出された用紙(シート)を折り加工する用紙折り装置に関し、さらに詳しくは、二つ折り、内三つ折り、外三つ折り、Z折り、四つ折り、観音折り等の多種類の折り曲げ処理をする用紙折り装置に関するものであり、複写機、プリンタ等の画像形成装置における用紙後処理装置などに適用することが可能である。
画像形成装置から排出される用紙(シート)を折り加工する用紙折り装置としては、例えば、特許第3817424号公報、特許第3191492号公報、及び特開2000−355456号公報に記載されているものが、既に知られている。
上記特許第3817424号公報(「シート折り装置及びこれを備えた画像形成装置」、特許文献1)に記載されている「Z折り処理部」は、図12(a)に示されるように、Z折り処理をするシートPを搬送ローラ対81により第1折りパス82へ搬送し、シート先端受けストッパ83で受け止める。このシートPの先端をシート先端受けストッパ83に当接させたまま搬送を継続すると、該シートPは案内壁84の開口部85からはみ出して撓んで、第1及び第2折りローラ86、87により形成されるニップ部Xに接近して、該シートPのループ状の部分をニップ部Xに侵入させる。
シートPは、第1及び第2折りローラ86、87により2つ折りにされて第2折りパス88へ搬送され、シートPの折り端はシート折り端受けストッパ90に当接する。その後、折りガイド91の下端に対向するシートPの部分が撓みを開始してループ状になり、既に2つ折りにされている部分と一緒に第2及び第3折りローラ87、92のニップ部Yに接近して、ループ状の部分を第2及び第3折りローラ87、92に進入させる。
その結果、シートPは正確に3つ折りにされて、第2及び第3折りローラ87、92から排出される。
上記第1〜第3折りローラ86、87、92は、図12(b)に示されるように、ローラのシート搬送中央部に大径部86a、87a、92aと、シートの最大サイズより外側に位置するシート搬送両端部に別の大径部86b、87b、92bがそれぞれ設けられており、上記中央部の大径部86a、87a、92aの両側には、シート幅に対応して小径部が設けられている。
このような構成によれば、ニップ部XとYでシートPを挟持する際、シートPと各折りローラとは、シート搬送中央部の大径部86a、87a、92aで接触し挟持搬送される。その結果、シートPと第1〜第3折りローラ86、87、92との接触面積を減らすことが可能となり、シートの折りシワが発生する部位に掛かるシート折り時の前記ローラ両軸端方向からの圧力に対する逃げ場が確保され、折りシワの発生を防止できる。
上記特許第3191492号公報(「シート処理装置」、特許文献2)には、中綴じしたシートを2つ折りするシート処理装置が記載されている。このシート処理装置では、記録シートが所定枚数中綴じ用コンパイルトレイに収納され、サドルステープラにより中綴じが行われた後、シート位置調節部材が降下して、中綴じされたシートの中央部をシート折曲装置に位置させて、ナイフエッジを中綴じ用コンパイルトレイ内に突出させる。このナイフエッジが中綴じされたシートの中央を垂直に押圧して、1対の折りローラの間に押し込み、この1対の折りローラにより中綴じされたシートを折曲する。
上記特開2000−355456号公報(「画像形成装置の記録紙後処理装置」、特許文献3)には、画像形成装置で画像記録された記録紙を複数枚束ねた記録紙束に中綴じ処理を行い、2つ折りにする記録紙後処理装置が記載されている。
この記録紙後処理装置では、図13に示されるように、中折り位置で綴じられた記録紙束Pnを、中折り板95の先端部分が中折りローラ96のニップ位置に達するまで前進させ、記録紙束が中折りローラ96に挟まれる。この記録紙束Pnを挟み込む中折りローラ96は、中折り板95の駆動動作とほぼ同時に回転を始め、記録紙束を挟み込んだまま排出していく。このようにして、記録紙束Pnを複数枚まとめて束ねた冊子状のものが製本される。
このような記録紙後処理装置により、中折り位置で綴じられていない記録紙束を、中折り板95の先端部分が中折りローラ96のニップ位置に達するまで前進させ、記録紙束が中折りローラ96に挟まれることによって中折りする場合、この中折りローラ96と接触する最も外側の記録紙1枚のみが、折られてしまうことがある。
特許第3817424号公報(特開2002−193544号公報) 特許第3191492号公報(特開平7−48062号公報) 特開2000−355456号公報
上記特許文献1に記載されたシート折り装置では、シートPの折り位置を決めるストッパ83、90のストッパ爪は、案内壁84により一定の隙間で形成されている搬送路(折りパス82、88)に対して垂直に配置されている。
折りローラ86、87、92のニップ部X、Yは中央部にあるから、この折りローラを通過したシートPは、中央部がしっかり折られており、両端部は折りがあまい(折りクセが付いている)状態である。この両端部の折りがあまい部分の搬送を考慮して、案内壁84間は通常のシート1枚を搬送する場合よりも広くする必要がある。そのため、しっかり折られているシートの中央部は広い案内壁84間を搬送され、ストッパ83、90のストッパ爪に突き当たり停止する時にバラツキが発生してしまうので、シートの停止位置が不安定になり折り位置の精度が悪くなる。
上記特許文献2に記載されたシート処理装置や、特許文献3に記載された記録紙後処理装置では、綴じていない用紙束を同時に折るとき、折りローラに接触する最も外側の記録紙のみが折られるのを避けるためには、折りブレード(中折り板)を折りローラのニップ部を越える位置まで押し込む必要がある。このとき、折りローラが折りブレードを挟持してしまうと、折りローラの回転負荷が大きくなる。
このような折りローラの回転負荷の増大を防ぐには、折りローラの折りブレードが押し込まれる位置ではニップしないように逃がし部を設ける必要があるが、折りローラに複数のニップ部と非ニップ部を設けると、ニップ部と非ニップ部において用紙の搬送に差が生じ、折り動作中に用紙に撓みが生じてシワの発生する原因となる。
そこで、本発明の技術課題は、従来の用紙折り装置が有する問題を解決するために、複数枚の用紙の用紙束を確実に折ることができ、折るときにシワが発生しないように、用紙を折る折りローラを工夫することであり、また用紙の折り位置の精度を高くすることができるように、用紙を折る位置を規制するストッパにおいて搬送路を工夫することである。
(1) 本発明に係る用紙折り装置(請求項1に対応)は、画像形成装置から排出される用紙を搬送する搬送路に設けた折りローラ対により、用紙を挟持して折り加工を行う用紙折り装置を前提として、
搬送中の用紙を撓ませることにより、撓み部を上記折りローラ対に挟持させ搬送方向の折り位置を決定するストッパと、
上記ストッパに突き当てることにより、用紙に撓みを形成させる搬送ローラとを備えて成り、
上記折りローラ対は、互いに密接し第1折りローラと第2折りローラで形成される第1挟持部と、
上記第2折りローラと第3折りローラで形成される第2挟持部と、
第4折りローラと第5折りローラで形成される第3挟持部で構成され、
上記第1挟持部を構成する第1及び第2折りローラは、大径部と、複数の中径部と、複数の小径部を備えることである。
このように構成することによって、第1挟持部を構成する第1及び第2折りローラが、大径部、中径部、及び小径部を備えることにより、大径部で用紙が折られ、中径部と小径部ではそれらの隙間により用紙の撓みが逃がされ、また小径部に折りブレードを挿入することができるので、用紙の1枚折りのみならず、複数枚重ねた用紙束の折りも、シワの発生のない状態で確実に行うことが可能である。
また、中径部を設けることにより、用紙に折りくせを付けることができるので、搬送路の搬送隙間内で搬送することが可能である。このような中径部がなく小径部のみの場合は、折りくせを付けることができないため、搬送路内で搬送抵抗になり用紙の搬送に不具合が発生する。
(2) また、上記(1)の用紙折り装置において、第1挟持部を構成する第1及び第2折りローラは、中央部において大径部により互いに密着するニップ部を形成することができる。(請求項2に対応)
このように構成することによって、用紙の中央部にはしっかり折り目が付けられ、両端部は折りくせが付けられるので、用紙は搬送路内をバランスがよく円滑に搬送され、折り位置の精度を高くすることができる。
(3) また、上記(2)の用紙折り装置において、折り位置を決定するストッパにおいて、搬送路を形成するガイド板の間隔に対して、搬送路の中央部をストッパにより狭くすることができる。(請求項3に対応)
このように構成することによって、ストッパにおいて、搬送路の中央部の隙間を両端部より狭くすることができるため、しっかり折られている用紙の中央部は狭い隙間を通ることにより挙動が安定し、また、折りくせが付けられているだけの用紙の両端部は広い隙間を通ることにより搬送抵抗を受けないので、用紙がストッパへ突き当たり停止するときのバラツキがなくなる。
(4) また、上記(2)の用紙折り装置において、折り位置を決定するストッパにおいて、搬送路を形成するガイド板間の間隔が、端部に対して中央部が狭くなっており、搬送路の中央部をガイド板により狭くすることができる。(請求項4に対応)
このように構成することによって、上記(3)の用紙折り装置と同様に、ストッパにおいて、搬送路の中央部の隙間を両端部より狭くすることができるため、しっかり折られている用紙の中央部は狭い隙間を通ることにより挙動が安定し、また、折りくせが付けられているだけの用紙の両端部は広い隙間を通ることにより搬送抵抗を受けないので、用紙がストッパへ突き当たり停止するときのバラツキがなくなる。
本発明の効果を請求項にしたがって整理すると、次のとおりである。
(1) 請求項1及び請求項2に係る発明
第1挟持部を構成する第1及び第2折りローラに大径部、中径部、及び小径部を形成することにより、用紙の1枚折りのみならず、複数枚重ねた用紙束の折りも、シワの発生のない状態で確実に行うことができる。
また、中径部を設けることにより、用紙に折りくせを付けることができるので、搬送路の搬送隙間内で搬送することが可能である。
(2) 請求項3及び請求項4に係る発明
ストッパにおいて、搬送路の中央部の隙間を両端部より狭くすることができるので、しっかり折られている用紙の中央部は狭い隙間を通ることにより挙動が安定し、また、折りくせが付けられているだけの用紙の両端部は広い隙間を通ることにより搬送抵抗を受けない。これにより、用紙がストッパへ突き当たり停止するときのバラツキがなくなり、用紙の折り位置の精度を高くすることができる。
本発明の実施例1及び実施例2による用紙(シート)折り装置について、図1−1〜図11を参照しながら説明する。
本発明の実施例1による用紙折り装置について、図1−1〜図8を参照しながら説明する。
〔用紙折り装置の構成〕
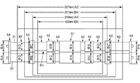
先ず、図1−1に示されている用紙折り装置の構成について説明する。図1−1には、用紙折り装置の全体レイアウトを示す。
この用紙折り装置には、一側に用紙入口Aが設けられ、他側に用紙出口Bが設けられている。この用紙入口Aには画像形成装置から排紙される用紙(シート)が供給され、用紙出口Bから排紙される用紙は後処理装置へ送られる。上記用紙入口Aと用紙出口Bの間には水平搬送路13が形成され、この水平搬送路13には、上記用紙入口Aと用紙出口Bの近くに入口搬送ローラ対13aと出口搬送ローラ対13fが設けられると共に、用紙を搬送するための複数の搬送ローラ対13b〜13eが設けられている。
上記水平搬送路13の入口搬送ローラ対13aの下流側には、この水平搬送路13からそれぞれ分岐する第1搬送路1と第10搬送路10が形成され、これらの分岐点には第1切替爪31が設けられる。この第1切替爪31は、用紙入口Aから供給された用紙を水平搬送路13の下流側、第1搬送路1、又は第10搬送路10のいずれか1つへ案内するものである。
上記第1搬送路1には、重ね折り順狂い防止機構61とスキュー補正機構65が設けられると共に、用紙を搬送するための搬送ローラ対1a、1bが設けられている。上記第1搬送路1の下流側には、該第1搬送路1に連通する第2搬送路2が形成されており、この第2搬送路2には、重ね折り用紙横揃え機構(ジョガー)67、重ね折り用紙縦揃え機構(叩きコロ)66、及び第1ストッパー51が設けられている。
上記第2搬送路2の上流側(第1搬送路1側)には、上記第1搬送路1や第2搬送路2に連通する第3搬送路3が形成されており、この第3搬送路3には第2ストッパー52が設けられている。また、上記第3搬送路3の上流側(第2搬送路2側)には、該第3搬送路3に連通する第4搬送路4が形成されており、この第4搬送路4には搬送ローラ対4aと第3ストッパー53が設けられている。
上記第2搬送路2の上流側と第3搬送路3の上流側の間には、第1挟持部K1を形成する第1折りローラ21と第2折りローラ22が設けられている。この第1及び第2折りローラ21、22の近傍には、上記第1挟持部K1に対向して折りブレード62が設けられると共に、上記第3搬送路3の上流側で内三つ折り先端めくれ防止機構63とガイド部材68が設けられている。
また、上記第3搬送路3の上流側と第4搬送路4の上流側の間には、第2挟持部K2を形成する第2折りローラ22と第3折りローラ23が設けられている。
上記第4搬送路4の中間部分には、この第4搬送路4から分岐する第6搬送路6が形成されている。この第6搬送路6は、第7搬送路7と第9搬送路9経て、上記水平搬送路13の出口搬送ローラ対13fの上流に接続されている。
上記第4搬送路4と第6搬送路6の間には、第3挟持部K3を形成する第4折りローラ24と第5折りローラ25が設けられており、この第3挟持部K3に対向する第4搬送路4側には、観音四つ折り先端めくれ防止機構64が設けられている。上記第6搬送路6には搬送ローラ対6a、6bが設けられ、上記第7搬送路7には搬送ローラ対7a〜7gが設けられており、その内の搬送ローラ対7a〜7fは増し折りローラ群26を構成している。
上記第4搬送路4の搬送ローラ対4aの下流側と、上記第7搬送路7の搬送ローラ対7aの上流側との間には、上記第4及び第5折りローラ24、25をバイパスする第5搬送路5が接続されている。この第5搬送路5には搬送ローラ対5a〜5cが設けられ、第5搬送路5の第4搬送路4からの分岐点には第2切替爪32が設けられている。
また、上記第7搬送路7の搬送ローラ対7gの下流側と、上記水平搬送路13の搬送ローラ対13dの下流側との間には、第8搬送路8が接続されている。この第8搬送路8には搬送ローラ対8aが設けられると共に、該第8搬送路8の第7搬送路7からの分岐点には第3切替爪33が設けられ、水平搬送路13への合流点には第4切替爪34が設けられている。
上記第10搬送路10は、用紙収容部41へ接続される排紙搬送路12へ連通されている。この第10搬送路10には搬送ローラ対10aが設けられ、上記排紙搬送路12には搬送ローラ対12a〜12cが設けられている。
上記水平搬送路13の搬送ローラ対13cの上流側と、上記排紙搬送路12の搬送ローラ対12aの上流側との間には、第11搬送路11が接続されている。この第11搬送路11には搬送ローラ対11a〜11cが設けられ、該第11搬送路11の水平搬送路13からの分岐点には第5切替爪35が設けられている。
〔各折りの折り動作〕
以上のような用紙折り装置の構成により、二つ折り、Z折り、外三つ折り、内三つ折り、単純四つ折り、及び観音四つ折りの折り動作が可能となる。以下に、図1−1〜図1−4に基づいて、それぞれの折り動作を動作別に説明する。図1−2〜図1−4は、折りブレード、ガイド部材、及び内三つ折り先端めくれ防止機構の動作説明図である。
〈Z折り(用紙出口B側へ排紙)〉
図1−2に示されるように、Z折りが選択されると、折りブレード62が第1挟持部K1へ向かって移動し所定の動作位置となる。この折りブレード62には搬送可能なガイド面62aが構成されているため、第1搬送路1に案内された用紙は折りブレード62のガイド面62aによって、第1折りローラ21と第2折りローラ22により形成される第1挟持部K1へ案内される。
そこで、用紙入口Aから供給される用紙(シート)は、第1切替爪31によって第1搬送路1に案内され、第1折りローラ21と第2折りローラ22により形成される第1挟持部K1のニップ部を通過する。用紙の先端が、第3搬送路3に配置されて折り位置に移動可能な第2ストッパ52に突き当たり、該用紙の撓み部分を第2折りローラ22と第3折りローラ23により形成される第2挟持部K2のニップ部に進入させ、1回目の折りを行う。
1回目の折りが行われた後、その用紙は、第2切替爪32の案内により第4搬送路4に搬送される。用紙の先端が、第4搬送路4に配置されて折り位置に移動可能な第3ストッパ53に突き当たり、用紙の撓み部分を第4折りローラ24と第5折りローラ25により形成される第3挟持部K3のニップ部に進入させて2回目の折りを行う。これにより、「Z折り」が完了する。
このようにしてZ折りが完了した用紙は、第6搬送路6と第7搬送路7を通り、増し折りローラ群26により増し折りされながら搬送される。さらに、この用紙は、第9搬送路9へ切り替えられている第3切替爪33により第9搬送路9へ案内され、用紙出口Bから後処理装置側へ排紙される。
〈Z折り(用紙収容部41へ排紙)〉
用紙入口Aから供給される用紙は、上述の「Z折り(用紙出口B側へ排紙)」の場合と同様に、第2折りローラ22と第3折りローラ23により形成される第2挟持部K2によって1回目の折りを行うと共に、第4折りローラ24と第5折りローラ25により形成される第3挟持部K3によって2回目の折りを行うことにより、「Z折り」が完了となる。
このようにしてZ折りが完了した用紙は、第6搬送路6と第7搬送路7を通り、増し折りローラ群26により増し折りされながら搬送され、第8搬送路8へ切り替えられている第3切替爪33により第8搬送路8へ案内される。この第8搬送路8を通った用紙は、水平搬送路13の中央部分を経由して、さらに、第11搬送路11へ切り替えられている第5切替爪35により第11搬送路11へ案内され、この第11搬送路11と排紙搬送路12を通って用紙収容部41へ排紙される。
〈二つ折り〉
図1−3に示されるように、二つ折りが選択されると、ガイド部材68が所定の動作位置に移動する。このガイド部材68にはガイド面68aが形成されているため、第1挟持部K1を通った用紙はこのガイド面68aによって、第2折りローラ22と第3折りローラ23により形成される第2挟持部K2へ案内される。
用紙入口Aから供給される用紙は、第1切替爪31により第1搬送路1へ案内され、この第1搬送路1を経由して第2搬送路2へ搬送される。用紙の先端が、第2搬送路2に配置されて折り位置に移動可能な第1ストッパ51に突き当たり、用紙の撓み部分を第1折りローラ21と第2折りローラ22により形成される第1挟持部K1のニップ部に進入させて1回目の折りを行い、「二つ折り」が完了する。
このようにして「二つ折り」が完了した用紙は、第3搬送路3へは進入せずに、第2折りローラ22と第3折りローラ23により形成される第2挟持部K2のニップ部を通過し、第4搬送路4へ搬送される。このとき、第2切替爪32は第5搬送路5へ切り替えられているので、用紙は第5搬送路5を経由して第7搬送路7へ案内され、増し折りローラ群26により増し折りされながら搬送される。さらに、この用紙は、第3切替爪33と第5切替爪35の案内により、第8搬送路8と水平搬送路13と第11搬送路11を経由して、排紙搬送路12へ搬送されて用紙収容部41へ排紙される。
〈外三つ折り、内三つ折り、単純四つ折り〉
用紙入口Aから供給される用紙は、第1切替爪31により第1搬送路1に案内され、この第1搬送路1を経由して第2搬送路2へ搬送される。用紙の先端が、第2搬送路2に配置されて折り位置に移動可能な第1ストッパ51に突き当たり、用紙の撓み部分を第1折りローラ21と第2折りローラ22により形成される第1挟持部K1のニップ部に進入させて、1回目の折りを行う。
1回目の折りが行われた後、用紙は第3搬送路3に搬送される。用紙の先端が、第3搬送路3に配置されて折り位置に移動可能な第2ストッパ52に突き当たり、用紙の撓み部分を第2折りローラ22と第3折りローラ23により形成される第2挟持部K2のニップ部に進入させて2回目の折りを行い、「外三つ折り」、「内三つ折り」又は「単純四つ折り」が完了する。このとき、それぞれの折りモードと用紙サイズにより、第1ストッパ51と第2ストッパ52は、制御された位置に停止されている。
内三つ折り先端めくれ防止機構63は、図1−4に示されるように、「内三つ折り」の2回目の折りを行う時に、内三つ折りめくれ防止爪63aにより用紙後端を押さえ、第2折りローラ22と第3折りローラ23により形成される第2挟持部K2へ案内し、用紙後端が第2折りローラ22に衝突するのを防止している。(図1−4のS部分を参照)
このようにして「外三つ折り」、「内三つ折り」又は「単純四つ折り」が完了した用紙は、第4搬送路4へ搬送される。このとき、第2切替爪32は第5搬送路5へ切り替えられているので、用紙は第5搬送路5を経由して第7搬送路7へ案内され、増し折りローラ群26により増し折りされながら搬送される。さらに、この用紙は、第3切替爪33と第5切替爪35の案内により、第8搬送路8と水平搬送路13と第11搬送路11を経由して、排紙搬送路12へ搬送されて用紙収容部41へ排紙される。
〈観音四つ折り〉
用紙入口Aから供給される用紙は、第1切替爪31によって第1搬送路1へ案内され、この第1搬送路1を経由して第2搬送路2へ搬送される。用紙の先端が、第2搬送路2に配置されて折り位置に移動可能な第1ストッパ51に突き当たり、用紙の撓み部分を第1折りローラ21と第2折りローラ22により形成される第1挟持部K1のニップ部に進入させて、1回目の折りを行う。
1回目の折りが行われた用紙は、第3搬送路3に搬送される。用紙の先端が、第3搬送路3に配置されて折り位置に移動可能な第2ストッパ52に突き当たり、用紙の撓み部分を第2折りローラ22と第3折りローラ23により形成される第2挟持部K2のニップ部に進入させて、2回目の折りを行う。
2回目の折りが行われた用紙は、第4搬送路4へ案内される。このとき、第2切替爪32は第4搬送路4へ切り替えられている。用紙の先端が、第4搬送路4に配置されて折り位置に移動可能な第3ストッパ53に突き当たり、用紙の撓み部分を第4折りローラ24と第5折りローラ25により形成される第3挟持部K3のニップ部に進入させて3回目の折りを行い、「観音四つ折り」が完了する。
上記3回目の折りが行われるとき、観音四つ折り先端めくれ防止機構64が撓み部分を押さえることにより、1回目の折りと2回目の折りで折り込まれた用紙先端部と後端部を押さえることができるので、用紙端部がめくれることなく3回目の折りを行うことが可能である。
このようにして「観音四つ折り」が完了した用紙は、第6搬送路6を経由して第7搬送路7へ案内され、増し折りローラ群26により増し折りされながら搬送される。さらに、この用紙は、第3切替爪33と第5切替爪35の案内により、第8搬送路8と水平搬送路13と第11搬送路11を経由して、排紙搬送路12へ搬送されて用紙収容部41へ排紙される。
〈複数枚重ね折り〉
「複数枚重ね折り」の折り動作について、3枚重ね折りを例にとって説明する。
用紙入口Aから供給される用紙は、1枚目が第1切替爪31によって第1搬送路1に案内され、この第1搬送路1を経由して第2搬送路2へ搬送される。この用紙の先端が、第2搬送路2に配置されて折り位置に移動可能な第1ストッパ51に突き当たり、そこで停止される。重ね折り用紙縦揃え機構(叩きコロ)66により、確実に第1ストッパ51に突き当てられ、また、重ね折り用紙横揃え機構(ジョガー)67により、幅方向の用紙揃えが行われる。そして、重ね折り順狂い防止機構61が用紙後端側を押さえる。
続いて、2枚目の用紙が第1切替爪31によって第1搬送路1に案内され、この第1搬送路1を経由して第2搬送路2へ搬送される。上記重ね折り順狂い防止機構61が1枚目の用紙の後端側を押さえているため、1枚目に重なるように搬送される。2枚目の用紙の先端が、第2搬送路2に配置されて折り位置に移動可能な第1ストッパ51に突き当たり、そこで停止する。上記重ね折り用紙縦揃え機構(叩きコロ)66により、確実に第1ストッパ51に突き当てられ、縦揃えが行われる。また、重ね折り用紙横揃え機構(ジョガー)67により、幅方向の用紙揃えが行われる。そして、上記重ね折り順狂い防止機構61が、1枚目と2枚目の用紙後端側を押さえる。
次に、3枚目の用紙が第1切替爪31によって第1搬送路1に案内され、この第1搬送路1を経由して第2搬送路2へ搬送される。上記重ね折り順狂い防止機構61が1枚目と2枚目の用紙の後端側を押さえているため、2枚目に重なるように搬送される。このとき、搬送されてきた順番(1枚目、2枚目、3枚目)が狂うことなく搬送される。3枚目の用紙の先端が、第2搬送路に配置されて折り位置に移動可能な第1ストッパ51に突き当たり、そこで停止する。上記重ね折り用紙縦揃え機構(叩きコロ)66により、確実に第1ストッパ51に突き当てられ、縦揃えが行われる。上記重ね折り用紙横揃え機構(ジョガー)67により、幅方向の用紙揃えが行われる。そして、上記重ね折り順狂い防止機構61が、1枚目、2枚目、3枚目の用紙後端側を押さえる。
次に、折りブレード62により、第1折りローラ21と第2折りローラ22により形成される第1挟持部K1のニップ部に3枚の用紙を同時に押し込み、1回目の折りを行う。このとき、上記折りブレード62の先端は、第1折りローラ21と第2折りローラ22のニップ部の位置を越えるまで押し込まれる(折りブレード62が挿入される箇所は、後ほど詳述する)。これにより、折りローラに接触している最外紙(例えば、3枚目の用紙)のみが折られる現象が無くなる。2回目以降の折りと排紙動作は、上記折り動作と排紙動作の説明と同じである。
〔第1及び第2折りローラの構成と動作〕
次に、第1折りローラ21と第2折りローラ22の構成について、図2を参照しながら説明する。図2は第1及び第2折りローラの正面図である。
第1狭持部K1を構成する第1折りローラ21と第2折りローラ22の径は、ΦA〜ΦDに形成されている。ΦAの部分は、第1折りローラ21と第2折りローラ22が挟持する径である。ΦA、ΦB、ΦC及びΦDは、それぞれΦA>ΦB、ΦA>ΦC、ΦA>ΦDの関係にある。
ここで、用紙を挟持する部分は、図2に示されるように、径がΦAである大径部k1、k4であり、径がΦBである第1中径部k2と径がΦCである第2中径部k3は、挟持しない径である。また、径がΦDである小径部k5は、折りブレード62が挿入される部分である。そして、上記第1及び第2中径部k2、k3の径は、ΦB=ΦCの関係にあっても良い。
用紙折り装置として、用紙3枚までの重ね折りが可能な場合を例にとって説明すると、上記第1及び第2中径部k2、k3の径がΦBとΦCの部分は隙間が形成されており、この隙間の大きさは、例えば用紙6枚分の隙間であることが好ましい。上記小径部k5の径がΦDの部分の隙間の大きさは、折りブレード62の厚みと用紙6枚分の厚みを加えた隙間であることが好ましい。
上記大径部k1、k4の径がΦAの部分は、中央部の大径部k1で用紙を折る働きをし、両端部の大径部k4は用紙幅に対して外側に形成され、第1折りローラ21と第2折りローラ22の軸間距離を安定させる働きをする。上記中央部の大径部k1の幅は、重ね折りを行う最小紙サイズ幅(例えば、B5幅:182mm)よりも小さい。この大径部k1の幅によっては、上記軸間距離を安定させる両端部の大径部k4はなくても良い。
3枚の用紙束Pnが折られる場合について、図3を参照しながら説明する。図3は、第1及び第2折りローラにより3枚の用紙束が折られる場合に、小径部に折りブレードを挿入したときの側面図である。
折りブレード62によって3枚の用紙束Pnが折られる場合、上記小径部k5に折りブレードが挿入される。この折りブレード62は、ニップ位置に対してオーバーラップする位置まで挿入される。用紙束Pnは中央部の大径部k1(径がΦA)で折られて搬送され、上記第1及び第2中径部k2、k3と小径部k5は、それらの隙間によって用紙の撓みを逃がすようになっている。
1枚の用紙Pが折られる場合について、図4を参照しながら説明する。図4は、第1及び第2折りローラにより1枚の用紙が折られる場合の説明図である。
用紙Pの先端が、第2搬送路2に配置されて折り位置に移動可能な第1ストッパ51に突き当たり、用紙Pの撓み部分を第1折りローラ21と第2折りローラ22により形成される第1挟持部K1のニップ部に進入させて、1回目の折りを行う。中央部の大径部k1(径がΦAの部分)で用紙の中央部Pcの折りを行い、次の折り位置を規制するストッパまでの搬送を行う。このとき、第1及び第2中径部k2、k3と小径部k5には隙間が設けられているため、用紙の両端部Psでは折りくせが付けられるのみである。
ここで、小径部k5以外の大径部k1、k4と第1及び第2中径部k2、k3を同じ径にした場合は、小径部k5は搬送力を持たないが、k1、k2、k3、k4は同じ径なので搬送力を持つ。この搬送力の有無により用紙の搬送に速度差が生じ、折り搬送中に用紙に撓みが生じてしまう。第1及び第2中径部k2、k3に隙間がないと、その撓みが逃げることができないため、シワが発生する。この第1及び第2中径部k2、k3に隙間が設けられていると、その撓みを逃がすことができ、シワが発生することはない。
第1折りローラ21と第2折りローラ22により折られた用紙Pについて、図5を参照しながら説明する。図5(a)は、用紙に付けられた折り目について説明する全体の斜視図であり、図5(b)及び(c)は図5(a)のB−B及びC−C断面図である。
第1折りローラ21と第2折りローラ22によって折られた用紙Pは、その中央部Pcでしっかり折り目が付けられており、両端部Psには折りくせが付くだけであり、折り目部分は膨らんだ状態である。
〔搬送路及びストッパの構成と動作〕
用紙の折り位置を規制するストッパが移動可能に設けられる搬送路について、第2ストッパ52を有する第3搬送路3を例にとって、図6〜図8を参照しながら説明する。図6は第2ストッパを有する第3搬送路の斜視図であり、図7は第2ストッパの斜視図である。また、図8(a)は第3搬送路における第2ストッパの中央部領域での搬送路の断面図であり、図8(b)は同じく第2ストッパの端部領域での搬送路の断面図である。
第3搬送路3は、図6及び図8に示されるように、対向して配置される第1ガイド板15と第2ガイド板16によって構成されている。この第1ガイド板15には複数のスリット15aが形成されており、該第2ガイド板16には上記複数のスリット15aに対向してガイド溝16aが形成されている。第2ストッパ52は、第1ガイド板15上において、駆動手段(図示を省略)により用紙搬送方向に移動可能に設けられており、それぞれの折りモードや用紙サイズに応じて移動させ所定位置に停止させることにより、用紙の折り位置を規制することができる。
なお、図6に示される第1ガイド板15の下部には、複数のガイド片15bが形成されている。
上記第2ストッパ52には、図7及び図8に示されるように、幅方向中央に中央ストッパ爪55と、両側部に複数の端部ストッパ爪56が形成されている。この中央ストッパ爪55は、用紙搬送方向に垂直な平面部55aと、用紙搬送方向に平行な平面部55bと、搬送路の厚みを減少させるように傾斜したテーパー部55cにより形成されており、上記端部ストッパ爪56は用紙搬送方向に垂直な平面部のみにより形成されている。
上記中央ストッパ爪55と端部ストッパ爪56は、第1ガイド板15の外側から対応するそれぞれのスリット15aへ嵌入され、第3搬送路3を横断して第2ガイド板16のそれぞれのガイド溝16aへ受け入れられており(図8を参照)、上記第2ストッパ52が用紙搬送方向に移動されると、上記第1ガイド板15のスリット15aや第2ガイド板16のガイド溝16aに案内されて、第3搬送路3内で用紙搬送方向に移動される。
上述の第3搬送路3と第2ストッパ52の構成によれば、第1ガイド板15と第2ガイド板16により挟まれている第3搬送路3は、図8(a)に示されるように、第3搬送路3内に突出する中央ストッパ爪55によって、その中央部で狭く(厚みが薄く)なっている。
第1折りローラ21と第2折りローラ22により折られた用紙Pが第3搬送路3へ搬送されると、しっかり折り目が付けられた用紙の中央部Pc(図5を参照)は中央ストッパ爪55に突き当たるが、第3搬送路3の中央部の狭い隙間を通ることによって、用紙Pの挙動を安定させることができる。また、折りくせが付けられるのみで膨らんだ状態の用紙の両端部Ps(図5を参照)は端部ストッパ爪56に突き当たるが、図8(b)に示されるように、第3搬送路3の端部には十分な隙間が確保されているため、搬送抵抗を受けることなく、端部ストッパ爪56に突き当たることができる。
なお、上記実施例1の用紙折り装置においては、第2ストッパ52を有する第3搬送路3を例に挙げて説明しているが、第3ストッパ53を有する第4搬送路4についても同様に構成することができる。
次に、本発明の実施例2による用紙折り装置について説明する。
実施例2による用紙折り装置は、上記実施例1のものと殆どの部分で共通しており、ストッパと搬送路に関する構成のみが異なるので、この実施例2の説明では、ストッパが設けられる搬送路を中心に説明し、それ以外の構成と動作の説明については省略する。
〔搬送路及びストッパの構成と動作〕
本実施例2の用紙折り装置におけるストッパを有する搬送路について、第2ストッパ152を有する第3搬送路3を例にとって、図9−1〜図11を参照しながら説明する。
図9−1は第2ストッパを有する第3搬送路の側面図であり、図9−2は第3搬送路を構成する第1ガイド板の斜視図であり、図9−3は第3搬送路を構成する第2ガイド板の斜視図である。また、図10は第2ストッパを有する第3搬送路の平面図であり、図11は第2ストッパの斜視図である。
第3搬送路3は、図9−1〜図10に示されるように、対向して配置される第1ガイド板115と第2ガイド板116によって構成されている。この第1ガイド板115には、図9−2に示されるように、上記実施例1の第1ガイド板15(図6を参照)と同様の構成を備えており、第2ストッパ152の各ストッパ爪が嵌入される複数のスリット115aと、ガイド片115bが形成されている。
上記第2ガイド板116の通紙面(用紙搬送路側の面)には、図9−3に示されるように、上記実施例1の第2ガイド板16と同様に、第2ストッパ152の各ストッパ爪をスライド可能に受け入れる複数のガイド溝116aが形成されている。これらのガイド溝116aのうち中央のガイド溝(中央ストッパ爪155用のガイド溝)の両側には凸条116bが形成されており、この凸条116bにより上記第2ガイド板116の中央部は、その両側部よりも高く(厚く)なっている。これにより、第3搬送路3の幅方向の中央部分では、両側部分よりも搬送路の厚さ方向の隙間が狭くなっている。
上記第2ストッパ152は、図9−1及び図9−2に示されるように、第1ガイド板115上において、駆動手段(図示を省略)により用紙搬送方向に移動可能に設けられており、それぞれの折りモードや用紙サイズに応じて移動され所定位置に停止させることにより、用紙の折り位置を規制することができる。
この第2ストッパ152には、図11に示されるように、幅方向中央に中央ストッパ爪155と、両側部に複数の端部ストッパ爪156が形成されており、全てのストッパ爪155、156は、上記実施例1の第2ストッパ52の端部ストッパ爪56(図7を参照)と同様に、用紙搬送方向に垂直な平面部のみにより形成されている。
上記中央ストッパ爪155と端部ストッパ爪156は、図9−1及び図9−2に示されるように、第1ガイド板115の外側から対応するスリット115aへ嵌入され、第3搬送路3を横断して第2ガイド板116のそれぞれのガイド溝116aへ受け入れられており、上記第2ストッパ152が用紙搬送方向に移動されると、上記第1ガイド板115のスリット115aや第2ガイド板116のガイド溝116aに案内されて、第3搬送路3内で用紙搬送方向に移動される。
本実施例2による第3搬送路3と第2ストッパ152の構成によれば、第1ガイド板115と第2ガイド板116により挟まれている第3搬送路3は、該第3搬送路3内に突出する第2ガイド板116の凸条116bによって、その中央部で狭く(厚みが薄く)なっている。
第1折りローラ21と第2折りローラ22により折られた用紙Pが第3搬送路3へ搬送されると、しっかり折り目が付けられた用紙の中央部Pc(図5を参照)は、中央ストッパ爪155に突き当たるが、第3搬送路3の中央部の狭い隙間を通ることによって、用紙Pの挙動を安定させることができる。また、折りくせが付けられるのみで膨らんだ状態の用紙の両端部Ps(図5を参照)は端部ストッパ爪156に突き当たるが、第3搬送路3の両端部には十分な隙間が確保されているため、搬送抵抗を受けることなく、端部ストッパ爪156に突き当たることができる。
なお、上記実施例2による用紙折り装置においては、第2ストッパ152を有する第3搬送路3を例に挙げて説明しているが、第3ストッパ53を有する第4搬送路4についても同様に構成することができる。
は、本発明の実施例1による用紙折り装置の全体レイアウトを示す模式図である。 は、同じく実施例1の用紙折り装置における折りブレードの動作を説明する図である。 は、同じく実施例1の用紙折り装置におけるガイド部材の動作を説明する図である。 は、同じく実施例1の用紙折り装置における内三つ折り先端めくれ防止機構の動作を説明する図である。 は、同じく用紙折り装置の第1折りローラと第2折りローラの正面図であり、第1及び第2折りローラにより形成される第1挟持部の説明図である。 は、同じく用紙折り装置の第1折りローラと第2折りローラの側面図であり、3枚の用紙束が折られる場合を示す。 は、同じく用紙折り装置の第1折りローラと第2折りローラにより、1枚の用紙が折られる場合の説明図である。 は、同じく用紙折り装置によって、用紙に付けられた折り目についての説明図であり、(a)は折り目側からみた全体の斜視図、(b)及び(c)は(a)におけるB−B及びC−C断面図である。 は、同じく用紙折り装置において、第2ストッパが移動可能に設けられた第3搬送路の斜視図である。 は、同じく用紙折り装置における第2ストッパの斜視図である。 は、同じく用紙折り装置における第3搬送路の内部形状を説明する概略断面図であり、(a)は第2ストッパの中央部領域での搬送路の断面形状を示し、(b)は第2ストッパの端部領域での搬送路の断面形状を示す。 は、本発明の実施例2による用紙折り装置において、第2ストッパが移動可能に設けられた第3搬送路の側面図である。 は、同じく実施例2による用紙折り装置において、第3搬送路を構成する第1ガイド板の斜視図である。 は、同じく実施例2による用紙折り装置において、第3搬送路を構成する第2ガイド板の斜視図である。 は、同じく実施例2による用紙折り装置において、第2ストッパが移動可能に設けられた第3搬送路の平面図である。 は、同じく実施例2による用紙折り装置における第2ストッパの斜視図である。 は、従来の用紙折り装置の説明図であり、(a)はZ折り処理部の要部概略図、(b)は第1〜第3折りローラの斜視図である。 は、従来の用紙後処理装置の要部概略図であり、(a)及び(b)は用紙束の中折り動作についての説明図である。
符号の説明
1〜9…第1〜第9搬送路
1a,1b,4a,5a〜5c,6a,6b,7a〜7g,8a…搬送ローラ対
10〜11…第10〜第11搬送路
10a,11a〜11c…搬送ローラ対
12…排紙搬送路 12a〜12c…搬送ローラ対
13…水平搬送路 13a…入口搬送ローラ対
13b〜13e…搬送ローラ対 13f…出口搬送ローラ対
15…第1ガイド板 15a…スリット
16…第2ガイド板 16a…ガイド溝
21〜25…第1〜第5折りローラ 26…増し折りローラ群
31〜35…第1〜第5切替爪 41…用紙収容部
51〜53…第1〜第3ストッパ 55…中央ストッパ爪
55a…用紙搬送方向に垂直な平面部 55b…用紙搬送方向に平行な平面部
55c…テーパー部 56…端部ストッパ爪
61…重ね折り順狂い防止機構 62…折りブレード
63…内三つ折り先端めくれ防止機構 64…観音四つ折り先端めくれ防止機構
65…スキュー補正機構
66…重ね折り用紙縦揃え機構(叩きコロ)
67…重ね折り用紙横揃え機構(ジョガー)
68…ガイド部材
115…第1ガイド板 115a…スリット
116…第2ガイド板 116a…ガイド溝
116b…凸条
152…第2ストッパ 155…中央ストッパ爪
156…端部ストッパ爪
A…用紙入口 B…用紙出口
P…用紙(シート) Pc…用紙の中央部
Ps…用紙の端部
K1〜K3…第1〜第3挟持部 k1,k4…大径部
k2,k3…第1、第2中径部 k5…小径部

Claims (5)

  1. 画像形成装置から排出される用紙を搬送する搬送路に設けた折りローラ対により、用紙を挟持して折り加工を行う用紙折り装置において、
    搬送中の用紙を撓ませることにより、撓み部を上記折りローラ対に挟持させ搬送方向の折り位置を決定するストッパと、
    上記ストッパに突き当てることにより、用紙に撓みを形成させる搬送ローラとを備えて成り、
    上記折りローラ対は、互いに密接し第1折りローラと第2折りローラで形成される第1挟持部と、
    上記第2折りローラと第3折りローラで形成される第2挟持部と、
    第4折りローラと第5折りローラで形成される第3挟持部で構成され、
    上記第1挟持部を構成する第1及び第2折りローラは、大径部と、複数の中径部と、複数の小径部を備えることを特徴とする用紙折り装置。
  2. 上記第1挟持部を構成する第1及び第2折りローラは、中央部において上記大径部により互いに密着するニップ部を形成することを特徴とする請求項1に記載の用紙折り装置。
  3. 上記折り位置を決定するストッパにおいて、搬送路を形成するガイド板の間隔に対して、搬送路の中央部をストッパにより狭くすることを特徴とする請求項2に記載の用紙折り装置。
  4. 上記折り位置を決定するストッパにおいて、搬送路を形成するガイド板間の間隔が、端部に対して中央部が狭くなっており、搬送路の中央部をガイド板により狭くすることを特徴とする請求項2に記載の用紙折り装置。
  5. 請求項1〜請求項4のいずれかに記載の用紙折り装置が、用紙後処理装置として適用されることを特徴とする画像形成装置。
JP2008270504A 2008-10-21 2008-10-21 用紙折り装置 Expired - Fee Related JP5218836B2 (ja)

Priority Applications (1)

Application Number Priority Date Filing Date Title
JP2008270504A JP5218836B2 (ja) 2008-10-21 2008-10-21 用紙折り装置

Applications Claiming Priority (1)

Application Number Priority Date Filing Date Title
JP2008270504A JP5218836B2 (ja) 2008-10-21 2008-10-21 用紙折り装置

Publications (2)

Publication Number Publication Date
JP2010100347A true JP2010100347A (ja) 2010-05-06
JP5218836B2 JP5218836B2 (ja) 2013-06-26

Family

ID=42291354

Family Applications (1)

Application Number Title Priority Date Filing Date
JP2008270504A Expired - Fee Related JP5218836B2 (ja) 2008-10-21 2008-10-21 用紙折り装置

Country Status (1)

Country Link
JP (1) JP5218836B2 (ja)

Cited By (6)

* Cited by examiner, † Cited by third party
Publication number Priority date Publication date Assignee Title
JP2011236018A (ja) * 2010-05-11 2011-11-24 Konica Minolta Business Technologies Inc 用紙折り装置並びにこれを用いた用紙後処理装置
JP2011236016A (ja) * 2010-05-11 2011-11-24 Konica Minolta Business Technologies Inc 用紙折り装置並びにこれを用いた用紙後処理装置
JP2011236017A (ja) * 2010-05-11 2011-11-24 Konica Minolta Business Technologies Inc 用紙折り装置並びにこれを用いた用紙後処理装置
JP2012224427A (ja) * 2011-04-19 2012-11-15 Ricoh Co Ltd シート折り装置、及び、画像形成装置
US9174821B2 (en) 2012-10-10 2015-11-03 Kyocera Document Solutions Inc. Sheet folding device having sheet retaining mechanism
JP2016055951A (ja) * 2014-09-08 2016-04-21 株式会社リコー シート状媒体折り部材、シート処理装置及び画像形成システム

Families Citing this family (1)

* Cited by examiner, † Cited by third party
Publication number Priority date Publication date Assignee Title
US10324409B2 (en) 2015-10-30 2019-06-18 Canon Finetech Nisca Inc. Apparatus for folding sheets, apparatus for processing sheets, apparatus for forming images and method of folding sheets

Citations (2)

* Cited by examiner, † Cited by third party
Publication number Priority date Publication date Assignee Title
JP2001026373A (ja) * 1999-07-15 2001-01-30 Canon Inc シート折り処理装置とこの装置を備えた画像形成装置
JP2004123245A (ja) * 2002-09-30 2004-04-22 Kyocera Mita Corp シート折り用ローラ

Patent Citations (2)

* Cited by examiner, † Cited by third party
Publication number Priority date Publication date Assignee Title
JP2001026373A (ja) * 1999-07-15 2001-01-30 Canon Inc シート折り処理装置とこの装置を備えた画像形成装置
JP2004123245A (ja) * 2002-09-30 2004-04-22 Kyocera Mita Corp シート折り用ローラ

Cited By (10)

* Cited by examiner, † Cited by third party
Publication number Priority date Publication date Assignee Title
JP2011236018A (ja) * 2010-05-11 2011-11-24 Konica Minolta Business Technologies Inc 用紙折り装置並びにこれを用いた用紙後処理装置
JP2011236016A (ja) * 2010-05-11 2011-11-24 Konica Minolta Business Technologies Inc 用紙折り装置並びにこれを用いた用紙後処理装置
JP2011236017A (ja) * 2010-05-11 2011-11-24 Konica Minolta Business Technologies Inc 用紙折り装置並びにこれを用いた用紙後処理装置
CN102275767A (zh) * 2010-05-11 2011-12-14 柯尼卡美能达商用科技株式会社 折纸装置以及使用该折纸装置的纸张后处理装置
US8267391B2 (en) 2010-05-11 2012-09-18 Konica Minolta Business Technologies, Inc. Sheet folding device and sheet post-processing device using same
US8505899B2 (en) 2010-05-11 2013-08-13 Konica Minolta Business Technologies, Inc. Sheet folding device and sheet post-processing device using same
CN102275767B (zh) * 2010-05-11 2014-06-11 柯尼卡美能达商用科技株式会社 折纸装置以及使用该折纸装置的纸张后处理装置
JP2012224427A (ja) * 2011-04-19 2012-11-15 Ricoh Co Ltd シート折り装置、及び、画像形成装置
US9174821B2 (en) 2012-10-10 2015-11-03 Kyocera Document Solutions Inc. Sheet folding device having sheet retaining mechanism
JP2016055951A (ja) * 2014-09-08 2016-04-21 株式会社リコー シート状媒体折り部材、シート処理装置及び画像形成システム

Also Published As

Publication number Publication date
JP5218836B2 (ja) 2013-06-26

Similar Documents

Publication Publication Date Title
JP5218836B2 (ja) 用紙折り装置
US7597311B2 (en) Sheet processing apparatus and image forming apparatus provided therewith and sheet processing method
JP5994921B2 (ja) シート処理装置及び画像形成システム
JP5817809B2 (ja) シート処理装置及び画像形成システム
JP3817424B2 (ja) シート折り装置及びこれを備えた画像形成装置
JP2011001165A (ja) 紙折り装置、およびこれを用いた後処理装置
JP5310270B2 (ja) 用紙折り装置及び画像形成システム
US9090425B2 (en) Recording material processing apparatus and image forming system
JP2012041113A (ja) 用紙折り装置、用紙処理装置、画像形成装置、及び用紙折り方法
JP4204906B2 (ja) シート加工装置
JP6724341B2 (ja) 用紙処理装置及び画像形成システム
US12398013B2 (en) Sheet post-processing device
JP7548038B2 (ja) シート後処理装置
JP7800249B2 (ja) シート排出装置およびそれを備えたシート後処理装置
JP2009286522A (ja) シート折り装置、用紙処理装置、及び画像形成装置
JP2024104205A (ja) シート折り装置、画像形成装置、及び画像形成システム
JP4506590B2 (ja) 用紙後処理装置とそれを有する画像形成装置および用紙後処理方法
JP5429629B2 (ja) 用紙折り装置及び画像形成システム
JP4893351B2 (ja) 用紙後処理装置
JP5500434B2 (ja) 用紙折り装置
JP2013063826A (ja) 用紙処理装置及び画像形成システム
JP2023114306A (ja) 後処理システムおよび画像形成システム
JP6537304B2 (ja) シート処理装置及びこれを備える画像形成システム
JP2025163660A (ja) シート折り装置、後処理装置、画像形成装置、及び画像形成システム
JP5488023B2 (ja) 用紙折り装置、及び画像形成装置

Legal Events

Date Code Title Description
A621 Written request for application examination

Free format text: JAPANESE INTERMEDIATE CODE: A621

Effective date: 20110811

A977 Report on retrieval

Free format text: JAPANESE INTERMEDIATE CODE: A971007

Effective date: 20121029

A131 Notification of reasons for refusal

Free format text: JAPANESE INTERMEDIATE CODE: A131

Effective date: 20121112

A521 Request for written amendment filed

Free format text: JAPANESE INTERMEDIATE CODE: A523

Effective date: 20121221

TRDD Decision of grant or rejection written
A01 Written decision to grant a patent or to grant a registration (utility model)

Free format text: JAPANESE INTERMEDIATE CODE: A01

Effective date: 20130207

A61 First payment of annual fees (during grant procedure)

Free format text: JAPANESE INTERMEDIATE CODE: A61

Effective date: 20130220

FPAY Renewal fee payment (event date is renewal date of database)

Free format text: PAYMENT UNTIL: 20160315

Year of fee payment: 3

R151 Written notification of patent or utility model registration

Ref document number: 5218836

Country of ref document: JP

Free format text: JAPANESE INTERMEDIATE CODE: R151

FPAY Renewal fee payment (event date is renewal date of database)

Free format text: PAYMENT UNTIL: 20160315

Year of fee payment: 3

LAPS Cancellation because of no payment of annual fees