JP2010093884A - 無停電電源システム - Google Patents

無停電電源システム Download PDF

Info

Publication number
JP2010093884A
JP2010093884A JP2008259311A JP2008259311A JP2010093884A JP 2010093884 A JP2010093884 A JP 2010093884A JP 2008259311 A JP2008259311 A JP 2008259311A JP 2008259311 A JP2008259311 A JP 2008259311A JP 2010093884 A JP2010093884 A JP 2010093884A
Authority
JP
Japan
Prior art keywords
power supply
uninterruptible power
bypass
uninterruptible
output voltage
Prior art date
Legal status (The legal status is an assumption and is not a legal conclusion. Google has not performed a legal analysis and makes no representation as to the accuracy of the status listed.)
Granted
Application number
JP2008259311A
Other languages
English (en)
Other versions
JP5347415B2 (ja
Inventor
Kazuyoshi Umezawa
一喜 梅沢
Current Assignee (The listed assignees may be inaccurate. Google has not performed a legal analysis and makes no representation or warranty as to the accuracy of the list.)
Fuji Electric Co Ltd
Original Assignee
Fuji Electric Systems Co Ltd
Priority date (The priority date is an assumption and is not a legal conclusion. Google has not performed a legal analysis and makes no representation as to the accuracy of the date listed.)
Filing date
Publication date
Application filed by Fuji Electric Systems Co Ltd filed Critical Fuji Electric Systems Co Ltd
Priority to JP2008259311A priority Critical patent/JP5347415B2/ja
Publication of JP2010093884A publication Critical patent/JP2010093884A/ja
Application granted granted Critical
Publication of JP5347415B2 publication Critical patent/JP5347415B2/ja
Active legal-status Critical Current
Anticipated expiration legal-status Critical

Links

Images

Landscapes

  • Stand-By Power Supply Arrangements (AREA)
  • Supply And Distribution Of Alternating Current (AREA)
  • Inverter Devices (AREA)

Abstract

【課題】 無停電電源装置を2組用いて形成される2系統の電源と、この2系統の電源のうちの何れか1系統の電源を選定して負荷に給電する切換盤とを備え、給電信頼性を向上させた無停電電源システムを提供する。
【解決手段】 この無停電電源システムの通常状態として、交流電源1,4それぞれが健全な状態にあり、無停電電源10,20は母線盤30の閉路したコンタクタ31,32を介して並列運転をしており、同様に、無停電電源40,50は母線盤60の閉路したコンタクタ61,62を介して並列運転しており、例えば、第2系の無停電電源装置がこの無停電電源システムの同期状態のマスタに設定されているときには、無停電電源回路40,50それぞれに備える同期選択回路150それぞれにより、第2系の無停電電源装置の出力電圧を第2系のバイパス電源の出力電圧に同期させ、また、無停電電源回路10,20に備える同期選択回路150それぞれにより、第1系の無停電電源装置の出力電圧を第1系のバイパス電源の出力電圧に同期させた状態にする。
【選択図】 図1

Description

この発明は、電力変換回路とバイパス電源とから形成される無停電電源を複数台並列運転する無停電電源装置,複数台並列運転される電力変換回路から構成される無停電電源とバイパス電源とから形成される無停電電源装置,電力変換回路とバイパス電源とから形成される無停電電源を単機運転する無停電電源装置の内の何れか2組用いて形成される2系統の電源と、この2系統の電源の内の何れか1系統の電源を選定して負荷に給電する切換盤とを備えた無停電電源システムに関する。
この種の無停電電源システムでは、各系統を電力変換回路とバイパス電源とから形成される無停電電源を複数台並列運転する無停電電源装置,複数台並列運転される電力変換回路から構成される無停電電源とバイパス電源とから形成される無停電電源装置,電力変換回路とバイパス電源とから形成される無停電電源を単機運転する無停電電源装置の内の何れか2組用いて形成される2系統の電源とし、一方の系統から負荷に給電し、他方の系統はバックアップ電源とすることで、この無停電電源システムの負荷への給電動作の信頼性を向上させているが、さらに、この無停電電源システムのメインテナンス作業中も含めて、年中休み無く、負荷への給電を続けることが要請されている。
この要請に対応するために、2系統の電源電圧間の位相同期制御を行い、該2系統の電源のうちの何れか1系統の電源を選定して負荷に給電する切換盤は、サイリスタを逆並列接続にした交流スイッチ(サイリスタスイッチ)からなる高速スイッチ回路で形成される高速切換盤とすることで、この無停電電源システムのメインテナンスなどの際の前記負荷への給電の切換えを、無瞬断且つショックレスに行うことができるようにしていた。
このような構成の無停電電源システムとしては、下記特許文献に記載されているものなどが知られている。
特開2007−215344号公報
上述の従来の無停電電源システムにおいて、2系統の電源電圧間の位相同期制御を行う際には同期対象(マスタ)の無停電電源装置を固定していることから、このマスタ側のバイパス電源のみに不具合が発生し、マスタ側の無停電電源装置の出力電圧が前記バイパス電源の電圧に同期できない状態のとき、すなわち、マスタ側の無停電電源装置が内部同期状態のときにも、他系統の無停電電源装置の出力電圧はマスタ側の無停電電源装置の出力電圧に同期させていることから、双方の無停電電源装置の出力電圧は健全な他系統のバイパス電源の電圧とは非同期の状態になっている。
このような非同期の状態で動作中に、万一、負荷に過電流が発生したときなどは、この過電流が給電中の無停電電源装置に波及しないように、高速切換盤では健全な他系統のバイパス電源への給電切換が行われるが、この切換時には負荷に擾乱した電圧が印加されるという問題点があった。
この発明の目的は、上記問題点を解消するために、同期対象の系統を適宜変更することにより、この無停電電源システムから負荷への給電信頼性の向上を計った無停電電源システムを提供することにある。
この第1の発明は、電力変換回路とバイパス電源とから形成される無停電電源を複数台並列運転する無停電電源装置,複数台並列運転される電力変換回路から構成される無停電電源とバイパス電源とから形成される無停電電源装置,電力変換回路とバイパス電源とから形成される無停電電源を単機運転する無停電電源装置の内の何れか2組用いて形成される2系統の電源と、この2系統の電源の内の何れか1系統の電源を選定して負荷に給電する切換盤と、前記それぞれの無停電電源装置の同期状態を選択する同期選択回路とを備えた無停電電源システムにおいて、
前記同期選択回路により、同期対象に設定された系統の前記無停電電源装置の出力電圧を該系統のバイパス電源の出力電圧に同期させ、同期対象に設定されていない系統の前記無停電電源装置の出力電圧を該系統のバイパス電源の出力電圧に同期させた通常状態にして前記無停電電源システムが動作中に、前記同期対象に設定された系統の前記無停電電源装置のバイパス電源および前記同期対象に設定されていない系統の前記無停電電源装置のバイパス電源が共に異常のときには、前記同期対象に設定された系統の前記無停電電源装置は内部同期状態に切換えて運転を継続し、前記同期対象に設定されていない系統の前記無停電電源装置の出力電圧は前記内部同期状態に切換わった無停電電源装置の出力電圧に同期させるように切換えて運転を継続することを特徴とする。
第2の発明は前記無停電電源システムにおいて、
前記同期選択回路により、同期対象に設定された系統の前記無停電電源装置の出力電圧を該系統のバイパス電源の出力電圧に同期させ、同期対象に設定されていない系統の前記無停電電源装置の出力電圧を該系統のバイパス電源の出力電圧に同期させた通常状態にして前記無停電電源システムが動作中に、前記同期対象に設定された系統の前記無停電電源装置のバイパス電源が異常で、前記同期対象に設定されていない系統の前記無停電電源装置のバイパス電源が正常のときには、前記バイパス電源が消失した系統の前記無停電電源装置の出力電圧は同期対象に設定されていない系統の前記無停電電源装置の出力電圧に同期させるように切換えて運転を継続することを特徴とする。
第3の発明は前記無停電電源システムにおいて、
前記同期選択回路により、同期対象に設定された系統の前記無停電電源装置の出力電圧を該系統のバイパス電源の出力電圧に同期させ、同期対象に設定されていない系統の前記無停電電源装置の出力電圧を該系統のバイパス電源の出力電圧に同期させた通常状態にして前記無停電電源システムが動作中に、前記同期対象に設定された系統の前記無停電電源装置のバイパス電源が正常で、前記同期対象に設定されていない系統の前記無停電電源装置のバイパス電源が異常のときには、前記バイパス電源が消失した系統の前記無停電電源装置の出力電圧は同期対象に設定された系統の前記無停電電源装置の出力電圧に同期させるように切換えて運転を継続することを特徴とする。
第4の発明は前記無停電電源システムにおいて、
前記同期選択回路により、同期対象に設定された系統の前記無停電電源装置の出力電圧を該系統のバイパス電源の出力電圧に同期させ、同期対象に設定されていない系統の前記無停電電源装置の出力電圧を該系統のバイパス電源の出力電圧に同期させた通常状態にして前記無停電電源システムが動作中に、前記同期対象に設定された系統の前記無停電電源装置のバイパス電源および前記同期対象に設定されていない系統の前記無停電電源装置のバイパス電源が各系個別の非常用発電機にそれぞれ切換わったときには、前記同期対象に設定された系統の前記無停電電源装置の出力電圧は該系統の前記バイパス電源の出力電圧に同期させつつ、同期対象に設定されていない系統の前記無停電電源装置の出力電圧は同期対象に設定された系統の前記無停電電源装置の出力電圧に同期させるように切換えて運転を継続することを特徴とする。
第5の発明は前記第1〜4の発明の無停電電源システムにおいて、
前記同期選択回路では自系バイパス電圧,電力変換回路の出力電圧,他系母線電圧それぞれを入力検出信号とするとともに、前記同期対象に設定する指令信号と、自系バイパス電圧,他系母線電圧それぞれの周波数および電圧レベルの判定結果と、自系バイパス電圧と電力変換回路の出力電圧との位相差の判定結果と、電力変換回路の出力電圧と他系母線電圧との位相差の判定結果とに基づいて前記切換えの動作を行わせることを特徴とする。
また、第6の発明は前記5の発明の無停電電源システムにおいて、
前記同期選択回路を各無停電電源それぞれに設けるとともに、これらの同期選択回路間の信号の授受を中継する信号中継回路を各無停電電源装置それぞれに備えたことを特徴とする。
この発明によれば、同期対象に設定された系統の前記無停電電源装置の出力電圧に対して、通常状態では、後述の如く、同期対象に設定されていない系統の前記無停電電源装置の出力電圧をほぼ同期させ、何れかのバイパス電源に不具合が生じたときには、その不具合の状態に応じて、前記同期選択回路により、同期対象の系統を適宜変更することにより、双方の無停電電源装置の出力電圧間の位相を同期させて、この無停電電源システムから負荷への給電信頼性の向上を計ることができる。
図1は、この発明の実施の形態を示す無停電電源システムの回路構成図である。
この図において、1は商用の電力系統から供給される交流電源、2は交流電源1に停電などが発生しているときのバックアップ電源としての非常用発電機、3は無停電電源装置への入力電源を交流電源1と非常用発電機3との間で切替える切替コンタクタ、同様に、4は商用の電力系統から供給される交流電源、5は交流電源4に停電などが発生しているときのバックアップ電源としての非常用発電機、6は無停電電源装置への入力電源を交流電源4と非常用発電機5との間で切替える切替コンタクタであり、交流電源1,4が共に健全な通常状態では、切替コンタクタ3,6はそれぞれ交流電源1,4側に閉路している。
また、図1に示す第1系の無停電電源装置は無停電電源10,20と、母線盤30とから形成され、同様に、図示の第2系の無停電電源装置は無停電電源40,50と、母線盤60とから形成されている。
この母線盤30にはコンタクタ31,32と、後述の同期選択回路150間の信号の授受を中継する信号中継回路33とを備え、同様に、母線盤60にはコンタクタ61,62と、信号中継回路33と同じ機能をする信号中継回路63とを備えている。
さらに、図1に示す無停電電源システムは第1系の無停電電源装置および第2系の無停電電源装置と、負荷1への給電を第1系の無停電電源装置と第2系の無停電電源装置と間で切換える切換盤としての高速切換盤70と、負荷2への給電を第1系の無停電電源装置と第2系の無停電電源装置と間で切換える切換盤としての高速切換盤80と、負荷3への給電を第1系の無停電電源装置と第2系の無停電電源装置と間で切換える切換盤としての高速切換盤90とから形成されている。
この高速切換盤70,80,90それぞれは、サイリスタを逆並列接続にした交流スイッチ(サイリスタスイッチ)からなる高速スイッチ回路で形成されている。
さらに、図1に示した無停電電源システムでは無停電電源10,20は母線盤30の閉路したコンタクタ31,32を介して並列運転をしており、同様に、無停電電源40,50は母線盤60の閉路したコンタクタ61,62を介して並列運転をしている。
図2は、図1に示した無停電電源10,20,40,50の詳細回路構成図である。
図2において、101はコンタクタ、102はダイオード整流回路などからなるコンバータ、103はコンバータ102からの直流電圧を所望の交流電圧に変換するための半導体逆変換回路とその制御回路からなるインバータであり、このコンバータ102とインバータ103とで電力変換回路を形成している。また、104はコンタクタ、105はコンバータ102への入力電源に停電が発生したときに閉路して蓄電池106からインバータ103への直流電圧を供給するためにコンタクタ、107は図示のようにサイリスタを逆並列接続にしたサイリスタスイッチ、108はサイリスタスイッチ107がオンした直後から閉路し、サイリスタスイッチ107がオフする直前に開路するコンタクタ、109はインバータ103の出力電圧、すなわち、前記電力変換回路の出力電圧を検出する電圧検出器、110はサイリスタスイッチ107の入力電圧、すなわち、自系のバイパス電圧を検出する電圧検出器、111は他系の母線電圧を検出する電圧検出器である。
ここで、インバータ103を形成する制御回路では、周知の技術を用いて、無停電電源間の並列運転するための横流抑制制御なども行っている。
また、このサイリスタスイッチ107とコンタクタ108とは、コンバータ102,インバータ103などに不具合が発生してインバータ103から所望の交流電圧が出力できなくなったときなどにコンタクタ104を開路させつつ、上述のようにオン状態にして、この無停電電源の出力電圧の継続を図るために備えている。
さらに、同期選択回路150は電圧検出器109,110,111それぞれの検出信号と、信号中継回路33または信号中継回路63から受信した信号とに基づいて、インバータ103を形成する前記制御回路での後述の同期制御を行うための位相差信号などを送出している。
なお、図1,2で示した無停電電源システムにおいては、各系統は2台の無停電電源10,20(または40,50)を並列運転させ、それぞれの無停電電源にはバイパス電源を有する構成の場合を示しているが、各系統は3台以上の無停電電源による並列運転でもよいし、1台の無停電電源による単機運転としてもよい。さらに、各系統は複数台の並列運転する電力変換回路に対して1組のバイパス電源を有する構成でもよい。
図3は、図2に示した同期選択回路150の詳細回路構成図である。
図3において、151は図2に示す電圧検出器109により検出された前記電力変換回路の出力電圧の検出信号、すなわち、インバータ103の出力電圧の検出信号と、図2に示す電圧検出器110により検出された自系バイパス電圧の検出信号との位相差を求める位相差演算A回路、152は電圧検出器109により検出されたインバータ103の出力電圧の検出信号と、図2に示す電圧検出器111により検出された他系母線電圧の検出信号との位相差を求める位相差演算B回路、153は後述の切換演算回路200により、その接点の切換動作が行われ、位相差演算A回路151又は位相差演算B回路152から得られる位相差信号をインバータ103の制御回路へ送出する切換スイッチである。
また、周波数・電圧レベル判定A回路154は前記自系バイパス電圧の検出信号からその周波数と電圧が定格の所定値以内(例えば、前記自系バイパス電圧の周波数が定格周波数のプラスマイナス1%以内でその電圧が定格電圧のプラスマイナス10%以内)であれば、論理レベル1「バイバス電圧正常A」を出力し、他の状態では論理レベル0を出力する。さらに、同期判定A回路155は位相差演算A回路151から得られる位相差が所定値以内(例えば、プラスマイナス8度(電気角)以内)であれば、論理レベル1「バイバス同期B」を出力し、他の状態では論理レベル0を出力する。
同様に、周波数・電圧レベル判定B回路156は前記他系母線電圧の検出信号からその周波数と電圧が定格の所定値以内(例えば、前記自系バイパス電圧の周波数が定格周波数のプラスマイナス1%以内でその電圧が定格電圧のプラスマイナス10%以内)であれば、論理レベル1「他系母線電圧正常」を出力する。同期判定B回路157は位相差演算B回路152から得られる位相差が所定値以内(例えば、プラスマイナス8度(電気角)以内)であれば、論理レベル1「他系母線同期」を出力する。
なお、この同期選択回路150の構成要素は全て周知の技術を用いて形成されている。
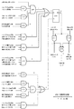
図4は、図3に示した切換演算回路200の詳細回路構成図であり、この切換演算回路200において、201〜207,209〜214,217〜219はアンド素子、208,215はオア素子、216はラッチ素子である。
図5は、図1〜4の部分詳細説明図であり、第1系無停電電源装置の無停電電源に備える同期選択回路150,母線盤に備える信号中継回路33と、第2系無停電電源装置の無停電電源に備える同期選択回路150,母線盤に備える信号中継回路63との間での信号の授受動作を示している。
この図では、以下に説明をするモード1〜5での切換演算回路200の動作を解かり易くするために、第1系の同期選択回路150で導出された「バイパス電圧正常A」,「バイパス同期B」,「母線同期追従モードC」それぞれは、信号中継回路33と信号中継回路63とを介しつつ、「他系バイパス電圧正常」,「他系バイパス同期」,「他系母線同期追従モード」として、第2系の同期選択回路150に伝達される。同様に、第2系の同期選択回路150で導出された「バイパス電圧正常A」,「バイパス同期B」,「母線同期追従モードC」それぞれは、信号中継回路63と信号中継回路33とを介しつつ、「他系バイパス電圧正常」,「他系バイパス同期」,「他系母線同期追従モード」として、第1系の同期選択回路150に伝達される。
このとき、図1に示した無停電電源システムでは、各系統は2台の無停電電源10,20(または40,50)を並列運転させている構成であることから、無停電電源10,20それぞれからの「バイパス電圧正常A」,「バイパス同期B」,「母線同期追従モードC」は信号中継回路33内でそれぞれ論理和演算されて、信号中継回路63側へ伝達し、同様に、無停電電源40,50それぞれからの「バイパス電圧正常A」,「バイパス同期B」,「母線同期追従モードC」は信号中継回路63内でそれぞれ論理和演算されて、信号中継回路33側へ伝達すればよい。
図6は、図1に示した無停電電源システムにおけるバイパス電源の状態の変化に対応した第1系の無停電電源装置および第2系の無停電電源装置それぞれの同期対象と、高速切換盤70,80,90での同期状態とを示すマトリックス図である。
なお、このマトリックス図では、この無停電電源システムの図示しない運転シーケンス回路からの指令により、高速切換盤70,80,90それぞれは第1系の無停電電源装置側から負荷1,2,3それぞれに給電している状態に設定し、第2系の無停電電源装置は第1系の無停電電源装置に対するバックアップ電源の状態に設定している。すなわち、前記運転シーケンス回路からの指令により、第2系の無停電電源装置がこの無停電電源システムの同期状態のマスタに設定されている。
図6に示したモード1〜5について、図3に示した同期選択回路150と、図7〜16に示した切換演算回路200の動作説明図とを参照しつつ、以下に説明する。
先ず、この無停電電源システムの通常状態として、交流電源1,4それぞれが健全、従って、第1,2系のバイパス電源も健全な状態にあり、無停電電源10,20は母線盤30の閉路したコンタクタ31,32を介して並列運転をしており、同様に、無停電電源40,50は母線盤60の閉路したコンタクタ61,62を介して並列運転しており、上述の如く、第2系の無停電電源装置がこの無停電電源システムの同期状態のマスタに設定されているときが図6のモード1の状態である。
このときには、無停電電源回路40,50それぞれに備える同期選択回路150それぞれにより、同期対象に設定(マスタに設定)された第2系の無停電電源装置の出力電圧を第2系のバイパス電源の出力電圧に同期させ、また、無停電電源回路10,20に備える同期選択回路150それぞれにより、同期対象に設定されていない第1系の無停電電源装置の出力電圧を第1系のバイパス電源の出力電圧に同期させた状態にしている。
図7,8は、モード1の状態での同期選択回路150の動作を説明する回路図である。
すなわち、図7に示すモード1の状態での第1系の無停電電源装置を形成する無停電電源回路10,20に備える同期選択回路150の切換演算回路200では、同期選択回路150からの「バイパス電圧正常A」と「バイパス同期B」の信号を受けたアンド素子201の出力は論理レベル1、無停電電源回路40,50に備える同期選択回路150からの「バイパス電圧正常A」すなわち「他系バイパス電圧正常」と「バイパス同期B」すなわち「他系バイパス同期」の信号を受けたアンド素子202の出力は論理レベル1、同期選択回路150からの「他系母線電圧正常」と「他系母線同期」の信号を受けたアンド素子203の出力は論理レベル0、従って、アンド素子204の出力は論理レベル0、同様に、アンド素子205〜207それぞれの出力は論理レベル0であることからオア素子208の出力は論理レベル0である。
また、第1系の無停電電源装置は同期対象に設定されていないことからアンド素子209の出力は論理レベル0、さらに、前記「バイパス電圧正常A」と「バイパス同期B」の信号を受けたアンド素子210の出力は論理レベル1と、前記「他系バイパス電圧正常」と「他系バイパス同期」の信号を受けたアンド素子211の出力は論理レベル1と、同期選択回路150からの「他系母線電圧正常」と「他系母線同期」の信号を受けたアンド素子2212の出力は論理レベル1とにより、アンド素子213の出力は論理レベル1であり、アンド素子214の出力は論理レベル0であることからオア素子215の出力は論理レベル1である。
従って、ラッチ素子216の出力Qは論理レベル0となり、アンド素子217の出力は論理レベル1であることから、この同期選択回路150の切換スイッチ153は位相差演算A回路151側に閉路し、その結果、第1系の無停電電源装置の出力電圧を第1系のバイパス電源の出力電圧に同期させた状態にしている。
このときのアンド素子218の出力は論理レベル0であることから、第1系の無停電電源装置は「母線追従モードC」の状態ではない。
また、図8に示すモード1の状態での第2系の無停電電源装置を形成する無停電電源回路40,50に備える同期選択回路150の切換演算回路200では、図7での切換演算回路200と同様に、オア素子208の出力は論理レベル0、オア素子215の出力は論理レベル1であることから、ラッチ素子216の出力Qは論理レベル0となり、アンド素子217の出力は論理レベル1であることから、この同期選択回路150の切換スイッチ153は位相差演算A回路151側に閉路し、その結果、第2系の無停電電源装置の出力電圧を第2系のバイパス電源の出力電圧に同期させた状態にしており、第2系の無停電電源装置は「母線追従モードC」の状態ではない。
すなわち、モード1の状態では、無停電電源回路40,50に備える同期選択回路150それぞれにより、同期対象に設定(マスタに設定)された第2系の無停電電源装置の出力電圧を第2系のバイパス電源の出力電圧に同期させ、また、無停電電源回路10,20に備える同期選択回路150それぞれにより、同期対象に設定されていない第1系の無停電電源装置の出力電圧を第1系のバイパス電源の出力電圧に同期させている。
この状態のときには、一般に、図1に示した交流電源1と交流電源2とは同一の商用電源系統からこの無停電電源システムの設置場所などで2系統に分割されたものであることから、その出力電圧間の位相差は極僅かであることに着目すると、高速切換盤70,80,90では、第1系の無停電電源装置の出力電圧と第2系の無停電電源装置の出力電圧とはほぼ同期状態(間接同期状態)と認識でき、この無停電電源システムのメインテナンスなどの際の負荷1〜3への高速切換盤70,80,90での給電の切換えを、無瞬断且つショックレスに行うことができる。
以下のモード2〜4での動作は、この無停電電源システムの動作状態がモード1の状態からモード2〜4の何れかの状態に変わったとして、説明を行っている。
すなわち、モード2は、交流電源1,4それぞれが健全、従って、第1,2系のバイパス電源も健全な状態(モード1)から、交流電源1,4の双方共に停電し、従って、第1,2系のバイパス電源も共に停電した状態になっているときである。
図9,10は、モード2の状態での同期選択回路150の動作を説明する回路図である。
すなわち、図9に示すモード2の状態での第1系の無停電電源装置を形成する無停電電源回路10,20に備える同期選択回路150の切換演算回路200では、第1,2系のバイパス電源も共に停電した状態にあり、同期対象に設定されてないことからアンド素子206の出力は論理1レベルになっており、また、アンド素子206の出力も論理0レベルになっていることから、オア素子208の出力は論理レベル1、オア素子215の出力は論理レベル0となり、ラッチ素子216の出力Qは論理レベル1になっている。
従って、アンド素子217の出力は論理レベル0であることから、この同期選択回路150の切換スイッチ153は位相差演算B回路152側に閉路し、その結果、第1系の無停電電源装置の出力電圧を第2系の母線電圧に同期させた状態にしており、従って、第1系の無停電電源装置は「母線追従モードC」の状態になっている。
また、図10に示すモード2の状態での第2系の無停電電源装置を形成する無停電電源回路40,50に備える同期選択回路150の切換演算回路200では、同期対象に設定設定されていること、第1系(他系)の無停電電源装置は「母線追従モードC」すなわち「他系母線同期追従モード」となっていることから、アンド素子209の出力が論理1レベルとなり、従って、ラッチ素子216の出力Qは論理レベル0となり、アンド素子217,218それぞれの出力は論理レベル0になることから、アンド素子219の出力が論理1レベルとなり、このときには、第2系の無停電電源装置は同期選択回路150出力の位相差信号を遮断し、無停電電源回路40,50に備える内部発振器による自走状態、すなわち、内部同期の状態にする。
従って、高速切換盤70,80,90では、第1系の無停電電源装置の出力電圧と第2系の無停電電源装置の出力電圧とは同期状態にあり、この無停電電源システムのメインテナンスなどの際の負荷1〜3への高速切換盤70,80,90での給電の切換えを、無瞬断且つショックレスに行うことができる。
次に、モード3は、交流電源1,4それぞれが健全、従って、第1,2系のバイパス電源も健全な状態(モード1)から、交流電源4のみに停電などの異常が発生した状態になっているときである。
図11,12は、このモード3の状態での同期選択回路150の動作を説明する回路図である。
すなわち、図11に示すモード3の状態での第1系の無停電電源装置を形成する無停電電源回路10,20に備える同期選択回路150の切換演算回路200では、図7での切換演算回路200と同様に、オア素子208の出力は論理レベル0、また、オア素子213の出力は論理レベル0になるが、オア素子214の出力は論理レベル1に変わることからオア素子215は論理レベル1を継続し、従って、ラッチ素子216の出力Qは論理レベル0となり、アンド素子217の出力は論理レベル1であることから、この同期選択回路150の切換スイッチ153は位相差演算A回路151側に閉路し、その結果、第1系の無停電電源装置の出力電圧を第1系のバイパス電源の出力電圧に同期させた状態にしており、第1系の無停電電源装置は「母線追従モードC」の状態ではない。
また、図12に示すモード3の状態での第2系の無停電電源装置を形成する無停電電源回路40,50に備える同期選択回路150の切換演算回路200では、同期対象に設定設定されていること、自系のバイパス電圧が異常(論理レベル0)であること、他系のバイパス電圧が正常(論理レベル1)であること、他系の無停電電源装置は「母線追従モードC」すなわち「他系母線追従モード」ではないことからアンド素子207の出力が論理1レベルとなり、従って、オア素子208の出力は論理レベル1に変わる。また、アンド素子213の出力も論理レベル0に変わることからオア素子215の出力も論理レベル0に変わる。
その結果、ラッチ素子216の出力Qは論理レベル1に変わる。従って、アンド素子217の出力は論理レベル0であることから、この同期選択回路150の切換スイッチ153は位相差演算B回路152側に閉路し、その結果、第2系の無停電電源装置の出力電圧を第1系の母線電圧に同期させた状態にしており、従って、第2系の無停電電源装置は「他系母線追従モード」の状態になっている。
従って、高速切換盤70,80,90では、第1系の無停電電源装置の出力電圧と第2系の無停電電源装置の出力電圧とは同期状態にあり、この無停電電源システムのメインテナンスなどの際の負荷1〜3への高速切換盤70,80,90での給電の切換えを、無瞬断且つショックレスに行うことができる。
またモード4は、交流電源1,4それぞれが健全、従って、第1,2系のバイパス電源も健全な状態(モード1)から、交流電源1のみに停電などの異常が発生した状態になっているときである。
図13,14は、このモード4の状態での同期選択回路150の動作を説明する回路図である。
すなわち、図13に示すモード4の状態での第1系の無停電電源装置を形成する無停電電源回路10,20に備える同期選択回路150の切換演算回路200では、同期対象に設定設定されていないこと、自系のバイパス電圧が異常(論理レベル0)であること、他系のバイパス電圧が正常(論理レベル1)であることからアンド素子205の出力が論理1レベルとなり、従って、オア素子208の出力は論理レベル1に変わる。また、アンド素子213の出力も論理レベル0に変わることからオア素子215の出力も論理レベル0に変わる。
その結果、ラッチ素子216の出力Qは論理レベル1に変わる。従って、アンド素子217の出力は論理レベル0であることから、この同期選択回路150の切換スイッチ153は位相差演算B回路152側に閉路し、その結果、第1系の無停電電源装置の出力電圧を第2系の母線電圧に同期させた状態にしており、従って、第1系の無停電電源装置は「母線追従モードC」の状態になっている。
また、図14に示すモード4の状態での第2系の無停電電源装置を形成する無停電電源回路40,50に備える同期選択回路150の切換演算回路200では、同期対象に設定設定されていること、第1系(他系)の無停電電源装置は「母線追従モードC」すなわち「他系母線追従モード」となっていることからアンド素子209の出力が論理1レベルとなり、また、バイパス電圧が正常、他系バイパス電圧が異常、他系バイパス同期も行われていないことからアンド素子214の出力も論理レベル1であることから、ラッチ素子216の出力Qは論理レベル0となり、アンド素子217の出力は論理レベル1であることから、この同期選択回路150の切換スイッチ153は位相差演算A回路151側に閉路し、その結果、第2系の無停電電源装置の出力電圧を第2系のバイパス電源の出力電圧に同期させた状態にしており、第2系の無停電電源装置は「母線追従モードC」の状態ではない。
従って、高速切換盤70,80,90では、第1系の無停電電源装置の出力電圧と第2系の無停電電源装置の出力電圧とは同期状態にあり、この無停電電源システムのメインテナンスなどの際の負荷1〜3への高速切換盤70,80,90での給電の切換えを、無瞬断且つショックレスに行うことができる。
さらにモード5は、交流電源1,4それぞれが健全、従って、第1,2系のバイパス電源も健全な状態(モード1)から、交流電源1,4の双方が共に停電し、従って、第1,2系のバイパス電源も共に停電した状態(モード2)となり、この停電が継続しているために、非常用発電機2,5の双方が立ち上がったときの状態である。
以下のモード5での動作は、この無停電電源システムの動作状態がモード2の状態からモード5の状態に変わったとして、説明を行っている。
図15,16は、このモード5の状態での同期選択回路150の動作を説明する回路図である。
すなわち、図15に示すモード5の状態での第1系の無停電電源装置を形成する無停電電源回路10,20に備える同期選択回路150の切換演算回路200では、第1,2系のバイパス電源も共に復電した状態にあり、他系は他系バイパスに同期した状態にあり、同期対象に設定されてないことからアンド素子204の出力は論理1レベルになり、その結果、オア素子208の出力は論理レベル1、オア素子215の出力は論理レベル0となり、ラッチ素子216の出力Qは論理レベル1になっている。
従って、アンド素子217の出力は論理レベル0であることから、この同期選択回路150の切換スイッチ153は位相差演算B回路152側に閉路し、その結果、第1系の無停電電源装置の出力電圧を第2系の母線電圧に同期させた状態にしており、従って、第1系の無停電電源装置は「母線追従モードC」の状態のままになっている。
また、図16に示すモード5の状態での第2系の無停電電源装置を形成する無停電電源回路40,50に備える同期選択回路150の切換演算回路200では、同期対象に設定設定されていること、第1系(他系)の無停電電源装置は「母線追従モードC」すなわち「他系母線追従モード」となっていることから、アンド素子209の出力が論理1レベルとなり、従って、ラッチ素子216の出力Qは論理レベル0となり、バイパス電圧が正常に復帰したことからアンド素子217の出力は論理レベル1になり、先述の内部同期の状態から、第2系の無停電電源装置の出力電圧を第2系のバイパス電源の出力電圧に同期させた状態に復旧する。
従って、高速切換盤70,80,90では、第1系の無停電電源装置の出力電圧と第2系の無停電電源装置の出力電圧とは同期状態にあり、この無停電電源システムのメインテナンスなどの際の負荷1〜3への高速切換盤70,80,90での給電の切換えを、無瞬断且つショックレスに行うことができる。
なお、非常用発電機2の出力電圧と非常用発電機5の出力電圧とは、その電圧値をほぼ等しくすることは容易であるが、その位相差をほぼ零にすることは容易ではないので、モード5の状態では、第1系の無停電電源装置の出力電圧を第2系の母線電圧、すなわち、非常用発電機5の出力電圧に同期させた状態に設定している。
この発明の実施の形態を示す無停電電源システムの回路構成図 図1の部分詳細回路構成図 図2の部分詳細回路構成図 図3の部分詳細回路構成図 図1〜4の部分詳細説明図 この発明の動作を説明する同期マトリックス図 図5のモード1の動作を説明する回路構成図 図5のモード1の動作を説明する回路構成図 図5のモード2の動作を説明する回路構成図 図5のモード2の動作を説明する回路構成図 図5のモード3の動作を説明する回路構成図 図5のモード3の動作を説明する回路構成図 図5のモード4の動作を説明する回路構成図 図5のモード4の動作を説明する回路構成図 図5のモード5の動作を説明する回路構成図 図5のモード5の動作を説明する回路構成図
符号の説明
1,4…交流電源、2,5…非常用発電機、3,6…切替スイッチ、10,20,40,50…無停電電源、30,60…母線盤、31,32,61,62…コンタクタ、33,63…信号中継回路、70,80,90…高速切換盤、101,104,105,108…コンタクタ、102…コンバータ、103…インバータ、106…蓄電池、107…サイリスタスイッチ、109〜111…電圧検出器、151…位相差演算A回路、152…位相差演算B回路、153…切換スイッチ、154…周波数・電圧レベル判定A回路、155…同期判定A回路、156…周波数・電圧レベル判定B回路、157…同期判定B回路、200…切換演算回路。

Claims (6)

  1. 電力変換回路とバイパス電源とから形成される無停電電源を複数台並列運転する無停電電源装置,複数台並列運転される電力変換回路から構成される無停電電源とバイパス電源とから形成される無停電電源装置,電力変換回路とバイパス電源とから形成される無停電電源を単機運転する無停電電源装置の内の何れか2組用いて形成される2系統の電源と、この2系統の電源の内の何れか1系統の電源を選定して負荷に給電する切換盤と、前記それぞれの無停電電源装置の同期状態を選択する同期選択回路とを備えた無停電電源システムにおいて、
    前記同期選択回路により、
    同期対象に設定された系統の前記無停電電源装置の出力電圧を該系統のバイパス電源の出力電圧に同期させ、同期対象に設定されていない系統の前記無停電電源装置の出力電圧を該系統のバイパス電源の出力電圧に同期させた通常状態にして前記無停電電源システムが動作中に、
    前記同期対象に設定された系統の前記無停電電源装置のバイパス電源および前記同期対象に設定されていない系統の前記無停電電源装置のバイパス電源が共に異常のときには、
    前記同期対象に設定された系統の前記無停電電源装置は内部同期状態に切換えて運転を継続し、前記同期対象に設定されていない系統の前記無停電電源装置の出力電圧は前記内部同期状態に切換わった無停電電源装置の出力電圧に同期させるように切換えて運転を継続することを特徴とする無停電電源システム。
  2. 電力変換回路とバイパス電源とから形成される無停電電源を複数台並列運転する無停電電源装置,複数台並列運転される電力変換回路から構成される無停電電源とバイパス電源とから形成される無停電電源装置,電力変換回路とバイパス電源とから形成される無停電電源を単機運転する無停電電源装置の内の何れか2組用いて形成される2系統の電源と、この2系統の電源の内の何れか1系統の電源を選定して負荷に給電する切換盤と、前記それぞれの無停電電源装置の同期状態を選択する同期選択回路とを備えた無停電電源システムにおいて、
    前記同期選択回路により、
    同期対象に設定された系統の前記無停電電源装置の出力電圧を該系統のバイパス電源の出力電圧に同期させ、同期対象に設定されていない系統の前記無停電電源装置の出力電圧を該系統のバイパス電源の出力電圧に同期させた通常状態にして前記無停電電源システムが動作中に、
    前記同期対象に設定された系統の前記無停電電源装置のバイパス電源が異常で、前記同期対象に設定されていない系統の前記無停電電源装置のバイパス電源が正常のときには、
    前記バイパス電源が消失した系統の前記無停電電源装置の出力電圧は同期対象に設定されていない系統の前記無停電電源装置の出力電圧に同期させるように切換えて運転を継続することを特徴とする無停電電源システム。
  3. 電力変換回路とバイパス電源とから形成される無停電電源を複数台並列運転する無停電電源装置,複数台並列運転される電力変換回路から構成される無停電電源とバイパス電源とから形成される無停電電源装置,電力変換回路とバイパス電源とから形成される無停電電源を単機運転する無停電電源装置の内の何れか2組用いて形成される2系統の電源と、この2系統の電源の内の何れか1系統の電源を選定して負荷に給電する切換盤と、前記それぞれの無停電電源装置の同期状態を選択する同期選択回路とを備えた無停電電源システムにおいて、
    前記同期選択回路により、
    同期対象に設定された系統の前記無停電電源装置の出力電圧を該系統のバイパス電源の出力電圧に同期させ、同期対象に設定されていない系統の前記無停電電源装置の出力電圧を該系統のバイパス電源の出力電圧に同期させた通常状態にして前記無停電電源システムが動作中に、
    前記同期対象に設定された系統の前記無停電電源装置のバイパス電源が正常で、前記同期対象に設定されていない系統の前記無停電電源装置のバイパス電源が異常のときには、
    前記バイパス電源が消失した系統の前記無停電電源装置の出力電圧は同期対象に設定された系統の前記無停電電源装置の出力電圧に同期させるように切換えて運転を継続することを特徴とする無停電電源システム。
  4. 電力変換回路とバイパス電源とから形成される無停電電源を複数台並列運転する無停電電源装置,複数台並列運転される電力変換回路から構成される無停電電源とバイパス電源とから形成される無停電電源装置,電力変換回路とバイパス電源とから形成される無停電電源を単機運転する無停電電源装置の内の何れか2組用いて形成される2系統の電源と、この2系統の電源の内の何れか1系統の電源を選定して負荷に給電する切換盤と、前記それぞれの無停電電源装置の同期状態を選択する同期選択回路とを備えた無停電電源システムにおいて、
    前記同期選択回路により、
    同期対象に設定された系統の前記無停電電源装置の出力電圧を該系統のバイパス電源の出力電圧に同期させ、同期対象に設定されていない系統の前記無停電電源装置の出力電圧を該系統のバイパス電源の出力電圧に同期させた通常状態にして前記無停電電源システムが動作中に、
    前記同期対象に設定された系統の前記無停電電源装置のバイパス電源および前記同期対象に設定されていない系統の前記無停電電源装置のバイパス電源が各系個別の非常用発電機にそれぞれ切換わったときには、
    前記同期対象に設定された系統の前記無停電電源装置の出力電圧は該系統の前記バイパス電源の出力電圧に同期させつつ、同期対象に設定されていない系統の前記無停電電源装置の出力電圧は同期対象に設定された系統の前記無停電電源装置の出力電圧に同期させるように切換えて運転を継続することを特徴とする無停電電源システム。
  5. 請求項1乃至4の何れかに記載の無停電電源システムにおいて、
    前記同期選択回路では自系バイパス電圧,電力変換回路の出力電圧,他系母線電圧それぞれを入力検出信号とするとともに、前記同期対象に設定する指令信号と、自系バイパス電圧,他系母線電圧それぞれの周波数および電圧レベルの判定結果と、自系バイパス電圧と電力変換回路の出力電圧との位相差の判定結果と、電力変換回路の出力電圧と他系母線電圧との位相差の判定結果とに基づいて前記切換えの動作を行わせることを特徴とする無停電電源システム。
  6. 請求項5に記載の無停電電源システムにおいて、
    前記同期選択回路を各無停電電源それぞれに設けるとともに、これらの同期選択回路間の信号の授受を中継する信号中継回路を各無停電電源装置それぞれに備えたことを特徴とする無停電電源システム。
JP2008259311A 2008-10-06 2008-10-06 無停電電源システム Active JP5347415B2 (ja)

Priority Applications (1)

Application Number Priority Date Filing Date Title
JP2008259311A JP5347415B2 (ja) 2008-10-06 2008-10-06 無停電電源システム

Applications Claiming Priority (1)

Application Number Priority Date Filing Date Title
JP2008259311A JP5347415B2 (ja) 2008-10-06 2008-10-06 無停電電源システム

Publications (2)

Publication Number Publication Date
JP2010093884A true JP2010093884A (ja) 2010-04-22
JP5347415B2 JP5347415B2 (ja) 2013-11-20

Family

ID=42256046

Family Applications (1)

Application Number Title Priority Date Filing Date
JP2008259311A Active JP5347415B2 (ja) 2008-10-06 2008-10-06 無停電電源システム

Country Status (1)

Country Link
JP (1) JP5347415B2 (ja)

Cited By (7)

* Cited by examiner, † Cited by third party
Publication number Priority date Publication date Assignee Title
WO2015198448A1 (ja) * 2014-06-26 2015-12-30 東芝三菱電機産業システム株式会社 無停電電源装置
JP2017158222A (ja) * 2016-02-29 2017-09-07 株式会社明電舎 電力変換装置とバイパス用遮断器の投入方法
JP2018130019A (ja) * 2012-08-24 2018-08-16 アイネット・レジストリー、 エルエルシーAiNET Registry, LLC 効率的な電力供給及びバックアップのためのシステム及び方法
KR20210076340A (ko) * 2019-12-16 2021-06-24 주식회사 어니언소프트웨어 데이터센터 전력공급시스템 및 데이터센터 전력공급시스템의 전력공급방법
CN115693907A (zh) * 2022-11-24 2023-02-03 天津铁路信号有限责任公司 无切换不间断铁路信号电源电路
JP7439979B1 (ja) 2023-06-13 2024-02-28 富士電機株式会社 無停電電源システムおよび無停電電源システムを用いた電力供給方法
JP7452741B1 (ja) 2023-06-13 2024-03-19 富士電機株式会社 無停電電源システム

Families Citing this family (2)

* Cited by examiner, † Cited by third party
Publication number Priority date Publication date Assignee Title
US10734522B2 (en) * 2016-06-15 2020-08-04 Taiwan Semiconductor Manufacturing Co., Ltd. Structure and formation method of semiconductor device structure with gate stacks
CN111082508B (zh) * 2019-12-31 2021-11-30 华为数字能源技术有限公司 数据中心中供电装置的控制方法和控制装置

Citations (3)

* Cited by examiner, † Cited by third party
Publication number Priority date Publication date Assignee Title
JP2005269706A (ja) * 2004-03-16 2005-09-29 Toshiba Corp 無停電電源システム
JP2007306643A (ja) * 2006-05-09 2007-11-22 Fuji Electric Systems Co Ltd 無停電電源システム
JP2009296829A (ja) * 2008-06-06 2009-12-17 Hitachi Ltd 無停電電源システム

Patent Citations (3)

* Cited by examiner, † Cited by third party
Publication number Priority date Publication date Assignee Title
JP2005269706A (ja) * 2004-03-16 2005-09-29 Toshiba Corp 無停電電源システム
JP2007306643A (ja) * 2006-05-09 2007-11-22 Fuji Electric Systems Co Ltd 無停電電源システム
JP2009296829A (ja) * 2008-06-06 2009-12-17 Hitachi Ltd 無停電電源システム

Cited By (11)

* Cited by examiner, † Cited by third party
Publication number Priority date Publication date Assignee Title
JP2018130019A (ja) * 2012-08-24 2018-08-16 アイネット・レジストリー、 エルエルシーAiNET Registry, LLC 効率的な電力供給及びバックアップのためのシステム及び方法
WO2015198448A1 (ja) * 2014-06-26 2015-12-30 東芝三菱電機産業システム株式会社 無停電電源装置
JPWO2015198448A1 (ja) * 2014-06-26 2017-04-20 東芝三菱電機産業システム株式会社 無停電電源装置
JP2017158222A (ja) * 2016-02-29 2017-09-07 株式会社明電舎 電力変換装置とバイパス用遮断器の投入方法
KR20210076340A (ko) * 2019-12-16 2021-06-24 주식회사 어니언소프트웨어 데이터센터 전력공급시스템 및 데이터센터 전력공급시스템의 전력공급방법
KR102314220B1 (ko) 2019-12-16 2021-10-18 주식회사 어니언소프트웨어 데이터센터 전력공급시스템 및 데이터센터 전력공급시스템의 전력공급방법
CN115693907A (zh) * 2022-11-24 2023-02-03 天津铁路信号有限责任公司 无切换不间断铁路信号电源电路
JP7439979B1 (ja) 2023-06-13 2024-02-28 富士電機株式会社 無停電電源システムおよび無停電電源システムを用いた電力供給方法
JP7452741B1 (ja) 2023-06-13 2024-03-19 富士電機株式会社 無停電電源システム
JP2024178665A (ja) * 2023-06-13 2024-12-25 富士電機株式会社 無停電電源システムおよび無停電電源システムを用いた電力供給方法
JP2024178512A (ja) * 2023-06-13 2024-12-25 富士電機株式会社 無停電電源システム

Also Published As

Publication number Publication date
JP5347415B2 (ja) 2013-11-20

Similar Documents

Publication Publication Date Title
JP5347415B2 (ja) 無停電電源システム
JP6190059B2 (ja) 無停電電源装置
JP6418109B2 (ja) 無停電電源システム
JP2008312371A (ja) 共通予備無停電電源システム
JP2009303419A (ja) 無停電電源システム
JP5768165B2 (ja) 無停電電源システム
JPH09247952A (ja) 無停電運転方法及び電源装置
JP4309789B2 (ja) 無停電電源システム
JP4462230B2 (ja) 無停電電源システム
JP2010220339A (ja) 無停電電源システム
JP2007228666A (ja) 無停電電源システム
JP5639752B2 (ja) 無停電電源システム
JP2003087999A (ja) 無停電電源装置及び無停電電源装置の交流スイッチ遮断方法
JP6435715B2 (ja) 無停電電源装置
JP2008022643A (ja) 無停電電源システム
JP5141594B2 (ja) 共通バッテリを有する無停電電源システム、その無停電電源装置
JP2015107033A (ja) 解列制御装置、解列制御方法およびパワーコンディショナー
CN211830340U (zh) 一种柴油发电机组与市电无缝切换的电路
JP2009296830A (ja) 無停電電源装置
US11611231B2 (en) Uninterruptible power supply system having stranded power recovery
RU148724U1 (ru) Устройство бесперебойного питания с автоматическим включением резервного питания
JP5379985B2 (ja) 電力変換システム
JPS6123755B2 (ja)
JPS5814139B2 (ja) デンリヨクキヨウキユウホウシキ
JP2025182883A (ja) Upsシステム

Legal Events

Date Code Title Description
A711 Notification of change in applicant

Free format text: JAPANESE INTERMEDIATE CODE: A712

Effective date: 20110422

A621 Written request for application examination

Free format text: JAPANESE INTERMEDIATE CODE: A621

Effective date: 20110812

A977 Report on retrieval

Free format text: JAPANESE INTERMEDIATE CODE: A971007

Effective date: 20121212

A131 Notification of reasons for refusal

Free format text: JAPANESE INTERMEDIATE CODE: A131

Effective date: 20121218

A521 Request for written amendment filed

Free format text: JAPANESE INTERMEDIATE CODE: A523

Effective date: 20130212

TRDD Decision of grant or rejection written
A01 Written decision to grant a patent or to grant a registration (utility model)

Free format text: JAPANESE INTERMEDIATE CODE: A01

Effective date: 20130723

A61 First payment of annual fees (during grant procedure)

Free format text: JAPANESE INTERMEDIATE CODE: A61

Effective date: 20130805

R150 Certificate of patent or registration of utility model

Ref document number: 5347415

Country of ref document: JP

Free format text: JAPANESE INTERMEDIATE CODE: R150

Free format text: JAPANESE INTERMEDIATE CODE: R150

R250 Receipt of annual fees

Free format text: JAPANESE INTERMEDIATE CODE: R250

R250 Receipt of annual fees

Free format text: JAPANESE INTERMEDIATE CODE: R250

R250 Receipt of annual fees

Free format text: JAPANESE INTERMEDIATE CODE: R250

R250 Receipt of annual fees

Free format text: JAPANESE INTERMEDIATE CODE: R250

R250 Receipt of annual fees

Free format text: JAPANESE INTERMEDIATE CODE: R250

R250 Receipt of annual fees

Free format text: JAPANESE INTERMEDIATE CODE: R250

R250 Receipt of annual fees

Free format text: JAPANESE INTERMEDIATE CODE: R250

R250 Receipt of annual fees

Free format text: JAPANESE INTERMEDIATE CODE: R250

R250 Receipt of annual fees

Free format text: JAPANESE INTERMEDIATE CODE: R250

R250 Receipt of annual fees

Free format text: JAPANESE INTERMEDIATE CODE: R250