JP2010023002A - ガス溶解水供給装置及びガス溶解水の製造方法 - Google Patents
ガス溶解水供給装置及びガス溶解水の製造方法 Download PDFInfo
- Publication number
- JP2010023002A JP2010023002A JP2008191016A JP2008191016A JP2010023002A JP 2010023002 A JP2010023002 A JP 2010023002A JP 2008191016 A JP2008191016 A JP 2008191016A JP 2008191016 A JP2008191016 A JP 2008191016A JP 2010023002 A JP2010023002 A JP 2010023002A
- Authority
- JP
- Japan
- Prior art keywords
- gas
- water
- phase chamber
- dissolved
- amount
- Prior art date
- Legal status (The legal status is an assumption and is not a legal conclusion. Google has not performed a legal analysis and makes no representation as to the accuracy of the status listed.)
- Granted
Links
Images
Landscapes
- Accessories For Mixers (AREA)
- Separation Using Semi-Permeable Membranes (AREA)
- Degasification And Air Bubble Elimination (AREA)
- Physical Water Treatments (AREA)
Abstract
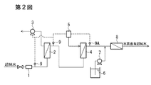
【解決手段】脱気膜モジュール10で脱気した後の脱気水を、気体溶解膜モジュール20の液相室22内に供給する。酸素(目的ガス)を、目的ガス供給源31から気相室23内に供給する。ここで、気相室23に供給する酸素量が、液相室22に供給する脱気水の供給水量から算出される飽和溶解量よりも多い酸素量となるようにする。気相室23に供給した酸素のうち、前記の算出される飽和溶解量が脱気水に溶解し、飽和酸素水が得られる。酸素の残部が、余剰ガスとして気相室23外に排出される。この余剰ガスと共に、気相室23内の凝縮水が排出されるので、運転を停止して気相室23内の凝縮水を排出する必要がなくなり、連続して効率よく飽和酸素水を製造することができる。
【選択図】図1
Description
飽和酸素水を製造する場合、希釈ガスを用いることは無いので、流量調節弁34は閉弁しておく。
飽和濃度未満の酸素溶解水を製造する場合、希釈ガスを用いるので、飽和酸素水を製造する場合とは異なり、以下に説明する通り、流量調節弁34は開弁する。
第1図の装置を用い、ガス溶解水を製造した。装置の詳細は以下の通りである。また、実施例1〜4において、供給酸素量及び供給窒素量を、表1に示す通りとした。
溶解膜モジュール:セルガード(株)製G284×1本
溶解膜モジュールの気相室の体積:1.1L
目的ガス:酸素
希釈ガス:窒素
原水:超純水
水温:25℃
溶解膜モジュールへの脱気水の供給水量:20L/min
第1図の装置において、気相室23のガス流出用のポートをブラインドプレートによって閉鎖し、供給酸素量を0.57(L/min)としたことの他は実施例1と同様にして、ガス溶解水を製造した。
11 気体透過膜
12 液相室
13 気相室
15 真空ポンプ
20 気体溶解膜モジュール
21 気体透過膜
22 液相室
23 気相室
31 目的ガス供給源
32,34 流量調節弁
33 希釈ガス供給源
Claims (4)
- 気体透過膜によって気相室と液相室に区画された気体溶解膜モジュールと、該気体溶解膜モジュールに供給される水を脱気処理する脱気装置とを有するガス溶解水供給装置において、
該気体溶解膜モジュールの気相室に供給するガス量を、該液相室への供給水量から算出される飽和溶解量よりも多いガス量とし、
該気相室の下端部を大気開放とし、
該気相室に供給したガスのうち溶解しなかった余剰分を排出しながら、ガスを溶解させることを特徴とするガス溶解水供給装置。 - 請求項1において、前記気体溶解膜モジュールの気相室にガスを供給するガス供給手段として、目的ガスと希釈ガスとを供給するよう構成されたガス供給手段が設けられており、
該ガス供給手段は、該目的ガスと希釈ガスとの少なくとも一方の供給量を制御可能であることを特徴とするガス溶解水供給装置。 - 請求項1又は2のガス溶解水供給装置を用いてガス溶解水を製造するガス溶解水の製造方法。
- 請求項2のガス溶解水供給装置を用いてガス溶解水を製造する方法であって、該ガス溶解水供給装置からのガス溶解水中の目的ガス濃度に応じて前記気相室への目的ガス及び希釈ガスの少なくとも一方のガス供給量を制御することを特徴とするガス供給水の製造方法。
Priority Applications (1)
| Application Number | Priority Date | Filing Date | Title |
|---|---|---|---|
| JP2008191016A JP5092968B2 (ja) | 2008-07-24 | 2008-07-24 | ガス溶解水供給装置及びガス溶解水の製造方法 |
Applications Claiming Priority (1)
| Application Number | Priority Date | Filing Date | Title |
|---|---|---|---|
| JP2008191016A JP5092968B2 (ja) | 2008-07-24 | 2008-07-24 | ガス溶解水供給装置及びガス溶解水の製造方法 |
Publications (2)
| Publication Number | Publication Date |
|---|---|
| JP2010023002A true JP2010023002A (ja) | 2010-02-04 |
| JP5092968B2 JP5092968B2 (ja) | 2012-12-05 |
Family
ID=41729343
Family Applications (1)
| Application Number | Title | Priority Date | Filing Date |
|---|---|---|---|
| JP2008191016A Expired - Fee Related JP5092968B2 (ja) | 2008-07-24 | 2008-07-24 | ガス溶解水供給装置及びガス溶解水の製造方法 |
Country Status (1)
| Country | Link |
|---|---|
| JP (1) | JP5092968B2 (ja) |
Cited By (2)
| Publication number | Priority date | Publication date | Assignee | Title |
|---|---|---|---|---|
| JP2015180500A (ja) * | 2015-05-29 | 2015-10-15 | 栗田工業株式会社 | ガス溶解水供給装置及びガス溶解水の製造方法 |
| JP2018089564A (ja) * | 2016-12-01 | 2018-06-14 | 栗田工業株式会社 | 生物活性炭処理装置 |
Citations (3)
| Publication number | Priority date | Publication date | Assignee | Title |
|---|---|---|---|---|
| JPH10174854A (ja) * | 1996-12-17 | 1998-06-30 | Japan Organo Co Ltd | ガス溶解装置 |
| JP2004075466A (ja) * | 2002-08-20 | 2004-03-11 | Toshiba Corp | オゾン処理システム |
| JP2004079990A (ja) * | 2002-06-20 | 2004-03-11 | Dainippon Screen Mfg Co Ltd | 基板処理装置および不活性ガス濃度制御方法 |
-
2008
- 2008-07-24 JP JP2008191016A patent/JP5092968B2/ja not_active Expired - Fee Related
Patent Citations (3)
| Publication number | Priority date | Publication date | Assignee | Title |
|---|---|---|---|---|
| JPH10174854A (ja) * | 1996-12-17 | 1998-06-30 | Japan Organo Co Ltd | ガス溶解装置 |
| JP2004079990A (ja) * | 2002-06-20 | 2004-03-11 | Dainippon Screen Mfg Co Ltd | 基板処理装置および不活性ガス濃度制御方法 |
| JP2004075466A (ja) * | 2002-08-20 | 2004-03-11 | Toshiba Corp | オゾン処理システム |
Cited By (3)
| Publication number | Priority date | Publication date | Assignee | Title |
|---|---|---|---|---|
| JP2015180500A (ja) * | 2015-05-29 | 2015-10-15 | 栗田工業株式会社 | ガス溶解水供給装置及びガス溶解水の製造方法 |
| JP2018089564A (ja) * | 2016-12-01 | 2018-06-14 | 栗田工業株式会社 | 生物活性炭処理装置 |
| US11034602B2 (en) | 2016-12-01 | 2021-06-15 | Kurita Water Industries Ltd. | Biological activated carbon treatment apparatus |
Also Published As
| Publication number | Publication date |
|---|---|
| JP5092968B2 (ja) | 2012-12-05 |
Similar Documents
| Publication | Publication Date | Title |
|---|---|---|
| TWI534098B (zh) | Gas-dissolving water supply device and gas-dissolving water | |
| US8999069B2 (en) | Method for producing cleaning water for an electronic material | |
| US9129797B2 (en) | Cleaning method | |
| CN102036742B (zh) | 用于制备气体在液体中的无气泡溶液的气化系统和方法 | |
| JP3765354B2 (ja) | 水素含有超純水の製造方法 | |
| TW201838930A (zh) | 洗淨水供給裝置 | |
| JP5380870B2 (ja) | ガス溶解水の製造方法及び装置 | |
| JP2024032251A (ja) | ウェハ洗浄水供給装置 | |
| JP5092968B2 (ja) | ガス溶解水供給装置及びガス溶解水の製造方法 | |
| JP5999222B2 (ja) | ガス溶解水供給装置及びガス溶解水の製造方法 | |
| JP2000271549A (ja) | ガス溶解水供給装置 | |
| JP2012176360A (ja) | ガス溶解水の製造装置 | |
| JP4151088B2 (ja) | 水素含有超純水の供給装置 | |
| JP4893592B2 (ja) | ガス溶解水の製造装置及び製造方法 | |
| JP5358910B2 (ja) | 炭酸水の製造装置及び製造方法 | |
| JP4998200B2 (ja) | ガス溶解水の製造ユニット、製造装置及び製造方法 | |
| JP2009254935A (ja) | 気体溶解膜装置及び気体溶解液の製造方法 | |
| JP4090361B2 (ja) | オゾン含有超純水の製造方法及び製造装置 | |
| JP5552792B2 (ja) | ガス溶解水製造装置及び製造方法 | |
| JP2000065710A (ja) | 液体中の溶存気体濃度の測定方法及び測定装置 | |
| JP3561589B2 (ja) | 膜脱気装置 | |
| CN112135681A (zh) | 膜清洗装置及膜清洗方法 | |
| JPH10156104A (ja) | 膜脱気装置 | |
| JP2007319843A (ja) | 気体溶解モジュール | |
| JP2012139656A (ja) | 窒素ガス溶解水製造方法および窒素ガス溶解水製造システム |
Legal Events
| Date | Code | Title | Description |
|---|---|---|---|
| A621 | Written request for application examination |
Free format text: JAPANESE INTERMEDIATE CODE: A621 Effective date: 20110706 |
|
| A977 | Report on retrieval |
Free format text: JAPANESE INTERMEDIATE CODE: A971007 Effective date: 20120413 |
|
| A131 | Notification of reasons for refusal |
Free format text: JAPANESE INTERMEDIATE CODE: A131 Effective date: 20120424 |
|
| A521 | Request for written amendment filed |
Free format text: JAPANESE INTERMEDIATE CODE: A523 Effective date: 20120622 |
|
| TRDD | Decision of grant or rejection written | ||
| A01 | Written decision to grant a patent or to grant a registration (utility model) |
Free format text: JAPANESE INTERMEDIATE CODE: A01 Effective date: 20120821 |
|
| A01 | Written decision to grant a patent or to grant a registration (utility model) |
Free format text: JAPANESE INTERMEDIATE CODE: A01 |
|
| A61 | First payment of annual fees (during grant procedure) |
Free format text: JAPANESE INTERMEDIATE CODE: A61 Effective date: 20120903 |
|
| R150 | Certificate of patent or registration of utility model |
Ref document number: 5092968 Country of ref document: JP Free format text: JAPANESE INTERMEDIATE CODE: R150 Free format text: JAPANESE INTERMEDIATE CODE: R150 |
|
| FPAY | Renewal fee payment (event date is renewal date of database) |
Free format text: PAYMENT UNTIL: 20150928 Year of fee payment: 3 |
|
| LAPS | Cancellation because of no payment of annual fees |
