JP2009540468A - 多次元シンボロジー及び関連する方法 - Google Patents

多次元シンボロジー及び関連する方法 Download PDF

Info

Publication number
JP2009540468A
JP2009540468A JP2009515462A JP2009515462A JP2009540468A JP 2009540468 A JP2009540468 A JP 2009540468A JP 2009515462 A JP2009515462 A JP 2009515462A JP 2009515462 A JP2009515462 A JP 2009515462A JP 2009540468 A JP2009540468 A JP 2009540468A
Authority
JP
Japan
Prior art keywords
data
cells
multidimensional
symbol
cell
Prior art date
Legal status (The legal status is an assumption and is not a legal conclusion. Google has not performed a legal analysis and makes no representation as to the accuracy of the status listed.)
Pending
Application number
JP2009515462A
Other languages
English (en)
Inventor
エフ. ルック,トーマス
Original Assignee
ベリテック,インコーポレイティド
Priority date (The priority date is an assumption and is not a legal conclusion. Google has not performed a legal analysis and makes no representation as to the accuracy of the date listed.)
Filing date
Publication date
Application filed by ベリテック,インコーポレイティド filed Critical ベリテック,インコーポレイティド
Publication of JP2009540468A publication Critical patent/JP2009540468A/ja
Pending legal-status Critical Current

Links

Images

Classifications

    • GPHYSICS
    • G06COMPUTING OR CALCULATING; COUNTING
    • G06KGRAPHICAL DATA READING; PRESENTATION OF DATA; RECORD CARRIERS; HANDLING RECORD CARRIERS
    • G06K7/00Methods or arrangements for sensing record carriers, e.g. for reading patterns
    • G06K7/10Methods or arrangements for sensing record carriers, e.g. for reading patterns by electromagnetic radiation, e.g. optical sensing; by corpuscular radiation
    • GPHYSICS
    • G06COMPUTING OR CALCULATING; COUNTING
    • G06KGRAPHICAL DATA READING; PRESENTATION OF DATA; RECORD CARRIERS; HANDLING RECORD CARRIERS
    • G06K19/00Record carriers for use with machines and with at least a part designed to carry digital markings
    • G06K19/06Record carriers for use with machines and with at least a part designed to carry digital markings characterised by the kind of the digital marking, e.g. shape, nature, code
    • G06K19/06009Record carriers for use with machines and with at least a part designed to carry digital markings characterised by the kind of the digital marking, e.g. shape, nature, code with optically detectable marking
    • G06K19/06037Record carriers for use with machines and with at least a part designed to carry digital markings characterised by the kind of the digital marking, e.g. shape, nature, code with optically detectable marking multi-dimensional coding
    • GPHYSICS
    • G06COMPUTING OR CALCULATING; COUNTING
    • G06KGRAPHICAL DATA READING; PRESENTATION OF DATA; RECORD CARRIERS; HANDLING RECORD CARRIERS
    • G06K19/00Record carriers for use with machines and with at least a part designed to carry digital markings
    • G06K19/06Record carriers for use with machines and with at least a part designed to carry digital markings characterised by the kind of the digital marking, e.g. shape, nature, code
    • G06K19/06009Record carriers for use with machines and with at least a part designed to carry digital markings characterised by the kind of the digital marking, e.g. shape, nature, code with optically detectable marking
    • G06K19/06046Constructional details
    • GPHYSICS
    • G06COMPUTING OR CALCULATING; COUNTING
    • G06KGRAPHICAL DATA READING; PRESENTATION OF DATA; RECORD CARRIERS; HANDLING RECORD CARRIERS
    • G06K19/00Record carriers for use with machines and with at least a part designed to carry digital markings
    • G06K19/06Record carriers for use with machines and with at least a part designed to carry digital markings characterised by the kind of the digital marking, e.g. shape, nature, code
    • G06K2019/06215Aspects not covered by other subgroups
    • G06K2019/06225Aspects not covered by other subgroups using wavelength selection, e.g. colour code

Landscapes

  • Physics & Mathematics (AREA)
  • Engineering & Computer Science (AREA)
  • General Physics & Mathematics (AREA)
  • Theoretical Computer Science (AREA)
  • Health & Medical Sciences (AREA)
  • Electromagnetism (AREA)
  • General Health & Medical Sciences (AREA)
  • Toxicology (AREA)
  • Artificial Intelligence (AREA)
  • Computer Vision & Pattern Recognition (AREA)
  • Image Processing (AREA)
  • Image Analysis (AREA)

Abstract

本発明は、データセル内においてエンコードされた複数の特有の特徴を使用する多次元シンボロジーコード及び関連する方法を提供する。この方法は、このような複数の特有の特徴を使用する多次元シンボロジーコードをエンコードする方法、生成する方法、及び読み取る方法を含む。特有の特徴は、例えば、セル内の色、グレースケールレベル、セル形状、パターン、又は、エリアアレイカメラもしくは類似の装置によって識別可能であるような任意のグループ分けを含む。

Description

本発明は、情報をエンコードすると共にデコードする方法に関する。特に、本発明は、多次元マトリックスコーディング技術に関するものである。
(関連出願に対する相互参照)
本出願は、2006年6月14日付けで出願された米国仮特許出願第60/813,769号の優先権を主張するものであり、この全ての内容は、本明細書中で引用されることにより、あらゆる意味において、本明細書に組み込まれている。
近代的なバーコードの研究は1948年に始まった。1949年10月20日に、ウッドランド(Woodland)及びシルバー(Silver)が「分類装置及び分類方法(Classifying Apparatus and Method)」という名称の特許出願を行った。発明者らは、自身の発明を「パターンを識別する媒体を介した・・・物品分類の技術」に関するものであると記述している。ウッドランド(Woodland)及びシルバー(Silver)のバーコードは、一連の同心円から構成されるシンボルである蛇の目(bull’s eye)のシンボルであった。又、ウッドランド(Woodland)及びシルバー(Silver)は、現在の一次元バーコードに非常によく類似している直線パターンについても記述している。この直線パターンのシンボロジー(Symbology)は、黒い背景上の4つの白線のパターンから構成されていた。4つの白線中の第1のラインは、データラインであり、残りの3つのラインの位置は、第1のラインとの関係において固定されていた。情報は、4つのラインの中の1つ又は複数のものの存在又は不存在によってコード化された。これは、物品に関する7つの異なる分類を可能にした。但し、発明者らは、更に多くのラインを追加した場合に、更に多くの分類をコード化することが可能であることに言及している。例えば、10本のラインによれば、1023個の分類をコード化することが可能であろう。前述のウッドランド(Woodland)及びシルバー(Silver)の特許出願は、米国特許第2,612,994号として1952年10月7日に発行された。この全ての開示内容は、本明細書中で引用されることにより、あらゆる意味において、本明細書に組み込まれている。
バーコードは、1966年まで商業化されなかった。商業化された最初の製品コードは、蛇の目のバーコード(bull’s−eye bar code)によって表現された。これは、可変の幅を有する一揃いの同心円状の円形バー及びスペースを含んでいる。全ての装置製造者が使用するべくオープンになっており、且つ、全ての食品製造者及び食品販売者に受け入れられる標準的なコーディング方式について業界が合意しなければならないことが、すぐに認識された。1969年に、NAFCは、業界全体を対象としたバーコードシステムの計画を推し進めるように、ロジコン社(Logicon, Inc.)に対して要求した。この結果として作成されたものが、1970年夏のUGPIC(Universal Grocery Products Identification Code:統一食料品製品コード)のパート1及びパート2であった。ロジコン社(Logicon, Inc.)の報告書の勧告内容に基づいて、統一食料品製品コードに関する米国スーパーマーケットアドホック委員会(U.S. Supermarket Ad Hoc Committee on a Uniform Grocery Product Code)が組織された。三年後に、この委員会は、現在も依然として米国内において使用されているUPCシンボルセットの採用を勧告した。
自動識別の産業上の利用の最初の試みは、米国鉄道協会(Association of American Railroad)によって1950年代の終盤に開始された。1967年に、米国鉄道協会は、光学バーコードを採用した。車両のラベル付与及びスキャナの設置が1967年10月10日に始まった。車両群の95%に対するラベルの付与が完了するまでに7年の歳月を要した。このようなシステムは、多くの理由から、まったく機能せず、1970年代の終盤に放棄された。バーコードを実際に産業に利用した重要な出来事が、1981年9月1日に起こっており、これは、米軍に対して販売される全ての製品をマーキングするためのCode 39(コード 39)の使用を米国国防省(United States Department of Defense)が採用したときのことである。このシステムは、LOGMARSと呼ばれた。
リニアバーコードは、バイナリコードである。ライン及びスペースは、可変の太さを有し、且つ、異なる組み合わせにおいて印刷される。スキャンを行うためには、正確な印刷と、バーとスペースとの間の十分なコントラストが存在する必要がある。スキャナは、様々な技術を利用してコードを読み取る。2つの最も一般的なものが、レーザー及びカメラである。スキャナは、大部分のスーパーマーケットの勘定場のスキャナと同様に、固定型であってもよく、或いは、しばしば、在庫管理に使用されているハンドヘルド型の装置であってもよい。データを伝達するための構造であるコードと、機械により読み取り可能であるようにコードを表現したものであるシンボルとの間には、明確な区別が存在する必要がある(但し、通常はそうではない)。コードは、テキストであり、これは、英語、仏語、日本語、又はシンボル等の多数の言語に翻訳することが可能である。
前述のような不幸な始まりにも拘わらず、バーコードは、顕著な成功を収め、多数の様々な利用分野において便利に使用されるようになっている。成功を収めた最初のバーコードの1つであるデイビッド アレイス博士(Dr. David Allais)によって開発されたCode 39は、兵站及び防衛の利用分野において広く使用されている。Code 39は、いくつかの新しいバーコードほどには高機能ではないが、依然として現在も使用されている。Code 128(コード 128)及びInterleaved 2 of 5(インタリーブド 2 オブ 5)は、ニッチマーケット(niche market)においてある程度の成功を収めたその他のコードである。
メッセージとバーコードとの間のマッピングは、シンボロジーと呼ばれている。シンボロジーの仕様は、メッセージの個々の数字及び/又は文字のエンコーディングや、バー及びスペース内へのスタートマーカ及びストップマーカーのエンコーディングや、バーコードの前後に必要とされるクワイエットゾーン(quiet zone)のサイズのエンコーディングや、チェックサム又はエラー補正の演算を含む。
リニアシンボロジーは、概して、(1)連続型又は離散型、及び、(2)2幅型(two−width)又は多幅型(multiple−width)という2つの特性に従って分類することが可能である。連続型シンボロジーにおける複数の文字は、互いに隣接しており、1つの文字はスペースによって終了し、次の文字は、バーによって始まっており、この逆も又同様である。離散型シンボロジーにおける複数の文字は、バーによって開始及び終了しており、文字間のスペースは、コードの末尾のように見えるほどに十分に広くなっていない限り、無視される。2幅型シンボロジーにおけるバー及びスペースは、幅が広くなっているか又は狭くなっており、幅の広いバーの幅がどの程度であるかは、幅の広いバーに関するシンボロジーの要件が守られている限り(通常は、幅の広いバーは、幅の狭いバーよりも2〜3倍広い)、必ずしも重要ではない。多幅型シンボロジーにおけるバー及びスペースは、いずれも、モジュールと呼ばれる基本幅の倍数である。このような多幅型シンボロジーにおけるコードの大部分は、1つ、2つ、3つ、及び4つのモジュールからなる4つの幅を使用している。積層型のシンボロジーは、並列に垂直方向において反復された所定のリニアシンボロジーから構成されている。
様々な二次元シンボロジーが存在する。最も一般的なものは、マトリックスコードである。これらのマトリックスコードは、グリッドパターン上に配列された正方形又はドット形状のモジュールを特徴としている。又、二次元シンボロジーには、様々なその他の視覚的フォーマットを有するものも存在する。円形パターン以外に、例えば、データグリフ(DataGlyph)等のように、ユーザーによって規定された画像内に異なるサイズ又は形状のモジュールのアレイを隠蔽することによってステガノグラフィー(steganography)を利用したいくつかの二次元シンボロジーが存在する。ステガノグラフィーとは、意図された受信者以外にはだれもメッセージの存在についてわからないような方法で隠蔽されたメッセージを書き込む技術である。このステガノグラフィーは、メッセージ自体の存在は隠蔽されていないが内容が隠蔽されている暗号化(cryptography)とは対照的である。
リニアシンボロジーは、レーザースキャナによって読み取られるべく最適化され、レーザースキャナは、バーコードに跨って光のビームを直線的に掃引することにより、バーコードの明暗パターンのスライスを読み取る。積層型のシンボロジーも、レーザーのスキャン用に最適化される。この場合には、レーザーは、バーコードに跨って複数回にわたって走査される。レーザースキャナは、多角形ミラー又はガルバノメーター搭載型ミラーを使用し、最初は直線的に、但し、最終的には、読み取り装置が任意の角度においてバーコードを読み取ることができるように複雑なパターンで、バーコードに跨ってレーザーのスキャンを行う。二次元シンボロジーは、シンボル全体を包含することが可能な掃引パターンが通常存在しないことから、レーザーによって読み取ることはできない。従って、二次元シンボルに対しては、通常、カメラ・キャプチャ装置によってスキャンが行われる。
1990年代に、一部のバーコード読み取り装置製造者が、リニア及び二次元の両方のバーコードを捕捉するデジタルカメラの研究を開始した。それ以来、この技術は、改良され、いまでは、しばしば、性能及び信頼性において、レーザースキャナを凌駕している。最近では、市販のカメラが、一次元及び二次元のバーコードの両方を捕捉するのに十分な分解能を有している。益々多くの会社が、バーコードスキャン用のソフトウェアをカメラ電話機に内蔵する方向に動いている。しかしながら、カメラ電話機のオプティックスは、産業用の専用のスキャナのために設計された標準的なコードにあまり適してはいない。従って、携帯電話機用の新しいコードの設計が行われている。
バーコードと、特に、二次元シンボロジーコードは、データを保持するべく設計される。コードユーザーは、コード内に保持されるデータ量の拡大を提供するために必要な増大したデータ及び当該データを保持するコードを継続的に必要としている。このような増大したデータおよび当該データを保持するコードの必要性に起因して、これらのコードを供給する人々は、データ容量を拡大させている。しかしながら、増大したデータ及び当該データを保持するコードの生成及び印刷を困難にすると共に、情報の読み取り及び抽出をも困難にするような基本的な技術的問題が存在している。増大したデータのレベルは、通常、そのデータを保持するためのコード内のシンボルセルの品質の向上を必要とする。この向上は、相対的に大きな面積を使用するコードを生成するか又はコード内のシンボルセルを相対的に小さくすることによって実現可能である。
米国特許第2,612,994号 米国特許第5,612,524号 米国特許第4,972,475号 米国特許第4,924,078号
増大したデータのレベルを提供するための1つの方法は、通常、当該データを保持するための増大した面積を必要とする。大部分のバーコード/ドットコードは、基板上に印刷される。又、いくつかのバーコード/ドットコードは、LCDや携帯電話機の画面等のその他のモニタにより読み取られる。読み取り可能な媒体に対して相対的に大きなコードを印刷又は書き込むことにより生ずる問題については周知である。例えば、運転免許証等の媒体は、小さく、この場合には、相対的に大きなコードのための追加の面積を入手することはできない。又一方で、コードユーザーは、通常、大きく、且つ、しばしば目障りでもあるコードによる媒体のマーケットでの訴求力の低下を望んではいない。電子媒体の物理的サイズは、相対的に大きなコードを保持するのに十分な程度にまで大きくはないであろう。携帯電話機は、相対的に大きなコードを保持することができないような小さな面積の画面の一例である。
データ容量を増大させるためのその他の方法も、各々のシンボルのセルサイズを低減させることによりシンボルを追加することに問題を有している。特に、印刷された媒体は、読み取り可能な相対的に小さなシンボルを表示するのに必要な向上した分解能に適応させる能力を有してはいないであろう。大部分の印刷された媒体は、限られたDPI(Dots Per Inch)又は分解能を有しており、従って、相対的に小さなシンボルを、読み取り可能となる程度に十分良好に形成することは不可能である。又一方で、LCDやその他の電子的媒体は、DPIが更に限定されており、且つ、要素を表示するための固定された数のピクセルを有している。相対的に小さなコードセルは、しばしば、読み取り装置のカメラにおいて正しく画像を生成することが困難である。
二次元コードは、通常、直交するX軸及びY軸内に要素を含むアレイとして構成される感光要素、又は、当該感光要素の単一の列の下方においてコードを移動させる駆動モーターを具備するエリアアレイカメラ装置(area array camera device)によって読み取られる。相対的に高密度の二次元シンボロジーコードを読み取ることは困難であろう。相対的に大きな面積のコード又は相対的に小さいが相対的に高密度であるシンボルを使用する場合には、任意の特定のセル上に位置するカメラ要素数が、相対的に小さなコード又は相対的に低密度のコードの場合よりも、少なくなる。任意の特定のセルの画像を生成する要素が多いほど、セルのバイナリコードが正しく読み取られる可能性が高くなる。相対的に大きなコードの場合には、コードを読み取るために、更なるカメラアレイを補充することが必要となる。更に多くの画像生成要素を補充し、且つ、カメラアレイの中心から遠くに移動するのに伴って、カメラレンズは、更に多くの歪を有することになる。この結果、画像は、外部エッジにおいて正確なものにならなくなる。読み取りを必要とする更なるセルをコードが有するのに伴って、分析対象の合計データは、更に大きくなる。この結果、分析対象の要素数の増大に基づいて、更に多くの時間を要することになる。
一般的に使用される1つのエリアアレイカメラ(area array camera)は、640×480(307,200)個の要素のアレイを有している。これらのアレイを使用して、通常は、最大で800バイトのデータを有するコードを読み取ることが可能である。大きなデータコンテンツ用に選択されているコードは、ベリテック社(Veritec Inc.)より現在市販されている二次元VSCode(登録商標)シンボロジーである。容量が1200バイトであるVSCode(登録商標)シンボルは、一般に、その他の小さなデータコードと同様に、前述の特徴を有するカメラを使用して読み取ることはできない。1200バイトのコードには、1.3メガ個の要素のカメラを使用することは可能であるが、4倍の要素を使用することに伴う動作負荷/読み取り時間の増大、カメラに要求される更に大きなコスト、並びに、更に乏しい画像安定性の全てが、更に大きなコードの読み取りを困難なものにする原因となる。大きなデータの二次元コードは、コスト、複雑性、及び読み取り速度をも考慮した際には、現在の技術における実際の最大データ容量に到達しつつある。更には、二次元コードは、1つのセル当たりに2ビットのデータのみを提供する黒色セル及び白色セルしか有していないというバイナリ機能によってシンボロジー内の各々のセルが制限されているという事実により、依然として制限を受けている。
上記問題点を解決するために、本発明は、データセル内においてエンコードされた複数の特有の特徴を使用する多次元シンボロジーコード及び関連する方法を提供する。この方法は、このような複数の特有の特徴を使用する多次元シンボロジーコードをエンコードする方法、生成する方法、及び読み取る方法を含む。このような特徴は、例えば、色、グレースケールレベル、セル形状、セル内のパターン、又はエリアアレイカメラによって識別可能であるような任意のグループ分けを含む。上記の複数の特徴を使用することにより、各々の特徴内の特徴の数を2で除算したものの倍数だけ、セル内のデータコンテンツが増大する。又一方で、本発明は、視野内のコードを検出し、光学的な歪についてコードを補正し、既知の場所における既知の特徴による再較正によってカメラ出力を補正する方法と、上記のシンボルを読み取るべくエリアアレイカメラを使用する方法とを有する。
本発明は、更なるエリアアレイカメラ要素、カメラの複雑性、並びに、セルからデータを抽出するためのコスト又は時間を必要とすることなしに、2つを上回る数のデータビットのデータを各々のシンボルセルから抽出するための方法を提供する。換言すれば、本発明は、1つのセル当たりに2つを上回る数のデータビットを提供するための任意の組み合わせ又はアレイにおいて様々な光学的に読み取り可能なデザイン及び色又はこれらの組み合わせからセルを生成することにより、単一のセルからのデータビットの増大を実現する能力を提供する。
さらに詳しく説明すると、本発明の1つの態様においては、複数のデータセルを有する多次元マトリックスシンボルが提供される。少なくとも1つのデータセルは、好ましくは、複数の特有の特徴を有しており、且つ、各々の特有の特徴は、エンコードされたデータビットを表している。典型的な特有の特徴は、色、グレースケールレベル、形状、及び幾何学的パターンを含む。複数のデータセルは、好ましくは、内部データフィールド内に配列されており、且つ、多次元マトリックスシンボルは、任意選択により、内部データフィールドを取り囲む複数のデータセルを有するデータセル境界を更に有することが可能である。データセル境界の少なくとも1つのデータセルは、好ましくは、複数の特有の特徴を有し、且つ、各々の特有の特徴は、エンコードされたデータビットを表している。
本発明の別の態様においては、第1の複数のデータセルを有する内部データフィールドと、第2の複数のデータセルを有するデータセル境界とを有する多次元マトリックスシンボルが提供される。第2の複数のデータセルの少なくとも1つのデータセルは、複数の特有の特徴を有し、且つ、各々の特有の特徴は、エンコードされたデータビットを表している。本発明の1つの態様においては、第1の複数のデータセルは、バイナリデータセルを有する。
本発明の別の態様においては、多次元マトリックスシンボルを読み取る方法が提供される。この方法は、複数のデータセルを有する多次元マトリックスシンボルを提供するステップであって、少なくとも1つのデータセルは、複数の特有の特徴を有し、且つ、各々の特有の特徴は、エンコードされたデータビットを表すステップと、各々のデータセルにおける各々の特有の特徴を識別するステップと、各々の特有の特徴によって表されるデータをデコードするステップとを有する。多次元マトリックスシンボルの複数のデータセルは、好ましくは、内部データフィールド内に配列されており、且つ、多次元マトリックスシンボルは、好ましくは、内部データフィールドを取り囲む複数のデータセルを有するデータセル境界を更に有する。本発明の別の態様は、データセル境界の少なくとも一部を識別することにより、多次元マトリックスシンボルを検出するステップを有する。本発明の更に別の態様は、データセル境界の少なくとも一部を識別することにより、多次元マトリックスシンボルを方向付けするステップを有する。
本発明の別の態様においては、多次元マトリックスシンボルを読み取る方法が提供される。この方法は、第1の複数のバイナリデータセルを有する内部データフィールドと、第2の複数の多次元データセルを有するデータセル境界とを有する多次元マトリックスシンボルを提供するステップであって、第2の複数の多次元データセルの少なくとも1つの多次元データセルは、複数の特有の特徴を有し、且つ、各々の特有の特徴は、エンコードされたデータビットを表すステップと、第1の複数のバイナリデータセルによって表されるデータをデコードするステップと、第2の複数の多次元データセルにおける各々のデータセルの各々の特有の特徴を識別するステップと、各々の特有の特徴によって表されるデータをデコードするステップとを有する。本発明の別の態様は、データセル境界の少なくとも一部を識別することにより、多次元マトリックスシンボルを検出するステップを更に有する。本発明の更に別の態様は、データセル境界の少なくとも一部分を識別することにより、多次元マトリックスシンボルを方向付けするステップを有する。
本発明の別の態様は、本発明のコードの固有の態様を使用し、現在のコード及び読み取り装置と比較して向上した能力により、本発明に従ってコードを読み取ることが可能であるエリアアレイカメラ法の使用に向けられている。
本発明の多次元マトリックスシンボル及び方法は、従来の二次元シンボルを上回る多数の利点を提供する。例えば、通常、境界は、視野内のシンボルを検出すると共に、コード基板に対する読み取り装置の回転及びスキューの問題を補正することにより、全方向性又は全配向性のコード読み取りを実現するべく使用され、且つ、通常は、既知の二次元コード内に黒色のラインを有する。本発明の態様は、黒色のラインと比べて新しく且つ固有のアイデンティティを有する境界を提供すると共に、光学的な歪の補正を支援するべく使用可能な特徴を既知の場所に提供する。本発明のシンボル内のタイミングマークは、検出及び識別が相対的に容易であり、且つ、従来のデータセルの黒色のみのセルと比べて正確であって、その他の2次元シンボロジーコードと比べてシンボルセル用の良好な配置を提供することが可能である。相対的に複雑な情報の階層化された構造により、多数の特徴間におけるデータの配置に基づいた更に大きなセキュリティを有するエンコーディングアルゴリズムが実現される。800又は1200バイトの情報のみを必要とするコードの場合には、本発明のコードは、例えば、同一のセルサイズを維持しつつ、業界に受け入れられている既存の構造と比べて1%未満の面積により、或いは、読み取りを容易にし且つ光学エラーに対する更なる許容性を有するものにするような格段に大きなセルにより、実現可能である。1つのセル上に位置する24ビットの要素グループの出力は、例えば、業界に受け入れられている構造における2ビットの情報と比べて、最大で256ビットの有用な情報を有することが可能であるため、各々のセルに対する情報の読み取り速度が格段に速い。
基板上に形成された例示用の二次元シンボルであって、特に、複数のデータセルを有する二次元シンボルの内部データフィールドを示す図である。 本発明に係る例示用の多次元マトリックスシンボルの概略図である。 本発明に係る多次元マトリックスシンボル内において使用可能な、各々が異なる色を有する例示用のデータセルの概略図である。 本発明に係る多次元マトリックスシンボル内において使用可能な、各々が異なるグレースケールレベルを有する例示用のデータセルの概略図である。 本発明に係る多次元マトリックスシンボル内において使用可能な、各々が異なる形状を有する例示用のデータセルの概略図である。 本発明に係る多次元マトリックスシンボル内において使用可能な、各々が異なる幾何学的なパターンを有する例示用のデータセルの概略図である。
本願に含まれ、且つ、その一部を構成する添付図面は、本発明のいくつかの実施形態を示しており、且つ、この実施形態の説明と共に、本発明の原理を説明するために使用される。添付図面の簡単な説明は、前述の〔図面の簡単な説明〕の欄に記載されたとおりである。
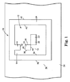
米国特許第5,612,524号、米国特許第4,972,475号、及び米国特許第4,924,078号に記述されているように、エリアシンボロジー(area symbology)は周知である。これらの米国特許の全ての開示内容は、本明細書中で引用されることにより、あらゆる意味において、本明細書に組み込まれている。このようなエリアシンボロジーの代表的なシンボル10が図1に示されている。一般に、シンボル10は、マトリックスとして配列された内部データセル14を有する内部データフィールド12を含む。この内部データフィールド12及び内部データセル14は、好ましくは、図示のように矩形であるが、任意のその他の形状も考えられる。図示のように、内部データフィールド12は、「オン(ON)」である特定のデータセル14と、「オフ(OFF)」である特定のデータセル14とを有する。図示のように、「オン」のデータセルは、黒色であり(参照符号16、18、20、及び22によって示されたセル)、「オフ」のデータセルは、白色である(内部データフィールド12の残りのセル)。このようなオン及びオフの指定は、シンボル10等のシンボルをデコードする際に使用される。データセル14を区別するために、オン及びオフ、0及び1、並びに、黒色及び白色を含む任意のバイナリ指定を使用することが可能であることを理解されたい。
図示のように、内部データフィールド12は、好ましくは、方向付け及び/又はタイミングデータセル境界24によって取り囲まれている。このデータセル境界24は、通常、タイミング及びシンボルの方向付けのために使用される。データセル境界は、通常、図示のように、「オン」のデータセルから形成される。データセル境界24を取り囲む外部データフィールド26を提供することが可能である。この外部データフィールド26は、方向付け、タイミング、又はシンボルの識別に関する追加情報を提供する外部データセル(図示されてはいない)を包含することが可能である。好ましくは、データセル境界24を取り囲んでいるもの、即ち、外部データフィールド26は、提供されている場合には、「オン」のデータセルの最も外側のパターンを取り囲む「オフ」のデータセルの1つ又は複数の同心円状の直線的なリングと等価であるようなクワイエットゾーンである。このクワイエットゾーンの同心円状の直線的なリングの必要数は、シンボル使用法の環境的な要因によって決定されることが可能である。或いは、この代わりに、外部データフィールド26は、クワイエットゾーンとして機能することも可能であり、又は更なるクワイエットゾーンによって取り囲むことも可能である。
シンボル10は、インク又はその他のコーティングの印刷又は制御された蒸着等によって基板28上に直接的に形成することも可能であり、或いは、印刷又は任意のその他の適切な手法により、ステッカー又はラベル上に形成した後に、基板に接着又はその他の方法で装着することも可能である。
本発明の原理は、任意のリニア型のエリア又は積層型のエリア又はその他のシンボロジーからの任意のシンボル、並びに、好ましくは、後述するように、エリアリリーフパターンとして形成されたシンボルに対して適用可能である。本明細書に使用されているエリアシンボロジーとは、バー及びスペースの1つ又は複数の列ではなく、データセルのマトリックスを利用しているVericode(登録商標)又はData Matrix(登録商標)又はCode One(登録商標)又はこれらに類似したもの等の登録商標名の下に商業的に知られているものであるような任意のシンボロジーを意味している。本明細書に使用されている積層型のシンボロジーとは、複数幅のバー及びスペースのグループにより規定されたいくつかの文字を各々の列が有するようなシンボルのいくつかの隣接する列を一般に利用しているPDF 417等の任意のシンボロジーを意味している。
本明細書に使用されているシンボルとは、一般的に、セルの特徴及び組織の内部にエンコードされたデータを含むセルのマトリックスを意味している。マトリックスとは、組織化されたセルのパターンである。セルとは、エンコードされたデータを保持する特徴を有するマトリックス内の単一の構成要素である。上記の特徴は、色、グレースケール、形状、パターン、又は特殊な光学インク等のセル構造に対して適用された様々な属性又は要素を有する。好ましくは、上記の特徴は、別個のエンティティとしてソフトウェアアルゴリズム内において規定することが可能であり、別個のエンティティとしてデジタルカラープリンタによって印刷可能であり、且つ/又は、カラーデジタルカメラによって画像を生成することにより、別個のエンティティとして出力可能である。
本発明に係るコード及びシンボルは、データコンテンツを増大させるのみならず、多数の新しいエンコーディング法及びデコーディング法の実施を可能にしてセキュリティを追加し、セルシンボル又はコード内におけるデータの補正を強化し、任意の種に関して所定の特徴を有するタイプ及び要素の既知の配置によって可読性を向上させ、且つ、2ビットセルによっては可能ではなかった数え切れないほどのその他の改善を実現する。
図2を参照すれば、本発明による例示用の多次元シンボル(多次元マトリックスシンボル)30が概略的に示されている。多次元シンボル30は、データセル34のマトリックスを有する内部データフィールド32と、データセル38からなる方向付け及び/又はタイミングデータセル境界36とを有する。
図示のように、内部データフィールド32のデータセル34は、多次元データセルを有するが、(例えば、黒色及び白色等の)バイナリデータセルを有することも可能である。又、図示のように、データセル境界36のデータセル38は、多次元データセルを有するが、必要に応じて、バイナリデータセルを有することも可能である。本明細書に使用されている多次元データセルとは、各々がデータビットを表しており、且つ、2つを上回る数のデータビットのデータによってエンコードされた複数の特有の特徴を有するデータセルを意味している。
本発明に係る多次元データセルと共に使用可能である例示用の特有の特徴が図3〜図6に示されている。これらの特有の特徴は、色、グレースケールレベル、形状、及び幾何学的なデザインを含む。図3には、例示用のデータセル40、42、44、及び46が示されている。本発明によれば、データセル40、42、44、及び46は、それぞれ、例示用の色の特有の特徴を示している。データセル40、42、44、及び46は、正方形として示されているが(本発明による別の特有の特徴)、任意の所望の形状又は1つ又は複数の追加の特有の特徴を有することが可能である。本発明の一実施態様によれば、データセル40は、黄色であり、データセル42は、緑色であり、データセル44は、赤色であり、且つ、データセル46は、シアンであるが、任意の所望の色を使用することが可能である。図4には、例示用のデータセル48、50、52、及び54が示されている。本発明によれば、データセル48、50、52、及び54は、それぞれ、グレースケールの特有の特徴を示している。データセル48、50、52、及び54は、正方形として示されているが(本発明による別の特有の特徴)、任意の所望の形状又は1つ又は複数の追加の特有の特徴を有することが可能である。本発明の一実施態様によれば、データセル48は、白色であり、データセル54は、黒色であり、データセル50及び52は、白と黒との間のグレースケールを有する。図5には、例示用のデータセル56、58、60、及び62が示されている。本発明によれば、データセル56、58、60、及び62は、それぞれ、形状の特有の特徴を示している。データセル56、58、60、及び62は、白色として示されているが、任意の所望の色又は1つ又は複数の追加の特有の特徴を有することが可能である。本発明の一実施態様によれば、データセル56は、正方形であり、データセル58は、ダイアモンド形状であり、データセル60は、円形であり、且つ、データセル62は、五角形である(5辺を有する)。図6には、例示用のデータセル64、66、68、及び70が示されている。本発明によれば、データセル64、66、68、及び70は、それぞれ、幾何学的なパターンの特有の特徴を示している。データセル64、66、68、及び70は、様々な形状を有するものとして示されているが、任意の形状又は1つ又は複数の追加の特有の特徴を有することが可能である。本発明の一実施態様によれば、データセル64は、所定の間隔で配置されたラインの第1の幾何学的なパターンを有し、データセル66は、所定の間隔で配置されたラインの第2の幾何学的なパターンを有し、データセル68は、同心円の幾何学的なパターンを有し、データセル70は、所定の間隔で配置されたラインの第3の幾何学的なパターンを有する。
本発明に係る多次元シンボルは、複数の特有の特徴の任意の組み合わせを有するデータセルを使用することが可能である。例えば、4つの異なる色、4つのグレースケールのレベル、4つの異なる形状、及び、4つの異なるパターンがデータセルに利用可能である場合には、データセルごとに利用可能なデータビットの数は、(例えば、黒色及び白色等の)バイナリセルにおける2ビットと比べて、1つのセル当たりに、4×4×4×4、即ち、256ビットのデータとなるであろう。
本発明に係るデータのエンコーディングは、Vericode(登録商標)又はData Matrix(登録商標)又はCore One(登録商標)という登録商標名の下に商業的に知られているもの等の周知のエリアシンボロジーにおいて実行されているものと同様に実行可能である。データをエンコードするための代表的な方法は、2005年5月3日付けで出願された「情報をエンコードすると共にデコードする方法(Methods for Encoding and Deconding Information)」という名称の米国特許出願第11/121,762号に記述されており、この全ての開示内容は、本明細書中で引用されることにより、あらゆる意味において、本明細書に組み込まれている。通常、これらの手法においては、情報をリード−ソロモン(Reed−Solomon)ブロックにエンコードするステップを含む適切な方法によって情報をエンコードしている。エンコーディングの対象となるデータは、バイナリコードのストリングを形成するバイナリコードによって表されている。バイナリコードのストリングに基づいてCRC(Cyclical Redundancy Check:巡回冗長検査)と呼ばれる値を演算する。CRCは、バイナリストリングに付加される。CRCは、デコードされた情報が正しいことをチェックするために読み取り装置によって使用される。次いで、バイナリストリングに基づいて64ビットのリード−ソロモン(Reed−Solomon)ブロックコードを生成する。リード−ソロモン(Reed−Solomon)ブロックコードによれば、データのある部分が損傷した際にも、オリジナルのデータを復元することが可能である。リード−ソロモン(Reed−Solomon)ブロックコードは、シンボルのEDAC(Error Detection and Correction:エラー検出と訂正)機能の基礎である。ブロックコードからのビット値は、好ましくは、インターリーブされており、従って、ほこりや擦り傷等によって発生したシンボルに対する斑点状の損傷が様々なブロックに跨って分散される。この結果、シンボルが読み取り不能になる可能性が低くなる。次いで、エンコードされた情報から、複数のデータセルを含むデータマトリックスを生成する。次に、データマトリックスをシンボルの形態においてビットマップ画像に変換し、このビットマップ画像を物体、ラベル、ボックス等の上に印刷する。例えば、このタイプのシンボルは、いまや、在庫管理、POS(Point Of Sale:販売時点管理)識別、又は物流追跡システム等の様々な利用分野において一般的に使用されている。
又、セルは、便宜上、グループとして組織化することも可能である。例えば、単一のコード内において2つの異なる組織を使用することが可能である。第1エリアは、シンボルの1つ又は複数のコーナーに位置し、これを記述子ブロックと呼ぶ。この記述子ブロックは、2×2のセルブロックから構築され、且つ、合計で71ビットのデータ用に3×3ブロックとして組織化される。このフィールドは、X軸及びY軸内のセルの数、CRCの数値、又は、コードに使用される暗号化キーのアイデンティティ等のコードに関する情報を収容することが可能である。データセルは、3×3のセルブロックとして組織化される。データブロックの合計数は、X軸およびY軸内のセルの数を乗算したものを9によって除算し、且つ、1つ又は複数の記述子ブロックについて4又は16を減算することによって算出することが可能である。合計数には、記述子ブロック及びデータブロックが含まれていることに留意されたい。X軸セル及びY軸セルは、いずれも、好ましくは、3によって割り切れるものである。
本発明に係るシンボルは、任意の適切な印刷又は画像形成法によって生成されることが可能である。好ましくは、一例として色を使用することにより、各々のセルは、恐らくは、赤色、緑色、及び青色(RGB)成分としてソフトウェアにおいて規定され得る色を有するが、シアン、マゼンタ、黄色、及び黒色(CMYK)成分によって規定され得ると共にカラーデジタルプリンタ又はこれに類似したものに送付可能である形態にすることも可能であろう。好ましくは、プリンタは、マトリックス内において使用される全ての残りの色とは別個の色として認識することができるように、その色の組み合わせを印刷する能力を有する。スポットが相対的に大きいと共に互いにちょうど重畳するレーザープリンタと比べて、インクジェットプリンタの場合には、原色の滴が非常に小さく、且つ、一緒に放出されて、識別可能な色の更に多くの組み合わせを提供する。本発明に従って、グレースケール、形状、及び幾何学的なパターンについて、類似の技術を使用することが可能である。
コードを印刷する際の別の機能は、透明色の積層化によって全ての特徴が観察可能となるプロセスカラーの使用である。レーザー及びインクジェット等の大部分の一般的なプリンタのタイプは、透明色を使用している。
本発明に従ってシンボルを読み取るためには、視野内においてシンボルを検出し、4つのコーナーを識別して回転及びスキューを判定し、矩形になるようにマトリックスを調節して戻すか、或いは、(水平セル及び垂直セルの数に基づいて)回転及びスキューについて調節された水平ライン及びセルと垂直ライン及びセルを配置すべき各々のラインの対の交点を少なくともセットアップ(set up)する。
通常、このような分析は、最も中心のピクセルであると考えられるものから始まり、且つ、中心から離れる方向にピクセルが移動する間に平均化される乗数の値を低減させることにより、外側に移動するピクセルに対して重みを付与する。色が平均値から離れ過ぎているピクセルが識別された際には、当該ピクセルを拒絶し、平均化しない。マトリックス又は拒絶されたピクセルによって予め定められた限度に到達したときに、その平均値が、その色及びグレースケールの成分である。形状は、パターンに基づいて形状を探すことにより、拒絶されたピクセルとの比較においてカラーピクセルを観察することによって判定される。セル内のパターンは、中心から放射状に広がる円であってよく、中心から放射状に広がる正方形であってよく、中心から放射状に広がる三角形であってよく、且つ、マトリックスからのデータに対して変換が適用された際に異なるシグニチャ(signature)を提供するその他の幾何学的な構成であってよいであろう。
一般的な印刷コード及びカメラは、コード又はカメラ間において、且つ、時間の経過と共に変化する。従って、シンボルを読み取る瞬間において各々の特徴を認識するべくカメラを調節する方法が、本発明に従って提供される。好ましくは、正しいデータがマトリックス内の各々の特徴について出力されるように、境界を(好ましくは、マトリックス内のセルよりも大きい)セルの既知のアレイとしてセットアップすることにより、ソフトウェアアルゴリズムを再較正するための各々の特徴の一例をコード読み取りソフトウェアに提供する。境界は、追加の特徴を使用して、回転及びスキューの判定を向上させることも可能である。例えば、各々の原色及び黒色の大きなセルを4つのコーナーに配置することが可能である。大きなセルのパターンは、方向付けを識別し、大きなセルの正確な形状は、スキューのインジケータとなる。4つのコーナーのセルの形状データが、アライメント(alignment)が判定される既知の場所にそれぞれ位置している複数の境界セルからのデータに追加され、且つ、4つのコーナーの観察から判明したスキューに追加された場合には、このようにして組み合わせられた情報は、シンボルの4つの辺の中央が外側に向かって丸くなるレンズのバレリング(barreling)、及び、コーナーポイント自体の観察によっては発見及び補正されない状態でレンズがシンボルと正対していないことに起因して発生する台形問題(trapezoidal problem)のような不均衡なスキューに関する更に正確な実態を提供する。又、境界上の既知の1つ又は複数の場所における1つ又は複数の可変セルは、各々の軸上のセルの数、記述子ブロックを検出する場所、暗号化コード、及びこれらに類似したもの等のシンボルに関する情報を有することも可能である。
従来のエリアアレイカメラは、黒色又は白色という単一の特徴を上回るものを弁別するために利用可能である固有の機能を有する。一般的なカメラは、各々の要素ごとに24ビットの情報を出力する。通常、8ビットは、要素のグレースケールのために使用されており、残りの16ビットが、赤色、緑色、及び青色(RGB)という3つの原色、又はシアン、マゼンタ、黄色、(及び黒色)(CMYK)という補色の間において分割されている。本発明の一実施態様は、単一のセルから積層化された情報を抽出することができるようにする1つ又はいくつかの異なる方法又は設計を使用するステップを含む。既知の方法は、各々の要素からの2ビットのデータビット(黒色又は白色)のみを使用しており、通常、24ビット、又は、最大で4色又は8色のなんらかのサブセットが利用可能である。本発明に係るコードは、各々の要素からの2つを上回る数のデータビットを使用している。本発明に係るセルは、いくつかの色から構成されることが可能であり、これらの色は、原色及び透明な原色の組み合わせを使用するその他の色を包含することが可能である。セル内の各々の色は、グレースケールの特徴におけるグレースケール要素のレベル数の倍数だけ各々の色を区別するための変化するグレースケールのレベルを有することが可能である。各々のセルは、正方形、ダイアモンド、円、又はカメラ要素のアレイによって容易に弁別されるその他の形状等の異なる形状として設計可能である。セル内には、カメラ要素のアレイを使用した光学的分析において既知の変換によって分析された際に異なる応答を提供する様々なパターンを生成することが可能である。印刷されたコードの場合には、その他の特徴との差別化によって認識可能であるカメラ要素又はその他の装置からの応答を誘発させるために、色、グレースケール、形状、又はパターンと同様に、赤外線、UV、蛍光等のその他の特徴を有するインクを使用することが可能である。異なる特徴を有するシンボルセルを使用して、セル及びその正確な場所を更に正確に識別することが可能である。黒色セルは、コードエリア内の望ましくないアーチファクト(artifact)と同一色になる可能性があり(黒色及び白色という2色画像を仮定した場合)、且つ、良好なセル又は良好なセルの境界から弁別することが困難であるのに対して、有色のセルは、背景雑音に入ってしまう可能性が低い。
本発明の別の実施態様は、コードに使用された特徴の全てを各々のコード上の既知の場所に配置し、読み取り対象のコードについてカメラを再較正するというものである。特徴の冗長な配置は、較正の特徴のいくつかのものに対する損傷によって発生する問題を除去するのに有用であり、且つ、多くの入力に跨って較正を平均化するのにも有用である。又、コード内のタイミングマークは、セルの場所に関する追加情報を提供する異なる特徴から構成されることも可能であり、或いは、追加されたシンボルエンコーディング及びデコーディングのために使用されることも可能である。較正の特徴を、例えば、シンボルの4つの境界上に配置することにより、色値、グレースケール値、形状シグニチャ、変形シグニチャ、及び使用されるあらゆるその他の特徴を設定することが可能であり、且つ、それらが提供する値又はシグニチャを使用して、セル読み取り値を更に正確に較正することが可能である。又、特徴の4つの境界の分析は、匹敵する位置における既知の特徴間の違いを示し、これによって、匹敵するデータに基づいた回転、スキュー、及び照明の問題に対する補正を実現することが可能である。境界は、既知の場所に異なる要素を有することが可能であるため、視野内におけるコードの検出が更に正確且つ信頼性の高いものになる。異なる特徴を有するタイミングセルを使用し、タイミングマーク及びその正確な場所を更に正確に識別することが可能である。現在、黒色セルは、コードエリア内の望ましくないアーチファクトと同一の色であり(黒色及び白色という2色画像を仮定した場合)、且つ、良好なセルと弁別することが困難である。一例として、境界を取り上げれば、1つの境界上における特徴の積層化、コードの4つのコーナー上のボックス領域内における特徴の検出、並びに、本発明のこれらの実施態様による多数のその他の方法等の較正の特徴を検出するような多数の方式を利用することが可能であろう。
本発明の別の特徴は、本発明の多次元シンボロジーコードを読み取ることが可能であるエリアアレイカメラの利用法である。使用されるカメラのハードウェアは、通常、現在市販されているCCD、COMS、又はその他の技術であってよいが、好ましくは、カメラ調節装置、ファームウェア、ソフトウェア、ドライバ、及びその他の制御方法は、望ましくは、本明細書に記述されている特徴の1つ又は複数のものを使用して本発明の多次元シンボロジーコードを読み取るべく最適化される。
以上、いくつかの実施例(実施形態)を参照し、本発明について説明した。本明細書において特定された特許又は特許出願の全ての開示内容は、本明細書中で引用されることにより、本明細書に組み込まれている。以上の詳細な説明及び例は、本発明をわかりやすくするために呈示されたものに過ぎない。これらの説明及び例は、限定を意図したものと理解してはならない。当業者には、本発明の範囲を逸脱することなしに、記述された実施例において多数の変更を実施することが可能であることが明らかであろう。従って、本発明の範囲は、本明細書に記述された構造に限定されるものではなく、特許請求の範囲の請求項に記述された構造又はそれらの構造の等価物によってのみ限定される。

Claims (17)

  1. 複数のデータセルを有する多次元マトリックスシンボルにおいて、
    少なくとも1つのデータセルは、複数の特有の特徴を有し、且つ、各々の特有の特徴は、エンコードされたデータビットを表すことを特徴とする多次元マトリックスシンボル。
  2. 特有の特徴は、色、グレースケールレベル、形状、及び幾何学的なパターンの中の1つを有する請求項1記載の多次元マトリックスシンボル。
  3. 前記複数のデータセルは、内部データフィールド内に配列され、且つ、前記多次元マトリックスシンボルは、前記内部データフィールドを取り囲む複数のデータセルを有するデータセル境界を更に有する請求項1記載の多次元マトリックスシンボル。
  4. 前記データセル境界の少なくとも1つのデータセルは、複数の特有の特徴を有し、且つ、各々の特有の特徴は、エンコードされたデータビットを表す請求項3記載の多次元マトリックスシンボル。
  5. 特有の特徴は、色、グレースケールレベル、形状、及び幾何学的なパターンの中の1つを有する請求項4記載の多次元マトリックスシンボル。
  6. 第1の複数のデータセルを有する内部データフィールドと、第2の複数のデータセルを有するデータセル境界とを有する多次元マトリックスシンボルにおいて、
    前記第2の複数のデータセルの中の少なくとも1つのデータセルは、複数の特有の特徴を有し、且つ、各々の特有の特徴は、エンコードされたデータビットを表すことを特徴とする多次元マトリックスシンボル。
  7. 特有の特徴は、色、グレースケールレベル、形状、及び幾何学的なパターンの中の1つを有する請求項6記載の多次元マトリックスシンボル。
  8. 前記第1の複数のデータセルは、バイナリデータセルを有する請求項6記載の多次元マトリックスシンボル。
  9. 多次元マトリックスシンボルを読み取る方法において、
    複数のデータセルを有する多次元マトリックスシンボルを提供するステップであって、少なくとも1つのデータセルは、複数の特有の特徴を有し、且つ、各々の特有の特徴は、エンコードされたデータビットを表すステップと、
    各々の前記データセルにおける各々の特有の特徴を識別するステップと、
    各々の特有の特徴によって表されるデータをデコードするステップとを有することを特徴とする方法。
  10. 特有の特徴は、色、グレースケールレベル、形状、及び幾何学的なパターンの中の1つを有する請求項9記載の方法。
  11. 前記多次元マトリックスシンボルの前記複数のデータセルは、内部データフィールド内に配列され、且つ、前記多次元マトリックスシンボルは、前記内部データフィールドを取り囲む複数のデータセルを有するデータセル境界を更に有する請求項9記載の方法。
  12. 前記方法は、前記データセル境界の少なくとも一部を識別することにより、前記多次元マトリックスシンボルを検出するステップを更に有する請求項11記載の方法。
  13. 前記方法は、前記データセル境界の少なくとも一部を識別することにより、前記多次元マトリックスシンボルを方向付けするステップを更に有する請求項11記載の方法。
  14. 多次元マトリックスシンボルを読み取る方法において、
    第1の複数のバイナリデータセルを有する内部データフィールドと、第2の複数の多次元データセルを有するデータセル境界とを有する多次元マトリックスシンボルを提供するステップであって、前記第2の複数の多次元データセルの中の少なくとも1つの多次元データセルは、複数の特有の特徴を有し、且つ、各々の特有の特徴は、エンコードされたデータビットを表すステップと、
    前記第1の複数のバイナリデータセルによって表されるデータをデコードするステップと、
    前記第2の複数の多次元データセルの各々の多次元データセルにおける各々の特有の特徴を識別するステップと、
    各々の特有の特徴によって表されるデータをデコードするステップとを有することを特徴とする方法。
  15. 特有の特徴は、色、グレースケールレベル、形状、及び幾何学的なパターンの中の1つを有する請求項14記載の方法。
  16. 前記方法は、前記データセル境界の少なくとも一部を識別することにより、前記多次元マトリックスシンボルを検出するステップを更に有する請求項14記載の方法。
  17. 前記方法は、前記データセル境界の少なくとも一部を識別することにより、前記多次元マトリックスシンボルを方向付けするステップを更に有する請求項14記載の方法。
JP2009515462A 2006-06-14 2007-06-13 多次元シンボロジー及び関連する方法 Pending JP2009540468A (ja)

Applications Claiming Priority (2)

Application Number Priority Date Filing Date Title
US81376906P 2006-06-14 2006-06-14
PCT/US2007/013815 WO2007146303A2 (en) 2006-06-14 2007-06-13 Multi-dimensional symbologies and related methods

Publications (1)

Publication Number Publication Date
JP2009540468A true JP2009540468A (ja) 2009-11-19

Family

ID=38832496

Family Applications (1)

Application Number Title Priority Date Filing Date
JP2009515462A Pending JP2009540468A (ja) 2006-06-14 2007-06-13 多次元シンボロジー及び関連する方法

Country Status (12)

Country Link
US (1) US7510125B2 (ja)
EP (1) EP2027561A2 (ja)
JP (1) JP2009540468A (ja)
KR (1) KR20090018811A (ja)
CN (1) CN101467161A (ja)
AU (1) AU2007258332A1 (ja)
CA (1) CA2654085A1 (ja)
MX (1) MX2008015959A (ja)
MY (1) MY153301A (ja)
RU (1) RU2009100923A (ja)
WO (1) WO2007146303A2 (ja)
ZA (1) ZA200810452B (ja)

Cited By (8)

* Cited by examiner, † Cited by third party
Publication number Priority date Publication date Assignee Title
JP2011175314A (ja) * 2010-02-23 2011-09-08 Fuji Xerox Co Ltd 二次元バーコード読取装置、プログラム、二次元バーコード及び媒体
KR101241111B1 (ko) 2011-04-07 2013-03-11 주식회사 아이씨비에스 복수의 정보를 제공할 수 있는 필터를 이용한 2차원코드 암호화 및 해독방법과 장치
JP2013134775A (ja) * 2011-12-23 2013-07-08 Konica Minolta Laboratory Usa Inc 大容量データの符号化および復号化のための4次元(4d)カラーバーコード
JP5731059B1 (ja) * 2014-11-07 2015-06-10 共樹 阿南 仮想三次元コード及びその読み取り方法
US9269034B2 (en) 2012-08-21 2016-02-23 Empire Technology Development Llc Orthogonal encoding for tags
JP2017079082A (ja) * 2011-08-16 2017-04-27 モビリードMobilead 光学読取コード作成装置
WO2019017433A1 (ja) * 2017-07-20 2019-01-24 株式会社デンソーウェーブ 二次元コード及び二次元コード読取装置
JP2020173601A (ja) * 2019-04-10 2020-10-22 ソノー電機工業株式会社 二次元コード、認識処理プログラム、認識処理装置、及び認識処理方法

Families Citing this family (26)

* Cited by examiner, † Cited by third party
Publication number Priority date Publication date Assignee Title
US20080067114A1 (en) * 2006-09-18 2008-03-20 Pitney Bowes Incorporated Separator card for mailpiece handling equipment
US7874496B2 (en) * 2008-01-04 2011-01-25 Microsoft Corporation Optically readable tag
MX2010008335A (es) * 2008-01-29 2011-02-22 Veritec Inc Simbolo bidimensional y metodo para leerlo.
US8011596B2 (en) * 2008-02-13 2011-09-06 Hand Held Products, Inc. Machine readable 2D symbology printable on demand
JP5136302B2 (ja) * 2008-03-27 2013-02-06 株式会社デンソーウェーブ 二次元コード、二次元コード生成方法、二次元コードを表示させるコンピュータ読み取り可能なプログラム、二次元コードを利用した認証方法、及び二次元コードを利用した情報提供方法
US8328109B2 (en) * 2008-10-02 2012-12-11 Silverbrook Research Pty Ltd Coding pattern comprising registration symbols for identifying the coding pattern
DE112008004050T5 (de) * 2008-10-24 2012-05-03 Hewlett-Packard Development Co., L.P. Sicherheitsmaßnahme und Verfahren zum Erzeugen derselben
CN102479336A (zh) * 2010-11-30 2012-05-30 上海航天精密机械研究所 航天产品结构件制造信息多维度分类编码方法
US8464343B1 (en) 2010-12-30 2013-06-11 Symantec Corporation Systems and methods for providing security information about quick response codes
US8651389B2 (en) * 2011-02-02 2014-02-18 Infosys Limited System and method for identifying and tracking shopping carts
US8485428B1 (en) 2011-03-10 2013-07-16 Symantec Corporation Systems and methods for providing security information about quick response codes
US8490861B1 (en) * 2011-03-10 2013-07-23 Symantec Corporation Systems and methods for providing security information about quick response codes
US9477853B2 (en) * 2011-09-08 2016-10-25 Hewlett-Packard Development Company, L.P. Generating an incremental information object
US8915440B2 (en) * 2011-12-23 2014-12-23 Konica Minolta Laboratory U.S.A., Inc. Four dimensional (4D) color barcode for high capacity data encoding and decoding
TWI463410B (zh) * 2012-08-10 2014-12-01 Ind Tech Res Inst 條碼之結構以及條碼之編碼方法
US10154177B2 (en) * 2012-10-04 2018-12-11 Cognex Corporation Symbology reader with multi-core processor
TWI554100B (zh) * 2012-12-27 2016-10-11 Metal Ind Res &Development Ct Correction sheet design for correcting a plurality of image capturing apparatuses and correction methods of a plurality of image capturing apparatuses
US9547924B2 (en) * 2014-06-24 2017-01-17 Raytheon Company Composite launch acceptability region software
CN106683593A (zh) * 2015-11-06 2017-05-17 沈维 一种具有编码信息的广告牌
CN106934441B (zh) * 2017-03-26 2019-01-04 袁昕喆 一种多维码的解码方法
CA3076962A1 (en) * 2017-09-26 2019-04-04 Imprensa Nacional-Casa Da Moeda, Sa Computational method and system for image generation with coded information, images obtained therefrom and reading method and system thereof
CN109325574B (zh) * 2018-09-21 2021-08-17 苏州玖典智能科技有限公司 一种彩色二维码
CN109242078A (zh) * 2018-09-21 2019-01-18 苏州玖典智能科技有限公司 一种彩色二维码
JP7754616B2 (ja) * 2020-03-31 2025-10-15 株式会社デンソーウェーブ 情報コード読取システム、情報コード読取装置
JP6989859B2 (ja) * 2020-04-10 2022-01-12 有限会社バラエティーエム・ワン 情報コード、情報コード生成装置、情報コード読取装置、プログラムおよび情報コード利用システム
JP7253749B2 (ja) * 2021-08-03 2023-04-07 学校法人立命館 二次元コード、生成装置、読取装置、及び、コンピュータプログラム

Citations (11)

* Cited by examiner, † Cited by third party
Publication number Priority date Publication date Assignee Title
JPH0338791A (ja) * 1989-06-30 1991-02-19 Veritel Inc 確認用シンボルとその確認装置
JPH05225408A (ja) * 1992-02-14 1993-09-03 Hisashi Ogawa 信号領域放射分割サークルコード
JPH08263580A (ja) * 1995-03-20 1996-10-11 Y E Data Inc 識別コードマーク
US5568555A (en) * 1992-02-12 1996-10-22 Colorcode Unlimited, Inc. Multi-color information encoding system
US5612524A (en) * 1987-11-25 1997-03-18 Veritec Inc. Identification symbol system and method with orientation mechanism
JPH0991395A (ja) * 1996-02-27 1997-04-04 Teiriyou Sangyo Kk 識別コード紙
JPH10228526A (ja) * 1997-02-14 1998-08-25 Takashi Sawaguchi 立体コードの表示方法
JPH10283446A (ja) * 1997-04-08 1998-10-23 Nippon I D Tec Kk 多色記録式マトリクスコード記録紙
JP2003178277A (ja) * 2001-12-11 2003-06-27 Ricoh Co Ltd 2次元コード,2次元コードの作成方法、2次元コードの復号方法,それらの方法を実行する装置、それらの方法をコンピュータで実行する為のプログラム、及び、そのプログラムを記録したコンピュータ読み取り可能記録媒体
JP2007065872A (ja) * 2005-08-30 2007-03-15 Seiko Epson Corp 情報記録装置、印刷装置、情報記録方法、および印刷方法
JP2007179134A (ja) * 2005-12-27 2007-07-12 Dainippon Printing Co Ltd 二次元コード、二次元コードの読取方法及び二次元コードの読取装置

Family Cites Families (6)

* Cited by examiner, † Cited by third party
Publication number Priority date Publication date Assignee Title
US2612994A (en) * 1949-10-20 1952-10-07 Norman J Woodland Classifying apparatus and method
US4972475A (en) * 1987-02-10 1990-11-20 Veritec Inc. Authenticating pseudo-random code and apparatus
US5331176A (en) * 1992-04-10 1994-07-19 Veritec Inc. Hand held two dimensional symbol reader with a symbol illumination window
EP1016027B1 (en) * 1997-04-08 2005-06-15 ZIH Corporation Distortion resistant double-data correcting color transition barcode and method of generating and using same
WO2005109327A2 (en) * 2004-05-03 2005-11-17 Veritec, Inc. Methods for encoding and decoding information
US20060180672A1 (en) * 2005-02-11 2006-08-17 Chu Lonny L Method and system for multi-dimensional symbol coding system

Patent Citations (11)

* Cited by examiner, † Cited by third party
Publication number Priority date Publication date Assignee Title
US5612524A (en) * 1987-11-25 1997-03-18 Veritec Inc. Identification symbol system and method with orientation mechanism
JPH0338791A (ja) * 1989-06-30 1991-02-19 Veritel Inc 確認用シンボルとその確認装置
US5568555A (en) * 1992-02-12 1996-10-22 Colorcode Unlimited, Inc. Multi-color information encoding system
JPH05225408A (ja) * 1992-02-14 1993-09-03 Hisashi Ogawa 信号領域放射分割サークルコード
JPH08263580A (ja) * 1995-03-20 1996-10-11 Y E Data Inc 識別コードマーク
JPH0991395A (ja) * 1996-02-27 1997-04-04 Teiriyou Sangyo Kk 識別コード紙
JPH10228526A (ja) * 1997-02-14 1998-08-25 Takashi Sawaguchi 立体コードの表示方法
JPH10283446A (ja) * 1997-04-08 1998-10-23 Nippon I D Tec Kk 多色記録式マトリクスコード記録紙
JP2003178277A (ja) * 2001-12-11 2003-06-27 Ricoh Co Ltd 2次元コード,2次元コードの作成方法、2次元コードの復号方法,それらの方法を実行する装置、それらの方法をコンピュータで実行する為のプログラム、及び、そのプログラムを記録したコンピュータ読み取り可能記録媒体
JP2007065872A (ja) * 2005-08-30 2007-03-15 Seiko Epson Corp 情報記録装置、印刷装置、情報記録方法、および印刷方法
JP2007179134A (ja) * 2005-12-27 2007-07-12 Dainippon Printing Co Ltd 二次元コード、二次元コードの読取方法及び二次元コードの読取装置

Cited By (9)

* Cited by examiner, † Cited by third party
Publication number Priority date Publication date Assignee Title
JP2011175314A (ja) * 2010-02-23 2011-09-08 Fuji Xerox Co Ltd 二次元バーコード読取装置、プログラム、二次元バーコード及び媒体
KR101241111B1 (ko) 2011-04-07 2013-03-11 주식회사 아이씨비에스 복수의 정보를 제공할 수 있는 필터를 이용한 2차원코드 암호화 및 해독방법과 장치
JP2017079082A (ja) * 2011-08-16 2017-04-27 モビリードMobilead 光学読取コード作成装置
JP2013134775A (ja) * 2011-12-23 2013-07-08 Konica Minolta Laboratory Usa Inc 大容量データの符号化および復号化のための4次元(4d)カラーバーコード
US9269034B2 (en) 2012-08-21 2016-02-23 Empire Technology Development Llc Orthogonal encoding for tags
JP5731059B1 (ja) * 2014-11-07 2015-06-10 共樹 阿南 仮想三次元コード及びその読み取り方法
WO2019017433A1 (ja) * 2017-07-20 2019-01-24 株式会社デンソーウェーブ 二次元コード及び二次元コード読取装置
JP2019021165A (ja) * 2017-07-20 2019-02-07 株式会社デンソーウェーブ 二次元コード及び二次元コード読取装置
JP2020173601A (ja) * 2019-04-10 2020-10-22 ソノー電機工業株式会社 二次元コード、認識処理プログラム、認識処理装置、及び認識処理方法

Also Published As

Publication number Publication date
KR20090018811A (ko) 2009-02-23
US20080035730A1 (en) 2008-02-14
MX2008015959A (es) 2009-03-02
AU2007258332A8 (en) 2009-01-08
CN101467161A (zh) 2009-06-24
EP2027561A2 (en) 2009-02-25
ZA200810452B (en) 2009-11-25
CA2654085A1 (en) 2007-12-21
WO2007146303A3 (en) 2008-08-14
AU2007258332A1 (en) 2007-12-21
RU2009100923A (ru) 2010-07-20
MY153301A (en) 2015-01-29
US7510125B2 (en) 2009-03-31
WO2007146303A2 (en) 2007-12-21

Similar Documents

Publication Publication Date Title
US7510125B2 (en) Multi-dimensional symbologies and related methods
JP5216764B2 (ja) バーコード認証
EP1612724B1 (en) System and method for encoding high density geometric symbol set
US7198194B2 (en) Two-dimensional code having superior decoding properties making it possible to control the level of error correcting codes, and a method for encoding and decoding the same
EP3091478B1 (en) Multiple resolution readable color array
CN113887689B (zh) 用于印刷取证编码的2d条形码的方法和系统
GB2446424A (en) Two dimensional bar code with locating symbols
US20050194444A1 (en) System for encoding information using colors
JP2013537990A (ja) 2次元識別パターン、当該パターンを含む物品、および当該パターンをマーキングおよび識別する方法
EP1869624B1 (en) A secure printing method to thwart counterfeiting
US20140363081A1 (en) Machine reading of printed data
JP2008027029A (ja) 光学式シンボル及びそれが付された物品並びに光学式シンボルを物品に付す方法及び光学式シンボルのデコード方法。
US12346756B2 (en) Two-dimensional barcode, method and system for encoding data into said two-dimensional barcode, and method and system for imaging and decoding said two-dimensional barcode
WO2003012727A1 (en) Data endocing and decoding using angular symbology
CN102806788B (zh) 一种在多联票据上打印异形矩阵式二维条码的方法
WO2012035552A2 (en) Generating a code system using haar wavelets
JP6420840B2 (ja) 印刷文書の簡単な符号化、認証およびコピー検出システム
Simske et al. Revenge of the physical-mobile color barcode solutions to security challenges
AU2000253747B2 (en) Data package template with data embedding
Akila et al. Secured data encoding technique in high capacity color barcodes for m-ticket application

Legal Events

Date Code Title Description
A621 Written request for application examination

Free format text: JAPANESE INTERMEDIATE CODE: A621

Effective date: 20100611

A977 Report on retrieval

Free format text: JAPANESE INTERMEDIATE CODE: A971007

Effective date: 20120411

A131 Notification of reasons for refusal

Free format text: JAPANESE INTERMEDIATE CODE: A131

Effective date: 20120417

A601 Written request for extension of time

Free format text: JAPANESE INTERMEDIATE CODE: A601

Effective date: 20120713

A602 Written permission of extension of time

Free format text: JAPANESE INTERMEDIATE CODE: A602

Effective date: 20120723

A521 Request for written amendment filed

Free format text: JAPANESE INTERMEDIATE CODE: A523

Effective date: 20121017

A131 Notification of reasons for refusal

Free format text: JAPANESE INTERMEDIATE CODE: A131

Effective date: 20121204

A601 Written request for extension of time

Free format text: JAPANESE INTERMEDIATE CODE: A601

Effective date: 20130301

A602 Written permission of extension of time

Free format text: JAPANESE INTERMEDIATE CODE: A602

Effective date: 20130308

A02 Decision of refusal

Free format text: JAPANESE INTERMEDIATE CODE: A02

Effective date: 20130730