JP2007262136A - ポリマーアロイ、架橋物および工業部品 - Google Patents
ポリマーアロイ、架橋物および工業部品 Download PDFInfo
- Publication number
- JP2007262136A JP2007262136A JP2006085671A JP2006085671A JP2007262136A JP 2007262136 A JP2007262136 A JP 2007262136A JP 2006085671 A JP2006085671 A JP 2006085671A JP 2006085671 A JP2006085671 A JP 2006085671A JP 2007262136 A JP2007262136 A JP 2007262136A
- Authority
- JP
- Japan
- Prior art keywords
- weight
- polymer alloy
- rubber
- meth
- carboxyl group
- Prior art date
- Legal status (The legal status is an assumption and is not a legal conclusion. Google has not performed a legal analysis and makes no representation as to the accuracy of the status listed.)
- Pending
Links
Landscapes
- Compositions Of Macromolecular Compounds (AREA)
Abstract
【課題】 耐候性、燃料油浸漬後の耐オゾン性および耐溶剤亀裂性に優れる上に、伸びの大きな架橋物を与える架橋性ポリマーアロイを提供すること。
【解決手段】 カルボキシル基含有ニトリルゴム(A)10〜90重量%、カルボキシル基含有アクリルゴム(B)10〜90重量%、および、ガラス転移温度が50℃以上である樹脂(C)1〜50重量%からなるポリマーアロイ、および該ポリマーアロイに架橋剤(D)を配合してなる架橋性ポリマーアロイが提供される。上記樹脂(C)は、(メタ)アクリル酸エステルとα,β−エチレン性不飽和ニトリルとの共重合体であることが好ましい。
【選択図】 なし
【解決手段】 カルボキシル基含有ニトリルゴム(A)10〜90重量%、カルボキシル基含有アクリルゴム(B)10〜90重量%、および、ガラス転移温度が50℃以上である樹脂(C)1〜50重量%からなるポリマーアロイ、および該ポリマーアロイに架橋剤(D)を配合してなる架橋性ポリマーアロイが提供される。上記樹脂(C)は、(メタ)アクリル酸エステルとα,β−エチレン性不飽和ニトリルとの共重合体であることが好ましい。
【選択図】 なし
Description
本発明は耐候性、燃料油浸漬後の耐オゾン性および耐溶剤亀裂性に優れる上に、伸びの大きな架橋物を与えるポリマーアロイに関する。
アクリロニトリル−ブタジエンゴム(NBR)などのニトリルゴムは、耐油性に優れるゴムとして知られている。ところが、ニトリル基の不飽和結合の影響で、耐オゾン性などの耐候性が不十分なため、これを改良するものとしてNBRに塩化ビニル樹脂をブレンドして耐オゾン性を改良したものが使用されてきた。しかし、NBRに塩化ビニル樹脂をブレンドすると、耐油性および耐候性に優れるものの、廃棄する際にハロゲンによる環境汚染を生ずるおそれがある。
この問題を解決すべく、カルボキシル基含有ニトリル共重合ゴムとカルボキシル基含有アクリル系重合体とからなるゴム組成物が提案されている(特許文献1)。このハロゲンを含まないゴム組成物は、カルボキシル基間架橋させることにより耐候性および耐屈曲疲労性に優れたゴム架橋物を与える。しかしながら、架橋物の硬度を上げるためにカーボンを多量配合することが必要な場合があり、そのため燃料用ホースのように十分な「伸び」が必要な用途においては、更なる「伸び」の改善が求められていた。また耐候性に優れたゴム架橋物を得るためにNBR、ニトリル基を含有するアクリル共重合体および液状NBRとからなるポリマーアロイが提案されている(特許文献2)。しかしながら、該ゴム架橋物を燃料油ホースとして長期間使用する場合には、通常の耐候性に加え、燃料油に長時間浸漬した後の耐オゾン性(「燃料油浸漬後の耐オゾン性」)、および燃料油中での亀裂が成長しにくいこと(「耐溶剤亀裂性」)の向上が求められていた。
この問題を解決すべく、カルボキシル基含有ニトリル共重合ゴムとカルボキシル基含有アクリル系重合体とからなるゴム組成物が提案されている(特許文献1)。このハロゲンを含まないゴム組成物は、カルボキシル基間架橋させることにより耐候性および耐屈曲疲労性に優れたゴム架橋物を与える。しかしながら、架橋物の硬度を上げるためにカーボンを多量配合することが必要な場合があり、そのため燃料用ホースのように十分な「伸び」が必要な用途においては、更なる「伸び」の改善が求められていた。また耐候性に優れたゴム架橋物を得るためにNBR、ニトリル基を含有するアクリル共重合体および液状NBRとからなるポリマーアロイが提案されている(特許文献2)。しかしながら、該ゴム架橋物を燃料油ホースとして長期間使用する場合には、通常の耐候性に加え、燃料油に長時間浸漬した後の耐オゾン性(「燃料油浸漬後の耐オゾン性」)、および燃料油中での亀裂が成長しにくいこと(「耐溶剤亀裂性」)の向上が求められていた。
本発明の目的は、耐候性、燃料油浸漬後の耐オゾン性および耐溶剤亀裂性に優れる上に、伸びの大きな架橋物を与えるポリマーアロイを提供することにある。
本発明者らは、上記課題を解決すべく鋭意研究した結果、カルボキシル基含有ニトリルゴム、カルボキシル基含有アクリルゴムおよび特定のガラス転移温度を有する樹脂とからなるポリマーアロイを架橋させることにより上記目的が達成されることを見出し本発明を完成するに至った。
かくして本発明によれば、カルボキシル基含有ニトリルゴム(A)10〜90重量%、カルボキシル基含有アクリルゴム(B)10〜90重量%、および、ガラス転移温度が50℃以上である樹脂(C)1〜50重量%からなるポリマーアロイが提供される。また、上記樹脂(C)が、(メタ)アクリル酸エステルとα,β−エチレン性不飽和ニトリルとの共重合体であることが好ましい。
さらに、これらのポリマーアロイに架橋剤(D)を配合してなる架橋性ポリマーアロイが提供され、好ましくは該架橋剤(D)が多価アミン化合物又は多価ヒドラジド化合物である。そして、これら架橋性ポリマーアロイを架橋してなる架橋物および該架橋物で構成される工業部品が提供される。
かくして本発明によれば、カルボキシル基含有ニトリルゴム(A)10〜90重量%、カルボキシル基含有アクリルゴム(B)10〜90重量%、および、ガラス転移温度が50℃以上である樹脂(C)1〜50重量%からなるポリマーアロイが提供される。また、上記樹脂(C)が、(メタ)アクリル酸エステルとα,β−エチレン性不飽和ニトリルとの共重合体であることが好ましい。
さらに、これらのポリマーアロイに架橋剤(D)を配合してなる架橋性ポリマーアロイが提供され、好ましくは該架橋剤(D)が多価アミン化合物又は多価ヒドラジド化合物である。そして、これら架橋性ポリマーアロイを架橋してなる架橋物および該架橋物で構成される工業部品が提供される。
本発明により、耐候性、燃料油浸漬後の耐オゾン性および耐溶剤亀裂性に優れる上に、伸びの大きな架橋物を与えるポリマーアロイが提供される。
本発明のポリマーアロイは、カルボキシル基含有ニトリルゴム(A)10〜90重量%、カルボキシル基含有アクリルゴム(B)10〜90重量%、および、ガラス転移温度が50℃以上である樹脂(C)1〜50重量%からなる。
本発明で使用するカルボキシル基含有ニトリルゴム(A)(以下、単に「ニトリルゴム(A)」と記すことがある。)は、α,β−エチレン性不飽和ニトリル、共役ジエン、カルボキシル基含有単量体および必要に応じて加えられる共重合可能なその他の単量体(I)を共重合して得られる重合体である。
α,β−エチレン性不飽和ニトリルとしては、ニトリル基を有するα,β−エチレン性不飽和化合物であれば特に限定されないが、炭素数3〜18の化合物が好ましい。かかる化合物の例としては、アクリロニトリル、メタクリロニトリル、α−クロロアクリロニトリルなどが挙げられ、なかでもアクリロニトリルが特に好ましい。
共役ジエンとしては、α,β−エチレン性不飽和ニトリルと共重合可能な共役ジエン構造を有する化合物であれば特に限定されないが、炭素数4〜12の脂肪族共役ジエン化合物が好ましい。かかる化合物の例としては、1,3−ブタジエン、ハロゲン置換1,3−ブタジエン、1,3−ペンタジエン、イソプレン、2,3−ジメチル−1,3−ブタジエン、1,3−ペンタジエンなどが挙げられ、なかでも1,3−ブタジエンが特に好ましい。
カルボキシル基含有単量体としては、α,β−エチレン性不飽和ジカルボン酸モノアルキルエステル、α,β−エチレン性不飽和モノカルボン酸、α,β−エチレン性不飽和多価カルボン酸などが挙げられる。また、カルボキシル基含有単量体には、これらの単量体のカルボキシル基がカルボン酸塩を形成している単量体も含まれる。また、α,β−エチレン性不飽和多価カルボン酸無水物も共重合後に酸無水物基を開裂させてカルボキシル基を形成し得るのでカルボキシル基含有単量体として用いることができる。これらのカルボキシル基含有単量体の中でも、耐候性、燃料油浸漬後の耐オゾン性および耐溶剤亀裂性に優れ、伸びの大きい架橋物が容易に得られることからα,β−エチレン性不飽和ジカルボン酸モノアルキルエステルが好ましい。
α,β−エチレン性不飽和ジカルボン酸モノアルキルエステルとしては、イタコン酸モノメチル、イタコン酸モノエチル、イタコン酸モノプロピル、イタコン酸モノn−ブチルなどのイタコン酸モノアルキルエステル;イタコン酸モノシクロペンチル、イタコン酸モノシクロヘキシル、イタコン酸モノシクロヘプチルなどのイタコン酸モノシクロアルキルエステル;フマル酸モノメチル、フマル酸モノエチル、フマル酸モノプロピル、フマル酸モノn−ブチルなどのフマル酸モノアルキルエステル;フマル酸モノシクロペンチル、フマル酸モノシクロヘキシル、フマル酸モノシクロヘプチルなどのフマル酸モノシクロアルキルエステル;マレイン酸モノメチル、マレイン酸モノエチル、マレイン酸モノプロピル、マレイン酸モノn−ブチルなどのマレイン酸モノアルキルエステル;マレイン酸モノシクロペンチル、マレイン酸モノシクロヘキシル、マレイン酸モノシクロヘプチルなどのマレイン酸モノシクロアルキルエステル;などが挙げられ、イタコン酸モノメチル、イタコン酸モノn−ブチル、フマル酸モノメチル、フマル酸モノn−ブチル、フマル酸モノシクロヘキシル、マレイン酸モノメチル、マレイン酸モノエチルおよびマレイン酸モノn−ブチルが好ましく、イタコン酸モノn−ブチルが特に好ましい。
α,β−エチレン性不飽和モノカルボン酸としては、炭素数3〜12の化合物が好ましく、アクリル酸、メタクリル酸、エチルアクリル酸、クロトン酸、ケイ皮酸などが例示される。なかでもアクリル酸およびメタクリル酸が好ましく、メタクリル酸がより好ましい。
また、α,β−エチレン性不飽和多価カルボン酸としては、炭素数4〜12の化合物が好ましく、マレイン酸、フマル酸、イタコン酸、シトラコン酸などが例示される。なかでもマレイン酸が好ましい。
α,β−エチレン性不飽和多価カルボン酸無水物としては、無水マレイン酸が挙げられる。
また、α,β−エチレン性不飽和多価カルボン酸としては、炭素数4〜12の化合物が好ましく、マレイン酸、フマル酸、イタコン酸、シトラコン酸などが例示される。なかでもマレイン酸が好ましい。
α,β−エチレン性不飽和多価カルボン酸無水物としては、無水マレイン酸が挙げられる。
前記必要に応じて加えられる共重合可能なその他の単量体(I)としては、非共役ジエン、α−オレフィン、芳香族ビニル、α,β−エチレン性不飽和カルボン酸エステル、フルオロオレフィン、共重合性老化防止剤などが挙げられる。
非共役ジエンとしては、炭素数5〜12の非共役ジエンが好ましく挙げられ、1,4−ペンタジエン、1,4−ヘキサジエン、ビニルノルボルネン、ジシクロペンタジエンなどが例示される。
α−オレフィンは、末端の炭素とそれに隣接する炭素との間に二重結合を有する炭素数2〜12の鎖状モノオレフィンが好ましく挙げられ、エチレン、プロピレン、1−ブテン、4−メチル−1−ペンテン、1−ヘキセン、1−オクテンなどが例示される。
非共役ジエンとしては、炭素数5〜12の非共役ジエンが好ましく挙げられ、1,4−ペンタジエン、1,4−ヘキサジエン、ビニルノルボルネン、ジシクロペンタジエンなどが例示される。
α−オレフィンは、末端の炭素とそれに隣接する炭素との間に二重結合を有する炭素数2〜12の鎖状モノオレフィンが好ましく挙げられ、エチレン、プロピレン、1−ブテン、4−メチル−1−ペンテン、1−ヘキセン、1−オクテンなどが例示される。
芳香族ビニルは、スチレンおよび炭素数8〜18のスチレン誘導体が好ましく挙げられ、該誘導体の例としてはα−メチルスチレン、2−メチルスチレン、4−メチルスチレン、2,4−ジエチルスチレン、4−ブトキシスチレン、N,N−ジメチルアミノスチレンなどが例示される。
α,β−エチレン性不飽和カルボン酸エステルとしては、(メタ)アクリル酸メチル〔アクリル酸メチル又は/およびメタクリル酸メチルの意。以下、同様。〕、(メタ)アクリル酸エチル、(メタ)アクリル酸n−ブチル、(メタ)アクリル酸n−ドデシルなどの炭素数1〜18のアルキル基を有する(メタ)アクリル酸アルキルエステル;(メタ)アクリル酸メトキシメチル、(メタ)アクリル酸メトキシエチル、(メタ)アクリル酸エトキシエチルなどの炭素数2〜12のアルコキシアルキル基を有する(メタ)アクリル酸アルコキシアルキルエステル;(メタ)アクリル酸α−シアノエチル、(メタ)アクリル酸β−シアノブチルなどの炭素数2〜12のシアノアルキル基を有する(メタ)アクリル酸シアノアルキルエステル;(メタ)アクリル酸2−ヒドロキシエチル、(メタ)アクリル酸2−ヒドロキシプロピルなどの炭素数1〜12のヒドロキシアルキル基を有する(メタ)アクリル酸ヒドロキシアルキルエステル;マレイン酸ジメチル、フマル酸ジエチル、イタコン酸ジエチルなどのα,β−エチレン性ジカルボン酸ジアルキルエステル;(メタ)アクリル酸ジメチルアミノメチル、(メタ)アクリル酸ジメチルアミノエチルなどのアミノ基含有α,β−エチレン性不飽和カルボン酸エステルなどが挙げられる。
フルオロオレフィンは、炭素数2〜12の不飽和フッ化化合物が好ましく挙げられ、ジフルオロエチレン、テトラフルオロエチレン、フルオロエチルビニルエーテル、フルオロプロピルビニルエーテル、ペンタフルオロ安息香酸ビニルなどが例示される。
共重合性老化防止剤としては、N−(4−アニリノフェニル)アクリルアミド、N−(4−アニリノフェニル)メタクリルアミド、N−(4−アニリノフェニル)シンナムアミド、N−(4−アニリノフェニル)クロトンアミド、N−フェニル−4−(3−ビニルベンジルオキシ)アニリン、N−フェニル−4−(4−ビニルベンジルオキシ)アニリンなどが例示される。
上記各群の単量体を必要に応じて用いる場合は、1種類であっても、2種類以上併せて用いてもよい。
ニトリルゴム(A)中のα,β−エチレン性不飽和ニトリル単位の割合は、好ましくは10〜70重量%、より好ましくは20〜60重量%、特に好ましくは25〜55重量%である。共役ジエン単位の割合は好ましくは30〜90重量%、より好ましくは40〜80重量%、特に好ましくは45〜75重量%である。また、カルボキシル基含有単量体単位の割合は、該単量体単位の導入によるニトリルゴム(A)中のカルボキシル基含有量が、好ましくは2×10−3〜1.5×10−1ephr、より好ましくは5×10−3〜1.3×10−1ephr、特に好ましくは8×10−3〜1×10−1ephr(以下、ゴム100g当たりのカルボキシル基のモル数を「ephr」の単位で示す。)となる範囲である。これらの単量体と、必要により共重合される他の単量体(I)の単量体単位の割合は、好ましくは0〜30重量%、より好ましくは0〜25重量%、特に好ましくは0〜20重量%の範囲である。
α,β−エチレン性不飽和ニトリル単位の割合が少なすぎると架橋物の耐油性が劣るおそれがあり、逆に、多すぎると耐寒性が低下する可能性がある。共役ジエン単位の割合が少なすぎると架橋物の耐寒性が低下するおそれがあり、逆に、多すぎると機械的強度が低下する可能性がある。また、カルボキシル基含有量が少なすぎると十分に架橋させることが困難になって架橋物の機械的強度が低下するおそれがあり、逆に、多すぎるとスコーチが速くなり、また、架橋物の伸びが低下する可能性がある。
α,β−エチレン性不飽和ニトリル単位の割合が少なすぎると架橋物の耐油性が劣るおそれがあり、逆に、多すぎると耐寒性が低下する可能性がある。共役ジエン単位の割合が少なすぎると架橋物の耐寒性が低下するおそれがあり、逆に、多すぎると機械的強度が低下する可能性がある。また、カルボキシル基含有量が少なすぎると十分に架橋させることが困難になって架橋物の機械的強度が低下するおそれがあり、逆に、多すぎるとスコーチが速くなり、また、架橋物の伸びが低下する可能性がある。
ニトリルゴム(A)のムーニー粘度ML1+4(100℃)は、好ましくは10〜150、より好ましくは20〜120、特に好ましくは30〜100である。ムーニー粘度が小さすぎると架橋物の機械的強度が低下するおそれがあり、逆に、大きすぎると成形加工性が劣る可能性がある。
ニトリルゴム(A)を得るには、公知の乳化重合法や溶液重合法によってα,β−エチレン性不飽和ニトリル、共役ジエン、カルボキシル基含有単量体および必要に応じて加えられる共重合可能なその他の単量体(I)を共重合すれば良いが、重合反応の制御が容易なことから常圧下での乳化重合法が好ましい。乳化重合法では、通常、反応終了後のラテックスから水蒸気吹き込み等により未反応単量体を除いた後、塩析して重合体を凝固させ、ろ過、洗浄、乾燥してニトリルゴム(A)を得る。
本発明で使用するカルボキシル基含有アクリルゴム(B)〔以下、単に「アクリルゴム(B)」と記すことがある。〕は、ガラス転移温度が10℃以下であるゴム質重合体であり、(メタ)アクリル酸エステル、カルボキシル基含有単量体および必要に応じて加えられる共重合可能なその他の単量体(II)を共重合して得られる。
(メタ)アクリル酸エステルとしては、(メタ)アクリル酸のエステル化物であれば特に限定されないが、炭素数1〜18のアルキル基を有する(メタ)アクリル酸アルキルエステルおよび炭素数2〜12のアルコキシアルキル基を有する(メタ)アクリル酸アルコキシアルキルエステルが好ましく、その具体例としては上記ニトリルゴム(A)における共重合可能なその他の単量体(I)で述べたものと同様のものが挙げられる。なかでも、(メタ)アクリル酸エチル、(メタ)アクリル酸n−ブチル、(メタ)アクリル酸エトキシエチルおよび(メタ)アクリル酸メトキシエチルが好ましく、(メタ)アクリル酸メトキシエチルおよび(メタ)アクリル酸エチルが特に好ましい。
カルボキシル基含有単量体としては、上記のニトリルゴム(A)で述べたものと同様のカルボキシル基含有単量体が好ましく使用できるが、耐候性、燃料油浸漬後の耐オゾン性および耐溶剤亀裂性に優れる上に、伸びの大きな架橋物が容易に得られることからα,β−エチレン性不飽和ジカルボン酸モノアルキルエステルがより好ましく、イタコン酸モノメチル、イタコン酸モノn−ブチル、フマル酸モノメチル、フマル酸モノn−ブチル、フマル酸モノシクロヘキシル、マレイン酸モノメチル、マレイン酸モノエチルおよびマレイン酸モノn−ブチルが好ましく、フマル酸モノn−ブチルが特に好ましい。アクリルゴム(B)を構成するカルボキシル基含有単量体は、ニトリルゴム(A)を構成するカルボキシル基含有単量体と必ずしも同一の単量体である必要はない。
また、アクリルゴム(B)のカルボキシル基含有量の、ニトリルゴム(A)のカルボキシル基含有量に対する比率は、好ましくは0.2〜2倍当量、より好ましくは0.3〜2倍当量、特に好ましくは0.5〜2倍当量である。この比率が小さすぎても大きすぎても、前記ニトリルゴム(A)とアクリルゴム(B)との架橋が十分行われず、架橋物の機械的強度が不足するおそれがある。
アクリルゴム(B)の、必要に応じて加えられる共重合可能なその他の単量体(II)としては、上記ニトリルゴム(A)の、必要に応じて加えられる共重合可能なその他の単量体(I)として例示したものから、(メタ)アクリル酸のエステル化物を除き、上記α,β−エチレン性不飽和ニトリルで例示したものを加えたものが挙げられる。これらの中でも、上記α,β−エチレン性不飽和ニトリルで例示したものが好ましく、アクリロニトリルまたはメタアクリロニトリルがより好ましく、アクリロニトリルが特に好ましい。
アクリルゴム(B)中の(メタ)アクリル酸エステル単位の割合は,好ましくは70〜99重量%、より好ましくは75〜98重量%、特に好ましくは80〜97重量%である。アクリルゴム(B)の(メタ)アクリル酸エステル単位の含有量が少なすぎると、架橋物の耐寒性が損なわれるおそれがある。
アクリルゴム(B)中のカルボキシル基含有単量体単位の割合は、好ましくは4×10−4〜1.5×10−1ephr、より好ましくは1×10−3〜1.2×10−1ephr、特に好ましくは5×10−3〜9×10−2ephrとなる範囲である。この含有量が少なすぎると架橋物の引張強さが低下するおそれがあり、逆に、多すぎると伸びが低下する可能性がある。
必要に応じて加えられる共重合可能なその他の単量体(II)の単位の含有量は、好ましくは0〜40重量%、より好ましくは0〜30重量%、特に好ましくは0〜20重量%である。
アクリルゴム(B)中のカルボキシル基含有単量体単位の割合は、好ましくは4×10−4〜1.5×10−1ephr、より好ましくは1×10−3〜1.2×10−1ephr、特に好ましくは5×10−3〜9×10−2ephrとなる範囲である。この含有量が少なすぎると架橋物の引張強さが低下するおそれがあり、逆に、多すぎると伸びが低下する可能性がある。
必要に応じて加えられる共重合可能なその他の単量体(II)の単位の含有量は、好ましくは0〜40重量%、より好ましくは0〜30重量%、特に好ましくは0〜20重量%である。
アクリルゴム(B)は、ムーニー粘度ML1+4(100℃)が好ましくは10〜150、より好ましくは20〜80、特に好ましくは30〜70のものである。
アクリルゴム(B)のムーニー粘度が小さすぎると、架橋物の機械的強度が低下する可能性があり、ムーニー粘度が大きすぎると成形加工性に劣る可能性がある。
アクリルゴム(B)のガラス転移温度(Tg)は、好ましくは−80〜0℃、より好ましくは−70〜−5℃、特に好ましくは−60〜−10℃である。Tgが低すぎると、混練加工性が悪化する可能性があり、Tgが高すぎると架橋物の耐寒性が悪化する可能性がある。
アクリルゴム(B)のムーニー粘度が小さすぎると、架橋物の機械的強度が低下する可能性があり、ムーニー粘度が大きすぎると成形加工性に劣る可能性がある。
アクリルゴム(B)のガラス転移温度(Tg)は、好ましくは−80〜0℃、より好ましくは−70〜−5℃、特に好ましくは−60〜−10℃である。Tgが低すぎると、混練加工性が悪化する可能性があり、Tgが高すぎると架橋物の耐寒性が悪化する可能性がある。
アクリルゴム(B)を得るには、公知の乳化重合法、微細懸濁重合法、塊状重合法および溶液重合法によって(メタ)アクリル酸エステル、カルボキシル基含有単量体および必要に応じて加えられる共重合可能なその他の単量体(II)を共重合すれば良いが、重合反応の制御が容易なことから、常圧下での乳化重合法が好ましい。
本発明で用いるガラス転移温度が50℃以上である樹脂(C)は、ガラス転移温度が50℃以上である重合体であれば特に限定されないが、次に示す単量体の重合体であることが好ましい。該単量体としては、(メタ)アクリル酸メチル、(メタ)アクリル酸エチル、(メタ)アクリル酸イソプロピル、(メタ)アクリル酸t−ブチル、(メタ)アクリル酸α−ヒドロキシエチル、(メタ)アクリル酸3−ヒドロキシブチル、(メタ)アクリル酸ブトキシエチルなどの(メタ)アクリル酸エステル;スチレン、α−メチルスチレン、2−メチルスチレン、4−メチルスチレン、2,4−ジエチルスチレン、4−ブトキシスチレン、N,N−ジメチルアミノスチレンなどの芳香族ビニル;アクリロニトリル、メタクリロニトリル、シアン化ビニリデンなどのα,β−エチレン性不飽和ニトリル;酢酸ビニル、プロピオン酸ビニルなどのビニルエステル;エチルビニルエーテル、セチルビニルエーテル、ヒドロキシブチルビニルエーテルなどのビニルエーテル;などが挙げられる。これらの中でも、耐候性、燃料油浸漬後の耐オゾン性および耐溶剤亀裂性に優れる上に、伸びの大きな架橋物が容易に得られることから、(メタ)アクリル酸エステルおよびα,β−エチレン性不飽和ニトリルが好ましく、(メタ)アクリル酸メチル、(メタ)アクリル酸エチル、(メタ)アクリル酸イソプロピル、(メタ)アクリル酸t−ブチルおよびアクリロニトリルがより好ましく、(メタ)アクリル酸メチルおよびアクリロニトリルが特に好ましい。なお、上記単量体は1種又は2種以上を併用しても良いが、本発明の効果がより一層顕著となることから、(メタ)アクリル酸エステルとα,β−エチレン性不飽和ニトリルとの共重合体が好ましく、(メタ)アクリル酸メチルとアクリロニトリルの共重合体が特に好ましい。
ガラス転移温度が50℃以上である樹脂(C)は、ニトリルゴム(A)やアクリルゴム(B)との良好な相溶性を確保する観点から(メタ)アクリル酸エステル単位の割合を10〜99重量%有すると好ましく、30〜95重量%有するとより好ましく、50〜90重量%有すると特に好ましい。
なお、重合体のTgが上記範囲となる(メタ)アクリル酸エステルとしては、メタアクリル酸メチル(単独重合体のTg105℃)、メタアクリル酸エチル(単独重合体のTg65℃)、メタアクリル酸イソプロピル(単独重合体のTg81℃)、メタアクリル酸t−ブチル(単独重合体のTg107℃)などが挙げられる。
なお、重合体のTgが上記範囲となる(メタ)アクリル酸エステルとしては、メタアクリル酸メチル(単独重合体のTg105℃)、メタアクリル酸エチル(単独重合体のTg65℃)、メタアクリル酸イソプロピル(単独重合体のTg81℃)、メタアクリル酸t−ブチル(単独重合体のTg107℃)などが挙げられる。
ガラス転移温度が50℃以上である樹脂(C)のガラス転移温度(Tg)は、好ましくは50〜150℃、より好ましくは55〜130℃、特に好ましくは60〜120℃である。Tgが低すぎると、耐候性、燃料油浸漬後の耐オゾン性および耐溶剤亀裂性に優れる上に、伸びの大きな架橋物が得られない可能性があり、Tgが高すぎると耐寒性が悪くなる可能性がある。
また、ガラス転移温度が50℃以上である樹脂(C)の数平均分子量(Mn)は、テトラヒドロフラン(THF)を溶剤とするゲルパーミエーションクロマトグラフィー(GPC)による標準ポリスチレン換算表示で、好ましくは5,000〜7,000,000、より好ましくは10,000〜5,000,000、特に好ましくは15,000〜3,000,000である。Mnが小さすぎると、耐オゾン性が悪化する可能性があり、Mnが大きすぎると樹脂(C)が架橋物中で分散不良となる可能性がある。
また、ガラス転移温度が50℃以上である樹脂(C)の数平均分子量(Mn)は、テトラヒドロフラン(THF)を溶剤とするゲルパーミエーションクロマトグラフィー(GPC)による標準ポリスチレン換算表示で、好ましくは5,000〜7,000,000、より好ましくは10,000〜5,000,000、特に好ましくは15,000〜3,000,000である。Mnが小さすぎると、耐オゾン性が悪化する可能性があり、Mnが大きすぎると樹脂(C)が架橋物中で分散不良となる可能性がある。
ガラス転移温度が50℃以上である樹脂(C)を製造する方法には特に制限はなく、公知の乳化重合法、微細懸濁重合法、溶液重合法などが挙げられる。重合反応の制御が容易なことから、常圧下での乳化重合法が好ましい。
本発明のポリマーアロイは、ニトリルゴム(A)10〜90重量%、好ましくは15〜70重量%、より好ましくは20〜60重量%;アクリルゴム(B)90〜10重量%、好ましくは70〜15重量%、より好ましくは60〜15重量%;および;ガラス転移温度が50℃以上である樹脂(C)1〜50重量%、好ましくは2〜30重量%、より好ましくは3〜15重量%;からなる。
本発明のポリマーアロイにおいて、ゴム成分であるニトリルゴム(A)およびアクリルゴム(B)の合計重量と、樹脂成分であるガラス転移温度が50℃以上である樹脂(C)との重量比は、好ましくは99:1〜30:70、より好ましくは95:5〜40:60である。樹脂(C)の混合比率が少なすぎると架橋物の硬度が小さくなるおそれがあり、逆に、多すぎると硬度が高くなりすぎたり、耐オゾン性が悪化したりする可能性がある。また、ニトリルゴム(A)とアクリルゴム(B)との重量比は、好ましくは40:60〜90:10、より好ましくは45:55〜80:20、特に好ましくは50:50〜75:25で混合して使用する。アクリルゴム(B)の混合比率が少なすぎるとゴム架橋物の耐候性が低下するおそれがあり、逆に、多すぎると耐油性および機械的強度が劣る可能性がある。
本発明のポリマーアロイにおいて、ゴム成分であるニトリルゴム(A)およびアクリルゴム(B)の合計重量と、樹脂成分であるガラス転移温度が50℃以上である樹脂(C)との重量比は、好ましくは99:1〜30:70、より好ましくは95:5〜40:60である。樹脂(C)の混合比率が少なすぎると架橋物の硬度が小さくなるおそれがあり、逆に、多すぎると硬度が高くなりすぎたり、耐オゾン性が悪化したりする可能性がある。また、ニトリルゴム(A)とアクリルゴム(B)との重量比は、好ましくは40:60〜90:10、より好ましくは45:55〜80:20、特に好ましくは50:50〜75:25で混合して使用する。アクリルゴム(B)の混合比率が少なすぎるとゴム架橋物の耐候性が低下するおそれがあり、逆に、多すぎると耐油性および機械的強度が劣る可能性がある。
ニトリルゴム(A)およびアクリルゴム(B)のカルボキシル基の合計含有量、すなわち両者の混合物のカルボキシル基含有量は、好ましくは7×10−4〜1.5×10−1ephr、より好ましくは4×10−3〜1×10−1ephrである。このカルボキシル基の合計含有量が少なすぎると得られるゴム架橋物の引張強さ、圧縮永久ひずみなどの機械的強度および耐油性が低下するおそれがあり、逆に、多すぎると引張強さおよび耐オゾン性が低下する可能性がある。
なお、本発明のポリマーアロイにおいては、上記樹脂(C)を上記アクリルゴム(B)に付加重合し、付加共重合体(E)として用いても良い。
この場合、付加共重合体(E)を得るには、上述のカルボキシル基含有アクリルゴム(B)の重合終了後、上記樹脂(C)を構成する単量体を添加して付加重合すれば良い。それにより、付加共重合体(E)は、カルボキシル基含有アクリルゴム(B)に由来するガラス転移温度が10℃以下の部分と、樹脂(C)に由来するガラス転移温度が50℃以上の部分から構成されることになる。そのため、付加共重合体(E)のガラス転移温度を示差熱分析計で測定し、10℃以下と50℃以上の両方のピークを確認することで、付加共重合体(E)がアクリルゴム(B)部分と樹脂(C)の部分を有することを確認できる。また、アクリルゴム(B)部分と樹脂(C)の部分の含有比率は、アクリルゴム(B)の重合終了後の転化率と、樹脂(C)の付加重合の転化率から計算で求めることができる。
なお、付加重合反応としては、公知の乳化重合法、微細懸濁重合法、溶液重合法などが挙げられる。重合反応の制御が容易なことから、常圧下での乳化重合法が好ましい。
この場合、付加共重合体(E)を得るには、上述のカルボキシル基含有アクリルゴム(B)の重合終了後、上記樹脂(C)を構成する単量体を添加して付加重合すれば良い。それにより、付加共重合体(E)は、カルボキシル基含有アクリルゴム(B)に由来するガラス転移温度が10℃以下の部分と、樹脂(C)に由来するガラス転移温度が50℃以上の部分から構成されることになる。そのため、付加共重合体(E)のガラス転移温度を示差熱分析計で測定し、10℃以下と50℃以上の両方のピークを確認することで、付加共重合体(E)がアクリルゴム(B)部分と樹脂(C)の部分を有することを確認できる。また、アクリルゴム(B)部分と樹脂(C)の部分の含有比率は、アクリルゴム(B)の重合終了後の転化率と、樹脂(C)の付加重合の転化率から計算で求めることができる。
なお、付加重合反応としては、公知の乳化重合法、微細懸濁重合法、溶液重合法などが挙げられる。重合反応の制御が容易なことから、常圧下での乳化重合法が好ましい。
付加共重合体(E)のムーニー粘度ML1+4(100)は、好ましくは10〜150、より好ましくは20〜80、特に好ましくは30〜70である。付加共重合体(E)のムーニー粘度が低すぎると、架橋物の機械的強度が低下する可能性があり、ムーニー粘度が大きすぎると加工性が劣る可能性がある。
本発明のポリマーアロイは、ゴム工業分野において通常使用される配合剤、例えば、老化防止剤、光安定剤、カーボンブラックやシリカ等の補強性充填剤、炭酸カルシウムやクレー等の非補強性充填剤、ソルビタンモノステアレート等の加工助剤、ジ−(ブトキシ−エトキシエチル)アジペート等の可塑剤、滑剤、粘着剤、潤滑剤、難燃剤、防黴剤、着色剤、帯電防止剤などを含有してもよい。本発明のポリマーアロイ中のこれらの配合剤含有量は、加工条件や、架橋物に要求される種々の性能を満足させるよう適宜選定すればよい。
本発明のポリマーアロイの調製方法は、特に限定されないが、例えば、ニトリルゴム(A)、アクリルゴム(B)、ガラス転移温度が50℃以上である樹脂(C)およびその他の任意成分(配合剤等)を、オープンロール、バンバリーミキサ、インターナルミキサなどの混練機を用いて混合するドライブレンド法が挙げられる。中でもドライブレンド時に、ガラス転移温度が50℃以上である樹脂(C)の相溶性を高めるため、予めガラス転移温度が50℃以上である樹脂(C)のみ高温で溶融してシート状に加工した後、ニトリルゴム(A)、アクリルゴム(B)とブレンドする方法が好ましい。樹脂(C)の溶融温度は80〜140℃が好ましく、ゴムとの混合時の温度は、40〜70℃程度が好適である。
また、上記付加共重合体(E)を用いる場合の調整方法も特に限定されないが、例えば、ニトリルゴム(A)、付加共重合体(E)およびその他の任意成分を、上記と同様に行って混合すればよい。
また、上記付加共重合体(E)を用いる場合の調整方法も特に限定されないが、例えば、ニトリルゴム(A)、付加共重合体(E)およびその他の任意成分を、上記と同様に行って混合すればよい。
本発明のポリマーアロイの別の調製方法として、ニトリルゴム(A)、アクリルゴム(B)、ガラス転移温度が50℃以上である樹脂(C)の三種または二種につき、ラテックスの段階で混合して凝固、乾燥してゴム−樹脂混合物またはゴム混合物とし、これに残りの必須成分およびその他の任意成分を上記の混合機を用いて混合する方法を採ることも可能である。同様に、本発明のポリマーアロイの別の調製方法として、ニトリルゴム(A)および付加共重合体(E)をラテックスの段階で混合して凝固、乾燥して混合物とし、これにその他の任意成分を上記の混合機を用いて混合する方法を採ることも可能である。
本発明の架橋性ポリマーアロイは、本発明のポリマーアロイに、架橋剤(D)をさらに含有してなるものである。本発明の架橋性ポリマーアロイは、ムーニー粘度が低くてスコーチが遅いので加工性に優れる上に、架橋することにより耐候性、燃料油浸漬後の耐オゾン性および耐溶剤亀裂性に優れる上に、伸びの大きな架橋物を与える。
本発明の架橋性ポリマーアロイが含有する架橋剤(D)としては,ニトリルゴム(A)のカルボキシル基とアクリルゴム(B)の架橋性基同士、すなわちカルボキシル基間架橋し得る化合物であれば特に限定されない。
該架橋剤(D)としては、多価アミン化合物、多価ヒドラジド化合物、多価エポキシ化合物、多価イソシアナート化合物、アジリジン化合物、塩基性金属酸化物、有機金属ハロゲン化物などが挙げられる。
該架橋剤(D)としては、多価アミン化合物、多価ヒドラジド化合物、多価エポキシ化合物、多価イソシアナート化合物、アジリジン化合物、塩基性金属酸化物、有機金属ハロゲン化物などが挙げられる。
多価アミン化合物としては、炭素数4〜30の多価アミン化合物が好ましい。かかる多価アミン化合物の例としては、脂肪族多価アミン化合物、芳香族多価アミン化合物などが挙げられ、グアニジン化合物のように非共役の窒素−炭素二重結合を有するものは含まれない。脂肪族多価アミン化合物としては、ヘキサメチレンジアミン、ヘキサメチレンジアミンカーバメ−ト、N,N’−ジシンナミリデン−1,6−ヘキサンジアミンなどが挙げられる。芳香族多価アミン化合物としては、4,4’−メチレンジアニリン、m−フェニレンジアミン、4,4’−ジアミノジフェニルエーテル、3,4’−ジアミノジフェニルエーテル、4,4’−(m−フェニレンジイソプロピリデン)ジアニリン、4,4’−(p−フェニレンジイソプロピリデン)ジアニリン、2,2’−ビス〔4−(4−アミノフェノキシ)フェニル〕プロパン、4,4’−ジアミノベンズアニリド、4,4’−ビス(4−アミノフェノキシ)ビフェニル、m−キシリレンジアミン、p−キシリレンジアミン、1,3,5−ベンゼントリアミンなどが挙げられ、これらを1種、又は2種以上併せて使用することができる。なお、多価アミン化合物はさらにヒドラジド基を有していても良い。
多価ヒドラジド化合物はヒドラジド基を少なくとも2個有する化合物であり、例えば、イソフタル酸ジヒドラジド、テレフタル酸ジヒドラジド、フタル酸ジヒドラジド、2,6−ナフタレンジカルボン酸ジヒドラジド、ナフタル酸ジヒドラジド、シュウ酸ジヒドラジド、マロン酸ジヒドラジド、コハク酸ジヒドラジド、グルタル酸ジヒドラジド、アジピン酸ジヒドラジド、ピメリン酸ジヒドラジド、スベリン酸ジヒドラジド、アゼライン酸ジヒドラジド、セバシン酸ジヒドラジド、ブラッシル酸ジヒドラジド、ドデカン二酸ジヒドラジド、アセトンジカルボン酸ジヒドラジド、フマル酸ジヒドラジド、マレイン酸ジヒドラジド、イタコン酸ジヒドラジド、トリメリット酸ジヒドラジド、1,3,5−ベンゼントリカルボン酸ジヒドラジド、アコニット酸ジヒドラジド、ピロメリット酸ジヒドラジドなどが挙げられ、これらを1種、又は2種以上併せて使用することができる。なお、多価ヒドラジド化合物はさらにアミノ基を有していても良い。
多価エポキシ化合物としては、例えば、フェノールノボラック型エポキシ化合物、クレゾールノボラック型エポキシ化合物、クレゾール型エポキシ化合物、ビスフェノールA型エポキシ化合物、ビスフェノールF型エポキシ化合物、臭素化ビスフェノールA型エポキシ化合物、臭素化ビスフェノールF型エポキシ化合物、水素添加ビスフェノールA型エポキシ化合物などのグリシジルエーテル型エポキシ化合物;脂環式エポキシ化合物、グリシジルエステル型エポキシ化合物、グリシジルアミン型エポキシ化合物、イソシアヌレート型エポキシ化合物などの多価エポキシ化合物;などの分子内に2以上のエポキシ基を有する化合物が挙げられ、これらを1種、又は2種以上併せて使用することができる。
多価イソシアナート化合物としては、炭素数6〜24の、ジイソシアナート類およびトリイソシアナート類が好ましい。
ジイソシアナート類の具体例としては、2,4−トリレンジイソシアナート(2,4−TDI)、2,6−トリレンジイソシアナート(2,6−TDI)、4,4’−ジフェニルメタンジイソシアナート(MDI)、ヘキサメチレンジイソシアナート、p−フェニレンジイソシアナート、m−フェニレンジイソシアナート、1,5−ナフチレンジイソシアナートなどが挙げられる。また、トリイソシアナート類の具体例としては、1,3,6−ヘキサメチレントリイソシアナート、1,6,11−ウンデカントリイソシアナート、ビシクロヘプタントリイソシアナートなどが挙げられ、これらを1種、又は2種以上併せて使用することができる。
ジイソシアナート類の具体例としては、2,4−トリレンジイソシアナート(2,4−TDI)、2,6−トリレンジイソシアナート(2,6−TDI)、4,4’−ジフェニルメタンジイソシアナート(MDI)、ヘキサメチレンジイソシアナート、p−フェニレンジイソシアナート、m−フェニレンジイソシアナート、1,5−ナフチレンジイソシアナートなどが挙げられる。また、トリイソシアナート類の具体例としては、1,3,6−ヘキサメチレントリイソシアナート、1,6,11−ウンデカントリイソシアナート、ビシクロヘプタントリイソシアナートなどが挙げられ、これらを1種、又は2種以上併せて使用することができる。
アジリジン化合物としては、トリス−2,4,6−(1−アジリジニル)−1,3,5−トリアジン、トリス〔1−(2−メチル)アジリジニル〕ホスフィノキシド、ヘキサ〔1−(2−メチル)アジリジニル〕トリホスファトリアジンなどが挙げられ、これらを1種、又は2種以上併せて使用することができる。
塩基性金属酸化物としては、酸化亜鉛、酸化鉛、酸化カルシウム。酸化マグネシウムなどが挙げられ、これらを1種、又は2種以上併せて使用することができる。
有機金属ハロゲン化物としては、ジシクロペンタジエニル金属ジハロゲン化物が例示される。金属としては、チタン、ジルコニウム、ハフニウムなどがある。
塩基性金属酸化物としては、酸化亜鉛、酸化鉛、酸化カルシウム。酸化マグネシウムなどが挙げられ、これらを1種、又は2種以上併せて使用することができる。
有機金属ハロゲン化物としては、ジシクロペンタジエニル金属ジハロゲン化物が例示される。金属としては、チタン、ジルコニウム、ハフニウムなどがある。
これらの架橋剤のなかでは、耐候性、燃料油浸漬後の耐オゾン性および耐溶剤亀裂性に優れる上に、伸びの大きな架橋物が得られ易いことから、多価アミン化合物および多価ヒドラジド化合物が好ましい。多価アミン化合物の中ではヘキサメチレンジアミンカルバメートおよび2,2’−ビス〔4−(4−アミノフェノキシ)フェニル〕プロパンが特に好ましく、多価ヒドラジド化合物の中ではアジピン酸ジヒドラジドおよびイソフタル酸ジヒドラジドが特に好ましい。
本発明の架橋性ポリマーアロイ中の架橋剤(D)の配合量は、ニトリルゴム(A)およびアクリルゴム(B)のカルボキシル基の合計含有量に対して0.3〜3倍当量、好ましくは0.5〜2.5倍当量、より好ましくは0.6〜1.5倍当量である。架橋剤(D)の配合量が少なすぎると架橋が十分でなく、架橋物の機械的強度の低下や圧縮永久ひずみの増大が起きるおそれがあり、逆に多すぎると伸びや機械的強度が落ちる可能性がある。
本発明の架橋性ゴム組成物は、必要に応じて架橋促進剤、架橋遅延剤などの添加剤を含有してもよい。
架橋促進剤に限定はないが、グアニジン化合物、スルフェンアミド化合物、チウラム化合物、チアゾール化合物、イミダゾール化合物、第四級オニウム塩、多価第三級アミン化合物、第三級ホスフィン化合物、弱酸のアルカリ金属塩などが好ましい。
架橋遅延剤に限定はないが、ステアリルアミンが好ましい。
架橋遅延剤に限定はないが、ステアリルアミンが好ましい。
また、本発明の架橋性ポリマーアロイには、本発明の効果を損なわない範囲でニトリルゴム(A)、アクリルゴム(B)、ガラス転移温度が50℃以上である樹脂(C)又は付加共重合体(E)以外のゴム(その他のゴム)や樹脂(その他の樹脂)を配合してもよい。これらその他のゴム又はその他の樹脂の使用量は、好ましくは全体の30重量%以下、より好ましくは20重量%以下、特に好ましくは10重量%以下である。その他のゴム又はその他の樹脂の配合量が多すぎると、 耐候性、燃料油浸漬後の耐オゾン性および耐溶剤亀裂性が低下したり、伸びの大きい架橋物が得られないおそれがある。
本発明の架橋性ポリマーアロイの調製方法は特に限定されず、一般的なポリマーアロイの調製方法で良い。例えば、上記の本発明のポリマーアロイに、架橋剤、架橋促進剤、架橋遅延剤などの配合剤を密閉式混合機やオープンロールを用いて混練する。架橋剤、架橋促進剤、架橋遅延剤などの混合後は、架橋開始温度以下になるようにすることが好ましい。
本発明の架橋性ポリマーアロイを架橋する方法は、特に限定されない。架橋時の温度を、好ましくは100〜200℃、より好ましくは130〜190℃として架橋物(一次架橋物)を得ることができる。得られた架橋物(一次架橋物)を、必要によりオーブン、熱風、蒸気などによってさらに上記温度に1〜5時間付して二次架橋させることができる。
本発明の架橋性ポリマーアロイを架橋する方法は、特に限定されない。架橋時の温度を、好ましくは100〜200℃、より好ましくは130〜190℃として架橋物(一次架橋物)を得ることができる。得られた架橋物(一次架橋物)を、必要によりオーブン、熱風、蒸気などによってさらに上記温度に1〜5時間付して二次架橋させることができる。
こうして得られる本発明の架橋物は、耐候性、燃料油浸漬後の耐オゾン性および耐溶剤亀裂性に優れる上に、特に破断伸びが大きい。
本発明の架橋物は、これらの特性を活かして、各種の工業用部品を構成することができる。例えば自動車等の輸送機械、一般機器、電気機器等の幅広い分野において、等速ジョイントブーツなどのブーツ類;オイルチューブ、燃料ホース、インレットホースなどのホース類;伝達ベルト、エンドレスベルトなどの工業用ベルト類;電線被覆材;シート類;ダストカバー類;等として有用である。
本発明の架橋物は、これらの特性を活かして、各種の工業用部品を構成することができる。例えば自動車等の輸送機械、一般機器、電気機器等の幅広い分野において、等速ジョイントブーツなどのブーツ類;オイルチューブ、燃料ホース、インレットホースなどのホース類;伝達ベルト、エンドレスベルトなどの工業用ベルト類;電線被覆材;シート類;ダストカバー類;等として有用である。
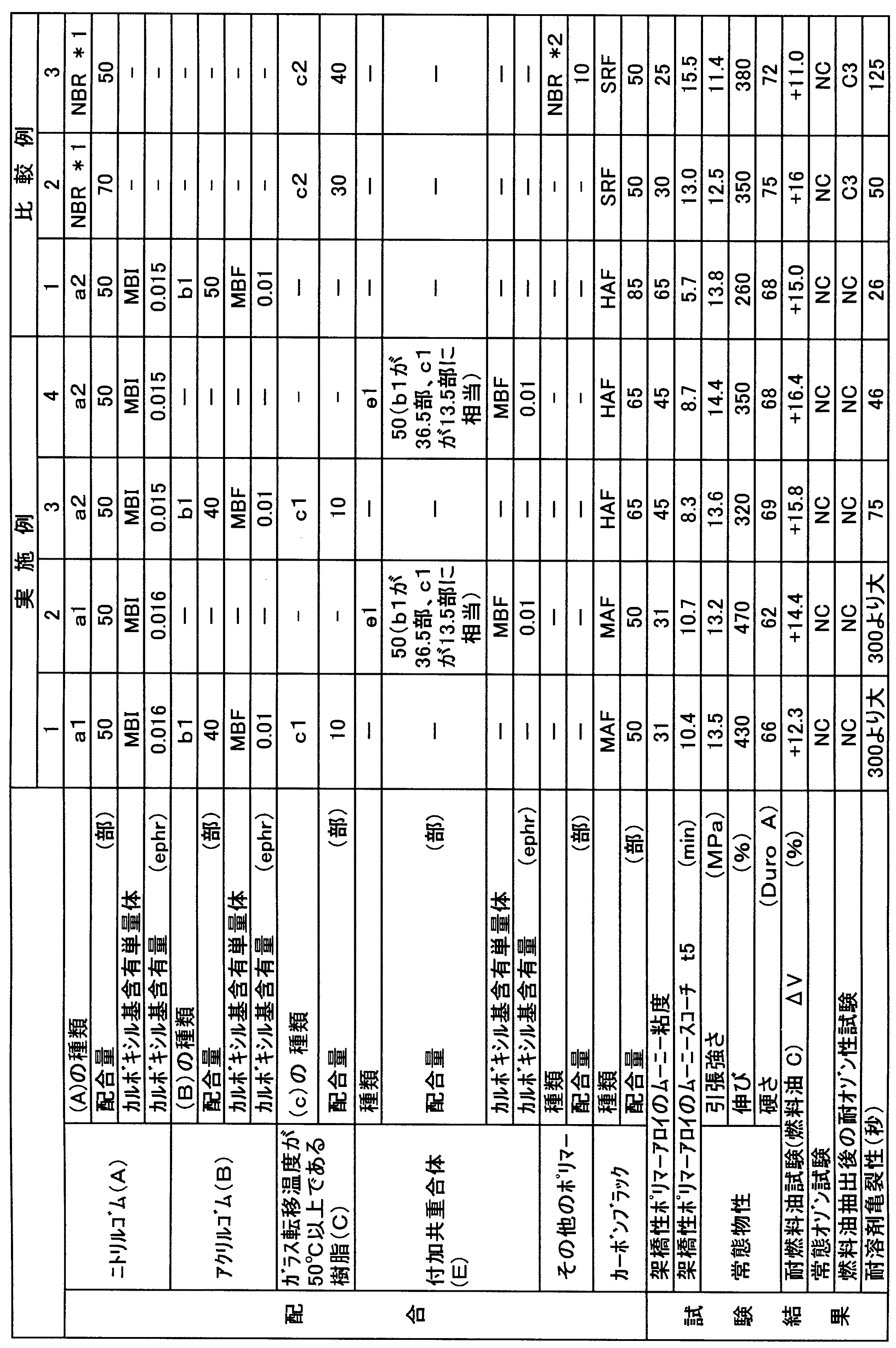
以下に製造例、実施例および比較例を示して、本発明をさらに具体的に説明する。以下において「部」は特に断りのない限り重量基準である。また、各特性の試験、評価は下記によって行った。
(1)カルボキシル基含有量
ニトリルゴム、アクリルゴム又は付加共重合体のカルボキシル基含有量は、水酸化カリウムの0.02Nエタノール溶液を用いて、室温でチモールフタレインを指示薬とする滴定により、ゴム100g当たりのカルボキシル基のモル数を求めた。単位はephrである。
(2)ムーニー粘度
ニトリルゴムのムーニー粘度(ポリマームーニー)および「架橋性ポリマーアロイ」のムーニー粘度(コンパウンドムーニー)をJIS K6300に従って測定した。
ニトリルゴム、アクリルゴム又は付加共重合体のカルボキシル基含有量は、水酸化カリウムの0.02Nエタノール溶液を用いて、室温でチモールフタレインを指示薬とする滴定により、ゴム100g当たりのカルボキシル基のモル数を求めた。単位はephrである。
(2)ムーニー粘度
ニトリルゴムのムーニー粘度(ポリマームーニー)および「架橋性ポリマーアロイ」のムーニー粘度(コンパウンドムーニー)をJIS K6300に従って測定した。
(3)ガラス転移温度(Tg)
示差熱分析計によって測定した。
(4)数平均分子量(Mn)
THFを溶剤とするゲルパーミエーションクロマトグラフィーにおける、対応する標準ポリスチレンの数平均分子量で表現した。
(5)ムーニースコーチ(t5)
架橋性ポリマーアロイのムーニースコーチは、L形ローターを用いて、温度125℃にて、JIS K6300−1に準じて測定した。この測定結果よりムーニースコーチ時間t5(分)を求めた。t5(分)の値が大きいほどスコーチ安定性に優れる。
示差熱分析計によって測定した。
(4)数平均分子量(Mn)
THFを溶剤とするゲルパーミエーションクロマトグラフィーにおける、対応する標準ポリスチレンの数平均分子量で表現した。
(5)ムーニースコーチ(t5)
架橋性ポリマーアロイのムーニースコーチは、L形ローターを用いて、温度125℃にて、JIS K6300−1に準じて測定した。この測定結果よりムーニースコーチ時間t5(分)を求めた。t5(分)の値が大きいほどスコーチ安定性に優れる。
(6)常態物性(引張強さ、伸び)
架橋性ポリマーアロイを縦15cm、横15cm、深さ0.2cmの金型に入れ、10MPaに加圧しながら150℃で20分間プレス成形して厚み2mmのシート状の架橋物を得た。得られた架橋物を3号形ダンベルで打ち抜いて試験片を作製した。これらの試験片を用いてJIS K6251に従い、引張り速度500mm/分にてゴム架橋物の引張強さおよび伸びを測定した。
(7)常態物性(硬さ)
上記(6)と同様にして得たシート状架橋物につき、JIS K6253に従い、デュロメータ硬さ試験機タイプAを用いて架橋物の硬さを測定した。
架橋性ポリマーアロイを縦15cm、横15cm、深さ0.2cmの金型に入れ、10MPaに加圧しながら150℃で20分間プレス成形して厚み2mmのシート状の架橋物を得た。得られた架橋物を3号形ダンベルで打ち抜いて試験片を作製した。これらの試験片を用いてJIS K6251に従い、引張り速度500mm/分にてゴム架橋物の引張強さおよび伸びを測定した。
(7)常態物性(硬さ)
上記(6)と同様にして得たシート状架橋物につき、JIS K6253に従い、デュロメータ硬さ試験機タイプAを用いて架橋物の硬さを測定した。
(8)耐燃料油試験
JIS K6258に従い、燃料油C(イソオクタンとトルエンとを容積比1:1で混合したもの)中に、40℃で48時間浸漬して引上げ、浸漬後の体積の浸漬前の体積に対する変化率(単位:%)を測定した。
JIS K6258に従い、燃料油C(イソオクタンとトルエンとを容積比1:1で混合したもの)中に、40℃で48時間浸漬して引上げ、浸漬後の体積の浸漬前の体積に対する変化率(単位:%)を測定した。
(9)常態オゾン試験(耐候性)
上記(6)と同様にして得たシート状架橋物を打抜いて試験片を得、JIS K6259に準じて40℃、オゾン濃度50pphm、80%伸長で、192時間置いた後の状態を評価した。評価は、次の略号で示した。NC(クラックの発生が認められない)、B1、C2(アルファベットはクラック数の程度を表し、Aに比べてBが多く、Bに比べてCが多い。数字が大きいほどクラックの大きさが大きい。)等、CUT(サンプルが破断した)で表記した。なお、「NC」であれば、耐候性が優れることを意味する。
上記(6)と同様にして得たシート状架橋物を打抜いて試験片を得、JIS K6259に準じて40℃、オゾン濃度50pphm、80%伸長で、192時間置いた後の状態を評価した。評価は、次の略号で示した。NC(クラックの発生が認められない)、B1、C2(アルファベットはクラック数の程度を表し、Aに比べてBが多く、Bに比べてCが多い。数字が大きいほどクラックの大きさが大きい。)等、CUT(サンプルが破断した)で表記した。なお、「NC」であれば、耐候性が優れることを意味する。
(10)燃料油抽出後の耐オゾン性試験
上記(6)と同様にして得たシート状架橋物を打ち抜いてJIS K6259に準じて試験片を得、40℃の燃料油Cに48時間浸漬して引上げ、24時間ドラフト内で室温風乾し次いで100℃のオーブンに24時間置いてから取り出し、JIS K6259に準じて40℃、オゾン濃度50pphm、60%伸長で、192時間置いた後の状態を評価した。評価の記号は(9)と同様である。
上記(6)と同様にして得たシート状架橋物を打ち抜いてJIS K6259に準じて試験片を得、40℃の燃料油Cに48時間浸漬して引上げ、24時間ドラフト内で室温風乾し次いで100℃のオーブンに24時間置いてから取り出し、JIS K6259に準じて40℃、オゾン濃度50pphm、60%伸長で、192時間置いた後の状態を評価した。評価の記号は(9)と同様である。
(11)溶剤亀裂成長試験(耐溶剤亀裂性)
上記(6)と同様にして得たシート状架橋物を打抜いて縦100mm×横10mmの試験片を作製し、JIS K6301の屈曲試験で用いる刃で、この中心部に横方向2mmの長さに貫通させて亀裂を入れた。この亀裂入りの試験片を100%伸長させて固定し、40℃に設定した燃料油C中に浸漬し、破断する迄の時間を測定した。破断の時間が長いほど耐溶剤亀裂性に優れる。
上記(6)と同様にして得たシート状架橋物を打抜いて縦100mm×横10mmの試験片を作製し、JIS K6301の屈曲試験で用いる刃で、この中心部に横方向2mmの長さに貫通させて亀裂を入れた。この亀裂入りの試験片を100%伸長させて固定し、40℃に設定した燃料油C中に浸漬し、破断する迄の時間を測定した。破断の時間が長いほど耐溶剤亀裂性に優れる。
(製造例1)ニトリルゴムa1の製造例
温度計、撹拌装置を備えた反応器に、イオン交換水200部、ドデシルベンゼンスルホン酸ナトリウム2.5部、アクリロニトリル56.4部、イタコン酸モノn−ブチル3.6部および分子量調整剤のt−ドデシルメルカプタン0.6部をこの順に仕込み、減圧による脱気および窒素置換を計3回繰り返して酸素を十分除去した後、1,3−ブタジエン22部を仕込んだ。反応器を5℃に保ち、クメンハイドロパーオキシド(重合開始剤)0.1部および硫酸第一鉄0.01部を仕込み、乳化重合を開始した。重合転化率が49重量%、68重量%に達した時点で、反応容器に1,3−ブタジエンをそれぞれ9.8部、8.2部追加して重合反応を継続し、撹拌しながら16時間乳化重合を行った。
重合転化率82重量%の時点で重合停止剤の10重量%ハイドロキノン水溶液0.1部を添加して重合反応を停止した後、ロータリーエバポレータを用いて水温60℃にて残留単量体を除去し、ブタジエン−アクリロニトリル−イタコン酸モノn−ブチル共重合体のエマルション(固形分濃度約27重量%)を得た。得られたエマルションを塩化カルシウム水溶液に注いで重合体クラムの水分散液を得、この水分散液を金網でろ過し、さらに水と混合してろ過する洗浄操作を計2回行った後、乾燥し、ニトリルゴムa1を得た。
ニトリルゴムa1の組成は、アクリロニトリル単位47重量%、ブタジエン単位50.1重量%およびフマル酸モノn−ブチル単位2.9重量%であり、カルボキシル基含有量は0.016ephr、ムーニー粘度ML1+4(100℃)は65であった。
温度計、撹拌装置を備えた反応器に、イオン交換水200部、ドデシルベンゼンスルホン酸ナトリウム2.5部、アクリロニトリル56.4部、イタコン酸モノn−ブチル3.6部および分子量調整剤のt−ドデシルメルカプタン0.6部をこの順に仕込み、減圧による脱気および窒素置換を計3回繰り返して酸素を十分除去した後、1,3−ブタジエン22部を仕込んだ。反応器を5℃に保ち、クメンハイドロパーオキシド(重合開始剤)0.1部および硫酸第一鉄0.01部を仕込み、乳化重合を開始した。重合転化率が49重量%、68重量%に達した時点で、反応容器に1,3−ブタジエンをそれぞれ9.8部、8.2部追加して重合反応を継続し、撹拌しながら16時間乳化重合を行った。
重合転化率82重量%の時点で重合停止剤の10重量%ハイドロキノン水溶液0.1部を添加して重合反応を停止した後、ロータリーエバポレータを用いて水温60℃にて残留単量体を除去し、ブタジエン−アクリロニトリル−イタコン酸モノn−ブチル共重合体のエマルション(固形分濃度約27重量%)を得た。得られたエマルションを塩化カルシウム水溶液に注いで重合体クラムの水分散液を得、この水分散液を金網でろ過し、さらに水と混合してろ過する洗浄操作を計2回行った後、乾燥し、ニトリルゴムa1を得た。
ニトリルゴムa1の組成は、アクリロニトリル単位47重量%、ブタジエン単位50.1重量%およびフマル酸モノn−ブチル単位2.9重量%であり、カルボキシル基含有量は0.016ephr、ムーニー粘度ML1+4(100℃)は65であった。
(製造例2)ニトリルゴムa2の製造例
製造例1において、仕込み量につきアクリロニトリル56.4部を34部、イタコン酸モノn−ブチル3.6部を3部、t−ドデシルメルカプタン0.6部を0.3部にそれぞれ変え、脱気、窒素置換後に1,3−ブタジエンを一括して63部添加して18時間乳化重合を行った
重合停止剤を重合転化率88重量%の時点での添加した他は実施例1と同様に行ってブタジエン−アクリロニトリル−イタコン酸モノn−ブチル共重合体のエマルション(固形分濃度29重量%)を得、同様に処理してニトリルゴムa2を得た。
ニトリルゴムa2の組成は、アクリロニトリル単位35重量%、ブタジエン単位重量62.4%およびフマル酸モノn−ブチル単位重量2.6%であり、カルボキシル基含有量は0.015ephr、ムーニー粘度ML1+4(100℃)は85であった。
製造例1において、仕込み量につきアクリロニトリル56.4部を34部、イタコン酸モノn−ブチル3.6部を3部、t−ドデシルメルカプタン0.6部を0.3部にそれぞれ変え、脱気、窒素置換後に1,3−ブタジエンを一括して63部添加して18時間乳化重合を行った
重合停止剤を重合転化率88重量%の時点での添加した他は実施例1と同様に行ってブタジエン−アクリロニトリル−イタコン酸モノn−ブチル共重合体のエマルション(固形分濃度29重量%)を得、同様に処理してニトリルゴムa2を得た。
ニトリルゴムa2の組成は、アクリロニトリル単位35重量%、ブタジエン単位重量62.4%およびフマル酸モノn−ブチル単位重量2.6%であり、カルボキシル基含有量は0.015ephr、ムーニー粘度ML1+4(100℃)は85であった。
(製造例3)アクリルゴムb1の製造例
温度計、撹拌装置を備えた反応器に、イオン交換水150部、オクチル硫酸ナトリウム2部、過硫酸アンモニウム(重合開始剤)0.3部、アクリル酸メトキシエチル79.5部、アクリル酸エチル9部、アクリロニトリル8.5部、フマル酸モノn−ブチル3部およびt−ドデシルメルカプタン(分子量調整剤)0.01部入れ、攪拌しながら、温度80℃にて5時間乳化重合を行った後、反応を停止してエマルションを得た。エマルションの固形分濃度は39重量%で重合転化率は98重量%であった。このエマルションを塩化カルシウム水溶液と混合して凝固して重合体の水分散液を得た。この水分散液を金網でろ過し、さらに水と混合してろ過する洗浄操作を計2回行った後、乾燥してアクリルゴムb1を得た。
アクリルゴムb1の組成は、アクリル酸メトキシエチル単位80.7重量%、アクリル酸エチル単位9重量%、アクリロニトリル単位8.5重量%およびフマル酸モノn−ブチル単位1.8重量%であった。カルボキシル基含有量は0.01ephr、ムーニー粘度ML1+4(100)は43であった。
また、アクリルゴムb1のTgは−23℃であった。
温度計、撹拌装置を備えた反応器に、イオン交換水150部、オクチル硫酸ナトリウム2部、過硫酸アンモニウム(重合開始剤)0.3部、アクリル酸メトキシエチル79.5部、アクリル酸エチル9部、アクリロニトリル8.5部、フマル酸モノn−ブチル3部およびt−ドデシルメルカプタン(分子量調整剤)0.01部入れ、攪拌しながら、温度80℃にて5時間乳化重合を行った後、反応を停止してエマルションを得た。エマルションの固形分濃度は39重量%で重合転化率は98重量%であった。このエマルションを塩化カルシウム水溶液と混合して凝固して重合体の水分散液を得た。この水分散液を金網でろ過し、さらに水と混合してろ過する洗浄操作を計2回行った後、乾燥してアクリルゴムb1を得た。
アクリルゴムb1の組成は、アクリル酸メトキシエチル単位80.7重量%、アクリル酸エチル単位9重量%、アクリロニトリル単位8.5重量%およびフマル酸モノn−ブチル単位1.8重量%であった。カルボキシル基含有量は0.01ephr、ムーニー粘度ML1+4(100)は43であった。
また、アクリルゴムb1のTgは−23℃であった。
(製造例4)樹脂c1の製造例
温度計、撹拌装置を備えた反応器に、イオン交換水150部、オクチル硫酸ナトリウム2部、過硫酸アンモニウム(重合開始剤)0.3部、メタアクリル酸メチル80部、アクリロニトリル20部、t−ドデシルメルカプタン(分子量調整剤)0.05部を入れ、攪拌しながら温度80℃にて乳化重合を開始し、5時間後に反応を停止してエマルションを得た。エマルションの固形分濃度は39重量%で重合転化率は98重量%であった。このエマルションを塩化カルシウム水溶液と混合して凝固し、重合体の水分散液を得た。この水分散液を金網でろ過し、さらに水と混合してろ過する洗浄操作を計2回行った後、乾燥して樹脂c1を得た。
樹脂c1の組成は、メタアクリル酸メチル単位80重量%、アクリロニトリル単位20重量%であった。
また、樹脂c1のTgは107℃であった。
温度計、撹拌装置を備えた反応器に、イオン交換水150部、オクチル硫酸ナトリウム2部、過硫酸アンモニウム(重合開始剤)0.3部、メタアクリル酸メチル80部、アクリロニトリル20部、t−ドデシルメルカプタン(分子量調整剤)0.05部を入れ、攪拌しながら温度80℃にて乳化重合を開始し、5時間後に反応を停止してエマルションを得た。エマルションの固形分濃度は39重量%で重合転化率は98重量%であった。このエマルションを塩化カルシウム水溶液と混合して凝固し、重合体の水分散液を得た。この水分散液を金網でろ過し、さらに水と混合してろ過する洗浄操作を計2回行った後、乾燥して樹脂c1を得た。
樹脂c1の組成は、メタアクリル酸メチル単位80重量%、アクリロニトリル単位20重量%であった。
また、樹脂c1のTgは107℃であった。
(製造例5)付加共重合体e1の製造例
温度計、撹拌装置を備えた反応器に、イオン交換水150部、オクチル硫酸ナトリウム2部、過硫酸アンモニウム(重合開始剤)0.3部、アクリル酸メトキシエチル61.2部、アクリル酸エチル9部、アクリロニトリル6.8部、フマル酸モノn−ブチル3部およびt−ドデシルメルカプタン(分子量調整剤)0.01部入れ、攪拌しながら、温度80℃にて乳化重合を開始し、重合転化率が90重量%に達した時点で、反応容器にメタクリル酸メチル16部およびアクリロニトリル4部添加して重合反応を続行し、3時間後に反応を停止してエマルションを得た。エマルションの固形分濃度は38重量%で重合転化率は98重量%であった。このエマルションを塩化カルシウム水溶液と混合して凝固して重合体の水分散液を得た。この水分散液を金網でろ過し、さらに水と混合してろ過する洗浄操作を計2回行った後、乾燥して付加共重合体e1を得た。
付加共重合体e1の組成は、アクリル酸メトキシエチル単位63.2重量%、アクリル酸エチル単位9重量%、メタクリル酸メチル単位16重量%、アクリロニトリル単位10%およびフマル酸モノn−ブチル単位1.8重量%であった。カルボキシル基含有量は0.01ephr、ムーニー粘度ML1+4(100)は51であった。
付加共重合体e1のアクリルゴム(B)に相当する部分は、73重量%、樹脂(C)に相当する部分は27重量%であった。
また、付加共重合体e1のアクリルゴム(B)部分のTgは−23℃、樹脂(C)に相当する部分のTgは106℃であった。
温度計、撹拌装置を備えた反応器に、イオン交換水150部、オクチル硫酸ナトリウム2部、過硫酸アンモニウム(重合開始剤)0.3部、アクリル酸メトキシエチル61.2部、アクリル酸エチル9部、アクリロニトリル6.8部、フマル酸モノn−ブチル3部およびt−ドデシルメルカプタン(分子量調整剤)0.01部入れ、攪拌しながら、温度80℃にて乳化重合を開始し、重合転化率が90重量%に達した時点で、反応容器にメタクリル酸メチル16部およびアクリロニトリル4部添加して重合反応を続行し、3時間後に反応を停止してエマルションを得た。エマルションの固形分濃度は38重量%で重合転化率は98重量%であった。このエマルションを塩化カルシウム水溶液と混合して凝固して重合体の水分散液を得た。この水分散液を金網でろ過し、さらに水と混合してろ過する洗浄操作を計2回行った後、乾燥して付加共重合体e1を得た。
付加共重合体e1の組成は、アクリル酸メトキシエチル単位63.2重量%、アクリル酸エチル単位9重量%、メタクリル酸メチル単位16重量%、アクリロニトリル単位10%およびフマル酸モノn−ブチル単位1.8重量%であった。カルボキシル基含有量は0.01ephr、ムーニー粘度ML1+4(100)は51であった。
付加共重合体e1のアクリルゴム(B)に相当する部分は、73重量%、樹脂(C)に相当する部分は27重量%であった。
また、付加共重合体e1のアクリルゴム(B)部分のTgは−23℃、樹脂(C)に相当する部分のTgは106℃であった。
(比較製造例1)NBR*2(液状NBR)の製造例
単量体混合物(アクリロニトリル45重量%、1,3−ブタジエン55重量%)100部、イオン交換水200部、ドデシルベンゼンスルホン酸ナトリウム(乳化剤)2部、硫酸ナトリウム0.2部、過硫酸アンモニウム(重合開始剤)0.3部およびt−ドデシルメルカプタン(分子量調節剤)10部を窒素置換したオートクレーブに仕込み、反応温度35℃で単量体の転化率が85重量%に達するまで反応させ、停止剤として硫酸ヒドロキシルアミン0.5部を加えて反応を停止させた。乳化重合反応液を取り出して、100℃の水蒸気を吹き込み、未反応単量体を除去した乳化重合液280部を、0.5重量%硫酸アルミニウム水溶液1000部に注ぎ入れて共重合ゴムを凝固させ、凝固物をろ別し、十分水洗して約80℃で3時間乾燥させて、アクリロニトリル単位含有量43.3重量%、数平均分子量4030の液状のアクリロニトリル−ブタジエン共重合ゴム(NBR*2)を得た。
単量体混合物(アクリロニトリル45重量%、1,3−ブタジエン55重量%)100部、イオン交換水200部、ドデシルベンゼンスルホン酸ナトリウム(乳化剤)2部、硫酸ナトリウム0.2部、過硫酸アンモニウム(重合開始剤)0.3部およびt−ドデシルメルカプタン(分子量調節剤)10部を窒素置換したオートクレーブに仕込み、反応温度35℃で単量体の転化率が85重量%に達するまで反応させ、停止剤として硫酸ヒドロキシルアミン0.5部を加えて反応を停止させた。乳化重合反応液を取り出して、100℃の水蒸気を吹き込み、未反応単量体を除去した乳化重合液280部を、0.5重量%硫酸アルミニウム水溶液1000部に注ぎ入れて共重合ゴムを凝固させ、凝固物をろ別し、十分水洗して約80℃で3時間乾燥させて、アクリロニトリル単位含有量43.3重量%、数平均分子量4030の液状のアクリロニトリル−ブタジエン共重合ゴム(NBR*2)を得た。
(比較製造例2)樹脂c2の製造例
製造例4において、メタクリル酸メチル80部をアクリル酸エチル50部に、アクリロニトリル20部を同50部にそれぞれ変えた他は製造例4と同様に行って、樹脂c2を得た。樹脂c2の組成は、アクリル酸エチル単位50重量%、アクリロニトリル単位50重量%であった。
また、樹脂c2のTgは53℃であった。
製造例4において、メタクリル酸メチル80部をアクリル酸エチル50部に、アクリロニトリル20部を同50部にそれぞれ変えた他は製造例4と同様に行って、樹脂c2を得た。樹脂c2の組成は、アクリル酸エチル単位50重量%、アクリロニトリル単位50重量%であった。
また、樹脂c2のTgは53℃であった。
(実施例1)
ニトリルゴムa1を50部、アクリルゴムb1を40部、溶融温度以上の温度でシート状に加工された樹脂c1を10部、MAFカーボンブラック(シーストG116、東海カーボン社製)50部、ステアリン酸(旭電化社製、滑剤、加硫助剤)1部、ジブチルジグリコールアジペート(アデカサイザーRS107、旭電化社製、可塑剤)30部および複合滑剤(モールドウイズ21G、Axel Plastic Research Laboratories社製)0.5部をバンバリーミキサに入れて50℃で混練してポリマーアロイを得、続いてオープンロールにてアジピン酸ジヒドラジド(ADH、日本ヒドラジン工業社製、架橋剤)0.68部、1,3−ジフェニルグアニジン(ノクセラーD、大内新興化学工業社製、架橋促進剤)2部およびステアリルアミン(ファーミン80,花王社製、架橋遅延剤)0.3部を加えて50℃で混練して架橋性ポリマーアロイを調製した。
該架橋性ポリマーアロイのムーニー粘度およびムーニースコーチ、該架橋性ポリマーアロイの架橋物につき常態物性(引張強さ、伸び、硬さ)、耐燃料油試験、常態オゾン試験、燃料油抽出後の耐オゾン性試験および耐溶剤亀裂性を試験、評価した結果を表1に示す。
なお、表1の「カルボキシル基含有単量体」の欄で、イタコン酸モノn−ブチルを「MBI」、フマル酸モノn−ブチルを「MBF」で表した。
ニトリルゴムa1を50部、アクリルゴムb1を40部、溶融温度以上の温度でシート状に加工された樹脂c1を10部、MAFカーボンブラック(シーストG116、東海カーボン社製)50部、ステアリン酸(旭電化社製、滑剤、加硫助剤)1部、ジブチルジグリコールアジペート(アデカサイザーRS107、旭電化社製、可塑剤)30部および複合滑剤(モールドウイズ21G、Axel Plastic Research Laboratories社製)0.5部をバンバリーミキサに入れて50℃で混練してポリマーアロイを得、続いてオープンロールにてアジピン酸ジヒドラジド(ADH、日本ヒドラジン工業社製、架橋剤)0.68部、1,3−ジフェニルグアニジン(ノクセラーD、大内新興化学工業社製、架橋促進剤)2部およびステアリルアミン(ファーミン80,花王社製、架橋遅延剤)0.3部を加えて50℃で混練して架橋性ポリマーアロイを調製した。
該架橋性ポリマーアロイのムーニー粘度およびムーニースコーチ、該架橋性ポリマーアロイの架橋物につき常態物性(引張強さ、伸び、硬さ)、耐燃料油試験、常態オゾン試験、燃料油抽出後の耐オゾン性試験および耐溶剤亀裂性を試験、評価した結果を表1に示す。
なお、表1の「カルボキシル基含有単量体」の欄で、イタコン酸モノn−ブチルを「MBI」、フマル酸モノn−ブチルを「MBF」で表した。
(実施例2〜4、比較例1)
表1に示す成分と配合部数を用いた他は実施例1と同様に行って架橋性ポリマーアロイを得た。各架橋性ポリマーアロイについて実施例1と同様に試験、評価した結果を表1に記す。なお、カーボンブラックの配合量は、架橋物の常態物性の硬さ(Duro A)が64〜69の範囲になるように選定した。カーボンブラックHAFは東海カーボン社製の「シースト3」を用いた。
表1に示す成分と配合部数を用いた他は実施例1と同様に行って架橋性ポリマーアロイを得た。各架橋性ポリマーアロイについて実施例1と同様に試験、評価した結果を表1に記す。なお、カーボンブラックの配合量は、架橋物の常態物性の硬さ(Duro A)が64〜69の範囲になるように選定した。カーボンブラックHAFは東海カーボン社製の「シースト3」を用いた。
(比較例2および3)
表1に示す成分と配合部数を用い、カーボンブラックをSRF(旭#50、旭カーボン社製)、架橋剤としてステアリン酸1部、酸化亜鉛(亜鉛華#1)5部、硫黄(325メッシュ通過品)0.5部、N−シクロヘキシル−2−ベンゾチアゾリルスルフェンアミド1.5部およびテトラメチルチウラムジスルフィド1.5部を使用した他は実施例1と同様に行って架橋性ポリマーアロイを得た。各架橋性ポリマーアロイについて実施例1と同様に試験、評価した結果を表1に示す。
表1に示す成分と配合部数を用い、カーボンブラックをSRF(旭#50、旭カーボン社製)、架橋剤としてステアリン酸1部、酸化亜鉛(亜鉛華#1)5部、硫黄(325メッシュ通過品)0.5部、N−シクロヘキシル−2−ベンゾチアゾリルスルフェンアミド1.5部およびテトラメチルチウラムジスルフィド1.5部を使用した他は実施例1と同様に行って架橋性ポリマーアロイを得た。各架橋性ポリマーアロイについて実施例1と同様に試験、評価した結果を表1に示す。
(注)
「NBR*1」は、Nipol DN101:日本ゼオン社製のカルボキシル基を含有しないニトリルゴムであり、アクリロニトリル単位42.5重量%、ムーニー粘度〔ML1+4(100℃)〕は77.5である。
「NBR*1」は、Nipol DN101:日本ゼオン社製のカルボキシル基を含有しないニトリルゴムであり、アクリロニトリル単位42.5重量%、ムーニー粘度〔ML1+4(100℃)〕は77.5である。
表1が示すように、ニトリルゴム(NBR*1)がカルボキシル基を含有せず、アクリルゴム(B)を用いない点で本発明の要件を欠く架橋性ポリマーアロイから得られる架橋物は、燃料油抽出後の耐オゾン性に劣るものであり(比較例3)、液状NBR(NBR*2)を加えても燃料油抽出後の耐オゾン性は改善されなかった(比較例2)。
また、ガラス転移温度が50℃以上の樹脂(C)を用いない点で本発明の要件を欠く架橋性ポリマーアロイから得られる架橋物は、、耐溶剤亀裂性に劣り、伸びが十分ではなかった(比較例1)。
一方、本発明の要件を全て満たす架橋性ポリマーアロイから得られる架橋物は、耐候性(常態オゾン試験)、燃料油浸漬後の耐オゾン性および耐溶剤亀裂性に優れる上に、伸びが大きかった(実施例1〜4)。
また、ガラス転移温度が50℃以上の樹脂(C)を用いない点で本発明の要件を欠く架橋性ポリマーアロイから得られる架橋物は、、耐溶剤亀裂性に劣り、伸びが十分ではなかった(比較例1)。
一方、本発明の要件を全て満たす架橋性ポリマーアロイから得られる架橋物は、耐候性(常態オゾン試験)、燃料油浸漬後の耐オゾン性および耐溶剤亀裂性に優れる上に、伸びが大きかった(実施例1〜4)。
Claims (6)
- カルボキシル基含有ニトリルゴム(A)10〜90重量%、カルボキシル基含有アクリルゴム(B)10〜90重量%、および、ガラス転移温度が50℃以上である樹脂(C)1〜50重量%からなるポリマーアロイ。
- 前記樹脂(C)が、(メタ)アクリル酸エステルとα,β−エチレン性不飽和ニトリルとの共重合体である請求項1に記載のポリマーアロイ。
- 請求項1または2記載のポリマーアロイに架橋剤(D)を配合してなる架橋性ポリマーアロイ。
- 前記架橋剤(D)が多価アミン化合物又は多価ヒドラジド化合物である請求項3に記載の架橋性ポリマーアロイ。
- 請求項3または4に記載の架橋性ポリマーアロイを架橋してなる架橋物。
- 請求項5に記載の架橋物で構成される工業部品。
Priority Applications (1)
| Application Number | Priority Date | Filing Date | Title |
|---|---|---|---|
| JP2006085671A JP2007262136A (ja) | 2006-03-27 | 2006-03-27 | ポリマーアロイ、架橋物および工業部品 |
Applications Claiming Priority (1)
| Application Number | Priority Date | Filing Date | Title |
|---|---|---|---|
| JP2006085671A JP2007262136A (ja) | 2006-03-27 | 2006-03-27 | ポリマーアロイ、架橋物および工業部品 |
Publications (1)
| Publication Number | Publication Date |
|---|---|
| JP2007262136A true JP2007262136A (ja) | 2007-10-11 |
Family
ID=38635437
Family Applications (1)
| Application Number | Title | Priority Date | Filing Date |
|---|---|---|---|
| JP2006085671A Pending JP2007262136A (ja) | 2006-03-27 | 2006-03-27 | ポリマーアロイ、架橋物および工業部品 |
Country Status (1)
| Country | Link |
|---|---|
| JP (1) | JP2007262136A (ja) |
Cited By (3)
| Publication number | Priority date | Publication date | Assignee | Title |
|---|---|---|---|---|
| WO2013073660A1 (ja) * | 2011-11-18 | 2013-05-23 | 日本ゼオン株式会社 | ニトリルゴム組成物およびゴム架橋物 |
| WO2017065218A1 (ja) * | 2015-10-15 | 2017-04-20 | 日本ゼオン株式会社 | 架橋性ゴム組成物の製造方法 |
| WO2018168395A1 (ja) * | 2017-03-17 | 2018-09-20 | 日本ゼオン株式会社 | ニトリル基含有共重合体ゴム |
-
2006
- 2006-03-27 JP JP2006085671A patent/JP2007262136A/ja active Pending
Cited By (10)
| Publication number | Priority date | Publication date | Assignee | Title |
|---|---|---|---|---|
| WO2013073660A1 (ja) * | 2011-11-18 | 2013-05-23 | 日本ゼオン株式会社 | ニトリルゴム組成物およびゴム架橋物 |
| CN103946301A (zh) * | 2011-11-18 | 2014-07-23 | 日本瑞翁株式会社 | 丁腈橡胶组合物和橡胶交联物 |
| JPWO2013073660A1 (ja) * | 2011-11-18 | 2015-04-02 | 日本ゼオン株式会社 | ニトリルゴム組成物およびゴム架橋物 |
| US9163136B2 (en) | 2011-11-18 | 2015-10-20 | Zeon Corporation | Nitrile rubber composition and cross-linked rubber |
| CN103946301B (zh) * | 2011-11-18 | 2015-11-25 | 日本瑞翁株式会社 | 丁腈橡胶组合物和橡胶交联物 |
| WO2017065218A1 (ja) * | 2015-10-15 | 2017-04-20 | 日本ゼオン株式会社 | 架橋性ゴム組成物の製造方法 |
| JPWO2017065218A1 (ja) * | 2015-10-15 | 2018-08-02 | 日本ゼオン株式会社 | 架橋性ゴム組成物の製造方法 |
| WO2018168395A1 (ja) * | 2017-03-17 | 2018-09-20 | 日本ゼオン株式会社 | ニトリル基含有共重合体ゴム |
| JPWO2018168395A1 (ja) * | 2017-03-17 | 2020-01-16 | 日本ゼオン株式会社 | ニトリル基含有共重合体ゴム |
| JP7063320B2 (ja) | 2017-03-17 | 2022-05-09 | 日本ゼオン株式会社 | ニトリル基含有共重合体ゴム |
Similar Documents
| Publication | Publication Date | Title |
|---|---|---|
| JP5640748B2 (ja) | ニトリル基含有高飽和共重合体ゴム | |
| JP5888384B2 (ja) | 架橋性ゴム組成物およびゴム架橋物 | |
| JP5487541B2 (ja) | ニトリルゴム、ニトリルゴム組成物および架橋物 | |
| JP5429097B2 (ja) | ニトリル基含有高飽和共重合体ゴム | |
| JP6155913B2 (ja) | シール用高飽和ニトリルゴム組成物およびシール材 | |
| JP6601407B2 (ja) | 架橋性ニトリルゴム組成物およびゴム架橋物 | |
| WO2015080130A1 (ja) | ニトリル基含有高飽和共重合体ゴム組成物およびゴム架橋物 | |
| JPWO2005030859A1 (ja) | 架橋性ゴム組成物及び架橋物 | |
| JP2008222891A (ja) | 架橋性ニトリルゴム組成物及びゴム架橋物 | |
| JPWO2016148055A1 (ja) | ニトリルゴム組成物およびゴム架橋物 | |
| CN107001720A (zh) | 交联性腈橡胶组合物及橡胶交联物 | |
| JP6119234B2 (ja) | 高飽和ニトリルゴム組成物およびゴム架橋物 | |
| JP6614153B2 (ja) | 高飽和ニトリルゴム組成物およびゴム架橋物 | |
| CN108350186B (zh) | 交联性橡胶组合物的制造方法 | |
| JP7771948B2 (ja) | アクリルゴム、アクリルゴム含有組成物およびゴム架橋物 | |
| JP5163390B2 (ja) | アクリルゴム | |
| JP2015030760A (ja) | ロール用高飽和ニトリルゴム組成物およびロール | |
| WO2003046073A1 (en) | Rubber vulcanizate, process for its production, and polymer composition, rubber composition and vulcanizable rubber composition used in the process | |
| JP2007262136A (ja) | ポリマーアロイ、架橋物および工業部品 | |
| JP7136082B2 (ja) | ニトリル共重合ゴム組成物、架橋性ニトリル共重合ゴム組成物、及びニトリル共重合ゴム架橋物 | |
| JP2004059667A (ja) | カルボキシル基含有アクリル系ゴム組成物 | |
| JPH11343378A (ja) | 耐油性ホース用ゴム組成物及び耐油性ホース | |
| JPS6253352A (ja) | 新規なゴム組成物 | |
| JP5445002B2 (ja) | 架橋性ニトリルゴム組成物およびその製造方法 | |
| JP2006096862A (ja) | 架橋性ゴム組成物及び架橋物 |
