JP2005294847A - ライト及び直列ライト - Google Patents
ライト及び直列ライト Download PDFInfo
- Publication number
- JP2005294847A JP2005294847A JP2005106359A JP2005106359A JP2005294847A JP 2005294847 A JP2005294847 A JP 2005294847A JP 2005106359 A JP2005106359 A JP 2005106359A JP 2005106359 A JP2005106359 A JP 2005106359A JP 2005294847 A JP2005294847 A JP 2005294847A
- Authority
- JP
- Japan
- Prior art keywords
- light
- emitting diode
- varistor
- diode
- light emitting
- Prior art date
- Legal status (The legal status is an assumption and is not a legal conclusion. Google has not performed a legal analysis and makes no representation as to the accuracy of the status listed.)
- Pending
Links
- 230000004888 barrier function Effects 0.000 claims description 13
- 230000002457 bidirectional effect Effects 0.000 claims description 13
- 239000004020 conductor Substances 0.000 claims description 10
- 238000009941 weaving Methods 0.000 claims description 3
- 238000009434 installation Methods 0.000 abstract description 4
- 230000035939 shock Effects 0.000 abstract description 2
- 230000005611 electricity Effects 0.000 description 13
- 238000010586 diagram Methods 0.000 description 10
- 238000005034 decoration Methods 0.000 description 8
- 238000004519 manufacturing process Methods 0.000 description 4
- WFKWXMTUELFFGS-UHFFFAOYSA-N tungsten Chemical compound [W] WFKWXMTUELFFGS-UHFFFAOYSA-N 0.000 description 2
- 241001391944 Commicarpus scandens Species 0.000 description 1
- 230000004397 blinking Effects 0.000 description 1
- 238000005516 engineering process Methods 0.000 description 1
- 230000007613 environmental effect Effects 0.000 description 1
- 239000011521 glass Substances 0.000 description 1
- 230000020169 heat generation Effects 0.000 description 1
- 238000005286 illumination Methods 0.000 description 1
- 230000001939 inductive effect Effects 0.000 description 1
- 238000007689 inspection Methods 0.000 description 1
- 238000012423 maintenance Methods 0.000 description 1
- 238000000034 method Methods 0.000 description 1
- 230000001681 protective effect Effects 0.000 description 1
- 239000011347 resin Substances 0.000 description 1
- 229920005989 resin Polymers 0.000 description 1
- 230000003763 resistance to breakage Effects 0.000 description 1
- 238000007789 sealing Methods 0.000 description 1
Images
Classifications
-
- H—ELECTRICITY
- H05—ELECTRIC TECHNIQUES NOT OTHERWISE PROVIDED FOR
- H05B—ELECTRIC HEATING; ELECTRIC LIGHT SOURCES NOT OTHERWISE PROVIDED FOR; CIRCUIT ARRANGEMENTS FOR ELECTRIC LIGHT SOURCES, IN GENERAL
- H05B47/00—Circuit arrangements for operating light sources in general, i.e. where the type of light source is not relevant
- H05B47/20—Responsive to malfunctions or to light source life; for protection
- H05B47/23—Responsive to malfunctions or to light source life; for protection of two or more light sources connected in series
-
- H—ELECTRICITY
- H05—ELECTRIC TECHNIQUES NOT OTHERWISE PROVIDED FOR
- H05B—ELECTRIC HEATING; ELECTRIC LIGHT SOURCES NOT OTHERWISE PROVIDED FOR; CIRCUIT ARRANGEMENTS FOR ELECTRIC LIGHT SOURCES, IN GENERAL
- H05B45/00—Circuit arrangements for operating light-emitting diodes [LED]
- H05B45/50—Circuit arrangements for operating light-emitting diodes [LED] responsive to malfunctions or undesirable behaviour of LEDs; responsive to LED life; Protective circuits
- H05B45/54—Circuit arrangements for operating light-emitting diodes [LED] responsive to malfunctions or undesirable behaviour of LEDs; responsive to LED life; Protective circuits in a series array of LEDs
Landscapes
- Circuit Arrangement For Electric Light Sources In General (AREA)
- Illuminated Signs And Luminous Advertising (AREA)
- Led Device Packages (AREA)
- Led Devices (AREA)
- Non-Portable Lighting Devices Or Systems Thereof (AREA)
Abstract
【課題】 設置する時に極性を考慮する必要がなく、設置、交換が便利なライトを提供する。
【解決手段】 ライトは、発光ダイオードから構成されたライトであり、発光ダイオードの両端にはバリスタを設置する。これにより、発光ダイオードとバリスタから構成された装飾用ライトは交流電源に対して無極性ライトになり、交流電源内の一周期電圧内で常に半波発光する。この種の装飾用ライトを使用した直列ライトは、一本の電線上に繋いだ発光ダイオードが全て正負極性を考慮する必要がなく、仮に発光ダイオードが焼き切れても、この発光ダイオードに接続したバリスタは通電し続け、同一電線上のその他の発光ダイオードは通電発光する。発光ダイオードが点滅しても壊れにくく、使用寿命が長い。更に設置時に極性を考慮する必要がなく、設置、交換が便利である。更に装飾用ライトは分圧抵抗を具え、電圧又は電流の瞬間衝撃を受ける。
【選択図】 図1
【解決手段】 ライトは、発光ダイオードから構成されたライトであり、発光ダイオードの両端にはバリスタを設置する。これにより、発光ダイオードとバリスタから構成された装飾用ライトは交流電源に対して無極性ライトになり、交流電源内の一周期電圧内で常に半波発光する。この種の装飾用ライトを使用した直列ライトは、一本の電線上に繋いだ発光ダイオードが全て正負極性を考慮する必要がなく、仮に発光ダイオードが焼き切れても、この発光ダイオードに接続したバリスタは通電し続け、同一電線上のその他の発光ダイオードは通電発光する。発光ダイオードが点滅しても壊れにくく、使用寿命が長い。更に設置時に極性を考慮する必要がなく、設置、交換が便利である。更に装飾用ライトは分圧抵抗を具え、電圧又は電流の瞬間衝撃を受ける。
【選択図】 図1
Description
本発明は、照明技術、特にライト及び直列ライトに関するものである。
現在の白熱灯は、発光輝度が限られており、電圧も低く、一般に数ボルトの交流電圧である。その構造は、ガラス電球の中にタングステン線が設置され、白熱灯は消費電力が大きい上に、タングステン線は焼き切れやすい。特に電圧箇所が通電、切断の状態であったり、明りの箇所が点滅状態である場合、更に焼き切れやすくなる。ライトを繋いで直列ライトにした時、そのうちのライトの一つ、もしくは幾つかのライトが壊れた場合、その直列ライトの回路は温度が上昇し、電球は更に明るくなり、電線が熱くなって火事の危険がある。発光ダイオードは低圧駆動、省電力、壊れにくい等の特性を具えることから、発光ダイオードの照明器具は抗振動、省電力、発熱しない、環境に優しい等の長所を具え、現在、発光ダイオードは白熱灯に取って代わりつつある。発光ダイオードは単方向誘導性を具え、交流電気の正半周に発光ダイオードの正負極が加わると、発光ダイオードは通電して発光する。また、交流電気の逆半周に発光ダイオードの正負極が加わると、発光ダイオードが消える。これによって交流電源は一周期内で常にハーフ周波発光する。一般交流電気の周波数は50Hzから60Hzである。このように発光ダイオードが消える時間は僅か0.01秒で人の目では発光ダイオードはずっと発光しているように見える。しかし、発光ダイオードの単方向誘導性は直列全ての発光ダイオードが同方向で電源の電線上に繋がり、ようやく電線全てに通電し、発光ダイオードが発光する。もし反対接続もしくは損傷した場合、その電線のライトは全て発光しない。直列ライトの電線は、交織結合構造で、製造もしくはメンテナンスの時、ライトを一本の線上に前後が隣り合うライトが交織されるが、この時、どれが前でどれが後かを判別しにくい。発光ダイオードを電線上に繋げるには、交織されて一緒になっている電線を分け、前後を正確に繋げなければならない。これは電線の交織構造に影響を与えるだけでなく、作業量が大きくなり、操作が不便である。
本発明の解決しようとする問題点は、製造、設置の時に方向性を考慮しなければならないため、作業効率が上がらない上、作業強度が高い点である。
本発明は、発光ダイオードから構成されたライト及び直列ライトで、発光ダイオードの両端にはバリスタを設置する。これによって、発光ダイオードとバリスタから構成された装飾用ライトは交流電源に対して無極性ライトになり、交流電源内の一周期電圧内で、常に半波発光する。この種の装飾用ライトを使用した直列ライトは、一本の電線上に繋いだ発光ダイオードが全て正負極性を考慮する必要がなく、且つ仮に発光ダイオードが焼き切れても、この発光ダイオードに接続したバリスタは通電し続け、同一電線上のその他の発光ダイオードは通電発光する。発光ダイオードが点滅しても壊れにくく、使用寿命が長い。更に設置する時に極性を考慮する必要がなく、設置、交換が便利である。更に装飾用ライトには分圧抵抗を具え、電圧もしくは電流の瞬間衝撃を受けることを最も主要な特徴とする。
本発明のライト及び直列ライトは、使用寿命が長く、交流電気の時、電源の方向性を考慮する必要がなく、電源の正半周もしくは負半周に関わらず、電流が通過するという利点がある。
更に、使用寿命が長く、交流電気の時、ライトの方向一致を考慮する必要がなく、交流電気の正半周もしくは負半周に関わりなく、各ライトは電流が通過し、設置、メンテナンスが容易であるという利点がある。
更に、使用寿命が長く、交流電気の時、ライトの方向一致を考慮する必要がなく、交流電気の正半周もしくは負半周に関わりなく、各ライトは電流が通過し、設置、メンテナンスが容易であるという利点がある。
本発明のライトは、照明灯、探査灯、またはクリスマスライト等の装飾用ライトに応用可能である。本発明の実施例では、装飾用ライトを例とする。図1に示すとおり、発光ダイオード1の両端にはバリスタ2が接続される。
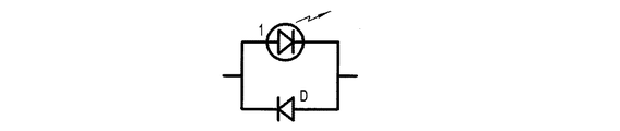
図2に示すバリスタ2は、発光ダイオード1と反方向で接続した整流ダイオードDである。装飾用ライトを交流電源上に接続し、交流電源の正半周に発光ダイオード1の正負極を加えた場合、発光ダイオード1は通電して発光し、整流ダイオードDで止まる。交流電源の負半周に発光ダイオード1の正負極を加えた場合、発光ダイオード1は光が消え、整流ダイオードDに通電する。電流は装飾用ライトを通過することが出来るので、この装飾用ライトに加わった電圧はハーフ周波で発光ダイオード1に通電して発光する。また、ハーフ周波が整流ダイオードDを通過して通電し、一つの交流電気で発光ダイオード1と整流ダイオードDが組み合わさった装飾用ライトに常に電流が通過する。
図3に示すバリスタ2は、発光ダイオード1と反方向で接続した定電圧ダイオードDWである。装飾用ライトを交流電源上に接続し、交流電源の正半周に発光ダイオード1の正負極を加えた場合、発光ダイオード1は通電して発光し、定電圧ダイオードDWで止まる。交流電源の負半周に発光ダイオード1の正負極を加えた場合、発光ダイオード1は光が消え、定電圧ダイオードDWに通電する。電流は装飾用ライトを通過することが出来るので、この装飾用ライトに加わった電圧はハーフ周波で発光ダイオード1に通電して発光する。また、ハーフ周波が定電圧ダイオードDWを通過して通電し、一つの交流電気で発光ダイオード1と定電圧ダイオードDWが組み合わさった装飾用ライトに常に電流が通過する。
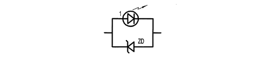
図4に示すバリスタ2は、発光ダイオード1と反方向で接続したツェナダイオードZDである。装飾用ライトを交流電源上に接続し、交流電源の正半周に発光ダイオード1の正負極を加えた場合、発光ダイオード1は通電して発光し、ツェナダイオードZDで止まる。交流電源の負半周に発光ダイオード1の正負極を加えた場合、発光ダイオード1は光が消え、ツェナダイオードZDに通電する。電流は装飾用ライトを通過することが出来るので、この装飾用ライトに加わった電圧はハーフ周波で発光ダイオード1に通電して発光する。また、ハーフ周波がツェナダイオードZDを通過して通電し、一つの交流電気で発光ダイオード1とツェナダイオードZDが組み合わさった装飾用ライトに常に電流が通過する。
図5に示すバリスタ2は、発光ダイオード1の両端に接続する双方向定電圧ダイオードDW2である。装飾用ライトを交流電気に接続し、交流電源の正半周に発光ダイオード1の正負極を加えた場合、発光ダイオード1は通電して発光する。交流電源の負半周に発光ダイオード1の正負極を加えた場合、発光ダイオード1は光が消え、双方向定電圧ダイオードDW2を突き抜け、電流は双方向定電圧ダイオードDW2を通過する。この装飾用ライトに加わった電圧はハーフ周波で発光ダイオード1に通電して発光する。また、ハーフ周波が双方向定電圧ダイオードDW2を通過して通電し、一つの交流電気で発光ダイオード1と双方向定電圧ダイオードDW2が組み合わさった装飾用ライトが常に通電する。
図6に示すバリスタ2は、発光ダイオード1の両端に接続するショットキ・バリア・ダイオードSPDとする。装飾用ライトを交流電気に接続し、交流電源の正半周に発光ダイオード1の正負極を加えた場合、発光ダイオード1は通電して発光する。交流電源の負半周に発光ダイオード1の正負極を加えた場合、発光ダイオード1は光が消え、ショットキ・バリア・ダイオードSPDを突き抜け、電流はショットキ・バリア・ダイオードSPDを通過する。この装飾用ライトに加わった電圧はハーフ周波で発光ダイオード1に通電して発光する。また、ハーフ周波がショットキ・バリア・ダイオードSPDを通過して通電し、一つの交流電気で発光ダイオード1とショットキ・バリア・ダイオードSPDが組み合わさった装飾用ライトが常に通電する。
本発明の実施例によるライトは、図7に示すとおり、バリスタ2が発光ダイオード1の樹脂密封外体3の二本の内管脚4に接続される。
本発明の実施例によるライトの別種構造は図8に示すとおり、バリスタ2が発光ダイオード1の二本の外導線4´に接続される。
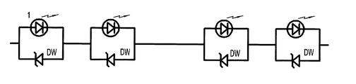
本発明の実施例による直列ライトは、装飾用ライトを例とする。図9に示すとおり、発光ダイオード1、バリスタ2、交織主電線5、交織支電線6、ライト台7、導電片8から構成される。装飾用ライトは、交流電圧の120Vの電源に接続し、60個のライト台7を繋ぐ。交織主電線5は、交織して一緒になったアース線と活線で、アース線は外向きに60本の交織支電線6が伸びる。更に交織支電線6上には分断開口が設置され、各交織支電線6は各々のライト台7に連接する。ライト台7内には二個の交織支電線6を分ける箇所と連接する導電片8が設置され、発光ダイオード1の樹脂密封外体3内の内管脚4にはバリスタ2が設置され、発光ダイオード1の二個の外導線4´は各々ライト台7内の二個の導電片8に各々挿し込まれる。この種の構造に依る装飾用直列ライトの回路は図11から図14に示すとおり、バリスタが半方向で発光ダイオード1両端に接続した整流ダイオードDもしくは定電圧ダイオードDWもしくはツェナダイオードZDであるか、またはバリスタ2が発光ダイオード1両端に接続した双方向定電圧ダイオードDW2もしくはショットキ・バリア・ダイオードSPDである。バリスタ2が発光ダイオード1の樹脂密封外体3内に設置され、発光ダイオード1とバリスタ2が組み合わさった各装飾用ライトは交流電源で無極性ライトに相当するため、連接された発光ダイオード1の極性が一致するか否かに関わらず、装飾用ライトに通電し、製造時には設置する極性を考慮する必要がなく、作業効率が上がり、労働強度が下がる。また検査時、仮に発光ダイオード1の何個かが壊れていた場合、使用者が自分で交換でき、光らなくなった発光ダイオード1を抜き、新しい発光ダイオード1を差し込めばよいだけである。発光ダイオード1内に予めバリスタ2が接続し、発光ダイオード1を接続する時、新しく差し込む発光ダイオード1両端の電圧瞬間は高くなく、発光ダイオード1は焼き切れしにくい。公知の技術である発光ダイオード1が連接された連なりは、もしもそのうちの一個が壊れた場合、壊れた発光ダイオード1を抜いた後、両端の電圧は120もしくは220Vで、新しく交換した発光ダイオード1を接続した後、壊れやすかったり、焼き切れやすかったりして、使用寿命が短かった。しかし、本発明の実施例では、バリスタ2が120もしくは20Vの電源内で良好な保護作用をするため、発光ダイオード1は壊れたり、焼ききれたりしにくく、発光ダイオード1の使用寿命を延ばす。
本発明の実施例による装飾用直列ライトの別種構造は、図10に示すもので、発光ダイオード1、バリスタ2、交織主電線5、交織支電線6、ライト台7、そして導電片8から構成される。交織主電線5は交織で一つになったアース線と活線で、アース線は装飾用ライトの個数に基づいて外に伸びる交織支電線6となる。更に交織支電線6上には分断開口が設置され、各交織支電線6は各々ライト台7と連接し、ライト台7内には二個の交織支電線6の分断開口点二箇所と連接する導電片8が設置される。バリスタ2にこの導電片8上に設置され、発光ダイオード1の外導線4´二本は各々ライト台7内の導電片8二個に差し込む。この種の構造の装飾用ライトは回路原理が図11から12に示す。バリスタ2は発光ダイオード1両端の双方向定電圧ダイオードDW2、もしくはショットキ・バリア・ダイオードSPDに接続される。このように発光ダイオード1と双方向定電圧ダイオードDW2、もしくはショットキ・バリア・ダイオードSPDが組み合わさった各装飾用ライトは交流電源に対して発光ダイオード1の方向性の影響を受けず、無極性ライトに相当する。そのため、直列の発光ダイオード1の極性が一致するか否かに関わらず、装飾用ライトは通電する。生産時にも同様に極性を考慮することなく設置できるので、作業効率が上がり、作業強度は下がる。更に発光ダイオード1を交換する場合、予め設置下双方向定電圧ダイオードDW2、もしくはショットキ・バリア・ダイオードSPDによって、発光ダイオード1を差し込むとき、新しく差し込む発光ダイオード1両端の電圧瞬間は高くならず、発光ダイオード1が傷ついたり、焼き切れたりしにくく、発光ダイオード1の使用寿命が延びる。
1 発光ダイオード、2 バリスタ、3 樹脂密封外体、4 内管脚、4´ 外導線、 5 交織主電線、6 交織支電線、7 ライト台、D 整流ダイオード、DW 定電圧ダイオード、ZD ツェナダイオード、DW2 双方向定電圧ダイオード、SPD ショットキ・バリア・ダイオード
Claims (11)
- 発光ダイオードに設置され、その発光ダイオードの両端にバリスタが設置されることを特徴とするライト。
- 前記バリスタは、発光ダイオードと反方向で設置される整流ダイオードであることを特徴とする請求項1記載のライト。
- 前記バリスタは、発光ダイオードと反方向で設置される定電圧ダイオードであることを特徴とする請求項1記載のライト。
- 前記バリスタは、発光ダイオードと反方向で設置されるツェナダイオードであることを特徴とする請求項1記載のライト。
- 前記バリスタは、二個の反方向に接続された定電圧ダイオード、もしくは双方向ダイオードであることを特徴とする請求項1記載のライト。
- 前記バリスタは、ショットキ・バリア・ダイオードであることを特徴とする請求項1記載のライト及び直列ライト。
- 前記バリスタは、発光ダイオードの樹脂密封外体内の二個の内管脚に接続されることを特徴とする請求項1から6記載のライト。
- 前記バリスタは、発光ダイオードの二個のチップに接続されることを特徴とする請求項1から6記載のライト。
- 前記バリスタは、発光ダイオードの樹脂密封外体の二本の外導線に接続されることを特徴とする請求項1から6記載のライト。
- 請求項2から6記載のバリスタを有する直列ライトであって、
発光ダイオードと交織して一つになった交織主電線を含み、そのうち一本の交織主電線上には、分断した交織支電線が設置され、その交織支電線上にライト台が接続され、発光ダイオードの樹脂密封外体内の二個の内管脚には、前記バリスタが接続され、更にライト台内には交織支電線の分断点には二個の導電体を各々接続し、発光ダイオードの二本の外導線にはライト台内の二個の導電体を各々対応して差し込むことを特徴とする直列ライト。 - 請求項5または6記載のバリスタを有する直列ライトであって、
発光ダイオードと交織して一つになった交織主電線を含み、そのうち一本の交織主電線上には、分断して開いた交織支電線が設置され、交織支電線上にライト台が設置され、ライト台内には、交織支電線の二つの分断点と電気連接された二個の導電体が設置され、前記バリスタが前記ライト台内に設置され、このバリスタの両端は交織支電線の二箇所の分断点と各々電気連接され、発光ダイオードの二本の外導電はライト台内の二個の導電体に差し込まれることを特徴とする直列ライト。
Applications Claiming Priority (1)
| Application Number | Priority Date | Filing Date | Title |
|---|---|---|---|
| CNU2004200443054U CN2694702Y (zh) | 2004-04-02 | 2004-04-02 | 饰灯及饰灯灯串 |
Publications (1)
| Publication Number | Publication Date |
|---|---|
| JP2005294847A true JP2005294847A (ja) | 2005-10-20 |
Family
ID=34775197
Family Applications (1)
| Application Number | Title | Priority Date | Filing Date |
|---|---|---|---|
| JP2005106359A Pending JP2005294847A (ja) | 2004-04-02 | 2005-04-01 | ライト及び直列ライト |
Country Status (5)
| Country | Link |
|---|---|
| US (1) | US20080130283A1 (ja) |
| EP (1) | EP1605731A3 (ja) |
| JP (1) | JP2005294847A (ja) |
| CN (1) | CN2694702Y (ja) |
| CA (1) | CA2503416A1 (ja) |
Cited By (2)
| Publication number | Priority date | Publication date | Assignee | Title |
|---|---|---|---|---|
| KR100757827B1 (ko) | 2006-09-29 | 2007-09-11 | 서울반도체 주식회사 | 발광 소자 |
| JP2012109202A (ja) * | 2010-11-15 | 2012-06-07 | Huh Sea-Kyoung | 発光ダイオードランプ |
Families Citing this family (25)
| Publication number | Priority date | Publication date | Assignee | Title |
|---|---|---|---|---|
| US20100109538A1 (en) * | 2005-02-23 | 2010-05-06 | Mei-Ling Peng | Continuous current control circuit modules of series string bulbs type |
| US7535180B2 (en) * | 2005-04-04 | 2009-05-19 | Cree, Inc. | Semiconductor light emitting circuits including light emitting diodes and four layer semiconductor shunt devices |
| US20070018594A1 (en) * | 2005-06-08 | 2007-01-25 | Jlj. Inc. | Holiday light string devices |
| US7520771B2 (en) * | 2005-07-13 | 2009-04-21 | Lumination Llc | LED string light engine and devices that are illuminated by the string light engine |
| CN201007448Y (zh) * | 2007-02-12 | 2008-01-16 | 邵炽良 | 单灯控制式led灯串 |
| US20090278463A1 (en) * | 2008-05-06 | 2009-11-12 | Tai-Ning Tang | Power interruption protection structure for led string light |
| US20100148694A1 (en) * | 2008-12-15 | 2010-06-17 | Chu-Cheng Chang | LED light string with capacitor based rectifier filter for increasing output voltage |
| US8044599B2 (en) * | 2009-02-17 | 2011-10-25 | Chu-Cheng Chang | Light string with alternate LED lamps and incandescent lamps |
| CN101493197B (zh) * | 2009-03-06 | 2013-09-04 | 北京中庆微数字设备开发有限公司 | 一种软管灯 |
| US8007129B2 (en) * | 2009-05-22 | 2011-08-30 | Chen-Sheng Yang | LED-based christmas light string assembly with parallel-wired lighting units |
| US9713211B2 (en) | 2009-09-24 | 2017-07-18 | Cree, Inc. | Solid state lighting apparatus with controllable bypass circuits and methods of operation thereof |
| US8901845B2 (en) | 2009-09-24 | 2014-12-02 | Cree, Inc. | Temperature responsive control for lighting apparatus including light emitting devices providing different chromaticities and related methods |
| US10264637B2 (en) | 2009-09-24 | 2019-04-16 | Cree, Inc. | Solid state lighting apparatus with compensation bypass circuits and methods of operation thereof |
| US8476836B2 (en) | 2010-05-07 | 2013-07-02 | Cree, Inc. | AC driven solid state lighting apparatus with LED string including switched segments |
| JP5740115B2 (ja) * | 2010-08-24 | 2015-06-24 | 楊 泰和 | Led回路 |
| US8569974B2 (en) | 2010-11-01 | 2013-10-29 | Cree, Inc. | Systems and methods for controlling solid state lighting devices and lighting apparatus incorporating such systems and/or methods |
| US9839083B2 (en) | 2011-06-03 | 2017-12-05 | Cree, Inc. | Solid state lighting apparatus and circuits including LED segments configured for targeted spectral power distribution and methods of operating the same |
| US8742671B2 (en) | 2011-07-28 | 2014-06-03 | Cree, Inc. | Solid state lighting apparatus and methods using integrated driver circuitry |
| US8847516B2 (en) | 2011-12-12 | 2014-09-30 | Cree, Inc. | Lighting devices including current shunting responsive to LED nodes and related methods |
| US8823285B2 (en) | 2011-12-12 | 2014-09-02 | Cree, Inc. | Lighting devices including boost converters to control chromaticity and/or brightness and related methods |
| CN102588788A (zh) * | 2012-02-16 | 2012-07-18 | 南通恺誉照明科技有限公司 | 一种市电led模组 |
| US9980356B2 (en) * | 2013-01-04 | 2018-05-22 | Cree, Inc. | Lighting fixture with integral circuit protection |
| CN103456729B (zh) * | 2013-07-26 | 2016-09-21 | 利亚德光电股份有限公司 | 发光二极管显示屏 |
| CN106740440B (zh) * | 2017-01-13 | 2023-10-17 | 华域视觉科技(上海)有限公司 | 汽车信号灯开关电路 |
| IT201800010788A1 (it) * | 2018-12-04 | 2020-06-04 | Fenix S R L | Lampada e luminaria |
Citations (12)
| Publication number | Priority date | Publication date | Assignee | Title |
|---|---|---|---|---|
| JPS5684368U (ja) * | 1979-11-29 | 1981-07-07 | ||
| JPS60183459U (ja) * | 1984-05-16 | 1985-12-05 | 日本電気株式会社 | 発光ダイオ−ド |
| JPS62112165U (ja) * | 1986-01-07 | 1987-07-17 | ||
| JPS62178551U (ja) * | 1986-04-30 | 1987-11-12 | ||
| JPH01157384U (ja) * | 1988-04-20 | 1989-10-30 | ||
| JPH0368736A (ja) * | 1989-08-08 | 1991-03-25 | Nippon Steel Corp | 熱間加工性及び磁気特性に優れたNi,Mo低減型Fe―Ni系磁性合金 |
| JPH0371016A (ja) * | 1989-08-10 | 1991-03-26 | Mitsubishi Kasei Corp | 信号校正装置 |
| JPH1116683A (ja) * | 1997-06-23 | 1999-01-22 | Masanori Minato | 発光表示装置 |
| JPH1154803A (ja) * | 1997-07-30 | 1999-02-26 | Rohm Co Ltd | 半導体発光素子 |
| JP2000216442A (ja) * | 1999-01-22 | 2000-08-04 | Sanken Electric Co Ltd | 半導体発光装置 |
| JP2001015815A (ja) * | 1999-04-28 | 2001-01-19 | Sanken Electric Co Ltd | 半導体発光装置 |
| JP2001036140A (ja) * | 1999-07-16 | 2001-02-09 | Stanley Electric Co Ltd | 静電対策表面実装型led |
Family Cites Families (5)
| Publication number | Priority date | Publication date | Assignee | Title |
|---|---|---|---|---|
| US2072337A (en) * | 1936-05-05 | 1937-03-02 | Nofade Electric Corp | Safety lighting circuit |
| US20020047594A1 (en) * | 1995-06-26 | 2002-04-25 | Janning John L. | Series connected light string with filament shunting |
| US6283797B1 (en) * | 1999-07-30 | 2001-09-04 | Jeng-Shyong Wu | Structure of a lamp base |
| US6650064B2 (en) * | 2000-09-29 | 2003-11-18 | Aerospace Optics, Inc. | Fault tolerant led display design |
| US20020043943A1 (en) * | 2000-10-10 | 2002-04-18 | Menzer Randy L. | LED array primary display light sources employing dynamically switchable bypass circuitry |
-
2004
- 2004-04-02 CN CNU2004200443054U patent/CN2694702Y/zh not_active Expired - Fee Related
-
2005
- 2005-04-01 CA CA002503416A patent/CA2503416A1/en not_active Abandoned
- 2005-04-01 EP EP05007145A patent/EP1605731A3/en not_active Withdrawn
- 2005-04-01 US US11/096,570 patent/US20080130283A1/en not_active Abandoned
- 2005-04-01 JP JP2005106359A patent/JP2005294847A/ja active Pending
Patent Citations (12)
| Publication number | Priority date | Publication date | Assignee | Title |
|---|---|---|---|---|
| JPS5684368U (ja) * | 1979-11-29 | 1981-07-07 | ||
| JPS60183459U (ja) * | 1984-05-16 | 1985-12-05 | 日本電気株式会社 | 発光ダイオ−ド |
| JPS62112165U (ja) * | 1986-01-07 | 1987-07-17 | ||
| JPS62178551U (ja) * | 1986-04-30 | 1987-11-12 | ||
| JPH01157384U (ja) * | 1988-04-20 | 1989-10-30 | ||
| JPH0368736A (ja) * | 1989-08-08 | 1991-03-25 | Nippon Steel Corp | 熱間加工性及び磁気特性に優れたNi,Mo低減型Fe―Ni系磁性合金 |
| JPH0371016A (ja) * | 1989-08-10 | 1991-03-26 | Mitsubishi Kasei Corp | 信号校正装置 |
| JPH1116683A (ja) * | 1997-06-23 | 1999-01-22 | Masanori Minato | 発光表示装置 |
| JPH1154803A (ja) * | 1997-07-30 | 1999-02-26 | Rohm Co Ltd | 半導体発光素子 |
| JP2000216442A (ja) * | 1999-01-22 | 2000-08-04 | Sanken Electric Co Ltd | 半導体発光装置 |
| JP2001015815A (ja) * | 1999-04-28 | 2001-01-19 | Sanken Electric Co Ltd | 半導体発光装置 |
| JP2001036140A (ja) * | 1999-07-16 | 2001-02-09 | Stanley Electric Co Ltd | 静電対策表面実装型led |
Cited By (3)
| Publication number | Priority date | Publication date | Assignee | Title |
|---|---|---|---|---|
| KR100757827B1 (ko) | 2006-09-29 | 2007-09-11 | 서울반도체 주식회사 | 발광 소자 |
| JP2012109202A (ja) * | 2010-11-15 | 2012-06-07 | Huh Sea-Kyoung | 発光ダイオードランプ |
| US8659241B2 (en) | 2010-11-15 | 2014-02-25 | Sea-Kyoung HUH | LED lamp |
Also Published As
| Publication number | Publication date |
|---|---|
| CA2503416A1 (en) | 2005-10-02 |
| EP1605731A2 (en) | 2005-12-14 |
| CN2694702Y (zh) | 2005-04-20 |
| EP1605731A3 (en) | 2009-08-19 |
| US20080130283A1 (en) | 2008-06-05 |
Similar Documents
| Publication | Publication Date | Title |
|---|---|---|
| JP2005294847A (ja) | ライト及び直列ライト | |
| US11950332B2 (en) | Resistive bypass for series lighting circuit | |
| CN100472118C (zh) | 发光二极管装饰灯串 | |
| US11716080B2 (en) | Smart switch apparatus | |
| US20230098381A1 (en) | Lighting apparatus | |
| US11085622B1 (en) | Lighting apparatus | |
| US11859785B2 (en) | Lighting apparatus | |
| US11262057B2 (en) | Lighting apparatus | |
| JP3167851U (ja) | 直管蛍光灯型led照明器 | |
| US11828423B2 (en) | Light bulb apparatus | |
| US11193661B2 (en) | Lighting apparatus | |
| US11168870B2 (en) | Lighting apparatus | |
| US11441763B2 (en) | Lighting apparatus | |
| KR20060045453A (ko) | 전구 및 트리 전구 | |
| CN105042445A (zh) | 一种用于电力系统的照明设备 | |
| CN1838847A (zh) | 灯及灯串 | |
| US11415306B2 (en) | Panel light apparatus | |
| US11719426B2 (en) | Lighting apparatus | |
| US11632839B2 (en) | Lighting apparatus | |
| US11428387B2 (en) | Lighting apparatus | |
| US20220099259A1 (en) | Downlight apparatus | |
| CN2786416Y (zh) | 超亮度便携式探照灯 |
Legal Events
| Date | Code | Title | Description |
|---|---|---|---|
| A621 | Written request for application examination |
Free format text: JAPANESE INTERMEDIATE CODE: A621 Effective date: 20080331 |
|
| A977 | Report on retrieval |
Free format text: JAPANESE INTERMEDIATE CODE: A971007 Effective date: 20110125 |
|
| A131 | Notification of reasons for refusal |
Free format text: JAPANESE INTERMEDIATE CODE: A131 Effective date: 20110310 |
|
| A02 | Decision of refusal |
Free format text: JAPANESE INTERMEDIATE CODE: A02 Effective date: 20110802 |