JP2004205193A - ヒートポンプ - Google Patents
ヒートポンプ Download PDFInfo
- Publication number
- JP2004205193A JP2004205193A JP2003073447A JP2003073447A JP2004205193A JP 2004205193 A JP2004205193 A JP 2004205193A JP 2003073447 A JP2003073447 A JP 2003073447A JP 2003073447 A JP2003073447 A JP 2003073447A JP 2004205193 A JP2004205193 A JP 2004205193A
- Authority
- JP
- Japan
- Prior art keywords
- primary
- circulation system
- heat exchange
- pressure
- heat
- Prior art date
- Legal status (The legal status is an assumption and is not a legal conclusion. Google has not performed a legal analysis and makes no representation as to the accuracy of the status listed.)
- Granted
Links
- 238000001816 cooling Methods 0.000 claims description 62
- 239000003507 refrigerant Substances 0.000 claims description 39
- 238000010438 heat treatment Methods 0.000 claims description 35
- 238000005057 refrigeration Methods 0.000 claims description 29
- 239000007788 liquid Substances 0.000 claims description 12
- 238000004378 air conditioning Methods 0.000 claims description 7
- XLYOFNOQVPJJNP-UHFFFAOYSA-N water Substances O XLYOFNOQVPJJNP-UHFFFAOYSA-N 0.000 claims description 6
- 150000001875 compounds Chemical class 0.000 abstract 1
- 230000006835 compression Effects 0.000 description 35
- 238000007906 compression Methods 0.000 description 35
- 238000005192 partition Methods 0.000 description 10
- 238000010586 diagram Methods 0.000 description 9
- 238000007710 freezing Methods 0.000 description 9
- 230000008014 freezing Effects 0.000 description 9
- 230000007423 decrease Effects 0.000 description 8
- CURLTUGMZLYLDI-UHFFFAOYSA-N Carbon dioxide Chemical compound O=C=O CURLTUGMZLYLDI-UHFFFAOYSA-N 0.000 description 6
- 239000007791 liquid phase Substances 0.000 description 6
- 229910002092 carbon dioxide Inorganic materials 0.000 description 3
- 239000001569 carbon dioxide Substances 0.000 description 3
- 239000002131 composite material Substances 0.000 description 3
- 238000000034 method Methods 0.000 description 3
- 238000005265 energy consumption Methods 0.000 description 2
- 235000013305 food Nutrition 0.000 description 2
- CBENFWSGALASAD-UHFFFAOYSA-N Ozone Chemical compound [O-][O+]=O CBENFWSGALASAD-UHFFFAOYSA-N 0.000 description 1
- 238000007796 conventional method Methods 0.000 description 1
- 239000002826 coolant Substances 0.000 description 1
- 230000000694 effects Effects 0.000 description 1
- 230000007613 environmental effect Effects 0.000 description 1
- 235000013611 frozen food Nutrition 0.000 description 1
- 238000012423 maintenance Methods 0.000 description 1
- 239000008267 milk Substances 0.000 description 1
- 210000004080 milk Anatomy 0.000 description 1
- 235000013336 milk Nutrition 0.000 description 1
- 231100000956 nontoxicity Toxicity 0.000 description 1
- 238000005086 pumping Methods 0.000 description 1
- 238000011084 recovery Methods 0.000 description 1
- 238000010992 reflux Methods 0.000 description 1
- 230000011218 segmentation Effects 0.000 description 1
- 230000032258 transport Effects 0.000 description 1
- 238000009834 vaporization Methods 0.000 description 1
- 230000008016 vaporization Effects 0.000 description 1
- 238000010792 warming Methods 0.000 description 1
Images
Classifications
-
- F—MECHANICAL ENGINEERING; LIGHTING; HEATING; WEAPONS; BLASTING
- F25—REFRIGERATION OR COOLING; COMBINED HEATING AND REFRIGERATION SYSTEMS; HEAT PUMP SYSTEMS; MANUFACTURE OR STORAGE OF ICE; LIQUEFACTION SOLIDIFICATION OF GASES
- F25B—REFRIGERATION MACHINES, PLANTS OR SYSTEMS; COMBINED HEATING AND REFRIGERATION SYSTEMS; HEAT PUMP SYSTEMS
- F25B2400/00—General features or devices for refrigeration machines, plants or systems, combined heating and refrigeration systems or heat-pump systems, i.e. not limited to a particular subgroup of F25B
- F25B2400/22—Refrigeration systems for supermarkets
Landscapes
- Air Filters, Heat-Exchange Apparatuses, And Housings Of Air-Conditioning Units (AREA)
Abstract
【解決手段】一次循環系3と、二次循環系2とから構成されている。一次循環系3と二次循環系2は熱交換部分1で熱的に交叉する。一次循環系3は、第1一次循環系3−1と、第2一次循環系3−2とから形成される。第2一次循環系3−2は第1一次循環系3−1に対して並列関係を有する。二次循環系2は二次側圧力−エンタルピー関係を有し、第1一次循環系は一次側第1圧力−エンタルピー関係を有し、第2一次循環系は一次側第2圧力−エンタルピー関係を有し、第1一次循環系が吸収する熱エネルギーと第2一次循環系が吸収する熱エネルギーとは、熱交換部分で二次循環系に汲み取られる。このようなヒートポンプ作用は、第1一次循環系3−1と第2一次循環系との熱的状態にそれぞれに対応してダイナミックに制御され得る。複雑系を構成する2系統の一次系が吸収する熱エネルギーを複合的に二次循環系に汲み上げて、回収熱量の最大値化と回収効率の最大値化を実現することができる。
【選択図】 図1
Description
【発明の属する技術分野】
本発明は、ヒートポンプに関し、特に、コンビニエンスストア、スーパーマーケット、食品工場のような複合熱制御空間で冷凍、冷蔵、空調が同時的に実行されるヒートポンプに関する。
【0002】
【従来の技術】
冷房、暖房、冷凍のような温度制御のために、熱交換器が用いられる。熱交換器に用いられる冷媒が単一種類であれば、安全性と環境性の両性質を同時に充足することができないことがある。そのような両性質を同時に充足する技術が、後掲特許文献1で知られている。そのような公知の技術は、2様の冷媒を用いることによりその技術課題を解決している。後掲特許文献2は、カスケード接続の技術を更に利用している。
【0003】
コンビニエンスストア、スーパーマーケット、食品工場のような複合熱制御空間では、冷凍と冷蔵と冷房の3様の熱制御のうち少なくとも2つが実行される。このような熱制御空間では、既述の両性質の充足の他に電力削減が求められる。
【0004】
複合熱制御の電力の削減が求められる。
【0005】
【特許文献1】
特開平10−306952号公報
【特許文献2】
特開2001−91074号公報
【0006】
【発明が解決しようとする課題】
本発明の課題は複合熱制御の電力を削減するヒートポンプを提供することにある。
【0007】
【課題を解決するための手段】
その課題を解決するための手段が、下記のように表現される。その表現中に現れる技術的事項には、括弧()つきで、番号、記号等が添記されている。その番号、記号等は、本発明の実施の複数の形態又は複数の実施例のうちの少なくとも1つの実施の形態又は複数の実施例を構成する技術的事項、特に、その実施の形態又は実施例に対応する図面に表現されている技術的事項に付せられている参照番号、参照記号等に一致している。このような参照番号、参照記号は、請求項記載の技術的事項と実施の形態又は実施例の技術的事項との対応・橋渡しを明確にしている。このような対応・橋渡しは、請求項記載の技術的事項が実施の形態又は実施例の技術的事項に限定されて解釈されることを意味しない。
【0008】
本発明によるヒートポンプは、一次循環系(3)と、二次循環系(2)とから構成されている。一次循環系(3)は、一次側熱交換部分(4)と、一次側熱交換部分(4)の中の圧力を制御することにより一次側熱交換部分(4)の温度を制御する一次側圧力調整部分とから形成されている。二次循環系(2)は、二次側熱交換部分(5)と、二次側熱交換部分(5)の中の圧力を制御することにより二次側熱交換部分(5)の温度を制御する二次側圧力調整部分(18)とから形成されている。一次側熱交換部分(4)は一次循環系(3)が外界から汲み取るエネルギーを二次側熱交換部分(5)を介して二次循環系(2)に与えている。一次側循環系(3)は、第1一次循環系(3−1)と、第2一次循環系(3−2)とから構成されている。第1一次循環系(3−1)と第2一次循環系(3−2)とは、二次循環系(2)に対して並列関係を有している。二次循環系(2)は、二次側圧力−エンタルピー関係を有している。第1一次循環系(3−1)は一次側第1圧力−エンタルピー関係を有し、第2一次循環系(3−2)は一次側第2圧力−エンタルピー関係を有している。一次側熱交換部分(4)の第1温度T1は二次側熱交換部分(5)の第2温度T2より高い。このようなヒートポンプでは、既述のエネルギーは温度差(T1−T2)に対応している。
【0009】
一次側が2系統の並列循環系を構成する複雑系では、2系統の一次系が吸収する熱エネルギーが複合的に二次循環系に汲み上げられ、回収熱量の最大値化と回収効率の最大値化を実現することができる。
【0010】
2つの一次循環系(3−1,2)は二次循環系(2)に並列に接続し、2つの一次循環系(3−1,2)は共通の一次側熱交換部分(4)で二次循環系(2)の二次側熱交換部分(5)に共通に熱的に交叉し、第1一次循環系(3−1)が吸収する熱エネルギーと第2一次循環系(3−2)が吸収する熱エネルギーとが二次循環系(2)に汲み取られるヒートポンプ効率が、一次側圧力調整部位(7,16)と二次側圧力調整部位(18)とによる制御により最大値化される。一次側圧力調整部位が、第1一次側圧力調整部位(7)と第2一次側圧力調整部位(16)とにより制御されれば、ヒートポンプによる汲み上げエネルギーは、更に最大値化される。
【0011】
このようなヒートポンプ作用は、第1一次循環系(3−1)の冷蔵機能と第2一次循環系(3−2)の冷凍機能とをダイナミックに制御することができる。この場合に、二次循環系(2)が空調機能を有することにより、回収熱の利用効率が増大する。
【0012】
二次循環系(2)は、第1二次循環系(2−1)と、第2二次循環系(2−2)とから形成される。第1二次循環系(2−1)は、二次側第1圧力−エンタルピー関係(23−1)を有し、第2二次循環系は二次側第2圧力−エンタルピー関係(23−2)を有する。この場合にも、二次側圧力調整部位(18,48)の並列化が熱交換率の向上と回収熱エネルギーの最大値化の点で特に好ましい。この場合に、第1二次循環系(2−1)は暖房機能又は給湯機能を有し、第2二次循環系(2−2)は暖房機能又は給湯機能を有する。二次側は、一次側から吸い上げる熱を熱源とする多様な熱利用機能を持つことができ、並列多系特に両側並列多系でエネルギー消費量の最小化が可能である(最小値が必ず存在する)。
【0013】
一次側圧力調整部位は、第1一次側圧力調整部位(7)と、第2一次側圧力調整部位(16)とから構成されることが既述の通りに特に好ましい。第1一次循環系(3−1)は、第1一次側圧力調整部位(7)と一次側熱交換部分(4)と、受液器(8)と、第1一次側膨張弁(9)と、冷蔵対象部位(11)とを含む直列系を形成する。第2一次循環系(3−2)は、第2一次側圧力調整部位(16)と一次側熱交換部分(4)と、受液器(8)と、第2一次側膨張弁(14)と、冷凍対象部位(15)とを含む直列系を形成する。
【0014】
冷房系(24)が更に構成され得る。その冷房系(24)は、受液器(8)と、受液器(8)の冷媒循環方向に前方に位置するポンプ(25)と、ポンプ(25)の冷媒循環方向に前方に位置する冷房用熱交換器(26)と、冷房用熱交換器(26)の冷媒循環方向に前方に位置する逆止弁(27)と、逆止弁(27)の冷媒循環方向に前方に位置する一次側熱交換部分(4)とを含む直列系を形成する。このような冷房系の追加は、既述の圧力調整部位の制御により、熱利用効率の適正な維持を阻害しない。
【0015】
二次循環系(2)は、二次側圧力調整部位(18)と、凝縮器(19)と、二次側膨張弁(21)と、二次側熱交換部分(5)とを含む直列系を形成する。この場合に、凝縮器(19)は暖房用凝縮器として用いられる。
【0016】
第1二次循環系(2−1)は、二次側圧力調整部位(18)と、第1開閉弁(39)と、第1熱交換器(19)と、第1逆止弁(41)と、膨張弁(21)と、二次側熱交換部分(5)とを含む第1直列系を形成する。第2二次循環系(2−2)は、二次側圧力調整部位(18)と、第2開閉弁(43)と、第2逆止弁(44)と、第2熱交換器(45)と、第3逆止弁(46)と、膨張弁(21)と、二次側熱交換部分(5)とを含む第2直列系を形成する。
【0017】
二次循環系(2)は二次側付属的循環系(2−3)を形成する。二次側付属的循環系(2−3)は、二次側付属的圧力調整部位(48)と、第4逆止弁(49)と、第1熱交換器(19)と、第1逆止弁(41)と、他の膨張弁(47)と、第2熱交換器(45)と、第3開閉弁(51)とを含む第3直列系を形成する。第3逆止弁(46)と他の膨張弁(47)とは、又は、第1逆止弁(41)と他の膨張弁(42)とは、並列に接続される。
【0018】
【発明の実施の形態】
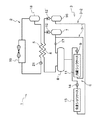
図に対応して、本発明によるヒートポンプの実施の形態は、一次循環系と二次循環系とに複合熱利用系が構成されている。そのヒートポンプ1は、図1に示されるように、二次循環系2と一次循環系3とから構成されている。両冷媒が熱的に交叉する熱交叉部分として形成されている。二次循環系2は、二次側冷媒が循環的に環流する閉じた第2循環系を形成している。一次循環系3は、一次側冷媒が循環的に環流する閉じた第2循環系を形成している。
【0019】
一次循環系3は、複合熱利用系6を形成している。その複合熱利用系は、第1一次循環系3−1と、第2一次循環系3−2とから形成されている。第1一次循環系3−1と第2一次循環系3−2とは、二次循環系2に対して並列回路として形成されている。第1一次循環系3−1は、第1一次側圧力調整部位の主要素を形成する一次側第1圧縮部位7と、一次側熱交換部分4と、液相貯留槽(受液器)8と、一次側第1膨張部位9と、第1冷却対象部位11とを含む第1直列系を形成している。第2一次循環系3−2は、第2一次側圧力調整部位の主要素を形成する一次側第2圧縮部位16と、既述の一次側熱交換部分4と、既述の液相貯留槽8と、一次側第2膨張部位14と、第2冷却対象部位15とを含む第2直列系を形成している。一次側第1圧縮部位7と一次側熱交換部分4との間に逆止弁12が介設されている。一次側第2圧縮部位16と一次側熱交換部分4との間に逆止弁12’が介設されている。液相貯留槽8と一次側第1圧縮部位7との間に、絞り17が介設されている。二次循環系2は、二次側圧力調整部位の主要素を形成する二次側圧縮部位18と、凝縮器19と、二次側膨張部位21と、二次側熱交換部分5とを含む第3直列系を形成している。
【0020】
一次側熱交換部分4と二次側熱交換部分5とは温度差ΔTを形成し、一次側熱交換部分4の温度T1は二次側熱交換部分5の温度T2より高い。その温度差ΔTは、熱的に相互作用する両循環系の両側圧力調整部位の相関的圧力制御により制御される。一次側第1圧縮部位7で圧縮されて高温化する一次側第1分流冷媒が持つ熱エネルギーの一部は、一次側熱交換部分4で二次側熱交換部分5に与えられる(汲み上げられる)。その熱エネルギーを奪われた一次側第1分流冷媒は、液相貯留槽8の中に液層状態で貯留される。その一次側第1分流冷媒は、一次側第1膨張部位9で、急激に膨張してその圧力と温度が低下し、第1冷却対象部位11に圧送される。第1冷却対象部位11として、冷蔵ショーケースが好適に例示される。利用側熱交換器を形成する第1冷却対象部位11の中では、一次側第1分流気化冷媒は、冷蔵ショーケースの中の空気又は陳列商品(例示:牛乳)から熱エネルギーを奪う。奪った熱エネルギーにより、一次側第1分流冷媒は気化し、一次側第1圧縮部位7まで輸送される。一次側第1圧縮部位7は、その気化冷媒の圧力を上昇させる。
【0021】
一次側第2圧縮部位16で圧縮されて高温化する一次側第2分流冷媒が持つ熱エネルギーの一部は、一次側熱交換部分4で二次側熱交換部分5に与えられる。その熱エネルギーを奪われた一次側第2分流液化冷媒は、液相貯留槽8の中で液層状態で貯留される。その一次側第2分流液化冷媒は、一次側第2膨張部位14で、急激に膨張してその圧力と温度が急速に低下し、第2冷却対象部位15に圧送される。第2冷却対象部位15として、冷凍ショーケースが好適に例示される。利用側熱交換器を形成する第2冷却対象部位15の中では、一次側第2分流気液混合冷媒は、冷凍ショーケースの中の空気又は陳列商品(例示:冷凍食品)から熱エネルギーを奪う。奪った熱エネルギーにより、一次側第2分流冷媒は気化して一次側第2圧縮部位16まで輸送される。一次側第2圧縮部位16は、気化冷媒の圧力を上昇させる。
【0022】
二次側圧縮部位18で圧縮されて高温化する二次側冷媒は、凝縮器19で凝縮され液化され、二次側膨張部位21で急激に膨張して、その圧力と温度が低下し、二次側熱交換部分5に圧送される。二次側熱交換部分5の中で、二次側冷媒気化し、一次側熱交換部分4から既述の熱エネルギーを奪い取る(汲み取る。)。このように奪い取った熱エネルギーは、凝縮器19で第2系外に放出される。一次系冷媒として、炭酸ガスが好適に用いられ得る。二次側冷媒として、HFC系冷媒が用いられ得る。両冷媒の使用は、ヒートポンプ1に現れる2つの異なる温度差の制御を円滑化し、その制御のためのエネルギーを最小化することができる。
【0023】
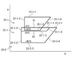
図2は、一次系と二次系のそれぞれの熱サイクルを示す圧力−エンタルピーの関係を示している。圧力は縦軸にpで表され、エンタルピーは横軸にhで表されている。一次側p−h閉曲線22は、一次側第1p−h閉曲線22−1と一次側第2p−h閉曲線22−2とから形成されている。一次側p−h閉曲線22は、温度的に二次側p−h閉曲線23に交叉する。一次側第1p−h閉曲線22−1と一次側第2p−h閉曲線22−2は、実施の既述の形態の一次側の2系統に対応している。
【0024】
一次側第1p−h閉曲線22−1は、圧力が概ね一定に維持されエンタルピーが連続的に減少する一次側第1部分22−1−1と、エンタルピーが概ね一定に維持され圧力が連続的に減少する一次側第2部分22−1−2と、圧力が概ね一定に維持されエンタルピーが連続的に増大する一次側第3部分22−1−3と、エンタルピーが連続的に増大し且つ圧力が連続的に増大する一次側第4部分22−1−4とから形成されている。
【0025】
一次側第2p−h閉曲線22−2は、圧力が概ね一定に維持されエンタルピーが連続的に減少する一次側第1部分22−2−1と、エンタルピーが概ね一定に維持され圧力が連続的に減少する一次側第2部分22−2−2と、圧力が概ね一定に維持されエンタルピーが連続的に増大する一次側第3部分22−2−3と、エンタルピーが連続的に増大し且つ圧力が連続的に増大する一次側第4部分22−2−4とから形成されている。
【0026】
二次側第1p−h閉曲線23−1は、圧力が概ね一定に維持されエンタルピーが連続的に減少する二次側第1部分23−1−1と、エンタルピーが概ね一定に維持され圧力が連続的に減少する二次側第2部分23−1−2と、圧力が概ね一定に維持されエンタルピーが連続的に増大する二次側第3部分23−1−3と、エンタルピーが連続的に増大し且つ圧力が連続的に増大する二次側第4部分23−1−4とから形成されている。
【0027】
p−h閉曲線の各部分に対応して、図中に記載される実施例温度が実現される。特には、熱交換部分で熱的に交叉する両冷媒の温度は、一次側熱交換部分4の側でT1で示され、二次側熱交換部分5の側でT2で示され、T1は実施例として−5゜Cであり、T2は実施例として−10゜Cである。この場合に温度落差(T1−T2)は5゜Cであるが、温度落差(T1−T2)が3゜C〜5゜Cの範囲に制御されて最大ヒートポンプ効率が得られる。
【0028】
図3は、本発明によるヒートポンプの実施の他の形態を示している。実施の本形態の一次循環系3は、実施の既述の形態の一次循環系3に部分的に同じであるが、冷房用循環系24が追加されている。実施の本形態の二次循環系2は、実施の既述の形態の二次循環系2の凝縮器19が暖房用凝縮器19’に置換されている点を除いて、実施の既述の形態の二次循環系2に同じである。冷房用循環系24は、液相貯留槽8と、ポンプ25と、冷房用熱交換器26と、逆止弁27と、既述の一次側熱交換部分4とを含む直列系を形成している。冷房用循環系24は、二次循環系2に対して熱的に交叉する。二次循環系2と冷房用循環系24との間で、冷房のための熱交換が行われる。第1冷却対象部位11と第2冷却対象部位15とが外部環境から奪う熱エネルギーは、二次側熱交換部分5で二次循環系2に伝達されて、暖房用凝縮器19’で消費される。冷房用熱交換器26が室内から奪う熱エネルギーは、二次側熱交換部分5で二次循環系2に伝達されて、暖房用凝縮器19’で消費される。夏季には暖房用凝縮器19’の暖房作用が停止するが、そのエネルギーは給湯に利用され、又は、大気中に放出される。夏季には冷房用熱交換器26の冷房作用が動作し、冬季には暖房用凝縮器19’の暖房作用が動作し、冷房用熱交換器26の冷房作用が停止することは好ましい。
【0029】
図4と図5は、実施の図3の形態の冷暖房用空調を実施するためのダンパーの切換えを示している。図4は冷房動作状態を示し、図5は暖房動作状態を示す。冷房時には、図4に示されるように、空気流路に設けられる第1仕切28と第2仕切29と第3仕切31とが開放され、第4仕切32と第5仕切33とが閉鎖される。このような開放と閉鎖とにより、暖房用凝縮器19’を通る第1流路34が第1ファン35により積極的に形成される。第1流路34の流路風は、暖房用凝縮器19’で暖められて、室外に放出される。又は、その暖風の熱は給湯のために利用され得る。同時的に第2ファン36により第2流路37が積極的に形成される。第2流路37の流路風は、冷房用熱交換器26で冷却されて室内に送り込まれる。
【0030】
暖房時には、図5に示されるように、第1仕切28と第2仕切29と第3仕切31とが閉鎖され、第4仕切32と第5仕切33とが開放される。このような開放と閉鎖とにより、暖房用凝縮器19’を通る第3流路38が第1ファン35により積極的に形成される。第3流路38の流路風は、暖房用凝縮器19’で暖められて、室内に送り込まれる。
【0031】
図6と図7は、実施の図3の形態について下記の仕様のコンビニエンスストアに対して高温側冷媒にR410Aを使用し、低温側冷媒に炭酸ガスを使用したときの消費電力が計算され、その計算値が従来技術の数値と比較される。
冷凍負荷=1.57KW、冷蔵負荷=16.5KW
冷房負荷=14.0KW、暖房負荷=24KW
【0032】
図6に示されるように、冷房シーズンでは、従来技術で冷凍用の消費電力が1.94KWであり、本実施例で冷凍用の消費電力は、一次側第1圧縮部位7の消費電力の0.65KWと二次側圧縮部位18の冷凍用の消費電力の0.92KWとを合計して、1.57KWである。従来技術の冷蔵用の消費電力が8.14KWであり、本実施例の形態の冷蔵用の消費電力は、一次側第1圧縮部位7の消費電力の1.66KWと二次側圧縮部位18の冷蔵用の消費電力の7.43KWとを合計して、9.09KWである。従来技術の冷房用の消費電力が5.16KWであり、本実施例の冷房用の消費電力は、ポンプ25の消費電力の0.26KWと二次側圧縮部位18の冷房用の消費電力の5.8KWとを合計して、6.06KWである。冷凍、冷蔵、冷房の合計の消費電力は、従来技術では15.24KWであり、本実施例では16.72KWである。
【0033】
図7に示されるように、暖房シーズンでは、従来技術の冷凍用の消費電力が1.20KWであり、本実施例の冷凍用の消費電力が冷房シーズンと同じく1.57KWである。また、従来方式において冷蔵用の消費電力が4.52KWであり、本実施例の冷蔵用の消費電力は、一次側第1圧縮部位7の消費電力の1.66KWと二次側圧縮部位18の冷蔵用の消費電力の7.47KWとを合計して、9.13KWである。従来技術の暖房用の消費電力が10.31KWであり、本実施例の暖房用の消費電力が0KWである。冷凍、冷蔵、暖房の合計の消費電力は、従来技術では16.03KWであり、本実施例では10.7KWである。
【0034】
図8は、既述のコンビニエンスストアの例で、本実施例と従来技術の年間の消費電力量を比較して示している。冷房シーズンの運転時間は2000時間であり、暖房シーズンの運転時間は4000時間である。従来の個別の冷凍装置では、冷房シーズンの電力消費量は30.5×(10の3乗)KWhであり、冷暖房シーズンの合計の電力消費量は94.6×(10の3乗)KWhであり、本実施例では、冷房シーズンの電力消費量は33.4×(10の3乗)KWhであり、冷暖房シーズンの合計の電力消費量は76.2×(10の3乗)KWhである。この試算では、20%程度の省エネルギー化が実現している。
【0035】
本実施例では、高温側にHFC系冷媒を、低温側に炭酸ガス冷媒を使用することによりオゾン層を破壊せず、毒性、爆発性、可燃性がなく、安全であり、HFC系冷媒充填量を少なくすることができて、地球温暖化の影響が少ないカスケード式冷凍装置を提供することができる。
【0036】
図9は、本発明によるヒートポンプの実施の更に他の形態を示している。実施の本形態の一次循環系3は、実施の図1の形態の一次循環系3に同じである。実施の本形態の二次循環系2が二次側熱交換部分5と二次側圧縮部位18と凝縮器19と二次側膨張部位21とから形成される点は、実施の図1の形態のその構成に同じである。実施の本形態の二次循環系2は、以下に、第1二次循環系2−1と呼ばれる。実施の本形態では、第1二次循環系2−1に並列に第2二次循環系2−2が追加され、更に、第3二次循環系2−3が追加される。第1二次循環系2−1では、二次側圧縮部位18と凝縮器19との間に、開閉弁39が介設され、更に、凝縮器19と二次側膨張部位21との間で第1二次循環系2−1に、追加逆止弁41と追加膨張弁42とが介設される。追加逆止弁41と追加膨張弁42は、並列に接続されている。
【0037】
第2二次循環系2−2は、二次側熱交換部分5と二次側圧縮部位18と、開閉弁43と、逆止弁44と、冷房暖房切換熱交換器45と、追加逆止弁46と、既述の二次側膨張部位21とから形成されている。
【0038】
追加二次側圧縮部位48が追加される。追加二次側圧縮部位48と凝縮器19との間に、追加逆止弁49が介設される。追加二次側圧縮部位48と冷房暖房切換熱交換器45との間に、開閉弁51が介設される。第3二次循環系2−3は、追加二次側圧縮部位48と、逆止弁49と、凝縮器19と、追加逆止弁41と、追加膨張弁47と、冷房暖房切換熱交換器45と、開閉弁51とを含む循環直列系を形成している。追加逆止弁46と追加膨張弁47とは、並列に介設されている。
【0039】
第1二次循環系2−1は、基本的熱サイクルを形成している。第2二次循環系2−2では、二次側圧縮部位18から送り出される二次側分流冷媒は開状態の開閉弁43を通過し、逆止弁44を通過して、冷房暖房切換熱交換器45で暖房的熱交換を受け、追加逆止弁46を通り、二次側膨張部位21で膨張して急冷されて、二次側熱交換部分5で一次側の熱エネルギーを奪って、二次側圧縮部位18に還流する。このような暖房時には、開閉弁51は閉鎖される。第2二次循環系2−2は、二次側熱交換部分5で一次循環系から奪った熱エネルギーを熱源とするヒートポンプを構成している。第3二次循環系2−3では、追加二次側圧縮部位48から送り出される二次側分流冷媒は逆止弁49を通過し、凝縮器19で凝縮され、追加逆止弁41を通過し、追加膨張弁47で膨張して急冷され、冷房暖房切換熱交換器45で冷房的熱交換を受け、開状態の開閉弁51を通過して、追加二次側圧縮部位48に還流する。このような冷房時には、開閉弁43は閉鎖される。第2二次循環系2−2と第3二次循環系2−3の循環が停止される場合には、実施の本形態は、実施の図1の形態に一致する。
【0040】
図10は、実施の図9の形態の圧力−エンタルピー線図を示している。各部位の制御目標温度は、下記の通りである。
T1−1=−5゜C,T1−2=−10゜C,T1−3=−40゜C
T2−1=50゜C,T2−2=0゜C,T2−3=−10゜C
両系間の熱交換は、温度落差ΔTに対応して行われる。
ΔT=[T1−1]−[T2−3]=(−5゜C)−(−10゜C)=5゜C
ΔTは、既述の通り、3゜C〜5゜Cが適正である。ΔTがこのような範囲にあれば、ヒートポンプのエネルギー消費量を最小化することができるT1−1が存在する。
【0041】
一次側の2様の圧力−エンタルピー線図により、冷蔵と冷凍が実行される。一次側の一次側熱交換部分4の温度は2様の圧力−エンタルピー線図で同じである。一次側の冷凍と冷蔵では、第1二次循環系2−1と一次循環系3の熱的交叉が行われる。第2二次循環系2−2と一次循環系3の熱的交叉により、冷房暖房切換熱交換器45で暖房が実行される。暖房時には、第1冷却対象部位11と第2冷却対象部位15で得る熱エネルギーは、二次側に供給される。この場合には、二次側熱交換部分5の温度は、T2−3の−10゜Cに制御される。冷房の空調時には、熱交換器45は0゜Cに制御される。冷房時には、一次側第1圧縮部位7と一次側第2圧縮部位16の駆動エネルギー、及び、二次側圧縮部位18と追加二次側圧縮部位48の駆動エネルギーが最小になるように、T1−1とT2−3とを制御的に設定することができる。第1冷却対象部位11と第2冷却対象部位15で得る熱ネルギーは二次系に供給され、第1二次循環系2−1の凝縮器で放熱され給湯用の熱エネルギーとして利用され得るヒートポンプが実現している。
【0042】
このように、一次系と二次系がより複雑である系として構成され、より最適な圧力制御による熱交叉部位の熱交換態様が切り換えられて、エネルギー節約動作が多様に効果的に実現する。
【0043】
【発明の効果】
本発明のヒートポンプは、一次系と二次系の間のダイナミックなヒートポンプ作用による熱交換が実現され、結果的に、消費電力の削減を実現することができる。
【図面の簡単な説明】
【図1】図1は、本発明のヒートポンプによる実施の形態を示す回路図である。
【図2】図2は、p−h線図を示すグラフである。
【図3】図3は、本発明によるヒートポンプの実施の他の形態を示す回路図である。
【図4】図4は、流路の切換を示す回路図である。
【図5】図5は、流路の他の切換を示す回路図である。
【図6】図6は、実施例の消費電力を示すグラフである。
【図7】図7は、実施例の他の消費電力を示すグラフである。
【図8】図8は、実施例の消費電力比較を示すグラフである。
【図9】図9は、本発明によるヒートポンプの実施の更に他の形態を示すグラフである。
【図10】図10は、更に他のp−h線図を示すグラフである。
【符号の説明】
1…熱交換部分
2…二次循環系
2−1…第1二次循環系
2−2…第2二次循環系
2−3…二次側付随的循環系
3…一次循環系
3−1…第1一次循環系
3−2…第2一次循環系
4…一次側熱交換部分
5…二次側熱交換部分
7…一次側圧力調整部位
8…受液器
9…第1一次側膨張弁
11…冷蔵対象部位
14…第2一次側膨張弁
15…冷凍対象部位
16…第2一次側圧力調整部位
18…二次側圧力調整部位
19…第1熱交換器(凝縮器)
21…(二次側)膨張弁
22−1…一次側第1圧力−エンタルピー関係
22−2…一次側第2圧力−エンタルピー関係
23…二次側圧力−エンタルピー関係
23−1…二次側第1圧力−エンタルピー関係
23−2…二次側第2圧力−エンタルピー関係
24…冷房系
25…ポンプ
26…冷房用熱交換器
27…逆止弁
39…第1開閉弁
41…第1逆止弁
42…他の膨張弁
43…第2開閉弁
44…第2逆止弁
45…第2熱交換器
46…第3逆止弁
49…第4逆止弁
47…他の膨張弁
48…二次側付属的圧力調整部位
51…第3開閉弁
Claims (10)
- 一次循環系と、
二次循環系とを構成し、
前記一次循環系は、
一次側熱交換部分と、
前記一次側熱交換部分の中の圧力を制御することにより前記一次側熱交換部分の温度を制御する一次側圧力調整部分とを形成し、
前記二次循環系は、
二次側熱交換部分と、
前記二次側熱交換部分の中の圧力を制御することにより前記二次側熱交換部分の温度を制御する二次側圧力調整部分とを形成し、
前記一次側熱交換部分は前記一次循環系が外界から汲み取るエネルギーを前記二次側熱交換部分を介して前記二次循環系に与え、
前記一次循環系は、
第1一次循環系と、
第2一次循環系とを構成し、
前記第1一次循環系と前記第2一次循環系は前記二次循環系に対して並列関係を有し、
前記二次循環系は二次側圧力−エンタルピー関係を有し、前記第1一次循環系は一次側第1圧力−エンタルピー関係を有し、前記第2一次循環系は一次側第2圧力−エンタルピー関係を有し、且つ、前記一次側熱交換部分の第1温度T1は前記二次側熱交換部分の第2温度T2より高く、前記エネルギーは温度差(T1−T2)に対応する
ヒートポンプ。 - 前記第1一次循環系は冷蔵機能を有し、前記第2一次循環系は冷凍機能を有する
請求項1のヒートポンプ。 - 前記二次循環系は空調機能を有する
請求項1のヒートポンプ。 - 前記二次循環系は、
第1二次循環系と、
第2二次循環系とを形成し、前記第2二次循環系は前記第1二次循環系に対して並列関係を有し、
前記第1二次循環系は、二次側第1圧力−エンタルピー関係を有し、
前記第2二次循環系は、二次側第2圧力−エンタルピー関係を有する
請求項1のヒートポンプ。 - 前記第1二次循環系は暖房機能を有し、前記第2二次循環系は給湯機能を有する
請求項4のヒートポンプ。 - 前記一次側圧力調整部位は、
第1一次側圧力調整部位と、
第2一次側圧力調整部位とを構成し、
前記第1一次循環系は、前記第1一次側圧力調整部位と前記一次側熱交換部分と、受液器と、第1一次側膨張弁と、冷蔵対象部位とを含む直列系を形成し、
前記第2一次循環系は、前記第2一次側圧力調整部位と前記一次側熱交換部分と、前記受液器と、第2一次側膨張弁と、冷凍対象部位とを含む直列系を形成し、
冷房系を更に構成し、
前記冷房系は、前記受液器と、前記受液器の冷媒循環方向に前方に位置するポンプと、前記ポンプの前記冷媒循環方向に前方に位置する冷房用熱交換器と、前記冷房用熱交換器の前記冷媒循環方向に前方に位置する逆止弁と、前記逆止弁の前記冷媒循環方向に前方に位置する前記一次側熱交換部分とを含む直列系を形成する
請求項1のヒートポンプ。 - 前記二次循環系は、前記二次側圧力調整部位と、凝縮器と、二次側膨張弁と、前記二次側熱交換部分とを含む直列系を形成し、
前記凝縮器は暖房用凝縮器として用いられる
請求項6のヒートポンプ。 - 前記第1二次循環系は、前記二次側圧力調整部位と、第1開閉弁と、第1熱交換器と、第1逆止弁と、膨張弁と、前記二次側熱交換部分とを含む第2直列系を形成し、
前記第2二次循環系は、前記二次側圧力調整部位と、第2開閉弁と、第2逆止弁と、第2熱交換器と、第3逆止弁と、前記膨張弁と、前記二次側熱交換部分とを含む第1直列系を形成する
請求項4のヒートポンプ。 - 前記二次循環系は二次側付属的循環系を形成し、前記二次側付属的循環系は、二次側付属的圧力調整部位と、第4逆止弁と、第1熱交換器と、第1逆止弁と、他の膨張弁と、第2熱交換器と、第3開閉弁とを含む第3直列系を形成し、前記第3逆止弁と他の膨張弁とは、又は、第1逆止弁と他の膨張弁とは並列に接続される
請求項8のヒートポンプ。 - 一次側第1圧力−エンタルピー関係と一次側第2圧力−エンタルピー関係は、前記第1一次循環系と前記第2一次循環系の熱的状態によりダイナミックに制御される
請求項1のヒートポンプ。
Priority Applications (1)
| Application Number | Priority Date | Filing Date | Title |
|---|---|---|---|
| JP2003073447A JP4043386B2 (ja) | 2002-11-08 | 2003-03-18 | ヒートポンプ |
Applications Claiming Priority (2)
| Application Number | Priority Date | Filing Date | Title |
|---|---|---|---|
| JP2002324852 | 2002-11-08 | ||
| JP2003073447A JP4043386B2 (ja) | 2002-11-08 | 2003-03-18 | ヒートポンプ |
Publications (3)
| Publication Number | Publication Date |
|---|---|
| JP2004205193A true JP2004205193A (ja) | 2004-07-22 |
| JP2004205193A5 JP2004205193A5 (ja) | 2005-07-14 |
| JP4043386B2 JP4043386B2 (ja) | 2008-02-06 |
Family
ID=32828375
Family Applications (1)
| Application Number | Title | Priority Date | Filing Date |
|---|---|---|---|
| JP2003073447A Expired - Lifetime JP4043386B2 (ja) | 2002-11-08 | 2003-03-18 | ヒートポンプ |
Country Status (1)
| Country | Link |
|---|---|
| JP (1) | JP4043386B2 (ja) |
Cited By (9)
| Publication number | Priority date | Publication date | Assignee | Title |
|---|---|---|---|---|
| CN100520228C (zh) * | 2005-09-20 | 2009-07-29 | 三洋电机株式会社 | 冷冻系统 |
| WO2009107828A1 (ja) * | 2008-02-27 | 2009-09-03 | カルソニックカンセイ株式会社 | 排熱回生システム |
| JP2012107805A (ja) * | 2010-11-17 | 2012-06-07 | Mitsubishi Electric Corp | 冷凍装置 |
| WO2013018148A1 (ja) * | 2011-08-04 | 2013-02-07 | 三菱電機株式会社 | 冷凍装置 |
| JP2013510286A (ja) * | 2009-11-03 | 2013-03-21 | イー・アイ・デュポン・ドウ・ヌムール・アンド・カンパニー | フルオロオレフィン冷媒を用いるカスケード冷凍システム |
| JPWO2013018148A1 (ja) * | 2011-08-04 | 2015-02-23 | 三菱電機株式会社 | 冷凍装置 |
| CN105276849A (zh) * | 2014-07-01 | 2016-01-27 | 松下知识产权经营株式会社 | 制冷系统 |
| JP2018066513A (ja) * | 2016-10-19 | 2018-04-26 | パナソニックIpマネジメント株式会社 | 冷凍システムおよび室内ユニット |
| CN113566451A (zh) * | 2020-04-29 | 2021-10-29 | 约克广州空调冷冻设备有限公司 | 一种热泵系统 |
-
2003
- 2003-03-18 JP JP2003073447A patent/JP4043386B2/ja not_active Expired - Lifetime
Cited By (13)
| Publication number | Priority date | Publication date | Assignee | Title |
|---|---|---|---|---|
| CN100520228C (zh) * | 2005-09-20 | 2009-07-29 | 三洋电机株式会社 | 冷冻系统 |
| WO2009107828A1 (ja) * | 2008-02-27 | 2009-09-03 | カルソニックカンセイ株式会社 | 排熱回生システム |
| JP2013510286A (ja) * | 2009-11-03 | 2013-03-21 | イー・アイ・デュポン・ドウ・ヌムール・アンド・カンパニー | フルオロオレフィン冷媒を用いるカスケード冷凍システム |
| JP2012107805A (ja) * | 2010-11-17 | 2012-06-07 | Mitsubishi Electric Corp | 冷凍装置 |
| JPWO2013018148A1 (ja) * | 2011-08-04 | 2015-02-23 | 三菱電機株式会社 | 冷凍装置 |
| CN103635761A (zh) * | 2011-08-04 | 2014-03-12 | 三菱电机株式会社 | 冷冻装置 |
| WO2013018148A1 (ja) * | 2011-08-04 | 2013-02-07 | 三菱電機株式会社 | 冷凍装置 |
| US9429347B2 (en) | 2011-08-04 | 2016-08-30 | Mitsubishi Electric Corporation | Refrigeration apparatus |
| CN105276849A (zh) * | 2014-07-01 | 2016-01-27 | 松下知识产权经营株式会社 | 制冷系统 |
| JP2016014490A (ja) * | 2014-07-01 | 2016-01-28 | パナソニックIpマネジメント株式会社 | 冷凍システム |
| JP2018066513A (ja) * | 2016-10-19 | 2018-04-26 | パナソニックIpマネジメント株式会社 | 冷凍システムおよび室内ユニット |
| CN113566451A (zh) * | 2020-04-29 | 2021-10-29 | 约克广州空调冷冻设备有限公司 | 一种热泵系统 |
| CN113566451B (zh) * | 2020-04-29 | 2022-12-30 | 约克广州空调冷冻设备有限公司 | 一种热泵系统 |
Also Published As
| Publication number | Publication date |
|---|---|
| JP4043386B2 (ja) | 2008-02-06 |
Similar Documents
| Publication | Publication Date | Title |
|---|---|---|
| CA2526194C (en) | An air condition heat pump with cross-defrosting system | |
| JP5984914B2 (ja) | 空気調和装置 | |
| KR101155497B1 (ko) | 히트펌프식 급탕장치 | |
| CN100419349C (zh) | 冷冻设备 | |
| JP5854751B2 (ja) | 冷却装置 | |
| JP4298990B2 (ja) | 二酸化炭素を冷媒として用いた冷凍装置 | |
| JP5734424B2 (ja) | 空調給湯複合システム | |
| JP2009228979A (ja) | 空気調和装置 | |
| JP4317793B2 (ja) | 冷却システム | |
| JP2018132269A (ja) | ヒートポンプシステム | |
| JP4043386B2 (ja) | ヒートポンプ | |
| CN109564043A (zh) | 热交换器交替型热泵系统 | |
| JP4033788B2 (ja) | ヒートポンプ装置 | |
| GB2458901A (en) | Heat pump system with first and second compressors | |
| JP2000205774A (ja) | カプセル式蓄熱装置 | |
| JP4270803B2 (ja) | 冷熱生成システム | |
| JP4650086B2 (ja) | 蓄熱熱回収装置 | |
| JP3821286B2 (ja) | 吸収式と圧縮式とを組合せた冷凍装置とその運転方法 | |
| JP3871207B2 (ja) | 吸収式と圧縮式とを組合せた冷凍装置 | |
| KR100500954B1 (ko) | 축열식 히트펌프유닛 | |
| JP2004156805A (ja) | ヒートポンプシステム | |
| JP4100462B2 (ja) | 熱利用システム | |
| JP3874263B2 (ja) | 吸収式と圧縮式とを組合せた冷凍装置 | |
| JPH0794927B2 (ja) | 空気調和装置 | |
| JP3253276B2 (ja) | 蓄熱式空気調和装置及びその運転方法 |
Legal Events
| Date | Code | Title | Description |
|---|---|---|---|
| A521 | Request for written amendment filed |
Free format text: JAPANESE INTERMEDIATE CODE: A523 Effective date: 20041124 |
|
| A621 | Written request for application examination |
Free format text: JAPANESE INTERMEDIATE CODE: A621 Effective date: 20041124 |
|
| A131 | Notification of reasons for refusal |
Free format text: JAPANESE INTERMEDIATE CODE: A131 Effective date: 20070611 |
|
| A521 | Request for written amendment filed |
Free format text: JAPANESE INTERMEDIATE CODE: A523 Effective date: 20070809 |
|
| TRDD | Decision of grant or rejection written | ||
| A01 | Written decision to grant a patent or to grant a registration (utility model) |
Free format text: JAPANESE INTERMEDIATE CODE: A01 Effective date: 20071106 |
|
| A61 | First payment of annual fees (during grant procedure) |
Free format text: JAPANESE INTERMEDIATE CODE: A61 Effective date: 20071113 |
|
| R150 | Certificate of patent or registration of utility model |
Free format text: JAPANESE INTERMEDIATE CODE: R150 Ref document number: 4043386 Country of ref document: JP Free format text: JAPANESE INTERMEDIATE CODE: R150 |
|
| FPAY | Renewal fee payment (event date is renewal date of database) |
Free format text: PAYMENT UNTIL: 20101122 Year of fee payment: 3 |
|
| FPAY | Renewal fee payment (event date is renewal date of database) |
Free format text: PAYMENT UNTIL: 20101122 Year of fee payment: 3 |
|
| S202 | Request for registration of non-exclusive licence |
Free format text: JAPANESE INTERMEDIATE CODE: R315201 |
|
| FPAY | Renewal fee payment (event date is renewal date of database) |
Free format text: PAYMENT UNTIL: 20101122 Year of fee payment: 3 |
|
| R360 | Written notification for declining of transfer of rights |
Free format text: JAPANESE INTERMEDIATE CODE: R360 |
|
| FPAY | Renewal fee payment (event date is renewal date of database) |
Free format text: PAYMENT UNTIL: 20101122 Year of fee payment: 3 |
|
| R360 | Written notification for declining of transfer of rights |
Free format text: JAPANESE INTERMEDIATE CODE: R360 |
|
| R371 | Transfer withdrawn |
Free format text: JAPANESE INTERMEDIATE CODE: R371 |
|
| FPAY | Renewal fee payment (event date is renewal date of database) |
Free format text: PAYMENT UNTIL: 20101122 Year of fee payment: 3 |
|
| S202 | Request for registration of non-exclusive licence |
Free format text: JAPANESE INTERMEDIATE CODE: R315201 |
|
| FPAY | Renewal fee payment (event date is renewal date of database) |
Free format text: PAYMENT UNTIL: 20101122 Year of fee payment: 3 |
|
| R350 | Written notification of registration of transfer |
Free format text: JAPANESE INTERMEDIATE CODE: R350 |
|
| FPAY | Renewal fee payment (event date is renewal date of database) |
Free format text: PAYMENT UNTIL: 20101122 Year of fee payment: 3 |
|
| FPAY | Renewal fee payment (event date is renewal date of database) |
Free format text: PAYMENT UNTIL: 20111122 Year of fee payment: 4 |
|
| R250 | Receipt of annual fees |
Free format text: JAPANESE INTERMEDIATE CODE: R250 |
|
| FPAY | Renewal fee payment (event date is renewal date of database) |
Free format text: PAYMENT UNTIL: 20111122 Year of fee payment: 4 |
|
| S111 | Request for change of ownership or part of ownership |
Free format text: JAPANESE INTERMEDIATE CODE: R313111 |
|
| FPAY | Renewal fee payment (event date is renewal date of database) |
Free format text: PAYMENT UNTIL: 20111122 Year of fee payment: 4 |
|
| R350 | Written notification of registration of transfer |
Free format text: JAPANESE INTERMEDIATE CODE: R350 |
|
| FPAY | Renewal fee payment (event date is renewal date of database) |
Free format text: PAYMENT UNTIL: 20111122 Year of fee payment: 4 |
|
| FPAY | Renewal fee payment (event date is renewal date of database) |
Free format text: PAYMENT UNTIL: 20121122 Year of fee payment: 5 |
|
| R250 | Receipt of annual fees |
Free format text: JAPANESE INTERMEDIATE CODE: R250 |
|
| FPAY | Renewal fee payment (event date is renewal date of database) |
Free format text: PAYMENT UNTIL: 20121122 Year of fee payment: 5 |
|
| FPAY | Renewal fee payment (event date is renewal date of database) |
Free format text: PAYMENT UNTIL: 20131122 Year of fee payment: 6 |
|
| R250 | Receipt of annual fees |
Free format text: JAPANESE INTERMEDIATE CODE: R250 |
|
| S111 | Request for change of ownership or part of ownership |
Free format text: JAPANESE INTERMEDIATE CODE: R313113 |
|
| FPAY | Renewal fee payment (event date is renewal date of database) |
Free format text: PAYMENT UNTIL: 20131122 Year of fee payment: 6 |
|
| R350 | Written notification of registration of transfer |
Free format text: JAPANESE INTERMEDIATE CODE: R350 |
|
| S531 | Written request for registration of change of domicile |
Free format text: JAPANESE INTERMEDIATE CODE: R313531 |
|
| FPAY | Renewal fee payment (event date is renewal date of database) |
Free format text: PAYMENT UNTIL: 20131122 Year of fee payment: 6 |
|
| R350 | Written notification of registration of transfer |
Free format text: JAPANESE INTERMEDIATE CODE: R350 |
|
| R250 | Receipt of annual fees |
Free format text: JAPANESE INTERMEDIATE CODE: R250 |
|
| R250 | Receipt of annual fees |
Free format text: JAPANESE INTERMEDIATE CODE: R250 |
|
| S111 | Request for change of ownership or part of ownership |
Free format text: JAPANESE INTERMEDIATE CODE: R313111 |
|
| R350 | Written notification of registration of transfer |
Free format text: JAPANESE INTERMEDIATE CODE: R350 |
|
| R250 | Receipt of annual fees |
Free format text: JAPANESE INTERMEDIATE CODE: R250 |
|
| R250 | Receipt of annual fees |
Free format text: JAPANESE INTERMEDIATE CODE: R250 |
|
| R250 | Receipt of annual fees |
Free format text: JAPANESE INTERMEDIATE CODE: R250 |
|
| R250 | Receipt of annual fees |
Free format text: JAPANESE INTERMEDIATE CODE: R250 |
|
| R250 | Receipt of annual fees |
Free format text: JAPANESE INTERMEDIATE CODE: R250 |
|
| R250 | Receipt of annual fees |
Free format text: JAPANESE INTERMEDIATE CODE: R250 |
|
| R250 | Receipt of annual fees |
Free format text: JAPANESE INTERMEDIATE CODE: R250 |
|
| R250 | Receipt of annual fees |
Free format text: JAPANESE INTERMEDIATE CODE: R250 |
|
| EXPY | Cancellation because of completion of term |