EP1504832A1 - Verfahren und Einrichtung zum berührungslosen Messen der Profildicke und/oder der Profilform an Giesssträngen einer Mehrstranggiessanlage für flüssige Metalle, insbesondere für Stahl - Google Patents

Verfahren und Einrichtung zum berührungslosen Messen der Profildicke und/oder der Profilform an Giesssträngen einer Mehrstranggiessanlage für flüssige Metalle, insbesondere für Stahl Download PDF

Info

Publication number
EP1504832A1
EP1504832A1 EP04014660A EP04014660A EP1504832A1 EP 1504832 A1 EP1504832 A1 EP 1504832A1 EP 04014660 A EP04014660 A EP 04014660A EP 04014660 A EP04014660 A EP 04014660A EP 1504832 A1 EP1504832 A1 EP 1504832A1
Authority
EP
European Patent Office
Prior art keywords
strand
profile
casting
measuring
sensors
Prior art date
Legal status (The legal status is an assumption and is not a legal conclusion. Google has not performed a legal analysis and makes no representation as to the accuracy of the status listed.)
Granted
Application number
EP04014660A
Other languages
English (en)
French (fr)
Other versions
EP1504832B1 (de
Inventor
Axel Weyer
Thomas Fest
Current Assignee (The listed assignees may be inaccurate. Google has not performed a legal analysis and makes no representation or warranty as to the accuracy of the list.)
SMS Siemag AG
Original Assignee
SMS Demag AG
Priority date (The priority date is an assumption and is not a legal conclusion. Google has not performed a legal analysis and makes no representation as to the accuracy of the date listed.)
Filing date
Publication date
Application filed by SMS Demag AG filed Critical SMS Demag AG
Publication of EP1504832A1 publication Critical patent/EP1504832A1/de
Application granted granted Critical
Publication of EP1504832B1 publication Critical patent/EP1504832B1/de
Anticipated expiration legal-status Critical
Expired - Lifetime legal-status Critical Current

Links

Images

Classifications

    • BPERFORMING OPERATIONS; TRANSPORTING
    • B22CASTING; POWDER METALLURGY
    • B22DCASTING OF METALS; CASTING OF OTHER SUBSTANCES BY THE SAME PROCESSES OR DEVICES
    • B22D11/00Continuous casting of metals, i.e. casting in indefinite lengths
    • B22D11/14Plants for continuous casting
    • B22D11/147Multi-strand plants
    • BPERFORMING OPERATIONS; TRANSPORTING
    • B22CASTING; POWDER METALLURGY
    • B22DCASTING OF METALS; CASTING OF OTHER SUBSTANCES BY THE SAME PROCESSES OR DEVICES
    • B22D11/00Continuous casting of metals, i.e. casting in indefinite lengths
    • B22D11/16Controlling or regulating processes or operations

Definitions

  • the invention relates to a method and a device for non-contact Measuring the profile thickness and / or the profile shape on casting strands of a Mehrstrangg intelligent fabric for liquid metals, especially for steel, in the profile thickness or profile shapes of a billet, block. Beamblank, slab or Thin slab strands are measured by sensors.
  • Such profile thickness measurements are based on continuous casters used by laser or isotope radiation systems.
  • the systems will be positioned either laterally or vertically to the measurement product and determine via the number of sensors used, depending on the measuring task, and the corresponding evaluation method, the profile thickness of the measured product.
  • Such a device for determining the spit edge of continuous casting billets during the casting process is known from DE 32 40 515 A1.
  • two distance measuring sensors are arranged per side, from the distance-proportional signals, the position of the respective billet side and from this the spit angularity can be determined.
  • the spit is, however, a mistake in continuous casting with subsequent Cooling caused by an uneven spraying with cooling water comes.
  • the invention is based on the object, a uniform spreading of all casting strands to monitor in a Mehrstrangg manstrom and if necessary.
  • the controlled variables individual casting strands to change.
  • the stated object is achieved in that a transient Measuring device after selecting a cast strand to be measured in a Measuring position perpendicular to the course of a strand group of the parallel casting strands procedure and the measuring process is triggered.
  • This makes it possible to single Casting strands with the parameters of their controlled variables the ratios of to adjust the remaining casting strands again and thus the uniform spreading to guarantee.
  • An embodiment is that the transient measuring device on the respective center of the casting strand is adjusted. This measurement method is for profile thickness measurements suitable.
  • the setting of the measuring position is performed in a casting pause.
  • Working on the sensor can be carried out according to further features be that for setting the measuring position, the measuring device in a parking position outside the radiation range of the strand group or in a shielded one Maintenance area is moved.
  • Changes in the controlled variables or deviations from the specifications can be further taken into account by either the entire profile shape of a G manstranges or at least one profile page to be measured.
  • the device for non-contact measurement of the profile thickness and / or the profile shape on casting strands of a Mehrstrangg messstrom for liquid metals, in particular for liquid steel, with cross-sectional shapes and dimensions of a Billet, block, Beamblank-, slab or thin slab strand goes off a prior art by means of sensors that are within a cross-sectional shape surrounding base frame are arranged.
  • This device achieves the object according to the invention in that perpendicular for parallel strand course of the strand group a rail guide for a internally cooled, reciprocally movable base frame runs in which the measuring device is arranged with the sensors, wherein the sensors with an evaluation electronics communicate away from the casting strands. Thereby can approached individual, selected casting strands and their profile thickness and / or Profile shapes are measured.
  • the rail guide may be similar to a crane track or a sliding door device be educated.
  • friction-reducing components eg. Wheels, rollers and the like Like., are used.
  • the rail guide outside the Spray area of the cooling chamber is arranged.
  • the internal cooling compensates a possible temperature expansion.
  • the measurement results are significant more precisely, to an arrangement of the base frame within the cooling chamber.
  • the cooling of the base frame can be further made such that the internally cooled base frame by means of flexible media connections to media connections coupled or in the respective measuring position over locally provided Couplings is connectable. This compressed air, cooling water and a Lubrication be considered. The connection is thus variable and for all positions of the base frame applicable.
  • the internally cooled base frame made of stainless steel. This results in connection with the internal water cooling only limited thermal expansion. Keep the sensors thereby their exact position when measuring.
  • the different positions of the basic frame can be taken into account be that the sensors by means of flexible and / or variable cable connections are connected to the evaluation electronics or via a wireless Communicate wireless connection.
  • the evaluation electronics can be in the form of a measuring computer in the control room be housed in the continuous casting machine. This allows recordings, their assignment to the measured cast strand and the evaluation of the Measurement results done centrally.
  • the measurement of the profile thickness or the profile shape can take place in each case by that the sensors in the base frame for a two-sided distance measurement to the respective profile side arranged symmetrically in pairs opposite one another are.
  • the liquid metal passes from a ladle 5 over a distribution vessel 6 (of which in a 6-strand plant also two be present can) each through the continuous casting mold 7 (primary cooling) in a cooling chamber 8 (secondary cooling) and is by means of a support roller frame 9 in the bow guided and straight in the horizontal by a directional driver unit 10 again directed (Fig. 1).
  • a distribution vessel 6 of which in a 6-strand plant also two be present can
  • the invention serves for non-contact measurement of the profile thickness 11 (FIG. 8) or also the entire profile shape 12 with cross-sectional shapes 13 of a billet strand 1a by means of sensors 14, which within a cross-sectional shape 13 of a billet.
  • - Block, Beamblank-, slab or thin slab casting strand 1a surrounding Base frame 15 are arranged.
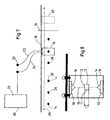
  • Fig. 2 is perpendicular to the parallel strand course 16 (Fig. 3 and 4) of the shown Strand groups 17 of the base frame 15 in a trained as a carrier Rail guide 18 movable back and forth.
  • a measuring device 19 with pairwise sensors fourteenth arranged.
  • the sensors 14 are connected to an evaluation electronics 20.
  • the rail guide 18 is in Figs. 2 and 4 outside the spray area 21st arranged.
  • the internally cooled base frame 15 is by means of flexible media connections 22 (Fig. 7) to a media port 23 (for air, water and / or Lubricants) connected.
  • the internally cooled base frame 15 may be made Be made of stainless steel.
  • a flexible cable connection leads 24 to the evaluation electronics 20.
  • the evaluation electronics 20 can as Measuring computer 26 be configured.
  • the measuring computer 26 is in a switch house 27 of the Mehrstrangg matterstrom 3 (Fig. 3) housed.
  • the middle 1b forms one each Measuring position 28 on the travel 29 of the base frame 15.
  • the sensors 14 can therefore for scanning a profile page 1c also horizontally lying (in addition) be arranged.
  • the two sensors 14 are a triangulation laser system executed.
  • the method for contactless measurement of the profile thickness 11 or the profile shape 12 on individual casting strands 1 of the Mehrstrangg messstrom 3 for liquid Metals, especially for liquid steel 4, determines the profile thickness 11 or a Profile mold 12 one of the listed cross-sectional shapes 13 of each species via the sensors 14.
  • the transient measuring device 19 after selecting a cast strand 1 to be measured in a measuring position 28 perpendicular to the parallel strand course 16 of the strand groups 17 of the parallel casting strands 1 and then the measuring process is triggered. It is in the transient Measuring device 19 is set to the respective center 1 b of the cast strand 1.
  • the setting of the measuring position 28 can take place in a casting pause.
  • the measuring device 19 in a parking position 30th (Fig. 7) outside the radiation range of the respective strand group 17 or in a shielded maintenance area 31 are brought.
  • the measuring device 19 in a parking position 30th (Fig. 7) outside the radiation range of the respective strand group 17 or in a shielded maintenance area 31 are brought.
  • FIG. 8 can either the entire profile form 12 of a casting strand 1 or at least one Profile page 1 c are scanned.
  • Figs. 5 and 6 the process is in front view of the directional driver unit 10, the base frame 15 being dashed with the measuring device 19 is drawn. There are also the strand groups 17, 17 visible. In the same Position is the base frame 15 in Fig. 6.
  • the determination of the profile thickness 11 via a corresponding signal evaluation and processing in the evaluation electronics 20 The position of the billet strand 1 a with a cross-sectional shape 13 within the base frame 15 is conditional by the used measuring principle. Each sensor 14 detects position and distance the respective profile page 1 c. Due to the used time-synchronous evaluation the signals can be independent of the cross-sectional shape 13 measurement the profile thickness 11 are made. The selected measuring method becomes thereby not impaired.

Landscapes

  • Engineering & Computer Science (AREA)
  • Mechanical Engineering (AREA)
  • Continuous Casting (AREA)

Abstract

Ein Verfahren und eine Einrichtung zum berührungslosen Messen der Profildicke (11) und / oder der Profilform (12) an Gießsträngen (1) einer Mehrstranggießanlage (3) für flüssige Metalle, insbesondere für Stahl (4), mit Knüppel-, Block-, Beamblank-, Brammen- oder Dünnbrammen-Querschnittsformen (13) dienen einem einheitlichen Ausbringen aller Gießstränge und beeinflussen ggfs. die Regelgrößen einzelner Strangadern, indem eine instationäre Messeinrichtung (19) nach Auswählen eines zu messenden Gießstrangs (1) in eine Messposition (28) senkrecht zum Verlauf der Stranggruppe (17) der parallelen Gießstränge (1) verfahren und der Messvorgang ausgelöst wird. <IMAGE>

Description

Die Erfindung betrifft ein Verfahren und eine Einrichtung zum berührungslosen Messen der Profildicke und / oder der Profilform an Gießsträngen einer Mehrstranggießanlage für flüssige Metalle, insbesondere für Stahl, bei dem Profildicken oder Profilformen eines Knüppel-, Block-. Beamblank-, Brammen- oder Dünnbrammen-Stranges über Sensoren gemessen werden.
Derartige Profildicken-Messungen werden an Stranggießanlagen auf der Grundlage von Laser- oder Isotopen-Strahlungssystemen eingesetzt. Die Systeme werden entweder seitlich oder senkrecht zum Messprodukt positioniert und ermitteln über die jeweilig eingesetzte Anzahl der Sensoren, abhängig von der Messaufgabe, und den entsprechenden Auswerteverfahren die Profildicke des Messproduktes.
Eine solche Einrichtung zur Bestimmung der Spießkantigkeit von Stranggieß-Knüppeln während des Gießprozesses ist aus der DE 32 40 515 A1 bekannt. Um den Knüppel-Querschnitt sind pro Seite zwei Abstandsmess-Sensoren angeordnet, aus deren abstandsproportionalen Signalen die Lage der jeweiligen Knüppelseite und daraus die Spießkantigkeit ermittelt werden.
Die Spießkantigkeit ist jedoch ein Fehler, der beim Stranggießen mit nachfolgendem Kühlen durch ein ungleichmäßiges Bespritzen mit Kühlwasser zustande kommt.
Trotzdem kann das Maß der Spießkantigkeit für eine bessere Regelgröße eingesetzt werden, so dass die Spießkantigkeit vermindert werden kann.
Ein anderes Problem neben den sich fortsetzenden Fehlern einer unzureichenden Kühlung in der Stranggießkokille (Primärkühlung) und der weiteren Kühlung in der Spritzkammer (Sekundärkühlung) besteht in dem gleichmäßigen Ausbringen von mehreren Gießsträngen einer Mehrstranggießanlage. Es ist jedoch nicht davon auszugehen, dass trotz gemeinsamer Verteilergefäße bei mehreren Gießsträngen alle Gießstränge mit gleichen Formen und Abmessungen auftreten.
Der Erfindung liegt die Aufgabe zugrunde, ein einheitliches Ausbringen aller Gießstränge in einer Mehrstranggießanlage zu überwachen und ggfs. die Regelgrößen einzelner Gießstränge zu ändern.
Die gestellte Aufgabe wird erfindungsgemäß dadurch gelöst, dass eine instationäre Messeinrichtung nach Auswählen eines zu messenden Gießstrangs in eine Messposition senkrecht zum Verlauf einer Stranggruppe der parallelen Gießstränge verfahren und der Messvorgang ausgelöst wird. Dadurch ist es möglich, einzelne Gießstränge mit den Parametern ihrer Regelgrößen den Verhältnissen der übrigen Gießstränge wieder anzupassen und damit das einheitliche Ausbringen zu gewährleisten.
Eine Ausgestaltung besteht darin, dass die instationäre Messeinrichtung auf die jeweilige Mitte des Gießstranges eingestellt wird. Diese Messmethode ist für Profildicken-Messungen geeignet.
Je nach Zugänglichkeit und örtlicher Anordnung der Messeinrichtung ist es vorteihaft, dass das Einstellen der Messposition in einer Gießpause durchgeführt wird.
Arbeiten am Messaufnehmer können nach weiteren Merkmalen derart ausgeführt werden, dass zum Einstellen der Messposition die Messeinrichtung in eine Parkposition außerhalb des Strahlungsbereichs der Stranggruppe oder in einen abgeschirmten Wartungsbereich verfahren wird.
Veränderungen der Regelgrößen oder Abweichungen von den Vorgaben können weiter dadurch berücksichtigt werden, dass entweder die gesamte Profilform eines Gießstranges oder zumindest eine Profilseite gemessen werden.
Die Einrichtung zum berührungslosen Messen der Profildicke und / oder der Profilform an Gießsträngen einer Mehrstranggießanlage für flüssige Metalle, insbesondere für flüssigen Stahl, mit Querschnittsformen und -abmessungen eines Knüppel-, Block-, Beamblank-, Brammen- oder Dünnbrammen-Stranges geht von einem Stand der Technik mittels Sensoren aus, die innerhalb eines die Querschnittsform umgebenden Grundrahmens angeordnet sind.
Diese Einrichtung löst die Aufgabe erfindungsgemäß dadurch, dass senkrecht zum parallelen Strangverlauf der Stranggruppe eine Schienenführung für einen innen gekühlten, hin- und herverfahrbaren Grundrahmen verläuft, in dem die Messeinrichtung mit den Sensoren angeordnet ist, wobei die Sensoren mit einer Auswerte-Elektronik entfernt von den Gießsträngen kommunizieren. Dadurch können einzelne, ausgewählte Gießstränge angefahren und ihre Profildicke und / oder Profilformen gemessen werden.
Die Schienenführung kann ähnlich einer Kranbahn oder einer Schiebetür-Vorrichtung ausgebildet sein. Ebenso können reibungsmindernde Bauteile, bspw. Räder, Rollen u. dgl., eingesetzt werden.
In Anbetracht des sich dem Endzustand nähernden Abkühlungszustandes des Gießstranges ist weiter vorgesehen, dass die Schienenführung außerhalb des Spritzbereichs der Kühlkammer angeordnet ist. Die Innenkühlung kompensiert eine mögliche Temperaturausdehnung. Dadurch sind die Messergebnisse erheblich genauer gegenüber einer Anordnung des Grundrahmens innerhalb der Kühlkammer.
Die Kühlung des Grundrahmens kann weiter derart vorgenommen werden, dass der innen gekühlte Grundrahmen mittels flexiblen Medienverbindungen an Medienanschlüsse gekuppelt oder in der jeweiligen Messposition über örtlich vorgesehene Kupplungen verbindbar ist. Dabei können Druckluft, Kühlwasser und eine Schmierung berücksichtigt werden. Die Verbindung ist dadurch variabel und für alle Stellungen des Grundrahmens anwendbar.
Nach anderen Merkmalen wird vorgeschlagen, dass der innen gekühlte Grundrahmen aus Edelstahl hergestellt ist. Dadurch entstehen in Verbindung mit der inneren Wasserkühlung nur bedingt Wärmeausdehnungen. Die Sensoren behalten dadurch ihre genaue Position beim Messen.
Es kann auch praktikabel und zeitsparend sein, dass die zu jedem Gießstrang gehörenden Messpositionen mittels mechanischen Fixierungen reproduzierbar sind.
Die verschiedenen Stellungen des Grundrahmens können dadurch berücksichtigt werden, dass die Sensoren mittels flexiblen und / oder variablen Kabelverbindungen an die Auswerte-Elektronik angeschlossen sind oder über eine drahtlose Funkverbindung kommunizieren.
Dabei kann die Auswerte-Elektronik in Form eines Mess-Computers im Schalthaus der Stranggießmaschine untergebracht sein. Dadurch können Aufzeichnungen, deren Zuordnung zum gemessenen Gießstrang und die Auswertung der Messergebnisse zentral erfolgen.
Die Messung der Profildicke oder der Profilform kann jeweils dadurch stattfinden, dass die Sensoren in dem Grundrahmen für eine beidseitige Abstandsmessung zur jeweiligen Profilseite symmetrisch paarweise gegenüberliegend angeordnet sind.
In der Zeichnung sind Ausführungsbeispiele der Erfindung dargestellt, die nachstehend näher erläutert werden.
Es zeigen:
Fig. 1
eine Seitenansicht einer Stranggießmaschine mit Gießbühne, Stützrollengerüst und Richt-Treiber-Einheit,
Fig. 2
einen aus der Seitenansicht der Fig. 1 ausgewählten Ausschnitt im vergrößerten Maßstab mit dem Stützrollengerüst, dem Grundrahmen und der Richt-Treiber-Einheit,
Fig. 3
einen Grundriss der Stranggießmaschine gemäß Fig. 1,
Fig. 4
den Ausschnitt aus Fig. 1 zu Fig. 2 im Grundriss mit dem Grundrahmen von oben gesehen,
Fig. 5
einen Querschnitt parallel zum Verlauf der Schienenführung für den Grundrahmen,
Fig. 6
eine Ansicht von oben auf die getrennt dargestellte Messeinrichtung,
Fig. 7
dieselbe Ansicht von oben auf die Organe der Messeinrichtung und
Fig. 8
eine Seitenansicht auf den Grundrahmen mit Sensoren.
Für die angegebenen Arten von Gießsträngen 1 ( Fig. 1) bilden Stranggießmaschinen 2 den besonderen Anlagentyp einer Mehrstranggießanlage 3, die bspw. aus sechs Knüppelsträngen 1 a bestehen kann (Fig. 3).
Das flüssige Metall, insbesondere Stahl 4, gelangt aus einer Gießpfanne 5 über ein Verteilergefäß 6 ( von dem in einer 6-Stranganlage auch zwei vorhanden sein können ) jeweils durch die Stranggießkokille 7 ( Primärkühlung) in eine Kühlkammer 8 (Sekundärkühlung) und wird mittels eines Stützrollengerüstes 9 im Bogen geführt und in der Horizontalen durch eine Richt-Treiber-Einheit 10 wieder gerade gerichtet (Fig. 1).
Die Erfindung dient zum berührungslosen Messen der Profildicke 11 ( Fig. 8) oder auch der gesamten Profilform 12 mit Querschnittsformen 13 eines Knüppelstrangs 1a mittels Sensoren 14, die innerhalb eines die Querschnittsform 13 eines Knüppel.- Block-, Beamblank-, Brammen- oder Dünnbrammen-Gießstrangs 1a umgebenden Grundrahmens 15 angeordnet sind.
In Fig. 2 ist senkrecht zum parallelen Strangverlauf 16 ( Fig. 3 und 4) der gezeigten Stranggruppen 17 der Grundrahmen 15 in einer als Träger ausgebildeten Schienenführung 18 hin- und herverfahrbar.
In dem Grundrahmen 15 ist eine Messeinrichtung 19 mit paarweisen Sensoren 14 angeordnet. Die Sensoren 14 sind mit einer Auswerte-Elektronik 20 verbunden.
Die Schienenführung 18 ist in den Fig. 2 und 4 außerhalb des Spritzbereichs 21 angeordnet. Der innen gekühlte Grundrahmen 15 ist mittels flexiblen Medienverbindungen 22 ( Fig. 7) an einen Medienanschluss 23 ( für Luft, Wasser und / oder Schmierstoffe) angeschlossen. Der innen gekühlte Grundrahmen 15 kann aus Edelstahl hergestellt sein. Von den Sensoren 14 ( Fig. 8) führt eine flexible Kabelverbindung 24 zu der Auswerte-Elektronik 20. Die Auswerte-Elektronik 20 kann als Mess-Computer 26 ausgestaltet sein. Der Mess-Computer 26 ist in einem Schalthaus 27 der Mehrstranggießanlage 3 (Fig. 3) untergebracht.
Im Abstand der Querschnittsform 13 ( Fig. 7 und 8) bildet die Mitte 1 b jeweils eine Messposition 28 auf dem Verfahrweg 29 des Grundrahmens 15. Die Sensoren 14 können daher zur Abtastung einer Profilseite 1c auch horizontal liegend (zusätzlich) angeordnet sein. Die zwei Sensoren 14 sind als Triangulations-Lasersystem ausgeführt.
Das Verfahren zum berührungslosen Messen der Profildicke 11 oder der Profilform 12 an einzelnen Gießsträngen 1 der Mehrstranggießanlage 3 für flüssige Metalle, insbesondere für flüssigen Stahl 4, ermittelt die Profildicke 11 oder eine Profilform 12 eines der aufgeführten Querschnittsformen 13 der einzelnen Arten über die Sensoren 14. Dabei wird die instationäre Messeinrichtung 19 nach Auswählen eines zu messenden Gießstrangs 1 in eine Messposition 28 senkrecht zum parallelen Strangverlauf 16 der Stranggruppen 17 der parallelen Gießstränge 1 verfahren und dann wird der Messvorgang ausgelöst. Dabei wird in der instationären Messeinrichtung 19 auf die jeweilige Mitte 1 b des Gießstrangs 1 eingestellt. Das Einstellen der Messposition 28 kann in einer Gießpause erfolgen. Zum Einstellen der Messposition 28 kann die Messeinrichtung 19 in eine Parkposition 30 (Fig. 7) außerhalb des Strahlungsbereichs der jeweiligen Stranggruppe 17 oder in einen abgeschirmten Wartungsbereich 31 gebracht werden. Gemäß Fig. 8 kann entweder die gesamte Profilform 12 eines Gießstrangs 1 oder zumindest eine Profilseite 1 c abgetastet werden.
In den Fig. 5 und 6 ist der Vorgang in Vorderansicht zu der Richt-Treiber-Einheit 10 gezeigt, wobei der Grundrahmen 15 mit der Messeinrichtung 19 gestrichelt eingezeichnet ist. Dort sind außerdem die Stranggruppen 17, 17 sichtbar. In derselben Stellung befindet sich der Grundrahmen 15 in Fig. 6.
Die Ermittlung der Profildicke 11 erfolgt über eine entsprechende Signalauswertung und Verarbeitung in der Auswerte-Elektronik 20. Die Lage des Knüppelstranges 1 a mit einer Querschnittsform 13 innerhalb des Grundrahmens 15 ist bedingt durch das verwendete Messprinzip. Jeder Sensor 14 erfasst Lage und Abstand der jeweiligen Profilseite 1 c. Aufgrund der verwendeten zeitsynchronen Auswertung der Signale kann eine von der Querschnittsform 13 unabhängige Messung der Profildicke 11 vorgenommen werden. Die gewählte Messmethode wird dadurch nicht beeinträchtigt.
Bezugszeichenliste
1
Gießstrang
1a
Knüppelstrang
1 b
Mitte
1 c
Profilseite
2
Stranggießmaschine
3
Mehrstranggießanlage
4
flüssiger Stahl
5
Gießpfanne
6
Verteilergefäß
7
Stranggießkokille
8
Kühlkammer
9
Stützrollengerüst
10
Richt-Treiber-Einheit
11
Profildicke
12
Profilform
13
Querschnittsform
14
Sensor
15
Grundrahmen
16
paralleler Strangverlauf
17
Stranggruppe
18
Schienenführung
19
Messeinrichtung
20
Auswerte-Elektronik
21
Spritzbereich
22
flexible Medienverbindung
23
Medienanschluss
24
flexible Kabelverbindung
25 26
Mess-Computer
27
Schalthaus
28
Messposition
29
Verfahrweg
30
Parkposition
31
Wartungsbereich

Claims (13)

  1. Verfahren zum berührungslosen Messen der Profildicke (11) und / oder der Profilform (12) an Gießsträngen (1) einer Mehrstranggießanlage (3) für flüssige Metalle, insbesondere für Stahl (4), bei dem Profildicken (11) oder Profilformen (12) eines Knüppel-, Block-, Beamblank-, Brammen- oder Dünnbrammen-Gießstranges (1) über Sensoren (14) gemessen werden,
    dadurch gekennzeichnet, dass eine instationäre Messeinrichtung (19) nach Auswählen eines zu messenden Gießstrangs (1) in eine Messposition (28) senkrecht zum Verlauf einer Stranggruppe (17) der parallelen Gießstränge (1) verfahren und der Messvorgang ausgelöst wird.
  2. Verfahren nach Anspruch 1,
    dadurch gekennzeichnet, dass die instationäre Messeinrichtung (19) auf die jeweilige Mitte (1b) des Gießstranges (1) eingestellt wird.
  3. Verfahren nach den Ansprüchen 1 und 2,
    dadurch gekennzeichnet, dass das Einstellen der Messposition (28) in einer Gießpause durchgeführt wird.
  4. Verfahren nach einem der Ansprüche 1 bis 3,
    dadurch gekennzeichnet, dass zum Einstellen der Messposition (28) die Messeinrichtung (19) in eine Parkposition (30) außerhalb des Strahlungsbereichs der Stranggruppe (17) oder in einen abgeschirmten Wartungsbereich (31) verfahren wird.
  5. Verfahren nach einem der Ansprüche 1 bis 4,
    dadurch gekennzeichnet, dass entweder die gesamte Profilform (12) eines Gießstranges (1) oder zumindest eine Profilseite (1c) gemessen werden.
  6. Einrichtung zum berührungslosen Messen der Profildicke (11) und / oder der Profilform (12) an Gießsträngen (1) einer Mehrstranggießanlage (3) für flüssige Metalle, insbesondere für flüssigen Stahl (4), mit Querschnittsformen (13) und -abmessungen eines Knüppel-, Block-, Beamblank-, Brammen- oder Dünnbrammen-Gießstranges (1) mittels Sensoren (14), die innerhalb eines die Querschnittsform (13) umgebenden Grundrahmens (15) angeordnet sind,
    dadurch gekennzeichnet, dass senkrecht zum parallelen Strangverlauf (16) der Stranggruppe (17) eine Schienenführung (18) für einen innen gekühlten, hin- und herverfahrbaren Grundrahmen (15) verläuft, in dem die Messeinrichtung (19) mit den Sensoren (14) angeordnet ist, wobei die Sensoren (14) mit einer Auswerte-Elektronik (20) entfernt von den Gießsträngen (1) kommunizieren.
  7. Einrichtung nach Anspruch 6,
    dadurch gekennzeichnet, dass die Schienenführung (18) außerhalb des Spritzbereichs (21) der Kühlkammer (8) angeordnet ist.
  8. Einrichtung nach einem der Ansprüche 6 oder 7,
    dadurch gekennzeichnet, dass der innen gekühlte Grundrahmen (15) mittels flexiblen Medienverbindungen (22) an Medienanschlüsse (23) gekuppelt oder in der jeweiligen Messposition (28) über örtlich vorgesehene Kupplungen verbindbar ist.
  9. Einrichtung nach einem der Ansprüche 6 bis 8,
    dadurch gekennzeichnet, dass der innen gekühlte Grundrahmen (15) aus Edelstahl hergestellt ist.
  10. Einrichtung nach einem der Ansprüche 6 bis 9,
    dadurch gekennzeichnet, dass die zu jedem Gießstrang (1) gehörenden Messpositionen (28) mittels mechanischen Fixierungen reproduzierbar sind.
  11. Einrichtung nach Anspruch 6,
    dadurch gekennzeichnet, dass die Sensoren (14) mittels flexiblen und / oder variablen Kabelverbindungen (24) an die Auswerte-Elektronik (20) angeschlossen sind oder über eine drahtlose Funkverbindung kommunizieren.
  12. Einrichtung nach einem der Ansprüche 6, 10 oder 11,
    dadurch gekennzeichnet, dass die Auswerte-Elektronik (20) in Form eines Mess-Computers (26) im Schalthaus (27) der Stranggießmaschine (2) untergebracht ist.
  13. Einrichtung nach einem der Ansprüche 6, 11 und 12,
    dadurch gekennzeichnet, dass die Sensoren (14) in dem Grundrahmen (15) für eine beidseitige Abstandsmessung zur jeweiligen Profilseite (1c) symmetrisch paarweise gegenüberliegend angeordnet sind.
EP04014660A 2003-08-08 2004-06-23 Verfahren und Einrichtung zum berührungslosen Messen der Profildicke und/oder der Profilform an Giesssträngen einer Mehrstranggiessanlage für flüssige Metalle, insbesondere für Stahl Expired - Lifetime EP1504832B1 (de)

Applications Claiming Priority (2)

Application Number Priority Date Filing Date Title
DE10336444A DE10336444A1 (de) 2003-08-08 2003-08-08 Verfahren und Einrichtung zum berührungslosen Messen der Profildicke und/oder der Profilform an Gießsträngen einer Mehrstranggießanlage für flüssige Metalle, insbesondere für Stahl
DE10336444 2003-08-08

Publications (2)

Publication Number Publication Date
EP1504832A1 true EP1504832A1 (de) 2005-02-09
EP1504832B1 EP1504832B1 (de) 2008-02-13

Family

ID=33547154

Family Applications (1)

Application Number Title Priority Date Filing Date
EP04014660A Expired - Lifetime EP1504832B1 (de) 2003-08-08 2004-06-23 Verfahren und Einrichtung zum berührungslosen Messen der Profildicke und/oder der Profilform an Giesssträngen einer Mehrstranggiessanlage für flüssige Metalle, insbesondere für Stahl

Country Status (3)

Country Link
EP (1) EP1504832B1 (de)
AT (1) ATE385867T1 (de)
DE (2) DE10336444A1 (de)

Cited By (1)

* Cited by examiner, † Cited by third party
Publication number Priority date Publication date Assignee Title
EP1917115B2 (de) 2005-11-22 2018-03-14 SMS group GmbH Verfahren und vorrichtung zum anstellen von mindestens einem rollensegment einer strangführungseinrichtung an einen strang

Citations (3)

* Cited by examiner, † Cited by third party
Publication number Priority date Publication date Assignee Title
US4311392A (en) * 1979-09-21 1982-01-19 Bridgestone Tire Company Limited Thickness measuring apparatus for non-metallic sheet-shaped bodies
DE3240515A1 (de) * 1982-10-30 1984-05-03 Licentia Patent-Verwaltungs-Gmbh, 6000 Frankfurt Einrichtung zur bestimmung der spiesskantigkeit von stranggiessknueppeln waehrend des giessprozesses
US5388341A (en) * 1993-08-04 1995-02-14 Data Measurement Corporation Virtual two gauge profile system

Patent Citations (3)

* Cited by examiner, † Cited by third party
Publication number Priority date Publication date Assignee Title
US4311392A (en) * 1979-09-21 1982-01-19 Bridgestone Tire Company Limited Thickness measuring apparatus for non-metallic sheet-shaped bodies
DE3240515A1 (de) * 1982-10-30 1984-05-03 Licentia Patent-Verwaltungs-Gmbh, 6000 Frankfurt Einrichtung zur bestimmung der spiesskantigkeit von stranggiessknueppeln waehrend des giessprozesses
US5388341A (en) * 1993-08-04 1995-02-14 Data Measurement Corporation Virtual two gauge profile system

Cited By (1)

* Cited by examiner, † Cited by third party
Publication number Priority date Publication date Assignee Title
EP1917115B2 (de) 2005-11-22 2018-03-14 SMS group GmbH Verfahren und vorrichtung zum anstellen von mindestens einem rollensegment einer strangführungseinrichtung an einen strang

Also Published As

Publication number Publication date
ATE385867T1 (de) 2008-03-15
DE502004006165D1 (de) 2008-03-27
EP1504832B1 (de) 2008-02-13
DE10336444A1 (de) 2005-03-10

Similar Documents

Publication Publication Date Title
EP2024110B1 (de) Vorrichtung zum messen der breite und/oder der bandlage eines metallbandes oder einer bramme
DE69515251T2 (de) Formen von dünnen metallurgischen Produkten zwischen zwei Zylindern
EP1142653B1 (de) Walzenkühl- und/oder Schmiervorrichtung für Kaltbandwalzwerke, insbesondere Feinband- und Folienwalzwerke
EP1706233A1 (de) Verfahren und einrichtung zum bestimmen der lage der sumpfspitze im giessstrang beim stranggiessen von flüssigen metallen, insbesondere von flüssigen stahlwerkstoffen
DE102009010251A1 (de) Vorrichtung und Verfahren zur Sekundärkühlung in einer Stranggießanlage
DE19627336C1 (de) Verfahren zum Führen eines Stranges und Strangführung
WO2006037555A1 (de) Verfahren und rollensegment zum bestimmen der kernerstarrung und/oder der sumpfspitze beim stranggiessen von metallen, insbesondere von stahlwerkstoffen
DE2450405C3 (de) Vorrichtung zur Messung des Walzenabstands in einer bogenförmigen Stranggießmaschine
DE69307158T2 (de) Verfahren und Vorrichtung zur Bestimmung der Dicke der Feuerfeststoffebeschichtung in einem Behälter für schmelzflüssiges Metall und zum Nachweis von durchdringendem Metall in der Beschichtung
EP1504832B1 (de) Verfahren und Einrichtung zum berührungslosen Messen der Profildicke und/oder der Profilform an Giesssträngen einer Mehrstranggiessanlage für flüssige Metalle, insbesondere für Stahl
DE3136394C2 (de)
WO2010127820A1 (de) Spritzbalken, strecke und verfahren zum aufbringen eines mediums auf ein produkt
EP1187688B1 (de) Automatisches verwaltungssystem für walzwerk
DE69605946T2 (de) Verfahren und vorrichtung zum schleifen insbesondere von brammen
EP3069133B1 (de) Verfahren und vorrichtung zur kontaktlosen überprüfung der beschaffenheit eines metallurgischen giessproduktes
EP1486275A1 (de) Verfahren und Stranggiessmaschine zum Grundeinstellen und Kontrollieren der Rollenspalte von Führungsrollensegmenten oder Treiberrollenpaaren
DD153643A5 (de) Einrichtung zur identifizierung von giessformeinheiten einer giessstrasse
EP3663017A1 (de) Überwachen eines verschleisszustands einer strangführungsrolle einer stranggiessanlage
EP0213060B1 (de) Verfahren und Auszieheinrichtung zum Horizontalstranggiessen von Metall, insbes. von Stahl
DE19547438C2 (de) Sensorträger
EP2053351A2 (de) Messsystem, insbesondere zur Messung von Nuten
EP1543900B1 (de) Verfahren und Stranggiessmaschine zum Grundeinstellen und Kontrollieren der Rollenspalte von Stützrollensegmenten oder Treiberrollenpaaren beim Giessen von flüssigen Metallen, insbesondere von flüssigen Stahlwerkstoffen
AT411579B (de) Verfahren und markiereinrichtung für ein stranggussprofil
EP3784423B1 (de) Schrägwalzwerk mit hydraulischer walzenanstellung
EP0463427B1 (de) Honmachine

Legal Events

Date Code Title Description
PUAI Public reference made under article 153(3) epc to a published international application that has entered the european phase

Free format text: ORIGINAL CODE: 0009012

17P Request for examination filed

Effective date: 20040624

AK Designated contracting states

Kind code of ref document: A1

Designated state(s): AT BE BG CH CY CZ DE DK EE ES FI FR GB GR HU IE IT LI LU MC NL PL PT RO SE SI SK TR

AX Request for extension of the european patent

Extension state: AL HR LT LV MK

RIN1 Information on inventor provided before grant (corrected)

Inventor name: ALFRED ARLT

Inventor name: DR.STEPHAN FELDHAUS

Inventor name: FEST, THOMAS

Inventor name: JOHANNES ERIC FROESE

Inventor name: WEYER, AXEL

AKX Designation fees paid

Designated state(s): AT BE BG CH CY CZ DE DK EE ES FI FR GB GR HU IE IT LI LU MC NL PL PT RO SE SI SK TR

GRAP Despatch of communication of intention to grant a patent

Free format text: ORIGINAL CODE: EPIDOSNIGR1

GRAA (expected) grant

Free format text: ORIGINAL CODE: 0009210

GRAS Grant fee paid

Free format text: ORIGINAL CODE: EPIDOSNIGR3

AK Designated contracting states

Kind code of ref document: B1

Designated state(s): AT BE BG CH CY CZ DE DK EE ES FI FR GB GR HU IE IT LI LU MC NL PL PT RO SE SI SK TR

REG Reference to a national code

Ref country code: GB

Ref legal event code: FG4D

Free format text: NOT ENGLISH

REG Reference to a national code

Ref country code: CH

Ref legal event code: EP

REG Reference to a national code

Ref country code: IE

Ref legal event code: FG4D

Free format text: LANGUAGE OF EP DOCUMENT: GERMAN

REF Corresponds to:

Ref document number: 502004006165

Country of ref document: DE

Date of ref document: 20080327

Kind code of ref document: P

PG25 Lapsed in a contracting state [announced via postgrant information from national office to epo]

Ref country code: ES

Free format text: LAPSE BECAUSE OF FAILURE TO SUBMIT A TRANSLATION OF THE DESCRIPTION OR TO PAY THE FEE WITHIN THE PRESCRIBED TIME-LIMIT

Effective date: 20080524

Ref country code: FI

Free format text: LAPSE BECAUSE OF FAILURE TO SUBMIT A TRANSLATION OF THE DESCRIPTION OR TO PAY THE FEE WITHIN THE PRESCRIBED TIME-LIMIT

Effective date: 20080213

NLV1 Nl: lapsed or annulled due to failure to fulfill the requirements of art. 29p and 29m of the patents act
PG25 Lapsed in a contracting state [announced via postgrant information from national office to epo]

Ref country code: PL

Free format text: LAPSE BECAUSE OF FAILURE TO SUBMIT A TRANSLATION OF THE DESCRIPTION OR TO PAY THE FEE WITHIN THE PRESCRIBED TIME-LIMIT

Effective date: 20080213

Ref country code: SI

Free format text: LAPSE BECAUSE OF FAILURE TO SUBMIT A TRANSLATION OF THE DESCRIPTION OR TO PAY THE FEE WITHIN THE PRESCRIBED TIME-LIMIT

Effective date: 20080213

REG Reference to a national code

Ref country code: IE

Ref legal event code: FD4D

PG25 Lapsed in a contracting state [announced via postgrant information from national office to epo]

Ref country code: PT

Free format text: LAPSE BECAUSE OF FAILURE TO SUBMIT A TRANSLATION OF THE DESCRIPTION OR TO PAY THE FEE WITHIN THE PRESCRIBED TIME-LIMIT

Effective date: 20080714

Ref country code: DK

Free format text: LAPSE BECAUSE OF FAILURE TO SUBMIT A TRANSLATION OF THE DESCRIPTION OR TO PAY THE FEE WITHIN THE PRESCRIBED TIME-LIMIT

Effective date: 20080213

Ref country code: NL

Free format text: LAPSE BECAUSE OF FAILURE TO SUBMIT A TRANSLATION OF THE DESCRIPTION OR TO PAY THE FEE WITHIN THE PRESCRIBED TIME-LIMIT

Effective date: 20080213

Ref country code: SE

Free format text: LAPSE BECAUSE OF FAILURE TO SUBMIT A TRANSLATION OF THE DESCRIPTION OR TO PAY THE FEE WITHIN THE PRESCRIBED TIME-LIMIT

Effective date: 20080513

Ref country code: IE

Free format text: LAPSE BECAUSE OF FAILURE TO SUBMIT A TRANSLATION OF THE DESCRIPTION OR TO PAY THE FEE WITHIN THE PRESCRIBED TIME-LIMIT

Effective date: 20080213

Ref country code: SK

Free format text: LAPSE BECAUSE OF FAILURE TO SUBMIT A TRANSLATION OF THE DESCRIPTION OR TO PAY THE FEE WITHIN THE PRESCRIBED TIME-LIMIT

Effective date: 20080213

Ref country code: CZ

Free format text: LAPSE BECAUSE OF FAILURE TO SUBMIT A TRANSLATION OF THE DESCRIPTION OR TO PAY THE FEE WITHIN THE PRESCRIBED TIME-LIMIT

Effective date: 20080213

PG25 Lapsed in a contracting state [announced via postgrant information from national office to epo]

Ref country code: RO

Free format text: LAPSE BECAUSE OF FAILURE TO SUBMIT A TRANSLATION OF THE DESCRIPTION OR TO PAY THE FEE WITHIN THE PRESCRIBED TIME-LIMIT

Effective date: 20080213

EN Fr: translation not filed
PLBE No opposition filed within time limit

Free format text: ORIGINAL CODE: 0009261

STAA Information on the status of an ep patent application or granted ep patent

Free format text: STATUS: NO OPPOSITION FILED WITHIN TIME LIMIT

BERE Be: lapsed

Owner name: SMS DEMAG A.G.

Effective date: 20080630

26N No opposition filed

Effective date: 20081114

PG25 Lapsed in a contracting state [announced via postgrant information from national office to epo]

Ref country code: MC

Free format text: LAPSE BECAUSE OF NON-PAYMENT OF DUE FEES

Effective date: 20080630

REG Reference to a national code

Ref country code: CH

Ref legal event code: PL

PG25 Lapsed in a contracting state [announced via postgrant information from national office to epo]

Ref country code: BE

Free format text: LAPSE BECAUSE OF NON-PAYMENT OF DUE FEES

Effective date: 20080630

PG25 Lapsed in a contracting state [announced via postgrant information from national office to epo]

Ref country code: FR

Free format text: LAPSE BECAUSE OF FAILURE TO SUBMIT A TRANSLATION OF THE DESCRIPTION OR TO PAY THE FEE WITHIN THE PRESCRIBED TIME-LIMIT

Effective date: 20081205

Ref country code: BG

Free format text: LAPSE BECAUSE OF FAILURE TO SUBMIT A TRANSLATION OF THE DESCRIPTION OR TO PAY THE FEE WITHIN THE PRESCRIBED TIME-LIMIT

Effective date: 20080513

Ref country code: EE

Free format text: LAPSE BECAUSE OF FAILURE TO SUBMIT A TRANSLATION OF THE DESCRIPTION OR TO PAY THE FEE WITHIN THE PRESCRIBED TIME-LIMIT

Effective date: 20080213

PG25 Lapsed in a contracting state [announced via postgrant information from national office to epo]

Ref country code: LI

Free format text: LAPSE BECAUSE OF NON-PAYMENT OF DUE FEES

Effective date: 20080630

Ref country code: CH

Free format text: LAPSE BECAUSE OF NON-PAYMENT OF DUE FEES

Effective date: 20080630

PG25 Lapsed in a contracting state [announced via postgrant information from national office to epo]

Ref country code: CY

Free format text: LAPSE BECAUSE OF FAILURE TO SUBMIT A TRANSLATION OF THE DESCRIPTION OR TO PAY THE FEE WITHIN THE PRESCRIBED TIME-LIMIT

Effective date: 20080213

PG25 Lapsed in a contracting state [announced via postgrant information from national office to epo]

Ref country code: HU

Free format text: LAPSE BECAUSE OF FAILURE TO SUBMIT A TRANSLATION OF THE DESCRIPTION OR TO PAY THE FEE WITHIN THE PRESCRIBED TIME-LIMIT

Effective date: 20080814

Ref country code: LU

Free format text: LAPSE BECAUSE OF NON-PAYMENT OF DUE FEES

Effective date: 20080623

PG25 Lapsed in a contracting state [announced via postgrant information from national office to epo]

Ref country code: TR

Free format text: LAPSE BECAUSE OF FAILURE TO SUBMIT A TRANSLATION OF THE DESCRIPTION OR TO PAY THE FEE WITHIN THE PRESCRIBED TIME-LIMIT

Effective date: 20080213

PG25 Lapsed in a contracting state [announced via postgrant information from national office to epo]

Ref country code: GR

Free format text: LAPSE BECAUSE OF FAILURE TO SUBMIT A TRANSLATION OF THE DESCRIPTION OR TO PAY THE FEE WITHIN THE PRESCRIBED TIME-LIMIT

Effective date: 20080514

PGFP Annual fee paid to national office [announced via postgrant information from national office to epo]

Ref country code: GB

Payment date: 20150618

Year of fee payment: 12

Ref country code: DE

Payment date: 20150619

Year of fee payment: 12

REG Reference to a national code

Ref country code: DE

Ref legal event code: R082

Ref document number: 502004006165

Country of ref document: DE

Representative=s name: HEMMERICH & KOLLEGEN, DE

Ref country code: DE

Ref legal event code: R081

Ref document number: 502004006165

Country of ref document: DE

Owner name: SMS GROUP GMBH, DE

Free format text: FORMER OWNER: SMS SIEMAG AKTIENGESELLSCHAFT, 40237 DUESSELDORF, DE

PGFP Annual fee paid to national office [announced via postgrant information from national office to epo]

Ref country code: IT

Payment date: 20150622

Year of fee payment: 12

Ref country code: AT

Payment date: 20150619

Year of fee payment: 12

REG Reference to a national code

Ref country code: DE

Ref legal event code: R119

Ref document number: 502004006165

Country of ref document: DE

REG Reference to a national code

Ref country code: AT

Ref legal event code: MM01

Ref document number: 385867

Country of ref document: AT

Kind code of ref document: T

Effective date: 20160623

GBPC Gb: european patent ceased through non-payment of renewal fee

Effective date: 20160623

PG25 Lapsed in a contracting state [announced via postgrant information from national office to epo]

Ref country code: DE

Free format text: LAPSE BECAUSE OF NON-PAYMENT OF DUE FEES

Effective date: 20170103

PG25 Lapsed in a contracting state [announced via postgrant information from national office to epo]

Ref country code: AT

Free format text: LAPSE BECAUSE OF NON-PAYMENT OF DUE FEES

Effective date: 20160623

Ref country code: GB

Free format text: LAPSE BECAUSE OF NON-PAYMENT OF DUE FEES

Effective date: 20160623

PG25 Lapsed in a contracting state [announced via postgrant information from national office to epo]

Ref country code: IT

Free format text: LAPSE BECAUSE OF NON-PAYMENT OF DUE FEES

Effective date: 20160623