EP1069265A2 - Zugangskontrolleinrichtung sowie Zugangskontroll- und Fahrberechtigungseinrichtung - Google Patents

Zugangskontrolleinrichtung sowie Zugangskontroll- und Fahrberechtigungseinrichtung Download PDF

Info

Publication number
EP1069265A2
EP1069265A2 EP00109565A EP00109565A EP1069265A2 EP 1069265 A2 EP1069265 A2 EP 1069265A2 EP 00109565 A EP00109565 A EP 00109565A EP 00109565 A EP00109565 A EP 00109565A EP 1069265 A2 EP1069265 A2 EP 1069265A2
Authority
EP
European Patent Office
Prior art keywords
signal
base station
code
bypass path
transmitter
Prior art date
Legal status (The legal status is an assumption and is not a legal conclusion. Google has not performed a legal analysis and makes no representation as to the accuracy of the status listed.)
Withdrawn
Application number
EP00109565A
Other languages
English (en)
French (fr)
Other versions
EP1069265A3 (de
Inventor
Thomas Röhrl
Peter Gold
Current Assignee (The listed assignees may be inaccurate. Google has not performed a legal analysis and makes no representation or warranty as to the accuracy of the list.)
Siemens AG
Siemens Corp
Original Assignee
Siemens AG
Siemens Corp
Priority date (The priority date is an assumption and is not a legal conclusion. Google has not performed a legal analysis and makes no representation as to the accuracy of the date listed.)
Filing date
Publication date
Application filed by Siemens AG, Siemens Corp filed Critical Siemens AG
Publication of EP1069265A2 publication Critical patent/EP1069265A2/de
Publication of EP1069265A3 publication Critical patent/EP1069265A3/de
Withdrawn legal-status Critical Current

Links

Images

Classifications

    • GPHYSICS
    • G07CHECKING-DEVICES
    • G07CTIME OR ATTENDANCE REGISTERS; REGISTERING OR INDICATING THE WORKING OF MACHINES; GENERATING RANDOM NUMBERS; VOTING OR LOTTERY APPARATUS; ARRANGEMENTS, SYSTEMS OR APPARATUS FOR CHECKING NOT PROVIDED FOR ELSEWHERE
    • G07C9/00Individual registration on entry or exit
    • G07C9/00174Electronically operated locks; Circuits therefor; Nonmechanical keys therefor, e.g. passive or active electrical keys or other data carriers without mechanical keys
    • G07C9/00309Electronically operated locks; Circuits therefor; Nonmechanical keys therefor, e.g. passive or active electrical keys or other data carriers without mechanical keys operated with bidirectional data transmission between data carrier and locks
    • GPHYSICS
    • G07CHECKING-DEVICES
    • G07CTIME OR ATTENDANCE REGISTERS; REGISTERING OR INDICATING THE WORKING OF MACHINES; GENERATING RANDOM NUMBERS; VOTING OR LOTTERY APPARATUS; ARRANGEMENTS, SYSTEMS OR APPARATUS FOR CHECKING NOT PROVIDED FOR ELSEWHERE
    • G07C9/00Individual registration on entry or exit
    • G07C9/00174Electronically operated locks; Circuits therefor; Nonmechanical keys therefor, e.g. passive or active electrical keys or other data carriers without mechanical keys
    • G07C9/00309Electronically operated locks; Circuits therefor; Nonmechanical keys therefor, e.g. passive or active electrical keys or other data carriers without mechanical keys operated with bidirectional data transmission between data carrier and locks
    • G07C2009/00365Electronically operated locks; Circuits therefor; Nonmechanical keys therefor, e.g. passive or active electrical keys or other data carriers without mechanical keys operated with bidirectional data transmission between data carrier and locks in combination with a wake-up circuit
    • G07C2009/00373Electronically operated locks; Circuits therefor; Nonmechanical keys therefor, e.g. passive or active electrical keys or other data carriers without mechanical keys operated with bidirectional data transmission between data carrier and locks in combination with a wake-up circuit whereby the wake-up circuit is situated in the lock
    • GPHYSICS
    • G07CHECKING-DEVICES
    • G07CTIME OR ATTENDANCE REGISTERS; REGISTERING OR INDICATING THE WORKING OF MACHINES; GENERATING RANDOM NUMBERS; VOTING OR LOTTERY APPARATUS; ARRANGEMENTS, SYSTEMS OR APPARATUS FOR CHECKING NOT PROVIDED FOR ELSEWHERE
    • G07C9/00Individual registration on entry or exit
    • G07C9/00174Electronically operated locks; Circuits therefor; Nonmechanical keys therefor, e.g. passive or active electrical keys or other data carriers without mechanical keys
    • G07C9/00309Electronically operated locks; Circuits therefor; Nonmechanical keys therefor, e.g. passive or active electrical keys or other data carriers without mechanical keys operated with bidirectional data transmission between data carrier and locks
    • G07C2009/00507Electronically operated locks; Circuits therefor; Nonmechanical keys therefor, e.g. passive or active electrical keys or other data carriers without mechanical keys operated with bidirectional data transmission between data carrier and locks keyless data carrier having more than one function
    • G07C2009/00531Electronically operated locks; Circuits therefor; Nonmechanical keys therefor, e.g. passive or active electrical keys or other data carriers without mechanical keys operated with bidirectional data transmission between data carrier and locks keyless data carrier having more than one function immobilizer
    • GPHYSICS
    • G07CHECKING-DEVICES
    • G07CTIME OR ATTENDANCE REGISTERS; REGISTERING OR INDICATING THE WORKING OF MACHINES; GENERATING RANDOM NUMBERS; VOTING OR LOTTERY APPARATUS; ARRANGEMENTS, SYSTEMS OR APPARATUS FOR CHECKING NOT PROVIDED FOR ELSEWHERE
    • G07C9/00Individual registration on entry or exit
    • G07C9/00174Electronically operated locks; Circuits therefor; Nonmechanical keys therefor, e.g. passive or active electrical keys or other data carriers without mechanical keys
    • G07C2009/00753Electronically operated locks; Circuits therefor; Nonmechanical keys therefor, e.g. passive or active electrical keys or other data carriers without mechanical keys operated by active electrical keys
    • G07C2009/00769Electronically operated locks; Circuits therefor; Nonmechanical keys therefor, e.g. passive or active electrical keys or other data carriers without mechanical keys operated by active electrical keys with data transmission performed by wireless means
    • G07C2009/00793Electronically operated locks; Circuits therefor; Nonmechanical keys therefor, e.g. passive or active electrical keys or other data carriers without mechanical keys operated by active electrical keys with data transmission performed by wireless means by Hertzian waves
    • GPHYSICS
    • G07CHECKING-DEVICES
    • G07CTIME OR ATTENDANCE REGISTERS; REGISTERING OR INDICATING THE WORKING OF MACHINES; GENERATING RANDOM NUMBERS; VOTING OR LOTTERY APPARATUS; ARRANGEMENTS, SYSTEMS OR APPARATUS FOR CHECKING NOT PROVIDED FOR ELSEWHERE
    • G07C2209/00Indexing scheme relating to groups G07C9/00 - G07C9/38
    • G07C2209/08With time considerations, e.g. temporary activation, valid time window or time limitations

Definitions

  • the invention relates to a control system and method for Control at least one function of an object where Measures to prevent unauthorized use or Access to the object are met.
  • the invention relates also an access control and driving authorization facility for a motor vehicle.
  • the base station checks the response code signal received with regard to its justification, for example by comparison a code information contained in the response code signal with a stored reference code information. With authorization the desired function is carried out, such as unlocking the motor vehicle doors or that Release the immobilizer.
  • Such a system can pose security problems result, for example by unauthorized eavesdropping and manipulation wireless communication between motor vehicles and code transmitter.
  • a control device of functions of an object in particular the access and Driver authorization control for a motor vehicle known (DE 196 32 025 C2), in which the communication duration of the question-answer dialog measured and with a predetermined maximum duration is compared.
  • the signal delays are compared to the computing times very little, so that increased Make signal runtimes not noticeable and therefore not can serve as protection against manipulation by unauthorized persons.
  • the invention has for its object to a control system create that through increased security against unauthorized Attempted use distinguishes without making major Interventions in the system are required.
  • the invention is a method according to claim 8 provided an improvement over that offers unauthorized execution of the associated function.
  • Transmitted signal and the reception of these parts determined, i.e. it becomes the system response time to determine, so to speak the distance between the code transmitter and the object-side Base station measured.
  • This measurement preferably takes place from energy-related or logical, system-related Reasons take place in the base station, however, depending after system design, can also be adopted by the encoder.
  • the evaluation circuit measures in this Fall the time between signal transmission and reception at least one or more marked sections or parts of the signals and compares these time periods in the simplest case with a predetermined reference period, which entitle to receive the signal back from a Sufficient code transmitter located close to the motor vehicle due to an unauthorized remote access of the above influences are usually exceeded becomes.
  • the base station is designed such that it only executes or releases the desired function if at least the specially marked parts of the signals have been received within the specified period of time.
  • System component generating response signal here the code transmitter
  • transmitter amplifier and / or antenna Processing operations with a view to receiving a Interrogation signal, the detection and evaluation of the interrogation signal, the generation / calculation of a response signal and the Sending the same are conditional, is preferably that System component generating response signal (here the code transmitter) equipped with a bypass path, at least over the bypassing a marked portion of the received signal its own evaluation circuit directly to the transmitter (transmitter amplifier and / or antenna) can be conducted and thus almost sent back to the sending component without delay becomes.
  • the corresponding parts are almost without delay, apart of the short group duration, reflected (transparency mode of the code provider).
  • the delay time between sending and then receiving a signal is essentially only due to running time, so that a distance measurement to a certain extent between the base station and the code transmitter takes place.
  • An additional analog or digital processing of the original signal would result in additional processing times with them, which are much longer than the signal propagation time in free space.
  • the bypass path is preferably a controllable one Provide switches so that the bypass path is only temporary direct forwarding of parts of the received Signals to the transmitter causes, but can otherwise be switched off and thus the signal communication (and the energy content) of the received signal is not impaired.
  • the component equipped with the bypass path is received signal not only to the bypass path, but can also create its own evaluation circuit at the same time this the received signal on correct, for the concerned Check the component's intended code and if the code is correct (or code information) possibly an additional one Signal, for example a pulse or a pulse train, to the one sent and sent via the bypass path Append signal.
  • This allows a further increase in Tamper-proof, e.g. versus using fake Transponders.
  • the one that generates the question code signal Component or additional impulses, or that Question code signal with itself from pulse to pulse or signal to Signal changing field strength, pulse duration or frequency or sequence or pulse / pause ratio.
  • the component generating the question code signal in the form of corresponding field strength, pulse length or frequency differences back so an additional security parameter is available from the one that generates the question code signal Component by comparing the received field strength, Pulse length or frequency curve with the expected Course is evaluated.
  • the encoder can for example from the transmitter unit during the vehicle locking process information is sent to the customer transmit frequency to be used in the subsequent opening or starting process signals, to which the encoder then adjusts itself.
  • the transmitter is the code transmitter is set to the correct frequency, so that the impulses passed through the bypass path almost over the right frequency or channel without delay without settling or the like, be returned.
  • the base station may be due to this considerable time delay that of one before The code transmitter located in the signal is clearly returned by a signal supplied via unauthorized remote access, for example by specifying a time window for the response signal distinguish that when the arrival via the remote query route greatly delayed or distorted response signal supplied is already closed again, so this response signal is rejected as late.
  • next transmission frequency to be selected can also be another signal parameter, for example the amplitude, type of modulation or the like from the base station be ordered.
  • the invention can generally not only in the control of Access control function or immobilizer function, but also with others, only if there is a legitimate one Key functions to be performed, and also in general the authorization-relevant control of non-vehicle-related Functions of objects, e.g. access control to houses, apartments, offices, hotels, parking garages, Garages or the like are used.
  • the invention is described below using the exemplary embodiment an access control and driving authorization device for a motor vehicle based on the single figure explained. However, the invention cannot be applied to only one Motor vehicle, but also used in other objects for which an authorization must be proven, to object-specific functions, such as access to the object Taxes.
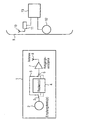
  • the control system for a motor vehicle includes a portable one Code transmitter or an electronic "key" that one Transmitter 7, 8 and a receiver 2.
  • the code encoder can be designed as a card (smart card) or in any other way and serves as an identification transmitter, which after receipt a response code signal automatically from a request signal sends back. Therefore, the code encoder is in the following as Transponder 1 called.
  • the response code signal contains one a carrier frequency modulated for the transponder 1 characteristic binary code information.
  • the transponder 1 has a schematically illustrated reception circuit with the receiver 2, the radio frequency signals recorded via an antenna and possibly after demodulation to a computing unit (controller) 4, which transmits the received and processed demodulated question code signal, in particular decodes, and examines whether it is an attached to the transponder 1 directed question code signal of a vehicle-side fixed attached control device (base station 14). Is if this is the case, the computing unit 4 generates using the response code signal and / or stored information and / or a mathematical algorithm a code information that with an output amplifier / modulator 7 of a carrier frequency is modulated and via an antenna 8 as a response code signal is sent out.
  • the signal processing in the computing unit 4 requires one Duration that is significantly longer than the signal propagation times between base station 14 and transponder 1, which at wireless transmission of the signals. So only that pure signal propagation times measured for wireless transmission and thus a distance from the transponder 1 to the base station 14 can be determined, the transponder 1 has one Bypass path 5 as a bypass of the computing unit 4 in the form a continuous line (hereinafter referred to as bypass path 5 referred to), via which the receiver 2 directly with the Output amplifier 7 is connected.
  • a controllable switch 3, 6 arranged, depending on Can be switched to the bypass path as needed.
  • the Receiving circuit 2 is either by using switch 3 Input of the computing unit 4 or connected to the bypass path 5, whereas the switch 6 the input of the output amplifier 7 either with the bypass path 5 or with the Output of the computing unit 4 connects.
  • the switches 3, 6 are preferably designed and constructed as a semiconductor switch controlled synchronously by the computing unit 4 such that they are either in the position shown or connected to the input and output of the computing unit 4 are.
  • the receiving circuit 2 also permanently connected to the input of the computing unit 4 his.
  • the switch 3 can then be omitted entirely or arranged in this way be either bypassing 5 with this one Connection line between the receiving circuit 2 and the Computing unit 4 connects or the bypass path 5 selectively disconnects from this connecting line.
  • the output of the computing unit 4 can also be fixed with the Input of the output amplifier 7 may be connected, the Bypass path 5 then via switch 6 either additionally connected to the input of the output amplifier 7 or from this is separated.
  • the control system of the schematically represented motor vehicle 9 contains a transmission unit 12, which is connected to a motor vehicle, for example attached to the outside or inside mirror Antenna 10 can send signals, and a receiving unit 12 for receiving externally supplied signals, in particular Response code signals from one of the access control or driving authorization devices assigned to the motor vehicle Transponders 1.
  • the transmitting and receiving unit 11, 12 is with a control device 13 for controlling transmission and reception of signals, generation and evaluation of signals and for Control vehicle-specific functions, for example a central locking system or an immobilizer system, connected.
  • the transmitting and receiving unit 11, 12 and the control unit 13 form the base station 14.
  • An access signal is used for access control (for example, operating the door handle or another Switch on the outside of the motor vehicle) a question code signal triggered and via the transmitter unit 11 with her Antenna 10 emitted. If there is a transponder 1 in the area is present and via his receiving group 2 the question code signal receives, it is checked in the computing unit 4, whether it's actually the question code signal for this Transponder 1 is intended. If so, generated the computing unit 4 a defined response code signal, the sent back to the receiving unit 12 via the antenna 8 becomes.
  • the response code signal contains encrypted code information, which is checked in the base station 14 for authorization becomes. If the response code signal is justified, it will be shown below described runtime analysis and if necessary then access by unlocking door locks enables.
  • the same process takes place to release the immobilizer and start the internal combustion engine.
  • An ignition start switch is used for the question-answer dialog. Consequently the motor vehicle can be used, i.e. the driving operation is released.
  • the same operating procedure also applies the control of another vehicle-specific function, for example user-specific settings of seats or mirrors, or release of use from mobile phone or internet in the motor vehicle too.
  • the Switches 3 and 6 temporarily switched so that one or several marked or marked parts or sections (hereinafter referred to as check bits) of the question code signal directly to the transmitter 7, 8, while at least the remaining parts of the question code signal of the computing unit 4 are supplied.
  • the check bits are one or more bits of a binary (encoded) Information contained in the question code signal as one Carrier frequency is present modulated or the one separately binary information transmitted by the question code signal is.
  • This coding can change continuously according to a fixed random principle.
  • the base station measures the transit times of the test bits, namely from transmission to receipt of the test bits.
  • the base station 14 is designed so that the time the transmission of a signal via the transmission unit 11 and the Receipt of a response signal detected via the receiving unit 12 (especially the check bits relevant for the runtime). So there is a real-time measurement in the base station 14 instead of starting with sending test bits by base station 14 and the end by receiving the corresponding test bits given by the base station 14 is.
  • the runtime of the check bits i.e. from transmission by the transmission unit 11 until reception by the receiving unit 12 is measured and with a maximum permissible reference term compared. Only if the runtime of the check bits is within the reference term and the code information entitles functions are controlled in the motor vehicle.
  • the reference running time is determined during an initialization phase (for example at the end of the assembly line during the manufacture of the motor vehicle) in such a way that the running time of a signal is measured, which is sent to a transponder 1 that is at a fixed, short distance from the motor vehicle and is transmitted directly from it A tolerance value (for example 50%) is then added to the measured transit time value (possibly averaged over several measurements).
  • the reference transit time thus obtained is much smaller than a transit time taking into account the processing time in the computing unit of the transponder 1.
  • the maximum permissible reference term is in one configuration without bypass path 5 dimensioned so that a response code signal from a place far from the motor vehicle Transponder 1 is recognized as not permitted. So if that Response code signal via an unauthorized remote access to the remotely located transponder 1 is requested, result themselves much longer terms, so the sum of all Time delays are significantly greater than with one nearby or transponder 1 located in the motor vehicle.
  • the transponder 1 should be used in a motor vehicle a maximum of only a few meters from the motor vehicle his. Only then should access be possible.
  • the direct electrical connection between the receiving circuit (s) 2 (the number of receiving channels depends, for example on the number of channels or frequency bands ab, which can be covered by the identity provider) and the Output stage 7, 8 is from the computing unit 4 by appropriate Position of switches 3, 6 controlled.
  • switches 3 and 6 are in the idle state a switching state in which the input of the computing unit 4 is directly connected to the receiving circuit 2 and the output the computing unit 4 to the input of the output amplifier 7 connected. If now the base station 14 via the transmitter unit 11 sends out a question code signal to the Transponder 1 is directed, so the beginning of the question code signal recognized by the computing unit 4.
  • the transponder 1, i.e. the computing unit 4 and its switches controlled by it 3, 6 are synchronized so they arrive on time of the check bits in the transparency mode and after switch back the check bits.
  • the computing unit can then - starting with the first bit or start bit of the received binary information - switch 3 and 6 synchronously switch at the times specified by position / position and / or length and / or number of test bits so that the test bits are routed via the bypass path and immediately sent back in.
  • the transponder 1 is then (during the bypass) in a so-called transparency mode. At least the other parts of the question code signal are fed to the computing unit 4 in order to form the answer code signal with the help of the question code signal.
  • the evasion process advantageously takes place within a running, possibly encrypted data stream, namely within the question code signal and the answer code signal from. Then it is difficult for unauthorized persons recognize where the check bits are, how big they are and how many there are.
  • a start signal can also be sent through first that the computing unit 4 is synchronized.
  • the start signal can have one or more short pings that are considered as check bits and sent back directly become. Then the actual question code signal sent and then the response code signal are generated.
  • the pings can also be sent out after the question code signal However, there may be interference with the response code signal come as the pings instantaneous and the response code signal due to the processing time in the computing unit are sent out with a delay by transponder 1.
  • the base station 14 determines the time period between transmission the respective check bits and their return and compares this time period with the reference time period.
  • the computing unit 4 switches the switches 3 and 6 in such a way that the check bits are routed through the bypass path.
  • the Switches 3 and 6 can also be designed so that the Check bits both via the bypass path and in parallel are fed to the computing unit 4.
  • the base station 14 triggers test bits to perform the desired function off, for example unlocking the motor vehicle doors or starting the engine.
  • control system can also be designed such that the computing unit 4 after receiving the first question code signal first sends the response code signal back to base station 14 and only then switches 3 and 6 into the position shown switches, after which the base station 14 or the Check bits for determining the response time until receipt the response impulses generated.
  • the computing unit 4 can then be designed so that there is a additional pulse train or a single pulse generated and this to the through the bypass path 5 Check bits for additional identification confirmation attached.
  • the base station 14 can also be designed such that it the transmitted test bits in their field strength, pulse duration or frequency varies according to a predetermined scheme. This "Modulation" remains in transponder 1 during transmission receive the bypass path 5 so that the over the exit circuit 7, 8 returned pulses also this modulation contain. In this case, the base station 14 additionally measures the varied parameter, i.e. the field strength, pulse length and / or frequency change and only accepts pulse trains, that change in the expected way.
  • This "Modulation" remains in transponder 1 during transmission receive the bypass path 5 so that the over the exit circuit 7, 8 returned pulses also this modulation contain.
  • the base station 14 additionally measures the varied parameter, i.e. the field strength, pulse length and / or frequency change and only accepts pulse trains, that change in the expected way.
  • Correction factors dependent on field strength can also be transferred to runtime differences due to large dynamic differences to be able to compensate.
  • the above The specified security measures can then be carried out simultaneously with the actual Code exchanges take place, which is an unauthorized manipulation even more difficult. So the question code signal with the check bits for example at 125 kHz and the response code signal and the test bits are returned at 433 MHz.
  • the transponder 1 has several frequency bands on the transmission side or sweep at least several channels within a band can, it is designed for example in PLL technology and can optionally have a plurality of for different Output circuits designed for frequencies or channels 7, 8 have.
  • the transmitter and receiver unit also open the motor vehicle side are then also for several frequency bands or multiple channels within a band.
  • This can be used to advantage in that that the base station 14 the transmission frequency used in each case or changes the channel used and the transponder 1 the transmission frequency or channel to be used in advance, for example, by means of a corresponding code signal communicates. This allows maintaining a proper one Communication between the base station 14 and the Transponder 1.
  • the base station 14 can make the transmission frequency dependent, for example, on the respective input code or another code segment, for example a secret key, so that a constant frequency change, for example dependent on the bit status or the checksum or the like, results. Since only the base station 14 knows the codes and thus the new frequency to be used in each case, only the connected receiver can also carry out the correct frequency jump. This makes unauthorized eavesdropping difficult. The previous one Communicate "can of course also apply to the position / length / number of check bits.
  • base station 14 shares this Transponder 1 during a locking process of the motor vehicle in the form of a code signal with which frequency at the next contact, namely with the access control authorization query the next time you try to open the door, will be used.
  • the transponder 1 can then on set this new frequency and at the next communication send on this frequency.
  • Remote query means remains the one to be used next Frequency unknown.
  • the transponder 1 it is also possible for the transponder 1 to be active the frequency to be used and the frequency change defined and the base station 14 over it in the form of code signals informed.
  • the route that is routed via the bypass path 5 immediately returned signal with that from the computing unit 4 overlay the upcoming transmission signal so that interference effects, Zero crossing fluctuations and thus phase changes, as well Mixing frequencies occur at the receiving unit 12 that of the base station 14 can be detected (e.g. via a Phase comparison or an interference pattern evaluation). This enables an even more precise measurement of the delay times / running times that have occurred up to a distance measurement.
  • the question code signal and the answer code signal are code signals, which each have a binary information that one Carrier signal are modulated.
  • the binary information points many bit positions.
  • By encrypting the code signal changes with every new encryption process.
  • the code information can precede or succeed several bits that may be required for secure data transmission become.
  • the code information comes with an expected and target code information generated or stored at the receiving end compared.
  • Question code signal for the invention is to be understood as a signal that contains encoded information and the check bits (even if the check bits are sent sooner or later) and serves as a request to send the answer code signal.
  • Answer code signal to understand a signal that has both code information and the check bits, even if these parts arrive at the respective receiver at different times.
  • This code information becomes a carrier signal with the carrier frequency of 125 kHz modulated.
  • the code information for example, beginning with the 20th bit position - three check bits (corresponds to a duration of about 750 ⁇ s) marked.
  • the average throughput time (duration) of the check bits starting with the sending of the question code signal and ending with receiving the check bits immediately in transparency mode were sent back by transponder 1, amounts in the case of a transponder 1 arranged close to the motor vehicle about 20 ⁇ s (due to the running time at 125 KHz or 433 MHz).
  • the value 25 ⁇ s could serve as a reference runtime if 5 ⁇ s added as a safety tolerance. So if a term is measured for the test bits of less than 25 ⁇ s, so the authorized code information of the transponder 1 required to have the desired functions in the motor vehicle to execute.
  • multiple check bits could also be used be arranged in the question code signal, for example a Check bit starting at the 20th bit position with the number of 3 Bits and starting at the 43rd bit position with the number of 2 Bits. If the runtimes of the check bits are shorter than the reference term and also the two lengths of 3 bits and 2 with a corresponding time interval to each other and would be correctly captured at the right time, so would the response code signal recognized as justified with regard to its check bits.
  • the computing unit 4 is advantageously a microprocessor trained with associated memories.
  • the control unit is also 13 as a microprocessor with associated memories educated.
  • the transit time measurement can be done by a separate Unit. Likewise, the runtime measurement be made by the microprocessor.

Landscapes

  • Engineering & Computer Science (AREA)
  • Computer Networks & Wireless Communication (AREA)
  • Physics & Mathematics (AREA)
  • General Physics & Mathematics (AREA)
  • Lock And Its Accessories (AREA)
  • Electric Propulsion And Braking For Vehicles (AREA)
  • Mobile Radio Communication Systems (AREA)

Abstract

Das fahrzeugseitige Basisstation (14) sendet ein Abfragesignal zum Codegeber (1) aus, von dem Prüfbits durch Umgehung einer Auswerteeinheit unmittelbar zum Kraftfahrzeug zurückgesendet werden. Die Basisstation (14) misst die Zeitdauer zwischen Aussenden und Rückempfangen der Prüfbits und akzeptiert nur ein Antwortsignal des Codegebers (1), wenn die gemessene Zeitdauer kürzer als eine Referenzzeitdauer ist. <IMAGE>

Description

Die Erfindung betrifft ein Steuersystem und Verfahren zum Steuern mindestens einer Funktion eines Objekts, bei denen Maßnahmen zum Verhindern einer unberechtigten Benutzung oder Zugang zu dem Objekt getroffen sind. Die Erfindung betrifft auch eine Zugangskontroll- und Fahrberechtigungseinrichtung für ein Kraftfahrzeug.
Für Kraftfahrzeuge sind Zugangskontrollsysteme, Wegfahrsperrensystemen oder anderen Steuersystemen bekannt (US 4,763,121), die nur bei nachgewiesener Berechtigung eines drahtlos abgefragten Codegebers, z.B. in Form einer Smart Card oder eines elektronischen Schlüssels, in ihrer Funktion freigegeben oder gesteuert werden. Üblicherweise ist hierzu am oder im Kraftfahrzeug mindestens eine Basisstation mit einer Sende- und Empfangseinheit beispielsweise zur Steuerung der Zugangskontrolle oder der Wegfahrsperreneinrichtung angeordnet. Als Reaktion auf ein auslösendes Ereignis, beispielsweise der Betätigung eines Türgriffs, eines Zündstarterknopfes wird in regelmäßigen oder unregelmäßigen Intervallen ein Abfragecodesignal ausgesendet, das von einem vom Benutzer getragenen, berechtigten, als Schlüssel dienenden Codegeber mit einem Antwortcodesignal beantwortet wird (dies wird auch als Frage-Antwort-Dialog bezeichnet).
Die Basisstation überprüft das empfangene Antwortcodesignal bezüglich seiner Berechtigung, beispielsweise durch Vergleich einer in dem Antwortcodesignal enthaltenen Codeinformation mit einer gespeicherten Referenz-Codeinformation. Bei Berechtigung wird die gewünschte Funktion ausgeführt, wie beispielsweise das Entriegeln der Kraftfahrzeugtüren oder das Lösen der Wegfahrsperre.
Bei einem derartigen System können sich Sicherheitsprobleme ergeben, beispielsweise durch unberechtigtes Abhören und Manipulieren der drahtlosen Kommunikation zwischen Kraftfahrzeug und Codegeber.
Um diese Probleme zu lösen ist eine Einrichtung zum Steuern von Funktionen eines Objekts, insbesondere der Zugangs- und Fahrberechtigungkontrolle für ein Kraftfahrzeug bekannt (DE 196 32 025 C2), bei der die Kommunikationsdauer des Frage-Antwort-Dialogs gemessen und mit einer vorgegebenen Maximaldauer verglichen wird. Allerdings sind die Signallaufzeiten gegenüber den Rechenzeiten sehr gering, so dass sich vergrößerte Signallaufzeiten nicht bemerkbar machen und daher nicht als Schutz vor Manipulation durch Unberechtigte dienen kann.
Der Erfindung liegt die Aufgabe zugrunde, ein Steuersystem zu schaffen, das sich durch erhöhte Sicherheit gegenüber unberechtigten Benutzungsversuchen auszeichnet, ohne dass größere Eingriffe in das System erforderlich sind.
Diese Aufgabe wird mit den im Patentanspruch 1 genannten Merkmalen gelöst.
Weiterhin wird mit der Erfindung ein Verfahren gemäß Patentanspruch 8 bereitgestellt, das eine Verbesserung gegenüber unbefugter Ausführung der zugehörigen Funktion bietet.
Zudem wird die Aufgabe durch eine Zugangskontroll- und Fahrberechtigungseinrichtung für ein Kraftfahrzeug mit den Merkmalen von Anspruch 10 gelöst.
Vorteilhafte Ausgestaltungen der Erfindung sind in den Unteransprüchen angegeben.
Bei der Erfindung wird in einer der beteiligten Einheiten die Zeitdauer zwischen dem Aussenden von markierten Teilen eines
Sendesignals und dem Empfang dieser Teile ermittelt, d.h. es wird gewissermaßen die Systemreaktionszeit zur Feststellung des Abstands zwischen dem Codegeber und der objektseitig angeordneten Basisstation gemessen. Diese Messung findet vorzugsweise aus energietechnischen oder logischen, systembedingten Gründen in der Basisstation statt, kann jedoch, je nach Systemauslegung, auch vom Codegeber übernommen werden.
Bei einer unberechtigten Fernabfrage ergeben sich aufgrund der sehr viel längeren Signalstrecken und der internen Verarbeitungszeiten der zwischengeschalteten Signalverstärker deutlich längere Verarbeitungszeiten und damit längere Verzögerungszeiten zwischen Signalaussendung und Antwortsignalempfang als bei einem nahe beim Kraftfahrzeug befindlichen berechtigten Codegeber. Die Auswerteschaltung mißt in diesem Fall die Zeitdauer zwischen der Signalaussendung und dem Empfang zumindest von einem oder mehreren markierten Abschnitten oder Teilen der Signale und vergleicht diese Zeitdauern im einfachsten Fall mit einer vorab festgelegten Referenzzeitdauer, die für den Rückerhalt des Signals von einem berechtigen, nahe beim Kraftfahrzeug befindlichen Codegeber ausreichend ist, bei einer unberechtigten Fernabfrage jedoch aufgrund der vorstehend genannten Einflüsse gewöhnlich überschritten wird.
Die Basisstation ist erfindungsgemäß so ausgelegt, dass sie die gewünschte Funktion nur dann ausführt oder freigibt, wenn zumindest die besonders gekennzeichneten Teile der Signale innerhalb der vorgegebenen Zeitdauer empfangen worden sind.
Um interne, systembedingte und nicht genau kalkulierbare - vor allem große Zeitverzögerungen - auszumerzen, die durch die empfängerseitig (beispielsweise codegeberseitig) notwendigen Verarbeitungsvorgänge im Hinblick auf den Empfang eines Abfragesignals, die Erkennung und Auswertung des Abfragesignals, die Generierung/Berechnung eines Antwortsignals und die Aussendung desselben bedingt sind, ist vorzugsweise die das Antwortsignal generierende Systemkomponente (hier der Codegeber) mit einem Umgehungspfad ausgestattet, über den zumindest ein markierter Teil des empfangenen Signals unter Umgehung der eigenen Auswerteschaltung direkt zum Sender (Sendeverstärker und/oder Antenne) geleitet werden kann und damit nahezu verzögerungsfrei wieder zur aussendenden Komponente zurückgesandt wird.
Die entsprechenden Teile werden quasi verzögerungsfrei, abgesehen von der kurzen Gruppenlaufzeit, reflektiert (Transparenzmodus des Codegebers). Die Verzögerungszeit zwischen Aussenden und Empfangen eines Signals ist dann im wesentlichen nur noch laufzeitbedingt, so dass gewissermaßen eine Abstandsmessung zwischen der Basisstation und dem Codegeber stattfindet. Eine hinzukommende analoge oder digitale Bearbeitung des Ursprungssignals brächte zusätzliche Verarbeitungszeiten mit sich, die wesentlich größer sind als die Signallaufzeit im freien Raum.
Vorzugsweise ist der Umgehungspfad mit einem steuerbaren Schalter versehen, so dass der Umgehungspfad lediglich zeitweilig eine direkte Weiterleitung von Teilen des empfangenen Signals zum Sender bewirkt, ansonsten aber abschaltbar ist und damit die Signalkommunikation (und den Energiegehalt) des empfangenen Signals nicht beeinträchtigt.
Sofern die mit dem Umgehungspfad ausgestattete Komponente das empfangene Signal nicht nur an den Umgehungspfad, sondern zeitgleich auch an die eigene Auswerteschaltung anlegt, kann diese das empfangene Signal auf richtigen, für die betreffende Komponente gedachten Code überprüfen und bei korrektem Code (oder Codeinformation) gegebenenfalls noch ein zusätzliches Signal, beispielsweise einen Impuls oder eine Impulsfolge, an das über den Umgehungspfad geleitete und ausgesandte Signal anhängen. Dies erlaubt eine noch weitere Erhöhung der Manipulationssicherheit, z.B. gegenüber Verwendung von gefälschten Transpondern.
Bei mehrkanaliger Arbeitsweise bzw. allgemein mehreren Übertragungswegen zwischen dem Kraftfahrzeug und dem Identifikationsteil (Codegeber oder Transponder 1) kann die vorstehend beschriebene Arbeitsweise auch simultan zum eigentlichen Codeaustausch erfolgen, was eine Manipulation noch weiter erschwert.
Vorzugsweise erzeugt die das Fragecodesignal generierende Komponente den oder die zusätzlichen Impulse, oder auch das Fragecodesignal, mit sich von Impuls zu Impuls bzw. Signal zu Signal ändernder Feldstärke, Pulsdauer oder Frequenz oder Sequenz oder Puls-/Pausenverhältnis. Bei deren Durchleitung über den Umgehungspfad gelangt diese Information zusätzlich zu der das Fragecodesignal generierenden Komponente in Form von entsprechenden Feldstärken-, Pulslängen- oder Frequenzunterschieden zurück, so dass ein zusätzlicher Sicherheitsparameter zur Verfügung steht, der von der das Fragecodesignal erzeugenden Komponente durch Vergleich des empfangenen Feldstärken-, Pulslängen- bzw. Frequenzverlaufs mit dem erwarteten Verlauf ausgewertet wird. Diese Parameter sind bei Fernübertragung kaum exakt reproduzierbar, so dass Abweichungen des empfangenen Verlaufs vom eigentlich erwarteten Verlauf einen zusätzlichen Hinweis auf unberechtigte Fahrzeugbenutzung darstellen.
Wenn mehrere Übertragungskanäle/Frequenzbänder vorhanden sind, läßt sich eine zusätzliche Erhöhung der Sicherheit gegenüber unberechtigtem Zugang oder Benutzung durch Wechsel der verwendeten Sendefrequenzen erreichen. Dem Codegeber kann beispielsweise von der Sendeeinheit beim Fahrzeugverriegelungsvorgang eine Information zugeleitet werden, die die beim nachfolgenden Öffnungs- oder Startvorgang zu verwendende Sendefrequenz signalisiert, auf die sich der Codegeber dann einstellt. Bei einem nachfolgenden Öffnungsvorgang ist der Sender des Codegebers also auf die richtige Frequenz eingestellt, so dass die über den Umgehungspfad geleiteten Impulse über die richtige Frequenz oder den richtigen Kanal nahezu verzögerungsfrei ohne Einschwingvorgänge oder dergleichen, zurückgeleitet werden.
Sofern über die Fernabfragestrecke dann überhaupt das vom entfernt angeordneten Codegeber erhaltene Antwortcodesignal korrekt übertragen werden kann, wird dieses erst mit erheblicher Zeitverzögerung generiert. Die Basisstation kann aufgrund dieser erheblichen Zeitverzögerung das von einem vor Ort befindlichen Codegeber zurückgesandte Signal klar von einem über unberechtigte Fernabfrage zugeführten Signal beispielsweise durch Vorgabe eines Zeitfensters für das Antwortsignal unterscheiden, das beim Eintreffen des über die Fernabfragestrecke stark verzögert oder verzerrt zugeführten Antwortsignals schon wieder geschlossen ist, so dass dieses Antwortsignal als verspätet zurückgewiesen wird.
Anstelle der Vorgabe der als nächstes zu wählenden Sendefrequenz kann auch ein anderer Signalparameter, beispielsweise die Amplitude, Modulationsart oder dergleichen von der Basisstation befohlen werden.
Bei der Erfindung werden somit erhöhte Signallaufzeiten zwischen Basisstation und entfernt angeordneten Codegebern dazu genutzt, zwischen einem vor Ort, d.h. nahe beim Kraftfahrzeug befindlichen Codegeber, und einem entfernt angeordneten und damit unberechtigt abgefragten Codegeber zu unterscheiden und die Fahrzeugfunktion nur dann auszuführen oder freizugeben, wenn es sich um einen berechtigten, in der Nähe des Fahrzeugs befindlichen Codegeber handelt.
Die Erfindung kann allgemein nicht nur bei der Steuerung der Zugangskontrollfunktion oder Wegfahrsperrenfunktion, sondern auch bei anderen, nur bei Vorhandensein eines berechtigten Schlüssels auszuführenden Funktionen, und auch allgemein bei der berechtigungsrelevante Steuerung von nicht kraftfahrzeugbezogenen Funktionen von Objekten, wie z.B. der Zugangskontrolle zu Häusern, Wohnungen, Büroräumen, Hotels, Parkhäusern, Garagen oder dergleichen zum Einsatz kommen.
Die Erfindung benötigt zu ihrer Realisierung im einfachsten Fall nur die programmtechnische Hinzufügung einer Zeitfensterfunktion zur Basisstation (Messung der Zeitdauer zwischen Aussenden und Empfangen von Teilen von Signalen und Vergleichen der erfaßten Zeitdauer mit einem vorgegebenen Zeitwert). Bei Hinzufügung eines Umgehungspfads in den Codegeber müssen lediglich die Codegeber entsprechend ausgelegt werden, was gleichfalls keinen hohen Arbeits- oder Kostenaufwand erfordert. Damit ist die Erfindung ohne Notwendigkeit großer Systemeingriffe einfach und kostengünstig zu realisieren und bei unterschiedlichen Systemkonfigurationen anwendbar, ohne dass irgendwelche Nachteile während der Benutzung einschließlich des Fahrbetriebs (z.B. im Hinblick auf Reaktionszeiten, Betriebssicherheit usw.) auftreten.
Die Erfindung wird nachstehend unter Bezugnahme auf die schematische Zeichnung anhand eines Ausführungsbeispiels des Steuersystems näher beschrieben.
Die Erfindung wird im folgenden anhand des Ausführungsbeispiels einer Zugangskontroll- und Fahrberechtigungseinrichtung für ein Kraftfahrzeug anhand der einzigen Figur näher erläutert. Die Erfindung kann jedoch nicht nur bei einem Kraftfahrzeug, sondern auch bei anderen Objekten verwendet werden, bei denen eine Berechtigung nachgewiesen werden muss, um objektspezifische Funktionen, wie Zugang zu dem Objekt, zu steuern.
Das Steuersystem für ein Kraftfahrzeug umfasst einen tragbaren Codegeber oder einen elektronischen "Schlüssel", der einen Sender 7, 8 und einen Empfänger 2 aufweist. Der Codegeber kann als Karte (Smart Card) oder in sonstiger Weise ausgebildet sein und dient als Identifikationsgeber, der nach Empfang eines Anforderungssignals ein Antwortcodesignal automatisch zurücksendet. Daher wird der Codegeber im folgenden als Transponder 1 bezeichnet. Das Antwortcodesignal enthält eine einer Trägerfrequenz aufmodulierte, für den Transponder 1 charakteristische, binäre Codeinformation.
Der Transponder 1 weist einen schematisch dargestellten Empfangskreis mit dem Empfänger 2 auf, der Hochfrequenzsignale über eine Antenne erfaßt und gegebenenfalls nach Demodulation an ein Recheneinheit (Controller) 4 abgibt, die das empfangene und demodulierte Fragecodesignal verarbeitet, insbesondere decodiert, und untersucht, ob es sich um ein an den Transponder 1 gerichtetes Fragecodesignal einer fahrzeugseitig fest angebrachten Steuereinrichtung (Basisstation 14) handelt. Ist dies der Fall, erzeugt die Recheneinheit 4 mit Hilfe des Antwortcodesignal und/oder gespeicherten Informationen und/oder einem mathematischen Algorithmus eine Codeinformation, die mit einem Ausgangsverstärker/Modulator 7 einer Trägerfrequenz aufmoduliert wird und über eine Antenne 8 als Antwortcodesignal ausgesendet wird.
Die Signalverarbeitung in der Recheneinheit 4 benötigt eine Zeitdauer, die wesentlich größer ist als die Signallaufzeiten zwischen Basisstation 14 und Transponder 1, die bei der drahtlosen Übertragung der Signale anfallen. Damit nur die reinen Signallaufzeiten für die drahtlose Übertragung gemessen und damit eine Entfernung des Transponders 1 zur Basisstation 14 ermittelt werden kann, weist der Transponder 1 einen Umgehungspfad 5 als Umgehung der Recheneinheit 4 in Form einer durchgehenden Leitung (im folgenden als Umgehungspfad 5 bezeichnet) auf, über die der Empfänger 2 unmittelbar mit dem Ausgangsverstärker 7 verbunden ist.
Am Eingang und am Ausgang der Recheneinheit 4 sind jeweils ein steuerbarer Schalter 3, 6 angeordnet, durch die je nach Bedarf auf den Umgehungspfad umgeschaltet werden kann. Der Empfangskreis 2 wird durch den Schalter 3 entweder mit dem Eingang der Recheneinheit 4 oder mit dem Umgehungspfad 5 verbunden, wohingegen der Schalter 6 den Eingang des Ausgangsverstärkers 7 entweder mit dem Umgehungspfad 5 oder mit dem Ausgang der Recheneinheit 4 verbindet. Die Schalter 3, 6 sind vorzugsweise als Halbleiterschalter ausgebildet und werden durch die Recheneinheit 4 synchron derart gesteuert, dass sie sich entweder in der gezeigten Stellung befinden oder aber mit dem Eingang und Ausgang der Recheneinheit 4 verbunden sind.
Bei einem abgeänderten Ausführungsbeispiel kann der Empfangskreis 2 auch fest mit dem Eingang der Recheneinheit 4 verbunden sein. Der Schalter 3 kann dann ganz entfallen oder so angeordnet sein, dass er entweder den Umgehungspfad 5 mit dieser Verbindungsleitung zwischen dem Empfangskreis 2 und dem Recheneinheit 4 verbindet oder den Umgehungspfad 5 selektiv von dieser Verbindungsleitung abtrennt. Eine solche Gestaltung ermöglicht bei eingeschaltetem Umgehungspfad ein ständiges Mithören der Recheneinheit 4 auch bei eingeschaltetem Umgehungspfad 5 (Umgehungspfad 5 und Recheneinheit 4 sind dann parallel eingeschaltet).
Der Ausgang der Recheneinheit 4 kann ebenfalls fest mit dem Eingang des Ausgangsverstärkers 7 verbunden sein, wobei der Umgehungspfad 5 dann über den Schalter 6 entweder zusätzlich zum Eingang des Ausgangsverstärkers 7 zugeschaltet oder von diesem abgetrennt wird.
Das Steuersystem des schematisch dargestellten Kraftfahrzeugs 9 enthält eine Sendeeinheit 12, die über eine am Kraftfahrzeug, beispielsweise am Außen- oder Innenspiegel angebrachte Antenne 10 Signale senden kann, und eine Empfangseinheit 12 zum Empfang von extern zugeführten Signalen, insbesondere Antwortcodesignalen eines der Zugangskontroll- oder Fahrberechtigungseinrichtung des Kraftfahrzeugs zugeordneten Transponders 1. Die Sende- und Empfangseinheit 11, 12 ist mit einem Steuergerät 13 zum Steuern des Sendens und des Empfang von Signalen, Erzeugen und Auswerten von Signalen sowie zum Steuern von fahrzeugspezifischen Funktionen, beispielsweise einer Zentralverriegelungsanlage oder eines Wegfahrsperrensystems, verbunden. Die Sende- und Empfangseinheit 11, 12 und das Steuergerät 13 bilden die Basisstation 14.
Für die Zugangskontrolle wird durch ein Betätigungssignal (beispielsweise die Betätigung des Türgriffs oder eines anderen Schalters an der Außenseite des Kraftfahrzeugs) ein Fragecodesignal ausgelöst und über die Sendeeinheit 11 mit ihrer Antenne 10 ausgesendet. Falls ein Transponders 1 in der Umgebung anwesend ist und über seinen Empfangskreis 2 das Fragecodesignal empfängt, so wird in der Recheneinheit 4 überprüft, ob es tatsächlich das Fragecodesignal für diesen Transponder 1 gedacht ist. Falls dies der Fall ist, erzeugt die Recheneinheit 4 ein definiertes Antwortcodesignal, das über die Antenne 8 zur Empfangseinheit 12 zurückgesendet wird.
Das Antwortcodesignal enthält eine verschlüsselte Codeinformation, die in der Basisstation 14 auf Berechtigung überprüft wird. Bei berechtigtem Antwortcodesignal wird die weiter unten beschriebene Laufzeitbetrachtung vorgenommen und gegebenenfalls dann der Zugang durch Entriegeln von Türschlössern ermöglicht.
Der gleiche Vorgang findet statt, um die Wegfahrsperre zu lösen und den Verbrennungsmotor zu starten. Als Auslöser des Frage-Antwort-Dialogs dient hier ein Zündstartschalter. Somit kann das Kraftfahrzeug benutzt werden, d.h. der Fahrbetrieb wird freigegeben. Der gleiche Betriebsablauf trifft auch bei der Steuerung einer anderen fahrzeugspezifischen Funktion, beispielsweise von benutzerindividuellen Einstellungen beispielsweise der Sitze oder der Spiegel, oder Freigabe der Benutzung von Mobiltelefon oder Internet im Kraftfahrzeug zu.
Damit die Funktionen nur dann gesteuert werden können, wenn der berechtigte Transponder 1 auch in der Nähe des Kraftfahrzeugs oder in dem Kraftfahrzeug angeordnet ist, wird zusätzlich noch die Signallaufzeit betrachtet. Dabei werden die Schalter 3 und 6 zeitweise so umgeschaltet, dass ein oder mehrere markierte oder gekennzeichnete Teile oder Abschnitte (im folgenden als Prüfbits bezeichnet) des Fragecodesignals unmittelbar dem Sender 7, 8 zugeführt werden, während zumindest die restlichen Teile des Fragecodesignals der Recheneinheit 4 zugeführt werden.
Die Prüfbits sind ein oder mehrere Bits einer binären (codierten) Information, die in dem Fragecodesignal als einer Trägerfrequenz aufmoduliert vorhanden ist oder die eine separat von dem Fragecodesignal übertragene, binäre Information ist. Die Prüfbits können am Anfang oder am Ende des Fragecodesignals übertragen werden. Sie können auch innerhalb des Fragecodesignals an einer oder mehreren zuvor festgelegten Positionen übertragen werden. Sie können auch mehrmals innerhalb des Fragecodesignals auftauchen, und dies auch mit einer vorab festgelegter Anzahl der Bits (= Länge der Prüfbits).
Dadurch entsteht eine zusätzliche
Figure 00110001
Codierung", die nur Basisstation 14 und Transponder 1 kennen. Diese Codierung kann sich nach einem festgelegten Zufallsprinzip ständig ändern. Die Basisstation misst die Laufzeiten der Prüfbits, und zwar vom Aussenden bis zum Empfangen der Prüfbits.
Die Basisstation 14 ist so ausgelegt, dass sie den Zeitpunkt des Aussenden eines Signals über die Sendeeinheit 11 und des Empfangs eines Antwortsignals über die Empfangseinheit 12 erfasst (insbesondere der für die Laufzeit relevanten Prüfbits). Es findet also eine Echtzeitmessung in der Basisstation 14 statt, bei der der Beginn durch Aussenden von Prüfbits durch die Basisstation 14 und das Ende durch das Empfangen der entsprechenden Prüfbits durch die Basisstation 14 gegeben ist.
Die Laufzeit der Prüfbits, d.h. vom Aussenden durch die Sendeeinheit 11 bis zum Empfang durch die Empfangseinheit 12 wird gemessen und mit einer maximal zulässigen Referenzlaufzeit verglichen. Nur wenn die Laufzeit der Prüfbits innerhalb der Referenzlaufzeit liegt und die Codeinformation berechtigt ist, werden die Funktionen im Kraftfahrzeug gesteuert.
Die Referenzlaufzeit wird derart während einer Initialisierungsphase (beispielsweise am Bandende bei der Fertigung des Kraftfahrzeugs) festgelegt, dass die Laufzeit eines Signals gemessen wird, das zu einem in einem festen, kurzen Abstand zum Kraftfahrzeug befindlichen Transponder 1 gesendet wird und von diesem unmittelbar gespiegelt" wird. Zu dem gemessenen Laufzeitwert (ggf. über mehrere Messungen gemittelt) wird dann noch ein Toleranzwert (beispielsweise 50 %) hinzugefügt. Diese so erhaltene Referenzlaufzeit ist viel kleiner als eine Laufzeit unter Berücksichtigung der Verarbeitungszeit in der Recheneinheit des Transponders 1.
Die maximal zulässige Referenzlaufzeit ist bei einer Ausgestaltung ohne Umgehungspfad 5 so bemessen, dass ein Antwortcodesignal von einem weit vom Kraftfahrzeug entfernten Transponder 1 als nicht zulässig erkannt wird. Wenn also das Antwortcodesignal über eine unberechtigte Fernabfrage des entfernt angeordneten Transponders 1 angefordert wird, ergeben sich viel größere Laufzeiten, so dass die Summe aller Zeitverzögerungen deutlich größer als bei einem in der Nähe oder im Kraftfahrzeug befindlichen Transponder 1 ist.
Der Transponder 1 sollte bei einer Anwendung für ein Kraftfahrzeug maximal nur wenige Meter von dem Kraftfahrzeug entfernt sein. Nur dann soll ein Zugang möglich sein.
Zur Verringerung des Zeitintervalls zwischen Aussenden eines Signals durch den Sendeeinheit 11 und den Rückempfang eines Antwortsignals vom Transponder 1 durch die Empfangseinheit 12 sind die Schalter 3, 6 und der Umgehungspfad 5 vorgesehen, so dass die durch die Recheneinheit 4 bedingte Zeitverzögerung (für die Verrechnung des empfangenen Codes und die anschließende Generierung der Codeinformation für das Antwortcodesignal) unterdrückbar ist. Damit ist im Transponder 1 ein direkter Transfer der vom Empfangskreis 2 empfangenen Prüfbits des Signals über den Umgehungspfad 5 zum Ausgangsverstärker 7 und zur Antenne 8 möglich. Diese Prüfbits werden durch die Antenne 8 sofort wieder ausgesendet, auch wenn das Antwortcodesignal erst später vollständig zurückgesendet ist.
Die direkte elektrische Verbindung zwischen dem oder den Empfangskreisen 2 (die Anzahl der Empfangskreise hängt beispielsweise von der Anzahl von Kanälen oder von Frequenzbändern ab, die identitätsgeberseitig überdeckbar sind) und der Ausgangsstufe 7, 8 wird von der Recheneinheit 4 durch entsprechende Stellung der Schalter 3, 6 gesteuert.
Zunächst befinden sich die Schalter 3 und 6 im Ruhezustand in einem Schaltzustand, bei dem der Eingang der Recheneinheit 4 direkt mit dem Empfangskreis 2 verbunden ist und der Ausgang der Recheneinheit 4 an den Eingang des Ausgangsverstärkers 7 angeschlossen ist. Wenn nun die Basisstation 14 über die Sendeeinheit 11 ein Fragecodesignal aussendet, das an den Transponder 1 gerichtet ist, so wird der Anfang des Fragecodesignal von der Recheneinheit 4 erkannt. Der Transponder 1, d.h. die Recheneinheit 4 und seine von ihr gesteuerten Schalter 3, 6 werden synchronisiert, damit sie rechtzeitig bei Ankunft der Prüfbits in den Transparenzmodus schalten und nach den Prüfbits wieder zurückschalten.
Da sowohl die Basisstation 14 als auch die Recheneinheit 4 die Codierung" der Prüfbits kennen (beispielsweise jeweils in einem Speicher, wie einem E2PROM gespeichert oder als codierte Information der empfangenden Einheit mitgeteilt), kann die Recheneinheit dann - beginnend beim ersten Bit oder Startbit der empfangenen binären Information - die Schalter 3 und 6 synchron zu den durch Position/Lage und/oder Länge und/oder Anzahl der Prüfbits vorgegebenen Zeitpunkten schalten, so dass die Prüfbits über den Umgehungspfad geleitet und gleich wieder zurückgesendet werden. Der Transponder 1 befindet sich dann (während der Umgehung) in einem sogenannten Transparenzmodus. Zumindest die anderen Teile des Fragecodesignals werden der Recheneinheit 4 zugeführt, um mit Hilfe des Fragecodesignals das Antwortcodesignal zu bilden.
Das Verfahren der Umgehung spielt sich vorteilhafterweise innerhalb eines laufenden, eventuell verschlüsselten Datenstroms, und zwar innerhalb des Fragecodesignals und des Antwortcodesignal ab. Dann ist es für Unberechtigte schwer zu erkennen, wo sich die Prüfbits befinden, wie groß diese sind und wie viele es sind.
Vorteilhaft ist es, wenn unmittelbar vor und unmittelbar nach den Prüfbits keine Information in dem Fragecodesignal enthalten ist, damit die Schalter 3 und 6 Zeit haben, entsprechend umzuschalten und keine Information während des Umschalens verloren geht. Eine solche Impulspause fällt ohnehin nicht auf, da eine binäre, verschlüsselte Information ohnehin ständig Impulspausen und Impulse mit unterschiedlichen Längen aufweist. Ein unberechtigter kann daher die Lage der Prüfbits nicht aus dem Fragecodesignal oder dem Antwortcodesignal herauslesen.
Es kann auch zunächst ein Startsignal gesendet werden, durch das die Recheneinheit 4 synchronisiert wird. Das Startsignal kann einen oder mehrere kurze Impulse (Pings) aufweisen, die als Prüfbits betrachtet werden und direkt wieder zurückgesendet werden. Anschließend kann das eigentliche Fragecodesignal gesendet und daraufhin das Antwortcodesignal erzeugt werden. Die Pings können auch nach dem Fragecodesignal ausgesendet werden, allerdings kann es dann zu Interferenzen mit dem Antwortcodesignal kommen, da die Pings unverzögert und das Antwortcodesignal aufgrund der Bearbeitungszeit in der Recheneinheit verzögert vom Transponder 1 ausgesendet werden.
Die Basisstation 14 ermittelt die Zeitdauer zwischen dem Aussenden der jeweiligen Prüfbits und deren Rückempfang und vergleicht diese Zeitdauer mit der Referenzzeitdauer.
Die Recheneinheit 4 schaltet die Schalter 3 und 6 derart, dass die Prüfbits über den Umgehungspfad geleitet werden. Die Schalter 3 und 6 können auch so ausgebildet sein, dass die Prüfbits sowohl über den Umgehungspfad als auch parallel dazu der Recheneinheit 4 zugeleitet werden.
Bei berechtigtem Antwortcodesignal und Einhaltung des maximal zulässigen Zeitintervalls bei der Rücksendung des oder der Prüfbits löst die Basisstation 14 die gewünschte Funktion aus, beispielsweise das Entriegeln der Kraftfahrzeugtüren oder das Anlassen des Motors.
Alternativ kann das Steuersystem auch so ausgelegt sein, dass die Recheneinheit 4 nach Empfang des ersten Fragecodesignals zunächst das Antwortcodesignal zur Basisstation 14 zurücksendet und erst dann die Schalter 3 und 6 in die gezeigte Stellung umschaltet, wonach die Basisstation 14 den oder die Prüfbits zur Bestimmung der Reaktionszeit bis zum Rückerhalt der Antwortimpulse generiert. Als weitere Alternative kann die Recheneinheit 4 fest zwischen Empfangskreis 2 und Ausgangsverstärker 7 eingefügt sein, und es ist der parallel zum Recheneinheit 4 vorgesehene Umgehungspfad 5 selektiv über mindestens einen, durch die Recheneinheit 4 gesteuerten Schalter zuschaltbar oder auftrennbar. Hierbei kann der Umgehungspfad 5 im Ruhezustand eingeschaltet sein, so dass die von der Basisstation 14 ausgesendeten Impulse oder Codesignale gleichzeitig von der Recheneinheit 4 verarbeitbar und über den Umgehungspfad 5 zur Basisstation 14 zurücksendbar sind.
Die Recheneinheit 4 kann dann so ausgelegt sein, dass es eine zusätzliche Impulsfolge oder einen Einzelimpuls generiert und diesen an die über den Umgehungspfad 5 durchgeschleusten Prüfbits zur zusätzlichen Identifikationsbestätigung anhängt.
Die Basisstation 14 kann ferner so ausgelegt sein, dass es die ausgesandten Prüfbits in ihrer Feldstärke, Impulsdauer oder Frequenz nach einem vorgegebenen Schema variiert. Diese "Modulation" bleibt im Transponder 1 bei der Übertragung über den Umgehungspfad 5 erhalten, so dass die über den Ausgangskreis 7, 8 zurückgesendeten Impulse ebenfalls diese Modulation enthalten. Die Basisstation 14 misst in diesem Fall zusätzlich den variierten Parameter, d.h. die Feldstärke, Impulslänge und/oder Frequenzänderung und akzeptiert nur Impulsfolgen, die sich in der erwarteten Weise ändern.
Es können auch feldstärkeabhängige Korrekturfaktoren mit übertragen werden, um Laufzeitunterschiede aufgrund großer Dynamikunterschiede ausgleichen zu können.
Alternativ oder zusätzlich können zwischen dem Basisstation 14 und dem Transponder 1 mehrere Übertragungswege, insbesondere mehrere Frequenzbänder oder mindestens mehrere Kanäle innerhalb eines Frequenzbands vorgesehen sein. Die vorstehend angegebenen Sicherungsmaßnahmen können dann simultan zum eigentlichen Codeaustausch erfolgen, was eine unberechtigte Manipulation noch weiter erschwert. So kann das Fragecodesignal mit den Prüfbits beispielsweise bei 125 kHz und das Antwortcodesignal sowie die Prüfbits bei 433 MHz zurückgesendet werden.
Damit der Transponder 1 sendeseitig mehrere Frequenzbänder oder mindestens mehrere Kanäle innerhalb eines Bands überstreichen kann, ist er beispielsweise in PLL-Technologie ausgelegt und kann gegebenenfalls eine Mehrzahl von für unterschiedliche Frequenzen oder Kanäle ausgelegten Ausgangskreisen 7, 8 aufweisen. Auch die Sende- und Empfangseinheit auf der Kraftfahrzeugseite sind dann ebenfalls für mehrere Frequenzbänder oder mehrere Kanäle innerhalb eines Bands ausgelegt. Dies kann vorteilhaft dahingehend ausgenutzt werden, dass die Basisstation 14 die jeweils verwendete Sendefrequenz oder den verwendeten Kanal wechselt und dem Transponder 1 die zu verwendende Sendefrequenz oder den zu verwendenden Kanal vorab beispielsweise mittels eines entsprechenden Codesignals mitteilt. Dies erlaubt die Aufrechterhaltung einer ordnungsgemäßen Kommunikation zwischen dem Basisstation 14 und dem Transponder 1.
Die Basisstation 14 kann die Sendefrequenz beispielsweise von dem jeweiligen Eingangscode oder einem anderen Codesegment, z.B. einem Geheimschlüssel, abhängig machen, so dass ein ständiger, beispielsweise vom Bitstatus oder der Checksumme oder dergleichen abhängiger Frequenzwechsel resultiert. Da nur die Basisstation 14 die Codes und damit die jeweils neu zu verwendende Frequenz kennt, kann auch nur der angeschlossene Empfänger den zeitrichtigen Frequenzsprung mit vollziehen. Das unberechtigte Abhören ist damit erschwert. Das vorangehende Mitteilen" kann selbstverständlich auch für die Lage/Länge/Anzahl der Prüfbits gelten.
Bei einer Ausführungsform teilt die Basisstation 14 dem Transponder 1 bei einem Verriegelungsvorgang des Kraftfahrzeugs in Form eines Codesignals mit, welche Frequenz bei der nächsten Kontaktaufnahme, nämlich bei der Zugangskontrollberechtigungsabfrage bei einem nächsten Türöffnungsversuch, verwendet werden wird. Der Transponder 1 kann sich dann auf diese neue Frequenz einstellen und bei der nächsten Kommunikation auf dieser Frequenz senden. Für unberechtigt vorgesehene Fernabfragenmittel bleibt die als nächstes zu verwendende Frequenz jedoch unbekannt.
Alternativ ist es auch möglich, dass der Transponder 1 aktiv die jeweils zu verwendende Frequenz und den Frequenzwechsel definiert und die Basisstation 14 hierüber in Form von Codesignalen informiert.
Die vorstehend angegebenen Sicherungsmaßnahmen können je nach Systemauslegung jeweils nur für sich allein oder in beliebiger Kombination vorgesehen sein.
Wenn die Trägerfrequenzen der Signale im wesentlichen gleich sind, so kann sich das über den Umgehungspfad 5 geleitete, sofort zurückgesandte Signal mit dem von der Recheneinheit 4 kommenden Sendesignal überlagern, so dass Interferenzeffekte, Nulldurchgangsschwankungen und damit Phasenänderungen, sowie Mischfrequenzen an der Empfangseinheit 12 auftreten, die von der Basisstation 14 erfasst werden können (z.B. über einen Phasenvergleich oder eine Interferenzmusterauswertung). Dies ermöglicht eine noch präzisere Messung der aufgetretenen Verzögerungszeiten/Laufzeiten bis evtl. hin zu einer Abstandmessung.
Das Fragecodesignal und das Antwortcodesignal sind Codesignale, die jeweils ein binäre Information aufweisen, die einem Trägersignal aufmoduliert sind. Die binäre Information weist viele Bitstellen auf. Durch das Verschlüsseln ändert das Codesignal bei jedem neuen Verschlüsselungsvorgang. Der Codeinformation können mehrere Bit vorausgehen oder nachfolgen, die gegebenenfalls zu einer sicheren Datenübertragung benötigt werden. Die Codeinformation wird mit einem erwarteten und empfangsseitig erzeugten oder gespeicherten Sollcodeinformation verglichen.
Unter dem Begriff Fragecodesignal" ist für die Erfindung ein Signal zu verstehen, das eine codierte Information und die Prüfbits enthält (auch wenn die Prüfbits früher oder später gesendet werden) und als Aufforderung zum Senden des Antwortcodesignals dient. Ebenso ist unter dem Begriff Antwortcodesignal" ein Signal zu verstehen, das sowohl eine Codeinformation als auch die Prüfbits aufweist, auch wenn diese Teile zu unterschiedlichen Zeiten beim jeweiligen Empfänger ankommen.
Für ein konkretes Ausführungsbeispiel sei angenommen, dass die Codeinformation für das Fragecodesignal 64 Bit aufweist und durch ein Signal mit einer Frequenz von 4 kBit/s (1 Bit = 250 µs Länge oder Bitbreite) dargestellt wird. Diese Codeinformation wird einem Trägersignal mit der Trägerfrequenz von 125 kHz aufmoduliert. Innerhalb der Codeinformation seien - beispielsweise beginnend mit der 20. Bitstelle - drei Prüfbits (entsprechen einer Zeitdauer von etwa 750 µs) markiert. Die durchschnittliche Durchlaufzeit (Zeitdauer) der Prüfbits startend mit dem Aussenden des Fragecodesignals und endend mit dem Empfangen der Prüfbits, die im Transparenzmodus unmittelbar vom Transponder 1 zurückgesendet wurden, betrage bei einem nahe am Kraftfahrzeug angeordneten Transponder 1 etwa 20 µs (aufgrund der Laufzeit bei 125 KHz bzw. 433 MHz). Als Referenzlaufzeit könnte der Wert 25 µs dienen, wenn man 5 µs als Sicherheitstoleranz hinzunimmt. Wenn also eine Laufzeit für die Prüfbits von kleiner als 25 µs gemessen wird, so wird noch die berechtigte Codeinformation des Transponders 1 benötigt, um entsprechend gewünschte Funktionen im Kraftfahrzeug auszuführen.
Es könnten als zusätzliche Sicherheit auch mehrere Prüfbits in dem Fragecodesignal angeordnet sein, beispielsweise ein Prüfbit beginnend an der 20. Bitstelle mit der Anzahl von 3 Bits und beginnend an der 43. Bitstelle mit der Anzahl von 2 Bits. Wenn nun die Laufzeiten der Prüfbits jeweils kleiner als die Referenzlaufzeit sind und auch die beiden Längen von 3 Bit sowie 2 mit entsprechendem Zeitabstand zueinander und zur richtigen Zeit korrekt erfasst werden, so würde das Antwortcodesignal bezüglich seiner Prüfbits als berechtigt erkannt.
Die Recheneinheit 4 ist vorteilhafterweise als Mikroprozessor mit dazugehörigen Speichern ausgebildet. Ebenso ist die Steuereinheit 13 als Mikroprozessor mit zugehörigen Speichern ausgebildet. Die Laufzeitmessung kann durch eine separate Einheit vorgenommen werden. Ebenso kann die Laufzeitmessung durch den Mikroprozessor vorgenommen werden.

Claims (10)

  1. Steuersystem zum Steuern mindestens einer Funktion eines Objekts mit einer objektseitig angeordneten Basisstation (14) mit einer Sende- und Empfangseinheit (11, 12), und mit einem tragbaren Codegeber (1), der als Reaktion auf ein von der Sendeeinheit (11) ausgesandtes Abfragesignal ein Antwortsignal aussendet, dessen darin enthaltene Codeinformation in der Basisstation (14) auf seine Berechtigung überprüft wird, wobei die Basisstation (14) bei berechtigtem Antwortsignal eine objektspezifische Funktion ausführt oder freigibt, die Basisstation (14) und/oder der Codegeber (1) die Zeitdauer zwischen dem Aussenden zumindest eines Teils des Abfragesignals und dem Empfang eines als Reaktion hierauf erhaltenen Teils des Antwortsignals ermittelt, mit einer vorbestimmten Referenzzeitdauer vergleicht und die Basisstation (14) die Funktion selbst bei korrekter Codeinformation des Antwortsignals nur dann freigibt oder ausführt, wenn die gemessene Zeitdauer kleiner als die Referenzzeitdauer ist, dadurch gekennzeichnet, dass der Codegeber (1) oder die Basisstation (14) eine Auswerteschaltung (4) zum Auswerten der Codeinformation sowie einen Umgehungspfad (5) aufweisen, über den Teile des empfangenen Signals unter Umgehung der Auswerteschaltung (4) an eine Sendeantenne (8, 10) angelegt werden.
  2. Steuersystem nach Anspruch 1, dadurch gekennzeichnet, dass im Umgehungspfad (5) mindestens ein Schalter (3, 6) zur selektiven Zuschaltung und Auftrennung des Umgehungspfads (5) angeordnet ist.
  3. Steuersystem nach Anspruch 1 oder 2, dadurch gekennzeichnet, dass das empfangene Abfragesignal zumindest zeitweilig parallel an die Auswerteschaltung (4) und den Umgehungspfad (5) angelegt wird.
  4. Steuersystem nach einem der vorhergehenden Ansprüche, dadurch gekennzeichnet, dass die Auswerteschaltung (4) so ausgelegt ist, dass sie an das über den Umgehungspfad (5) zur Sendeantenne (8, 10) geleitete Signal ein zusätzliches Signal anfügt.
  5. Steuersystem nach einem der vorhergehenden Ansprüche, dadurch gekennzeichnet, dass die Basisstation (14) und/oder der Codegeber (1) einen oder mehrere Impulse aussenden, die über den Umgehungspfad (5) und die Sendeantenne (8, 10) zur aussendenden Einheit zurückgesandt werden.
  6. Steuersystem nach einem der vorhergehenden Ansprüche, dadurch gekennzeichnet, dass die Basisstation (14) und/oder der Codegeber (1) eine Impuls- oder Codefolge aussendet, die zusätzlich in der Amplitude, der Impulsdauer und/oder der Frequenz moduliert wird, und dass die Auswerteschaltung (4) zusätzlich zur Zeitmessung zwischen Aussendung und Empfang der Impuls- oder Codefolge deren Amplitude, Impulsdauer und/oder Frequenz überprüft.
  7. Steuersystem nach einem der vorhergehenden Ansprüche, dadurch gekennzeichnet, dass die Basisstation (14) und der Codegeber (1) für mehrere Frequenzbänder oder mehrere Kanäle innerhalb eines Frequenzbands ausgelegt sind und die jeweils verwendete Sendefrequenz gewechselt wird.
  8. Verfahren zum Steuern mindestens einer Funktion eines Objekts, bei dem zwischen einer objektseitig angeordneten Basisstation (14) und einem tragbaren Codegeber (1) eine Berechtigungsüberprüfung durch Übertragen eines Abfragesignals, Rückübertragung eines Antwortsignals und Überprüfung einer in dem Antwortsignal enthaltenen Codeinformation auf Berechtigung ausgeführt wird und die Funktion lediglich bei Berechtigung freigegeben oder ausgeführt wird, und bei dem die Zeitdauer zwischen dem Aussenden zumindest eines Teils des Abfragesignals und dem Empfang eines als Reaktion hierauf erhaltenen Teils des Antwortsignals gemessen, mit einer vorbestimmten Referenzzeitdauer verglichen und die gewünschte Funktion selbst bei korrekter Codeinformation nur dann freigegeben oder ausgeführt wird, wenn die gemessene Zeitdauer innerhalb der vorbestimmten Referenzzeitdauer liegt, dadurch gekennzeichnet, dass das gesendete Signal durch einen oder mehrere, gegebenenfalls in ihrer Amplitude, Impulsdauer und/oder Frequenz geänderte Impulse gebildet ist, die in der dieses Signal empfangenden Komponente ohne Auswertungsverarbeitung über einen Umgehungspfad zum Sendekreis dieser Komponente geleitet und zur anderen Komponente rückgesendet werden.
  9. Verfahren nach Anspruch 8, dadurch gekennzeichnet, dass die Anzahl der Teile des Abfragesignals, die über den Umgehungspfad geleitet werden, die Länge der jeweiligen Teile oder die Position der Teile innerhalb des Antwortsignals ausgewertet sowie mit erwarteten Werten verglichen werden.
  10. Zugangskontroll- und Fahrberechtigungseinrichtung für ein Kraftfahrzeug mit
    einer fahrzeugseitig angeordneten Basisstation (14) mit einer Sende- und Empfangseinheit (11, 12), die ein Abfragesignal aussendet und daraufhin auf ein Antwortsignal wartet,
    einem tragbaren Codegeber (1), der einen Empfänger (2) und einen Sender (7, 8) aufweist, durch die nach Empfang eines Anforderungssignals ein Antwortcodesignal ausgesendet wird,
    dadurch gekennzeichnet,
    dass der Codegeber (1) eine Umschalteinrichtung (3, 6) aufweist, die vorbestimmte Teile des empfangenen Abfragesignals direkt vom Empfänger (2) zu dem Sender (7, 8) über einen Umgehungspfad (5) leitet und das restliche Anforderungssignal über eine Recheneinheit (4) zu dem Sender (7, 8) leitet,
    dass die Sende- und Empfangseinheit (11, 12) eine Auswerteeinheit (13) und eine Zeitmesseinrichtung (13) aufweist, die das Antwortsignal einerseits bezüglich Berechtigung und andererseits bezüglich Signallaufzeit auswerten, und laufzeit ein Zugang zum Kraftfahrzeug erlaubt und/oder eine Wegfahrsperre gelöst wird.
EP00109565A 1999-07-01 2000-05-04 Zugangskontrolleinrichtung sowie Zugangskontroll- und Fahrberechtigungseinrichtung Withdrawn EP1069265A3 (de)

Applications Claiming Priority (4)

Application Number Priority Date Filing Date Title
DE19930460 1999-07-01
DE19930460 1999-07-01
DE10012110 2000-03-13
DE10012110 2000-03-13

Publications (2)

Publication Number Publication Date
EP1069265A2 true EP1069265A2 (de) 2001-01-17
EP1069265A3 EP1069265A3 (de) 2004-01-21

Family

ID=26004812

Family Applications (1)

Application Number Title Priority Date Filing Date
EP00109565A Withdrawn EP1069265A3 (de) 1999-07-01 2000-05-04 Zugangskontrolleinrichtung sowie Zugangskontroll- und Fahrberechtigungseinrichtung

Country Status (2)

Country Link
US (1) US6353776B1 (de)
EP (1) EP1069265A3 (de)

Cited By (1)

* Cited by examiner, † Cited by third party
Publication number Priority date Publication date Assignee Title
DE102016215934A1 (de) 2016-08-24 2018-03-01 Continental Automotive Gmbh Verfahren und Vorrichtung zur Bestimmung einer Laufzeit und/oder eines Abstands zwischen mehreren Transceivern, insbesondere für ein Fahrzeugs-Zugangs- und/oder Start-System

Families Citing this family (54)

* Cited by examiner, † Cited by third party
Publication number Priority date Publication date Assignee Title
DE19957536C2 (de) * 1999-11-30 2003-04-03 Siemens Ag Diebstahlschutzsystem für ein Kraftfahrzeug und Verfahren zum Betreiben eines Diebstahlschutzsystems
JP4727892B2 (ja) * 2000-03-09 2011-07-20 シーメンス アクチエンゲゼルシヤフト 例えばid発生器を検出するための送受信方法
DE10114876A1 (de) * 2001-03-26 2002-10-17 Siemens Ag Identifikationssystem zum Nachweis einer Berechtigung für den Zugang zu einem Objekt oder die Benutzung eines Objekts, insbesondere eines Kraftfahrzeugs
US7325250B1 (en) * 2001-07-09 2008-01-29 Advanced Micro Devices, Inc. Method and apparatus for preventing radio communication system access by an unauthorized modem
JP3941620B2 (ja) * 2001-08-31 2007-07-04 株式会社デンソーウェーブ Idタグ内蔵電子機器
DE10151034B4 (de) * 2001-10-16 2004-02-05 Siemens Ag Diebstahlschutzsystem, Verfahren zum Betreiben eines Diebstahlschutzsystems und Komponenten eines Diebstahlschutzsystems
US20030172295A1 (en) * 2002-03-01 2003-09-11 Onspec Electronics, Inc. Device and system for allowing secure identification of an individual when accessing information and a method of use
EP1378864A1 (de) * 2002-07-05 2004-01-07 EM Microelectronic-Marin SA Verfahren zur Zugangskontrolle eines bestimmten Raumes mit einem personalisierten tragbaren Gerät, und personalisiertes tragbares Gerät zum Durchführen des Verfahrens
JP4178285B2 (ja) * 2002-08-09 2008-11-12 豊丸産業株式会社 遊技機
JP2004084258A (ja) * 2002-08-26 2004-03-18 Toyomaru Industry Co Ltd 施錠システム、遊技機及び装置管理システム
DE10255880A1 (de) * 2002-11-29 2004-06-09 Philips Intellectual Property & Standards Gmbh Elektronisches Kommunikationssystem und Verfahren zum Erkennen einer Relais-Attacke auf dasselbe
US20040232228A1 (en) * 2003-05-20 2004-11-25 Gotfried Bradley L. Monitoring system
US6923370B2 (en) * 2003-05-20 2005-08-02 Bradley L. Gotfried Access system
US6888445B2 (en) * 2003-05-20 2005-05-03 Bradley L. Gotfried Vehicle identification system
US20050005167A1 (en) * 2003-07-02 2005-01-06 Kelly Thomas J. Systems and methods for providing security operations in a work machine
US7983820B2 (en) * 2003-07-02 2011-07-19 Caterpillar Inc. Systems and methods for providing proxy control functions in a work machine
US7532640B2 (en) 2003-07-02 2009-05-12 Caterpillar Inc. Systems and methods for performing protocol conversions in a machine
US20050002354A1 (en) * 2003-07-02 2005-01-06 Kelly Thomas J. Systems and methods for providing network communications between work machines
US7516244B2 (en) * 2003-07-02 2009-04-07 Caterpillar Inc. Systems and methods for providing server operations in a work machine
US7650509B1 (en) * 2004-01-28 2010-01-19 Gordon & Howard Associates, Inc. Encoding data in a password
TW200534531A (en) * 2004-03-30 2005-10-16 Aisin Seiki Vehicle mounted radio device
US20060290473A1 (en) * 2005-06-27 2006-12-28 Honeywell International Inc. ID tags with Frequency diversity
US20070162626A1 (en) * 2005-11-02 2007-07-12 Iyer Sree M System and method for enhancing external storage
US20070194881A1 (en) 2006-02-07 2007-08-23 Schwarz Stanley G Enforcing payment schedules
US7876894B2 (en) * 2006-11-14 2011-01-25 Mcm Portfolio Llc Method and system to provide security implementation for storage devices
US20080174446A1 (en) * 2006-11-30 2008-07-24 Lear Corporation Multi-channel passive vehicle activation system
US20080288782A1 (en) * 2007-05-18 2008-11-20 Technology Properties Limited Method and Apparatus of Providing Security to an External Attachment Device
US20080181406A1 (en) * 2007-01-30 2008-07-31 Technology Properties Limited System and Method of Storage Device Data Encryption and Data Access Via a Hardware Key
US20090046858A1 (en) * 2007-03-21 2009-02-19 Technology Properties Limited System and Method of Data Encryption and Data Access of a Set of Storage Devices via a Hardware Key
US20080184035A1 (en) * 2007-01-30 2008-07-31 Technology Properties Limited System and Method of Storage Device Data Encryption and Data Access
US9026267B2 (en) 2007-03-09 2015-05-05 Gordon*Howard Associates, Inc. Methods and systems of selectively enabling a vehicle by way of a portable wireless device
JP4394132B2 (ja) * 2007-03-19 2010-01-06 株式会社日本自動車部品総合研究所 電子キーシステム
DE102007022100B4 (de) * 2007-05-11 2009-12-03 Agco Gmbh Kraftfahrzeugsteuergerätedatenübertragungssystem und -verfahren
US20080288703A1 (en) * 2007-05-18 2008-11-20 Technology Properties Limited Method and Apparatus of Providing Power to an External Attachment Device via a Computing Device
JP2010011061A (ja) * 2008-06-26 2010-01-14 Nippon Soken Inc 無線通信システム
DE102008050988A1 (de) * 2008-09-01 2010-03-04 Gerd Reime Identifikationselement mit einem optischen Transponder
US8581712B2 (en) 2008-12-12 2013-11-12 Gordon * Howard Associates, Inc . Methods and systems related to establishing geo-fence boundaries
US8659404B2 (en) 2008-12-12 2014-02-25 Gordon Howard Associates, Inc. Methods and systems related to establishing geo-fence boundaries and collecting data
US8018329B2 (en) 2008-12-12 2011-09-13 Gordon * Howard Associates, Inc. Automated geo-fence boundary configuration and activation
US8686841B2 (en) 2008-12-12 2014-04-01 Gordon*Howard Associates, Inc. Methods and systems related to activating geo-fence boundaries and collecting location data
US8581711B2 (en) 2011-03-22 2013-11-12 Gordon*Howard Associates, Inc. Methods and systems of rule-based intoxicating substance testing associated with vehicles
US8781900B2 (en) 2011-09-09 2014-07-15 Gordon*Howard Associates, Inc. Method and system of providing information to an occupant of a vehicle
US9665997B2 (en) 2013-01-08 2017-05-30 Gordon*Howard Associates, Inc. Method and system for providing feedback based on driving behavior
JP5721754B2 (ja) * 2013-01-28 2015-05-20 オムロンオートモーティブエレクトロニクス株式会社 通信システム及び通信装置
US9061645B2 (en) 2013-02-15 2015-06-23 Clever Devices, Ltd Methods and apparatus for transmission control of a transit vehicle
JP6174341B2 (ja) * 2013-03-11 2017-08-02 トヨタ自動車株式会社 通信システム、及びチューナ並びに設定方法
US9378480B2 (en) 2013-03-14 2016-06-28 Gordon*Howard Associates, Inc. Methods and systems related to asset identification triggered geofencing
US9035756B2 (en) 2013-03-14 2015-05-19 Gordon*Howard Associates, Inc. Methods and systems related to remote tamper detection
US9840229B2 (en) 2013-03-14 2017-12-12 Gordon*Howard Associates, Inc. Methods and systems related to a remote tamper detection
US8928471B2 (en) 2013-03-14 2015-01-06 Gordon*Howard Associates, Inc. Methods and systems related to remote tamper detection
US9013333B2 (en) 2013-06-24 2015-04-21 Gordon*Howard Associates, Inc. Methods and systems related to time triggered geofencing
DE102014200116A1 (de) * 2014-01-08 2015-07-09 Robert Bosch Gmbh Verfahren und Vorrichtung zur Freigabe von Funktionen eines Steuergerätes
US9701279B1 (en) 2016-01-12 2017-07-11 Gordon*Howard Associates, Inc. On board monitoring device
DE102017004620A1 (de) * 2016-07-04 2018-01-04 Sew-Eurodrive Gmbh & Co Kg Sicherheitseinrichtung und Verfahren zum Betreiben eines Systems

Family Cites Families (18)

* Cited by examiner, † Cited by third party
Publication number Priority date Publication date Assignee Title
DE610902C (de) * 1935-03-19 Karl Julius Gaitzsch Vogelbadehaeuschen fuer Zimmervoegel
US5787174A (en) * 1992-06-17 1998-07-28 Micron Technology, Inc. Remote identification of integrated circuit
US5777580A (en) * 1992-11-18 1998-07-07 Trimble Navigation Limited Vehicle location system
US5629693A (en) * 1993-11-24 1997-05-13 Trimble Navigation Limited Clandestine location reporting by a missing vehicle
US6181253B1 (en) * 1993-12-21 2001-01-30 Trimble Navigation Limited Flexible monitoring of location and motion
DE4409167C1 (de) * 1994-03-17 1995-06-29 Siemens Ag Schlüssellose Zugangskontrolleinrichtung
US5729697A (en) * 1995-04-24 1998-03-17 International Business Machines Corporation Intelligent shopping cart
US5812065A (en) * 1995-08-14 1998-09-22 International Business Machines Corporation Modulation of the resonant frequency of a circuit using an energy field
US5828693A (en) * 1996-03-21 1998-10-27 Amtech Corporation Spread spectrum frequency hopping reader system
DE19615339A1 (de) * 1996-04-18 1997-10-23 Bayerische Motoren Werke Ag Verfahren zum Einstellen von individuellen Funktionen eines Fahrzeugs
US5929777A (en) * 1996-05-16 1999-07-27 Mci World Com, Inc. Radio activated personal infrared distress beacon
DE19632025C2 (de) * 1996-08-08 1998-07-23 Daimler Benz Ag Authentikationseinrichtung mit elektronischer Authentikationskommunikation
GB9723743D0 (en) * 1997-11-12 1998-01-07 Philips Electronics Nv Battery economising in a communications system
US6249227B1 (en) * 1998-01-05 2001-06-19 Intermec Ip Corp. RFID integrated in electronic assets
US6252544B1 (en) * 1998-01-27 2001-06-26 Steven M. Hoffberg Mobile communication device
DE19941428B4 (de) * 1998-09-02 2015-09-10 Marquardt Gmbh Schließsystem, insbesondere für ein Kraftfahrzeug
DE19846803C1 (de) * 1998-10-10 2000-09-07 Daimler Chrysler Ag Verfahren zur Herstellung der Zugangsberechtigung zu einem motorangetriebenen Fahrzeug
DE10029170A1 (de) * 1999-06-25 2000-12-28 Marquardt Gmbh Schließsystem, insbesondere für ein Kraftfahrzeug

Cited By (3)

* Cited by examiner, † Cited by third party
Publication number Priority date Publication date Assignee Title
DE102016215934A1 (de) 2016-08-24 2018-03-01 Continental Automotive Gmbh Verfahren und Vorrichtung zur Bestimmung einer Laufzeit und/oder eines Abstands zwischen mehreren Transceivern, insbesondere für ein Fahrzeugs-Zugangs- und/oder Start-System
US11343076B2 (en) 2016-08-24 2022-05-24 Continental Automotive Gmbh Method and apparatus for determining a propagation delay and/or a distance between multiple transceivers, particularly for a vehicle-entry and/or starting system
DE102016215934B4 (de) 2016-08-24 2024-02-29 Continental Automotive Technologies GmbH Verfahren und Vorrichtung zur Bestimmung einer Laufzeit und/oder eines Abstands zwischen mehreren Transceivern, insbesondere für ein Fahrzeugs-Zugangs- und/oder Start-System

Also Published As

Publication number Publication date
US6353776B1 (en) 2002-03-05
EP1069265A3 (de) 2004-01-21

Similar Documents

Publication Publication Date Title
EP1069265A2 (de) Zugangskontrolleinrichtung sowie Zugangskontroll- und Fahrberechtigungseinrichtung
EP0980800B1 (de) Diebstahlschutzeinrichtung für ein Kraftfahrzeug und Verfahren zum Betreiben der Diebstahlschutzeinrichtung
DE60107512T2 (de) Sicherheitssystem
DE112019001472T5 (de) Authentisierungssystem
DE10148830B4 (de) Verfahren und System zur Authentifizierung eines ersten Sende-/Empfangsgeräts gegenüber einem zu diesem entfernt angeordneten zweiten Sende-/Empfangsgerät
DE102017210523B3 (de) Verfahren zum Betreiben einer passiven funkbasierten Schließvorrichtung und passive funkbasierte Schließvorrichtung
DE102011075886B3 (de) Verfahren und Vorrichtung zur Zugangs- und/oder Startverifizierung.
EP3580731A1 (de) Verfahren zum betreiben eines authentifizierungssystems und authentifizierungssystem
WO2002054353A1 (de) Identifikationssystem zum nachweis einer berechtigung für den zugang zu einem objekt oder die benutzung eines objekts, insbesondere eines kraftfahrzeugs
EP1041224A2 (de) Vorrichtung und Verfahren zur Freigabe einer Sicherungseinrichtung, insbesondere einer Zugangseinrichtung für ein Kraftfahrzeug
DE19926748A1 (de) Funktionskontrollsystem, insbesondere Zugangskontrollsystem, und Verfahren zur Funktionssteuerung
EP1972511A1 (de) Zugangskontrollsystem
DE10143727B4 (de) Im Fahrzeug mitgeführtes Schlüsselprüfsystem mit Prüfungshistorienspeicher
WO2021023465A1 (de) SCHLIEßSYSTEM, INSBESONDERE FÜR EIN FAHRZEUG
EP1081000B1 (de) Sicherungseinrichtung
EP0891607B1 (de) Verfahren zum betrieb einer fernwirkeinrichtung und fernwirkeinrichtung
DE10112573C2 (de) Verfahren zum Initialisieren eines Diebstahlschutzsystems für ein Kraftfahrzeug
EP1006248A1 (de) Fernsteuerbare Zugangskontrolleinrichtung, insbesondere für ein Kraftfahrzeug, und hierfür ausgelegter, tragbarer Transponder
EP1849665A2 (de) Systemarchitektur für ein Keyless-Go-System
DE102015107640A1 (de) Zugangs-und Fahrberechtigungssystem mit erhöhter Sicherheit gegen Relaisangriffe auf die Transpondingschnittstelle Teil - II
EP0999103A2 (de) Benutzeridentifikationsvorrichtung
EP1254042B1 (de) Verfahren zum betreiben eines diebstahlschutzsystems für ein kraftfahrzeug und diebstahlschutzsystem
EP0923054A2 (de) Verfahren und Vorrichtung zur Prüfung der Nutzungsberechtigung für Zugangskontrolleinrichtungen
DE112020000635T5 (de) Authentifizierungssystem und Authentifizierungsverfahren
DE19832204B4 (de) Verfahren zum Durchführen einer schlüssellosen Zugangsberechtigungskontrolle bei einem Kraftfahrzeug

Legal Events

Date Code Title Description
PUAI Public reference made under article 153(3) epc to a published international application that has entered the european phase

Free format text: ORIGINAL CODE: 0009012

AK Designated contracting states

Kind code of ref document: A2

Designated state(s): AT BE CH CY DE DK ES FI FR GB GR IE IT LI LU MC NL PT SE

AX Request for extension of the european patent

Free format text: AL;LT;LV;MK;RO;SI

PUAL Search report despatched

Free format text: ORIGINAL CODE: 0009013

AK Designated contracting states

Kind code of ref document: A3

Designated state(s): AT BE CH CY DE DK ES FI FR GB GR IE IT LI LU MC NL PT SE

AX Request for extension of the european patent

Extension state: AL LT LV MK RO SI

RIC1 Information provided on ipc code assigned before grant

Ipc: 7E 05B 49/00 B

Ipc: 7B 60R 25/04 B

Ipc: 7G 07C 9/00 A

17P Request for examination filed

Effective date: 20040719

AKX Designation fees paid

Designated state(s): DE FR

STAA Information on the status of an ep patent application or granted ep patent

Free format text: STATUS: THE APPLICATION IS DEEMED TO BE WITHDRAWN

18D Application deemed to be withdrawn

Effective date: 20060322