EP0346977A1 - Wasserheizer - Google Patents

Wasserheizer Download PDF

Info

Publication number
EP0346977A1
EP0346977A1 EP89201482A EP89201482A EP0346977A1 EP 0346977 A1 EP0346977 A1 EP 0346977A1 EP 89201482 A EP89201482 A EP 89201482A EP 89201482 A EP89201482 A EP 89201482A EP 0346977 A1 EP0346977 A1 EP 0346977A1
Authority
EP
European Patent Office
Prior art keywords
heat exchanger
line
water
water heater
temperature
Prior art date
Legal status (The legal status is an assumption and is not a legal conclusion. Google has not performed a legal analysis and makes no representation as to the accuracy of the status listed.)
Granted
Application number
EP89201482A
Other languages
English (en)
French (fr)
Other versions
EP0346977B1 (de
Inventor
Paul Heimbach
Current Assignee (The listed assignees may be inaccurate. Google has not performed a legal analysis and makes no representation or warranty as to the accuracy of the list.)
Nv Vaillant Sa
Vaillant Austria GmbH
Vaillant GmbH
Vaillant SARL
Vaillant Ltd
Vaillant-Schonewelle BV
Original Assignee
Vaillant Austria GmbH
Vaillant NV
Joh Vaillant GmbH and Co
Vaillant GmbH
Vaillant SARL
Vaillant Ltd
Vaillant-Schonewelle BV
Priority date (The priority date is an assumption and is not a legal conclusion. Google has not performed a legal analysis and makes no representation as to the accuracy of the date listed.)
Filing date
Publication date
Application filed by Vaillant Austria GmbH, Vaillant NV, Joh Vaillant GmbH and Co, Vaillant GmbH, Vaillant SARL, Vaillant Ltd, Vaillant-Schonewelle BV filed Critical Vaillant Austria GmbH
Publication of EP0346977A1 publication Critical patent/EP0346977A1/de
Application granted granted Critical
Publication of EP0346977B1 publication Critical patent/EP0346977B1/de
Anticipated expiration legal-status Critical
Expired - Lifetime legal-status Critical Current

Links

Images

Classifications

    • FMECHANICAL ENGINEERING; LIGHTING; HEATING; WEAPONS; BLASTING
    • F24HEATING; RANGES; VENTILATING
    • F24DDOMESTIC- OR SPACE-HEATING SYSTEMS, e.g. CENTRAL HEATING SYSTEMS; DOMESTIC HOT-WATER SUPPLY SYSTEMS; ELEMENTS OR COMPONENTS THEREFOR
    • F24D3/00Hot-water central heating systems
    • F24D3/08Hot-water central heating systems in combination with systems for domestic hot-water supply
    • FMECHANICAL ENGINEERING; LIGHTING; HEATING; WEAPONS; BLASTING
    • F24HEATING; RANGES; VENTILATING
    • F24DDOMESTIC- OR SPACE-HEATING SYSTEMS, e.g. CENTRAL HEATING SYSTEMS; DOMESTIC HOT-WATER SUPPLY SYSTEMS; ELEMENTS OR COMPONENTS THEREFOR
    • F24D19/00Details
    • F24D19/10Arrangement or mounting of control or safety devices
    • F24D19/1006Arrangement or mounting of control or safety devices for water heating systems
    • F24D19/1066Arrangement or mounting of control or safety devices for water heating systems for the combination of central heating and domestic hot water
    • FMECHANICAL ENGINEERING; LIGHTING; HEATING; WEAPONS; BLASTING
    • F24HEATING; RANGES; VENTILATING
    • F24HFLUID HEATERS, e.g. WATER OR AIR HEATERS, HAVING HEAT-GENERATING MEANS, e.g. HEAT PUMPS, IN GENERAL
    • F24H15/00Control of fluid heaters
    • F24H15/20Control of fluid heaters characterised by control inputs
    • F24H15/212Temperature of the water
    • F24H15/219Temperature of the water after heating
    • FMECHANICAL ENGINEERING; LIGHTING; HEATING; WEAPONS; BLASTING
    • F24HEATING; RANGES; VENTILATING
    • F24HFLUID HEATERS, e.g. WATER OR AIR HEATERS, HAVING HEAT-GENERATING MEANS, e.g. HEAT PUMPS, IN GENERAL
    • F24H15/00Control of fluid heaters
    • F24H15/20Control of fluid heaters characterised by control inputs
    • F24H15/242Pressure
    • FMECHANICAL ENGINEERING; LIGHTING; HEATING; WEAPONS; BLASTING
    • F24HEATING; RANGES; VENTILATING
    • F24HFLUID HEATERS, e.g. WATER OR AIR HEATERS, HAVING HEAT-GENERATING MEANS, e.g. HEAT PUMPS, IN GENERAL
    • F24H15/00Control of fluid heaters
    • F24H15/30Control of fluid heaters characterised by control outputs; characterised by the components to be controlled
    • F24H15/305Control of valves
    • F24H15/31Control of valves of valves having only one inlet port and one outlet port, e.g. flow rate regulating valves
    • FMECHANICAL ENGINEERING; LIGHTING; HEATING; WEAPONS; BLASTING
    • F24HEATING; RANGES; VENTILATING
    • F24HFLUID HEATERS, e.g. WATER OR AIR HEATERS, HAVING HEAT-GENERATING MEANS, e.g. HEAT PUMPS, IN GENERAL
    • F24H15/00Control of fluid heaters
    • F24H15/30Control of fluid heaters characterised by control outputs; characterised by the components to be controlled
    • F24H15/355Control of heat-generating means in heaters
    • F24H15/36Control of heat-generating means in heaters of burners

Definitions

  • the invention relates to a water heater with a heatable via a heat exchanger and a tap fed directly from this memory and / or from the heat exchanger.
  • the object of the invention is to reduce the storage volume of such a water heater to an optimal minimum. Such a reduction in the storage volume is cost-saving, reduces the weight of the water heater and its energy consumption.
  • the water throughput of a water heater of the type mentioned in the start-up phase of each dispensing operation can be adjusted to an adjustable minimum value by means of a throttle, and the temperature of the water is at Output of the heat exchanger monitoring and determining the path of the water throughput provided temperature sensor, which opens a bypass line connecting the output of the heat exchanger with the tap line, reaching the storage bypassing after reaching a temperature setpoint.
  • Limiting the water throughput according to the invention within the thermal start-up time leads to a reduction in the storage volume in two respects.
  • the storage volume decreases in the ratio of the reduced throughput to the nominal throughput with the same start-up time
  • the thermal useful power that decreases with the hot water throughput during the start-up phase leads to a shortening of this phase.
  • the minimum amount of storage water to be kept available is determined by using this amount to bridge the thermal start-up time of the water heater until hot water is available in the run.
  • the invention is now based on the knowledge that it is advantageous in this sense to limit the amount of hot water that can be drawn off within the start-up time, regardless of how far the tap is opened, to a minimum value, in order to achieve a comparatively small amount of storage water and a small amount Storage volume to be able to bridge the start-up time.
  • a pressure switch is arranged in a cold water supply line leading to the heat exchanger, which, when the pressure in the storage tank falls, closes the return of the storage tank to the heat exchanger and releases the cold water supply via the throttle, while a pressure sensor connected to the hot water tap line above the tap starts the burner that heats the heat exchanger at nominal load.
  • This embodiment is characterized by little design effort in that a pressure drop in the storage when opening the tap valve can be used to start the burner for reheating the storage immediately while the tap water is removed from the storage. This ensures the continued supply of hot water.
  • a branch line connected to this pressure switch and opening into the input of the heat exchanger is proposed, which contains an adjustable throttle for the cold water supply.
  • This configuration has the advantage that, due to the throttled cold water supply and thus throttled hot water withdrawal, an almost complete removal of the hot water in the storage tank is possible.
  • a branch line opening into the input of the heat exchanger is connected to the pressure switch and contains a valve which is controlled via the temperature at the outlet of the heat exchanger and opens when the temperature setpoint occurs and serves to supply the heat exchanger with cold water .
  • This configuration makes it possible to fully release the cold water throughput to the heat exchanger in accordance with the position of the nozzle when the hot water at the outlet of the heat exchanger reaches the desired temperature.
  • the controller monitoring the temperature at the outlet of the heat exchanger is connected to the valve via a control line.
  • the switching status of the valve can be controlled directly depending on the temperature of the tap water at the outlet of the heat exchanger.
  • a pressure switch at the outlet of the heat exchanger which, when the pressure in the heat exchanger rises, blocks its hot water outlet to the store and opens the bypass line leading to the tap line.
  • a pressure sensor connected to the tap line via a branch line and connected via a control line to a pressure sensor for starting up the control of the burner heating the heat exchanger is to be provided.
  • This special design makes it possible to recognize the start of the tap by a drop in pressure in the store and to start the burner early in order to supply heat to the heat exchanger or store.
  • the controller monitoring the temperature at the outlet of the heat exchanger via a control line to a controller for setting the heating water supply temperature.
  • the temperature of the tap water can also be clocked operation of the burner can be brought up to a preselectable value.
  • thermal recharging is controlled by a storage thermostat after each dispensing operation or to compensate for loss of standby heat. This ensures the constant readiness to draw hot water.
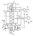
  • the only drawing figure shows the circuit diagram of a water heater according to the invention.
  • the heat exchanger 1 which is heated by a burner, not shown, is assigned a hot water tank 2, the design of which is basically arbitrary within the scope of the invention.
  • this memory can encase or flank the heat exchanger.
  • the heat exchanger 1 contains a coil 3 through which the heating water flows and which is surrounded by the water to be heated. This water is fed to the heat exchanger 1 via a hydraulic pressure switch 4 which is connected to a cold water supply line 5.
  • This pressure switch 9 is connected to the output 11 of the heat exchanger 1.
  • a throttle 13 In a branch line 12 starting from the pressure switch 4 there is a throttle 13 and in a further branch line 14 a cold water valve 15, which is controlled via a control line 16 by a controller 17, which in turn is connected via a control line 18 to a control of the flow temperature of the heating water stands.
  • the storage thermostat 28 with the temperature sensor 27 is connected through the control line 19 to the higher-level control unit of the water heater.
  • a pressure sensor 21 which is connected via a control line 22 to the control of the burner heating the heat exchanger 1.
  • the second hydraulic switch 9 is connected via lines 11 and 25 to the heat exchanger, via line 10 to the tap line 8 and via line 24 to the accumulator 2.
  • the control line 23 links the temperature transmitter 26 in line 11 to the temperature controller 17.
  • the heating water circuit is switched to flow to heat exchanger 1.
  • the thermal start-up phase is carried out on the primary and secondary sides of the system with throttled hot water throughput.
  • the hot water flowing through the heat exchanger 1 flows via the pressure switch 9 and the lines 11, 25 and 25 to the reservoir 2.
  • the controller 17 opens the cold water valve 15 via the control line 16 and releases the flow of the cold water to the coil 3 arranged in the heat exchanger 2 without throttling.
  • the associated pressure increase in the heat exchanger 1 switches the switch 9 to the operating position in which it switches the hot water outlet via the flow line 24 to Memory 2 blocks and the bypass line 10 to the tap 8 and tap 7 opens.
  • This tap 7 is now supplied by the heat exchanger 1 with hot water in the passage.
  • the burner begins to operate in cyclical mode.
  • the heating water temperature setpoint is reduced by the controller 18 connected downstream of the controller 17.
  • the controller 18 connected downstream of the controller 17.
  • the flow pressure in the pressure switches 4 and 9 drops to zero, and these pressure switches go into the rest position, releasing the circulation route via the flow 24 of the heat exchanger 1 and the return 6 for the thermal recharging of the store 2.
  • the reloading process for which the burner may have to switch on several times, is completed as soon as the temperature sensor 27 of the storage thermostat 28 determines that the target value has been reached.
  • a corresponding switching pulse is sent via the control line 19 to the higher-level control unit of the water heater.

Landscapes

  • Engineering & Computer Science (AREA)
  • Physics & Mathematics (AREA)
  • Mechanical Engineering (AREA)
  • Thermal Sciences (AREA)
  • Chemical & Material Sciences (AREA)
  • Combustion & Propulsion (AREA)
  • General Engineering & Computer Science (AREA)
  • Fluid Mechanics (AREA)
  • Water Supply & Treatment (AREA)
  • Instantaneous Water Boilers, Portable Hot-Water Supply Apparatuses, And Control Of Portable Hot-Water Supply Apparatuses (AREA)
  • Heat-Pump Type And Storage Water Heaters (AREA)
  • Cookers (AREA)
  • Resistance Heating (AREA)
  • Domestic Hot-Water Supply Systems And Details Of Heating Systems (AREA)
  • Thermally Insulated Containers For Foods (AREA)

Abstract

Ein Wasserheizer umfaßt einen über einen Wärmetauscher (1) beheizbaren Speicher (2) und eine aus diesem Speicher (2) und/oder vom Wärmetauscher (1) unmittelbar gespeiste Zapfstelle (7). Innerhalb der Anlaufphase des Zapfvorganges erfolgt die Speisung aus dem Speicher (2), sobald die Soll-Temperatur am Ausgang (11) des Wärmetauschers (1) erreicht ist, wird die Zapfleitung (8) im Durchlauf vom Wärmetauscher (1) unmittelbar gespeist. Zur Verringerung des für die Überbrückung der Anlaufphase erforderlichen Speichervolumens ist der Wasserdurchsatz mittels einer Drossel (13) während der Anlaufphase auf einen Kleinstwert einstellbar und ein die Ausgangstemperatur des Wärmetauschers (1) überwachender Regler (17) öffnet erst nach Erreichen des Temperatur-Soll-Wertes eine den Speicher (2) umgehende Umgehungsleitung (10), die dann diesen Ausgang (11) des Wärmetauschers (1) unmittelbar mit der Zapfleitung (8) verbindet.

Description

  • Die Erfindung betrifft einen Wasserheizer mit einem über einen Wärmetauscher beheizbaren Speicher und einer aus diesem Speicher und/oder vom Wärmetauscher unmittelbar gespeisten Zapfstelle.
  • Aufgabe der Erfindung ist es, das Speichervolumen eines solchen Wasserheizers auf ein optimales Minimum zu ver­ringern. Eine solche Verringerung des Speichervolumens ist konstensparend, verringert das Gewicht des Wasserhei­zers und dessen Energiebedarf.
  • Erfindungsgemäß ist zur Lösung dieser Aufgabe der Wasser­durchsatz eines Wasserheizers der eingangs bezeichneten Gattung in einer Anlaufphase jedes Zapfvorganges mittels einer Drossel auf einen einstellbaren Kleinstwert ein­stellbar, und es ist ein die Temperatur des Wassers am Ausgang des Wärmetauschers überwachender und den Weg des Wasserdurchsatzes bestimmender Temperaturfühler vorgese­hen, der nach Erreichen eines Temperatur-Soll-Wertes eine den Ausgang des Wärmetauschers mit der Zapfleitung ver­bindende, den Speicher umgehende Umgehungsleitung öffnet.
  • Aus der AT-AS 2894/97 sind ganz allgemein Umgehungslei­tungen bei Wasserheizern bekannt.
  • Die erfindungsgemäße Begrenzung des Wasserdurchsatzes in­nerhalb der thermischen Anlaufzeit führt in doppelter Hinsicht zu einer Verringerung des Speichervolumens. Ein­mal deshalb, weil bei gleicher Anlaufdauer das Speicher­volumen im Verhältnis des verringerten Durchsatzes zum Nenndurchsatz abnimmt, zum anderen deshalb, weil die mit dem Warmwasserdurchsatz sinkende thermische Nutzleistung während der Anlaufphase zu einer Verkürzung dieser Phase führt.
  • Die bereitzuhaltende Mindestmenge des Speicherwassers wird dadurch bestimmt, daß mit dieser Menge die thermi­sche Anlaufzeit des Wasserheizers überbrückt werden soll, bis im Durchlauf erwärmtes Warmwasser zur Verfügung steht.
  • Das erforderliche Speichervolumen ist deshalb um so ge­ringer, je schneller der thermische Anlauf abgeschlossen ist und je weniger Warmwasser während dieser Anlaufzeit tatsächlich gezapft wird.
  • Die Erfindung beruht nun auf der Erkenntnis, daß es in diesem Sinne von Vorteil ist, die zapfbare Warmwasser­menge innerhalb der Anlaufzeit, unabhängig davon, wie weit der Zapfhahn geöffnet wird, auf einen Kleinstwert zu begrenzen, um dadurch mit einer vergleichsweise geringen Speicherwassermenge und einem geringen Speichervolumen die Anlaufzeit überbrücken zu können.
  • Nach einer bevorzugten Ausführungsform des Wasserheizers ist in einer zum Wärmetauscher führenden Kaltwasserzu­fuhrleitung ein Druckschalter angeordnet, der bei fallen­dem Druck im Speicher den Rücklauf des Speichers zum Wärmetauscher schließt und den Kaltwasserzulauf über die Drossel freigibt, während ein oberhalb der Zapfstelle mit der Warmwasser-Zapfleitung verbundener Drucksensor den den Wärmetauscher beheizenden Brenner mit Nennlast star­tet. Diese Ausführungsform zeichnet sich bei geringem konstruktiven Aufwand dadurch aus, daß ein Druckabfall im Speicher beim Öffnen des Zapfventils dazu benutzt werden kann, den Brenner zum Nachheizen des Speichers unmittel­bar zu starten, während das Zapfwasser aus dem Speicher entnommen wird. Damit wird die weitere Warmwasserbeliefe­rung sichergestellt.
  • In Ausgestaltung der Erfindung wird eine an diesen Druck­schalter angeschlossene, in den Eingang des Wärmetau­schers mündende Zweigleitung vorgeschlagen, die eine regelbare Drossel für den Kaltwasserzulauf enthält.
  • Durch diese Ausgestaltung ergibt sich der Vorteil, daß, bedingt durch die gedrosselte Kaltwasserzuführung und da­mit auch gedrosselte Warmwasserentnahme, ein nahezu voll­ständiges Entnehmen des Warmwassers im Speicher möglich ist.
  • Schließlich ist es vorteilhaft, daß an den Druckschalter eine in den Eingang des Wärmetauschers mündende Zweiglei­tung angeschlossen ist, die ein über die Temperatur am Ausgang des Wärmetauschers gesteuertes, beim Eintreten des Temperatur-Soll-Wertes öffnendes und der Versorgung des Wärmetauschers mit Kaltwasser dienendes Ventil ent­hält.
  • Durch diese Ausgestaltung ist es möglich, den Kaltwasser­durchsatz zum Wärmetauscher entsprechend der Stellung des Zapfventils voll freizugeben, wenn das Warmwasser am Aus­gang des Wärmetauschers Soll-Temperatur erreicht.
  • Es ist vorteilhaft, daß der die Temperatur am Ausgang des Wärmetauschers überwachende Regler über eine Steuerlei­tung mit dem Ventil verbunden ist. Durch diese Ausgestal­ tung kann der Schaltzustand des Ventils unmittelbar in Abhängigkeit von der Temperatur des Zapfwassers am Aus­gang des Wärmetauschers beherrscht werden.
  • Weiterhin ist es zweckmäßig, am Ausgang des Wärmetau­schers einen Druckschalter anzuordnen, der bei Druckan­stieg im Wärmetauscher dessen Warmwasserausgang zum Speicher sperrt und die zur Zapfleitung führende Umge­hungsleitung öffnet. Durch diese Ausgestaltung gelingt es, den Speicher zu umgehen und zu verhindern, daß an der Zapfstelle unzureichend erwärmtes Wasser ausfließt.
  • Schließlich ist ein an der Zapfleitung über eine Zweig­leitung angeschlossener und über eine Steuerleitung mit einer für die Inbetriebnahme der Steuerung des den Wärme­tauscher beheizenden Brenners verbundener Drucksensor vorzusehen. Durch diese spezielle Ausgestaltung gelingt es, den Zapfbeginn durch Druckabfall im Speicher zu er­kennen und für ein frühzeitiges Einschalten des Brenners zum Nachliefern von Wärme an den Wärmetauscher bezie­hungsweise Speicher zu starten.
  • Im übrigen ist es vorteilhaft, den die Temperatur am Aus­gang des Wärmetauschers überwachenden Regler über eine Steuerleitung mit einer Steuerung zur Einstellung der Heizwasser-Vorlauftemperatur zu verbinden. Auf diese Weise kann die Temperatur des Zapfwassers auch bei Takt­ betrieb des Brenners an einen vorwählbaren Wert herange­führt werden.
  • Schlußendlich ist vorgesehen, daß die thermische Nachla­dung nach jedem Zapfvorgang oder zum Ausgleich von Be­reitschaftswärmeverlusten durch einen Speicherthermostat gesteuert wird. Hierdurch wird die ständige Bereitschaft zur Warmwasserentnahme gesichert.
  • Die einzige Zeichnungsfigur zeigt das Schaltschema eines erfindungsgemäßen Wasserheizers.
  • Dem von einem nicht dargestellten Brenner beheizten Wär­metauscher 1 ist ein Warmwasserspeicher 2 zugeordnet, dessen Ausbildung im Rahmen der Erfindung grundsätzlich beliebig ist. Beispielsweise kann dieser Speicher den Wärmetauscher ummanteln oder flankieren.
  • Der Wärmetauscher 1 enthält eine vom Heizwasser durch­strömte Wendel 3, die von dem aufzuheizenden Wasser umge­ben ist. Dieses Wasser wird dem Wärmetauscher 1 über einen hydraulischen Druckschalter 4 zugeleitet, der an eine Kaltwasserzufuhrleitung 5 angeschlossen ist. In die­sen Druckschalter 4 mündet ferner die Rücklaufleitung 6 des Speichers 2, von der die zum Zapfventil 7 führende Zapfleitung 8 ausgeht, in die eine von einem zweiten hy­draulischen Druckschalter 9 ausgehende Umgehungsleitung 10 mündet. Dieser Druckschalter 9 ist an den Ausgang 11 des Wärmetauschers 1 angeschlossen.
  • In einer vom Druckschalter 4 ausgehenden Zweigleitung 12 befindet sich eine Drossel 13 und in einer weiteren Zweigleitung 14 ein Kaltwasserventil 15, das über eine Steuerleitung 16 von einem Regler 17 gesteuert wird, der seinerseits über eine Steuerleitung 18 mit einer Steue­rung der Vorlauftemperatur des Heizwassers in Verbindung steht. Der Speicherthermostat 28 mit dem Temperaturfühler 27 ist durch die Steuerleitung 19 an das übergeordnete Steuergerät des Wasserheizers angeschlossen.
  • In einer Zweigleitung 20 der Warmwasser-Zapfleitung 8 be­findet sich ferner ein Drucksensor 21, der über eine Steuerleitung 22 mit der Steuerung des den Wärmetauscher 1 beheizenden Brenners verbunden ist.
  • Der zweite hydraulische Schalter 9 ist über die Leitungen 11 und 25 mit dem Wärmetauscher, über Leitung 10 mit der Zapfleitung 8 und über Leitung 24 mit dem Speicher 2 ver­bunden. Die Steuerleitung 23 verknüpft den Temperaturge­ber 26 in Leitung 11 mit dem Temperaturregler 17.
  • Die Funktion des Wasserheizers ergibt sich aus diesem Aufbau wie folgt:
  • Nach Öffnen des Zapfventiles 7 fällt der Druck im Spei­ cher 2. Die entstehende Druckdifferenz verstellt den Druckschalter 4 in die Betriebsstellung, bei der der Speicherrücklauf 6 zum Wärmetauscher 1 geschlossen und die Kaltwasserzufuhr aus der Kaltwasserzufuhrleitung 5 über die Drossel 13 freigegeben ist. Gleichzeitig startet der Drucksensor 21 den Brenner mit Nennlast.
  • Der Heizwasserkreis wird auf Durchfluß zum Wärmetauscher 1 geschaltet.
  • Nach der Zündung des Brenners wird bei gedrosseltem Warm­wasserdurchsatz auf der Primär- und Sekundärseite des Systems die thermische Anlaufphase durchfahren. Das den Wärmetauscher 1 durchströmende Warmwasser fließt über den Druckschalter 9 und die Leitungen 11, 25 und 25 zum Speicher 2.
  • Sobald der Temperaturgeber 26 in der Ausgangsleitung 11 des Wärmetauschers 1 das Erreichen der Soll-Temperatur feststellt, öffnet der Regler 17 über die Steuerleitung 16 das Kaltwasserventil 15 und gibt den Durchfluß des Kaltwassers zu der im Wärmetauscher 2 angeordneten Wendel 3 ungedrosselt frei.
  • Der damit verknüpfte Druckanstieg im Wärmetauscher 1 schaltet den Schalter 9 in Betriebsstellung, in der er den Warmwasserausgang über die Vorlaufleitung 24 zum Speicher 2 sperrt und die Umgehungsleitung 10 zur Zapf­leitung 8 und Zapfstelle 7 öffnet. Diese Zapfstelle 7 wird nun unmittelbar vom Wärmetauscher 1 mit Warmwasser im Durchlauf versorgt.
  • Bei weiterem Anstieg der Wassertemperatur am Ausgang 11 des Wärmetauschers 1 beginnt der Brenner im Taktbetrieb zu arbeiten. In dieser Phase wird der Heizwassertempera­tur-Soll-Wert über die dem Regler 17 nachgeschaltete Steuerung 18 verringert. Sobald das Zapfventil 7 ge­schlossen wird, fällt der Strömungsdruck in den Druck­schaltern 4 und 9 auf Null, und diese Druckschalter gehen in Ruhestellung, wobei sie den Umlaufweg über den Vorlauf 24 des Wärmetauschers 1 und den Rücklauf 6 für die ther­mische Nachladung des Speichers 2 freigeben. Der Nach­ladevorgang, für den der Brenner gegebenenfalls mehrmals einschalten muß, wird abgeschlossen, sobald der Tempera­turfühler 27 des Speicherthermostaten 28 das Erreichen des Soll-Wertes feststellt. Ein entsprechender Schaltim­puls geht über die Steuerleitung 19 an das übergeordnete Steuergerät des Wasserheizers.

Claims (10)

1. Wasserheizer mit einem über einen Wärmetauscher beheizbaren Speicher und einer aus diesem Spei­cher und/oder vom Wärmetauscher unmittelbar ge­speisten Zapfstelle, dadurch gekennzeichnet, daß der Wasserdurchsatz in einer Anlaufphase jedes Zapfvorganges mittels einer Drossel (13) auf ei­nen einstellbaren Kleinstwert einstellbar ist und daß ein mittels des Temperaturgebers (26) die Temperatur des Wassers am Ausgang (11) des Wärmetauschers (1) überwachender und den Weg des Wasserdurchsatzes bestimmender Regler (17) vor­gesehen ist, der nach Erreichen eines Tempera­tur-Soll-Wertes eine den Ausgang (11) des Wärmetauschers (1) mit der Zapfleitung (8) ver­bindende, den Speicher (2) umgehende Umgehungs­ leitung (10) öffnet.
2. Wasserheizer nach Anspruch 1, gekennzeichnet durch einen in der zum Wärmetauscher (1) führen­den Kaltwasserzufuhrleitung (5) angeordneten Druckschalter (4), der bei fallendem Druck im Speicher (2) den Rücklauf des Speichers (2) zum Wärmetauscher (1) schließt und den Kaltwasserzu­lauf über die Drossel (13) freigibt.
3. Wasserheizer nach Anspruch 2, gekennzeichnet durch eine an diesen Druckschalter (4) ange­schlossene, in den Eingang des Wärmetauschers (1) mündende Zweigleitung (12), die eine regel­bare Drossel (13) für den Kaltwasserzulauf ent­hält.
4. Wasserheizer nach Anspruch 2 oder 3, dadurch ge­kennzeichnet, daß an diesen Druckschalter (4) eine in den Eingang des Wärmetauschers (1) mün­dende Zweigleitung (14) angeschlossen ist, die ein vom Regler (17) gesteuertes, beim Eintreten des Temperatur-Soll-Wertes öffnendes und der Versorgung des Wärmetauschers (1) mit Kaltwasser dienendes Ventil (15) enthält.
5. Wasserheizer nach Anspruch 4, dadurch gekenn­ zeichnet, daß der durch die Temperatur in der Ausgangsleitung (11) des Wärmetauschers (1) ge­steuerte Regler (17) über eine Steuerleitung (16) mit diesem Ventil (15) verbunden ist.
6. Wasserheizer nach einem der Ansprüche 1 bis 5, gekennzeichnet durch einen am Ausgang (11) des Wärmetauschers (1) angeordneten Druckschalter (9), der bei Druckanstieg im Wärmetauscher (1) dessen Warmwasserausgang (24) zum Speicher (2) sperrt und die zur Zapfleitung (8) führende Um­gehungsleitung (10) öffnet.
7. Wasserheizer nach Anspruch 6, dadurch gekenn­zeichnet, daß diese Umgehungsleitung (10) von dem am Ausgang (11) des Wärmetauschers (1) an­geordneten Druckschalter (9) ausgeht und in die Zapfleitung (8) mündet.
8. Wasserheizer nach einem der Ansprüche 1 bis 7, gekennzeichnet durch einen am Zapfleitung (8) über eine Zweigleitung (20) angeschlossenen und über eine Steuerleitung (22) mit der Steuerung des den Wärmetauscher beheizenden Brenners ver­bundenen Drucksensor (21).
9. Wasserheizer nach einem der Ansprüche 1 bis 8, dadurch gekennzeichnet, daß der von der Tempera­tur in der Leitung (11) gesteuerte Regler (17) über eine Steuerleitung (18) mit einer Steuerung zur Einstellung der Vorlauftemperatur des den Speicher (2) beheizenden Wassers verbunden ist.
10. Wasserheizer nach einem der Ansprüche 1 bis 9, dadurch gekennzeichnet, daß die Temperatur des Speicherwassers bei der thermischen Nachladung und bei Betriebsbereitschaft durch einen Spei­cherthermostaten überwacht wird.
EP89201482A 1988-06-14 1989-06-09 Wasserheizer Expired - Lifetime EP0346977B1 (de)

Applications Claiming Priority (2)

Application Number Priority Date Filing Date Title
AT0153388A AT390504B (de) 1988-06-14 1988-06-14 Wasserheizer
AT1533/88 1988-06-14

Publications (2)

Publication Number Publication Date
EP0346977A1 true EP0346977A1 (de) 1989-12-20
EP0346977B1 EP0346977B1 (de) 1992-11-11

Family

ID=3515560

Family Applications (1)

Application Number Title Priority Date Filing Date
EP89201482A Expired - Lifetime EP0346977B1 (de) 1988-06-14 1989-06-09 Wasserheizer

Country Status (5)

Country Link
EP (1) EP0346977B1 (de)
AT (2) AT390504B (de)
DE (2) DE3918733A1 (de)
ES (1) ES2037394T3 (de)
GR (1) GR3006756T3 (de)

Cited By (1)

* Cited by examiner, † Cited by third party
Publication number Priority date Publication date Assignee Title
GB2306631A (en) * 1995-10-28 1997-05-07 Gledhill Water Storage Domestic water heating apparatus

Families Citing this family (3)

* Cited by examiner, † Cited by third party
Publication number Priority date Publication date Assignee Title
DE10344413B4 (de) * 2003-09-25 2005-08-25 Bbt Thermotechnik Gmbh Verfahren zur Regelung der Warmwasserbereitung
CN109185950A (zh) * 2018-10-24 2019-01-11 中冶华天南京电气工程技术有限公司 一种双分流换热站
CN113074406B (zh) * 2021-04-08 2022-05-10 湖南全家富电器科技有限公司 一种基于智能语音控制的家用取暖器

Citations (2)

* Cited by examiner, † Cited by third party
Publication number Priority date Publication date Assignee Title
FR1527970A (fr) * 1967-04-14 1968-06-07 Fonderie Soc Gen De Installation assurant la production d'eau chaude sanitaire
DE3714968A1 (de) * 1986-05-03 1987-11-05 Vaillant Joh Gmbh & Co Warmwasserversorgungsanlage

Patent Citations (2)

* Cited by examiner, † Cited by third party
Publication number Priority date Publication date Assignee Title
FR1527970A (fr) * 1967-04-14 1968-06-07 Fonderie Soc Gen De Installation assurant la production d'eau chaude sanitaire
DE3714968A1 (de) * 1986-05-03 1987-11-05 Vaillant Joh Gmbh & Co Warmwasserversorgungsanlage

Cited By (2)

* Cited by examiner, † Cited by third party
Publication number Priority date Publication date Assignee Title
GB2306631A (en) * 1995-10-28 1997-05-07 Gledhill Water Storage Domestic water heating apparatus
GB2306631B (en) * 1995-10-28 1999-01-20 Gledhill Water Storage Improvements relating to heating apparatus

Also Published As

Publication number Publication date
DE58902658D1 (de) 1992-12-17
GR3006756T3 (de) 1993-06-30
AT390504B (de) 1990-05-25
ATE82378T1 (de) 1992-11-15
ATA153388A (de) 1989-10-15
ES2037394T3 (es) 1993-06-16
EP0346977B1 (de) 1992-11-11
DE3918733A1 (de) 1989-12-21

Similar Documents

Publication Publication Date Title
AT406191B (de) Warmwasserheizung
EP0098450B1 (de) Brennstoffbeheizte Wärmequelle
DE4034918A1 (de) Verfahren zur ermoeglichung des sofortigen zapfens von warmem brauchwasser
DE69518216T2 (de) Wandgasheizkessel mit kleinem Brauchwasserspeicher
AT390504B (de) Wasserheizer
EP0038318A1 (de) Regelvorrichtung zur Regelung der Erwärmung von Brauchwasser für einen Speicherbehälter
DE19530000C2 (de) Warmwasserbereitungsanlage
DE4332141C2 (de) Umlaufwasserheizer
EP3800403B1 (de) Verfahren zum betreiben einer heizvorrichtung, heizvorrichtung
DE19617111A1 (de) Wasserheizanlage
EP0421312B1 (de) Vorrichtung zum Steuern des Durchlaufspeicherbetriebes bei Brauchwasserzapfung.
DE3310852C2 (de) Umlaufwasserheizer
EP0556736A1 (de) Verfahren zur Steuerung eines Kessels
DE3917068A1 (de) Aufheizsteuerung eines brauchwasserspeichers
DE19802362C2 (de) Verfahren und Einrichtung zur Reduzierung der Wartezeit für das Zapfen von warmem Brauchwasser
EP0038964A2 (de) Wasserspeichererhitzer
DE3322612A1 (de) Brennstoffbeheizte waermequelle
AT397854B (de) Verfahren zur steuerung eines kessels
EP0617240B1 (de) Kombinierter Wasserheizer
EP1158251B1 (de) Verfahren zur Steuerung einer Wasserheizeinrichtung
DE19636360C2 (de) Verfahren zur Brauchwasserbereitstellung in einem kombinierten System
EP0544622A1 (de) Zweistoffkesselanlage einer Zentralheizung mit einem Holz- und einem Oelkessel
EP0452259B1 (de) Vorrichtung zur Erzeugung von warmem Brauchwasser und Verfahren zum Betrieb der Vorrichtung
DE4011848A1 (de) Einrichtung zur warmwasserbereitstellung
DE10033910A1 (de) Schichtenspeicher

Legal Events

Date Code Title Description
PUAI Public reference made under article 153(3) epc to a published international application that has entered the european phase

Free format text: ORIGINAL CODE: 0009012

AK Designated contracting states

Kind code of ref document: A1

Designated state(s): AT BE CH DE ES FR GB GR IT LI LU NL SE

17P Request for examination filed

Effective date: 19900618

17Q First examination report despatched

Effective date: 19910527

RAP1 Party data changed (applicant data changed or rights of an application transferred)

Owner name: VAILLANT GMBH

Owner name: VAILLANT-SCHONEWELLE B.V.

Owner name: VAILLANT LTD.

Owner name: VAILLANT GES.M.B.H

Owner name: VAILLANT S.A.R.L

Owner name: N.V. VAILLANT S.A.

Owner name: JOH. VAILLANT GMBH U. CO.

GRAA (expected) grant

Free format text: ORIGINAL CODE: 0009210

AK Designated contracting states

Kind code of ref document: B1

Designated state(s): AT BE CH DE ES FR GB GR IT LI LU NL SE

REF Corresponds to:

Ref document number: 82378

Country of ref document: AT

Date of ref document: 19921115

Kind code of ref document: T

REF Corresponds to:

Ref document number: 58902658

Country of ref document: DE

Date of ref document: 19921217

GBT Gb: translation of ep patent filed (gb section 77(6)(a)/1977)

Effective date: 19921201

ITF It: translation for a ep patent filed
PGFP Annual fee paid to national office [announced via postgrant information from national office to epo]

Ref country code: LU

Payment date: 19930315

Year of fee payment: 5

Ref country code: FR

Payment date: 19930315

Year of fee payment: 5

PGFP Annual fee paid to national office [announced via postgrant information from national office to epo]

Ref country code: SE

Payment date: 19930316

Year of fee payment: 5

ET Fr: translation filed
PGFP Annual fee paid to national office [announced via postgrant information from national office to epo]

Ref country code: BE

Payment date: 19930510

Year of fee payment: 5

EPTA Lu: last paid annual fee
REG Reference to a national code

Ref country code: GR

Ref legal event code: FG4A

Free format text: 3006756

PGFP Annual fee paid to national office [announced via postgrant information from national office to epo]

Ref country code: GR

Payment date: 19930609

Year of fee payment: 5

PG25 Lapsed in a contracting state [announced via postgrant information from national office to epo]

Ref country code: ES

Free format text: LAPSE BECAUSE OF NON-PAYMENT OF DUE FEES

Effective date: 19930610

REG Reference to a national code

Ref country code: ES

Ref legal event code: FG2A

Ref document number: 2037394

Country of ref document: ES

Kind code of ref document: T3

PLBE No opposition filed within time limit

Free format text: ORIGINAL CODE: 0009261

STAA Information on the status of an ep patent application or granted ep patent

Free format text: STATUS: NO OPPOSITION FILED WITHIN TIME LIMIT

26N No opposition filed
PGFP Annual fee paid to national office [announced via postgrant information from national office to epo]

Ref country code: GB

Payment date: 19940316

Year of fee payment: 6

PG25 Lapsed in a contracting state [announced via postgrant information from national office to epo]

Ref country code: LU

Free format text: LAPSE BECAUSE OF NON-PAYMENT OF DUE FEES

Effective date: 19940609

PG25 Lapsed in a contracting state [announced via postgrant information from national office to epo]

Ref country code: SE

Effective date: 19940610

PG25 Lapsed in a contracting state [announced via postgrant information from national office to epo]

Ref country code: BE

Effective date: 19940630

BERE Be: lapsed

Owner name: S.A. VAILLANT N.V.

Effective date: 19940630

PG25 Lapsed in a contracting state [announced via postgrant information from national office to epo]

Ref country code: GR

Free format text: THE PATENT HAS BEEN ANNULLED BY A DECISION OF A NATIONAL AUTHORITY

Effective date: 19941231

EUG Se: european patent has lapsed

Ref document number: 89201482.0

Effective date: 19950110

PG25 Lapsed in a contracting state [announced via postgrant information from national office to epo]

Ref country code: FR

Effective date: 19950228

EUG Se: european patent has lapsed

Ref document number: 89201482.0

PGFP Annual fee paid to national office [announced via postgrant information from national office to epo]

Ref country code: DE

Payment date: 19950328

Year of fee payment: 7

REG Reference to a national code

Ref country code: FR

Ref legal event code: ST

Ref country code: GR

Ref legal event code: MM2A

Free format text: 3006756

PG25 Lapsed in a contracting state [announced via postgrant information from national office to epo]

Ref country code: GB

Effective date: 19950609

PGFP Annual fee paid to national office [announced via postgrant information from national office to epo]

Ref country code: CH

Payment date: 19950613

Year of fee payment: 7

GBPC Gb: european patent ceased through non-payment of renewal fee

Effective date: 19950609

PG25 Lapsed in a contracting state [announced via postgrant information from national office to epo]

Ref country code: LI

Effective date: 19960630

Ref country code: CH

Effective date: 19960630

REG Reference to a national code

Ref country code: CH

Ref legal event code: PL

PG25 Lapsed in a contracting state [announced via postgrant information from national office to epo]

Ref country code: DE

Effective date: 19970301

PGFP Annual fee paid to national office [announced via postgrant information from national office to epo]

Ref country code: NL

Payment date: 19980312

Year of fee payment: 10

PGFP Annual fee paid to national office [announced via postgrant information from national office to epo]

Ref country code: AT

Payment date: 19980512

Year of fee payment: 10

PG25 Lapsed in a contracting state [announced via postgrant information from national office to epo]

Ref country code: AT

Free format text: LAPSE BECAUSE OF NON-PAYMENT OF DUE FEES

Effective date: 19990609

PG25 Lapsed in a contracting state [announced via postgrant information from national office to epo]

Ref country code: NL

Free format text: LAPSE BECAUSE OF NON-PAYMENT OF DUE FEES

Effective date: 20000101

NLV4 Nl: lapsed or anulled due to non-payment of the annual fee

Effective date: 20000101

REG Reference to a national code

Ref country code: ES

Ref legal event code: FD2A

Effective date: 20010503

PG25 Lapsed in a contracting state [announced via postgrant information from national office to epo]

Ref country code: IT

Free format text: LAPSE BECAUSE OF NON-PAYMENT OF DUE FEES;WARNING: LAPSES OF ITALIAN PATENTS WITH EFFECTIVE DATE BEFORE 2007 MAY HAVE OCCURRED AT ANY TIME BEFORE 2007. THE CORRECT EFFECTIVE DATE MAY BE DIFFERENT FROM THE ONE RECORDED.

Effective date: 20050609