EP0206196A2 - Ueberwachungsvorrichtung für Doppelfäden an Webkettenknüpfmaschinen - Google Patents

Ueberwachungsvorrichtung für Doppelfäden an Webkettenknüpfmaschinen Download PDF

Info

Publication number
EP0206196A2
EP0206196A2 EP86108183A EP86108183A EP0206196A2 EP 0206196 A2 EP0206196 A2 EP 0206196A2 EP 86108183 A EP86108183 A EP 86108183A EP 86108183 A EP86108183 A EP 86108183A EP 0206196 A2 EP0206196 A2 EP 0206196A2
Authority
EP
European Patent Office
Prior art keywords
thread
threads
warp
double
organ
Prior art date
Legal status (The legal status is an assumption and is not a legal conclusion. Google has not performed a legal analysis and makes no representation as to the accuracy of the status listed.)
Granted
Application number
EP86108183A
Other languages
English (en)
French (fr)
Other versions
EP0206196A3 (en
EP0206196B1 (de
Inventor
Martin Plaschy
Current Assignee (The listed assignees may be inaccurate. Google has not performed a legal analysis and makes no representation or warranty as to the accuracy of the list.)
Zellweger Uster AG
Original Assignee
Zellweger Uster AG
Priority date (The priority date is an assumption and is not a legal conclusion. Google has not performed a legal analysis and makes no representation as to the accuracy of the date listed.)
Filing date
Publication date
Application filed by Zellweger Uster AG filed Critical Zellweger Uster AG
Priority to AT86108183T priority Critical patent/ATE66501T1/de
Publication of EP0206196A2 publication Critical patent/EP0206196A2/de
Publication of EP0206196A3 publication Critical patent/EP0206196A3/de
Application granted granted Critical
Publication of EP0206196B1 publication Critical patent/EP0206196B1/de
Anticipated expiration legal-status Critical
Expired - Lifetime legal-status Critical Current

Links

Images

Classifications

    • DTEXTILES; PAPER
    • D03WEAVING
    • D03JAUXILIARY WEAVING APPARATUS; WEAVERS' TOOLS; SHUTTLES
    • D03J1/00Auxiliary apparatus combined with or associated with looms
    • D03J1/16Apparatus for joining warp ends

Definitions

  • 1.Monitoring device for double threads on warp knotting machines which have a knitting organ, clamps for the warp thread coulters to be linked together and an organ for dividing the respective edge warp thread and for moving it out of the warp thread plane, characterized in that the warp threads (K a , K n ) in Area between the compartment organ (4, 4 ') and a clamp (2, 2') are guided over a thread guide (8), around which the edge warp thread (K r ) is deflected when moving out of the warp thread plane, that in the deflecting area of the edge warp thread Measuring element (10, 10 ') is arranged for measuring the force acting on the deflection point or on the dividing element by means of a deflected warp thread, and that the measurement signal obtained thereby forms the criterion for the presence of a double thread.
  • Monitoring device characterized in that the measuring element (10, 10 ') of the thread guide (8) is assigned and arranged in its area.
  • Monitoring device characterized in that the thread guide (8) in the area next to the warp thread sheet (K, K) has a part by a deflected edge warp thread (K) adjustable or deformable, over which the divided edge warp thread is moved, and that the measuring element (10, 10 ') is arranged in the area of this part.
  • K deflected edge warp thread
  • the thread guide (8) consists of a rigid part (17) and a pivoting part (18) mounted thereon, which adjusts the said adjustable or deformable part, and that the measuring element (10, 10 ') for detecting the adjustment of this swivel part is formed by a divided edge warp thread (K).
  • Monitoring device characterized in that the pivoting part (18) on the rigid part (17) is supported on one side by a leaf spring (19), and that the measuring element (10, 10 ') by two opposite sides of this leaf spring attached strain gauge (20) or is formed by a piezoelectric sensor sensitive to bending.
  • monitoring device characterized in that the thread guide (8) in the region of the adjustable or deformable part by a divided edge warp thread (K) is designed to be bendable, and that the measuring element (10, 10 ') by one between the bendable and the rigid part (17) of the thread guide clamped strain gauge (20) or is formed by a piezoelectric sensor sensitive to bending.
  • the thread guide (8) in the region of the adjustable or deformable part has an element connected to a piezoelectric transducer, the force of which on the transducer is proportional to the contact force of a separated edge warp thread (K).
  • Monitoring device characterized in that said element is formed like a bow or flat and is supported by an axis oriented in the direction of the bearing force and contacting the piezoelectric transducer.
  • Monitoring device characterized in that for each of the two warp thread groups (K a , K n ) to be linked, a measuring element (10, 10 ') is provided, the measuring signal via an amplifier (11) and a Evaluation stage (12) of the control unit (13) of the knotting machine (3) is fed.
  • monitoring device characterized in that the evaluation stage (12) has a threshold value detector for the measurement signals, the threshold value of which is set such that a measurement signal exceeding this indicates the division of a double thread.
  • monitoring device characterized in that the control unit (13) of the knotting machine (3) has a connection (14) with its drive (15) or interrupting switch (14) and separate displays (16, 16 ') for the occurrence of a Double thread in one of the two warp thread groups (K a , K n ), and that the switch and the displays are controlled by the output signal of the evaluation stage (12).

Landscapes

  • Engineering & Computer Science (AREA)
  • Textile Engineering (AREA)
  • Looms (AREA)
  • Auxiliary Weaving Apparatuses, Weavers' Tools, And Shuttles (AREA)
  • Spinning Or Twisting Of Yarns (AREA)
  • Preliminary Treatment Of Fibers (AREA)
  • Filamentary Materials, Packages, And Safety Devices Therefor (AREA)
  • Knitting Machines (AREA)
  • Warping, Beaming, Or Leasing (AREA)
  • Yarns And Mechanical Finishing Of Yarns Or Ropes (AREA)

Abstract

Die Knüpfmaschine (3) weist ein Knüpforgan (6), Klemmen (1,2; 1', 2') für die miteinander zu verknüpfenden Kettfadenscharen (Ka, Kn) und ein Organ (4,4') zum Abteilen des jeweiligen Randkettfadens und zu dessen Herausbewegen aus der Kettfadenebene auf. Die Kettfäden sind im Bereich zwischen dem Abteilorgan und einer Klemme über eine Fadenführung (8) geführt, um welche der Randkettfaden beim Herausbewegen aus der Kettfadenebene umgelenkt wird. Im Umlenkbereich ist ein Messorgan (10, 10') zur Messung der durch einen umgelenkten Kettfaden auf die Umlenkstelle oder auf das Abteilorgan wirkenden Kraft angeordnet, dessen Signal das Kriterium für das Vorhandensein eines Doppelfadens bildet.
Das Messorgan (10, 10') ist durch einen piezoelektrischen Druckwandler oder durch einen Dehnungsmeßstreifen oder einen auf Biegung empfindlichen Piezosensor gebildet und ist daher gegen Verschmutzung und Verstaubung praktisch unempfindlich. Da sein Signal bei einem Doppelfaden doppelt so groß ist wie bei einem Einzelfaden, werden Doppelfäden sicher als solche erkannt.

Description

  • 1. Ueberwachungsvorrichtung für Doppelfäden an Webkettenknüpfmaschinen, welche ein Knüpforgan, Klemmen für die miteinander zu verknüpfenden Kettfadenscharen sowie ein Organ zum Abteilen des jeweiligen Randkettfadens und zu dessen Herausbewegen aus der Kettfadenebene aufweisen, dadurch gekennzeichnet, dass die Kettfäden (Ka, Kn) im Bereich zwischen dem Abteilorgan (4, 4') und einer Klemme (2, 2') über eine Fadenführung (8) geführt sind, um welche der Randkettfaden (Kr) beim Herausbewegen aus der Kettfadenebene umgelenkt wird, dass im Umlenkbereich des Randkettfadens ein Messorgan (10, 10') zur Messung der durch einen umgelenkten Kettfaden auf die Umlenkstelle oder auf das Abteilorgan wirkenden Kraft angeordnet ist, und dass das dabei gewonnene Messignal das Kriterium für das Vorhandensein eines Doppelfadens bildet.
  • 2. Ueberwachungsvorrichtung nach Anspruch 1, dadurch gekennzeichnet, dass das Messorgan (10, 10') der Fadenführung (8) zugeordnet und in deren Bereich angeordnet ist.
  • 3. Ueberwachungsvorrichtung nach Anspruch 2, dadurch gekennzeichnet, dass die Fadenführung (8) im Bereich neben der Kettfadenschar (K , K ) einen durch einen umgalenkten Randkettfaden (K ) verstell- oder verformbaren Teil aufweist, über welchen der abgeteilte Randkettfaden bewegt wird, und dass das Messorgan (10, 10') im Bereich dieses Teils angeordnet ist.
  • 4. Ueberwachungsvorrichtung nach Anspruch 3, dadurch gekennzeichnet, dass die Fadenführung (8) aus einem starren Teil (17) und aus einem an diesem gelagerten Schwenkteil (18) besteht, welcher den genannten verstell-oder verformbaren Teil bildet, und dass das Messorgan (10, 10') zur Detektion der Verstellung dieses Schwenkteils durch einen abgeteilten Randkettfaden (K ) ausgebildet ist.
  • 5. Ueberwachungsvorrichtung nach Anspruch 4, dadurch gekennzeichnet, dass der Schwenkteil (18) am starren Teil (17) einseitig durch eine Blattfeder (19) gelagert ist, und dass das Messorgan (10, 10') durch zwei an einander gegenüberliegenden Seiten dieser Blattfeder befestigte Dehnungsmessstreifen (20) oder durch einen auf Biegung empfindlichen piezoelektrischen Sensor gebildet ist.
  • 6. Ueberwachungsvorrichtung nach Anspruch 3, dadurch gekennzeichnet, dass die Fadenführung (8) im Bereich des verstell- oder verformbaren Teils durch einen abgeteilten Randkettfaden (K ) durchbiegbar ausgebildet ist, und dass das Messorgan (10, 10') durch einen zwischen dem durchbiegbaren und dem starren Teil (17) der Fadenführung eingespannten Dehnungsmessstreifen (20) oder durch einen auf Biegung empfindlichen piezoelektrischen Sensor gebildet ist.
  • 7. Ueberwachungsvorrichtung nach Anspruch 6, dadurch gekennzeichnet, dass der Dehnungsmessstreifen (20') auf einen Träger (23) aus elastischem Kunststoff appliziert ist.
  • 8. Ueberwachungsvorrichtung nach Anspruch 6, dadurch gekennzeichnet, dass der Dehnungsmessstreifen (20') in einen Träger (23) aus elastischem Kunststoff eingebettet, vorzugsweise eingegossen ist.
  • 9. Ueberwachungsvorrichtung nach Anspruch 3, dadurch gekennzeichnet, dass die Fadenführung (8) im Bereich des verstell- oder verformbaren Teils ein mit einem piezoelektrischen Wandler verbundenes Element aufweist, dessen Kraft auf den Wandler der Auflagekraft eines abgeteilten Randkettfaden (K ) proportional ist.
  • 10. Ueberwachungsvorrichtung nach Anspruch 9, dadurch gekennzeichnet, dass das genannte Element bügelartig oder flächig ausgebildet und von einem in Richtung der Auflagekraft orientierten und den piezoelektrischen Wandler kontaktierenden Achse getragen ist.
  • 11. Ueberwachungsvorrichtung nach einem der Ansprüche 1 bis 10, dadurch gekennzeichnet, dass für jede der beiden zu verknüpfenden Kettfadenscharen (Ka, Kn) ein Messorgan (10, 10') vorgesehen ist, dessen Messignal über einen Verstärker (11) und eine Auswertstufe (12) der Steuereinheit (13) der Knüpfmaschine (3) zugeführt ist.
  • 12. Ueberwachungsvorrichtung nach Anspruch 11, dadurch gekennzeichnet, dass die Auswertstufe (12) einen Schwellwertdetektor für die Messignale aufweist, dessen Schwellwert so eingestellt ist, das ein diesen übersteigendes Messignal die Abteilung eines Doppelfadens anzeigt.
  • 13. Ueberwachungsvorrichtung nach Anspruch 12, dadurch gekennzeichnet, dass die Steuereinheit (13) der Knüpfmaschine (3) einen die Verbindung mit ihrem Antrieb (15) herstellenden oder unterbrechenden Schalter (14) sowie getrennte Anzeigen (16, 16') für das Auftreten eines Doppelfadens in einer der beiden Kettfadenscharen (Ka, Kn) aufweist, und dass der Schalter und die Anzeigen durch das Ausgangssignal der Auswertstufe (12) angesteuert sind.

Claims (30)

  1. Die Erfindung betrifft eine Ueberwachungsvorrichtung für Doppelfäden an Webkettenknüpfmaschinen, welche ein Knüpforgan, Klemmen für die miteinander zu verknüpfenden Kettfadenscharen sowie ein Organ zum Abteilen des jeweiligen Randkettfadens und zu dessen Herausbewegen aus der Kettfadenebene aufweisen.
  2. Es ist bekannt, zur Sicherung der richtigen Reihenfolge der einzelnen Fäden innerhalb der Kette, ein sogenanntes Fadenkreuz, meist mit Hilfe von zwei Kreuzschnüren, in die Kette einzulesen. Bei einer in der CH-PS 619 011 beschriebenen Vorrichtung dieser Art teilen die Abteilorgane den Randkettfaden dadurch aus der Kettschicht ab, dass sie zusammen mit den Kreuzschnüren nach dem Abteilen eines Fadens ihre Stellung relativ zur Kettschicht derart wechseln, dass alle auf den nächsten Randkettfaden folgenden Fäden von diesem weggedrängt werden. Hier wird also durch das Zusammenwirken der Kreuzschnüre mit dem Abteilorgan das Abteilen von Doppelfäden verhindert.
  3. Eine zusätzliche Sicherung gegen das Abteilen von Doppelfäden erhält man dann, wenn man gemäss der CH-PS 348 937 das Abteilorgan, beispielsweise eine mit einer Kerbe versehene Nadel, so ausbildet, dass es nur einen Faden abteilen kann.
  4. Wenn jedoch kein Fadenkreuz verwendet wird, dann hängt die Vermeidung des Abteilens von Doppelfäden einzig von der Wahl der richtigen, d.h. dem jeweiligen Garndurchmesser entsprechenden Abteilnadel ab. Aber auch dann kommt es - insbesondere bei verschlichteten Kettfäden - immer wieder vor, dass zwei, oder in Ausnahmefällen sogar mehr als zwei, Kettfäden abgeteilt werden. Dies hat zur Folge, dass vom Knüpforgan ein unerwünschter sogenannter Dreibeinknoten hergestellt wird. Je nach Lage des Doppelfadens treten dann zwei verschiedene Arten von Störungen auf:
    Liegt der Doppelfaden auf der Seite der ablaufenden Kette, werden also zwei Kettfäden der alten Kette mit einem Kettfaden der neuen Kette verknüpft, dann entsteht, weil die beiden Fäden des Doppelfadens in verschiedene Lamellen eingezogen sind, spätestens auf der Höhe der ersten Lamellenreihe ein Fadenbruch, der durch manuelles Einsetzen eines Fadenstückes behoben werden muss. Ausserdem muss für den zweiten Faden des Doppelfadens ein fehlender Kettfaden von einer Kante der Fadenschar der neuen Webkette zugeführt werden.
    Liegt der Doppelfaden auf der Seite der neuen Kette, wird also ein Kettfaden der alten mit zwei Kettfäden der neuen Kette verknüpft, dann werden diese beiden neuen Kettfäden mit dem einen alten Kettfaden durch die zugeordnete Lamelle, durch eine Litze und durch ein Rohr des Webblatts gezogen. Erst an der Anwebstelle wird dann der Fehler festgestellt und es muss einer der beiden neuen Kettfäden des Doppelfadens abgeschnitten und rückwärts aus Blatt, Litze und Lamelle herausgezogen, umgelenkt und auf eine Kettbaumseite abgeführt werden.
  5. Abgesehen davon, dass die Behebung der beiden beschriebenen Störungsarten eine unerwünschte manuelle Operation erfordert, können die Doppelfäden eine Verminderung der Gewebequalität verursachen, und zwar dann, wenn die Anzahl der umgelenkten und seitlich abgeführten Kettfäden einen bestimmten Wert von beispielsweise vier überschreitet. Denn dann können in der neuen Kette zur Produktion einer schlechten Gewebequalität führende Spannungsunterschiede auftreten.
  6. Es ist daher eine Notwendigkeit, zu verhindern, dass Dreibeinknoten herge- . stellt werden. Oder mit anderen Worten, Doppelfäden müssen in jedem Fall rechtzeitig vor dem Knüpfprozess erkannt werden.
  7. Das Problem der Erkennung von Doppelfäden besteht auch auf anderen Gebieten der Textiltechnik, beispielsweise in der Spulerei. Aus der DE-AS 15 60 548 ist eine Spulmaschine mit einer Ueberwachungsvorrichtung für die Knotung von Doppelfäden bekannt, welche ein im Fadenweg nach dem Knüpforgan angeordnetes Messgerät zur Messung von Fadendimensionen aufweist. Die Messung der Fadendimension kann beispielsweise auf optischem Weg erfolgen.
  8. Die Messung der Fadendimension auf optischem Weg ist wegen der bekannten Verstaubungsprobleme bei der Garnverarbeitung a priori mit einem gewissen Unsicherheitsfaktor belastet. Darüber hinaus ist aber auch die Anordnung des Messgeräts nach dem Knüpforgan nicht ideal, weil ja dadurch die Herstellung eines Dreibeinknotens nicht verhindert werden kann.
  9. Durch die Erfindung soll nun eine Ueberwachungsvorrichtung für Doppelfäden angegeben werden, welche einerseits Doppelfäden wirksam detektiert und damit das Knüpfen von Dreibeinknoten verhindert, und welche anderseits gegen Verschmutzung und Verstaubung weitgehend immun ist.
  10. Die gestellte Aufgabe wird erfindungsgemäss dadurch gelöst, dass die Kettfäden im Bereich zwischen dem Abteilorgan und einer Klemme über eine Fadenführung geführt sind, um welche der Randkettfaden beim Herausbewegen aus der Kettfadenebene umgelenkt wird, dass im Umlenkbereich des Randkettfadens ein Messorgan zur Messung der durch einen umgelenkten Kettfaden auf die Umlenkstelle oder auf das Abteilorgan wirkenden Kraft angeordnet ist, und dass das dabei gewonnene Messignal das Kriterium für das Vorhandensein eines Doppelfadens bildet.
  11. Die Messung der Kraft im Umlenkbereich, welche durch einen geeigneten Sensor erfolgt, ist, wenn man als Sensor beispielsweise einen Dehnungsmessstreifen, einen auf Biegung empfindlichen Piezosensor oder einen piezoelektrischen Druckwandler verwendet, gegen Verschmutzung und Verstaubung praktisch unempfindlich. Das gewonnene Messignal ist, wie praktische Versuche gezeigt haben, bei einem Doppelfaden doppelt und bei einem Dreifachfaden dreimal so gross wie bei einem Einzelfaden und ist damit ein zuverlässiges und sicheres Kriterium für das Erkennen eines Doppelfadens.
  12. Nachstehend wird die Erfindung anhand von Ausführungsbeispielen und der Zeichnungen näher erläutert; es zeigen:
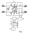
    Fig. 1 eine schematische Darstellung einer mit einer erfindungsgemässen Ueberwachungseinrichtung ausgerüsteten Webkettenknüpfmaschine,
    Fig. 2, 3 eine Darstellung eines ersten Ausführungsbeispiels eines Details von Fig. 1 in zwei Ansichten, und
    Fig. 4 eine Darstellung eines zweiten Ausführungsbeispiels eines Details von Fig. 1.
  13. Fig. 1 zeigt zwei zwischen je zwei Klemmschienen 1, 2 und 1', 2' eingespannte Fadenscharen Ka und Kn, von denen die obere Fadenschar Ka eine ablaufende n und die untere Fadenschar K eine neue, an die erstere anzuknüpfende Webkette darstellt. Je eine der beiden Klemmschienen jeder Fadenschar Ka und Kn, beispielsweise die Klemmschienen 2 und 2', ist gegenüber der anderen verstellbar, so dass in den beiden Fadenscharen Ka und Kn eine bestimmte Fadenspannkraft der einzelnen Kettfäden eingestellt werden kann. Die beiden verstellbaren Klemmschienen 2 und 2' sind gegen die freien Enden der Fadenscharen Ka und Kn hin angeordnet.
  14. Die Fadenscharen Ka und Kn sind durch den Wirkbereich einer Knüpfmaschine 3 geführt. Im praktischen Einsatz wird die Knüpfmaschine 3 an einer der beiden Seitenkanten der Fadenscharen Ka und K angesetzt und anschliessend quer zu diesen bewegt, wobei immer je ein Faden der alten und der neuen Webkette Ka bzw. K miteinander verknüpft werden. Der Knüpfvorgang verläuft dabei im wesentlichen so, dass je ein Abteilorgan 4, 4' für die beiden Fadenscharen Ka, Kn den jeweiligen Randkettfaden von der Fadenschar abteilt und einem Zubringer 5, 5' vorlegt, welcher den Faden einem Knüpforgan 6 zuführt. Dabei wird jeder der beiden Fäden von einer Fadenklemme (nicht dargestellt) erfasst und anschliessend werden die Fadenenden durch Scheren 7, 7', welche zwischen den Zubringern 5, 5' und dem Knüpforgan 6 angeordnet sind, abgeschnitten.
  15. Da die Knüpfmaschine 3 als solche nicht Gegenstand der vorliegenden Erfindung ist, sind in der Figur nur deren für das Verständnis der Erfindung wesentliche Teile dargestellt. Eine Knüpfmaschine 3 der beschriebenen Art ist bekannt und wird von der Anmelderin der vorliegenden Patentanmeldung unter der Bezeichnung USTER TOPMATIC vertrieben.
  16. Zu beiden Seiten der Abteilorgane 4, 4' ist je eine Fadenführung 8 und 9 angeordnet, auf welcher die Fäden der beiden Fadenscharen Ka und Kn aufliegen. Der gegenseitige Abstand dieser Fadenführungen ist relativ gering und beträgt nur einige Millimeter. In der Ruhestellung nehmen die Fäden zwischen den Fadenführungen 8 und 9 die gestrichelt eingezeichnete Stellung ein und die Abteilorgane 4, 4' befinden sich mit ihrem den Fadenscharen zugewandten Ende oberhalb der oberen Fadenschar K bzw. unterhalb der unteren Fadena schar Kn. Zum Abteilen des jeweiligen Randkettfadens wird das obere Abteilorgan 4 nach unten und das untere Abteilorgan 4' nach oben bewegt, erfasst dabei dank einer an der Stirnseite angeordneten und auf den Fadendurchmesser abgestimmten Kerbe jeweils nur gerade den einen Randkettfaden und schiebt diesen aus der Ebene der zugehörigen Kettfadenschar Ka und Kb nach unten bzw. nach oben.
  17. Bei diesem Herausbewegen der Randkettfäden aus ihrer Fadenscharenebene werden diese um die Auflageflächen an den Führungen 8 und 9 umgelenkt und auf die Auflageflächen und auf das Abteilorgan wirkt eine gegenüber der Ruhestellung der Randkettfäden (gestrichelt eingezeichnete Lage) aufgrund der zunehmenden Fadenspannung erhöhte Kraft (Hookesches Gesetz).
  18. Diese Kraft ist je nachdem, ob ein, zwei oder mehrere Kettfäden um ihre Auflagefläche an der betreffenden Führung umgelenkt werden, verschieden gross. Praktische Versuche mit Fäden verschiedener Garnnummern haben ergeben, dass die Kraft auf die Auflagefläche beim Umlenken von zwei Fäden doppelt und beim gleichzeitigen Umlenken von drei Fäden dreimal so gross ist wie beim Umlenken nur eines Fadens.
  19. Ueblicherweise wird jeweils nur ein Randkettfaden abgeteilt und das Abteilen von zwei Fäden, eines sogenannten Doppelfadens, führt zur Bildung eines störenden Dreibeinknotens, was unbedingt vermieden werden soll. Daher sollte das Abteilen eines Doppelfadens noch vor dem Knüpfvorgang angezeigt werden.
  20. Bei der in der Figur dargestellten Knüpfmaschine 3 wird nun der erwähnte Umstand der Abhängigkeit der auf die Umlenkstelle und auf das Abteilorgan wirkenden Kraft von der Anzahl der umgelenkten Fäden für die Ueberwachung auf Doppelfäden verwendet. Dies erfolgt durch je einen in den beiden Fadenführungen 8 und 9 für die beiden Fadenscharen Ka und Kn eingebauten Sensor 10 bzw. 10'. Darstellungsgemäss befinden sich die Sensoren 10, 10' an der dem freien Ende der Fadenscharen zugewandten Fadenführung 8 und es ist der Sensor 10 der oberen Fadenschar K und der Sensor 10' der unteren Fadenschar Kn zugeordnet. Die Sensoren 10, 10' könnten aber ebensogut an der dem Knüpforgan 6 zugewandten Fadenführung 9 oder sie könnten sogar je einer an einer der beiden Fadenführungen 8, 9 angeordnet sein. Ebenso könnten die Sensoren 10, 10' an den Abteilorganen 4, 4', beispielsweise an deren Lagerstellen, angeordnet sein.
  21. Als Sensoren 10, 10' können prinzipiell alle zur Anzeige der auf die Umlenkstellen der Fadenführungen 8, 9 wirkenden Kraft geeigneten Messelemente verwendet werden; als besonders gut geeignet haben sich piezoelektrische Wandler und Dehnungsmessstreifen erwiesen.
  22. Das Messignal der Sensoren 10, 10' wird einem Verstärker 11 zugeführt. Das verstärkte Messignal gelangt über eine Auswertstufe 12 an die Steuereinheit 13 der Knüpfmaschine 3. Die Steuereinheit 13 enthält unter anderem einen Schalter 14, durch welchen der Antrieb 15 der Knüpfmaschine 3 abgeschaltet werden kann, sowie je eine Doppelfadenanzeige 16 und 16' für die obere und untere Fadenschar Ka bzw. Kn. Wenn beispielsweise der Sensor 10 für die obere Fdenschar Ka eine einem Doppelfaden entsprechende höhere Kraft des vom Abteilorgan 4 abgeteilten Fadens auf die Fadenführung 8 detektiert, dann bewirkt das dabei gewonnene Messignal nach seiner Verstärkung im Verstärker 11 einerseits über den Schalter 14 das Abstellen der Knüpfmaschine 3 und anderseits eine Anzeige durch die Doppelfadenanzeige 16. Die letztere signalisiert, dass der Doppelfaden in der oberen Fadenschar K aufgetreten ist.
  23. Die Auswertstufe 12 ist so ausgebildet, dass eine automatische Eichung auf die Auflagekraft eines Einzelfadens der jeweiligen Fadenschar als Referenzwert erfolgt. Denn die Auflagekraft ist von der Garnnummer, dem Material der Fäden und von deren Spannung zwischen den Klemmschienen 1, 2 bzw. 1', 2' abhängig. Es ist auch möglich, anhand der Auflagekraft die Kettfadenspannung zwischen den Klemmschienen auf einen vorgegebenen Wert zu regeln.
  24. Die in Fig. 1 schematisch eingezeichneten Fadenführungen 8 und 9 sind in der Praxis beispielsweise plattenförmig ausgebildet und erstrecken sich senkrecht zur Zeichnungsebene. Die Fadenscharen Ka und Kn liegen auf dem dem Betrachter zugewandten vorderen Teil dieser Führungen auf. Sobald das Abteilorgan 4, 4' einen Randkettfaden erfasst, aus der Ebene seiner Fadenschar geschoben hat und ihn dem zugeordneten Zubringer 5, 5' anbietet, bewegen sich Abteilorgan und Randkettfaden senkrecht zur Zeichnungsebene nach hinten und der Randkettfaden gleitet dabei auf seinen Fadenführungen 8 und 9 ebenfalls nach hinten und erreicht dabei den Bereich der Fadenführung 8 mit den Sensoren 10, 10', wo dann die Messung der Auflagekraft erfolgt.
  25. Fig. 2 zeigt einen Schnitt durch die Fadenführung 8 im Bereich des Sensors 10 (Fig. 1) mit der Schnittebene in der Zeichnungsebene von Fig. 1, Fig. 3 zeigt eine Ansicht in Richtung des Pfeiles III von Fig. 2, jeweils in einem vergrösserten Massstab. Die Fadenführung 8 besteht an ihrem Auflageteil darstellungsgemäss aus einem starren Teil 17 und aus einem in diesem beweglich angeordneten Schwenkteil 18. Der Schwenkteil 18 ist im starren Teil 17 mit einer Blattfeder 19 einseitig befestigt. Die Kettfadenschar K liegt darstellungsgemäss auf dem linken Teil des starren Teils 17 sowie auf dem anschliessenden Bereich des Schwenkteils 18 auf, das ist in Fig. 1 die dem Betrachter zugewandte Partie der Fadenführung 8. Wenn das Abteilorgan 4 in Richtung des Pfeiles A nach unten bewegt wird, teilt es den Randkettfaden Kr ab und lenkt ihn aus der Ebene der Fadenschar Ka aus. Anschliessend wird das Abteilorgan 4 in Richtung des Pfeiles B nach rechts bewegt und zieht den abgeteilten Randkettfaden K r von der Fadenschar K a weg über den Schwenkteil 18, auf dem dieser entlanggleitet. Damit die Kettfäden nicht in den.Spalt zwischen starrem Teil 17 und Schwenkteil 18 rutschen können, sind in dessen Bereich seitliche Führungen (nicht dargestellt) angeordnet.
  26. Die Messung der Auflagekraft erfolgt im Bereich eines Messpunktes M, welcher sich zur Ausnützung der Hebelwirkung im Abstand vom Befestigungspunkt der Blattfeder 19 am starren Teil 17 befindet. Die Blattfeder 19 ist an ihrer bezogen auf die Richtung der Auflagekraft des Randkettfadens Kr oberen und unteren Fläche je mit einem Dehnungsmessstreifen 20 versehen, welche je einen Anschluss 21 für ein Kabel zum Verstärker 11 (Fig. 1) aufweisen. Anstelle der Dehnungsmessstreifen 20 können auch auf Biegung empfindliche piezoelektrische Sensoren verwendet werden.
  27. Bei dem in den Fig. 2 und 3 dargestellten Ausführungsbeispiel erfolgt die Messung der Auflagekraft des Randkettfadens K anhand der Dehnung der auf der Blattfeder 19 angeordneten Dehnungsmessstreifen 20. Ein wesentlich grösseres Messignal erhält man, wenn man die Durchbiegung des Schwenkteils 18 misst, also den Dehnungsmessstreifen zwischen dem Schwenkteil 18 und dem starren Teil 17 der Fadenführung 8 anordnet..Eine derartige Anordnung ist in Fig. 4 dargestellt.
  28. Gemäss Fig. 4 ist der Schwenkteil 18 als vom starren Teil 17 der Fadenführung 8 wegragende Zunge ausgebildet. Im Bereich des freien Endes dieser Zunge ist eine L-förmige Lasche 22 befestigt, deren unterer Schenkel die Oberkante des starren Teils 17 in diesem Bereich untergreift. An diesem unteren Schenkel der Lasche 22 ist das untere Ende eines Dehnungsmessstreifens 20 eingespannt, dessen oberes Ende am starren Teil 17 verankert ist. Der Dehnungsstreifen 20 ist entweder ohne speziellen Träger zwischen starrem Teil 17 und Schwenkteil 18 angeordnet, oder er ist, so wie in der Figur angedeutet, auf ein Plättchen 23 aus elastischem Kunststoff appliziert, vorzugsweise in dieses eingegossen. Bei dieser Messanordnung ist rechnerisch ein etwa 20 bis 30 mal so grosses Messignal wie bei der Anordnung der Fig. 2 und 3 zu erwarten. Praktische Versuche haben gezeigt, dass eine Durchbiegung des Schwenkteils 18 von 10-5 mm eine Dehnung des Dehnungsmessstreifens 20 um 10-3 mm/m ergibt, was etwa dem 35-fachen Messignal der Anordnung der Fig. 2 und 3 entspricht.
  29. Eine weitere Variante der Messung der Auflagekraft des Randkettfadens besteht darin, für diese Messung anstatt eines Dehnungsmessstreifens einen piezoelektrischen Wandler zu verwenden. Zu diesem Zweck wird seitlich neben der Fadenführung 8 ein deren Auflagefläche leicht überragendes geeignetes Umlenkelement für den Randkettfaden angeordnet. Ein derartiges Umlenkelement kann beispielsweise bügelartig oder flächig ausgebildet und von einer den piezoelektrischen Wandler kontaktierenden Trägerachse getragen sein. Der abgeteilte Randkettfaden wird bei der Wegbewegung von seiner Fadenschar auf dieses Umlenkelement geschoben und die Auflagekraft bewirkt eine Kraft in Längsrichtung der Trägerachse auf den piezoelektrischen Wandler.
  30. Weitere Ausgestaltungen der beschriebenen Ueberwachungsvorrichtung sind denkbar und liegen im Verständnis des Fachmanns. Wesentlich ist in allen Fällen, dass die Ueberwachung von Doppelfäden anhand der Auflagekraft eines abgeteilten Randkettfadens auf die betreffende Führung oder Umlenkstelle oder auf das Abteilorgan erfolgt.
EP86108183A 1985-06-26 1986-06-16 Ueberwachungsvorrichtung für Doppelfäden an Webkettenknüpfmaschinen Expired - Lifetime EP0206196B1 (de)

Priority Applications (1)

Application Number Priority Date Filing Date Title
AT86108183T ATE66501T1 (de) 1985-06-26 1986-06-16 Ueberwachungsvorrichtung fuer doppelfaeden an webkettenknuepfmaschinen.

Applications Claiming Priority (2)

Application Number Priority Date Filing Date Title
CH2716/85 1985-06-26
CH2716/85A CH668277A5 (de) 1985-06-26 1985-06-26 Ueberwachungsvorrichtung fuer doppelfaeden an webkettenknuepfmaschinen.

Publications (3)

Publication Number Publication Date
EP0206196A2 true EP0206196A2 (de) 1986-12-30
EP0206196A3 EP0206196A3 (en) 1989-04-05
EP0206196B1 EP0206196B1 (de) 1991-08-21

Family

ID=4239988

Family Applications (1)

Application Number Title Priority Date Filing Date
EP86108183A Expired - Lifetime EP0206196B1 (de) 1985-06-26 1986-06-16 Ueberwachungsvorrichtung für Doppelfäden an Webkettenknüpfmaschinen

Country Status (6)

Country Link
US (1) US4805276A (de)
EP (1) EP0206196B1 (de)
JP (1) JPH0718077B2 (de)
AT (1) ATE66501T1 (de)
CH (1) CH668277A5 (de)
DE (1) DE3680957D1 (de)

Cited By (1)

* Cited by examiner, † Cited by third party
Publication number Priority date Publication date Assignee Title
EP1870501A1 (de) * 2006-06-23 2007-12-26 Stäubli AG Pfäffikon Vorrichtung zum Separieren von Fäden aus einer Fadenschicht, Verfahren zum Betreiben der Vorrichtung und Verwendung der Vorrichtung

Families Citing this family (10)

* Cited by examiner, † Cited by third party
Publication number Priority date Publication date Assignee Title
BE1000900A4 (nl) * 1987-09-02 1989-05-09 Picanol Nv Meet-en detektie-inrichting voor het bepalen van de plaats van een breuk in een kettingdraad bij weefmachines.
JPH07101795B2 (ja) * 1990-03-26 1995-11-01 日本たばこ産業株式会社 ワーク搬送方法
KR930004078B1 (ko) * 1990-03-28 1993-05-20 쯔다고마 고오교오 가부시끼가이샤 수복(修腹)후의 경사의 처리방법
CH687540A5 (de) * 1992-02-07 1996-12-31 Staeubli Ag Verfahren und Vorrichtung zur Bestimmung von Festigkeitseigenschaften der Kettfaeden einer Webkette.
CH685635A5 (de) * 1992-06-17 1995-08-31 Zellweger Uster Ag Anordnung zur Kontrolle des Vorhandenseins von Fäden einer aufgespannten Fadenschicht an einer Textilmaschine.
EP1908866A1 (de) * 2006-10-06 2008-04-09 Stäubli AG Pfäffikon Vorrichtung und Verfahren zum Verbinden von Fäden aus einer ersten Fadenschicht mit Fäden aus einer zweiten Fadenschicht
WO2013112684A1 (en) 2012-01-24 2013-08-01 Nike International Ltd. Intermittent weaving splicer
US20130189890A1 (en) 2012-01-24 2013-07-25 Nike, Inc. Weaving Using Reactive Materials
CN106995971A (zh) * 2017-04-22 2017-08-01 诸暨市凯利纺织机械有限公司 具有规则分线功能的结经机
CN112357687A (zh) * 2020-09-22 2021-02-12 夏西明 一种接经机的自动控制系统

Family Cites Families (17)

* Cited by examiner, † Cited by third party
Publication number Priority date Publication date Assignee Title
US2369536A (en) * 1943-11-13 1945-02-13 Barber Colman Co Warp tying machine
DE875029C (de) * 1950-07-06 1953-04-30 Guido Herrmann Maschf Einrichtung zum UEberfuehren der zu vereinigenden Faeden von der Abteilvorrichtung zu den Knuepfwerkzeugen bei Fadenanknuepfmaschinen, z. B. Webkettenanknuepfmaschinen
CH348937A (de) * 1956-07-10 1960-09-15 Zellweger Uster Ag Vorrichtung zum Abteilen von kreuzeingelesenen Kettfäden
DE1118109B (de) * 1957-04-18 1961-11-23 Knotex Maschb G M B H Webkettenknuepfmaschine
US2928159A (en) * 1958-01-18 1960-03-15 Zellweger Uster Ag Machine for separating the outside thread of a warp
DE1560548B2 (de) * 1963-09-21 1977-01-20 Reiners, Walter, Dr.-Ing., 4050 Mönchengladbach Spulmaschine mit automatischer knotvorrichtung und einer ueberwachungsvorrichtung fuer die knotung von doppelfaeden
US3280623A (en) * 1964-04-10 1966-10-25 Erwin J Saxl Load cell for measurement of low forces
CH415488A (de) * 1964-05-08 1966-06-15 Zellweger Uster Ag Vorrichtung zur Auslösung einer Abstellvorrichtung an einer Webkettenvorbereitungsmaschine beim Versagen eines Fadenabtrennorgans
US3526130A (en) * 1968-04-08 1970-09-01 Owens Corning Fiberglass Corp Apparatus and method for measuring tension in linear material
BE787621A (fr) * 1971-08-16 1973-02-16 Sandoz Sa Procede de preparation de composes disazoiques reactifs utilisables notamment pour la teinture de fibres cellulosiques
US3840951A (en) * 1971-08-23 1974-10-15 Barber Colman Co Double thread detector
US3765777A (en) * 1972-02-22 1973-10-16 Monsanto Co Device for locating and identifying threadline defects
SU506656A1 (ru) * 1973-12-24 1976-03-15 Коломенский Завод Текстильного Машиностроения Механизм отбора нитей основы к узлов зальной машине
CH619011A5 (de) * 1977-06-24 1980-08-29 Zellweger Uster Ag
US4233837A (en) * 1979-02-08 1980-11-18 Owens-Corning Fiberglas Corporation Apparatus for measuring tension in a linear material
EP0023583B1 (de) * 1979-08-03 1982-11-17 Akzo GmbH Verfahren und Vorrichtung zum Erkennen von Fadenzugkraftunterschieden
GB2080552B (en) * 1980-07-12 1984-11-21 Rubery Owen Group Services Ltd Measuring loads

Cited By (3)

* Cited by examiner, † Cited by third party
Publication number Priority date Publication date Assignee Title
EP1870501A1 (de) * 2006-06-23 2007-12-26 Stäubli AG Pfäffikon Vorrichtung zum Separieren von Fäden aus einer Fadenschicht, Verfahren zum Betreiben der Vorrichtung und Verwendung der Vorrichtung
WO2007147282A1 (de) * 2006-06-23 2007-12-27 Stäubli Ag Pfäffikon Vorrichtung zum separieren von fäden aus einer fadenschicht, verfahren zum betreiben der vorrichtung und verwendung der vorrichtung
US8032995B2 (en) 2006-06-23 2011-10-11 Staubli Ag Pfaffikon Device for separating threads from a layer of threads, method for operating the device and use of the device

Also Published As

Publication number Publication date
US4805276A (en) 1989-02-21
EP0206196A3 (en) 1989-04-05
JPH0718077B2 (ja) 1995-03-01
EP0206196B1 (de) 1991-08-21
JPS626945A (ja) 1987-01-13
CH668277A5 (de) 1988-12-15
ATE66501T1 (de) 1991-09-15
DE3680957D1 (de) 1991-09-26

Similar Documents

Publication Publication Date Title
EP0206196B1 (de) Ueberwachungsvorrichtung für Doppelfäden an Webkettenknüpfmaschinen
DE2320369A1 (de) Vorrichtung zum feststellen von dickeunterschieden in stapelfaserbaendern
EP0385061B1 (de) Vorrichtung an einer Webmaschine, zur Messung der Kettspannung
DE2704045B2 (de) Vorrichtung zum Verhindern von Doppelabzügen
DE19501186A1 (de) Bogenabfühlschuh, Dickenabtastkopf und Dickenmeßsystem
CH660758A5 (de) Einrichtung zur regulierung der spannung und zur ueberwachung der kettfaeden an einer rundwebmaschine.
EP0023583A1 (de) Verfahren und Vorrichtung zum Erkennen von Fadenzugkraftunterschieden
EP0769581A1 (de) Einrichtung zum Reduzieren der Belastung eines in das Webfach einer Webmaschine einzutragenden Schussfadens
DE4300633A1 (en) Synthetic multifilament yarn prodn. - in which yarn tension measurement is based on the movement of a flat spring in line with the yarn
DE3003105C2 (de)
DE2105559A1 (en) Weft thread detector - fitted to air jet shuttless looms
CH685635A5 (de) Anordnung zur Kontrolle des Vorhandenseins von Fäden einer aufgespannten Fadenschicht an einer Textilmaschine.
EP0491151A1 (de) Kraftmessvorrichtung zur Messung der Zugspannung von Fäden
CH711314A2 (de) Schiffchenstickmaschine mit Messvorrichtung zur Überwachung der Fadenspannung des Nadelfadens und Verfahren hierzu.
EP2837281A1 (de) Knoter für eine Ballenpresse
DE2342235A1 (de) Zugspannungsmesser
EP0460442A1 (de) Vorrichtung zum Messen der Dicke und/oder der Ungleichmässigkeit von Faserbändern
DE2917666C2 (de) Schärmaschine
DE3733797C1 (de) Fadenspeicher- und -liefervorrichtung fuer Textilmaschinen,insbesondere Strickmaschinen
EP1162295A1 (de) Verfahren zum Betrieb eines Soulengatters und Spulengatter für eine Wickelanlage
EP0495229B1 (de) Fadenwächter
WO1997042364A1 (de) Wickelvorrichtung für fäden von spulengattern
DE3539179C2 (de)
DE102007053466A1 (de) Vorrichtung zum Spannen eines längsbewegten Fadens
CH646470A5 (de) Duesenwebmaschine.

Legal Events

Date Code Title Description
PUAI Public reference made under article 153(3) epc to a published international application that has entered the european phase

Free format text: ORIGINAL CODE: 0009012

17P Request for examination filed

Effective date: 19860616

AK Designated contracting states

Kind code of ref document: A2

Designated state(s): AT BE DE FR GB IT LU NL SE

PUAL Search report despatched

Free format text: ORIGINAL CODE: 0009013

AK Designated contracting states

Kind code of ref document: A3

Designated state(s): AT BE DE FR GB IT LU NL SE

RHK1 Main classification (correction)

Ipc: D03J 1/18

17Q First examination report despatched

Effective date: 19900829

ITF It: translation for a ep patent filed
GRAA (expected) grant

Free format text: ORIGINAL CODE: 0009210

AK Designated contracting states

Kind code of ref document: B1

Designated state(s): AT BE DE FR GB IT LU NL SE

REF Corresponds to:

Ref document number: 66501

Country of ref document: AT

Date of ref document: 19910915

Kind code of ref document: T

REF Corresponds to:

Ref document number: 3680957

Country of ref document: DE

Date of ref document: 19910926

GBT Gb: translation of ep patent filed (gb section 77(6)(a)/1977)
ET Fr: translation filed
PLBE No opposition filed within time limit

Free format text: ORIGINAL CODE: 0009261

STAA Information on the status of an ep patent application or granted ep patent

Free format text: STATUS: NO OPPOSITION FILED WITHIN TIME LIMIT

26N No opposition filed
EPTA Lu: last paid annual fee
EAL Se: european patent in force in sweden

Ref document number: 86108183.4

PGFP Annual fee paid to national office [announced via postgrant information from national office to epo]

Ref country code: LU

Payment date: 19950701

Year of fee payment: 10

PG25 Lapsed in a contracting state [announced via postgrant information from national office to epo]

Ref country code: LU

Free format text: LAPSE BECAUSE OF NON-PAYMENT OF DUE FEES

Effective date: 19960616

PGFP Annual fee paid to national office [announced via postgrant information from national office to epo]

Ref country code: GB

Payment date: 19981127

Year of fee payment: 13

PG25 Lapsed in a contracting state [announced via postgrant information from national office to epo]

Ref country code: GB

Free format text: LAPSE BECAUSE OF NON-PAYMENT OF DUE FEES

Effective date: 19990616

PGFP Annual fee paid to national office [announced via postgrant information from national office to epo]

Ref country code: SE

Payment date: 19991124

Year of fee payment: 14

PGFP Annual fee paid to national office [announced via postgrant information from national office to epo]

Ref country code: AT

Payment date: 19991125

Year of fee payment: 14

PGFP Annual fee paid to national office [announced via postgrant information from national office to epo]

Ref country code: NL

Payment date: 19991130

Year of fee payment: 14

GBPC Gb: european patent ceased through non-payment of renewal fee

Effective date: 19990616

PG25 Lapsed in a contracting state [announced via postgrant information from national office to epo]

Ref country code: AT

Free format text: LAPSE BECAUSE OF NON-PAYMENT OF DUE FEES

Effective date: 20000616

PG25 Lapsed in a contracting state [announced via postgrant information from national office to epo]

Ref country code: SE

Free format text: LAPSE BECAUSE OF NON-PAYMENT OF DUE FEES

Effective date: 20000617

PG25 Lapsed in a contracting state [announced via postgrant information from national office to epo]

Ref country code: NL

Free format text: LAPSE BECAUSE OF NON-PAYMENT OF DUE FEES

Effective date: 20010101

EUG Se: european patent has lapsed

Ref document number: 86108183.4

NLV4 Nl: lapsed or anulled due to non-payment of the annual fee

Effective date: 20010101

PGFP Annual fee paid to national office [announced via postgrant information from national office to epo]

Ref country code: FR

Payment date: 20050610

Year of fee payment: 20

PGFP Annual fee paid to national office [announced via postgrant information from national office to epo]

Ref country code: DE

Payment date: 20050613

Year of fee payment: 20

PGFP Annual fee paid to national office [announced via postgrant information from national office to epo]

Ref country code: IT

Payment date: 20050621

Year of fee payment: 20

PGFP Annual fee paid to national office [announced via postgrant information from national office to epo]

Ref country code: BE

Payment date: 20050704

Year of fee payment: 20

BE20 Be: patent expired

Owner name: *ZELLWEGER USTER A.G.

Effective date: 20060616