DE102023116552B4 - Zeitgeberschaltung, oszillatorschaltung und halbleitervorrichtung - Google Patents

Zeitgeberschaltung, oszillatorschaltung und halbleitervorrichtung Download PDF

Info

Publication number
DE102023116552B4
DE102023116552B4 DE102023116552.6A DE102023116552A DE102023116552B4 DE 102023116552 B4 DE102023116552 B4 DE 102023116552B4 DE 102023116552 A DE102023116552 A DE 102023116552A DE 102023116552 B4 DE102023116552 B4 DE 102023116552B4
Authority
DE
Germany
Prior art keywords
circuit
voltage
current
capacitor
timer
Prior art date
Legal status (The legal status is an assumption and is not a legal conclusion. Google has not performed a legal analysis and makes no representation as to the accuracy of the status listed.)
Active
Application number
DE102023116552.6A
Other languages
English (en)
Other versions
DE102023116552A1 (de
Inventor
Hisashi Sugie
Current Assignee (The listed assignees may be inaccurate. Google has not performed a legal analysis and makes no representation or warranty as to the accuracy of the list.)
Rohm Co Ltd
Original Assignee
Rohm Co Ltd
Priority date (The priority date is an assumption and is not a legal conclusion. Google has not performed a legal analysis and makes no representation as to the accuracy of the date listed.)
Filing date
Publication date
Application filed by Rohm Co Ltd filed Critical Rohm Co Ltd
Publication of DE102023116552A1 publication Critical patent/DE102023116552A1/de
Application granted granted Critical
Publication of DE102023116552B4 publication Critical patent/DE102023116552B4/de
Active legal-status Critical Current
Anticipated expiration legal-status Critical

Links

Images

Classifications

    • HELECTRICITY
    • H03ELECTRONIC CIRCUITRY
    • H03KPULSE TECHNIQUE
    • H03K3/00Circuits for generating electric pulses; Monostable, bistable or multistable circuits
    • H03K3/02Generators characterised by the type of circuit or by the means used for producing pulses
    • H03K3/353Generators characterised by the type of circuit or by the means used for producing pulses by the use, as active elements, of field-effect transistors with internal or external positive feedback
    • H03K3/355Monostable circuits
    • HELECTRICITY
    • H03ELECTRONIC CIRCUITRY
    • H03KPULSE TECHNIQUE
    • H03K3/00Circuits for generating electric pulses; Monostable, bistable or multistable circuits
    • H03K3/02Generators characterised by the type of circuit or by the means used for producing pulses
    • H03K3/027Generators characterised by the type of circuit or by the means used for producing pulses by the use of logic circuits, with internal or external positive feedback
    • H03K3/03Astable circuits
    • H03K3/0307Stabilisation of output, e.g. using crystal
    • HELECTRICITY
    • H03ELECTRONIC CIRCUITRY
    • H03KPULSE TECHNIQUE
    • H03K19/00Logic circuits, i.e. having at least two inputs acting on one output; Inverting circuits
    • H03K19/0175Coupling arrangements; Interface arrangements
    • H03K19/0185Coupling arrangements; Interface arrangements using field effect transistors only
    • H03K19/018507Interface arrangements
    • H03K19/018521Interface arrangements of complementary type, e.g. CMOS
    • HELECTRICITY
    • H03ELECTRONIC CIRCUITRY
    • H03KPULSE TECHNIQUE
    • H03K3/00Circuits for generating electric pulses; Monostable, bistable or multistable circuits
    • H03K3/01Details
    • H03K3/011Modifications of generator to compensate for variations in physical values, e.g. voltage, temperature

Landscapes

  • Engineering & Computer Science (AREA)
  • Computer Hardware Design (AREA)
  • Physics & Mathematics (AREA)
  • Computing Systems (AREA)
  • General Engineering & Computer Science (AREA)
  • Mathematical Physics (AREA)
  • Chemical & Material Sciences (AREA)
  • Crystallography & Structural Chemistry (AREA)
  • Electronic Switches (AREA)

Abstract

Zeitgeberschaltung (100) aufweisend:einen Kondensator (C1);eine erste Stromquelle (CS1), die so aufgebaut ist, dass sie den Kondensator (C1) auflädt;einen Inverter (120);eine zweite Stromquelle (CS2), die so strukturiert ist, dass sie an einen Eingangsknoten (122) des Inverters (120) einen Strom liefert;eine Stromspiegelschaltung (110) mit einem Ausgangsknoten (114), der mit dem Eingangsknoten (122) des Inverters (120) verbunden ist; undeinen Widerstand (R1), der zwischen einen Eingangsknoten (112) der Stromspiegelschaltung (110) und den Kondensator (C1) geschaltet ist.

Description

  • HINTERGRUND
  • Technischer Bereich
  • Die vorliegende Offenbarung bezieht sich auf eine Zeitgeberschaltung.
  • Beschreibung des Standes der Technik
  • In einer integrierten Halbleiterschaltung wird eine Zeitgeberschaltung zur Zeitmessung eingesetzt. Die Zeitgeberschaltung umfasst einen Kondensator, eine Stromquelle, die den Kondensator auflädt, und einen Spannungskomparator, der die Spannung am Kondensator mit einer vorgegebenen Schwellenspannung vergleicht.
  • Wird ein Operationsverstärker einschließlich eines Differenzverstärkers als Spannungskomparator eingesetzt, so führt dies zu einem größeren Schaltungsumfang und einer höheren Leistungsaufnahme. In Anwendungen, die eine kleine Fläche und eine geringe Leistungsaufnahme erfordern, wird als ein solcher Spannungskomparator ein Inverter eingesetzt. Aus der US 2008 / 0 290 955 A1 kennt man eine Oszillatorschaltung zur Verwendung in integrierten Schaltungen. Die Oszillatorschaltung enthält eine Verzögerungserzeugungsschaltung mit einem Stromspiegel mit mindestens einem ersten Stromspiegelzweig und einem zweiten Stromspiegelzweig, einer mit dem ersten Stromspiegelzweig gekoppelten Stromquelle, einem mit dem ersten Stromspiegelzweig gekoppelten kapazitiven Element und einem mit dem zweiten Stromspiegelzweig gekoppelten Widerstandselement. Die Oszillatorschaltung umfasst ferner mehrere in Reihe geschaltete invertierende Elemente und ein transkonduzierendes Element, das mit einem Ausgang der mehreren invertierenden Elemente verbunden ist. Das transkonduzierende Element ist so konfiguriert, dass es das kapazitive Element entlädt. Ein Verriegelungselement ist so gekoppelt, dass es ein Ausgangssignal der mehreren invertierenden Elemente verriegelt.
  • Die US 2010 / 0 201 454 A1 offenbart einen Oszillator umfassend einen positiven Stromversorgungsknoten zur Bereitstellung einer positiven Stromversorgungsspannung, einen Kondensator und eine Konstantstromquelle, die einen ersten Konstantstrom liefert und mit dem positiven Stromversorgungsknoten verbunden ist. Der Oszillator umfasst auch eine Ladestromquelle, die so konfiguriert ist, dass sie einen zweiten Konstantstrom zum Laden des Kondensators liefert, wobei der zweite Konstantstrom den ersten Konstantstrom spiegelt. Der Oszillator enthält ferner einen Konstantstromquelleninverter mit einem dritten Konstantstrom, der den ersten Konstantstrom spiegelt. Der Konstantstromquelleninverter ist so konfiguriert, dass er den Oszillator so steuert, dass er bei einer konstanten Zustandsübergangsspannung in den Übergangszustand übergeht.
  • In der EP 1 693 960 A1 ist eine elektrische Schaltung mit einem Schaltungspfad von einer ersten Referenzspannung zu einer zweiten Referenzspannung beschrieben, die niedriger ist als die erste Referenzspannung. Der Pfad umfasst Stromversorgungsmittel, mindestens einen Kondensator und erste Schaltmittel, die geeignet sind, den Kondensator mit den Stromversorgungsmitteln zu verbinden oder von ihnen zu trennen. Die ersten Schaltmittel haben einen bestimmten Auslösewert, und die elektrische Schaltung umfasst zweite Schaltmittel, die parallel zu dem mindestens einen Kondensator angeordnet sind und Steuermittel, die geeignet sind, auf die ersten und zweiten Schaltmittel einzuwirken, um das Laden und Entladen des mindestens einen Kondensators zu steuern. Die Steuermittel umfassen weitere Mittel, die während des Aufladens des Kondensators betreibbar und geeignet sind, auf die ersten Schaltmittel einzuwirken, um das Aufladen des Kondensators zu blockieren, wenn der Spannungswert an seinen Anschlüssen einen vordefinierten Spannungswert erreicht. Der vordefinierte Spannungswert ist niedriger als die Auslösespannung des ersten Schaltmittels und höher als die zweite Referenzspannung.
  • Außerdem kennt man noch die JP 2003 - 85 972 A. In einem Fall, in dem ein Inverter als Spannungskomparator eingesetzt wird, ist dessen Schwellenspannung die Mittelspannung der Versorgungsspannung des Inverters. Dementsprechend führt eine Änderung der Versorgungsspannung zu einer Änderung der Schwellenspannung. Wird ein solcher Spannungskomparator als Oszillator eingesetzt, so besteht das Problem, dass sich die Oszillationsfrequenz erhöht, wenn die Versorgungsspannung sinkt.
  • ÜBERBLICK
  • Die vorliegende Offenbarung wurde gemacht, um ein solches Problem zu lösen.
  • Eine Ausführungsform der vorliegenden Offenbarung bezieht sich auf eine Zeitgeberschaltung. Die Zeitgeberschaltung umfasst: einen Kondensator; eine erste Stromquelle, die so strukturiert ist, dass sie den Kondensator auflädt; einen Inverter; eine zweite Stromquelle, die so strukturiert ist, dass sie einen Strom an einen Eingangsknoten des Inverters liefert; eine Stromspiegelschaltung, deren Ausgangsknoten mit dem Eingangsknoten des Inverters verbunden ist; und einen Widerstand, der zwischen einen Eingangsknoten der Stromspiegelschaltung und den Kondensator geschaltet ist.
  • Mit der Spannung über dem Kondensator als VC1, mit der Schwellenspannung des eingangsseitigen Transistors der Stromspiegelschaltung als VTH und mit dem Widerstandswert des Widerstands als R1 wird der Strom I3, der durch den Widerstand und den Eingangsknoten der Stromspiegelschaltung fließt, durch I3 = (VC1 - VTH)/R1 dargestellt. Ist das Spiegelverhältnis der Stromspiegelschaltung K, so wird der Ausgangsstrom I4 der Stromspiegelschaltung durch I4 = K × I3 = K× (VC1 - VTH) /R1 dargestellt. Wird der von der zweiten Stromquelle erzeugte Strom I2 gleich dem Ausgangsstrom I4 der Stromspiegelschaltung, so ändert sich der Ausgang des Inverters. Dementsprechend wird die Kondensatorspannung VC1(TH) an dem Punkt, an dem sich der Ausgang des Inverters ändert, durch VC1(TH) = I2 × R1/K + VTH dargestellt. Die Spannung VC1(TH) ist ein konstanter Wert, der nicht von der Versorgungsspannung des Inverters abhängt. Dementsprechend ist eine solche Zeitgeberschaltung in der Lage, eine Zeitmessung ohne Abhängigkeit von der Versorgungsspannung durchzuführen.
  • In einer Ausführungsform kann die Stromspiegelschaltung unter Verwendung eines Feldeffekttransistors (FET) eingerichtet werden.
  • In einer Ausführungsform wird das Verhältnis zwischen der Kanalbreite W und der Kanallänge L, d.h. W/L, so bestimmt, dass bei einer Änderung des Ausgangs des Inverters eine Schwankung der Gate-Source-Spannung eines eingangsseitigen Transistors der Stromspiegelschaltung in einem Bereich von 0,1 V oder weniger oder, besonders bevorzugt, von 0,05 oder weniger in einem Fall, in dem eine Schwankung der Temperatur innerhalb eines garantierten Betriebstemperaturbereichs auftritt, gehalten wird. Dadurch lässt sich die Temperaturabhängigkeit der Messzeit verringern.
  • In einer Ausführungsform kann die Stromspiegelschaltung unter Verwendung eines bipolaren Transistors eingerichtet werden.
  • In einer Ausführungsform kann die Zeitgeberschaltung monolithisch auf einem einzigen Halbleitersubstrat integriert sein. Beispiele für eine solche „integrierte“ Anordnung sind:
    • eine Anordnung, bei der alle Schaltungskomponenten auf einem Halbleitersubstrat ausgebildet sind; und eine Anordnung, bei der die wichtigsten Schaltungskomponenten monolithisch integriert sind. Auch kann ein Teil der Schaltungskomponenten wie Widerstände oder Kondensatoren in Form von Komponenten außerhalb eines solchen Halbleitersubstrats angeordnet sein,
    • um die Schaltungskonstanten anzupassen. Durch die Integration der Schaltung auf einem einzigen Chip ermöglicht eine solche Anordnung eine Verringerung der Schaltungsfläche und einheitliche Eigenschaften der Schaltungselemente.
  • Ein Oszillator gemäß einer Ausführungsform kann Folgendes umfassen: eine der oben beschriebenen Zeitgeberschaltungen; und eine Rücksetzschaltung, die so aufgebaut ist, dass sie den Kondensator als Reaktion auf den Ausgang des Inverters der Zeitgeberschaltung entlädt.
  • Ein Oszillator gemäß einer Ausführungsform kann zwei Zeitgeberschaltungen umfassen. Jede der beiden Zeitgeberschaltungen kann durch einen Ausgang der anderen Zeitgeberschaltung zurückgesetzt werden.
  • Eine Halbleitervorrichtung gemäß einer Ausführungsform kann eine der oben beschriebenen Oszillatorschaltungen, eine durch ein Ausgangssignal der Oszillatorschaltung angesteuerte Ladungspumpenschaltung und einen N-Typ-Transistor enthalten, der so angeordnet ist, dass die Ausgangsspannung der Ladungspumpenschaltung über seine Steuerelektrode empfangen wird.
  • KURZBESCHREIBUNG DER ZEICHNUNGSFIGUREN
  • Die Ausführungsformen werden hier nur beispielhaft unter Bezugnahme auf die beigefügten Zeichnungsfiguren beschrieben, die beispielhaft und nicht einschränkend sein sollen, und in denen gleiche Elemente in mehreren Figuren gleich nummeriert sind:
    • 1 ist ein Schaltplan einer Zeitgeberschaltung gemäß einer Ausführungsform;
    • 2 ist ein Betriebswellenformdiagramm der in 1 gezeigten Zeitgeberschaltung;
    • 3 ist ein Schaltplan einer Zeitgeberschaltung gemäß einer Vergleichstechnik;
    • 4 ist ein Schaltplan eines Oszillators gemäß einer Ausführungsform;
    • 5 ist ein Betriebswellenformdiagramm des in 4 gezeigten Oszillators;
    • 6 ist eine schematische Ansicht zur Erläuterung der Temperatureigenschaften eines MOSFETs;
    • 7 ist eine Ansicht, die die Spannungs-Strom-Kennlinien eines eingangsseitigen Transistors in einem Fall zeigt, in dem der eingangsseitige Transistor eine ungeeignete Größe hat;
    • 8 ist eine Ansicht, die die Spannungs-Strom-Kennlinien des eingangsseitigen Transistors mit optimierter Größe zeigt;
    • 9 ist ein Schaltplan eines Oszillators gemäß einer Modifikation;
    • 10 ist ein Betriebswellenformdiagramm des in 9 gezeigten Oszillators; und
    • 11 ist ein Schaltplan einer Halbleitervorrichtung mit einem Oszillator.
  • DETAILLIERTE BESCHREIBUNG
  • Es folgt ein Überblick über mehrere beispielhafte Ausführungsformen der Offenbarung. Dieser Überblick dient dem Zweck, dem Leser ein grundlegendes Verständnis solcher Ausführungsformen zu vermitteln, und definiert den Offenbarungsumfang nicht vollständig. Dieser Überblick ist kein umfassender Überblick über alle in Betracht gezogenen Ausführungsformen und soll weder Schlüssel- oder kritische Elemente aller Ausführungsformen identifizieren noch den Umfang eines oder aller Aspekte abgrenzen. Sein einziger Zweck ist es, einige Konzepte einer oder mehrerer Ausführungsformen in vereinfachter Form als Auftakt für die spätere detailliertere Beschreibung vorzustellen. Der Einfachheit halber kann der Begriff „eine Ausführungsform“ hier verwendet werden, um sich auf eine einzelne Ausführungsform oder mehrere Ausführungsformen der Offenbarung zu beziehen.
  • AUSFÜHRUNGSFORMEN
  • Im Folgenden werden bevorzugte Ausführungsformen unter Bezugnahme auf die Zeichnungsfiguren beschrieben. Gleiche oder ähnliche Bauteile, Elemente und Verfahren sind mit den gleichen Bezugsziffern bezeichnet, und eine redundante Beschreibung wird gegebenenfalls weggelassen. Die Ausführungsformen wurden nur für beispielhafte Zwecke beschrieben und sollen keineswegs die vorliegende Offenbarung und die vorliegende Erfindung einschränken. Auch ist es für die vorliegende Offenbarung und die vorliegende Erfindung nicht notwendigerweise erforderlich, dass alle Merkmale oder eine Kombination davon wie in den Ausführungsbeispielen beschrieben bereitgestellt werden.
  • In einigen Fällen sind die Größen (Dicke, Länge, Breite usw.) der einzelnen in den Zeichnungsfiguren dargestellten Komponenten zum besseren Verständnis erweitert (vergrößert) oder reduziert. Das Größenverhältnis zwischen mehreren Komponenten in den Zeichnungsfiguren entspricht nicht unbedingt dem tatsächlichen Größenverhältnis zwischen ihnen. Das heißt, dass selbst in einem Fall, in dem ein bestimmtes Bauteil A eine größere Dicke als ein anderes Bauteil B in den Zeichnungsfiguren aufweist, in einigen Fällen das Bauteil A in Wirklichkeit eine geringere Dicke als das Bauteil B hat.
  • In der vorliegenden Beschreibung schließt ein Zustand, der durch die Formulierung „das Element A ist mit dem Element B gekoppelt“ dargestellt wird, einen Zustand ein, in dem das Element A indirekt mit dem Element B über ein anderes Element gekoppelt ist, das die elektrische Verbindung zwischen ihnen nicht wesentlich beeinträchtigt, oder das die Funktionen oder Wirkungen der Verbindung zwischen ihnen nicht beschädigt, zusätzlich zu einem Zustand, in dem sie physisch und direkt gekoppelt sind.
  • In ähnlicher Weise umfasst ein Zustand, der durch die Formulierung „das Element C ist zwischen dem Element A und dem Element B vorgesehen“ dargestellt wird, einen Zustand, in dem das Element A indirekt mit dem Element C gekoppelt ist oder das Element B indirekt mit dem Element C über ein anderes Element gekoppelt ist, das die elektrische Verbindung zwischen ihnen nicht wesentlich beeinträchtigt oder die Funktionen oder Wirkungen der Verbindung zwischen ihnen nicht beeinträchtigt, zusätzlich zu einem Zustand, in dem sie direkt gekoppelt sind. In der vorliegenden Beschreibung stellen diejenigen Bezugssymbole, die elektrische Signale wie ein Spannungssignal, ein Stromsignal oder dergleichen bezeichnen, und die Bezugssymbole, die Schaltungselemente wie einen Widerstand, einen Kondensator, eine Induktivität oder dergleichen bezeichnen, je nach Bedarf auch den entsprechenden Spannungswert, Stromwert oder Schaltungskonstanten (Widerstandswert, Kapazitätswert, Induktivität) dar.
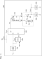
  • 1 ist ein Schaltplan einer Zeitgeberschaltung 100 gemäß einer Ausführungsform. Nachdem eine vorbestimmte Zeit (Messzeit) τMEAS verstrichen ist, nachdem ein Startsignal /START („/“ steht für logische Inversion) aktiviert (z. B. auf niedrig gesetzt) wurde, aktiviert (setzt z. B. auf hoch) die Zeitgeberschaltung 100 ein Signal OUT, das von einem Ausgangsanschluss (Ausgangsleitung) 104 ausgegeben wird.
  • Die Zeitgeberschaltung 100 enthält einen Kondensator C1, eine erste Stromquelle CS1, eine zweite Stromquelle CS2, eine Stromspiegelschaltung 110, einen Widerstand R1, einen Inverter 120 und einen Rücksetztransistor M3. Eine Stromversorgungsspannung VDD wird an eine Stromversorgungsleitung 102 der Zeitgeberschaltung 100 angelegt.
  • Der Kondensator C1 ist so angeordnet, dass ein Ende geerdet ist. Die erste Stromquelle CS1 ist mit dem anderen Ende des Kondensators C1 verbunden. Die erste Stromquelle CS1 dient als Quelle eines konstanten Stroms I1 zum Kondensator C1, um den Kondensator C1 zu laden.
  • Der Inverter 120 umfasst einen High-Side-Transistor M21 und einen Low-Side-Transistor M22, die zwischen der Stromversorgungsleitung 102 und der Masse geschaltet sind. Insbesondere ist der High-Side-Transistor M21 zwischen der Stromversorgungsleitung 102 und der Ausgangsleitung 104 verbunden. Der Low-Side-Transistor M22 ist zwischen die Ausgangsleitung 104 und die Masse geschaltet.
  • Die zweite Stromquelle CS2 ist mit einem Eingangsknoten 122 des Inverters 120 verbunden. Die zweite Stromquelle CS2 fungiert als Quelle eines Stroms I2 zum Eingangsknoten des Inverters 120.
  • Die Stromspiegelschaltung 110 spiegelt den Strom, der durch den Eingangsknoten 112 fließt, auf eine Weise, dass er mit K multipliziert wird („K“ wird als Spiegelverhältnis bezeichnet), und dass der gespiegelte Strom zurückgefaltet und von einem Ausgangsknoten 114 abgesenkt wird. Die Stromspiegelschaltung 110 umfasst einen eingangsseitigen Transistor M11 und einen ausgangsseitigen Transistor M12. Der Ausgangsknoten 114 der Stromspiegelschaltung 110 ist mit dem Eingangsknoten 122 des Inverters 120 verbunden.
  • Der Widerstand R1 ist zwischen dem Eingangsknoten 112 der Stromspiegelschaltung 110 und dem Kondensator C1 angeschlossen.
  • Der Rücksetz-Transistor M3 (auch: Reset-Transistor M3) ist mit dem Kondensator C1 parallel geschaltet. Während einer Zeitspanne, in der das Startsignal /START negiert (high) ist, wird der Reset-Transistor M3 eingeschaltet, um den Kondensator C1 zu entladen. Während einer Zeitspanne, in der das Startsignal /START aktiviert (low) ist, wird der Reset-Transistor M3 derart ausgeschaltet, dass der Kondensator C1 mit Hilfe der ersten Stromquelle CS1 geladen werden kann.
  • Die obige Darstellung zeigt den Aufbau der Zeitgeberschaltung 100. Nachfolgend wird ihre Funktionsweise beschrieben.
  • 2 ist ein Betriebswellenformdiagramm der in 1 gezeigten Zeitgeberschaltung 100. 2 zeigt das Startsignal /START, die Spannung VC1 über dem Kondensator C1, den Strom I3, der durch den Widerstand R1 fließt, den Ausgangsstrom I4 der Stromspiegelschaltung 110 und das Ausgangssignal OUT.
  • Vor dem Zeitpunkt t0 wird das Startsignal /START negiert, und der Reset-Transistor M3 wird eingeschaltet. In diesem Zustand ist die Kondensatorspannung VC1 auf 0 V festgelegt.
  • Wenn das Startsignal /START zum Zeitpunkt t0 anliegt, wird der Kondensator C1 durch den von der ersten Stromquelle CS1 erzeugten Strom I1 aufgeladen. Damit steigt die Kondensatorspannung VC1 mit der Zeit an.
  • Überschreitet die Kondensatorspannung VC1 eine Gate-Source-Schwellenspannung VGS(th) des eingangsseitigen Transistors M11 der Stromspiegelschaltung 110, so beginnt der Strom I3 durch den Widerstand R1 und die Eingangsseite der Stromspiegelschaltung 110 zu fließen. Der Strom I3 wird durch die folgende Gleichung dargestellt. l 3 = ( V C 1 V ) / R 1 GS ( th )
    Figure DE102023116552B4_0001
  • Zur Vereinfachung der Beschreibung zeigt 2 ein Beispiel, in dem der Strom I3 während einer Zeitspanne von t0 bis t1 gleich Null ist, es kann jedoch auch eine Anordnung getroffen werden, in der tatsächlich ein Strom I3 fließt. Der Strom I4, der sich aus der Multiplikation des Eingangsstroms I3 mit K ergibt, fließt durch den Ausgangsknoten 114 der Stromspiegelschaltung 110. Zur Vereinfachung der Beschreibung ist in 2 ein Beispiel dargestellt, bei dem die Kondensatorspannung VC1 und der Strom I3 jeweils mit konstanter Steigung ansteigen. In Wirklichkeit wird die Kondensatorspannung VC1 jedoch durch die Differenz der Ströme I1 und I3 geladen. Dementsprechend ist die Steigung der Kondensatorspannung VC1 nicht linear.
  • Vor dem Zeitpunkt t2 gilt die Beziehung I4 < I2. Dementsprechend ist die Spannung VINV des Eingangsknotens 122 des Inverters 120 hoch (VDD). Dementsprechend ist der Ausgang des Inverters 120, d. h. der Ausgang OUT der Zeitgeberschaltung 100, niedrig.
  • Übersteigt der Strom I4 den Strom I2 (I1 > I2) zum Zeitpunkt t3, so wird die Spannung VINV des Eingangsknotens 122 des Inverters 120 auf niedrig (0 V) gesetzt. In diesem Zustand geht der Ausgang des Inverters 120, d. h. der Ausgang OUT der Zeitgeberschaltung 100, auf High.
  • Die Zeit zwischen den Zeitpunkten t0 und t2 wird von der Zeitgeberschaltung 100 als Messzeit τMEAS verwendet. Die Kondensatorspannung VC1(TH) zum Zeitpunkt t2 wird durch VC1(TH) = I2× R1/K + VC1(TH) dargestellt.
  • Mit Blick auf den Kondensator C1 wird die Kondensatorspannung VC1 durch Aufladen des Kondensators C1 mit einem Ladestrom ICHG = I1 - I3 erzeugt. Dementsprechend ist die Integrationszeit τ dargestellt durch C1 × (I2× R1/K + VC1(TH)) =∫τ ICHG (t) dt die Messzeit τMEAS.
  • Die obigen Ausführungen beschreiben die Funktionsweise der Zeitschaltung 100. Die Vorteile der Timer-Schaltung 100 können im Vergleich zu herkömmlichen Techniken klar verstanden werden.
  • 3 ist ein Schaltplan einer Zeitgeberschaltung 100R gemäß einer Vergleichstechnik. Die Zeitgeberschaltung 100R enthält einen Kondensator C1, eine erste Stromquelle CS1, einen Rücksetztransistor M3 und einen Inverter 120.
  • Der Kondensator C1 wird durch den von der Stromquelle CS1 erzeugten Strom I1 geladen. Die Kondensatorspannung VC1 steigt mit einer konstanten Steigung mit der Zeit an. Erreicht die Kondensatorspannung VC1 die Schwellenspannung des Inverters 120, so wechselt der Ausgang OUT von High zu Low.
  • Dabei ist die Schwellenspannung des Inverters 120 die Hälfte der Versorgungsspannung VDD. Dementsprechend führt bei der in 3 gezeigten Zeitschaltung 100R eine Änderung der Versorgungsspannung VDD zu einer Änderung der Messzeit τMEAS. Die in 1 gezeigte Zeitgeberschaltung 100 hat dagegen den Vorteil, dass die Messzeit τMEAS nicht von der Versorgungsspannung VDD abhängt.
  • Als nächstes wird die Verwendung der Zeitgeberschaltung 100 beschrieben. Die Zeitgeberschaltung 100 kann in einer Oszillatorschaltung verwendet werden.
  • 4 ist ein Schaltplan eines Oszillators 200A gemäß einer Ausführungsform. Der Oszillator 200A umfasst eine erste Zeitgeberschaltung 100_1, eine zweite Zeitgeberschaltung 100_2 und eine Steuerschaltung 210.
  • Die erste Zeitgeberschaltung 100_1 und die zweite Zeitgeberschaltung 100_2 haben jeweils die gleiche Konfiguration wie die oben beschriebene Zeitgeberschaltung 100. Die jeweiligen Messzeiten τMEAS1 und τMEAS2 der ersten Zeitgeberschaltung 100_1 und der zweiten Zeitgeberschaltung 100_2 können gleich oder unterschiedlich sein.
  • Die Steuerschaltung 210 setzt ein zweites Startsignal /START2 für die zweite Zeitgeberschaltung 100_2 in Reaktion auf die Aktivierung eines Ausgangs OUT1 der ersten Zeitgeberschaltung 100_1 durch. Außerdem setzt die Steuerschaltung 210 ein erstes Startsignal /START1 für die erste Zeitgeberschaltung 100_1 in Reaktion auf die Aktivierung eines Ausgangs OUT2 der zweiten Zeitgeberschaltung 100_2 durch. Während einer Zeitspanne, in der entweder das erste Startsignal /START1 oder das zweite Startsignal /START2 aktiviert ist, wird ein Ausgang CLK der Steuerung 210 auf einen ersten Pegel (z.B. High) gesetzt. Während einer Zeitspanne, in der das andere Signal anliegt, wird der Ausgang CLK der Steuerung 210 auf einen zweiten Pegel (z. B. low) gesetzt.
  • 5 ist ein Betriebswellenformdiagramm des in 4 gezeigten Oszillators 200A. In dem Oszillator 200A werden die erste Zeitgeberschaltung 100_1 und die zweite Zeitgeberschaltung 100_2 abwechselnd aktiviert. Der Oszillator 200A erzeugt das Taktsignal CLK mit einer Periode, die durch die Summe der beiden Messzeiten (τMEAS1 + τMEAS2) dargestellt wird.
  • Als Nächstes werden die Temperatureigenschaften der Zeitgeberschaltung 100 beschrieben. Die Messzeit τMEAS der Zeitgeberschaltung 100 wird durch die Temperatureigenschaften der Stromspiegelschaltung 110 beeinflusst.
  • 6 ist eine schematische Ansicht zur Erläuterung der Temperatureigenschaften eines MOSFET. 6 zeigt die Spannungs-Strom-Kennlinien bei zwei Temperaturen, d. h. bei einer hohen und einer niedrigen Temperatur. Bei der Beschreibung wird davon ausgegangen, dass Gate und Drain des MOSFETs verbunden sind und die Gate-Source-Spannung Vgs gleich der Gate-Drain-Spannung Vds ist. Die horizontale Achse stellt die Gate-Source-Spannung Vgs dar, die vertikale Achse den Drain-Strom Id.
  • Ein MOSFET hat die folgenden Eigenschaften.
    1. (i) Mit zunehmender Temperatur wird die Gate-Source-Schwellenspannung VGS(th) des MOSFET niedriger, was dazu führt, dass der Drainstrom leicht fließt. In 6 ist VGS(th) als eine mit der Gmmax-Methode ermittelte Spannung dargestellt. (ii) Mit zunehmender Temperatur wird der Leitwert Gm des MOSFET, d. h. die Steigung des Drainstroms Id im Verhältnis zur Gate-Spannung Vgs (dId/dVgs), kleiner.
  • Entsprechend kann vorzugsweise der Arbeitspunkt des eingangsseitigen Transistors M11 der Stromspiegelschaltung 110 (Gate-Source-Spannung, d.h. die Gate-Drain-Spannung, d.h. die Spannung am Eingangsknoten 112 der Stromspiegelschaltung 110) bestimmt werden. Weiterhin kann das Verhältnis zwischen der Kanalbreite W und der Kanallänge L des eingangsseitigen Transistors M11, also W/L, vorzugsweise so bestimmt werden, dass sich die in (i) beschriebenen Temperaturkennlinien und die in (ii) beschriebenen Temperaturkennlinien gegenseitig aufheben.
  • So kann beispielsweise die Gate-Source-Spannung Vgs des eingangsseitigen Transistors zu einem Zeitpunkt, an dem sich der Ausgang des Inverters 120 ändert, innerhalb einer Schwankung von 0,1 V oder weniger, vorzugsweise 0,05 V oder weniger, gesteuert werden, wenn sich die Temperatur innerhalb des garantierten Betriebstemperaturbereichs ändert.
  • 7 ist eine Ansicht, die die Spannungs-Strom-Kennlinie des eingangsseitigen Transistors M11 in einem Fall zeigt, in dem der eingangsseitige Transistor M11 eine ungeeignete Größe hat. Der Arbeitspunkt (d. h. der Punkt, an dem sich der Ausgang des Inverters 120 ändert) ist I3 = 5µ A. Der eingangsseitige Transistor M11 hat eine Größe von W/L = 10µ m/1µ m. In einem Fall, in dem der eingangsseitige Transistor M11 eine ungeeignete Größe wie oben beschrieben hat, schwankt die Gate-Source-Spannung Vgs am Arbeitspunkt in einem Bereich in der Größenordnung von 0,4 V, der größer als 0,1 V ist, wenn sich die Temperatur in der Größenordnung von -50° C, 25° C und 150° C ändert.
  • 8 ist eine Ansicht, die die Spannungs-Strom-Kennlinie des eingangsseitigen Transistors M11 mit optimierter Größe zeigt. Der Arbeitspunkt ist I3 = 5µ A. Der eingangsseitige Transistor M11 hat eine Größe von W/L = 10µ m/10µ m. In einem Fall, in dem der eingangsseitige Transistor M11 eine solche optimierte Größe, wie oben beschrieben, hat, wenn sich die Temperatur in der Größenordnung von -50° C, 25° C und 150° C ändert, ist eine solche Anordnung in der Lage, die Schwankung der Gate-Source-Spannung Vgs am Arbeitspunkt in einem Bereich von 0,1 V zu steuern, und zwar in einem Bereich, der enger als 0,05 V ist. 9 ist ein Schaltplan eines Oszillators 200B gemäß einer Modifikation. Der Oszillator 200B umfasst die oben beschriebene Zeitgeberschaltung 100 und eine Rücksetzschaltung (Reset-Schaltung) 210B. Die Reset-Schaltung 210B ist z.B. als One-Shot-Schaltung ausgeführt. Die Rücksetzschaltung 210B erzeugt einen Rücksetzimpuls RST mit einer vorbestimmten Impulsbreite TON mit der Aktivierung (z.B. High-Pegel) des Ausgangs OUT der Zeitgeberschaltung 100 als Trigger. Der Rücksetzimpuls RST wird als Startsignal /START in die Zeitgeberschaltung 100 eingegeben.
  • 10 ist ein Betriebswellenformdiagramm des in 9 gezeigten Oszillators 200B. Der Rücksetzimpuls RST hat eine Periode Tp, die die Summe aus der Messzeit τMEAS der Zeitgeberschaltung 100 und der Impulsbreite TON des Rücksetzimpulses RST ist.
  • Man beachte, dass die Konfiguration des Oszillators 200 mit der Zeitgeberschaltung 100 nicht auf die in 4 oder 9 gezeigte Anordnung beschränkt ist. Im Folgenden wird die Verwendung des Oszillators 200 unter Verwendung der Zeitgeberschaltung 100 beschrieben.
  • 11 ist ein Schaltplan einer Halbleitervorrichtung 300, die den Oszillator 200 enthält. Die Halbleitervorrichtung 300 umfasst eine Unterspannungsschutzschaltung (UVP) 310, eine Ladungspumpenschaltung 320, eine Reglerschaltung 330, eine Startvorspannungsschaltung 340, eine Bezugsstromquelle 350, eine Bandlücken-Bezugsschaltung 352 usw.
  • Eine externe Stromversorgungsspannung VCC wird von einer externen Stromversorgungsschaltung an einen Stromversorgungsanschluss VCC der Halbleitervorrichtung 300 geliefert. Die Reglerschaltung 330 empfängt die externe Versorgungsspannung VCC als Eingangsspannung und erzeugt eine interne Versorgungsspannung VREG5, die auf einen vorbestimmten Zielpegel (z. B. 5 V) stabilisiert ist. Die interne Versorgungsspannung VREG5 wird an Lastschaltungen wie die Referenzstromquelle 350, die Bandlücken-Bezugsschaltung 352 usw. geliefert.
  • Die Reglerschaltung 330 ist als Source-Folger-Schaltung mit einem NMOS-Transistor 332 und einer Vorspannungsschaltung 334 eingerichtet. Die Vorspannungsschaltung 334 umfasst eine Zenerdiode DLZ und einen Widerstand R11. Die Vorspannungsschaltung 334 erzeugt eine Zener-Spannung Vz der Zener-Diode DLZ am Gate des NMOS-Transistors 332. Die interne Versorgungsspannung VREG5 wird auf einen Zielwert stabilisiert, der durch VREF (REF) = VZ - VGS dargestellt wird. VGS steht dabei für die Gate-Source-Spannung des NMOS-Transistors 332. Die Zener-Spannung Vz wird beispielsweise so festgelegt, dass VREF (REF) = 5 V gilt.
  • Ist die externe Versorgungsspannung VCC niedriger ist als der Sollwert (5 V) der internen Versorgungsspannung VREG5, d. h. die Zener-Spannung Vz der Zener-Diode DLZ, so kann die Vorspannungsschaltung 334 nicht arbeiten. Um den NMOS-Transistor 332 in diesem Zustand in geeigneter Weise vorzuspannen, sind die UVP-Schaltung 310, der Oszillator 200 und die Ladungspumpenschaltung 320 vorgesehen.
  • Die UVP-Schaltung 310 vergleicht die externe Versorgungsspannung VCC mit einem Unterspannungs-schwellenwert VUVP . Wenn VCC > VUVP gilt, setzt die UVP-Schaltung 310 das UVP-Signal durch (z. B. auf High).
  • Wird das UVP-Signal aktiviert, so geht der Oszillator 200 in den Betriebszustand über. In diesem Zustand erzeugt der Oszillator 200 ein Taktsignal CLK. Außerdem wird das UVP-Signal einem Freigabeanschluss der Ladungs-pumpenschaltung 320 zugeführt. Wird das UVP-Signal aktiviert, so geht die Ladungspumpenschaltung 320 in den Freigabezustand über. In diesem Zustand erhöht die Ladungspumpenschaltung 320 die interne Stromversorgungsspannung VREG5 synchron mit dem Taktsignal CLK, um die Ladungspumpenspannung VCP zu erzeugen. Die Ladungspumpenspannung VCP ist höher als der Sollpegel der internen Stromversorgungsspannung VREG5 .
  • Die Einschaltvorspannungsschaltung 340 arbeitet mit der Ladungspumpenspannung VCP als Stromversorgung. Die Einschaltvorspannungsschaltung 340 fungiert als Quelle des Einschaltstroms ISTART zum Gate des NMOS-Transistors 332. Mit einer solchen Anordnung, bei der der Anlaufstrom ISTART durch die Zener-Diode DLZ fließt, ist diese in der Lage, die Zener-Spannung Vz am Gate des NMOS-Transistors 332 auch in einem Zustand zu erzeugen, in dem die externe Versorgungsspannung VCC niedrig ist.
  • Bei einer solchen Anordnung, bei der der Oszillator 200 zur Lieferung des Taktsignals CLK an die Ladungspumpenschaltung 320 unter Verwendung der Zeitgeberschaltung 100 gemäß der vorliegenden Ausführungsform eingerichtet ist, ist diese in der Lage, das Taktsignal CLK mit einer stabilen Frequenz zu erzeugen.
  • MODIFIKATIONEN
  • In der Ausführungsform wurde eine Anordnung beschrieben, bei der die Stromspiegelschaltung 110 mit MOSFETs eingerichtet ist. Die Stromspiegelschaltung 110 kann jedoch auch mit bipolaren Transistoren eingerichtet werden. Die anderen Schaltungsblöcke als die Stromspiegelschaltung 110, z. B. der Inverter 120, der Rücksetztransistor M3, die erste Stromquelle CS1, die zweite Stromquelle CS2 oder ähnliches, können mit bipolaren Transistoren eingerichtet werden.
  • Die vorliegende Erfindung wurde unter Bezugnahme auf die Ausführungsformen mit spezifischen Begriffen beschrieben. Allerdings zeigen die oben beschriebenen Ausführungsformen nur einen Aspekt der Mechanismen und Anwendungen der vorliegenden Erfindung. Vielmehr können verschiedene Modifikationen und verschiedene Änderungen in der Anordnung vorgenommen werden, ohne von Erfindungsidee oder Schutzumfang der vorliegenden Erfindung, die in den beigefügten Ansprüchen definiert ist, abzuweichen.

Claims (9)

  1. Zeitgeberschaltung (100) aufweisend: einen Kondensator (C1); eine erste Stromquelle (CS1), die so aufgebaut ist, dass sie den Kondensator (C1) auflädt; einen Inverter (120); eine zweite Stromquelle (CS2), die so strukturiert ist, dass sie an einen Eingangsknoten (122) des Inverters (120) einen Strom liefert; eine Stromspiegelschaltung (110) mit einem Ausgangsknoten (114), der mit dem Eingangsknoten (122) des Inverters (120) verbunden ist; und einen Widerstand (R1), der zwischen einen Eingangsknoten (112) der Stromspiegelschaltung (110) und den Kondensator (C1) geschaltet ist.
  2. Zeitgeberschaltung nach Anspruch 1, wobei die Stromspiegelschaltung (110) mit einem Feldeffekttransistor eingerichtet ist.
  3. Zeitgeberschaltung nach Anspruch 2, wobei ein Verhältnis zwischen einer Kanalbreite W und einer Kanallänge L, d.h. W/L, derart bestimmt wird, dass dann, wenn sich ein Ausgang des Inverters (120) ändert, eine Schwankung einer Gate-Source-Spannung eines eingangsseitigen Transistors der Stromspiegelschaltung (110) in einem Fall, in dem eine Schwankung bei einer Temperatur innerhalb eines garantierten Betriebstemperaturbereichs auftritt, innerhalb eines Bereichs von 0,05 V oder weniger gehalten wird.
  4. Zeitgeberschaltung nach Anspruch 1, wobei die Stromspiegelschaltung (110) unter Verwendung eines bipolaren Transistors eingerichtet ist.
  5. Zeitgeberschaltung nach einem der Ansprüche 1 bis 4, die auf einem einzigen Halbleitersubstrat monolithisch integriert ist.
  6. Oszillatorschaltung (200A) aufweisend zwei Zeitgeberschaltungen (100_1, 100_2) nach einem der Ansprüche 1 bis 4, wobei jede der beiden Zeitgeberschaltungen (100_1, 100_2) durch einen Ausgang der anderen Zeitgeberschaltung (100_2, 100_1) zurückgesetzt wird.
  7. Oszillatorschaltung (200B) aufweisend: die Zeitgeberschaltung (100) nach einem der Ansprüche 1 bis 4; und eine Rücksetzschaltung (210B), die so aufgebaut ist, dass sie als Reaktion auf ein Ausgangssignal des Inverters (120) der Zeitgeberschaltung (100) den Kondensator (C1) entlädt.
  8. Halbleitervorrichtung (300) aufweisend: die Oszillatorschaltung (200A) nach Anspruch 6; eine Ladungspumpenschaltung (320), die so aufgebaut ist, dass sie entsprechend einem Ausgangssignal der Oszillatorschaltung (200A) angesteuert wird; einen linearen Regler (330) mit einem NMOS-Transistor; und eine Einschaltvorspannungsschaltung (340), die so aufgebaut ist, dass sie eine Ausgangsspannung der Ladungspumpenschaltung (320) empfängt und an einem Gate des NMOS-Transistors eine Vorspannung erzeugt.
  9. Halbleitervorrichtung (300) aufweisend: die Oszillatorschaltung (200B) nach Anspruch 7; eine Ladungspumpenschaltung (320), die so aufgebaut ist, dass sie entsprechend einem Ausgangssignal der Oszillatorschaltung (200B) angesteuert wird; einen linearen Regler (330) mit einem NMOS-Transistor; und eine Einschaltvorspannungsschaltung (340), die so aufgebaut ist, dass sie eine Ausgangsspannung der Ladungspumpenschaltung (320) empfängt und an einem Gate des NMOS-Transistors eine Vorspannung erzeugt.
DE102023116552.6A 2022-06-24 2023-06-23 Zeitgeberschaltung, oszillatorschaltung und halbleitervorrichtung Active DE102023116552B4 (de)

Applications Claiming Priority (2)

Application Number Priority Date Filing Date Title
JP2022-102126 2022-06-24
JP2022102126A JP2024002737A (ja) 2022-06-24 2022-06-24 タイマー回路、オシレータ回路、半導体装置

Publications (2)

Publication Number Publication Date
DE102023116552A1 DE102023116552A1 (de) 2024-01-04
DE102023116552B4 true DE102023116552B4 (de) 2025-02-06

Family

ID=89167522

Family Applications (1)

Application Number Title Priority Date Filing Date
DE102023116552.6A Active DE102023116552B4 (de) 2022-06-24 2023-06-23 Zeitgeberschaltung, oszillatorschaltung und halbleitervorrichtung

Country Status (3)

Country Link
US (1) US12348226B2 (de)
JP (1) JP2024002737A (de)
DE (1) DE102023116552B4 (de)

Citations (4)

* Cited by examiner, † Cited by third party
Publication number Priority date Publication date Assignee Title
JP2003085972A (ja) 2001-09-13 2003-03-20 Toshiba Corp タイマ回路及び半導体メモリ装置
EP1693960A1 (de) 2005-02-18 2006-08-23 STMicroelectronics S.r.l. Elektronische Schaltung und Oszillator mit dieser elektronischen Schaltung
US20080290955A1 (en) 2007-05-24 2008-11-27 Atmel Corporation Low cost and low variation oscillator
US20100201454A1 (en) 2009-02-09 2010-08-12 Yi-Tzu Chen VDD-Independent Oscillator Insensitive to Process Variation

Family Cites Families (1)

* Cited by examiner, † Cited by third party
Publication number Priority date Publication date Assignee Title
JP5621673B2 (ja) * 2011-03-18 2014-11-12 富士通セミコンダクター株式会社 検波回路

Patent Citations (4)

* Cited by examiner, † Cited by third party
Publication number Priority date Publication date Assignee Title
JP2003085972A (ja) 2001-09-13 2003-03-20 Toshiba Corp タイマ回路及び半導体メモリ装置
EP1693960A1 (de) 2005-02-18 2006-08-23 STMicroelectronics S.r.l. Elektronische Schaltung und Oszillator mit dieser elektronischen Schaltung
US20080290955A1 (en) 2007-05-24 2008-11-27 Atmel Corporation Low cost and low variation oscillator
US20100201454A1 (en) 2009-02-09 2010-08-12 Yi-Tzu Chen VDD-Independent Oscillator Insensitive to Process Variation

Also Published As

Publication number Publication date
DE102023116552A1 (de) 2024-01-04
JP2024002737A (ja) 2024-01-11
US12348226B2 (en) 2025-07-01
US20230421140A1 (en) 2023-12-28

Similar Documents

Publication Publication Date Title
DE69422239T2 (de) Referenzspannungsgeneratorschaltung
DE3782367T2 (de) Mos-halbleiterschaltung.
DE69319294T2 (de) Temperatur- und versorgungsspannungsunabhängiger Oszillator mit niedrigem Verbrauch
DE69408665T2 (de) Spannungserhöher vom Ladungspumpentype
DE69122541T2 (de) Statischer Schalter für mittlere Spannung
EP0587938B1 (de) Integrierte Pufferschaltung
DE69408320T2 (de) Vorrichtung und verfahren zum einstellen der schwellenspannung von mos-transistoren
DE3419661C2 (de)
DE10348364B4 (de) Oszillatorschaltung mit stabiler Frequenz
DE4037206A1 (de) Quellspannungssteuerschaltkreis
DE69320505T2 (de) Schaltung zum automatischen Rücksetzen mit verbesserter Prüfbarkeit
DE10152285A1 (de) Funktionsgenerator mit einstellbarer Schwingungsfrequenz
DE102006003123B4 (de) Bezugsspannungsschaltkreise
DE19725459B4 (de) Von externer Spannung unabhängiger Sperrvorspannungspegeldetektor
DE69111869T2 (de) Referenzspannungserzeugungsschaltung.
DE102005043376B4 (de) Oszillatoranordnung und Verfahren zum Erzeugen eines periodischen Signals
DE69031751T2 (de) Integrierte Halbleiterschaltung mit einem intrinsischen MOS-Transistor zum Erzeugen einer Referenzspannung
DE102016221863B4 (de) Schaltleistungsversorgung
DE102024111286A1 (de) Schaltregler mit Niedrigenergie-Einzel-Rail-Architektur
DE4201516A1 (de) Vorrichtung zum automatischen testen eines beanspruchungsbetriebes einer halbleiterspeichervorrichtung
DE4038319C2 (de) Schaltung zur Erzeugung einer für das Einbrennen einer integrierten Schaltung testweise erhöhbaren Bezugsspannung
EP1494038B1 (de) Verfahren und Vorrichtung zur Ermittlung des Verhältnisses zwischen einer RC-Zeitkonstanten in einer integrierten Schaltung und einem Sollwert
DE69125465T2 (de) Schnelle Treiberschaltung für kapazitive Last, insbesondere für ICs sowie für Speicher
DE69413793T2 (de) Stromquelle
DE102023116552B4 (de) Zeitgeberschaltung, oszillatorschaltung und halbleitervorrichtung

Legal Events

Date Code Title Description
R012 Request for examination validly filed
R016 Response to examination communication
R018 Grant decision by examination section/examining division
R020 Patent grant now final