CN212553897U - Valve block process hole automatic blocking device - Google Patents

Valve block process hole automatic blocking device Download PDF

Info

Publication number
CN212553897U
CN212553897U CN202020707671.2U CN202020707671U CN212553897U CN 212553897 U CN212553897 U CN 212553897U CN 202020707671 U CN202020707671 U CN 202020707671U CN 212553897 U CN212553897 U CN 212553897U
Authority
CN
China
Prior art keywords
valve block
fixing
block
blocking device
mechanical arm
Prior art date
Legal status (The legal status is an assumption and is not a legal conclusion. Google has not performed a legal analysis and makes no representation as to the accuracy of the status listed.)
Expired - Fee Related
Application number
CN202020707671.2U
Other languages
Chinese (zh)
Inventor
徐志鹏
熊晓健
蒋庆
Current Assignee (The listed assignees may be inaccurate. Google has not performed a legal analysis and makes no representation or warranty as to the accuracy of the list.)
China Jiliang University
Original Assignee
China Jiliang University
Priority date (The priority date is an assumption and is not a legal conclusion. Google has not performed a legal analysis and makes no representation as to the accuracy of the date listed.)
Filing date
Publication date
Application filed by China Jiliang University filed Critical China Jiliang University
Priority to CN202020707671.2U priority Critical patent/CN212553897U/en
Application granted granted Critical
Publication of CN212553897U publication Critical patent/CN212553897U/en
Expired - Fee Related legal-status Critical Current
Anticipated expiration legal-status Critical

Links

Images

Landscapes

  • Automatic Assembly (AREA)

Abstract

本实用新型涉及阀块加工技术领域,公开了阀块工艺孔自动封堵装置,其技术方案要点是包括机械臂、操作台和放置有钢珠的振动盘,机械臂通过电吸铁吸取阀块,操作台上固定连接有支架,支架上设置有固定组件和移动组件,固定组件用于固定阀块,机械臂通过电吸铁对阀块进行取放,使得阀块在被加工的过程中,能够更加方便的进行取放和翻面,也避免了机械臂直接抓取阀块,使得阀块被抓取面损坏的情况发生,在对阀块工艺孔上放置钢珠的过程中,通过气管的设置,增加了将钢珠放置在阀块工艺孔上的成功率,亦无需机械臂将阀块拿至振动盘处,省略了机械臂不断移动阀块的过程,也相应的避免了机械臂在移动阀块的过程中,钢珠掉落的情况发生。

Figure 202020707671

The utility model relates to the technical field of valve block processing, and discloses an automatic blocking device for valve block process holes. A bracket is fixedly connected to the operating table, and a fixed component and a moving component are arranged on the bracket. The fixed component is used to fix the valve block. It is more convenient to pick and place and turn over, and it also avoids the mechanical arm directly grabbing the valve block, which makes the valve block damaged by the grabbing surface. In the process of placing the steel ball on the process hole of the valve block, the setting of the air pipe , which increases the success rate of placing the steel ball on the process hole of the valve block, and does not require the mechanical arm to take the valve block to the vibration plate, omitting the process of the mechanical arm constantly moving the valve block, and correspondingly avoiding the mechanical arm moving the valve block. During the block process, the steel ball falls.

Figure 202020707671

Description

Automatic plugging device for valve block fabrication hole
Technical Field
The utility model relates to a valve block processing technology field, more specifically the automatic plugging device of valve block fabrication hole that says so relates to.
Background
The valve block is used for an electro-hydraulic servo control system, a process hole can be generated in the machining process of the valve block, the valve block needs to be plugged for ensuring the normal use of the valve block, and the process hole is generally plugged by a steel ball or a sealing plug.
In the prior art, a general plugging mode is as follows: the valve block is moved by the mechanical arm, the valve block is moved to the position below the vibration disc provided with the steel balls, the steel balls are placed on the process holes of the valve block through the vibration disc, the process holes on the valve block are more, the process holes are plugged by the method, after each process hole is plugged, the mechanical arm needs to move the valve block to the position below the vibration disc again, the steel balls are placed on the other process hole again, the whole process is too complex, long time is needed after the process holes are plugged, and the working efficiency is low.
SUMMERY OF THE UTILITY MODEL
Not enough to prior art exists, the utility model aims to provide an automatic plugging device of valve piece fabrication hole for improve valve piece fabrication hole shutoff efficiency.
In order to achieve the above purpose, the utility model provides a following technical scheme: the automatic valve block fabrication hole plugging device comprises a mechanical arm, an operating platform and a vibrating disc, wherein steel balls are placed on the vibrating disc, the mechanical arm sucks a valve block through an electric magnet, the mechanical arm comprises a rotating part, the rotating part comprises a first rotating unit and a second rotating unit, the first rotating unit is used for driving the electric magnet to rotate on a first plane, the second rotating unit is used for driving the first rotating unit to rotate so as to change the position of the first plane, a support is fixedly connected onto the operating platform, a fixing assembly and a moving assembly are arranged on the support, the valve block is fixed onto the fixing platform through the fixing assembly, the moving assembly is used for driving the fixing platform to move on the horizontal plane, a pressing assembly for pressing the steel balls into the valve block fabrication holes is further arranged on the support, and an air pipe is connected between the discharge end of the vibrating disc and the mechanical arm, the vibration disc blows the steel balls so that the steel balls fall onto the process holes of the valve block through the air pipe.
As a further improvement, the fixed subassembly includes two fixed modules, fixed platform includes the fixed plate, the fixed plate sets up on the support, each fixed module includes promotion portion and fixed block, each under the fixed module promotion portion with the fixed block sets up respectively on the opposite face of valve piece, thrust is applyed to the valve piece to promotion portion to the formation is fixed the valve piece clamping force on the fixed block, two promotion portion forms the direction mutually perpendicular of clamping force.
As a further improvement of the utility model, the promotion portion includes the electric jar and promotes the piece, it is in to promote piece sliding connection on the fixed plate, the output of electric jar with promote piece fixed connection.
As a further improvement of the utility model, the arm sets up one side of operation panel, orientation the arm one side the fixed block is provided with two, and this two form logical groove between the fixed block.
As a further improvement of the utility model, the material of the fixed block is rubber.
As a further improvement, the movable assembly comprises a first slide rail and a second slide rail, the second slide rail is slidably connected to the first slide rail, the fixed plate is slidably connected to the second slide rail, the support is fixedly connected to the first cylinder, the second slide rail is slidably connected to the first cylinder, the second slide rail is fixedly connected to the second cylinder, the fixed plate is slidably connected to the second cylinder, and the fixed plate slides in the second cylinder.
As a further improvement of the utility model, the push-down assembly includes the third cylinder, third cylinder fixed connection be in the top of support, the output fixedly connected with of third cylinder is briquetting down.
As a further improvement, the sleeve pipe is fixedly connected to the end flange of the mechanical arm, the through hole running through the bottom of the sleeve pipe is formed in the top of the sleeve pipe, and the air pipe is connected to the top of the through hole.
As a further improvement, the sleeve is vertically arranged, the diameter of the steel ball is 3 mm, and the diameter of the through hole is 6 mm.
The utility model has the advantages that: the utility model discloses well arm gets through the electro-magnet and puts the valve piece, it is more convenient, make the valve piece at the in-process of being processed, can be more convenient get put and turn-over, the arm has also been avoided directly to snatch the valve piece, make the valve piece take place by the condition of snatching the face damage, at the in-process of placing the steel ball on the valve piece fabrication hole, through tracheal setting, the success rate of placing the steel ball on the valve piece fabrication hole has been increased, also need not the arm and take the valve piece to vibration dish department, the process of the continuous valve piece that moves of arm has been left out, the efficiency of valve piece fabrication hole shutoff has been improved, also corresponding arm in-process of removing the valve piece of having avoided, the condition that the steel ball dropped takes place.
Drawings
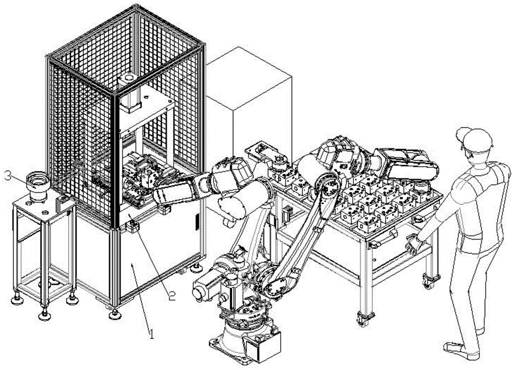
Fig. 1 is a schematic perspective view of the present invention;
fig. 2 is a schematic perspective view of the middle support of the present invention;
fig. 3 is a schematic perspective view of another perspective view of the bracket of the present invention;
figure 4 is an enlarged schematic view of the invention at a in figure 2;
fig. 5 is an enlarged schematic view of fig. 2B according to the present invention;
fig. 6 is a side view of the present invention at the middle support.
Reference numerals: 1. a mechanical arm; 11. a sleeve; 111. a through hole; 2. an operation table; 21. a support; 3. a vibrating pan; 4. a fixing assembly; 41. a fixing plate; 42. fixing the module; 421. a fixed block; 422. a through groove; 43. A pushing part; 431. an electric cylinder; 432. a pushing block; 5. a moving assembly; 51. a first slide rail; 52. a second slide rail; 53. a first cylinder; 54. a second cylinder; 6. pressing the assembly; 61. a third cylinder; 62. pressing the block; 7. the trachea.
Detailed Description
The present invention will be described in further detail with reference to the accompanying drawings and examples. In which like parts are designated by like reference numerals. It should be noted that the terms "front," "back," "left," "right," "upper" and "lower" used in the following description refer to directions in the drawings, and the terms "bottom" and "top," "inner" and "outer" refer to directions toward and away from, respectively, the geometric center of a particular component.
Referring to fig. 1 to 6, the automatic plugging device for a valve block fabrication hole of the present embodiment includes a mechanical arm 1, an operation table 2, and a vibration plate 3 with steel balls placed thereon, wherein the mechanical arm 1 sucks a valve block through an electric magnet, and compared with a case that the mechanical arm 1 directly clamps the valve block, the valve block can be more conveniently taken, placed, and turned over, and the valve block is prevented from being damaged by clamping the valve block by the direct clamping of the mechanical arm 1, the mechanical arm 1 includes a rotation portion including a first rotation unit and a second rotation unit, the first rotation unit includes a first motor and a first housing, the second rotation unit includes a second motor and a second housing, the first housing is rotatably connected to the second housing, the first motor drives the first housing to rotate, so that the electric magnet rotates, the first rotation unit is used for driving the electric magnet to rotate on a first plane, the first plane is a plane where the first shell rotates around the second shell, the second rotating unit is used for driving the first rotating unit to rotate so as to change the position of the first plane, the second motor is used for driving the second shell to rotate so as to change the position of the first plane, the mechanical arm 1 can turn over the valve block, a support 21 is fixedly connected to the operating platform 2, a fixing component 4 and a moving component 5 are arranged on the support 21, the valve block is fixed on the fixing platform by the fixing component 4, the moving component 5 is used for driving the fixing platform to move on a horizontal plane, a pressing component 6 for pressing the steel ball into the valve block technical hole is further arranged on the support 21, an air pipe 7 is connected between the discharge end of the vibrating disk 3 and the mechanical arm 1, the vibrating disk 3 blows the steel ball so that the steel ball falls onto the valve block technical hole through the air pipe 7, and in the process of placing the steel ball on the valve block technical hole, need not arm 1 and take the valve piece to vibration dish 3 department, saved arm 1 and constantly moved the process of valve piece, also corresponding avoided arm 1 in the in-process of moving the valve piece, the condition that the steel ball dropped takes place.
Referring to fig. 2, 3, 4 and 5, the fixing assembly 4 includes two fixing blocks 421, the fixing plate 41 is disposed on the bracket 21, each fixing module 42 includes a pushing portion 43 and a fixing block 421, the pushing portion 43 and the fixing block 421 under each fixing module 42 are respectively disposed on opposite surfaces of the valve block, the pushing portion 43 applies a pushing force to the valve block to form a clamping force for fixing the valve block on the fixing block 421, and the directions of the two pushing portions 43 forming the clamping force are perpendicular to each other. The pushing part 43 comprises an electric cylinder 431 and a pushing block 432, the pushing block 432 is slidably connected to the fixing plate 41, the output end of the electric cylinder 431 is fixedly connected with the pushing block 432, the valve block is placed on the fixing plate 41 by the mechanical arm 1, the electric cylinder 431 pushes the pushing block 432 to move, the valve block moves, the two pushing blocks 432 and the two fixing blocks 421 are respectively attached to four side faces of the valve block, positioning and fixing are carried out, and the position where the steel ball is placed is more accurate.
Referring to fig. 1 and 5, the mechanical arm 1 is disposed on one side of the operating table 2, two fixing blocks 421 facing one side of the mechanical arm 1 are disposed, a through groove 422 is formed between the two fixing blocks 421, and the through groove 422 is disposed, so that in the process of sucking the valve block by the mechanical arm 1 through the electric magnet, the operation space of the mechanical arm 1 is enlarged, and the mechanical arm 1 is prevented from colliding with the fixing blocks 421. The fixing block 421 is made of rubber. The material of the pushing block 432 is rubber, and the material of the fixed block 421 and the pushing block 432 is rubber, so that the fixed block 421 and the pushing block 432 are prevented from damaging the valve block in the process of fixing the valve block.
Referring to fig. 2 and 3, the moving assembly 5 includes a first slide rail 51 and a second slide rail 52, the second slide rail 52 is slidably connected to the first slide rail 51, the fixing plate 41 is slidably connected to the second slide rail 52, a first cylinder 53 for driving the second slide rail 52 to slide is fixedly connected to the bracket 21, a second cylinder 54 for driving the fixing plate 41 to slide is fixedly connected to the second slide rail 52, and a sliding direction of the fixing plate 41 is perpendicular to a sliding direction of the second slide rail 52.
Referring to fig. 2, 3 and 6, the pressing assembly 6 includes a third cylinder 61, the third cylinder 61 is fixedly connected to the top of the support 21, an output end of the third cylinder 61 is fixedly connected to a pressing block 62, after the steel ball is placed on the valve block fabrication hole, the moving assembly 5 drives the valve block to move to a position below the pressing block 62, and an output end of the third cylinder 61 drives the pressing block 62 to move downward to press the steel ball into the valve block fabrication hole.
Referring to fig. 2, 3, 4 and 6, a sleeve 11 is fixedly connected to a flange at the tail end of the mechanical arm 1, a through hole 111 penetrating through the bottom of the sleeve 11 is formed in the top of the sleeve 11, the air pipe 7 is connected with the top of the through hole 111, steel balls pass through the air pipe 7 and the through hole 111 and then fall on a valve block fabrication hole, and the arrangement of the sleeve 11 ensures that the steel balls can accurately fall on the valve block fabrication hole.
Referring to fig. 2, 3, 4 and 6, the sleeve 11 is vertically arranged, the vertical arrangement reduces the falling time of the steel ball, the steel ball falls more stably, the diameter of the steel ball is 3 mm, the diameter of the through hole 111 is 6 mm, and the steel ball and the valve block process hole form interference fit, so that the sealing performance is improved.
The working principle is as follows: the valve block is put through electric magnet to arm 1, place the valve block on fixed plate 41, carry out position adjustment and fixed through two fixed blocks 421 and two promotion pieces 432 to the valve block, vibration dish 3 blows the steel ball through the mode of air-blowing, the steel ball falls on the fabrication hole of valve block after passing through trachea 7, then remove subassembly 5 and drive the valve block and remove to pushing down subassembly 6 below, the output of third cylinder 61 drives briquetting 62 and moves down, press the steel ball into the valve block fabrication hole and seal, after accomplishing the fabrication hole of a face of valve block is sealed, arm 1 turns over the valve block, vibration dish 3 carries the steel ball once more, pushing down subassembly 6 pushes down sealed to the steel ball once more.
Above only the utility model discloses an it is preferred embodiment, the utility model discloses a scope of protection not only limits in above-mentioned embodiment, and the all belongs to the utility model discloses a technical scheme under the thinking all belongs to the utility model discloses a scope of protection. It should be noted that, for those skilled in the art, various modifications and decorations can be made without departing from the principle of the present invention, and these modifications and decorations should also be regarded as the protection scope of the present invention.

Claims (10)

1.阀块工艺孔自动封堵装置,包括机械臂(1)、操作台(2)和放置有钢珠的振动盘(3),其特征在于:所述机械臂(1)通过电吸铁吸取阀块,所述机械臂(1)包括转动部,所述转动部包括第一转动单元和第二转动单元,所述第一转动单元用于带动所述电吸铁在第一平面上转动,所述第二转动单元用于带动第一转动单元转动以改变第一平面的位置,所述操作台(2)上固定连接有支架(21),所述支架(21)上设置有固定组件(4)和移动组件(5),所述固定组件(4)将阀块固定于固定平台上,所述移动组件(5)用于带动所述固定平台在水平面上移动,所述支架(21)上还设置有将钢珠压入阀块工艺孔内的下压组件(6),所述振动盘(3)的出料端与所述机械臂(1)之间连接有气管(7),所述振动盘(3)吹动钢珠以使钢珠通过所述气管(7)落至阀块工艺孔上。1. The valve block process hole automatic blocking device, comprising a mechanical arm (1), an operating table (2) and a vibrating plate (3) on which steel balls are placed, characterized in that: the mechanical arm (1) is sucked by electric iron suction A valve block, the mechanical arm (1) includes a rotating part, the rotating part includes a first rotating unit and a second rotating unit, the first rotating unit is used to drive the electric iron to rotate on a first plane, The second rotating unit is used to drive the first rotating unit to rotate to change the position of the first plane, a bracket (21) is fixedly connected to the operating table (2), and a fixing assembly (21) is arranged on the bracket (21). 4) and a moving assembly (5), the fixed assembly (4) fixes the valve block on the fixed platform, the moving assembly (5) is used to drive the fixed platform to move on a horizontal plane, and the bracket (21) There is also a lower pressing component (6) for pressing the steel ball into the process hole of the valve block, and a gas pipe (7) is connected between the discharge end of the vibrating plate (3) and the mechanical arm (1), so The vibrating plate (3) blows the steel balls to make the steel balls fall onto the valve block process hole through the gas pipe (7). 2.根据权利要求1所述的阀块工艺孔自动封堵装置,其特征在于:所述固定组件(4)包括两个固定模组(42),所述固定平台包括固定板(41),所述固定板(41)设置在所述支架(21)上,每一所述固定模组(42)包括推动部(43)和固定块(421),每一所述固定模组(42)下的所述推动部(43)和所述固定块(421)分别设置于阀块的相对面上,所述推动部(43)向阀块施加推力,以形成将阀块固定在所述固定块(421)上的夹持力,两个所述推动部(43)形成夹持力的方向相互垂直。2. The valve block process hole automatic blocking device according to claim 1, wherein the fixing assembly (4) comprises two fixing modules (42), and the fixing platform comprises a fixing plate (41), The fixing plate (41) is arranged on the bracket (21), each of the fixing modules (42) includes a pushing portion (43) and a fixing block (421), and each of the fixing modules (42) The lower pushing portion (43) and the fixing block (421) are respectively arranged on the opposite surfaces of the valve block, and the pushing portion (43) applies a pushing force to the valve block to form the valve block to be fixed on the fixing block. The clamping force on the block (421), the directions in which the two pushing parts (43) form the clamping force are perpendicular to each other. 3.根据权利要求2所述的阀块工艺孔自动封堵装置,其特征在于:所述推动部(43)包括电缸(431)和推动块(432),所述推动块(432)滑动连接在所述固定板(41)上,所述电缸(431)的输出端与所述推动块(432)固定连接。3. The valve block process hole automatic blocking device according to claim 2, wherein the pushing part (43) comprises an electric cylinder (431) and a pushing block (432), and the pushing block (432) slides is connected to the fixing plate (41), and the output end of the electric cylinder (431) is fixedly connected to the pushing block (432). 4.根据权利要求2所述的阀块工艺孔自动封堵装置,其特征在于:所述机械臂(1)设置在所述操作台(2)的一侧,朝向所述机械臂(1)一侧的所述固定块(421)设置有两个,并且该两个所述固定块(421)之间形成通槽(422)。4. The valve block process hole automatic blocking device according to claim 2, characterized in that: the mechanical arm (1) is arranged on one side of the operating table (2), facing the mechanical arm (1) There are two fixing blocks (421) on one side, and a through groove (422) is formed between the two fixing blocks (421). 5.根据权利要求2-4任一一项所述的阀块工艺孔自动封堵装置,其特征在于:所述固定块(421)的材料为橡胶。5 . The automatic blocking device for valve block process holes according to any one of claims 2 to 4 , wherein the material of the fixing block ( 421 ) is rubber. 6 . 6.根据权利要求3所述的阀块工艺孔自动封堵装置,其特征在于:所述推动块(432)的材料为橡胶。6. The valve block process hole automatic blocking device according to claim 3, wherein the material of the push block (432) is rubber. 7.根据权利要求2所述的阀块工艺孔自动封堵装置,其特征在于:所述移动组件(5)包括第一滑轨(51)和第二滑轨(52),所述第二滑轨(52)滑动连接在所述第一滑轨(51)上,所述固定板(41)滑动连接在所述第二滑轨(52)上,所述支架(21)上固定连接有用于带动所述第二滑轨(52)滑动的第一气缸(53),所述第二滑轨(52)上固定连接有用于带动所述固定板(41)滑动的第二气缸(54),所述固定板(41)的滑动方向与所述第二滑轨(52)的滑动方向垂直。7. The valve block process hole automatic blocking device according to claim 2, characterized in that: the moving assembly (5) comprises a first sliding rail (51) and a second sliding rail (52), the second sliding rail (52) The slide rail (52) is slidably connected to the first slide rail (51), the fixing plate (41) is slidably connected to the second slide rail (52), and the support (21) is fixedly connected to the bracket (21) in a sliding manner. A first cylinder (53) for driving the second slide rail (52) to slide, the second slide rail (52) is fixedly connected with a second cylinder (54) for driving the fixed plate (41) to slide , the sliding direction of the fixing plate (41) is perpendicular to the sliding direction of the second sliding rail (52). 8.根据权利要求1所述的阀块工艺孔自动封堵装置,其特征在于:所述下压组件(6)包括第三气缸(61),所述第三气缸(61)固定连接在所述支架(21)的顶部,所述第三气缸(61)的输出端固定连接有下压块(62)。8. The valve block process hole automatic blocking device according to claim 1, characterized in that: the pressing down assembly (6) comprises a third air cylinder (61), and the third air cylinder (61) is fixedly connected to the On the top of the bracket (21), a lower pressing block (62) is fixedly connected to the output end of the third cylinder (61). 9.根据权利要求1所述的阀块工艺孔自动封堵装置,其特征在于:所述机械臂(1)末端法兰上固定连接有套管(11),所述套管(11)顶部开设有贯穿其底部的通孔(111),所述气管(7)与所述通孔(111)顶部连接。9 . The valve block process hole automatic blocking device according to claim 1 , wherein a sleeve ( 11 ) is fixedly connected to the end flange of the robotic arm ( 1 ), and the top of the sleeve ( 11 ) is fixedly connected. 10 . A through hole (111) is opened through the bottom, and the air pipe (7) is connected with the top of the through hole (111). 10.根据权利要求9所述的阀块工艺孔自动封堵装置,其特征在于:所述套管(11)竖直设置,钢珠的直径为3毫米,所述通孔(111)的直径为6毫米。10 . The valve block process hole automatic blocking device according to claim 9 , wherein the sleeve ( 11 ) is arranged vertically, the diameter of the steel ball is 3 mm, and the diameter of the through hole ( 111 ) is 10 . 6mm.
CN202020707671.2U 2020-04-30 2020-04-30 Valve block process hole automatic blocking device Expired - Fee Related CN212553897U (en)

Priority Applications (1)

Application Number Priority Date Filing Date Title
CN202020707671.2U CN212553897U (en) 2020-04-30 2020-04-30 Valve block process hole automatic blocking device

Applications Claiming Priority (1)

Application Number Priority Date Filing Date Title
CN202020707671.2U CN212553897U (en) 2020-04-30 2020-04-30 Valve block process hole automatic blocking device

Publications (1)

Publication Number Publication Date
CN212553897U true CN212553897U (en) 2021-02-19

Family

ID=74608162

Family Applications (1)

Application Number Title Priority Date Filing Date
CN202020707671.2U Expired - Fee Related CN212553897U (en) 2020-04-30 2020-04-30 Valve block process hole automatic blocking device

Country Status (1)

Country Link
CN (1) CN212553897U (en)

Cited By (2)

* Cited by examiner, † Cited by third party
Publication number Priority date Publication date Assignee Title
CN111409090A (en) * 2020-04-30 2020-07-14 中国计量大学 Valve block process hole automatic blocking device
CN115556124A (en) * 2022-08-31 2023-01-03 长江师范学院 System and method for quickly separating valve blocks

Cited By (3)

* Cited by examiner, † Cited by third party
Publication number Priority date Publication date Assignee Title
CN111409090A (en) * 2020-04-30 2020-07-14 中国计量大学 Valve block process hole automatic blocking device
CN111409090B (en) * 2020-04-30 2024-08-16 中国计量大学 Automatic plugging device for valve block process hole
CN115556124A (en) * 2022-08-31 2023-01-03 长江师范学院 System and method for quickly separating valve blocks

Similar Documents

Publication Publication Date Title
CN210755849U (en) Universal multi-station laser welding machine for circular and ring parts
CN212553897U (en) Valve block process hole automatic blocking device
CN210307875U (en) Clamping device
CN217096340U (en) Novel multistation welding frock clamp
CN207787201U (en) Carrier cleaning device
CN116914534A (en) Rotary disc type three-side paint peeling machine
CN220948730U (en) Electronic product film pasting machine
CN218837138U (en) An automatic grinding device for instrument joints
CN210389418U (en) Online board separator of vision
CN215287022U (en) Parallel transplanter with anti-blocking performance for SMT processing
CN111409090A (en) Valve block process hole automatic blocking device
CN112536690B (en) Grinding wheel grinding device and control method
CN217166547U (en) Machining is with location frock of punching
CN214421727U (en) Turnover device for optical lens detection
CN212170922U (en) A CNC machine tool with a manipulator
CN208437850U (en) A mobile phone protective cover automatic laser engraving and roughening equipment
CN113977146A (en) A gantry hoisting robot welding device and its working method
CN221935899U (en) A device for automatically assembling nut pieces on a hard disk housing
CN113245709B (en) Five-sided photoetching machine
CN208438348U (en) A kind of robot manipulator structure of glass machinery
CN222539881U (en) A magnetic suction discharge structure
CN216504737U (en) A tool for bell housing automatic assembly
CN220881445U (en) Drilling device for disc parts
CN223372206U (en) A reversible material grabbing suction cup
CN223029771U (en) A full-automatic board separator for cutting of printed wiring board subassembly

Legal Events

Date Code Title Description
GR01 Patent grant
GR01 Patent grant
CF01 Termination of patent right due to non-payment of annual fee

Granted publication date: 20210219

CF01 Termination of patent right due to non-payment of annual fee