CN203389374U - 一种稀硫酸酸泥泥浆罐 - Google Patents
一种稀硫酸酸泥泥浆罐 Download PDFInfo
- Publication number
- CN203389374U CN203389374U CN201320381599.9U CN201320381599U CN203389374U CN 203389374 U CN203389374 U CN 203389374U CN 201320381599 U CN201320381599 U CN 201320381599U CN 203389374 U CN203389374 U CN 203389374U
- Authority
- CN
- China
- Prior art keywords
- clear liquid
- tank body
- sludge settling
- solid
- dilute sulfuric
- Prior art date
- Legal status (The legal status is an assumption and is not a legal conclusion. Google has not performed a legal analysis and makes no representation as to the accuracy of the status listed.)
- Expired - Fee Related
Links
- QAOWNCQODCNURD-UHFFFAOYSA-N Sulfuric acid Chemical compound OS(O)(=O)=O QAOWNCQODCNURD-UHFFFAOYSA-N 0.000 title claims abstract description 26
- 239000007788 liquid Substances 0.000 claims abstract description 68
- 239000002253 acid Substances 0.000 claims abstract description 25
- 239000010802 sludge Substances 0.000 claims abstract description 19
- 239000002002 slurry Substances 0.000 claims abstract description 13
- 230000008676 import Effects 0.000 claims description 10
- 238000007599 discharging Methods 0.000 claims description 6
- 239000011152 fibreglass Substances 0.000 claims description 4
- 239000000463 material Substances 0.000 claims description 4
- 239000007787 solid Substances 0.000 abstract description 13
- 238000000926 separation method Methods 0.000 abstract description 12
- 230000000694 effects Effects 0.000 abstract description 5
- 239000006228 supernatant Substances 0.000 abstract description 5
- 239000002245 particle Substances 0.000 abstract description 3
- 239000013049 sediment Substances 0.000 abstract description 3
- 239000000126 substance Substances 0.000 abstract description 3
- 235000011149 sulphuric acid Nutrition 0.000 abstract description 2
- 239000001117 sulphuric acid Substances 0.000 abstract description 2
- 230000002349 favourable effect Effects 0.000 abstract 1
- XLYOFNOQVPJJNP-UHFFFAOYSA-N water Substances O XLYOFNOQVPJJNP-UHFFFAOYSA-N 0.000 description 8
- 239000002351 wastewater Substances 0.000 description 6
- 238000004062 sedimentation Methods 0.000 description 4
- 230000009931 harmful effect Effects 0.000 description 3
- UGFAIRIUMAVXCW-UHFFFAOYSA-N Carbon monoxide Chemical compound [O+]#[C-] UGFAIRIUMAVXCW-UHFFFAOYSA-N 0.000 description 2
- 239000003546 flue gas Substances 0.000 description 2
- 238000000746 purification Methods 0.000 description 2
- PXGOKWXKJXAPGV-UHFFFAOYSA-N Fluorine Chemical compound FF PXGOKWXKJXAPGV-UHFFFAOYSA-N 0.000 description 1
- 235000019738 Limestone Nutrition 0.000 description 1
- 229910052785 arsenic Inorganic materials 0.000 description 1
- RQNWIZPPADIBDY-UHFFFAOYSA-N arsenic atom Chemical compound [As] RQNWIZPPADIBDY-UHFFFAOYSA-N 0.000 description 1
- 238000005260 corrosion Methods 0.000 description 1
- 230000007797 corrosion Effects 0.000 description 1
- 238000005516 engineering process Methods 0.000 description 1
- 230000007613 environmental effect Effects 0.000 description 1
- 239000012530 fluid Substances 0.000 description 1
- 229910052731 fluorine Inorganic materials 0.000 description 1
- 239000011737 fluorine Substances 0.000 description 1
- 239000007789 gas Substances 0.000 description 1
- 229910001385 heavy metal Inorganic materials 0.000 description 1
- 239000012535 impurity Substances 0.000 description 1
- 150000002500 ions Chemical class 0.000 description 1
- 239000006028 limestone Substances 0.000 description 1
- 238000000034 method Methods 0.000 description 1
- 238000006386 neutralization reaction Methods 0.000 description 1
- 238000011084 recovery Methods 0.000 description 1
- 238000004064 recycling Methods 0.000 description 1
- 230000000630 rising effect Effects 0.000 description 1
- 239000000725 suspension Substances 0.000 description 1
- 238000005200 wet scrubbing Methods 0.000 description 1
Images
Landscapes
- Treatment Of Sludge (AREA)
Abstract
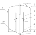
本实用新型涉及化工设备技术领域,特别是一种稀硫酸酸泥泥浆罐。包括罐体,罐体上部设有稀酸进口管和清液排放口,罐体下部设有底排口;罐体内部设有清液分离管,清液分离管上开设清液进口和污泥沉降口,清液进口位于污泥沉降口上方。本实用新型有利于固体颗粒的沉降,方便固体沉淀物排出底排口。罐体内部设有多根清液分离管,清液分离管沿罐体中心对称分布,清液分离管上开设清液进口和污泥沉降口,清液进口位于污泥沉降口上方。混合液在清液分离管内进行固液分离,沉积物沿污泥沉降口堆积在罐体底部,上清液沿清液进口流出,待上清液积聚液位上升后沿清液排放口排放出,可以进行固液不间断分离,固液分离效果显著。
Description
技术领域
本实用新型涉及化工设备技术领域,特别是一种稀硫酸酸泥泥浆罐。适用于固体杂质含量较高的酸水的固液分离。
背景技术
冶炼烟气制酸系统需用稀酸对烟气进行湿法洗涤净化,在净化过程中,稀酸不断循环利用,烟气中含有的砷、氟及重金属离子在循环液中不断富集,当达到一定程度时,该部分酸水必须定期外排,并通过补加新水或中水的方式,减少其中有害物质的含量,避免有害元素对后续设备造成不良影响。但酸水外排无法实现回收利用,不仅增加环保治理成本和新水的使用量,还不利于酸水中有价元素的回收,不利于节能减排、环保降耗。目前,使用石灰石中和法处理酸水,并采用悬浮过滤装置对其进行固液分离,耗费大量时间,而且随着浊液的不断沉降,浊液浓度、黏度及密度会增大,受上述三者的影响固液分离不彻底,分离效果十分不理想。
实用新型内容
本实用新型的目的在于提供一种简单实用、分离效果好的稀硫酸酸泥泥浆罐。
本实用新型解决其技术问题所采用的技术方案为:
一种稀硫酸酸泥泥浆罐,包括罐体,罐体上部设有稀酸进口管和清液排放口,罐体下部设有底排口;罐体内部设有清液分离管,清液分离管上开设清液进口和污泥沉降口,清液进口位于污泥沉降口上方。
所述罐体和底排口之间设有一段污泥沉降坡道。
所述罐体内竖直设有至少2根清液分离管,清液分离管沿罐体中心对称分布。
所述清液分离管上套装挡流板。
所述挡流板呈弧形。
所述罐体底部连接罐体支撑座。
所述罐体的材质为玻璃钢。
本实用新型的罐体上部设有稀酸进口管和清液排放口,罐体下部设有底排口;罐体和底排口之间设有一段污泥沉降坡道,有利于固体颗粒的沉降,方便固体沉淀物排出底排口。罐体内部设有多根清液分离管,清液分离管沿罐体中心对称分布,清液分离管上开设清液进口和污泥沉降口,清液进口位于污泥沉降口上方。混合液在清液分离管内进行固液分离,沉积物沿污泥沉降口堆积在罐体底部,上清液沿清液进口流出,待上清液积聚液位上升后沿清液排放口排放出,可以进行固液不间断分离,固液分离效果显著。同时清液分离管上套装弧形挡流板,用于打散酸性废水,使废水更加容易固液分离。此外罐体的材质为玻璃钢,具有较强的耐稀酸腐蚀的性能,提高使用寿命。
附图说明
图1为本实用新型的结构示意图;
图2为本实用新型的的俯视图。
具体实施方式
如图所示的一种稀硫酸酸泥泥浆罐,包括罐体2,罐体2的材质为玻璃钢;罐体2上部设有稀酸进口管1和清液排放口9,罐体2下部设有底排口8,罐体2和底排口8之间设有一段污泥沉降坡道10;罐体2内部竖直设有至少2根清液分离管3 ,清液分离管3沿罐体2中心对称分布,清液分离管3上套装挡流板4,挡流板4呈弧形,清液分离管3上开设清液进口5和污泥沉降口6,清液进口5位于污泥沉降口6上方。此外,所述罐体2底部连接罐体支撑座7,可以牢固支撑罐体2。
使用时,将酸性废水经稀酸进口管1灌入罐体2中,酸性废水受挡流板4的阻挡,酸性废水被打散沿挡流板4的边缘滴落,酸性废水进入罐体1底部和清液分离管3中进行沉降,清液通过清液进口5流出,随着清液液位的不断上升,达到一定高度后通过清液排放口9排出进行回收重复利用,固体颗粒受重力作用沉降,通过污泥沉降口6进入罐体1底部,达到固液分离的效果。定期对罐体2底部的底排口8进行清理便可连续固液分离工作。
Claims (7)
1. 一种稀硫酸酸泥泥浆罐,其特征在于包括罐体(2),罐体(2)上部设有稀酸进口管(1)和清液排放口(9),罐体(2)下部设有底排口(8);罐体(2)内部设有清液分离管(3),清液分离管(3)上开设清液进口(5)和污泥沉降口(6),清液进口(5)位于污泥沉降口(6)上方。
2. 根据权利要求1所述的一种稀硫酸酸泥泥浆罐,其特征在于所述罐体(2)和底排口(8)之间设有一段污泥沉降坡道(10)。
3. 根据权利要求1或2所述的一种稀硫酸酸泥泥浆罐,其特征在于所述罐体(2)内竖直设有至少2根清液分离管(3) ,清液分离管(3)沿罐体(2)中心对称分布。
4. 根据权利要求3所述的一种稀硫酸酸泥泥浆罐,其特征在于所述清液分离管(3)上套装挡流板(4)。
5. 根据权利要求4所述的一种稀硫酸酸泥泥浆罐,其特征在于所述挡流板(4)呈弧形。
6. 根据权利要求3所述的一种稀硫酸酸泥泥浆罐,其特征在于所述罐体(2)底部连接罐体支撑座(7)。
7. 根据权利要求6所述的一种稀硫酸酸泥泥浆罐,其特征在于所述罐体(2)的材质为玻璃钢。
Priority Applications (1)
| Application Number | Priority Date | Filing Date | Title |
|---|---|---|---|
| CN201320381599.9U CN203389374U (zh) | 2013-06-30 | 2013-06-30 | 一种稀硫酸酸泥泥浆罐 |
Applications Claiming Priority (1)
| Application Number | Priority Date | Filing Date | Title |
|---|---|---|---|
| CN201320381599.9U CN203389374U (zh) | 2013-06-30 | 2013-06-30 | 一种稀硫酸酸泥泥浆罐 |
Publications (1)
| Publication Number | Publication Date |
|---|---|
| CN203389374U true CN203389374U (zh) | 2014-01-15 |
Family
ID=49900937
Family Applications (1)
| Application Number | Title | Priority Date | Filing Date |
|---|---|---|---|
| CN201320381599.9U Expired - Fee Related CN203389374U (zh) | 2013-06-30 | 2013-06-30 | 一种稀硫酸酸泥泥浆罐 |
Country Status (1)
| Country | Link |
|---|---|
| CN (1) | CN203389374U (zh) |
Cited By (2)
| Publication number | Priority date | Publication date | Assignee | Title |
|---|---|---|---|---|
| CN110015829A (zh) * | 2019-03-07 | 2019-07-16 | 博天环境集团股份有限公司 | 一种适用于一体化污水处理设备的污泥收集装置及其应用 |
| CN112833937A (zh) * | 2021-01-16 | 2021-05-25 | 西安热工研究院有限公司 | 一种能够防止酸泥堵塞的酸计量箱 |
-
2013
- 2013-06-30 CN CN201320381599.9U patent/CN203389374U/zh not_active Expired - Fee Related
Cited By (2)
| Publication number | Priority date | Publication date | Assignee | Title |
|---|---|---|---|---|
| CN110015829A (zh) * | 2019-03-07 | 2019-07-16 | 博天环境集团股份有限公司 | 一种适用于一体化污水处理设备的污泥收集装置及其应用 |
| CN112833937A (zh) * | 2021-01-16 | 2021-05-25 | 西安热工研究院有限公司 | 一种能够防止酸泥堵塞的酸计量箱 |
Similar Documents
| Publication | Publication Date | Title |
|---|---|---|
| CN104787972B (zh) | 一种煤焦化废水处理系统 | |
| CN205295030U (zh) | 一种洁净型往复刮渣气浮装置 | |
| CN204607690U (zh) | 活性污泥反应与固液分离装置 | |
| CN203781912U (zh) | 废水处理过程中的气固液三相分离装置 | |
| CN203389374U (zh) | 一种稀硫酸酸泥泥浆罐 | |
| CN201815155U (zh) | 一种新型缓流高效浓密机 | |
| CN201240958Y (zh) | 逆流式气浮沉降净化水罐 | |
| CN203392959U (zh) | 一种烟气脱硫废水中废催化剂的分离装置 | |
| CN201713366U (zh) | 导流式锥形沉降池 | |
| CN205367946U (zh) | 一种气浮过滤处理装置 | |
| CN104787968B (zh) | 金霉素废水处理系统 | |
| CN100546692C (zh) | 含固体杂质的污水处理器 | |
| CN104891705B (zh) | 一种物化与超滤协同处理污水的方法 | |
| CN107098434A (zh) | 一种餐饮废水处理系统及处理方法 | |
| CN208949075U (zh) | 新型厌氧反应器 | |
| CN202951293U (zh) | 用于脱硫废水处理的澄清器 | |
| CN102826638A (zh) | 多相流装配式密闭混凝沉降装置 | |
| CN201660510U (zh) | 一种餐饮废水除油器 | |
| CN201735215U (zh) | 一种水玻璃连续澄清与回收装置 | |
| CN206396000U (zh) | 养殖污水处理系统 | |
| CN203558906U (zh) | 高负荷接触沉淀池 | |
| CN104355434B (zh) | 一种污水处理方法及装置 | |
| CN102276116B (zh) | 一体式三相分离净化器 | |
| CN211310940U (zh) | 一种混凝除油罐 | |
| CN209519386U (zh) | 一种具有油水分离装置的立式储罐 |
Legal Events
| Date | Code | Title | Description |
|---|---|---|---|
| C14 | Grant of patent or utility model | ||
| GR01 | Patent grant | ||
| CF01 | Termination of patent right due to non-payment of annual fee | ||
| CF01 | Termination of patent right due to non-payment of annual fee |
Granted publication date: 20140115 Termination date: 20190630 |