WO2019065282A1 - 物体検知装置 - Google Patents

物体検知装置 Download PDF

Info

Publication number
WO2019065282A1
WO2019065282A1 PCT/JP2018/034056 JP2018034056W WO2019065282A1 WO 2019065282 A1 WO2019065282 A1 WO 2019065282A1 JP 2018034056 W JP2018034056 W JP 2018034056W WO 2019065282 A1 WO2019065282 A1 WO 2019065282A1
Authority
WO
WIPO (PCT)
Prior art keywords
wave
sound pressure
unit
transmission
search wave
Prior art date
Legal status (The legal status is an assumption and is not a legal conclusion. Google has not performed a legal analysis and makes no representation as to the accuracy of the status listed.)
Ceased
Application number
PCT/JP2018/034056
Other languages
English (en)
French (fr)
Japanese (ja)
Inventor
陽平 鈴木
岳人 原田
充保 松浦
青山 哲也
Current Assignee (The listed assignees may be inaccurate. Google has not performed a legal analysis and makes no representation or warranty as to the accuracy of the list.)
Denso Corp
Original Assignee
Denso Corp
Priority date (The priority date is an assumption and is not a legal conclusion. Google has not performed a legal analysis and makes no representation as to the accuracy of the date listed.)
Filing date
Publication date
Application filed by Denso Corp filed Critical Denso Corp
Priority to CN201880063142.9A priority Critical patent/CN111183368B/zh
Priority to DE112018004296.0T priority patent/DE112018004296B4/de
Publication of WO2019065282A1 publication Critical patent/WO2019065282A1/ja
Priority to US16/829,473 priority patent/US11555922B2/en
Anticipated expiration legal-status Critical
Ceased legal-status Critical Current

Links

Images

Classifications

    • GPHYSICS
    • G01MEASURING; TESTING
    • G01SRADIO DIRECTION-FINDING; RADIO NAVIGATION; DETERMINING DISTANCE OR VELOCITY BY USE OF RADIO WAVES; LOCATING OR PRESENCE-DETECTING BY USE OF THE REFLECTION OR RERADIATION OF RADIO WAVES; ANALOGOUS ARRANGEMENTS USING OTHER WAVES
    • G01S15/00Systems using the reflection or reradiation of acoustic waves, e.g. sonar systems
    • G01S15/02Systems using the reflection or reradiation of acoustic waves, e.g. sonar systems using reflection of acoustic waves
    • G01S15/06Systems determining the position data of a target
    • G01S15/08Systems for measuring distance only
    • G01S15/10Systems for measuring distance only using transmission of interrupted, pulse-modulated waves
    • G01S15/12Systems for measuring distance only using transmission of interrupted, pulse-modulated waves wherein the pulse-recurrence frequency is varied to provide a desired time relationship between the transmission of a pulse and the receipt of the echo of a preceding pulse
    • GPHYSICS
    • G01MEASURING; TESTING
    • G01SRADIO DIRECTION-FINDING; RADIO NAVIGATION; DETERMINING DISTANCE OR VELOCITY BY USE OF RADIO WAVES; LOCATING OR PRESENCE-DETECTING BY USE OF THE REFLECTION OR RERADIATION OF RADIO WAVES; ANALOGOUS ARRANGEMENTS USING OTHER WAVES
    • G01S15/00Systems using the reflection or reradiation of acoustic waves, e.g. sonar systems
    • G01S15/88Sonar systems specially adapted for specific applications
    • G01S15/93Sonar systems specially adapted for specific applications for anti-collision purposes
    • G01S15/931Sonar systems specially adapted for specific applications for anti-collision purposes of land vehicles
    • GPHYSICS
    • G01MEASURING; TESTING
    • G01SRADIO DIRECTION-FINDING; RADIO NAVIGATION; DETERMINING DISTANCE OR VELOCITY BY USE OF RADIO WAVES; LOCATING OR PRESENCE-DETECTING BY USE OF THE REFLECTION OR RERADIATION OF RADIO WAVES; ANALOGOUS ARRANGEMENTS USING OTHER WAVES
    • G01S15/00Systems using the reflection or reradiation of acoustic waves, e.g. sonar systems
    • G01S15/02Systems using the reflection or reradiation of acoustic waves, e.g. sonar systems using reflection of acoustic waves
    • G01S15/06Systems determining the position data of a target
    • G01S15/08Systems for measuring distance only
    • G01S15/10Systems for measuring distance only using transmission of interrupted, pulse-modulated waves
    • G01S15/102Systems for measuring distance only using transmission of interrupted, pulse-modulated waves using transmission of pulses having some particular characteristics
    • G01S15/104Systems for measuring distance only using transmission of interrupted, pulse-modulated waves using transmission of pulses having some particular characteristics wherein the transmitted pulses use a frequency- or phase-modulated carrier wave
    • GPHYSICS
    • G01MEASURING; TESTING
    • G01SRADIO DIRECTION-FINDING; RADIO NAVIGATION; DETERMINING DISTANCE OR VELOCITY BY USE OF RADIO WAVES; LOCATING OR PRESENCE-DETECTING BY USE OF THE REFLECTION OR RERADIATION OF RADIO WAVES; ANALOGOUS ARRANGEMENTS USING OTHER WAVES
    • G01S7/00Details of systems according to groups G01S13/00, G01S15/00, G01S17/00
    • G01S7/52Details of systems according to groups G01S13/00, G01S15/00, G01S17/00 of systems according to group G01S15/00
    • G01S7/52004Means for monitoring or calibrating
    • GPHYSICS
    • G01MEASURING; TESTING
    • G01SRADIO DIRECTION-FINDING; RADIO NAVIGATION; DETERMINING DISTANCE OR VELOCITY BY USE OF RADIO WAVES; LOCATING OR PRESENCE-DETECTING BY USE OF THE REFLECTION OR RERADIATION OF RADIO WAVES; ANALOGOUS ARRANGEMENTS USING OTHER WAVES
    • G01S7/00Details of systems according to groups G01S13/00, G01S15/00, G01S17/00
    • G01S7/52Details of systems according to groups G01S13/00, G01S15/00, G01S17/00 of systems according to group G01S15/00
    • G01S7/52004Means for monitoring or calibrating
    • G01S7/52006Means for monitoring or calibrating with provision for compensating the effects of temperature
    • GPHYSICS
    • G01MEASURING; TESTING
    • G01SRADIO DIRECTION-FINDING; RADIO NAVIGATION; DETERMINING DISTANCE OR VELOCITY BY USE OF RADIO WAVES; LOCATING OR PRESENCE-DETECTING BY USE OF THE REFLECTION OR RERADIATION OF RADIO WAVES; ANALOGOUS ARRANGEMENTS USING OTHER WAVES
    • G01S7/00Details of systems according to groups G01S13/00, G01S15/00, G01S17/00
    • G01S7/52Details of systems according to groups G01S13/00, G01S15/00, G01S17/00 of systems according to group G01S15/00
    • G01S7/523Details of pulse systems
    • G01S7/524Transmitters
    • GPHYSICS
    • G01MEASURING; TESTING
    • G01SRADIO DIRECTION-FINDING; RADIO NAVIGATION; DETERMINING DISTANCE OR VELOCITY BY USE OF RADIO WAVES; LOCATING OR PRESENCE-DETECTING BY USE OF THE REFLECTION OR RERADIATION OF RADIO WAVES; ANALOGOUS ARRANGEMENTS USING OTHER WAVES
    • G01S7/00Details of systems according to groups G01S13/00, G01S15/00, G01S17/00
    • G01S7/52Details of systems according to groups G01S13/00, G01S15/00, G01S17/00 of systems according to group G01S15/00
    • G01S7/523Details of pulse systems
    • G01S7/526Receivers

Definitions

  • the present disclosure relates to an object detection device.
  • an object detection apparatus which transmits an ultrasonic wave and receives a reflected wave of the transmitted ultrasonic wave to detect an object reflected by the ultrasonic wave.
  • an object detection apparatus is mounted on a vehicle or the like and used for obstacle detection, there is a possibility that the detection accuracy of the object may be reduced due to interference with ultrasonic signals emitted by surrounding vehicles.
  • the frequency of the transmission wave is swept, and the reflected wave of the ultrasonic wave transmitted by itself based on whether or not the chirp signal whose frequency changes similarly to the transmission wave is included in the reception wave.
  • An object detection apparatus has been proposed which discriminates between an ultrasonic wave generated by the sensor and another apparatus.
  • an object detection apparatus using a chirp signal it is conceivable to use, for example, a plurality of chirp signals whose frequencies change at different change rates, in order to improve the accuracy of ultrasonic wave discrimination.
  • a resonant microphone is used as a transmitter / receiver of ultrasonic waves, but the resonant band of the resonant microphone is narrow, and further, due to individual differences, the sound pressure of the transmission wave differs for each chirp signal, and detection starts There may be a difference in detection performance such as distance.
  • an object of the present disclosure to provide an object detection device capable of reducing a difference in detection performance for each chirp signal.
  • a transmitting unit that transmits an ultrasonic wave as a search wave, a receiving unit that receives an ultrasonic wave and outputs a signal, and an ultrasonic wave received by the receiving unit And a distance detection unit that detects a distance to the object based on an output signal of the reception unit when the frequency of the signal changes similarly to the frequency of the search wave, and the sound pressure of the search wave is
  • the transmission sound pressure adjusting unit is provided to adjust the sound pressure of the search wave or the reflected wave of the search wave to be included in the predetermined transmission target range, and the transmission unit is configured as the search wave in which the frequency changes with time.
  • the first sound wave and the second sound wave whose frequency changes with time at a change rate different from that of the first sound wave are transmitted, and the transmission sound pressure adjustment unit searches for each of the first sound wave and the second sound wave.
  • Sound pressure of reflected wave of wave or survey wave included in transmission target range To so that.
  • the sound pressure of each of the first search wave and the second search wave is included in the transmission target range, so that the sound pressure of the reflected wave of the first search wave and the reflected wave of the second search wave.
  • the difference between Therefore, it is possible to reduce the difference in detection performance when the first search wave is transmitted and when the second search wave is transmitted.
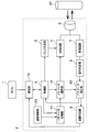
  • the object detection device of the present embodiment is a so-called ultrasonic sonar device, which detects the presence of an object in the periphery of a vehicle, the distance to the object, and the like. As shown in FIG. 1, the object detection device includes an ECU 1 and an ultrasonic sensor 2.
  • the ultrasonic sensor 2 includes a microphone 3, a transmission circuit 4, a pulse generation unit 5, a control unit 6, a reception circuit 7, a signal determination unit 8, a distance determination unit 9, a communication unit 10, and a parameter storage.
  • a unit 11 and a parameter selection unit 12 are provided.
  • the parameter storage unit 11 is a non-transitional substantial storage medium.
  • the microphone 3 is disposed facing the outer surface of the vehicle, and transmits an ultrasonic wave, which is a survey wave for detecting an object, toward the outside of the vehicle.
  • the microphone 3 includes a piezoelectric element (not shown) having a configuration in which a piezoelectric film is disposed between two electrodes facing each other. The two electrodes are connected to the transmission circuit 4, and an AC voltage is applied from the transmission circuit 4 to deform the piezoelectric film, whereby ultrasonic waves are transmitted from the microphone 3 to the outside of the vehicle.
  • the transmitter circuit 4 D / A converts the input signal and outputs a voltage generated thereby.
  • the transmission circuit 4 is connected to a pulse generation unit 5 that generates a pulse signal, and the transmission circuit 4 D / A converts the pulse signal input from the pulse generation unit 5 and generates an alternating voltage generated thereby The voltage is applied to the microphone 3.
  • the microphone 3 and the transmission circuit 4 convert the pulse signal generated by the pulse generation unit 5 into an ultrasonic wave and transmit the ultrasonic wave, and corresponds to the transmission unit.
  • the amplitude of the alternating voltage output from the transmission circuit 4 is changed by a signal input from the outside, and the larger the input signal, the larger the amplitude of the alternating voltage.
  • the amplitude of the AC voltage changes according to the current value input from the parameter selection unit 12 to the transmission circuit 4.
  • the microphone 3, the transmission circuit 4, the pulse generation unit 5, and the control unit 6 are configured such that a search wave including a chirp signal whose frequency changes with time is transmitted from the microphone 3. Furthermore, a plurality of patterns of probe waves including different types of chirp signals are transmitted from the microphone 3, and the pattern of probe waves is determined by the transmission instruction issued from the controller 6 to the pulse generator 5. .
  • the microphone 3 transmits a first search wave whose frequency changes with time and a second search wave whose frequency changes with time at a change rate different from that of the first search wave.
  • the pulse generation unit 5 when an instruction to transmit a first pattern is issued from the control unit 6 to the pulse generation unit 5, the pulse generation unit 5 generates a pulse signal whose frequency increases with the passage of time. Thereby, the first search wave including the upstream chirp signal whose frequency increases with the passage of time is transmitted from the microphone 3.
  • the pulse generation unit 5 when the control unit 6 instructs the pulse generation unit 5 to transmit a second pattern, the pulse generation unit 5 generates a pulse signal whose frequency decreases with the passage of time. As a result, the second search wave including the downward chirp signal whose frequency decreases with the passage of time is transmitted from the microphone 3.
  • the microphone 3 is configured to transmit an ultrasonic wave, receive an ultrasonic wave, and output a voltage according to the sound pressure of the received ultrasonic wave.
  • the two electrodes of the piezoelectric element included in the microphone 3 are also connected to the receiving circuit 7, and the voltage between the two electrodes when the piezoelectric film is deformed by receiving the ultrasonic wave is received by the receiving circuit 7. It is supposed to be input to
  • the receiving circuit 7 A / D converts the voltage input from the microphone 3. Then, using the signal generated by A / D conversion, the reception circuit 7 detects the frequency and the amplitude of the reception wave by orthogonal demodulation, and transmits the frequency information and the amplitude information to the signal determination unit 8.
  • the microphone 3 and the receiving circuit 7 are configured to receive ultrasonic waves and output a signal corresponding to the received ultrasonic waves, and correspond to a receiving unit.
  • the signal determination unit 8 determines whether the ultrasonic wave received by the microphone 3 is a reflected wave of the probe wave transmitted by the microphone 3. Specifically, the signal determination unit 8 detects a chirp signal contained in the ultrasonic wave received by the microphone 3 based on the frequency information transmitted from the reception circuit 7. When the microphone 3 transmits the first search wave, the signal determination unit 8 determines that the reception wave is a reflection wave of the search wave transmitted from the microphone 3 when the detected chirp signal is an upstream chirp signal. Determine that there is. When the microphone 3 transmits the second search wave, the signal determination unit 8 determines that the received wave is a reflected wave of the search wave transmitted from the microphone 3 when the detected chirp signal is a downstream chirp signal. Determine that there is.
  • the signal determination unit 8 is a reflection wave of the search wave transmitted by the microphone 3 and the ultrasonic wave received by the microphone 3. It is determined that The signal determination unit 8 transmits the determination result and the amplitude information transmitted from the reception circuit 7 to the distance determination unit 9.
  • the distance determination unit 9 calculates the distance to an object outside the vehicle based on the time from when the microphone 3 transmits the search wave to when the reflected wave of the search wave is received, and the calculated distance is less than a predetermined threshold. It is determined whether there is any. Specifically, the distance determination unit 9 determines the distance to the object based on the time from when the probe wave is transmitted from the microphone 3 to when the amplitude of the reception wave detected by the reception circuit 7 becomes a predetermined value or more. calculate. The distance determination unit 9 corresponds to a distance detection unit.
  • the distance determination unit 9 calculates the distance to the object only when the signal determination unit 8 determines that the ultrasonic wave received by the microphone 3 is a reflection of the probe wave transmitted by the microphone 3. It is determined whether the calculated distance is equal to or less than a predetermined threshold. The distance determination unit 9 transmits the determination result to the communication unit 10.
  • the communication unit 10 communicates with the ECU 1.
  • the determination result of the distance determination unit 9 is transmitted to the ECU 1 via the communication unit 10.
  • a not-shown notification unit configured by a monitor, a buzzer, and the like connected to the ECU 1 is longer than the predetermined distance. It informs the driver that there is an object at a short distance.
  • the control unit 6, the distance determination unit 9 and the like are constituted by a known microcomputer provided with a CPU, a ROM, a RAM, an I / O and the like, and execute processing such as various operations according to a program stored in the ROM.
  • ROM and RAM are non-transitional tangible storage media.
  • the control unit 6 sends a transmission instruction to the pulse generation unit 5 according to the instruction transmitted from the ECU 1 via the communication unit 10, and the pulse generation unit 5 starts generation of a pulse signal.
  • the pulse signal generated by the pulse generation unit 5 is D / A converted by the transmission circuit 4, and when an alternating voltage is applied from the transmission circuit 4 to the microphone 3, an ultrasonic wave, which is an exploration wave, is transmitted from the microphone 3.
  • the pulse generation unit 5 changes the frequency of the pulse signal to be generated with time according to the transmission instruction from the control unit 6. Thereby, the first search wave or the second search wave is transmitted from the microphone 3.
  • the receiving circuit 7 A / D converts the input voltage and detects the frequency and amplitude of the received wave by quadrature demodulation using a signal generated thereby.
  • the signal determination unit 8 detects a change in the frequency of the reception wave from the frequency detected by the reception circuit 7 and determines whether the frequency of the reception wave changes in the same manner as the pulse signal generated by the pulse generation unit 5. Do. That is, when the microphone 3 transmits the first search wave, it is determined whether or not an upstream chirp signal whose frequency increases with the passage of time is included in the reception wave. When the microphone 3 transmits the second search wave, it is determined whether a down chirp signal whose frequency decreases with the passage of time is included in the reception wave.
  • the ultrasonic wave received by the microphone 3 may include, for example, an ultrasonic wave transmitted by another vehicle, in addition to the reflection wave of the probe wave transmitted by the microphone 3.
  • the characteristic of the frequency of the search wave is provided in this way, and changes in the frequency of the reception wave and the search wave are compared, and it is determined whether the reception wave is a reflected wave of the search wave transmitted from the microphone 3 By doing this, interference can be avoided and the object detection accuracy can be improved.
  • the distance determination unit 9 determines the distance to the object outside the vehicle that has reflected the survey wave. Calculate The distance determination unit 9 calculates the distance to the object based on the time elapsed from when the microphone 3 transmits the search wave until the amplitude of the received wave reaches a predetermined value or more, and the calculated distance is equal to or less than a predetermined threshold It is determined whether or not the determination result is transmitted to the communication unit 10.
  • the ECU 1 When the distance determination unit 9 determines that the distance to the object is equal to or less than a predetermined threshold, the ECU 1 issues an instruction to a notification unit (not shown) to notify the driver.
  • the sound pressure of the transmission wave of the microphone 3 and the reception sensitivity change depending on the frequencies of the transmission wave and the reception wave, respectively, and have peak values at the resonance frequency of the microphone 3 and It becomes smaller.
  • Such frequency characteristics of the transmission sound pressure and the reception sensitivity have variations due to the individual differences of the microphones 3. That is, with respect to the designed frequency characteristic indicated by the solid line, the characteristic is shifted to the low frequency side as indicated by the broken line, or the characteristic is shifted to the high frequency side as indicated by the dashed dotted line.
  • the amplitude and frequency of the received wave are As shown in FIG. 3 and FIG.
  • the sweep is started from a frequency far from the resonance frequency, so that the transmission sound pressure is reduced.
  • the sweep is started from the frequency near the resonance frequency, so the transmission sound pressure becomes large.
  • the amplitude of the AC voltage output from the transmission circuit 4 is adjusted for each chirp signal, and the sound pressure of the ultrasonic wave transmitted by the microphone 3 is included in a predetermined range.
  • the parameter storage unit 11 stores a parameter for sound pressure adjustment that causes the sound pressure of the search wave to be included in a predetermined range when the microphone 3 transmits the first search wave as the search wave. It is done. This predetermined range is taken as a transmission target range.
  • the parameter selection unit 12 selects this parameter and transmits it to the transmission circuit 4.
  • the amplitude of the AC voltage generated by the transmission circuit 4 is adjusted, and the amplitude of the first search wave transmitted by the microphone 3 is included in the transmission target range.
  • the parameter storage unit 11 also stores a sound pressure adjustment parameter that causes the sound pressure of the search wave to be included in the transmission target range when the microphone 3 transmits the second search wave as the search wave. .
  • the parameter selection unit 12 selects this parameter and transmits it to the transmission circuit 4. As a result, the amplitude of the AC voltage generated by the transmission circuit 4 is adjusted, and the amplitude of the second search wave transmitted by the microphone 3 is included in the transmission target range.
  • the parameter selection unit 12 adjusts the sound pressure of the first search wave and the sound pressure of the second search wave to be included in the transmission target range, and corresponds to a transmission sound pressure adjustment unit.
  • the parameter storage unit 11 stores parameters for adjusting the sound pressure of the search wave, and corresponds to a transmission parameter storage unit.
  • the drive current value of the transmission circuit 4 is used as a parameter for adjusting the sound pressure of the search wave, and the amplitude of the AC voltage generated by the transmission circuit 4 is input from the parameter selection unit 12 Changes with the current value.
  • the drive voltage value of the transmission circuit 4 may be used as a parameter for adjusting the sound pressure, and the amplitude of the AC voltage generated by the transmission circuit 4 may be changed by the voltage value input from the parameter selection unit 12.
  • the parameter storage unit 11 may be disposed outside the ultrasonic sensor 2, for example, the ECU 1, by disposing the parameter storage unit 11 inside the ultrasonic sensor 2, the parameter adjustment is performed by software. Can.
  • the parameters for adjusting the sound pressure of the first and second search waves are set, for example, before shipment of the ultrasonic sensor 2 and stored in the parameter storage unit 11.
  • the setting method of the parameter for sound pressure adjustment is demonstrated using FIG. 5 and FIG.
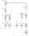
  • the setting of the sound pressure adjustment parameter is performed by connecting the adjustment device 13 to the ultrasonic sensor 2.
  • the receiving circuit 7, the signal determination unit 8, and the distance determination unit 9 are not shown.
  • the adjustment device 13 includes a reception circuit 14, a signal determination unit 15, an amplitude determination unit 16, a control unit 17, and a communication unit 18. Further, to the adjustment device 13, a measurement microphone 19 configured similarly to the microphone 3 is connected. The measurement microphone 19 is disposed to receive the ultrasonic wave transmitted by the microphone 3, and when the measurement microphone 19 receives the ultrasonic wave, a voltage corresponding to the sound pressure of the reception wave is received from the measurement microphone 19. It is input to 14.
  • the receiving circuit 14 has a configuration similar to that of the receiving circuit 7 of the ultrasonic sensor 2 and detects the frequency and amplitude of the ultrasonic wave received by the measurement microphone 19.
  • the signal determination unit 15 detects a change in the frequency of the received wave based on the frequency detected by the receiving circuit 14 and detects a chirp signal included in the received wave.
  • the amplitude determination unit 16 determines whether the amplitude detected by the reception circuit 14 is included in a predetermined range.
  • the control unit 17 determines the correction value of the signal input to the transmission circuit 4 for each chirp signal based on the determination results of the signal determination unit 15 and the amplitude determination unit 16, and the ultrasonic sensor 2 via the communication unit 18. To be sent to The control unit 17 corrects the current value input to the transmission circuit 4 for each chirp signal in steps S11 to S17 shown in FIG.
  • step S11 the control unit 17 sends a transmission instruction to the control unit 6 of the ultrasonic sensor 2 via the communication unit 18 and the communication unit 10. Then, a transmission instruction is issued from the control unit 6 to the pulse generation unit 5, and the pulse generation unit 5 generates a pulse signal of a pattern designated by the control unit 6. Then, the first search wave or the second search wave is transmitted from the microphone 3, and the measurement microphone 19 receives the transmitted search wave.
  • the control unit 17 proceeds from step S11 to step S12, and determines in step S12 and step S13 whether or not the difference between the measured value of the sound pressure of the received wave and the target value is zero.
  • the target value is set according to the desired sound pressure of the ultrasonic wave transmitted by the microphone 3.
  • step S12 the control unit 17 acquires information on the chirp signal and the sound pressure of the ultrasonic wave received by the measurement microphone 19. Specifically, when the measurement microphone 19 receives a probe wave from the microphone 3, a voltage is input from the measurement microphone 19 to the reception circuit 14. The receiving circuit 14 performs A / D conversion on the input voltage and then performs orthogonal demodulation, and transmits the frequency information and the amplitude information obtained thereby to the signal determination unit 15 and the amplitude determination unit 16, respectively. The signal determination unit 15 determines the chirp signal of the received wave based on the frequency information transmitted from the reception circuit 14, and transmits the determination result to the control unit 17.
  • the amplitude determination unit 16 determines whether the measured value of the sound pressure of the received wave is equal to, greater than, or smaller than the target value. The determination is made, and the determination result is transmitted to the control unit 17.
  • step S13 the control unit 17 determines whether the difference between the measurement value of the sound pressure of the received wave and the target value is 0 based on the determination result transmitted from the amplitude determination unit 16.
  • a peak value of sound pressure amplitude is used.
  • the peak value of the sound pressure of the search wave is included in the transmission target range.
  • the magnitude of the sound pressure amplitude at a predetermined frequency of the received wave may be compared with the target value.
  • the measurement microphone 19 receives at a frequency from the start of the sweep of the pulse signal generated by the pulse generator 5 to the end of the sweep.
  • the sound pressure amplitude of the sound wave may be included in the transmission target range.
  • the adjusting device 13 can be configured simply. Further, in the method of comparing the magnitude of the sound pressure amplitude at a predetermined frequency with the target value, the sound pressure can be adjusted with high accuracy.
  • control unit 17 proceeds to step S15, and based on the determination result transmitted from amplitude determination unit 16 in step S12, measured value ⁇ target value> 0. Determine if there is.
  • step S15 If it is determined in step S15 that measured value ⁇ target value> 0, the control unit 17 proceeds to step S16.
  • step S ⁇ b> 16 the control unit 17 sets a correction value so that the drive current value input to the transmission circuit 4 becomes smaller, and transmits the correction value to the ultrasonic sensor 2.
  • the control unit 17 proceeds to step S17 and the drive input to the transmission circuit 4 is performed. Set the correction value to increase the current value.
  • step S16 and step S17 the control unit 17 selects one of the drive current values for the first search wave and the second search wave according to the determination result transmitted from the signal determination unit 15 in step S12. And set the correction value.
  • the set correction value is sent to the control unit 6 through the communication unit 18 and the communication unit 10, and the control unit 6 corrects the drive current value according to the correction value.
  • the control unit 17 proceeds from step S16 and step S17 to step S11. Then, the corrected drive current value is transmitted to the transmission circuit 4 by the parameter selection unit 12, and an AC voltage having an amplitude corresponding to the corrected drive current value is generated, so that the ultrasonic wave whose sound pressure is corrected is It is transmitted from the microphone 3.
  • the drive current value of the transmission circuit 4 is stored in the parameter storage unit 11 in step S14.
  • the process shown in FIG. 6 is performed for each of the first and second search waves, and the parameter storage unit 11 stores sound pressure adjustment parameters for each of the first and second search waves. Then, the parameter selection unit 12 selects a parameter corresponding to the search wave from the parameters stored in the parameter storage unit 11 and transmits it to the transmission circuit 4 to transmit the sound pressure of each of the first and second search waves. Be included in the target range.
  • the first search wave and the second search wave can be obtained.
  • the difference in detectable distance can be reduced. Therefore, it is possible to reduce the difference in detection performance when the first search wave is transmitted and when the second search wave is transmitted.
  • Second Embodiment The second embodiment will be described.
  • the present embodiment is the same as the first embodiment except that the parameters for sound pressure adjustment are changed from the first embodiment, and the other parts are the same as the first embodiment, so only the parts different from the first embodiment will be described.
  • the parameter selection unit 12 is connected to the pulse generation unit 5, and a frequency value is instructed to the pulse generation unit 5.
  • the pulse generation unit 5 changes the sweep range of the frequency of the pulse signal to be generated according to the instructed frequency value.
  • the above-mentioned frequency value is corrected by the adjusting device 13 as in the first embodiment, and becomes a value corresponding to the individual difference of the characteristics of the microphone 3.
  • the sound pressure of the upstream chirp signal is assumed if the sweep range of the frequency of the chirp signal is a range corresponding to the microphone 3 of the characteristic The amplitude decreases. If it is determined in step S15 that measured value-target value> 0 is not satisfied, the sweep range of the frequency is shifted to the high frequency side in step S17.
  • the sweep range of the frequency of the chirp signal is a range corresponding to the microphone 3 of the characteristic shown by the solid line
  • the pressure amplitude decreases. If it is determined in step S15 that the measurement value-target value> 0 is not satisfied, the sweep range of the frequency is shifted to the low frequency side in step S17.
  • the frequency of the pulse signal as a parameter for adjusting the sound pressure of the search wave and changing the sweep range of the frequency, the sound pressure amplitude of the transmission wave is increased to be included in the transmission target range.
  • a pulse signal is generated at a constant frequency, and after ultrasonic waves having a constant frequency are transmitted, frequency sweep of the pulse signal is started.
  • FIG. 8 illustrates the case where the first search wave is transmitted after the search wave of a constant frequency, even when the second search wave is transmitted, the search of the constant frequency is performed before the second search wave. A wave is sent. Then, the parameter selection unit 12 instructs the pulse generation unit 5 the number of pulse signals of a constant frequency.
  • the sound pressure of the search wave at the start of the sweep increases and it becomes easy to catch the frequency change of the reception wave.
  • the sound pressure of the transmission wave is included in the transmission target range by reducing the number of pulse signals of a constant frequency in step S16 and increasing the number of pulse signals of a constant frequency in step S17.
  • the number of pulse signals input to the transmission circuit 4 can be used as a parameter for adjusting the sound pressure of the search wave in order to transmit the search wave of a constant frequency.
  • the present embodiment is different from the first embodiment in that the configuration for correcting the output signal of the receiving circuit 7 is added to the first embodiment, and the other parts are the same as the first embodiment. Only the part will be described.
  • the sound pressure of each of the first and second search waves is corrected.
  • the reception sensitivity of the ultrasonic wave is further corrected for each chirp signal included in the reception wave.
  • the ultrasonic sensor 2 of the present embodiment includes a parameter correction unit 20, and the output signal of the signal determination unit 8 is input to the distance determination unit 9 via the parameter correction unit 20.
  • the parameter correction unit 20 corrects the output signal of the reception circuit 7 input via the signal determination unit 8 so as to be included in a predetermined range, and corresponds to a reception sensitivity adjustment unit. This predetermined range is taken as a reception target range.
  • the parameter correction unit 20 outputs the output signal of the receiving circuit 7 when the microphone 3 receives the reflected wave of the first search wave, and the output signal of the receiving circuit 7 when the microphone 3 receives the reflected wave of the second search wave. Each is corrected to be included in the reception target range.
  • sensitivity coefficients are stored in the parameter storage unit 11 as parameters for correcting the output signal of the receiving circuit 7 for each of the first and second search waves, and the parameter selection unit 12 The sensitivity coefficient is selected according to the wave and transmitted to the parameter correction unit 20.
  • the parameter storage unit 11 corresponds to a reception parameter storage unit.
  • the parameter correction unit 20 receives the reception circuit. A signal obtained by multiplying the detected amplitude by the sensitivity coefficient for the first search wave is output.
  • the parameter correction unit 20 receives the reception circuit. A signal obtained by multiplying the detected amplitude by the sensitivity coefficient for the second search wave is output.
  • the parameter correction unit 20 receives the output signal of the receiving circuit 7 when the microphone 3 receives the reflected wave of the first search wave and the reception when the microphone 3 receives the reflected wave of the second search wave. Each output signal of the circuit 7 is corrected to be included in the reception target range.
  • the distance determination unit 9 detects the distance to the object based on the output signal of the parameter correction unit 20.
  • the setting method of the sensitivity coefficient will be described with reference to FIG. 9 and FIG.
  • setting of the sensitivity coefficient is performed by connecting the adjustment device 13 to the ultrasonic sensor 2 and arranging the adjustment object 21 at a position at which the search wave transmitted from the microphone 3 is reflected.
  • the adjustment device 13 includes an amplitude determination unit 16, a control unit 17, and a communication unit 18.
  • the amplitude determination unit 16 determines based on the signal from the control unit 17 whether the amplitude of the received wave is included in a predetermined range.
  • the control unit 17 determines the correction value of the sensitivity coefficient for each chirp signal based on the determination result of the amplitude determination unit 16 and transmits the correction value to the ultrasonic sensor 2 via the communication unit 18. Specifically, the control unit 17 corrects the sensitivity coefficient used by the parameter correction unit 20 for each chirp signal in steps S21 to S27 shown in FIG.
  • step S21 the control unit 17 sends a transmission instruction to the control unit 6 of the ultrasonic sensor 2 via the communication unit 18 and the communication unit 10. Then, a transmission instruction is issued from the control unit 6 to the pulse generation unit 5, and the pulse generation unit 5 generates a pulse signal of a pattern designated by the control unit 6. Then, the first search wave or the second search wave is transmitted from the microphone 3, and the microphone 3 receives the reflected wave from the adjustment object 21 of the search wave.
  • the control unit 17 proceeds from step S21 to step S22, and determines whether or not the difference between the measured value of the sound pressure of the received wave and the target value is 0 by steps S22 and S23.
  • the target value is set according to the desired sound pressure of the ultrasonic wave received by the microphone 3. Further, as in the first embodiment, the target value is a value having a range.
  • step S22 the control unit 17 measures the amplitude of the received wave detected by the parameter correction unit 20. Specifically, when the microphone 3 receives a reflected wave, a voltage is input from the microphone 3 to the receiving circuit 7, and the receiving circuit 7 performs A / D conversion on the input voltage and performs quadrature demodulation to obtain the frequency of the received wave. And detect the amplitude.
  • the parameter correction unit 20 outputs the amplitude detected by the reception circuit 7 multiplied by the sensitivity coefficient, and the output signal of the parameter correction unit 20 is transmitted to the control unit 17 via the control unit 6, the communication unit 10 and the communication unit 18. Sent to Then, the control unit 17 calculates the sound pressure of the ultrasonic wave received by the microphone 3 based on the amplitude information sent from the parameter correction unit 20, and transmits the sound pressure to the amplitude determination unit 16.
  • control unit 17 acquires information on the chirp signal of the received wave. Specifically, the receiving circuit 7 transmits the frequency information detected by the quadrature demodulation to the signal determining unit 8, and the signal determining unit 8 determines the chirp signal of the received wave based on the frequency information transmitted from the receiving circuit 7. judge. The determination result of the signal determination unit 8 is transmitted to the control unit 17 via the parameter correction unit 20, the control unit 6, the communication unit 10, and the communication unit 18.
  • the amplitude determination unit 16 determines whether the measured value of the sound pressure of the received wave is equal to the target value, greater than the target value, or smaller than the target value, and transmits the determination result to the control unit 17.
  • step S23 the control unit 17 determines whether the difference between the measurement value of the sound pressure of the received wave and the target value is 0 based on the determination result transmitted from the amplitude determination unit 16.
  • step S25 If it is determined in step S25 that measured value ⁇ target value> 0, the control unit 17 proceeds to step S26.
  • step S26 the control unit 17 sets a correction value so that the sensitivity coefficient input to the parameter correction unit 20 becomes smaller, and transmits the correction value to the ultrasonic sensor 2.
  • the control unit 17 proceeds to step S27 and the sensitivity coefficient input to the parameter correction unit 20 is Set the correction value to be larger.
  • control unit 17 selects one of the sensitivity coefficients for the first search wave and the second search wave according to the determination result of the signal determination unit 8 in step S22, Set the correction value.
  • the set correction value is sent to the control unit 6 through the communication unit 18 and the communication unit 10, and the control unit 6 corrects the sensitivity coefficient according to the correction value.
  • the control unit 17 proceeds from step S26 and step S27 to step S21. Then, the corrected sensitivity coefficient is transmitted to the parameter correction unit 20 through the parameter selection unit 12, the amplitude of the received wave detected by the reception circuit 7 is multiplied by the corrected sensitivity coefficient, and transmitted to the control unit 17. Ru.
  • the measured value-target value approaches 0, and the magnitude of the signal transmitted from the reception circuit 7 to the distance determination unit 9 via the signal determination unit 8 and the parameter correction unit 20. Will be included in the reception target range. Then, the sensitivity coefficient at that time is stored in the parameter storage unit 11 in step S24.
  • the process shown in FIG. 10 is performed for each of the first and second search waves, and the parameter storage unit 11 stores sensitivity coefficients for each of the first and second search waves. Then, when detecting an object, the parameter selection unit 12 selects a sensitivity coefficient corresponding to the search wave from the sensitivity coefficients stored in the parameter storage unit 11 and transmits the selected sensitivity coefficient to the parameter correction unit 20. As a result, for each of the first and second search waves, the amplitude used by the distance determination unit 9 for determination is included in the reception target range.
  • the sensitivity coefficient for the first search wave and the sensitivity coefficient for the second search wave are adjusted, respectively, so that the amplitude of the reception wave used for determination by the distance determination unit 9 is included in the predetermined range.
  • the difference in detectable distance between the first search wave and the second search wave can be reduced. Thereby, the difference in detection performance can be further reduced.
  • the ultrasonic sensor 2 has a detection performance. It can be equal to every two.
  • this length of time may be used as a correction parameter. That is, the parameter correction unit 20 instructs the reception circuit 7 to specify the length of time for detecting the reception wave, and when the detected amplitude is small, the time is increased in step S27 to obtain the reception circuit. 7 may increase the number of samples of the signal used for frequency and amplitude detection. Also, when the detected amplitude is large, this time may be shortened.
  • the sensitivity coefficient may be adjusted by arranging a reference microphone 22 as the adjustment transmission unit. That is, an ultrasonic wave including a chirp signal is transmitted from the reference microphone 22 toward the microphone 3, and the sensitivity coefficient is set such that the output signal of the parameter correction unit 20 when the ultrasonic wave is received by the microphone 3 is included in the reception target range. May be corrected.
  • the reference microphone 22 transmits, to the microphone 3, an ultrasonic wave whose frequency is changed similarly to the first search wave, and the output signal of the parameter correction unit 20 when the microphone 3 receives this ultrasonic wave is a reception target. Change the sensitivity factor to be included in the range.
  • the reference microphone 22 transmits, to the microphone 3, an ultrasonic wave whose frequency is changed similarly to the second search wave, and the output signal of the parameter correction unit 20 when the microphone 3 receives this ultrasonic wave is the reception target range Change the sensitivity factor to be included in.
  • the present embodiment is the same as the fourth embodiment except that the configuration for detecting the temperature is added to the fourth embodiment, and therefore, only the parts different from the fourth embodiment will be described. .
  • the ultrasonic sensor 2 of the present embodiment includes a temperature detection unit 23 that detects the temperature of the environment. Then, the parameter storage unit 11 corrects the stored parameter according to the temperature detected by the temperature detection unit 23 and transmits the corrected parameter to the parameter selection unit 12.
  • the parameter storage unit 11 increases the sensitivity coefficient with the rise of temperature and the temperature is lowered. And decrease the sensitivity factor.
  • the difference in detection performance can be further reduced.
  • the object detection apparatus includes a plurality of ultrasonic sensors 2.
  • the parameter selection unit 12 adjusts the sound pressure of each of the first and second search waves, and each search The sound pressure of the wave or the sound pressure of the reflected wave may be included in the transmission target range.
  • the adjustment device 13 of the fourth embodiment may be connected to the ultrasonic sensor 2 and the adjustment object 21 may be arranged to adjust the sound pressure of the search wave. That is, the search wave from the microphone 3 is reflected by the adjustment object 21, the sound pressure amplitude of the reflected wave is detected, and the amplitude determination unit 16 determines that the peak value of the sound pressure amplitude is included in the transmission target range As described above, the parameters stored in the parameter storage unit 11 may be adjusted. In this case, the parameters are adjusted so that both the sound pressure of the reflected wave of the first search wave and the sound pressure of the reflected wave of the second search wave are included in the transmission target range.

Landscapes

  • Engineering & Computer Science (AREA)
  • Radar, Positioning & Navigation (AREA)
  • Remote Sensing (AREA)
  • Physics & Mathematics (AREA)
  • Computer Networks & Wireless Communication (AREA)
  • General Physics & Mathematics (AREA)
  • Acoustics & Sound (AREA)
  • Measurement Of Velocity Or Position Using Acoustic Or Ultrasonic Waves (AREA)
PCT/JP2018/034056 2017-09-28 2018-09-13 物体検知装置 Ceased WO2019065282A1 (ja)

Priority Applications (3)

Application Number Priority Date Filing Date Title
CN201880063142.9A CN111183368B (zh) 2017-09-28 2018-09-13 物体检测装置
DE112018004296.0T DE112018004296B4 (de) 2017-09-28 2018-09-13 Objekterfassungsvorrichtung
US16/829,473 US11555922B2 (en) 2017-09-28 2020-03-25 Object detection device

Applications Claiming Priority (2)

Application Number Priority Date Filing Date Title
JP2017188411A JP6888506B2 (ja) 2017-09-28 2017-09-28 物体検知装置
JP2017-188411 2017-09-28

Related Child Applications (1)

Application Number Title Priority Date Filing Date
US16/829,473 Continuation US11555922B2 (en) 2017-09-28 2020-03-25 Object detection device

Publications (1)

Publication Number Publication Date
WO2019065282A1 true WO2019065282A1 (ja) 2019-04-04

Family

ID=65902106

Family Applications (1)

Application Number Title Priority Date Filing Date
PCT/JP2018/034056 Ceased WO2019065282A1 (ja) 2017-09-28 2018-09-13 物体検知装置

Country Status (5)

Country Link
US (1) US11555922B2 (enExample)
JP (1) JP6888506B2 (enExample)
CN (1) CN111183368B (enExample)
DE (1) DE112018004296B4 (enExample)
WO (1) WO2019065282A1 (enExample)

Cited By (3)

* Cited by examiner, † Cited by third party
Publication number Priority date Publication date Assignee Title
WO2021124752A1 (ja) * 2019-12-20 2021-06-24 株式会社デンソー 物体検知装置、物体検知方法、および物体検知プログラム
EP4116734A1 (en) 2021-07-07 2023-01-11 Aisin Corporation Object detection system and object detection device
US11555922B2 (en) * 2017-09-28 2023-01-17 Denso Corporation Object detection device

Families Citing this family (6)

* Cited by examiner, † Cited by third party
Publication number Priority date Publication date Assignee Title
DE102018124024A1 (de) * 2018-09-28 2020-04-02 Valeo Schalter Und Sensoren Gmbh Verfahren zum Betreiben eines Ultraschallsensors eines Fahrzeugs mit reduzierter Diagnose in einem Messbetrieb des Ultraschallsensors sowie Ultraschallsensorvorrichtung
US11885874B2 (en) * 2018-12-19 2024-01-30 Semiconductor Components Industries, Llc Acoustic distance measuring circuit and method for low frequency modulated (LFM) chirp signals
JP7272260B2 (ja) * 2019-12-20 2023-05-12 株式会社Soken 物体検知装置、物体検知方法、および物体検知プログラム
US12181615B2 (en) 2020-09-03 2024-12-31 The Regents Of The University Of California Temporally and spectrally adaptive sonar for autonomous vehicle navigation
CN116783508A (zh) 2021-03-03 2023-09-19 株式会社村田制作所 物体探测系统
CN114578365A (zh) * 2022-03-04 2022-06-03 苏州优达斯汽车科技有限公司 一种超声波检测系统和方法

Citations (6)

* Cited by examiner, † Cited by third party
Publication number Priority date Publication date Assignee Title
JPS61220593A (ja) * 1985-03-27 1986-09-30 Hitachi Ltd 水中送波器
JPS6227685A (ja) * 1985-07-29 1987-02-05 Nec Corp 水中航走体用音響ホ−ミング装置
JP2519256B2 (ja) * 1986-07-30 1996-07-31 株式会社トキメック 接岸速度計を用いたフェンダ変位計測方法および装置
JP2841402B2 (ja) * 1988-12-23 1998-12-24 オムロン株式会社 超音波センサ
US20070121097A1 (en) * 2005-11-29 2007-05-31 Navisense, Llc Method and system for range measurement
JP2011232055A (ja) * 2010-04-23 2011-11-17 Panasonic Electric Works Co Ltd 移動体周辺監視システム

Family Cites Families (4)

* Cited by examiner, † Cited by third party
Publication number Priority date Publication date Assignee Title
DE10106142A1 (de) 2001-02-10 2002-08-14 Valeo Schalter & Sensoren Gmbh Verfahren zum Betrieb eines Ultraschall-Multisensor-Arrays
DE102016101358B4 (de) 2016-01-26 2023-11-23 Valeo Schalter Und Sensoren Gmbh Verfahren zum Erfassen eines Objekts in einem Umgebungsbereich eines Kraftfahrzeugs durch Betreiben eines Ultraschallsensors mit unterschiedlichen Frequenzen, Fahrerassistenzsystem sowie Kraftfahrzeug
JP6870444B2 (ja) 2017-04-10 2021-05-12 株式会社Soken 物体検知装置
JP6888506B2 (ja) * 2017-09-28 2021-06-16 株式会社Soken 物体検知装置

Patent Citations (6)

* Cited by examiner, † Cited by third party
Publication number Priority date Publication date Assignee Title
JPS61220593A (ja) * 1985-03-27 1986-09-30 Hitachi Ltd 水中送波器
JPS6227685A (ja) * 1985-07-29 1987-02-05 Nec Corp 水中航走体用音響ホ−ミング装置
JP2519256B2 (ja) * 1986-07-30 1996-07-31 株式会社トキメック 接岸速度計を用いたフェンダ変位計測方法および装置
JP2841402B2 (ja) * 1988-12-23 1998-12-24 オムロン株式会社 超音波センサ
US20070121097A1 (en) * 2005-11-29 2007-05-31 Navisense, Llc Method and system for range measurement
JP2011232055A (ja) * 2010-04-23 2011-11-17 Panasonic Electric Works Co Ltd 移動体周辺監視システム

Cited By (5)

* Cited by examiner, † Cited by third party
Publication number Priority date Publication date Assignee Title
US11555922B2 (en) * 2017-09-28 2023-01-17 Denso Corporation Object detection device
WO2021124752A1 (ja) * 2019-12-20 2021-06-24 株式会社デンソー 物体検知装置、物体検知方法、および物体検知プログラム
JP2021099239A (ja) * 2019-12-20 2021-07-01 株式会社Soken 物体検知装置、物体検知方法、および物体検知プログラム
JP7259729B2 (ja) 2019-12-20 2023-04-18 株式会社Soken 物体検知装置、物体検知方法、および物体検知プログラム
EP4116734A1 (en) 2021-07-07 2023-01-11 Aisin Corporation Object detection system and object detection device

Also Published As

Publication number Publication date
CN111183368A (zh) 2020-05-19
JP2019066192A (ja) 2019-04-25
CN111183368B (zh) 2023-08-25
US11555922B2 (en) 2023-01-17
DE112018004296B4 (de) 2023-04-27
US20200225346A1 (en) 2020-07-16
DE112018004296T5 (de) 2020-05-14
JP6888506B2 (ja) 2021-06-16

Similar Documents

Publication Publication Date Title
WO2019065282A1 (ja) 物体検知装置
US10234549B2 (en) Circuit for acoustic distance time of flight compensation
CN110494764B (zh) 物体检知装置
US10976423B2 (en) Low frequency modulated chirp minimum distance measurement
WO2017090546A1 (ja) 物体検出装置及び物体検出方法
CN111373251B (zh) 用于处理由声学传感器接收的回波信号的方法和设备
JP2019066192A5 (enExample)
JP7009896B2 (ja) 物体検知装置
CN110612457B (zh) 用于超声发送接收装置的运行方法和超声发送接收装置
CN112154349B (zh) 物体检测装置
US12481059B2 (en) Ultrasonic sensor system for a motor vehicle and method for operating the ultrasonic sensor system
CN112805589B (zh) 物体检测装置
KR20150076870A (ko) 초음파 센서의 출력보상장치
US11977151B2 (en) Object detecting device, object detecting method, and object detecting program
JP7354951B2 (ja) 物体検知装置
US11977153B2 (en) Object detection device, object detection method, and object detection program
KR102187825B1 (ko) 초음파 신호 최적화 장치 및 방법
US20210311185A1 (en) Method and apparatus for detecting object
KR20190048137A (ko) 초음파 처리 장치 및 방법
JPH07311266A (ja) 対地速度検出装置

Legal Events

Date Code Title Description
121 Ep: the epo has been informed by wipo that ep was designated in this application

Ref document number: 18862213

Country of ref document: EP

Kind code of ref document: A1

122 Ep: pct application non-entry in european phase

Ref document number: 18862213

Country of ref document: EP

Kind code of ref document: A1