WO2019035448A1 - 情報処理装置 - Google Patents

情報処理装置 Download PDF

Info

Publication number
WO2019035448A1
WO2019035448A1 PCT/JP2018/030224 JP2018030224W WO2019035448A1 WO 2019035448 A1 WO2019035448 A1 WO 2019035448A1 JP 2018030224 W JP2018030224 W JP 2018030224W WO 2019035448 A1 WO2019035448 A1 WO 2019035448A1
Authority
WO
WIPO (PCT)
Prior art keywords
unit
functional module
program
information
basic core
Prior art date
Legal status (The legal status is an assumption and is not a legal conclusion. Google has not performed a legal analysis and makes no representation as to the accuracy of the status listed.)
Ceased
Application number
PCT/JP2018/030224
Other languages
English (en)
French (fr)
Japanese (ja)
Inventor
新居 英明
翔三郎 嶋田
和俊 柏本
シッダールタ ビジャイ ピライ
伸太郎 板本
Current Assignee (The listed assignees may be inaccurate. Google has not performed a legal analysis and makes no representation or warranty as to the accuracy of the list.)
Vivita Japan Inc
Original Assignee
Vivita Japan Inc
Priority date (The priority date is an assumption and is not a legal conclusion. Google has not performed a legal analysis and makes no representation as to the accuracy of the date listed.)
Filing date
Publication date
Application filed by Vivita Japan Inc filed Critical Vivita Japan Inc
Priority to CN201880053040.9A priority Critical patent/CN111032174B/zh
Priority to KR1020207007369A priority patent/KR102447077B1/ko
Priority to SG11202001951QA priority patent/SG11202001951QA/en
Priority to EP18846379.8A priority patent/EP3669957B1/en
Priority to US16/638,617 priority patent/US11463128B2/en
Publication of WO2019035448A1 publication Critical patent/WO2019035448A1/ja
Anticipated expiration legal-status Critical
Ceased legal-status Critical Current

Links

Images

Classifications

    • HELECTRICITY
    • H04ELECTRIC COMMUNICATION TECHNIQUE
    • H04BTRANSMISSION
    • H04B3/00Line transmission systems
    • H04B3/54Systems for transmission via power distribution lines
    • H04B3/548Systems for transmission via power distribution lines the power on the line being DC
    • AHUMAN NECESSITIES
    • A63SPORTS; GAMES; AMUSEMENTS
    • A63HTOYS, e.g. TOPS, DOLLS, HOOPS OR BUILDING BLOCKS
    • A63H30/00Remote-control arrangements specially adapted for toys, e.g. for toy vehicles
    • A63H30/02Electrical arrangements
    • AHUMAN NECESSITIES
    • A63SPORTS; GAMES; AMUSEMENTS
    • A63HTOYS, e.g. TOPS, DOLLS, HOOPS OR BUILDING BLOCKS
    • A63H30/00Remote-control arrangements specially adapted for toys, e.g. for toy vehicles
    • A63H30/02Electrical arrangements
    • A63H30/04Electrical arrangements using wireless transmission
    • AHUMAN NECESSITIES
    • A63SPORTS; GAMES; AMUSEMENTS
    • A63HTOYS, e.g. TOPS, DOLLS, HOOPS OR BUILDING BLOCKS
    • A63H33/00Other toys
    • A63H33/04Building blocks, strips, or similar building parts
    • A63H33/042Mechanical, electrical, optical, pneumatic or hydraulic arrangements; Motors
    • AHUMAN NECESSITIES
    • A63SPORTS; GAMES; AMUSEMENTS
    • A63HTOYS, e.g. TOPS, DOLLS, HOOPS OR BUILDING BLOCKS
    • A63H33/00Other toys
    • A63H33/04Building blocks, strips, or similar building parts
    • A63H33/06Building blocks, strips, or similar building parts to be assembled without the use of additional elements
    • A63H33/08Building blocks, strips, or similar building parts to be assembled without the use of additional elements provided with complementary holes, grooves, or protuberances, e.g. dovetails
    • GPHYSICS
    • G06COMPUTING OR CALCULATING; COUNTING
    • G06FELECTRIC DIGITAL DATA PROCESSING
    • G06F8/00Arrangements for software engineering
    • G06F8/30Creation or generation of source code
    • G06F8/34Graphical or visual programming
    • GPHYSICS
    • G09EDUCATION; CRYPTOGRAPHY; DISPLAY; ADVERTISING; SEALS
    • G09BEDUCATIONAL OR DEMONSTRATION APPLIANCES; APPLIANCES FOR TEACHING, OR COMMUNICATING WITH, THE BLIND, DEAF OR MUTE; MODELS; PLANETARIA; GLOBES; MAPS; DIAGRAMS
    • G09B19/00Teaching not covered by other main groups of this subclass
    • HELECTRICITY
    • H04ELECTRIC COMMUNICATION TECHNIQUE
    • H04NPICTORIAL COMMUNICATION, e.g. TELEVISION
    • H04N1/00Scanning, transmission or reproduction of documents or the like, e.g. facsimile transmission; Details thereof
    • H04N1/00127Connection or combination of a still picture apparatus with another apparatus, e.g. for storage, processing or transmission of still picture signals or of information associated with a still picture
    • H04N1/00281Connection or combination of a still picture apparatus with another apparatus, e.g. for storage, processing or transmission of still picture signals or of information associated with a still picture with a telecommunication apparatus, e.g. a switched network of teleprinters for the distribution of text-based information, a selective call terminal
    • H04N1/00307Connection or combination of a still picture apparatus with another apparatus, e.g. for storage, processing or transmission of still picture signals or of information associated with a still picture with a telecommunication apparatus, e.g. a switched network of teleprinters for the distribution of text-based information, a selective call terminal with a mobile telephone apparatus
    • HELECTRICITY
    • H04ELECTRIC COMMUNICATION TECHNIQUE
    • H04QSELECTING
    • H04Q9/00Arrangements in telecontrol or telemetry systems for selectively calling a substation from a main station, in which substation desired apparatus is selected for applying a control signal thereto or for obtaining measured values therefrom
    • H04Q9/02Automatically-operated arrangements
    • HELECTRICITY
    • H04ELECTRIC COMMUNICATION TECHNIQUE
    • H04WWIRELESS COMMUNICATION NETWORKS
    • H04W4/00Services specially adapted for wireless communication networks; Facilities therefor
    • H04W4/80Services using short range communication, e.g. near-field communication [NFC], radio-frequency identification [RFID] or low energy communication
    • AHUMAN NECESSITIES
    • A63SPORTS; GAMES; AMUSEMENTS
    • A63HTOYS, e.g. TOPS, DOLLS, HOOPS OR BUILDING BLOCKS
    • A63H2200/00Computerized interactive toys, e.g. dolls
    • HELECTRICITY
    • H04ELECTRIC COMMUNICATION TECHNIQUE
    • H04BTRANSMISSION
    • H04B2203/00Indexing scheme relating to line transmission systems
    • H04B2203/54Aspects of powerline communications not already covered by H04B3/54 and its subgroups
    • H04B2203/5462Systems for power line communications
    • H04B2203/547Systems for power line communications via DC power distribution

Definitions

  • the present invention relates to an information processing apparatus.
  • each assembly block is controlled solely by the existing program, and there is a limit to the freedom of operation and control of the assembly type toy. That is, for example, with the technology of Patent Document 1 described above alone, it has not been possible to execute processing such as creating a program by combining the respective functions of the respective assembly blocks. In other words, with the technology of Patent Document 1 described above, it is necessary to separately create a complicated program in order to execute high-level processing such as combining the respective functions of the building blocks.
  • power lines and communication lines are wired separately. In this method, the cable tends to be thick when combined into one cable due to the large number of wires, and the routing of the wires becomes worse.
  • the present invention has been made in view of such circumstances, and it is an object of the present invention to allow a user to easily create a complicated program by visual operation. Another object of the present invention is to implement a large number of functions with a small number of devices. Also, the present invention can implement many functions with a small number of devices. Further, according to the present invention, data communication can be stabilized with a simple configuration.
  • an information processing apparatus that performs information communication and power supply to one or more other information processing apparatuses that exhibit predetermined functions.
  • a control device that executes control for causing the other information processing apparatus to exhibit the predetermined function, and pairing execution means that performs pairing by near-field wireless communication of a predetermined method;
  • Transmission information generation means for generating transmission information including: Transmission control means for executing control to superimpose the transmission information on a signal for supplying power to the one or more other information processing devices in a current system, and to transmit the information to the one or more other information processing devices , Equipped with
  • the information processing method and program according to an aspect of the present invention are also provided as an information processing method and program corresponding to the information processing apparatus according to an aspect of the present invention.
  • the present invention it is possible to provide a technique that allows a user to create a complicated program more easily by visual operation. Furthermore, according to the present invention, a large number of functions can be implemented by a small number of devices. Further, according to the present invention, since power line communication is introduced, power supply and communication can be performed with only two lines. Further, according to the present invention, since current communication is introduced, it is possible to build a simple circuit resistant to noise. That is, according to the present invention, data communication can be stabilized with a simple configuration.
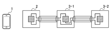
  • composition (daisy chain type) of an information processing system concerning one embodiment of the present invention It is a block diagram showing composition (star type) of an information processing system concerning one embodiment of the present invention. It is a block diagram showing composition (loop type) of an information processing system concerning one embodiment of the present invention. It is a block diagram which shows an example of the hardware constitutions of the user terminal which concerns on one Embodiment of this invention. It is a block diagram showing an example of the hardware constitutions of the basic core concerning one embodiment of the present invention. It is a block diagram showing an example of the hardware constitutions of the functional module concerning one embodiment of the present invention.
  • FIGS. 1A to 1C are block diagrams showing the configuration of an information processing system according to an embodiment of the present invention.
  • the information processing system shown in FIGS. 1A to 1C includes a user terminal 1 used by a user, a basic core 2, and a large number of functional modules 3-1 to 3-n (n is an arbitrary integer value of 1 or more). including.
  • n is an arbitrary integer value of 1 or more.
  • the present invention is not particularly limited thereto. Any number may be used.
  • the number n of the functional modules 3-1 to 3-n connected to the basic core 2 is not particularly limited.
  • N may be 2 as in the example of FIG. 1A
  • n may be 3 as in the examples of FIG. 1B or 1C
  • n may be another integer value.
  • the user terminal 1 communicates with the basic core 2 using various methods, for example, various methods such as NFC (Near Field Communication), Bluetooth (R), and the like.
  • various methods such as NFC (Near Field Communication), Bluetooth (R), and the like.
  • NFC Near Field Communication
  • R Bluetooth
  • FIG. 1A to FIG. 1C three examples of daisy chain type, star type and loop type are illustrated as an example of the connection mode of the basic core 2 and the functional module 3.
  • the basic core 2 is one end, one functional module 3-1 is connected to the one end, and the functional module 3-2 is further connected to the functional module 3-1,
  • another functional module 3 (not shown) is connected to the functional module 3-2, which is a so-called connection type connection mode.
  • the star type shown in FIG. 1B is a connection mode in which the basic core 2 and two or more functional modules 3 (three functional modules 3-1 to 3-3 in the example of FIG. 1B) are connected in a star type.
  • the loop type shown in FIG. 1C the basic core 2 and one or more functional modules 3 are looped in a predetermined order (in the example of FIG. 1C, the order of the basic core 2 and the functional modules 3-1 to 3-3).
  • connection aspect which is connected and comprises a closed loop.
  • the wiring In the daisy chain type and star type, although the wiring apparently does not constitute a closed loop, the wiring is folded back in the basic core 2 or the functional module 3 located at the end, so the configuration is electrically closed loop wiring I am taking
  • the connection mode is basically the above connection mode, but any connection mode can be adopted by combining the above connection modes, etc., as long as an electrically closed loop wiring configuration is adopted.
  • the basic core 2 is a hardware device used by being connected to one or more functional modules 3 and is paired with the user terminal 1 by near field communication (for example, communication conforming to the NFC (registered trademark) standard) Do the ring.
  • near field communication for example, communication conforming to the NFC (registered trademark) standard
  • the user terminal 1 is connected to the basic core 2-K and the basic core 2-K by performing pairing with a predetermined basic core 2-K (K is an arbitrary integer value of 1 to m). It recognizes L (L is an arbitrary integer value) functional modules 3-K1 to 3-KL. That is, a target connected to the basic core 2-K may be a series connection of L functional modules 3. The user terminal 1 can recognize these L individual functional modules 3 individually.
  • the functional module 3 is, for example, a hardware device configured by various sensors such as a temperature sensor, operation devices such as a push button, and driving devices such as a motor.
  • pairing means making the user terminal 1 recognize the type and connection state of the basic core 2-K and the functional module 3 connected to it using near field communication.
  • the H parts corresponding to the connected functional module 3 are displayed on the program preparation screen.
  • FIG. 2 is a block diagram showing an example of a hardware configuration of a user terminal according to an embodiment of the present invention.
  • the user terminal 1 is configured of a tablet terminal or the like.
  • the user terminal 1 displays a central processing unit (CPU) 21, a read only memory (ROM) 22, a random access memory (RAM) 23, a bus 24, an input / output interface 25, a touch operation input unit 26, and a display. And an input unit 28, a storage unit 29, a first near-field wireless communication unit 30, a second near-field wireless communication unit 31, a communication unit 32, a drive 33, and a removable medium 34 There is.
  • the CPU 21 executes various processes in accordance with a program stored in the ROM 22 or a program loaded from the storage unit 29 into the RAM 23.
  • the RAM 23 appropriately stores information necessary for the CPU 21 to execute various processes.
  • the CPU 21, the ROM 22 and the RAM 23 are mutually connected via a bus 24.
  • the input / output interface 25 is also connected to the bus 24.
  • the input / output interface 25 includes a touch operation input unit 26, a display unit 27, an input unit 28, a storage unit 29, a first short distance wireless communication unit 30, a second short distance wireless communication unit 31, a communication unit 32, and a drive 33. It is connected.
  • the touch operation input unit 26 is formed of, for example, a capacitive or resistive (pressure-sensitive) position input sensor stacked on the display unit 27, and detects the coordinates of the position at which the touch operation is performed.
  • the display unit 27 is configured of a display such as liquid crystal, and displays various images such as an image related to program preparation.
  • the touch operation input unit 26 and the display unit 27 constitute a touch panel.
  • the input unit 28 is configured by various hardware such as a button, and inputs various information in accordance with a user's instruction operation.
  • the storage unit 29 is configured by a hard disk, a dynamic random access memory (DRAM), or the like, and stores various information.
  • DRAM dynamic random access memory
  • the first short distance wireless communication unit 30 executes control to perform short distance wireless communication, for example, according to the NFC (registered trademark) standard. Specifically, for example, as described above, the user terminal 1 and the basic core 2 perform short distance wireless communication in a method according to the NFC (registered trademark) standard to perform pairing.
  • NFC registered trademark
  • the second short distance wireless communication unit 31 executes control to perform short distance wireless communication, for example, according to the Bluetooth (registered trademark) standard. Specifically, for example, the execution result (including the command and the like) of the program created in the user terminal 1 is transmitted by near field communication of a method according to the standard of Bluetooth (registered trademark).
  • the communication unit 32 independently controls the communication performed with another device via the Internet or the like separately from the first near-field wireless communication unit 30 and the second near-field wireless communication unit 31.
  • the drive 33 is provided as needed.
  • a removable medium 34 composed of a magnetic disk, an optical disk, a magneto-optical disk, a semiconductor memory or the like is appropriately attached to the drive 33.
  • the program read from the removable media 34 by the drive 33 is installed in the storage unit 29 as needed.
  • the removable media 34 can also store various information stored in the storage unit 29 in the same manner as the storage unit 29.
  • FIG. 3 is a block diagram showing an example of a hardware configuration of a basic core according to an embodiment of the present invention.
  • the basic core 2 is configured by a predetermined hardware device or the like.
  • the basic core 2 includes a CPU 41, a ROM 42, a RAM 43, a bus 44, a first short distance wireless communication unit 45, a second short distance wireless communication unit 46, a connection unit 47, and a power supply unit 48.
  • the CPU 41, the ROM 42, the RAM 43, the bus 44, the first short distance wireless communication unit 45, and the second short distance wireless communication unit 46 are basically the same as the configuration of the user terminal 1. , Here, their explanation is omitted.
  • connection unit 47 performs connection with another hardware device (for example, the functional module 3 of FIGS. 1A to 1C).
  • the connection unit 47 also includes an inter-module transmission unit 51 and a signal superposition unit 52.
  • the inter-module transmission unit 51 executes control to perform data communication on the power line by, for example, a method using a 4-20 mA direct current signal or the like, and performs other hardware devices (for example, the functions of FIGS. 1A to 1C).
  • the module 3) transmits various information (hereinafter appropriately referred to as “transmission information”) while supplying power by current. That is, the signal superimposing unit 52 separably superimposes predetermined information supplied to another hardware device (for example, the functional module 3 of FIGS. 1A to 1C) on the current supplied from the power supply unit 48 described later. .
  • the current signal on which the transmission information is superimposed is transmitted from the inter-module transmission unit 51 to the functional module 3.
  • the power supply unit 48 is a DC stabilized power supply, supplies power to the basic core 2, and appropriately supplies power to the functional module 3 via the inter-module transmission unit 51.
  • FIG. 4 is a block diagram showing an example of a hardware configuration of a functional module according to an embodiment of the present invention.
  • the functional module 3 is configured by a predetermined hardware device or the like.
  • the functional module 3 includes a CPU 61, a ROM 62, a RAM 63, a bus 64, a connection unit 67, a functional hardware 68, and a power extraction unit 69.
  • the CPU 61, the ROM 62, the RAM 63, and the bus 64 are basically the same as the configuration of the user terminal 1 or the basic core 2, and thus the description thereof is omitted here.
  • connection unit 67 performs connection with another hardware device (for example, the basic core 2 or the other functional module 3 in FIGS. 1A to 1C).
  • the connection unit 67 further includes an inter-module transmission unit 71 and a signal separation unit 72.
  • the inter-module transmission unit 71 executes control to perform data communication on the power line by, for example, a method using a 4-20 mA direct current signal or the like, and performs the first other hardware device (for example, basic core 2 or the like). Power from the current supplied from the first other functional module 3) is received and supplied to the power extraction unit 69, and to the second other hardware device (for example, the second other functional module 3) Transmit
  • the signal separation unit 72 transmits transmission information (for example, its own device) to the signal of the current supplied from the first other hardware device (for example, the basic core 2 or the first other functional module 3). When a command or the like to the functional hardware 68 is superimposed, the transmission information is separated and supplied to the functional hardware 68 or the like.
  • the functional hardware 68 is, for example, a temperature sensor or a buzzer, and hardware or the like for each functional module to exhibit a unique function, and based on information such as a command supplied from the signal separation unit 72 Bring out the function. That is, the program created by the user is reflected on the actual hardware by the functional hardware 68 appropriately performing its function.
  • the power extraction unit 69 supplies the functional module 3 with the power acquired through the inter-module transmission unit 71 or the power supplied from an external power supply (for example, the battery unit BU in FIG. 5).
  • the functional module 3 may also be provided with a first near-field wireless communication unit and a second near-field wireless communication unit.
  • FIG. 5 is a diagram showing an example of a configuration in a state in which a basic core and a functional module according to an embodiment of the present invention are connected.
  • FIG. 5 illustrates a basic core 2-E, a functional module 3-E1, a functional module 3-E2, and a battery unit PP.
  • the battery unit BU for example, the power supply unit 48 in FIG. 6
  • the serial ports SP1 and SP2 and the short distance wireless communication unit BT for example, the second short distance wireless communication unit 46 in FIG. 6) It is equipped.
  • the battery unit BU is, for example, a DC stabilized power supply, and supplies power to the basic core 2-E, the functional module 3-E1 and the functional module 3-E2 by current.
  • the serial ports SP1 and SP2 are connection ports (connection connectors) for connecting the basic core 2-E and other hardware or the like.
  • the basic core 2-E is provided with serial ports SP1 and SP2, and the functional module 3-E1 is provided with a serial port PS1.
  • the basic core 2-E and the functional module 3-E1 are connected via the two serial ports SP1 and PS1.
  • the functional module 3-E1 is provided with the serial port PS2, and the functional module 3-E2 is provided with the serial port PS3, and the functional module 3-E1 and the functional module 3-E2 are provided with the two serial ports PS2, Connected via PS3.
  • a plurality of modules may be connected in a loop via the functional module 3 located at the end connected in series from the serial port SP1 and the serial port.
  • the short distance wireless communication unit BT is mounted with an IC card or the like for performing short distance wireless communication in accordance with another hardware or the like and a predetermined standard (for example, Bluetooth (registered trademark)).
  • the user terminal 1 (not shown in FIG. 5) and the basic core 2-E provided with the short distance wireless communication unit BT are in the short distance according to the Bluetooth (registered trademark) system. Perform wireless communication. Specifically, for example, the execution result (command or the like) of the program created in the user terminal 1 is also transmitted to the basic core 2-E.
  • the Bluetooth registered trademark
  • basic core 2-E acquires the execution result (such as a command) of the program transmitted from user terminal 1, and further superimposes the result on the current signal (for power supply) as transmission information. Then, among the functional modules 3-E1 and 3-E2, the functional module 3 is transmitted to the target functional module 3 such as a command.
  • the functional module 3-E1 is provided with a tire T (for example, the functional hardware 68a of FIG. 4), and the functional module 3-E2 is provided with a buzzer (for example, the functional hardware 68b of FIG. 4).
  • the functional modules 3-E1 and 3-E2 acquire only the execution result (command etc.) of the program for the own machine among the transmission information transmitted from the basic core 2-E.
  • the functional module 3-E1 in the example of FIG. 5 drives the tire T in accordance with a command or the like for driving the tire among execution results (commands and the like) of the program produced by the user terminal 1.
  • the functional module 3-E2 causes the buzzer to sound according to a command or the like for making the buzzer sound out of the execution results (commands and the like) of the program produced by the user terminal 1.
  • the battery unit PP is connected to the functional module 3-E1.
  • the battery unit PP supplies power to the functional module 3-E1 as an external power supply, and further supplies power to the functional module 3-E2 and the like connected to the functional module 3-E1.
  • the battery unit PP is an essential component. Absent.
  • the program preparation process is a process for preparing a program for causing one or more of the functional modules 3 connected to the basic core 2 to function.
  • FIG. 6 is a functional block diagram showing a functional configuration example of the user terminal of FIG. 2, the basic core of FIG. 3 and the functional module of FIG.
  • the pairing unit 101, the program preparation unit 102, the program execution unit 103, the display control unit 104, and the communication control unit 105 function.
  • a program storage unit 500 for storing the program prepared by the program preparation unit 102 in one area of the storage unit 29 of the user terminal 1 and an S-parts DB in which various S parts are stored And 600) are provided.
  • the pairing unit 201, the terminal communication control unit 202, the functional module communication control unit 203, and the main control unit 204 function. Further, in the CPU 61a of the functional module 3a, the main control unit 242a and the function exerting unit 243a function.
  • the functional module 3 may further exist, but is not shown because it has the same configuration.
  • the pairing unit 101 of the user terminal 1 performs pairing between the user terminal 1 and the basic core 2 via the first short distance wireless communication unit 30.
  • this pairing is performed by near field communication based on NFC (registered trademark) in this embodiment, this is merely an example, and communication may be performed by any method.
  • the pairing unit 101 confirms the type and connection status of the basic core 2 paired with the user terminal 1 and the functional module 3 connected thereto.
  • the type of the functional module 3 confirmed by the pairing unit 101 and the connection status are displayed on the program preparation screen via the display control unit 104.
  • the program creation unit 102 receives a user's touch operation and actually creates a program.
  • Program preparation unit 102 displays H parts corresponding to the type of functional module 3 connected to basic core 2 that has been paired by pairing unit 101 on the program preparation screen via display control unit 104. .
  • the program creation unit 102 appropriately extracts the S parts from the S parts DB 600 and displays them on the program creation screen via the display control unit 104.
  • the program creation unit 102 combines various H parts and various S parts according to the touch operation of the user. In the program finally produced, the contents of the program designated for the various H parts and S parts thus combined are continuously executed.
  • Program preparation unit 102 determines the contents of the program prepared by the user, and stores the prepared program in program storage unit 500.
  • the program execution unit 103 extracts and executes a program which the user desires to execute out of the programs stored in the program storage unit 500.
  • the program execution unit 103 executes a program for the purpose of operating the basic core 2 and the functional module 3 by the program created by the user. That is, the program execution unit 103 transmits an execution result (such as a command) of the created program to the basic core 2 and the functional module 3 to cause the functional module 3 to exhibit the function.
  • an execution result such as a command
  • the execution result of the program is not only displayed on the display unit 27 via the display control unit 104, but also transmitted to the basic core 2 by the communication control unit 105 as described later.
  • the display control unit 104 executes control for displaying the above-described various information and the like on the display unit 27.
  • the communication control unit 105 performs control for transmitting the execution result of the program executed by the program execution unit 103 to the basic core 2 via the second short distance wireless communication unit 31.
  • the second short distance wireless communication unit 31 performs short distance wireless communication in accordance with the Bluetooth (registered trademark) standard.
  • the pairing unit 201 of the basic core 2 performs short-range wireless communication of a predetermined system via the first short-distance wireless communication unit 45 and the user terminal 1 that executes control for causing the functional module 3 to exhibit the predetermined function. Perform pairing.
  • the first short distance wireless communication unit 45 is independent of the system in the basic core 2. Therefore, connection information (for example, MAC address) of the second near-field wireless communication unit 46 is written in advance in the first near-field wireless communication unit 45, and the pairing unit 201 reads the MAC address and performs Bluetooth.
  • the pairing with the user terminal 1 is realized by (registered trademark).
  • the terminal communication control unit 202 executes, for example, control for acquiring the execution result of the program transmitted from the user terminal 1 via the second short distance wireless communication unit 46.
  • the functional module 3 that causes the program to exhibit a function needs to be connected to a predetermined basic core 2. That is, at least at the time of executing a program, the basic core 2 and the functional module 3 are connected by the connection unit 47 and the connection unit 67.
  • connection between the basic core 2 and the functional module 3 can be performed independently of the pairing between the basic core 2 and the user terminal 1. That is, although the connection between the basic core 2 and the functional module 3 may be made before pairing, the connection between the basic core 2 and the functional module 3 may be made after pairing.
  • the user terminal 1 recognizes what the functional module 3 is (what function is to be exhibited) by transmitting its own unique ID from the functional module 3 to the user terminal 1 Can. Also, the functional module 3 can be removed from the basic core 2 after pairing.
  • the basic core 2 notifies the user terminal 1 that the functional module 3 has been disconnected.
  • the user terminal 1 causes the display unit 27 (a user display screen of FIG. 8A to FIG. 8C described later, etc.) to display that the user terminal 1 has deviated. More precisely, in the present embodiment, when the predetermined functional module 3 is removed from the basic core 2, the user terminal 1 does not display an icon indicating the H part corresponding to the predetermined functional module 3 in the display unit 27. Set to display state.
  • the functional module communication control unit 203 of the basic core 2 executes control of communication with the functional module 3 connected via the connection unit 47.
  • the functional module communication control unit 203 transmits, to the functional module 3, an operation instruction or the like output by the main control unit 204 described later. That is, the functional module communication control unit 203 superimposes transmission information on a current signal for supplying power to one or more functional modules 3 in a current system, and performs control to transmit the information to the one or more functional modules 3.
  • the functional module communication control unit 203 is provided with a transmission information generation unit 211.
  • the transmission information generation unit 211 is predetermined information used by the functional module 3 to cause or exhibit a predetermined function based on the control of the user terminal 1, and information indicating a transmission destination among the one or more functional modules 3 and To generate transmission information including
  • the main control unit 204 performs main control of various processes executed by the basic core 2. For example, the main control unit 204 outputs, based on the execution result of the program acquired by the terminal communication control unit 202, an operation instruction or the like for exhibiting the function of the functional module 3.
  • the functional module 3a also has the same configuration, and therefore redundant description will be omitted unless otherwise specified.
  • the main control unit 242a of the functional module 3 performs main control of various processes executed by the functional module 3a. For example, the main control unit 242a acquires an operation instruction (such as a command) transmitted as transmission information from the basic core 2 via the connection unit 67a.
  • an operation instruction such as a command
  • the function exerting unit 243a executes control for causing the function hardware 68a to execute based on the operation instruction acquired by the main control unit 242a. That is, the function exerting unit 243a causes the function hardware 68a to be executed based on the operation instruction acquired by the main control unit 242a to exhibit the function of the function module 3a.
  • FIG. 6 only shows how the power extraction unit 69a supplies the power obtained through the inter-module transmission unit 71a to the functional module 3a, as described above, an external power supply (for example, It is also possible to supply the power supplied from the 5 battery units BU) to the functional module 3a.
  • an external power supply for example, It is also possible to supply the power supplied from the 5 battery units BU to the functional module 3a.
  • FIG. 7 is an arrow chart for explaining the flow of processing between modules.
  • step Sc1 the main control unit 204 (FIG. 6) of the basic core 2 receives control command information on the function control of the functional module 3b from the user terminal 1 via the terminal communication control unit 202.
  • step Sc2 the transmission information generation unit 211 (FIG. 6) of the functional module communication control unit 203 of the basic core 2 mixes the control information received in step Sc1 and information indicating that the destination is the functional module 3b. The combined data is generated as transmission information.
  • the signal superposition unit 52 superimposes the transmission information on the current for power supply from the power supply unit 48.
  • the inter-module transmission unit 51 transmits the signal of the current on which the transmission information is superimposed.
  • step Sa1 the inter-module transmission unit 71a (FIG. 6) of the connection unit 67a of the functional module 3a detects the signal of the current transmitted from the basic core 2.
  • step Sa2 the signal separation unit 72a (FIG. 6) of the functional module 3a analyzes the signal of the detected current and determines that it is not a control signal (transmission information) to its own device because the destination is not the own device. Do. In this case, the power extraction unit 69a acquires the power via the inter-module transmission unit 71a and supplies the power to the functional module 3a.
  • step Sb1 the inter-module transmission section 71b (FIG. 6) of the connection section 67b of the functional module 3b detects the signal of the current transmitted from the basic core 2 via the functional module 3a.
  • step Sb2 the signal separation unit 72b (FIG. 6) of the functional module 3b analyzes the signal of the detected current and includes the own machine at the destination, so that it is a control signal (transmission information) to the own machine judge. Then, the signal separation unit 72 b separates the control signal (transmission information) and supplies it to the functional hardware 68 b or the like. Further, the power extraction unit 69b acquires the power via the inter-module transmission unit 71b, and supplies the power to the functional module 3a.
  • step Sb3 the main control unit 242b and the function exerting unit 243b (FIG. 6) of the function module 3b execute control to turn on / off the function of the function hardware based on the control signal.
  • FIGS. 8A to 8C are diagrams showing an example of a screen actually displayed to the user in the program preparation process executed by the user terminal 1 of FIG.
  • FIG. 8A shows a state in which the user terminal 1 is not paired with any basic core 2.
  • the basic core 2-O (O is an arbitrary integer value of 1 to m)
  • the functional module 3-P1 (P1 and P2 are arbitrary integer values) is paired.
  • the functional module 3-P1 can exhibit the light function.
  • the functional module 3-P2 can exhibit the function of a buzzer.
  • FIG. 8B shows a state in which the user terminal 1 is paired with the basic core 2-O to which the functional module 3-P1 and the functional module 3-P2 are connected. Then, when looking at the user display screen of FIG. 8B, the icon of the light corresponding to the function module 3-P1 which has been paired and the icon of the buzzer corresponding to the function module 3-P2 are respectively displayed in the H parts display area DHB. ing.
  • FIG. 8C shows a situation where a program created by the user has been executed.
  • the user display screen shown in FIG. 8C is viewed, light icons, timers 2s, and buzzer icons are displayed in order from the right in the program creation display area DC, and the respective icons are connected in order by the arrows. There is.
  • the present invention is not limited to the above-described embodiment, and any modification, improvement, etc. within the range in which the object of the present invention can be achieved is included in the present invention. is there.
  • a light and a buzzer are adopted as the functional module 3-P1 and the functional module 3-P2, but the function exerted by the functional module 3 is not particularly limited to the above-described embodiment.
  • the power supply unit 48 adopts a battery capable of supplying a stable direct current, but the supplied current is not limited to direct current, and The alternating current may be supplied by adopting any means.
  • 9A and 9B are diagrams showing a specific example according to an embodiment of the present invention.
  • the toy of the rocket with a propeller is employ
  • a program is created and executed such that the propeller rotates after a 10-second countdown.
  • the basic core B1 connected to the functional module M1 and the functional module MC (for example, a speaker or the like) that exhibits the countdown function are not illustrated, but are stored, for example, in the functional module M1.
  • a train toy is adopted as the functional module M1.
  • a program is generated and executed in which a train is started in response to human voice or the like.
  • the basic core B2 connected to the functional module M2 and the functional module MA (for example, an audio sensor) that exhibits the function of capturing a sound are not illustrated, for example, It is stored inside module M2.
  • the present invention can be practiced in a variety of such forms, but in many embodiments is particularly useful for creating programs for use in children's educational toys.
  • the program creation screen can be visually confirmed, the program can be created safely and easily even if the user is a child, and according to the program created by oneself. Because it can be operated by a real machine, children can enjoy making programs without getting bored. In this way, having the children create programs while having fun allows them to become familiar with programs that are generally difficult to touch.
  • the input / output information in the present embodiment will be supplemented.
  • the contents of the program designated by the various icons are continuously executed.
  • As input / output information of each program not only simple trigger information as shown in FIG. 8A to FIG. 8C but also a wide variety of information such as analog signals can be handled as input / output information. That is, for example, the input / output information in this embodiment can be used for producing a program by outputting information (for example, a temperature of 15 degrees) acquired by the temperature sensor as it is as information such as an analog signal. Therefore, it is possible to realize even complex information processing that can not be realized only by information of digital signals.
  • pairing of user terminal 1 and basic core 2 is performed by near field communication by a method according to NFC (registered trademark) standard, it is not limited to this.
  • the pairing is not limited to near field communication, and may be performed by any means.
  • the execution result of the program produced by the user terminal 1 is transmitted using the short distance wireless communication in a method according to the standard such as Bluetooth (registered trademark), in particular It is not limited to.
  • the created program is not limited to near field communication, and may be transmitted using any means.
  • the number of basic cores 2 and the number of functional modules 3 are not limited to the above-described embodiment. That is, the number of basic cores 2 and the number of functional modules 3 may be the same or different. That is, one functional module 3 may be connected to one basic core 2.
  • the transmission information is generated and transmitted by the basic core 2 and received by the functional module 3, but the present invention is not particularly limited thereto.
  • the transmission information may be generated and transmitted by the functional module 3, and may be received by the basic core 2 or another functional module 3.
  • a signal transmitted from the basic core 2 to supply power to one or more functional modules 3 may be an alternating current even if it is a direct current as long as it can transmit the power by a current method. May be
  • the series of processes described above can be performed by hardware or software.
  • the functional configuration of FIG. 6 is merely illustrative and not particularly limited. That is, it is sufficient if the information processing system is provided with a function capable of executing the above-described series of processes as a whole, and what functional block is used to realize this function is not particularly limited to the example of FIG. Also, the location of the functional block is not particularly limited to that in FIG. 6, and may be arbitrary. Further, one functional block may be configured by hardware alone, may be configured by software alone, or may be configured by a combination of them.
  • a program configuring the software is installed on a computer or the like from a network or a recording medium.
  • the computer may be a computer incorporated in dedicated hardware.
  • the computer may be a computer capable of executing various functions by installing various programs, such as a general-purpose smartphone or personal computer other than a server.
  • a recording medium including such a program is not only configured by a removable medium (not shown) distributed separately from the apparatus main body to provide the program to the user, but is also incorporated in the apparatus main body in advance. And a recording medium provided to the user.
  • the processing performed chronologically along the order is, of course, parallel or individually not necessarily necessarily chronologically processing. It also includes the processing to be performed.
  • the term "system” is intended to mean an overall device composed of a plurality of devices, a plurality of means, and the like.
  • the information processing apparatus to which the present invention is applied can take various embodiments having the following configuration. That is, the information processing apparatus to which the present invention is applied (for example, the basic core 2 of FIG. 6) is The information processing apparatus for performing information communication and power supply to one or more other information processing apparatuses (for example, functional modules 3a and 3b in FIG. 6) that exhibit predetermined functions, respectively.
  • a control device for example, the user terminal 1 that executes control for causing the other information processing apparatus to exhibit the predetermined function and pairing execution means (for example, FIG. 6) for pairing with near field communication of a predetermined method.
  • Transmission information generation means for example, transmission information generation unit 211 in FIG. 6 for generating transmission information including Transmission control means (for example, control for executing control to transmit the transmission information to the one or more other information processing devices by superimposing the transmission information on a signal for supplying power to the one or more other information processing devices in a current system , Connection portion 47) of FIG. It is sufficient if it is a control device provided with Thus, the user can create the program by easy operation (such as combining and connecting icons) while visually confirming the contents of the program to be created. This also provides a technology that can implement many functions with a small number of devices. This also provides a technology capable of stabilizing data communication with a simple configuration.

Landscapes

  • Engineering & Computer Science (AREA)
  • Computer Networks & Wireless Communication (AREA)
  • Software Systems (AREA)
  • Theoretical Computer Science (AREA)
  • General Engineering & Computer Science (AREA)
  • Physics & Mathematics (AREA)
  • General Physics & Mathematics (AREA)
  • Business, Economics & Management (AREA)
  • Signal Processing (AREA)
  • Educational Technology (AREA)
  • Educational Administration (AREA)
  • Entrepreneurship & Innovation (AREA)
  • Power Engineering (AREA)
  • Human Computer Interaction (AREA)
  • Multimedia (AREA)
  • Telephone Function (AREA)
  • Stored Programmes (AREA)
  • Toys (AREA)
  • Selective Calling Equipment (AREA)
  • Debugging And Monitoring (AREA)
PCT/JP2018/030224 2017-08-15 2018-08-13 情報処理装置 Ceased WO2019035448A1 (ja)

Priority Applications (5)

Application Number Priority Date Filing Date Title
CN201880053040.9A CN111032174B (zh) 2017-08-15 2018-08-13 信息处理装置
KR1020207007369A KR102447077B1 (ko) 2017-08-15 2018-08-13 정보 처리 장치
SG11202001951QA SG11202001951QA (en) 2017-08-15 2018-08-13 Information processing device
EP18846379.8A EP3669957B1 (en) 2017-08-15 2018-08-13 Information processing device
US16/638,617 US11463128B2 (en) 2017-08-15 2018-08-13 Information processing device

Applications Claiming Priority (2)

Application Number Priority Date Filing Date Title
JP2017-156827 2017-08-15
JP2017156827A JP6748038B2 (ja) 2017-08-15 2017-08-15 情報処理装置

Publications (1)

Publication Number Publication Date
WO2019035448A1 true WO2019035448A1 (ja) 2019-02-21

Family

ID=65362847

Family Applications (1)

Application Number Title Priority Date Filing Date
PCT/JP2018/030224 Ceased WO2019035448A1 (ja) 2017-08-15 2018-08-13 情報処理装置

Country Status (7)

Country Link
US (1) US11463128B2 (enExample)
EP (1) EP3669957B1 (enExample)
JP (1) JP6748038B2 (enExample)
KR (1) KR102447077B1 (enExample)
CN (1) CN111032174B (enExample)
SG (1) SG11202001951QA (enExample)
WO (1) WO2019035448A1 (enExample)

Families Citing this family (3)

* Cited by examiner, † Cited by third party
Publication number Priority date Publication date Assignee Title
JP6793879B2 (ja) 2018-06-20 2020-12-02 Vivita株式会社 電子機器
US20220001292A1 (en) * 2020-06-18 2022-01-06 Saifeng Chen Programmable toy building blocks system
KR102481937B1 (ko) * 2020-08-25 2022-12-27 주식회사 일삼공티 전자 조립 블록

Citations (8)

* Cited by examiner, † Cited by third party
Publication number Priority date Publication date Assignee Title
JPH10108985A (ja) 1996-10-09 1998-04-28 Syst Watt:Kk 組立ブロック及び組立式玩具システム
JP2001228963A (ja) * 2000-02-17 2001-08-24 Kaikousha:Kk パネル認識装置
JP2003236261A (ja) * 2002-02-21 2003-08-26 Staff:Kk コンロ玩具
JP2010062766A (ja) * 2008-09-02 2010-03-18 Sharp Corp Plc機器
JP2015123231A (ja) * 2013-12-26 2015-07-06 株式会社ソニー・コンピュータエンタテインメント ブロック、ブロックシステム、情報処理装置、表示方法、および情報処理方法
US20160129358A1 (en) * 2014-11-07 2016-05-12 Meeper Technology, LLC Smart Phone Controllable Construction Brick Vehicle
JP2017517030A (ja) * 2014-05-07 2017-06-22 ジンウック キム ブロックを利用したアルゴリズム教育装置
JP2017121283A (ja) * 2016-01-05 2017-07-13 株式会社セガ トイズ コーディング玩具、ブロック、ステージ、形象体玩具及びコーディング方法

Family Cites Families (16)

* Cited by examiner, † Cited by third party
Publication number Priority date Publication date Assignee Title
JPH07273695A (ja) * 1994-01-24 1995-10-20 Yair Maryanka 直流導線を介する音声、音楽、映像、データの伝送
WO2002019104A1 (en) * 2000-08-28 2002-03-07 Sony Corporation Communication device and communication method, network system, and robot apparatus
JP4423157B2 (ja) * 2004-10-06 2010-03-03 キヤノン株式会社 電力線通信装置およびその制御方法
US8089345B2 (en) * 2004-11-10 2012-01-03 Caterpillar Inc. System and method for power and data delivery on a machine
PL2918320T3 (pl) * 2007-10-11 2017-07-31 Lego A/S System konstrukcyjny zabawek
US20100026086A1 (en) 2008-08-04 2010-02-04 Jerry Siegel Two-wire addressing scheme
US8248230B2 (en) * 2009-02-20 2012-08-21 Redwood Systems, Inc. Smart power device
CN102469453B (zh) * 2010-11-12 2015-03-25 国民技术股份有限公司 一种安全认证方法
FR2981517B1 (fr) * 2011-10-18 2015-02-13 2Linku Systeme d'alimentation electrique modulaire pour appareils electriques
CN102664034A (zh) 2012-05-14 2012-09-12 慈溪迈思特电子科技有限公司 基于电力线网络的家庭影院系统
JP2015023505A (ja) * 2013-07-22 2015-02-02 国立大学法人愛媛大学 Plc信号中継システム
KR101520785B1 (ko) 2013-12-26 2015-05-15 금오공과대학교 산학협력단 모듈형 로봇 키트
WO2016064542A1 (en) * 2014-10-24 2016-04-28 Express Imaging Systems, Llc Detection and correction of faulty photo controls in outdoor luminaires
CN204315065U (zh) * 2014-12-10 2015-05-06 宁波市鄞州杰特电子有限公司 一种童车遥控停止安全保护装置
CN205569762U (zh) * 2016-03-10 2016-09-14 深圳市翰童科技有限公司 无线电子积木
CN106139610A (zh) * 2016-08-09 2016-11-23 江苏大学 一种采用手势控制的玩具遥控装置

Patent Citations (8)

* Cited by examiner, † Cited by third party
Publication number Priority date Publication date Assignee Title
JPH10108985A (ja) 1996-10-09 1998-04-28 Syst Watt:Kk 組立ブロック及び組立式玩具システム
JP2001228963A (ja) * 2000-02-17 2001-08-24 Kaikousha:Kk パネル認識装置
JP2003236261A (ja) * 2002-02-21 2003-08-26 Staff:Kk コンロ玩具
JP2010062766A (ja) * 2008-09-02 2010-03-18 Sharp Corp Plc機器
JP2015123231A (ja) * 2013-12-26 2015-07-06 株式会社ソニー・コンピュータエンタテインメント ブロック、ブロックシステム、情報処理装置、表示方法、および情報処理方法
JP2017517030A (ja) * 2014-05-07 2017-06-22 ジンウック キム ブロックを利用したアルゴリズム教育装置
US20160129358A1 (en) * 2014-11-07 2016-05-12 Meeper Technology, LLC Smart Phone Controllable Construction Brick Vehicle
JP2017121283A (ja) * 2016-01-05 2017-07-13 株式会社セガ トイズ コーディング玩具、ブロック、ステージ、形象体玩具及びコーディング方法

Non-Patent Citations (1)

* Cited by examiner, † Cited by third party
Title
See also references of EP3669957A4

Also Published As

Publication number Publication date
KR102447077B1 (ko) 2022-09-23
CN111032174A (zh) 2020-04-17
CN111032174B (zh) 2022-02-18
EP3669957B1 (en) 2022-08-03
EP3669957A1 (en) 2020-06-24
JP6748038B2 (ja) 2020-08-26
JP2019033880A (ja) 2019-03-07
KR20200040830A (ko) 2020-04-20
US11463128B2 (en) 2022-10-04
EP3669957A4 (en) 2020-10-28
US20210152214A1 (en) 2021-05-20
SG11202001951QA (en) 2020-04-29

Similar Documents

Publication Publication Date Title
CN110462584B (zh) 控制方法、信息处理系统及装置、和计算机可读储存介质
WO2019035448A1 (ja) 情報処理装置
JP2011500116A (ja) 玩具構築システム
EP3116617B1 (en) Modular construction for interacting with software
CA2951544C (en) Interactive cloud-based toy
CN106999781A (zh) 交互式学习积木
US9272228B2 (en) Full-duplex, wireless control system for interactive costumed characters
JP2018110650A (ja) 情報処理システム、情報処理装置、情報処理プログラム、および情報処理方法
JP2004170932A (ja) サウンドカード,コンピュータシステム及びコンピュータシステムの制御方法
KR20150109215A (ko) 로봇 조립 장치
JP5207216B2 (ja) 仮想空間生成システム
CN103480159A (zh) 玩具构建系统
KR102715400B1 (ko) 영상 처리를 위한 전자 장치, 방법 및 비일시적 저장 매체
JP2023032976A (ja) 情報処理システム
EP3895771A1 (en) Information processing system
JP2001312275A (ja) 電子音楽ブロック及び自動演奏装置
JP6042154B2 (ja) 操作装置、情報処理システム、および通信方法
JP4422135B2 (ja) マルチプレイ対応メディアプレイヤー
JP6215045B2 (ja) 電子機器
EP4619119A1 (en) Utilizing inaudible ultrasonic frequencies to embed additional audio asset channels within existing audio channels
Pham et al. Musicbot: Edutainment with a reconfigurable robotic system
Sarno Tactical Performance: The Theory and Practice of Serious Play. By LM Bogad. New York: Routledge, 2016; pp. xiv+ 309, 45 illustrations. $29.95 e-book.
JP2019530372A5 (enExample)
KR20210085882A (ko) 가상현실 체험학습 시스템의 가상현실 포토북 생성방법
JP2010172649A (ja) 操作機器の接続が変更可能なゲーム装置

Legal Events

Date Code Title Description
121 Ep: the epo has been informed by wipo that ep was designated in this application

Ref document number: 18846379

Country of ref document: EP

Kind code of ref document: A1

NENP Non-entry into the national phase

Ref country code: DE

ENP Entry into the national phase

Ref document number: 20207007369

Country of ref document: KR

Kind code of ref document: A

ENP Entry into the national phase

Ref document number: 2018846379

Country of ref document: EP

Effective date: 20200316